Der Hersteller SRAM dürfte den meisten an Fahrrädern interessierten Nutzern durchaus bekannt sein, so stellt das Unternehmen insbesondere Schaltungen und Bremsen her. Einem am 25.04 veröffentlichten Patent (PDF) zufolge arbeitet der Hersteller auch an der Realisierung eines eigenen E-Bike-Motors. Dabei bringt dieser ein ungewöhnliches, aber nicht komplett unbekanntes Konzept mit.
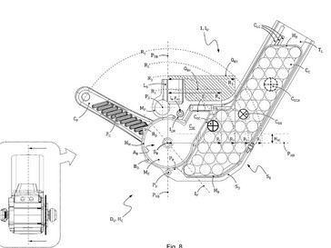
So ist die Integration eines Akkus in den Motor selbst keine komplett neue Idee. SRAM will dieses Prinzip aber bei einem Mittelmotor anwenden. Ein großer Vorteil der Lösung: Akku und der Motor selbst sind im Vergleich etwa zum Controller oder auch einem Display die mit Abstand schwersten Teile eines elektrischen Antriebs. Da der Akku somit in dem Mittelmotor unterkommt, ist auch dieses Gewicht zentral und relativ tief gelegen. Das hat einen positiven Einfluss auf den Schwerpunkt, woraus sich eine höhere Stabilität ergeben kann. Speziell im Gelände kann dies sinnvoll sein.
Dabei will SRAM zumindest dem Patent zufolge nicht auch noch die sozusagen letzte mögliche Integration wagen, so ist auf den Fotos ein Fahrrad mit Kettenschaltung zu sehen - eine Integration der Gangschaltung ist damit nicht vorgesehen. Bemerkenswert an den Fotos sind auch die Anschlüsse: So ist ein USB Typ C-Port zu sehen, welcher die Aufladung mit einem mehr oder weniger handelsüblichen Ladegerät erlauben würde. Da USB PD inzwischen auch die Übertragung großer Energiemengen unterstützt, müssen sich nicht unbedingt unerträgliche Ladezeiten ergeben.
Konkrete Informationen zu einem Produkt hat SRAM noch nicht kommuniziert. Wie immer gilt: Der Anmeldung eines Patents folgt nicht zwangsläufig auch die Veröffentlichung eines Produkts.
Quelle(n)
SRAM, Foto von Rachel Martin auf Unsplash












