Im Vergleich: Aorus X3 Plus vs. Gigabyte P34W vs. Razer Blade 14

Hardcore-Gaming auf einem Notebook wurde vor einigen Jahren noch belächelt, aber dank der Fortschritte bei der Hardware und der Leistung-per-Watt sind Spiele mittlerweile auch auf kleinen 14-Zoll-Displays mit der 4K-Auflösung möglich. Solche Notebooks haben allerdings immer noch einen hohen Anschaffungspreis, da die leistungsstarken Komponenten die Kosten in die Höhe treiben. Dieser Vergleich beschäftigt sich mit drei beliebten ultradünnen 14-Zoll-Gaming-Notebooks – wir vergleichen das Razer Blade 14, das Aorus X3 Plus und das Gigabyte P34W – und erleichtern Ihnen hoffentlich die Kaufentscheidung.
Für weitere Analysen und Informationen zu den drei Geräten empfehlen wir unsere jeweiligen Testberichte. Dieser Vergleich ist dabei nicht als Ersatz gedacht, sondern mehr als Hilfestellung für Unentschlossene.
Gehäuse
Niemand möchte ein klappriges Stück Technik für 2.000 US-Dollar. Bei der Gehäusequalität hat das Razer Blade 14 einen deutlichen Vorsprung gegenüber den Konkurrenten. Das fast Unibody-artige Gehäuse besteht aus Aluminium und ist im Vergleich zum Aorus und dem Gigabyte schnittiger und durchweg stabiler. Das Razer ist sogar noch einige Millimeter dünner, dafür allerdings etwas breiter als die beiden Rivalen. Die Design-Philosophie wurde ganz klar von dem minimalistischen Auftreten der MacBooks beeinflusst.
An nächster Stelle folgt das Gigabyte P34W. Mit dem matten Polycarbonat und Aluminium handelt es sich vermutlich um das einfachste Design in unserem Vergleich, aber die Stabilität kann uns trotzdem überzeugen, denn es gibt keine erkennbaren Schwachpunkte. Die Höhe des Notebooks liegt zwischen dem Blade 14 und dem X3 Plus, während das Gewicht dem letzteren ähnelt.
Das Aorus X3 Plus schafft es leider nur auf den dritten Platz. Die kantige und abgeschrägte Linienführung steht in direktem Kontrast zu dem Design des Blade 14, aber glücklicherweise kommt auch hier ein Aluminium-Gehäuse zum Einsatz. Die Baseunit ist sehr fest, aber leider sind sowohl die Gelenke als auch der Deckel im Gegensatz zu den anderen beiden Geräten deutlich anfälliger für Verwindungsversuche. Speziell in diesen Bereichen kommt zudem zu deutlich hörbaren Knarzgeräuschen, wenn man den Öffnungswinkel des Displays anpasst.
Das Notebook mit der besten Verarbeitung in diesem Vergleich kommt von Razer, denn es liegt ganz klar vor den Konkurrenten, aber gleichzeitig müssen die Nutzer nicht auf ein dünnes und leichtes Gerät verzichten.
Sieger: Razer Blade 14
Ausstattung
Die Anschlussvielfalt und Erweiterungsmöglichkeiten sind bei kleineren und dünneren Laptops in der Regel etwas eingeschränkt. Nichtsdestotrotz bieten das Aorus und das Gigabyte mehrere USB-3.0-Anschlüsse, HDMI sowie einen Gigabit-Ethernet-Anschluss. Beim Aorus gibt es noch einen Mini-DisplayPort und beim Gigabyte einen VGA-Ausgang. Für Festplatten stehen beim P34W 1x mSATA sowie 1x 2,5-Zoll (SATA III) zur Verfügung, das Aorus unterstützt mit 3x mSATA sogar RAID 0. Nutzer mit einem schmaleren Geldbeutel könnten das P34W bevorzugen, bei dem auch günstigere HDDs genutzt werden können, während sich Enthusiasten über die zahlreichen mSATA-Steckplätze auf Kosten des normalen 2,5-Zoll-Schachtes freuen. Daher herrscht in diesem Kapitel Gleichstand zwischen dem Aorus und dem Gigabyte.
Der ganz klare Verlierer in dieser Kategorie ist das Blade 14. Es gibt keinen Netzwerkanschluss, nur einen Videoausgang und noch nicht einmal ein Kartenleser ist vorhanden. Das ist der Preis, den man für das dünne und minimalistische Design zahlen muss. Des Weiteren gibt es nur einen einzigen M.2-Steckplatz ohne sekundäre Optionen. Ein Aufrüsten der SSD ist teuer und kaum zu vermeiden, wenn die Spielesammlung mit der Zeit immer größer wird.
Sieger: Gleichstand – Aorus X3 Plus v3 und Gigabyte P34W
| Aorus X3 Plus v3 | Gigabyte P34W | Razer Blade 14 | |
USB |
3x USB 3.0 | 4x USB 3.0 | 3x USB 3.0 |
Video-Ausgang |
HDMI, Mini-DisplayPort | HDMI, VGA | HDMI |
Andere |
SD-Leser, Gigabit-Ethernet, 1x 3,5-mm Mikrofon, 1x 3,5-mm Kopfhörer | SD-Leser, Gigabit-Ethernet, 1x 3,5-mm-Combo | 1x 3,5-mm-Combo |
Festplatte |
3x mSATA mit RAID 0 | 1x mSATA, 1x 2,5-Zoll-SATA-III, kein RAID 0 | 1x M.2 |
Eingabegeräte
Die Tastaturen von allen drei Geräten sind mit 28,5 x 10,5 cm gleich groß, beim Aorus gibt es allerdings noch zusätzliche Makro-Tasten. Auch das Feedback und der Hubweg sind ähnlich, die Tasten des Aorus sind jedoch straffer und daher etwas komfortabler. Die zusätzlichen Makro-Tasten beim X3 Plus sind ein weiterer Vorteil beim Spielen. Nichtsdestotrotz sind die vertikalen Pfeiltasten bei allen drei Modellen aufgrund der Größe schwierig zu nutzen, zudem gibt es keine dedizierten Tasten für die Lautstärke oder die Helligkeit.
Alle Touchpads unterstützen Multitouch und lassen sich ordentlich und ohne irgendwelche Zeigersprünge bedienen. Das Gigabyte hat das kleinste Touchpad und die größten Maustasten, allerdings leiden die Maustasten selbst unter einer schlechten Rückmeldung. Die glänzende Oberfläche bei dem Touchpad des Aorus mag zwar gut aussehen, aber die Bedienung leidet leider unter den unregelmäßigen Gleiteigenschaften. Das Razer hat das beste Touchpad, denn es ist sowohl größer als beim Gigabyte und bietet bessere Gleiteigenschaften als das Aorus, zudem gibt es größere dedizierte Maustasten mit einem zufriedenstellenden Feedback.
Sieger: Tastatur – Aorus X3 Plus v3
Touchpad – Razer Blade 14
| Aorus X3 Plus v3 | Gigabyte P34W | Razer Blade 14 | |
| Tastatur-Größe | 28,5 x 6,5 cm | 28,5 x 6,5 cm | 28,5 x 6,5 cm |
| Touchpad-Größe | 10,0 x 7,0 cm | 10,0 x 5,5 cm | 10,5 x 6,5 cm |
| Touchpad-Oberfläche | glatt und matt | glossy | glatt und matt |
| Dedizierte Maustasten | Nein | Ja | Ja |
| Macro-Tasten | Ja | Nein | Nein |
Display
Von einem rein visuellen Standpunkt übertreffen die Display des Aorus X3 Plus und des Razer Blade 14 mit 3.200 x 1.800 Pixeln das 1080p-Display im Gigabyte. Das Razer hat trotzdem einen Vorteil, denn das spiegelnde Glas-Panel mit Touchscreen ist stabiler, bietet einen höheren Kontrast und eine bessere Handhabung. Natürlich gibt es geteilte Meinungen über Touchscreens und spiegelnde Displays beim Spielen. Die Farbgenauigkeit und der Farbraum sind bei beiden Modellen sehr gut und sehr ähnlich, da beide Geräte die identischen Panels von Sharp verwenden. Dieses ist unter anderem auch in dem Fujitsu LifeBook U904 verbaut.
| Aorus X3 Plus v3 | Gigabyte P34W | Razer Blade 14 | |
Größe |
13,9-Zoll IPS | 14-Zoll IPS | 14-Zoll IPS |
Native Auflösung |
3.200 x 1.800 | 1.920 x 1.080 | 3.200 x 1.800 |
Pixeldichte |
264 PPI | 157 PPI | 262 PPI |
Panel-ID |
Sharp LQ140Z1JW01 | AU Optronics B140HAN01.1 | Sharp LQ140Z1JW01 |
Panel |
Matt | Matt | Glossy |
Glas-Touchscreen |
Nein | Nein | Ja |
Das P34W verliert in dieser Runde, allerdings nicht weil das Display schlecht ist. Das Panel von AU Optronics ist qualitativ sogar ziemlich hochwertig in Hinblick auf die Farbgenauigkeit, den Farbraum sowie die Helligkeit und liegt auf einem Niveau mit den anderen beiden Geräten. Probleme hat das P34W allerdings mit dem Kontrast und der 64 Prozent geringeren Pixeldichte gegenüber dem Blade 14 und X3 Plus. Da es bei Gigabyte kein optionales QHD+-Panel gibt, sind die beiden Konkurrenten einfach schärfer.
Sieger: Razer Blade 14
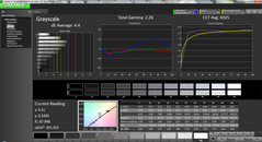
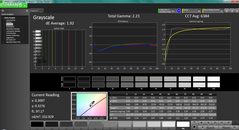
| Aorus X3 Plus v3 | Gigabyte P34W V3 | Razer Blade 14 2015 | |
|---|---|---|---|
| Display | |||
| Display P3 Coverage (%) | 67.6 | 69.4 | 70.3 |
| sRGB Coverage (%) | 93.2 | 92.6 | 97.1 |
| AdobeRGB 1998 Coverage (%) | 69 | 67.4 | 71.1 |
| Bildschirm | |||
| Helligkeit Bildmitte (cd/m²) | 312.4 | 305.4 | 318.4 |
| Brightness (cd/m²) | 306 | 277 | 311 |
| Brightness Distribution (%) | 91 | 84 | 78 |
| Schwarzwert * (cd/m²) | 0.504 | 0.72 | 0.416 |
| Kontrast (:1) | 620 | 424 | 765 |
| Delta E Colorchecker * | 4.17 | 2.81 | 3.67 |
| Delta E Graustufen * | 4.4 | 1.92 | 5.41 |
| Gamma | 2.26 97% | 2.21 100% | 2.26 97% |
| CCT | 6925 94% | 6384 102% | 7118 91% |
| Farbraum (Prozent von AdobeRGB 1998) (%) | 62 | 60.4 | 64.64 |
| Durchschnitt gesamt (Programm / Settings) |
* ... kleinere Werte sind besser
Leistung
Prozessor
Das Blade 14 und das P34W nutzen den identischen Core-i7-4720HQ-Prozessor, während das Aorus X3 Plus v3 den etwas langsameren Core i7-4710HQ verwendet. "Etwas" ist hierbei allerdings eine Übertreibung, denn beide Quad-Cores haben exakt die gleichen Cache-Größen und Funktionen, der i7-4710HQ ist lediglich 100 MHz langsamer, sowohl beim Basistakt als auch beim Turbo Boost. Dementsprechend ist die reine Prozessorleistung des Aorus bei Single-Thread- und Multi-Thread-Anwendungen laut Super Pi und wPrime minimal geringer, aber im Endeffekt gibt es keine Unterschiede beim Spielen, da die Grafikkarte dort normalerweise den begrenzenden Faktor darstellt.
Aufgrund der gleichen CPU-Leistung bei praktischen Anwendungen herrscht in dieser Kategorie ein Gleichstand zwischen den drei Geräten.
| Aorus X3 Plus v3 | Gigabyte P34W | Razer Blade 14 | |
| CPU | 2,5 GHz Core i7-4710HQ | 2,6 GHz Intel Core i7-4720HQ | 2,6 GHz Intel Core i7-4720HQ |
| RAM | 16 GB, 2x SODIMM | 16 GB, 2x SODIMM | 16 GB, verlötet |
| GPU | Nvidia GTX 970M mit 6 GB GDDR5-VRAM | Nvidia GTX 970M mit 3 GB GDDR5-VRAM | Nvidia GTX 970M mit 3 GB GDDR5-VRAM |
| GPU-Treiber | 344.42 | 344.75 | 344.77 |
| Cinebench R15 | |
| CPU Single 64Bit (nach Ergebnis sortieren) | |
| Aorus X3 Plus v3 | |
| Gigabyte P34W V3 | |
| Razer Blade 14 2015 | |
| CPU Multi 64Bit (nach Ergebnis sortieren) | |
| Aorus X3 Plus v3 | |
| Gigabyte P34W V3 | |
| Razer Blade 14 2015 | |
| Cinebench R11.5 | |
| CPU Single 64Bit (nach Ergebnis sortieren) | |
| Aorus X3 Plus v3 | |
| Gigabyte P34W V3 | |
| Razer Blade 14 2015 | |
| CPU Multi 64Bit (nach Ergebnis sortieren) | |
| Aorus X3 Plus v3 | |
| Gigabyte P34W V3 | |
| Razer Blade 14 2015 | |
| Cinebench R10 | |
| Rendering Single CPUs 64Bit (nach Ergebnis sortieren) | |
| Aorus X3 Plus v3 | |
| Gigabyte P34W V3 | |
| Razer Blade 14 2015 | |
| Rendering Multiple CPUs 64Bit (nach Ergebnis sortieren) | |
| Aorus X3 Plus v3 | |
| Gigabyte P34W V3 | |
| Razer Blade 14 2015 | |
| wPrime 2.10 | |
| 1024m (nach Ergebnis sortieren) | |
| Aorus X3 Plus v3 | |
| Gigabyte P34W V3 | |
| Razer Blade 14 2015 | |
| 32m (nach Ergebnis sortieren) | |
| Aorus X3 Plus v3 | |
| Gigabyte P34W V3 | |
| Razer Blade 14 2015 | |
| Super Pi Mod 1.5 XS 32M - 32M (nach Ergebnis sortieren) | |
| Aorus X3 Plus v3 | |
| Gigabyte P34W V3 | |
| Razer Blade 14 2015 | |
| 3DMark | |
| 1280x720 offscreen Ice Storm Unlimited Physics (nach Ergebnis sortieren) | |
| Aorus X3 Plus v3 | |
| Gigabyte P34W V3 | |
| Razer Blade 14 2015 | |
| 1920x1080 Ice Storm Extreme Physics (nach Ergebnis sortieren) | |
| Aorus X3 Plus v3 | |
| Gigabyte P34W V3 | |
| Razer Blade 14 2015 | |
| 1280x720 Cloud Gate Standard Physics (nach Ergebnis sortieren) | |
| Aorus X3 Plus v3 | |
| Gigabyte P34W V3 | |
| Razer Blade 14 2015 | |
| 1920x1080 Fire Strike Physics (nach Ergebnis sortieren) | |
| Aorus X3 Plus v3 | |
| Gigabyte P34W V3 | |
| Razer Blade 14 2015 | |
| Fire Strike Extreme Physics (nach Ergebnis sortieren) | |
| Aorus X3 Plus v3 | |
| Gigabyte P34W V3 | |
| Razer Blade 14 2015 | |
* ... kleinere Werte sind besser
Grafikkarte
Die Grafikleistung spielt bei einem Gaming-Notebook eine entscheidende Rolle. Die drei Vergleichsgeräte erzielen sowohl in den synthetischen als auch den Gaming-Benchmarks sehr ähnliche Ergebnisse. Die Ausnahme ist das Blade 14, welches interessanterweise unerklärlich niedrige Ergebnisse in 3DMark und CineBench erreicht, obwohl wir die Benchmarks mehrfach wiederholt haben. Glücklicherweise ist die Leistung in Spielen davon überhaupt nicht betroffen. Aufgrund dieser Ergebnisse herrscht auch hier wieder ein Gleichstand zwischen den drei Geräten.
| 3DMark 11 - 1280x720 Performance GPU (nach Ergebnis sortieren) | |
| Aorus X3 Plus v3 | |
| Gigabyte P34W V3 | |
| Razer Blade 14 2015 | |
| 3DMark | |
| 1280x720 offscreen Ice Storm Unlimited Graphics Score (nach Ergebnis sortieren) | |
| Aorus X3 Plus v3 | |
| Gigabyte P34W V3 | |
| Razer Blade 14 2015 | |
| 1920x1080 Ice Storm Extreme Graphics (nach Ergebnis sortieren) | |
| Aorus X3 Plus v3 | |
| Gigabyte P34W V3 | |
| Razer Blade 14 2015 | |
| 1280x720 Cloud Gate Standard Graphics (nach Ergebnis sortieren) | |
| Aorus X3 Plus v3 | |
| Gigabyte P34W V3 | |
| Razer Blade 14 2015 | |
| 1920x1080 Fire Strike Graphics (nach Ergebnis sortieren) | |
| Aorus X3 Plus v3 | |
| Gigabyte P34W V3 | |
| Razer Blade 14 2015 | |
| Fire Strike Extreme Graphics (nach Ergebnis sortieren) | |
| Aorus X3 Plus v3 | |
| Gigabyte P34W V3 | |
| Razer Blade 14 2015 | |
| Cinebench R11.5 - OpenGL 64Bit (nach Ergebnis sortieren) | |
| Aorus X3 Plus v3 | |
| Gigabyte P34W V3 | |
| Razer Blade 14 2015 | |
| Cinebench R15 - OpenGL 64Bit (nach Ergebnis sortieren) | |
| Aorus X3 Plus v3 | |
| Gigabyte P34W V3 | |
| Razer Blade 14 2015 | |
| Sleeping Dogs | |
| 1366x768 High Preset AA:High (nach Ergebnis sortieren) | |
| Aorus X3 Plus v3 | |
| Gigabyte P34W V3 | |
| Razer Blade 14 2015 | |
| 1920x1080 Extreme Preset AA:Extreme (nach Ergebnis sortieren) | |
| Aorus X3 Plus v3 | |
| Gigabyte P34W V3 | |
| Razer Blade 14 2015 | |
| Guild Wars 2 | |
| 1366x768 Best Appearance Preset AA:FX (nach Ergebnis sortieren) | |
| Aorus X3 Plus v3 | |
| Gigabyte P34W V3 | |
| Razer Blade 14 2015 | |
| 1920x1080 All Maximum / On AA:FX (nach Ergebnis sortieren) | |
| Aorus X3 Plus v3 | |
| Gigabyte P34W V3 | |
| Razer Blade 14 2015 | |
| Tomb Raider | |
| 1366x768 High Preset AA:FX AF:8x (nach Ergebnis sortieren) | |
| Aorus X3 Plus v3 | |
| Gigabyte P34W V3 | |
| Razer Blade 14 2015 | |
| 1920x1080 Ultra Preset AA:FX AF:16x (nach Ergebnis sortieren) | |
| Aorus X3 Plus v3 | |
| Gigabyte P34W V3 | |
| Razer Blade 14 2015 | |
| StarCraft II: Heart of the Swarm | |
| 1366x768 High AA:on (nach Ergebnis sortieren) | |
| Aorus X3 Plus v3 | |
| Gigabyte P34W V3 | |
| Razer Blade 14 2015 | |
| 1920x1080 Ultra / Extreme AA:on (nach Ergebnis sortieren) | |
| Aorus X3 Plus v3 | |
| Gigabyte P34W V3 | |
| Razer Blade 14 2015 | |
| BioShock Infinite | |
| 1366x768 High Preset (nach Ergebnis sortieren) | |
| Aorus X3 Plus v3 | |
| Gigabyte P34W V3 | |
| Razer Blade 14 2015 | |
| 1920x1080 Ultra Preset, DX11 (DDOF) (nach Ergebnis sortieren) | |
| Aorus X3 Plus v3 | |
| Gigabyte P34W V3 | |
| Razer Blade 14 2015 | |
| Metro: Last Light | |
| 1366x768 High (DX11) AF:16x (nach Ergebnis sortieren) | |
| Aorus X3 Plus v3 | |
| Gigabyte P34W V3 | |
| Razer Blade 14 2015 | |
| 1920x1080 Very High (DX11) AF:16x (nach Ergebnis sortieren) | |
| Aorus X3 Plus v3 | |
| Gigabyte P34W V3 | |
| Razer Blade 14 2015 | |
| Thief | |
| 1366x768 High Preset AA:FXAA & Low SS AF:4x (nach Ergebnis sortieren) | |
| Aorus X3 Plus v3 | |
| Gigabyte P34W V3 | |
| Razer Blade 14 2015 | |
| 1920x1080 Very High Preset AA:FXAA & High SS AF:8x (nach Ergebnis sortieren) | |
| Aorus X3 Plus v3 | |
| Gigabyte P34W V3 | |
| Razer Blade 14 2015 | |
| Middle-earth: Shadow of Mordor | |
| 1920x1080 High Preset (nach Ergebnis sortieren) | |
| Aorus X3 Plus v3 | |
| Gigabyte P34W V3 | |
| Razer Blade 14 2015 | |
| 1920x1080 Ultra Preset (HD Package) (nach Ergebnis sortieren) | |
| Aorus X3 Plus v3 | |
| Gigabyte P34W V3 | |
| Razer Blade 14 2015 | |
| Ryse: Son of Rome | |
| 1920x1080 High Texture Res. + High Graphics Quality (Rest Off/Disabled) AF:8x (nach Ergebnis sortieren) | |
| Aorus X3 Plus v3 | |
| Gigabyte P34W V3 | |
| Razer Blade 14 2015 | |
| 1920x1080 Very High Texture Res. + High Graphics Quality (Motion Blur & Temporal AA On, Rest Off/Disabled) AF:8x (nach Ergebnis sortieren) | |
| Aorus X3 Plus v3 | |
| Gigabyte P34W V3 | |
| Razer Blade 14 2015 | |
| F1 2014 | |
| 1920x1080 High Preset (nach Ergebnis sortieren) | |
| Aorus X3 Plus v3 | |
| Gigabyte P34W V3 | |
| Razer Blade 14 2015 | |
| 1920x1080 Ultra Preset AA:4x MS (nach Ergebnis sortieren) | |
| Aorus X3 Plus v3 | |
| Gigabyte P34W V3 | |
| Razer Blade 14 2015 | |
Leistung bei QHD+
Spielen mit der nativen Auflösung von 3.200 x 1.800 ist sowohl auf dem Aorus als auch dem Razer Blade bei ausgewählten Games ganz gut möglich. In beinahe jedem Test hat das Aorus einen kleinen Vorsprung gegenüber dem Razer. Ein Grund dafür ist der 3 GB größere Videospeicher beim Aorus, der bei höheren Auflösungen einen Vorteil bringt. Bei beiden Geräten müssen normalerweise einige Details reduziert werden, um flüssige Frameraten zu erzielen (siehe Tabelle unten).
| Aorus X3 Plus v3 | Razer Blade 14 | |
Sleeping Dogs |
14.9 | 13.8 |
Guild Wars 2 |
40.3 | 38.8 |
Tomb Raider |
32.1 | 32.5 |
Starcraft II: Heart of the Swarm |
50.1 | 45.6 |
Metro: Last Light |
23.9 | 23.6 |
Thief |
21.8 | 21.4 |
Middle-earth: Shadow of Mordor |
26 | 23.7 |
Ryse: Son of Rome |
19.7 | 21.2 |
F1 2014 |
82 | 66 |
Stresstest
Der Unigine-Heaven-Stresstest ist ein guter Indikator für die Leistungsfähigkeit der Notebooks bei längeren Gaming-Sessions. Das beste Ergebnis erzielt das Aorus, denn insgesamt sind die Kerntemperaturen geringer, womit auch die Gefahr von Throttling sinkt. Das Razer ist genauso schnell, allerdings werden sowohl die CPU als auch die GPU deutlich wärmer und befinden sich näher an der kritischen Grenze von 90 °C. Das Gigabyte ist hier der Verlierer, da der Takt der Grafikkarte im Verlauf des Tests aufgrund von thermischen Einschränkungen konstant abnimmt.
Zusätzlich haben wir den eingebauten Benchmark von Metro: Last Light (1080p Ultra) zehnmal hintereinander ausgeführt und die Ergebnisse nach jedem Lauf verglichen. Das P34W startet sehr gut, wird nach dem dritten oder vierten Durchlauf aber in die Knie gezwungen. Das Aorus und das Razer erzielen deutlich konstantere Ergebnisse.
Sieger: Aorus X3 Plus v3
| Aorus X3 Plus v3 | Gigabyte P34W | Razer Blade 14 | |
| GPU-Kerntakt (MHz) | 1037,4 | <860 | 1037,8 |
| GPU-Temperatur | 69 C° | 85 C° | 83 C° |
| CPU-Temperatur | 70 - 75 C° | 85 - 88 C° | 80 - 85 C° |
Emissionen
Geräuschemissionen & Temperatur
Es gibt keine Zweifel daran, dass alle drei Geräte unter Last laut werden. Aber welches Notebook macht den meisten Lärm?
Alle Vergleichsgeräte arbeiten im Leerlauf oder Energiesparmodus beinahe lautlos. Sowohl das Aorus als auch das Gigabyte haben bessere Lüftersteuerungen im Vergleich zum Razer, denn Nutzer können zwischen verschiedenen Modi unterscheiden (Stealth, Max und 2 Auto-Modi). Beim Spielen ist das Razer allerdings mit Abstand das lauteste Gerät und erreicht 55 bis zu 60 dB(A). Das Aorus liegt mit 45 bis 45 dB(A) im Mittelfeld, der Lüfter pulsiert aber deutlich mehr als bei den beiden anderen Geräten. Schließlich ist das Gigabyte mit 44 bis 49 dB(A) am leisesten.
Mit dem aktivierten Max-Fan-Modus können auch die Notebooks von Aorus und Gigabyte bis zu 60 dB(A) erreichen, aber ansonsten ist bei etwa 55 dB(A) Schluss.
Die Temperaturprofile unterscheiden sich aufgrund der ähnlichen Kühllösungen kaum zwischen den drei Modellen. Das Razer wird auf beiden Seiten und der Handballenauflage insgesamt am wärmsten, gefolgt vom Aorus und dem Gigabyte.
Sieger: Gigabyte P34W
| Aorus X3 Plus v3 | Gigabyte P34W | Razer Blade 14 | |
| Lüftergeräusch | 45 - 55 dB(A) | 44 - 49 dB(A) | 50 - 59 dB(A) |
| Temperatur | 37,1 C° | 35,5 C° | 39,7 C° |
Akkulaufzeit
Das Aorus und das Razer haben identische Akkukapazitäten (Lithium-Ion), während das Gigabyte ein kleineres Modul verwendet, um Platz für den 2,5-Zoll-SATA-Schacht zu schaffen. Trotzdem unterscheiden sich die Laufzeiten beim Spielen kaum und zwischen den drei Notebooks gibt es keinen klaren Sieger. Interessanter ist die Laufzeit des Blade 14, denn es läuft 30 Minuten weniger als das Aorus unter den gleichen Bedingungen. Der Sieg geht in dieser Kategorie an das P34W, das mit seiner längeren Idle-Laufzeit auch bei einfachen Aufgaben wie der Textverarbeitung einen Vorteil haben sollte.
Sieger: Gigabyte P34W
| Aorus X3 Plus v3 73 Wh | Gigabyte P34W V3 61 Wh | Razer Blade 14 2015 71 Wh | |
|---|---|---|---|
| Akkulaufzeit | |||
| Idle (h) | 7.1 | 8.7 | 6.3 |
| WLAN (h) | 4.3 | 3.7 | |
| Last (h) | 1.6 | 1.4 | 1.1 |
| WLAN (alt) (h) | 4.7 |
Fazit
Zum Zeitpunkt dieses Vergleiches sind das Aorus X3 Plus v3, das Gigabyte P34W und das Razer Blade 14 für 2.500, 1.600 bzw. 2.400 US-Dollar erhältlich. Mit anderen SSDs und HDDs können die Preise auch niedriger ausfallen.
Leider kann keines der Modelle einen klaren Sieg erringen. Für das schnellste Notebook sollte man sich das Aorus mit der 6-GB-Version der GTX 970M ansehen, die bei Gaming in 4K einen Vorteil hat und das Gigabyte sollte man aufgrund der Throttling-Probleme vermeiden. Die größten Defizite des X3 Plus sind der schwächere Deckel und Gelenke sowie die etwas dickere Konstruktion.
Das superdünne Razer Blade 14 bietet das beste Design und die höchste Gehäusestabilität. Die Leistung ist ebenfalls hoch und es gibt kein Throttling. Allerdings müssen potenzielle Nutzer ohne sekundäre Speicherlösung auskommen. Zudem ist der RAM nicht erweiterbar, die Anschlussvielfalt ist beschränkt, die Oberflächentemperaturen sind höher und die Lüfter lauter.
Das Gigabyte P34W ist dank dem kostengünstigen 2,5-Zoll-Schacht, dem tollen 1080p-IPS-Display und den besten Emissionen (geringstes Lüftergeräusch und niedrigste Oberflächentemperaturen) die beste Lösung für preisbewusste Anwender. Das moderate Throttling beim Spielen ist leider ein großer Nachteil, da man das volle Potenzial der GTX 970M nicht ausnutzen kann.
Performance-Enthusiasten können mit dem X3 Plus v3 oder dem Blade 14 nichts falsch machen. Das Aorus kann uns mit seiner besseren QHD+-Leistung und der besseren Anschlussvielfalt aber letztendlich am meisten überzeugen und sollte auf lange Sicht einen Vorteil gegenüber dem Razer haben. Achten sollte man jedoch auf das wackelige Display.
| Aorus X3 Plus v3 | Gigabyte P34W | Razer Blade 14 | |
Positiv |
+ Hochwertiges mattes IPS-Panel mit 3.200 x 1.800 Pixeln + Stabiles Aluminium-Gehäuse + Schnittiges und Gaming-orientiertes Design + HDMI und Mini-DisplayPort + Dedizierte Makro-Tasten + Tastatur mit guter Rückmeldung + Aufrüstbarer Arbeitsspeicher (SODIMM) + 3x mSATA mit RAID 0 + Gute GPU-Leistung + 6 GB VRAM für bessere QHD+-Leistung + Optionen zur Lüftersteuerung |
+ Hochwertiges mattes 1080p-IPS-Panel + Geringstes Lüftergeräusch und niedrigste Oberflächentemperaturen + HDMI und VGA + Aufrüstbarer Arbeitsspeicher (SODIMM) + 2,5-Zoll-SATA-III-Erweiterung + Gute Akkulaufzeiten + Optionen zur Lüftersteuerung |
+ Hochwertiger spiegelnder IPS-Touchscreen mit 3.200 x 1.800 Pixeln + Höchster Kontrast + Stabiles Aluminium-Gehäuse und Deckel + Minimalistisches Design + Gute GPU-Leistung + Sehr dünn, schnittig und mobil + Bestes Touchpad der drei Vergleichsgeräte |
Negativ |
- Deckel ist instabil und kann knarzen - Gelenke könnten straffer sein - Keine 2,5-Zoll-SATA-Erweiterung - Dickstes Modell im Vergleich - Häufiges Pulsieren der Lüfter - Etwas kleinerer 13,9-Zoll-Bildschirm |
- GPU throttlet beim Spielen - Langweiliges Gehäuse-Design - Keine dedizierten Makro-Tasten - Keine QHD+-Option - Kleinste Akkukapazität |
- Sehr geringe Anschlussvielfalt - Spiegelndes Display - RAM nicht aufrüstbar - Keine sekundäre Festplatte - Wärmstes und lautestes Gerät im Vergleich - Keine dedizierten Makro-Tasten - Etwas kürzere Akkulaufzeiten - Fällt bei der QHD+-Leistung etwas zurück - Nur ein Videoausgang |


































