Test des Alienware AW2725DF QD-OLED Gaming-Monitors: rasend schnelle QHD-360-Hz-Qualität als Wettbewerbsvorteil

Quantenpunkt-OLED-(QD-OLED)-Monitore werden im Jahr 2024 schnell zum Mainstream, da zahlreiche OEMs mehrere QD-OLED-Displays in ihren Produktlinien anbieten.
QD-OLED debütierte erstmals auf der CES 2022 mit dem Samsung S95B Smart TV, der die Farbvorteile von Quantenpunkten mit dem praktisch unendlichen Kontrast von OLEDs kombiniert. Auf der gleichen Veranstaltung, enthüllte Alienware den AW3423DW, den ersten QHD-175-Hz-Gaming-Monitor, der auf einem Gen-1-Samsung-QD-OLED-Panel basiert.
Alienware hat für 2024 drei QD-OLED-Gaming-Monitore in Aussicht gestellt: AW2725DF 27 Zoll QHD 360 Hz, AW3225QF 32 Zoll UHD 240 Hz gebogen und AW3423DWF 34 Zoll WQHD 165 Hz.
Der AW2725DF und der AW3225QF basieren auf Gen-3-Samsung-QD-OLED-Panels, die den Displayherstellern Anfang des Jahres zur Verfügung gestellt wurden, während der AW3423DWF weiterhin auf die Gen-1-Technologie setzt, mit zusätzlicher AMD-FreeSync-Premium-Pro-Unterstützung und einem speziellen Konsolenmodus, der dem ursprünglichen AW3423DW fehlte.
Neben dem Alienware AW2725DF sind der MSI MPG 271QRX und der Gigabyte Aorus FO27Q3 die einzigen derzeit erhältlichen QHD-360-Hz-QD-OLEDs.
In diesem Test werfen wir einen ausführlichen Blick auf den Alienware AW2725DF, der derzeit für 85.000 Indische Rupees (830 US-Dollar oder 889 Euro) im Handel erhältlich ist, und sehen, ob dieser QHD-360-Hz-QD-OLED-Monitor eine Überlegung wert ist, um Ihr eSport-Erlebnis zu verbessern.
QD-OLED bietet mehrere Vorteile gegenüber W-OLED
Obwohl Mini-LED-Panels vor allem bei Laptops ins Rampenlicht gerückt sind, ist OLED immer noch König für alle, die tiefes Schwarz und schnelle Reaktionszeiten suchen.
QD-OLED-Monitore profitieren von der Verwendung einer einzigen blauen Lichtquelle in Verbindung mit einer Quantenpunktschicht, die im Vergleich zu herkömmlichen weißen OLED-Panels (W-OLED) eine bessere räumliche Auflösung der RGB-Primärfarben und eine volle Farbsättigung bei Spitzenhelligkeit bietet.
Für den Endverbraucher bedeutet dies ein höheres HDR-Farbvolumen und eine breitere Abdeckung der Farbskala. Außerdem trägt das Fehlen eines Polarisators bei QD-OLEDs zu einer höheren Spitzenhelligkeit und stabileren Betrachtungswinkeln als bei herkömmlichen W-OLEDs bei. Und da QD-OLEDs eine blaue Lichtquelle regulieren, können sie die schädlichen blauen Lichtemissionen wirksam kontrollieren, die Müdigkeit oder veränderte Schlaf-Wach-Zyklen verursachen können.
Insbesondere die QD-OLEDs der Gen 3 können theoretisch eine HDR-Helligkeit von bis zu 3.000 Nits erreichen (was bei Desktop-Monitoren noch nicht der Fall ist) und verfügen über einen KI-basierten Quantum-Enhancer-Algorithmus, der die Haltbarkeit und Gleichmäßigkeit des Bildschirms verbessert.
Diese Panels unterstützen Bildwiederholfrequenzen von bis zu 360 Hz, haben dank des Pico-Inkjet-Quantenpunktdrucks von Samsung eine höhere Pixeldichte und sind im Vergleich zu QD-OLED-Panels der vorherigen Generation stromsparender.
Verarbeitungsqualität: Alien aus robustem Kunststoffgehäuse
Das Gehäuse des Alienware AW2725DF wiegt 4,30 kg und besteht aus einer stabilen Kunststoffkonstruktion, die weder knarrt noch sich verwindet. Der Zusammenbau des Hauptbildschirms mit dem mitgelieferten Standfuß und dem Sechskantfuß ist völlig werkzeugfrei.
Die gesamte Baugruppe, die den Metallständer, den Kunststoffsockel und das Display umfasst, wiegt zusammen 9,97 kg. Die Montage nach VESA 100 x 100 mm wird ebenfalls unterstützt.
Der Standfuß lässt sich in der Höhe verstellen, neigen, drehen und schwenken und verfügt über eine Aussparung für das Kabelmanagement.
Auf der Rückseite des Bildschirms befinden sich das kultige Alienware Logo und die Nummer 27, die beide mit AlienFX-RGB-Beleuchtung beleuchtet sind, sowie die Einschalttaste. An der Rückseite gibt es eine ausreichende Belüftung, um eine Überhitzung des Bildschirms zu verhindern.
Merkmale und Spezifikationen: QHD 360 Hz mit nativer 10-Bit-HDR-Farbtiefe
Neben dem Display selbst enthält die Verpackung den Standfuß und die Basis, die I/O-Abdeckung für die Ports, ein Mikrofasertuch, ein Kalibrierungsprotokoll, ein Alienware Aufkleber und behördliche Papiere. Dell legt außerdem ein DisplayPort-1.4-Kabel, ein USB-Typ-C-zu-DisplayPort-1.4-Kabel, ein USB-3.2-Gen-1-Typ-B-Upstream-Kabel und ein Stromkabel bei. Es wird kein HDMI-Kabel mitgeliefert.
Der AW2725DF ist in der Farbvariante "Dark Side of the Moon" erhältlich und erfüllt alle Anforderungen, die an einen Gaming-Monitor im Jahr 2024 gestellt werden. Es gibt Unterstützung für AMD FreeSync Premium Pro, das auch mit Nvidia G-Sync kompatibel ist, QHD-Spiele mit 120 fps auf den PS5- und Xbox Konsolen der Serie X|S, eine schnelle Bildwiederholrate von 360 Hz und native 10-Bit-HDR-Farbtiefe.
Laut Dell ist das Alienware AW2725DF VESA HDR TrueBlack 400 zertifiziert. Der Bildschirm deckt einen DCI-P3-Farbraum von 99,3% ab und hat eine ultraschnelle Grau-zu-Grau-Rate von 0,03 ms Response Time.
Die Display-Helligkeit wird mit 250 Nits im SDR-Modus angegeben und erreicht im HDR-Modus einen Spitzenwert von 400 Nits. Der Monitor bietet auch einen HDR-Peak-1000-Modus, der angeblich 1.000 Nits bei einer sehr niedrigen APL erreicht. Wir werden uns diese Aspekte im Laufe dieses Tests genauer ansehen.
Es gibt keinen integrierten KVM-Switch, aber die Modi Picture-in-Picture (PiP) und Picture-by-Picture (PbP) sind verfügbar.
Der AW2725DF wird mit einer dreijährigen Garantie geliefert, die sowohl den Premium Panel Exchange als auch den Advanced Exchange Service umfasst. Dell verspricht einen kostenlosen Austausch des Monitors während der Garantiezeit, auch wenn nur ein heller Pixel gefunden wird oder wenn der Dell Support nach einer Ferndiagnose feststellt, dass ein Austausch erforderlich ist. Dies deckt auch das Einbrennen von OLEDs ab.
Anschlussausstattung: mehr USB- als Videoeingänge, kein DP-Alt-Modus
Der AW2725DF bietet insgesamt nur drei Videoeingänge: einen HDMI-2.1-in und 2x DisplayPort-1.4-in. Angesichts der QHD-Auflösung ist der HDMI-Anschluss technisch gesehen ein 2.0-Anschluss, unterstützt aber HDMI-2.1-Funktionen wie variable Bildwiederholfrequenz (VRR). Das bedeutet auch, dass eine Bildwiederholrate von 360 Hz nur mit einer DisplayPort Verbindung möglich ist, während HDMI auf 144 Hz beschränkt ist.
Insgesamt fünf USB-3.2-Gen-1-Anschlüsse sind verfügbar: 1x Upstream, 3x Downstream und ein USB-Type-C-Downstream. Der Typ-C-Anschluss unterstützt den DisplayPort-Altmodus nicht, was bedeutet, dass der AW2725DF kein Videosignal über USB Typ-C empfangen kann.
Daher muss man sich auf den HDMI-Ausgang verlassen oder das mitgelieferte Type-C-zu-DisplayPort-Kabel verwenden, um einen Laptop an den Monitor anzuschließen.
Abgesehen davon unterstützt der USB-Type-C-Anschluss eine Leistung von 15 W, die zum Aufladen angeschlossener Geräte nutzbar ist. Man kann auch einige der Peripheriegeräte direkt an den Monitor anschließen und so Platz auf dem Hauptcomputer freimachen.
Zu beachten ist, dass es keine Audioausgänge oder einen integrierten Lautsprecher gibt, so dass externe Audiolösungen benötigt werden, wenn man Spielkonsolen an den AW2725DF anschließen möchte.
Apropos Konsolen: 4K-120-Hz-Signale von der PlayStation 5 und der Xbox Series X werden nicht unterstützt, da es sich um ein QHD-Display handelt. Er kann jedoch 4K-60-Hz- (herunterskaliert)-Signale mit VRR und HDR verarbeiten.
Einstellungen: leicht zu navigierendes OSD mit integrierter OLED-Wartung
Der AW2725DF kann über das On-Screen-Display (OSD) oder über das Alienware Command Center (ACC) gesteuert werden. Windows installiert automatisch ACC und Dell Display Manager (DDM) über Windows Update, sobald der Monitor erkannt wird. Alles ist auch manuell von der Dell Website herunterladbar.
Das OSD kann durch Drücken des Joysticks ausgelöst werden. Abgesehen von den Menüs zeigt das OSD auch eine kurze Zusammenfassung am oberen Rand des Bildschirms an, einschließlich des Zustands des Panels. Die Zustandsanzeige zeigt einen gelben Punkt an, wenn das Panel vier Stunden oder länger ohne Pixelaktualisierung aktiv war.
Das Menü ermöglicht auch die Durchführung von OLED-Wartungsaktivitäten wie Pixel Refresh und Panel Refresh. Diese werden ausgeführt, wenn sich der Monitor im Standby-Modus befindet oder nachdem eine bestimmte Anzahl von Arbeitsstunden erreicht wurde.
Obwohl das Einbrennen von OLEDs immer seltener wird, ist es immer noch ein Streitpunkt für diejenigen, die den Kauf eines QD-OLEDs planen. Pixel Refresh und Panel Refresh sollten, zumindest theoretisch, dazu beitragen, dieses Problem weitgehend zu entschärfen.
Pixel Refresh ist standardmäßig so konfiguriert, dass es im Standby-Modus alle vier Stunden abläuft, kann aber auch so eingestellt werden, dass es in 20-Stunden-Intervallen ausgeführt wird, wenn man es nicht manuell aktiviert. Dies ist ein kürzerer Prozess, der etwa sieben Minuten dauert.
Panel Refresh ist ein gründlicherer Pixel-Aktualisierungsprozess, der einmal alle 1.500 Stunden der kumulierten Nutzung ausgelöst wird. Er kann auf Wunsch manuell durchgeführt werden, und der gesamte Prozess dauert bis zu einer Stunde.
Diese Prozesse laufen in der Regel im Standby-Modus, können aber unterbrochen und später ausgeführt werden, wenn Sie den Monitor weiter verwenden möchten.
Obwohl der AW2725DF vollständig über das OSD gesteuert werden kann, ist es auch möglich, ACC und DDM zu verwenden, wenn Sie nicht gerne mit dem Joystick herumfummeln möchten. Dazu muss der Monitor über das USB-Typ-B-Upstream-Kabel mit dem PC verbunden sein.
Funktionen wie AlienFX Beleuchtung, AlienVision, Fadenkreuz, PiB/PiP und Display-Voreinstellungen sind über ACC konfigurierbar. DDM bietet zusätzliche Einstellungen wie die Anordnung des Fensterlayouts, Helligkeits-/Kontrastplanung und Firmware-Updates. Auf unserem Gerät lief zum Zeitpunkt des Tests die neueste M3B103-Firmware.
Displayqualität: lebendige Farben und blitzschnelle Reaktionszeiten
Die QHD-Auflösung des Alienware AW2725DF führt zu einer geringen Pixeldichte von 109 ppi. Dennoch sind die einzelnen Pixel bei typischen Betrachtungsabständen nicht ohne Weiteres erkennbar. Die dreieckige Anordnung der Subpixel kann zu Problemen bei der Textdarstellung führen, wie wir gleich sehen werden.
Da es sich um ein OLED-Panel handelt, gibt es kein Backlight-Bleeding.
Dell bietet mehrere Voreinstellungen zur Auswahl an, darunter spezielle sRGB- und DCI-P3-Modi.
Wir haben für unsere Messungen die Standard-Voreinstellung nach einem Werks-Reset verwendet, wobei sowohl Helligkeit als auch Kontrast auf 100 % eingestellt waren.
Wir haben eine SDR-Spitzenhelligkeit von 249 Nits mit einer hervorragenden Gleichmäßigkeit von 97 % gemessen. Die minimale Helligkeit des Panels von nur 19 Nits sorgt für eine angenehme Betrachtung bei schlechten Lichtverhältnissen.
Eine Helligkeit von 250 Nits mag gering erscheinen, aber das nahezu unendliche Kontrastverhältnis des QD-OLED-Panels gleicht dies aus und sorgt für ein beeindruckendes Seherlebnis. Das bedeutet allerdings auch, dass darauf zu achten ist, dass keine Lichtquellen aus der Umgebung direkt auf das glänzende Panel fallen.
| |||||||||||||||||||||||||
Ausleuchtung: 97 %
Kontrast: ∞:1 (Schwarzwert: 0 cd/m²)
ΔE ColorChecker Calman: 4.89 | ∀{0.5-29.43 Ø4.73}
calibrated: 2.06
ΔE Greyscale Calman: 4.4 | ∀{0.09-98 Ø4.98}
93.9% AdobeRGB 1998 (Argyll 3D)
100% sRGB (Argyll 3D)
98.2% Display P3 (Argyll 3D)
Gamma: 1.8
CCT: 6484 K
| Alienware AW2725DF AW2725DF, QD-OLED , 2560x1440, 27", 360 Hz | Philips Evnia 34M2C8600 QD OLED, 3440x1440, 34", 175 Hz | KTC G27P6 OLED, 2560x1440, 27", 240 Hz | KTC KTC G42P5 OLED 3840x2160, 42", Hz | MSI Optix MAG274QRX IPS, 2560x1400, 27", 240 Hz | MSI MAG 274UPF MAG 274UPF, IPS, 3840x2160, 27", 144 Hz | KTC H27P22s AUO 7.0, IPS, 3840x2160, 27", 160 Hz | |
|---|---|---|---|---|---|---|---|
| Display | 0% | -6% | -3% | -3% | -3% | -8% | |
| Display P3 Coverage (%) | 98.2 | 98.4 0% | 86.91 -11% | 95.5 -3% | 87.5 -11% | 92.47 -6% | 86.9 -12% |
| sRGB Coverage (%) | 100 | 99.9 0% | 99.23 -1% | 100 0% | 99.9 0% | 99.26 -1% | 99.8 0% |
| AdobeRGB 1998 Coverage (%) | 93.9 | 93.9 0% | 86.86 -7% | 88.8 -5% | 96.3 3% | 92.6 -1% | 81.6 -13% |
| Response Times | -653% | -203% | -317% | -3157% | -4106% | -5354% | |
| Response Time Grey 50% / Grey 80% * (ms) | 0.165 ? | 1.4 ? -748% | 0.8 ? -385% | 0.6 ? -264% | 6.23 ? -3676% | 8.89 ? -5288% | 11.8 ? -7052% |
| Response Time Black / White * (ms) | 0.213 ? | 1.4 ? -557% | 0.8 ? -276% | 1 ? -369% | 5.83 ? -2637% | 6.44 ? -2923% | 8 ? -3656% |
| PWM Frequency (Hz) | 360 ? | 175 | 240 | 60 | |||
| PWM Amplitude * (%) | 28.5 | 14 51% | |||||
| Bildschirm | 15% | -52% | -7% | -46% | -19% | 12% | |
| Helligkeit Bildmitte (cd/m²) | 246 | 231 -6% | 320 30% | 448 82% | 351 43% | 393 60% | 454 85% |
| Brightness (cd/m²) | 245 | 210 -14% | 310 27% | 329 34% | 350 43% | 398 62% | |
| Brightness Distribution (%) | 97 | 85 -12% | 93 -4% | 89 -8% | 81 -16% | 79 -19% | |
| Schwarzwert * (cd/m²) | 0.1 | 0.02 | 0.001 | 0.33 | 0.38 | 0.41 | |
| Delta E Colorchecker * | 4.89 | 2.02 59% | 10.69 -119% | 4.08 17% | 7.28 -49% | 6.28 -28% | 4.61 6% |
| Colorchecker dE 2000 max. * | 6.97 | 5.12 27% | 15.63 -124% | 10.09 -45% | 16.15 -132% | 10.29 -48% | 8.04 -15% |
| Colorchecker dE 2000 calibrated * | 2.06 | 2.02 2% | 4.11 -100% | 3.3 -60% | 3.61 -75% | 3.7 -80% | 2.57 -25% |
| Delta E Graustufen * | 4.4 | 2.11 52% | 7.73 -76% | 5.63 -28% | 10.3 -134% | 7.3 -66% | 4.77 -8% |
| Gamma | 1.8 122% | 2.49 88% | 2.2 100% | 2.38 92% | 2.15 102% | 2 110% | 2.28 96% |
| CCT | 6484 100% | 6229 104% | 8070 81% | 7094 92% | 9378 69% | 7896 82% | 7540 86% |
| Kontrast (:1) | 2310 | 16000 | 448000 | 1064 | 1034 | 1107 | |
| Durchschnitt gesamt (Programm / Settings) | -213% /
-100% | -87% /
-77% | -109% /
-68% | -1069% /
-554% | -1376% /
-696% | -1783% /
-887% |
* ... kleinere Werte sind besser
Der AW2725DF deckt den sRGB-Farbraum vollständig ab und erreicht beeindruckende 98,2 % des Display-P3-Spektrums ab, nur knapp unter den angekündigten 99,3 %. Auch die Adobe-RGB-Abdeckung ist mit fast 94 % hervorragend.
Diese umfassende Farbwiedergabe macht den AW2725DF ideal für die Erstellung und den Konsum von Multimedia-Inhalten sowie für Spiele.
Subjektiv erscheinen die Farben sogar im SDR-Modus lebendig, und das Seherlebnis wird durch tiefe Schwarztöne verbessert, insbesondere wenn man von einem Standard-IPS-Monitor umsteigt.
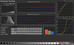
Out-of-the-Box-Messungen mit der Voreinstellung Standard zeigen hohe DeltaE-2000-Werte von 4,4 und 4,89 in Graustufen bzw. ColorChecker im DCI-P3-Farbraum.
Die Kalibrierung mit dem X-rite i1Basic Pro 3 Spektralphotometer und der Calman Calibration Software von Portrait Displays verbessert das durchschnittliche DeltaE 2000 in Graustufen deutlich auf 1,4 und in ColorChecker auf 2,06.
Unsere kalibrierte ICC-Datei können Sie über den Link oben herunterladen.
Im sRGB-Modus liegt der durchschnittliche DeltaE-2000-Wert für Graustufen bei 3, und die ColorChecker Werte sind mit 3,27 ähnlich brauchbar. Interessanterweise weisen die Primärfarben nur minimale Abweichungen auf, während die größten Diskrepanzen bei den Hauttönen zu beobachten sind.
HDR-Eigenschaften
Dell bietet mehrere HDR-Voreinstellungen zur Auswahl an, aber die beste Wahl sind unserer Erfahrung nach die Modi DisplayHDR True Black und HDR Peak 1000.
Angesichts der Fähigkeit von OLEDs, hohe Spitzenhelligkeit bei sehr niedrigen durchschnittlichen Bildpegeln (APLs) zu liefern, empfehlen wir für HDR-Inhalte den HDR-Peak-1000-Modus. Damit wird sichergestellt, dass keine einzelnen Pixel oder Pixelgruppen entschwinden, die je nach Szene ihre maximale Helligkeit abgeben können.
Im DisplayHDR True Black Modus konnten wir eine Spitzenhelligkeit von 430 Nits bei einer 10 %igen APL messen.
Allerdings konnten wir im HDR-Peak-1000-Modus selbst bei 2 % APL keine 1.000 Nits messen, obwohl Windows selbst die Spitzenhelligkeit mit 993 Nits angibt.
Nichtsdestotrotz zeigt der AW2725DF im DisplayHDR-True-Black-Modus bei APL10 eine ordentliche Graustufennachführung und Farbvolumenmessungen.
Die gemessenen P3- und Rec.2020 xy-Farbraumabdeckungen in diesem Modus sind mit 73 % bzw. 52,24 % gut. Es ist wahrscheinlich, dass der HDR-Peak-1000-Modus noch bessere Werte zeigen würde.
Insgesamt sind die HDR-Parameter des AW2725DF anständig, aber es gibt definitiv noch viel Raum für Verbesserungen. Insbesondere würden wir uns eine konsistentere Graustufennachführung und eine breitere Rec.2020-Farbraumabdeckung wünschen.
Ausgehend von früheren Bewertungen dieses Monitors vermuten wir, dass es sich hierbei um ein isoliertes Problem mit unserem Gerät oder der darauf installierten Firmware handeln könnte.
Subjektiv ist das Betrachten von HDR-Inhalten ein Vergnügen. In jedem Fall empfehlen wir, die verfügbaren HDR-Voreinstellungen nur bei der Betrachtung von HDR-Inhalten zu aktivieren, um ein optimales Ergebnis zu erzielen. Helligkeits- und Kontrasteinstellungen sind im HDR-Modus nicht verfügbar.
Textlesbarkeit
Wie bereits angedeutet, beeinträchtigt die dreieckige Subpixelanordnung des AW2725DF die Textdarstellung. Dies sollte keine Auswirkungen auf Spiele oder das allgemeine Lesen aus einem typischen Betrachtungsabstand haben.
Der AW2725DF ist nicht die ideale Empfehlung, wenn Sie ernsthafte Dokumentationsarbeit leisten, da empfindliche Benutzer rosa oder grüne Farbsäume an den Rändern der Buchstaben feststellen können. Außerdem können statische Inhalte den Einbrennprozess der OLEDs beschleunigen.
Reaktionszeiten (Response Times) des Displays
| ↔ Reaktionszeiten Schwarz zu Weiß | ||
|---|---|---|
| 0.213 ms ... steigend ↗ und fallend ↘ kombiniert | ↗ 0.106 ms steigend | |
| ↘ 0.107 ms fallend | ||
| Die gemessenen Reaktionszeiten sind sehr kurz, wodurch sich der Bildschirm auch für schnelle 3D Spiele eignen sollte. Im Vergleich rangierten die bei uns getesteten Geräte von 0.1 (Minimum) zu 240 (Maximum) ms. » 0 % aller Screens waren schneller als der getestete. Daher sind die gemessenen Reaktionszeiten besser als der Durchschnitt aller vermessenen Geräte (19.9 ms). | ||
| ↔ Reaktionszeiten 50% Grau zu 80% Grau | ||
| 0.165 ms ... steigend ↗ und fallend ↘ kombiniert | ↗ 0.091 ms steigend | |
| ↘ 0.074 ms fallend | ||
| Die gemessenen Reaktionszeiten sind sehr kurz, wodurch sich der Bildschirm auch für schnelle 3D Spiele eignen sollte. Im Vergleich rangierten die bei uns getesteten Geräte von 0.165 (Minimum) zu 636 (Maximum) ms. » 0 % aller Screens waren schneller als der getestete. Daher sind die gemessenen Reaktionszeiten besser als der Durchschnitt aller vermessenen Geräte (31.1 ms). | ||
Einer der Hauptvorteile von OLED-Displays, insbesondere von Gen-3-QD-OLEDs, sind extrem schnelle Reaktionszeiten.
Der Alienware AW2725DF zeigt blitzschnelle Schwarz-Weiß- und Grau-Grau-Übergänge sowohl bei 360 Hz als auch bei 60 Hz Bildwiederholfrequenz, ohne dass eine Overdrive-Funktion verwendet wird.
Ein Blur-Busters-UFO-Bewegungstest bei verschiedenen Bildraten (aufgenommen in Zeitlupe mit 720p und 240 fps) zeigt keine wahrnehmbare Bewegungsunschärfe bei 360 Hz.
Bildschirm-Flackern / PWM (Pulse-Width Modulation)
| Flackern / PWM festgestellt | 360 Hz Amplitude: 28.5 % | ≤ 100 % Helligkeit | |
Das Display flackert mit 360 Hz (im schlimmsten Fall, eventuell durch Pulsweitenmodulation PWM) bei einer eingestellten Helligkeit von 100 % und darunter. Darüber sollte es zu keinem Flackern kommen. Die Frequenz von 360 Hz ist relativ hoch und sollte daher auch bei den meisten Personen zu keinen Problemen führen. Empfindliche User sollen laut Berichten aber sogar noch bei 500 Hz und darüber ein Flackern wahrnehmen. Im Vergleich: 52 % aller getesteten Geräte nutzten kein PWM um die Helligkeit zu reduzieren. Wenn PWM eingesetzt wurde, dann bei einer Frequenz von durchschnittlich 7834 (Minimum 5, Maximum 343500) Hz. | |||
Das Panel zeigt ein gleichmäßiges 360-Hz-PWM-Flackern bei allen Helligkeitsstufen.
Weitere Informationen finden Sie in unserem Artikel "Warum PWM so viel Kopfzerbrechen macht" und unsere PWM-Rangliste für gemessene PWM-Werte bei allen getesteten Geräten.
Der Standfuß des AW2725DF ermöglicht eine Reihe von Bewegungen, darunter Neigen (-5 bis 21 °), Schwenken (-20 bis 20 °), Drehen (-90 bis 90 °) und eine Höhenverstellung um bis zu 110 mm.
Die Betrachtungswinkel sind sehr stabil, ohne erkennbaren Verlust an Helligkeit oder Farbinformationen bei extremen Winkeln. Es ist auch keine Grünfärbung zu sehen - ein häufiges Problem bei herkömmlichen OLEDs.
Stromverbrauch: höhere Leistungsaufnahme im Standby-Modus
OLED-Displays sind nicht sehr energieeffizient, wenn es um die Darstellung von etwas anderem als reinem Schwarz geht, und das Alienware AW2725DF ist nicht anders, obwohl es das neueste Samsung Panel verwendet.
Wir beobachten einen hohen Stromverbrauch im Standby-Modus, was ungewöhnlich erscheint. Die maximale Leistungsaufnahme beträgt bis zu 80 W bei 100 % Helligkeit und im HDR-Modus.
| Betriebsmodus | durchschnittliche Leistungsaufnahme (W) |
|---|---|
| Standby | 18 |
| 50 % Helligkeit | 45 |
| 150 Nits Helligkeit (Weiß) | 56,55 |
| 100 % Helligkeit (Schwarz) | 21,63 |
| 100 % Helligkeit (Weiß) | 79,61 |
| 100 % Helligkeit (Weiß, AlienFX eingeschaltet) | 80,17 |
| DisplayHDR True Black | 79,27 |
| HDR-Spitzenwert 1.000 | 76,81 |
Pro
Contra
Fazit: nahezu perfekte Mischung aus fesselnder Grafik und rasantem Spiel
Es ist noch nicht lange her, da hatten Spieler im Wettbewerb keine andere Wahl, als die Bildqualität gegen hohe Bildwiederholraten und niedrige Reaktionszeiten einzutauschen. Die Einführung von QD-OLED-Panels hat sozusagen das Spiel jedoch verändert.
Der Alienware AW2725DF beeindruckt durch seine solide Verarbeitungsqualität und die praktischen Befestigungsmöglichkeiten. Dell bietet ein anständiges Zubehörset in der Verpackung, aber das Fehlen eines HDMI-Kabels ist ein Rätsel.
Die SDR-Luminanz des Monitors ist nicht die hellste, die wir je gesehen haben, aber für den Einsatz in Innenräumen sollte sie dennoch ausreichen. Die Farben sind leuchtend und haben ein sattes Schwarz, obwohl sie definitiv noch etwas Feinschliff vertragen könnten. Die HDR-Leistung ist ebenfalls bewundernswert, aber wir haben das Gefühl, dass ihr volles Potenzial nicht ausgeschöpft wird, zumindest in unserem Test-Sample.
Das Alienware AW2725DF bietet eine hervorragende Grafik in Verbindung mit einer herausragenden Gaming Performance, was es zu einem eindeutigen, wenn auch teuren Angebot für diejenigen macht, die ein lebendiges, rasantes QHD-Frag-Fest suchen."
Besonders erwähnenswert sind die ultraschnellen Reaktionszeiten, die Hardcore-Gamer erfreuen dürften. Die 360 Hz PWM sind ausreichend, um die Belastung der Augen zu minimieren, aber dies wird nur bei einer Bildwiederholfrequenz von 360 Hz über DisplayPort erreicht.
Obwohl der Alienware AW2725DF in vielerlei Hinsicht beeindruckt, hat er einige einzigartige Nachteile. Dies ist kein Bildschirm für MS-Word-Junkies. Die rosafarbenen Ränder um die Buchstaben fallen nicht sofort auf, aber wenn man sie einmal gesehen hat, fällt es schwer, sie zu ignorieren.
Dell hat den AW2725DF großzügig mit mehreren USB-Ports ausgestattet, aber in seiner unendlichen Weisheit hat das Unternehmen es versäumt, einen DisplayPort-Alt-Modus und Audioausgänge anzubieten. Der einzige HDMI-Anschluss erreicht maximal 144 Hz, und die Konsolenausgabe muss heruntergerechnet werden, um VRR und HDR nutzen zu können.
Man benötigt außerdem eine High-End-GPU wie die Nvidia GeForce RTX 4090 oder die AMD Radeon RX 7900 XTX, um den Monitor konsistent mit einer Bildwiederholfrequenz zu versorgen, die annähernd seiner nativen Bildwiederholfrequenz in QHD entspricht.
Für anspruchsvolle Gamer gibt es Optionen wie den Alienware AW2524H mit 500 Hz und den Asus ROG Swift Pro PG248QP mit 540 Hz, aber der Alienware AW2725DF bietet ein überzeugenderes und runderes visuelles Erlebnis, das man nur schwer übersehen kann.
Preis und Verfügbarkeit
Transparenz
Die Auswahl der zu testenden Geräte erfolgt innerhalb der Redaktion. Das vorliegende Testmuster wurde dem Autor vom Hersteller oder einem Shop zu Testzwecken leihweise zur Verfügung gestellt. Eine Einflussnahme des Leihstellers auf den Testbericht gab es nicht, der Hersteller erhielt keine Version des Reviews vor der Veröffentlichung. Es bestand keine Verpflichtung zur Publikation. Als eigenständiges, unabhängiges Unternehmen unterliegt Notebookcheck keiner Diktion von Herstellern, Shops und Verlagen.
So testet Notebookcheck
Pro Jahr werden von Notebookcheck hunderte Laptops und Smartphones unabhängig in von uns standardisierten technischen Verfahren getestet, um eine Vergleichbarkeit aller Testergebnisse zu gewährleisten. Seit rund 20 Jahren entwickeln wir diese Testmethoden kontinuierlich weiter und setzen damit Branchenstandards. In unseren Testlaboren kommt ausschließlich hochwertiges Messequipment in die Hände erfahrener Techniker und Redakteure. Die Tests unterliegen einer mehrstufigen Kontrolle. Unsere komplexe Gesamtbewertung basiert auf hunderten fundierten Messergebnissen und Benchmarks, womit Ihnen Objektivität garantiert ist. Weitere Informationen zu unseren Testmethoden gibt es hier.




























































