Test Dell XPS 13 (2015, FHD) Notebook

Vor nicht einmal zwei Monaten haben wir das Dell XPS 13-9343 Touchscreen Ultrabook getestet, welches einem perfekten Ultrabook – zumindest unserer Meinung nach – ziemlich nah kommt. Die Verarbeitung ist makellos, die Leistung mehr als angemessen und der helle Touchscreen verfügt über einen besonders dünnen Rahmen, womit es sich bei dem XPS 13 um das bisher kleinste 13,3-Zoll-Gerät handelt (siehe auch den Größenvergleich unten). Nicht jeder Anwender benötigt jedoch die sehr hohe QHD+-Auflösung und den Touchscreen dieser Konfiguration – vor allem für den ziemlich hohen Grundpreis von 1.300 US-Dollar. Hier kommt das Dell XPS 13-9343 Non-Touch ins Spiel, welches mit demselben Core-i5-Prozessor, identischer SSD, aber nur 4 GB anstatt 8 GB RAM schon ab 900 US-Dollar erhältlich ist. Zum Zeitpunkt des Tests bietet Dell drei verschiedene Modelle ohne Touchscreen an, angefangen mit einem Core-i3-Modell und 4 GB RAM für 800 US-Dollar bis hin zu einem Core-i5-Modell mit 8 GB RAM für 1.000 US-Dollar. Der schnellere Core i7 und die größere 256-GB-SSD sind standardmäßig allerdings der Touchscreen-Version vorbehalten.
In Deutschland beginnt der Einstieg in die XPS-13-Palette erst mit 1.099 Euro. Diese Konfiguration beinhaltet ein FHD-Display, Intel Core i5-5200U-CPU, 8 GB Arbeitsspeicher sowie 256 GB SSD-Speicherplatz.
Da es bei dem Gehäuse und damit den Schnittstellen, den Eingabegeräten sowie dem Zubehör keine Änderungen gibt, werden wir diese Kapitel nicht noch einmal behandeln. Mit 1.184 Gramm ist die Non-Touch-Version des XPS 13 rund 7 % leichter als der Touchscreen-Bruder, der 1.276 Gramm auf die Waage bringt. Weitere Informationen zum Design, den Messwerten und den anderen Themen können unserem vorherigen Test entnommen werden.
Display
Die große Neuigkeit ist natürlich das Display und der damit verbundene niedrigere Grundpreis der entsprechenden Konfigurationen. Dell hat sich für ein mattes IPS-Display ohne Touchscreen von Sharp (Modell SHP1420) mit einer Auflösung von 1.920 x 1.080 Pixeln entschieden. Wie schon beim Vorgänger besitzt das Gerät einen ultradünnen Rahmen (5 mm); Dell nennt diese Konstruktion "Infinity Display". Ein mögliches Problem dieser Konstruktion ist die Position der Webcam an der unteren linken Ecke, denn der Gesprächspartner sieht den Besitzer des Dells in einem etwas ungünstigen Winkel.
Bei dem Blick auf den Preisunterschied könnte man vermuten, dass der neue Bildschirm qualitativ deutlich schlechter ist, aber zum Glück ist das nicht der Fall. Das neue Panel ist alles andere als Low-End, und unserer Meinung nach ist es sogar ziemlich umwerfend.
| |||||||||||||||||||||||||
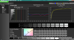
Ausleuchtung: 93 %
Helligkeit Akku: 409.7 cd/m²
Kontrast: 1119:1 (Schwarzwert: 0.366 cd/m²)
ΔE ColorChecker Calman: 7.67 | ∀{0.5-29.43 Ø4.74}
ΔE Greyscale Calman: 4.66 | ∀{0.09-98 Ø4.98}
59.65% AdobeRGB 1998 (Argyll 1.6.3 3D)
66.2% AdobeRGB 1998 (Argyll 3D)
89.6% sRGB (Argyll 3D)
65.9% Display P3 (Argyll 3D)
Gamma: 1.65
CCT: 6502 K
Unsere Messungen zeigen nicht nur eine höhere Helligkeit von 405 cd/m² verglichen mit den rund 370 cd/m² der Touch-Version, sondern auch eine bessere Ausleuchtung von 93 %. Mit dem bloßen Auge sieht es vollkommen gleichmäßig aus, allerdings gibt es leichtes Screen-Bleeding am oberen Rand. Das ist sicherlich Jammern auf hohem Niveau, denn die Lichthöfe ragen noch nicht einmal einen Millimeter in den Bildschirm hinein, richtig auffällig ist das Problem also nur bei einem komplett schwarzen Bild mit der maximalen Helligkeit. Wo wir gerade von schwarz sprechen: Dank des ziemlich geringen Schwarzwerts von 0,366 cd/m² ist auch das Kontrastverhältnis recht gut, mit 1.119:1 allerdings nicht exzellent. Der Touchscreen lag bei über 2.000:1, was zu noch dunklerem Schwarz führte. Nichtsdestotrotz kann sich das XPS 13 Non-Touch gut gegen seine Konkurrenten wie das Yoga 3 Pro behaupten, welches lediglich 360:1 erreicht. Das Betrachten von Filmen macht auf jeden Fall viel Spaß.
Mit einer Abdeckung von 81 % des sRGB- bzw. 60 % des AdobeRGB-Standards eignet sich das Display nicht wirklich für professionelle Anwender. Das businessorientierte 12,5 Zoll große Dell Latitude E7240 Touch liegt sogar noch unter diesen Werten und deckt lediglich 43 % des AdobeRGB-Farbraumes ab.
| Dell XPS 13-9343 Non-Touch HD Graphics 5500, 5200U, Samsung SSD PM851 M.2 2280 128GB | Lenovo Yoga 3 Pro HD Graphics 5300, 5Y70, Samsung SSD PM851 256 GB MZNTE256HMHP | Dell Latitude E7240 Touch HD Graphics 4400, 4300U, Samsung SSD SM841 128GB | Dell XPS 13-9343 HD Graphics 5500, 5200U, Lite-On IT L8T-256L9G | |
|---|---|---|---|---|
| Display | -31% | 8% | ||
| Display P3 Coverage (%) | 65.9 | 43.87 -33% | 72 9% | |
| sRGB Coverage (%) | 89.6 | 64.7 -28% | 96 7% | |
| AdobeRGB 1998 Coverage (%) | 66.2 | 45.49 -31% | 71.6 8% | |
| Bildschirm | -23% | -16% | 16% | |
| Helligkeit Bildmitte (cd/m²) | 409.7 | 287 -30% | 402.5 -2% | 367.3 -10% |
| Brightness (cd/m²) | 405 | 280 -31% | 389 -4% | 372 -8% |
| Brightness Distribution (%) | 93 | 88 -5% | 87 -6% | 77 -17% |
| Schwarzwert * (cd/m²) | 0.366 | 0.792 -116% | 0.59 -61% | 0.178 51% |
| Kontrast (:1) | 1119 | 362 -68% | 682 -39% | 2063 84% |
| Delta E Colorchecker * | 7.67 | 3.08 60% | 6.41 16% | 5.92 23% |
| Delta E Graustufen * | 4.66 | 3.36 28% | 4.95 -6% | 4.79 -3% |
| Gamma | 1.65 133% | 2.5 88% | 2.34 94% | 2.42 91% |
| CCT | 6502 100% | 6087 107% | 6375 102% | 7013 93% |
| Farbraum (Prozent von AdobeRGB 1998) (%) | 59.65 | 42.66 -28% | 63 6% | |
| Color Space (Percent of sRGB) (%) | 96.4 | |||
| Durchschnitt gesamt (Programm / Settings) | -23% /
-23% | -24% /
-20% | 12% /
14% |
* ... kleinere Werte sind besser
Für die Bewertung der Farbgenauigkeit verwenden wir die CalMAN 5 Software und ein Colorimeter. Mit einer durchschnittlichen DeltaE-Abweichung von 4,7 vom sRGB Referenzfarbraum werden die Graustufen ziemlich genau abgebildet, allerdings ändert sich die Situation bei den Farben. Hier liegt die Abweichung fast bei 8 – der höchste Wert in unserem direkten Display-Vergleich (siehe oben). Trotzdem gibt es keinen besonderen Ausreißer, das Bild ist insgesamt also ziemlich ausgewogen und es gibt keinen sichtbaren Farbstich. Außerdem hilft auch die matte Oberfläche, denn so sind einige Farben in manchen Situationen nicht übersättigt. Für den alltäglichen Gebrauch sollte das Display aber auf jeden Fall ausreichen und viele Anwender zufrieden stellen.
Die Outdoor-Tauglichkeit ist recht gut und Notebooks mit spiegelnden Anzeigen deutlich überlegen. Dank der hohen maximalen Helligkeit und der matten Oberfläche stellt selbst direktes Sonnenlicht kein großes Problem dar – zumindest wenn man den Bildschirm dementsprechend ausrichtet. Bei der Nutzung in geschlossenen Räumen gibt es überhaupt keine Einschränkungen.
Auch die Blickwinkelstabilität ist exzellent. Da sich auf dem Bildschirm keine zusätzliche Glasscheibe befindet, gibt es auch selbst aus sehr flachen Winkeln keine Reflexionen, und der Bildschirminhalt ist zu jeder Zeit sichtbar.
Leistung
Wie wir bereits in der Einführung beschrieben haben, bietet Dell das XPS 13 mit drei verschiedenen Prozessoren an. Die günstigste Version ohne Touchscreen ist mit einem Intel Core i3-5010U, einer 128-GB-SSD sowie 4 GB RAM für 800 US-Dollar ausgestattet; das Modell mit dem Core i5-5200U ist für 900 US-Dollar (4 GB, 128-GB-SSD) bzw. 1.000 US-Dollar (8 GB, 128-GB-SSD) erhältlich. Letzteres ist zudem mit einer 256-GB-SSD für 100 US-Dollar mehr erhältlich. Die Konfigurationen mit einem QHD+-Touchscreen nutzen entweder einen Core i5-5200U (8 GB, 128-GB-SSD) für 1.300 US-Dollar oder einen Core i7-5500 (8 GB, 256-GB-SSD) für 1.600 US-Dollar. Ein Upgrade auf eine 512-GB-SSD für die i7-Version kostet ziemlich happige 300 US-Dollar.
Wie schon die Touchscreen-Version verfügt auch unser Non-Touch-Testgerät über einen Intel Core i5-5200U-Prozessor, aber lediglich 4 GB Arbeitsspeicher anstatt 8 GB. Der DDR3L-RAM ist auf dem Mainboard aufgelötet und arbeitet laut HWiNFO64 im Dual-Channel-Modus. Das Ultrabook läuft einwandfrei: Der Boot-Vorgang dauert rund 7 Sekunden und Anwendungen starten ohne Verzögerungen.
Prozessor
Der Intel Core i5-5200U ist ein ULV-Prozessor der Broadwell-Generation. Der Basistakt liegt bei 2,2 GHz, allerdings kann der Chip dank dem eingebauten Turbo Boost bis zu 2,7 GHz für einen Kern sowie 2,5 GHz für beide Kerne erreichen. Die Cinebench R11.5-Ergebnisse liegen mit 2,85 (Multi) und 1,28 Punkten (Single) ganz leicht über dem kürzlich getesteten Lenovo Yoga 3 14 mit derselben CPU. Interessanterweise kam die Touchscreen-Version unseres Testgerätes, welches ebenfalls mit der gleichen CPU ausgestattet war, nur auf 2,33 bzw. 0,98 Punkte – etwa 20 % weniger. Die anderen Cinebench-Versionen (R10, R15) bestätigen die Ergebnisse des R11.5. Verschiedene andere synthetische CPU-Tests – beispielsweise SuperPi und wPrime – zeigen ebenfalls einen Vorteil für das Testgerät, auch wenn der Unterschied hier nicht ganz so groß ist. Zu diesem Zeitpunkt haben wir leider keine Erklärungen für die Unterschiede, denn beide Ultrabooks verhalten sich in den Stresstests für die CPU und die GPU beinahe identisch.
System Performance
Für die Einordnung der Systemleistung nutzen wir die synthetischen PCMark-Benchmarks. Das Dell XPS 13 ohne Touchscreen erzielt im PCMark 7 4.745 Punkte und liegt damit etwas vor dem Yoga 3 14 mit 4.659 Punkten, allerdings hat der Touchscreen-Bruder dieses Mal die Nase vorn (4.934 Punkte; + 4 %). Das liegt vermutlich an der SSD-Leistung, die für ein gutes Ergebnis besonders wichtig ist. Auch PCMark 8 zeigt einen leichten Vorteil für die Touch-Variante (Testgerät 4.803 Punkte; Touch-Version 4.936 Punkte).
| PCMark 7 Score | 4745 Punkte | |
| PCMark 8 Home Score Accelerated v2 | 2935 Punkte | |
| PCMark 8 Creative Score Accelerated v2 | 3444 Punkte | |
| PCMark 8 Work Score Accelerated v2 | 3811 Punkte | |
Hilfe | ||
Massenspeicher
In unserem XPS 13 Non-Touch steckt eine 128 GB große PM851-M.2-SSD von Samsung. Aufgrund der Funktionsweise einer SSD kommen Laufwerke mit kleinen Speicherkapazitäten leistungstechnisch nicht an die größeren Modelle heran. In diesem Fall zeigt AS SSD zwar sehr hohe Transferraten beim Lesen (498 MB/s), allerdings geringe Werte beim Schreiben (120 MB/s) an. Das XPS 13 mit Touchscreen verwendete eine 256 GB große LiteOn SSD mit sequentiellen Transferraten von 485 MB/s (Leserate) und 417 MB/s (Schreibrate). Auch CrystalDiskMark zeigt den gleichen Unterschied beim Lesen und Schreiben an. Obwohl der Unterschied also messbar ist, wollen wir jedoch betonen, dass er sich im Alltag nicht bemerkbar macht. Die geringe Speicherkapazität könnte da schon eher ein Problem darstellen, denn die Leistung von SSDs nimmt ab, wenn das Laufwerk sehr voll wird. Potenzielle Käufer sollten ihre Bedürfnisse abschätzen und sich überlegen, ob eine größere SSD vielleicht die bessere Wahl ist.
| 3DMark 06 Standard Score | 7167 Punkte | |
| 3DMark Vantage P Result | 4850 Punkte | |
| 3DMark 11 Performance | 1133 Punkte | |
| 3DMark Cloud Gate Standard Score | 5136 Punkte | |
| 3DMark Fire Strike Score | 714 Punkte | |
Hilfe | ||
Gaming Performance
Um die Grafikausgabe kümmert sich die integrierte HD-Graphics-5500-GPU mit einem Takt zwischen 300 - 900 MHz. Die Leistung der Grafikkarte liegt etwa 10 - 20 % über den vorherigen integrierten Modellen (Haswell HD Graphics 4400 und HD Graphics 5000). Die Leistung beim Spielen gehört nicht zu den Stärken des XPS 13, aber das Ziel der integrierten Grafikkarte ist auch ein guter Kompromiss aus Grafikleistung und Stromverbrauch. Dementsprechend lassen sich nur ältere und anspruchslose Titel spielen, anspruchsvolle Titel sind selbst mit den niedrigsten Einstellungen und der geringsten Auflösung nicht spielbar. Gute Nachrichten: 3DMark 11 zeigte nur minimale Unterschiede im Netz- und Akkubetrieb, damit steht die volle Leistung auch abseits der Steckdose zur Verfügung.
| min. | mittel | hoch | max. | |
|---|---|---|---|---|
| Fifa 14 (2013) | 108.7 | 71.4 | 63.8 | 37 |
Emissionen
Geräuschemissionen
Vor allem im Leerlauf ist das XPS 13 mit einer maximalen Lautstärke von unter 30 dB(A) mehr oder weniger unhörbar. Selbst bei voller Auslastung bleibt das Gerät mit nur 38 dB(A) vergleichsweise leise. Dell hat vermutlich die Lüftersteuerung aktualisiert, denn die Touch-Version erreichte deutlich lautere 48 dB(A). Selbst auf der höchsten Stufe können wir keine hochfrequenten Geräusche vernehmen, daher stört das Gerät auch kaum. Während dem CPU-Teil unseres Stresstests (zwei Kapitel weiter unten) war der Lüfter so leise, dass wir unser Ohr direkt an den Luftauslass halten mussten, um ihn überhaupt zu hören. Insgesamt hat Dell also einen guten Job gemacht.
Lautstärkediagramm
| Idle |
| 29 / 29.1 / 29.2 dB(A) |
| Last |
| 31.1 / 38.4 dB(A) |
![]() | ||
30 dB leise 40 dB(A) deutlich hörbar 50 dB(A) störend |
||
min: | ||
Temperatur
Ein Blick auf die Temperaturen zeigt schnell, warum unser Testgerät leiser bleibt als das Touch-Modell: Bei maximaler Auslastung erreicht das XPS 13 Non-Touch in der Mitte auf der Unterseite rund 45 °C, der Bruder erreichte maximal nur 41 °C an derselben Stelle. Im Leerlauf sind die beiden Geräte vergleichbar, obwohl das Testgerät ein bisschen kühler bleibt. Selbst bei längeren Lastperioden hatten wir keine Probleme, das XPS 13 auf dem Schoß zu verwenden, denn die Seiten des Gerätes werden nicht so warm wie die Mitte.
(±) Die maximale Temperatur auf der Oberseite ist 44.6 °C. Im Vergleich liegt der Klassendurchschnitt bei 35.9 °C (von 21.4 bis 59 °C für die Klasse Subnotebook).
(±) Auf der Unterseite messen wir eine maximalen Wert von 44.8 °C (im Vergleich zum Durchschnitt von 39.2 °C).
(+) Ohne Last messen wir eine durchschnittliche Temperatur von 27.3 °C auf der Oberseite. Der Klassendurchschnitt erreicht 30.8 °C.
(+) Die Handballen und der Touchpad-Bereich sind mit gemessenen 30.6 °C kühler als die typische Hauttemperatur und fühlen sich dadurch kühl an.
(-) Die durchschnittliche Handballen-Temperatur anderer getesteter Geräte war 28.2 °C (-2.4 °C).
Stresstest
Wir verwenden unseren Stresstet, um mögliche Probleme mit Throttling und der Stabilität in ungünstigen Situationen zu identifizieren. Während des CPU-Stresstests mit Prime95 kann der Prozessor den maximalen Turbotakt von 2,5 GHz für beide Kerne aufrechterhalten und die Temperatur pendelt sich nach einem anfänglichen Sprung auf 83 °C bei 80 - 81 °C ein. Während dem GPU-Test mit FurMark startet die Grafikkarte mit 900 MHz, aber als die Temperatur kurz 80 °C überschreitet, fällt der Takt auf 750 - 800 MHz. Auch in diesem Szenario hat sich die Temperatur bei etwa 80 °C stabilisiert.
Bei der gleichzeitigen Ausführung von Prime95 und FurMark für mehr als eine Stunde konnten wir einen Temperaturanstieg auf rund 80 °C feststellen, der unmittelbar zu einer Taktreduzierung der CPU auf 1,4 - 1,5 GHz sowie 750 - 850 MHz der GPU führte. Selbst nach mehreren Stunden haben sich weder der Takt noch die Temperatur geändert. Ein PCMark 11-Durchlauf im Anschluss an den Stresstet zeigte keine Leistungsreduzierung aufgrund von Hitzeproblemen.
Das XPS 13 Non-Touch bewältigt den Stresstest wie schon die Touch-Version, und die Temperaturen überschreiten die 80 °C-Marke nur für sehr kurze Momente.
Akkulaufzeit
Für solch ein dünnes Ultrabook besitzt das XPS 13 einen sehr großen Akku mit einer Kapazität von 51 Wattstunden. Schon die Touch-Version konnte uns mit sehr respektablen Laufzeiten beeindrucken, und wir erhoffen uns von der Version ohne Touchscreen noch bessere Ergebnisse. Auf der Webseite verspricht Dell Laufzeiten von bis zu 15 Stunden bei dem Full-HD-Display (und 11 Stunden bei dem QHD+-Display).
Mit einem Ergebnis von 2 Stunden und 25 Minuten in unserem Battery Eater Classic Test (Höchstleistungsmodus, WLAN aktiv, maximale Helligkeit) übertrifft das Testgerät die Touch-Version um etwa 5 Minuten. Bei dem WLAN-Test (Ausbalanciert, WLAN aktiv, Helligkeit bei etwa 150 cd/m²) hielt das Ultrabook rund 10 Stunden abseits der Steckdose durch. Das Touch-Modell erreichte eine Laufzeit von 9 Stunden und 40 Minuten, allerdings mit dem aktivierten Energiesparmodus, weshalb die Ergebnisse nicht ganz vergleichbar sind. Die Ergebnisse sind natürlich nach wie vor ansprechend, vor allem wenn man bedenkt, dass Rivalen wie das Yoga 3 Pro nur 6 Stunden und 20 Minuten durchhalten. Die meisten Anwender sollten einen ganzen Arbeitstag überstehen können, ohne den Akku zwischendurch aufzuladen.
Bei dem nicht besonders realistischen Battery Eater Readers Test (Energiesparmodus, WLAN deaktiviert, minimale Helligkeit) erreichte das Ultrabook eine Laufzeit von 21 Stunden und 35 Minuten.
Pro
Contra
Fazit
Bereits die QHD+-Touchscreen-Version des XPS 13 hatte unseren Autor beeindruckt: "... Dells neuestes Ultrabook zieht alle Register, indem es ein cleveres Design in vielen Aspekten verbessert...". Es gibt viele positive Aspekte: Der neue Bildschirm ist nicht nur heller, sondern hat auch eine matte Oberfläche, die deutliche Vorteile bei der Nutzung im Freien bringt. Die Verarbeitung ist so exzellent wie beim letzten Mal und die Akkulaufzeiten sind mit etwa 10 Stunden bei normaler Nutzung hervorragend, womit die meisten Anwender einen normalen Arbeitstag locker überstehen sollten. Die Tastatur kommt vielleicht nicht an die Qualität der Latitude-Serie heran, aber man kann sie trotzdem gut bedienen und es gibt zudem auch noch eine Hintergrundbeleuchtung. Die gefühlte Leistung ist exzellent und wir haben uns nur selten die Version mit dem i7-Prozessor gewünscht.
Die neuste Version des Ultrabooks, dieses Mal ohne Touchscreen und mit einer geringeren Auflösung von 1.920 x 1.080 Pixeln, setzt da an, wo der teurere Bruder aufgehört hat.
Selbst die Basisversion des XPS 13 mit dem i3-Prozessor für 800 US-Dollar (in Deutschland nicht verfügbar) sollte ausreichend Leistung bieten – aber leider gibt es diese Version nur mit der 128-GB-SSD. Versierte Nutzer können das M.2-Laufwerk natürlich auch selbst austauschen.
Nutzer auf der Suche nach einem kompetenten Ultrabook können mit einem der XPS-13-Modelle nichts falsch machen. Es gibt vielleicht nicht ganz so viele Superlativen wie beim Yoga 3 Pro, aber alles in allem ist das Gerät einfach praktischer.
Dell XPS 13-9343 Non-Touch
- 29.03.2015 v4 (old)
Bernie Pechlaner

















































