Erster Eindruck: Apple MacBook 12 (Early 2015) 1,1 GHz im Test

Es ist bereits mehr als ein Monat vergangen, seit die ersten Tests des MacBook 12 publik wurden. Zu lesen war dort etwa von einer zufriedenstellenden Performance des Gerätes, sofern man nicht allzu komplexe Anforderungen an das passiv gekühlte Gerät auf Intel-Core-M-Basis stellt. Die Akkulaufzeit konnte offenbar Air User nicht zufriedenstellen, während das neue Display mit einer Auflösung von 2.304 x 1.440 Pixel überwiegend auf positive Resonanz stieß. Markant ist ebenfalls das neue Force Touch Touchpad, das etwa auch bereits in unserem Test des Apple MacBook Pro 13 unter die Lupe genommen wurde. Für Kontroversen sorgte Apples rücksichtsloses Rationalisieren bei den Anschlussoptionen: Zur Verfügung steht lediglich ein Type-C-USB-Port, der auch zum Laden des Gerätes genutzt werden muss.
Technik hin oder her, für Verstimmung sorgt die Verfügbarkeit des MacBook 12. Mehr als 4 Wochen nachdem das Gerät im Online-Shop zur Vorbestellung freigegeben worden ist, sind offenbar immer noch keine ausreichenden Stückzahlen vorhanden. Online wird zur Zeit auf einen Versand in 3-5 Wochen hingewiesen, in ausgesuchten Apple Stores sind zwar Austellungsstücke verfügbar, Verkaufsware ist aber auch dort nicht auf Lager.
Update vom 22.05.2015:
Erster Eindruck
Inspiriert von seiner iPhone Linie bietet Apple in Zukunft auch sein MacBook 12 in drei verschiedenen Farbvarianten an. Zur Auswahl stehen Silber, welches in etwa dem gewohnten Look der Alu MacBooks entspricht, Gold und Space Grau. Space Gray, das Design, welches wir auch im Test haben, geht in Richtung Anthrazit, während Gold an Champagner erinnert. Geblieben ist das massive Unibody-Konzept, Verarbeitung als auch Stabilität sind auf den ersten Eindruck hin makellos und auf gewohnt höchstem Niveau.
Spannend fällt der Vergleich der Dimensionen der MacBook Familie aus: Geht es nach der Breite der Notebooks bzw. deren Dicke, ist das neue MacBook 12 der kleinste Vertreter im Apple Portfolio, 4 Millimeter dünner und fast 2 Zentimeter schmäler als das MacBook Air 11. Wie kann das sein, trotz größerem Display?
Apple nutzt die zur Verfügung stehenden Abmessungen deutlich besser aus und kann dank einem nur wenige Millimeter breiten Displayrahmen die Abmessungen des Notebooks erheblich eindampfen. Bekannt ist das Apple Logo an der Displayrückseite, neu ist aber, dass dieses nicht mehr beleuchtet ist. Gründe dafür könnten die besonders dünne Displaykonstruktion, Energiesparaspekte oder schlicht neue Designimpulse für eine kommende Entwicklung sein.
Ausstattung
"One for All" bzw. "Good Bye MagSafe" lautet das Motto bezüglich der Anschlussoptionen beim Apple MacBook 12. Die Rede ist vom vieldiskutierten USB-Type-C-Port, der sowohl zum Laden des Laptops als auch zum Anschluss etwaiger externer Geräte herhalten muss. Wie das geht? Entweder brav der Reihe nach, oder durch ein kleines weiteres Investment in den passenden Adapter. Für 89 Euro erhält man bei Apple etwa den "USB-C-Digital-AV-Multiport-Adapter", der das Notebook um einen konventionellen USB-Port, HDMI-Ausgang und zwecks Laden auch einen USB-C Anschluss erweitert. Glücklicherweise gibt es auch alternative Anbieter für entsprechende Adapter (die dann allerdings nur eine einzelne USB-Buchse bieten), ab rund 10 Euro ist man hier dabei. Ach ja, einen 3,5-mm-Headset-Anschluss gibt es glücklicher Weise auch weiterhin. Noch.
Eingabegeräte
Die extreme Verdünnung des MacBook 12 im Vergleich zu den Air Modellen machte auch bei der Tastenmechanik Anpassungen notwendig. Der neue "Butterfly-Mechanismus" soll hier Vorteile im Vergleich zur bisherigen Technik bieten. In der Praxis sehen wir uns mit extrem kurzen Hubwegen konfrontiert, die auch Apple User in jedem Fall einiges an Umgewöhnungszeit abverlangen. Gut gefällt indes die gute Stabilität der Tasten sowie die knackige Druckpunkt und der leise Anschlag. Trotz der schlanken Gerätekonzeption verfügt das MacBook 12 über eine hinterleuchtete Tastatur.
Das Force Touch Touchpad präsentiert sich identisch zum MacBook Pro 13. Es bietet großzügige Abmessungen, reagiert absolut präzise, weist ein gutes Gleitverhalten auf, und die möglichen mehrstufigen Klicks sind ein tolles Feature.
Display
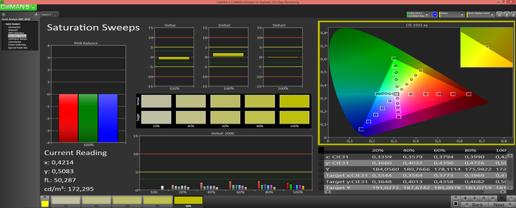
Mit einer Auflösung von 2.304 x 1.440 Pixel verabschiedet sich das Apple MacBook 12 von den antiquierten Pixelrastern der Air-11- und Air-13-Modelle. Aber nicht nur bei der Auflösung gibt es Positives zu verkünden, auch bei unseren Messungen macht sich das eingesetzte Panel recht gut. Mit maximal 345 cd/m2 strahlt das Panel ausreichend hell, kann dabei mit einem niedrigen Schwarzwert von 0,32 und einem folglich hohen Kontrast von 1065:1 überzeugen. Vorbildlich auch die akkurate Farbdarstellung im Vergleich zum sRGB-Referenzfarbraum: Mit einem DeltaE von 1,6 im Colorchecker und 1,9 bei den Graustufen spielt das MacBook 12 auf demselben Level wie das MacBook Pro 13.
| |||||||||||||||||||||||||
Ausleuchtung: 90 %
Helligkeit Akku: 345 cd/m²
Kontrast: 1065:1 (Schwarzwert: 0.324 cd/m²)
ΔE ColorChecker Calman: 1.62 | ∀{0.5-29.43 Ø4.73}
ΔE Greyscale Calman: 1.88 | ∀{0.09-98 Ø4.98}
95.5% sRGB (Argyll 1.6.3 3D)
61.8% AdobeRGB 1998 (Argyll 1.6.3 3D)
68.7% AdobeRGB 1998 (Argyll 3D)
95.6% sRGB (Argyll 3D)
67.6% Display P3 (Argyll 3D)
Gamma: 2.55
CCT: 6411 K
| Apple MacBook 12 (Early 2015) 1.1 GHz HD Graphics 5300, 5Y31, Apple SSD AP0256 | Apple MacBook Air 11 inch 2015-03 HD Graphics 6000, 5250U, Apple SSD SM0128F | Apple MacBook Pro Retina 13 inch 2015-03 Iris Graphics 6100, 5257U, Apple SSD SM0128G | Apple MacBook Air 13 MD761D/B 2014-06 HD Graphics 5000, 4260U, Apple SSD SD0256F | |
|---|---|---|---|---|
| Bildschirm | -42% | -5% | -12% | |
| Helligkeit Bildmitte (cd/m²) | 345 | 368 7% | 361 5% | 280 -19% |
| Brightness (cd/m²) | 325 | 349 7% | 342 5% | 263 -19% |
| Brightness Distribution (%) | 90 | 90 0% | 81 -10% | 84 -7% |
| Schwarzwert * (cd/m²) | 0.324 | 0.493 -52% | 0.361 -11% | 0.32 1% |
| Kontrast (:1) | 1065 | 746 -30% | 1000 -6% | 875 -18% |
| Delta E Colorchecker * | 1.62 | 3.29 -103% | 1.82 -12% | 1.91 -18% |
| Colorchecker dE 2000 max. * | 2.51 | 5.22 -108% | 3.26 -30% | |
| Delta E Graustufen * | 1.88 | 3.06 -63% | 1.8 4% | 2 -6% |
| Gamma | 2.55 86% | 2.68 82% | 2.49 88% | 2.26 97% |
| CCT | 6411 101% | 6397 102% | 6417 101% | 6724 97% |
| Farbraum (Prozent von AdobeRGB 1998) (%) | 61.8 | 38.8 -37% | 61.9 0% | |
| Color Space (Percent of sRGB) (%) | 95.5 | 96.9 1% |
* ... kleinere Werte sind besser
Leistung
Ausgestattet mit einem Intel Core M-5Y31, 8 Gigabyte Arbeitsspeicher und einer 256-GB-SSD steht uns für unsere Tests das Basismodell des MacBook 12 zur Verfügung. Aktueller Preis im Online-Store: 1.449 Euro. Gegen Aufpreis von satten 350 Euro bekommt man alternativ auch 512 GB Speicherplatz und den etwas schnellere Core M-5Y71.
Im ersten Test unter Mac OS X fühlt sich das Gerät rund und flüssig an. Der hohe Turbotakt des Chips scheint hier gelegentliche Lastspitzen gut abfedern zu können. Auch ein erster Test mittels Cinebench attestiert der eingesetzten CPU eine solide Grundlage. Im Multi-CPU-Test von Cinebench 10 bleibt das Gerät etwa nur rund 11 % hinter dem aktuellen Air 11 mit i5-5250U-CPU zurück. Vergleichbar das Ergebnis im Single-Thread Rendering-Test: 11 % Vorsprung für das aktuelle Air 11, "nur" 33 % für das MacBook Pro 13 mit 5257U Prozessor.
Beobachten können wir aber auch bereits eine starke Temperaturabhängigkeit der Leistung. Im mehrmaligen Durchlauf ist eine Verschlechterung der Ergebnisse zu beobachten. Im noch folgenden ausführlichen Test werden wir uns dieser Problematik ausführlich widmen.
Emissionen
In puncto Lautstärke gibt es nicht viel zu berichten: Das Apple MacBook 12 ist als erstes Gerät aus der Gattung Notebooks aus dem Hause Apple absolut lautlos im jedem Lastzustand.
Seitens Oberflächentemperaturen sehen wir uns trotz vollständig passiver Kühlung im Alltagsbetrieb mit einem angenehm temperierten Gehäuse konfrontiert. Unter Bootcamp Windows wird eine stärkere Erwärmung des Gerätes auffällig. Dies wird auch durch höhere Verbrauchsmessungen im Idle-Zustand unter Windows bestätigt. Unter konstant hoher Last wird dann das Kühlkonzept doch deutlich spürbar, das Aluminiumgerät heizt sich spürbar auf.
(-) Die maximale Temperatur auf der Oberseite ist 45.7 °C. Im Vergleich liegt der Klassendurchschnitt bei 35.9 °C (von 21.4 bis 59 °C für die Klasse Subnotebook).
(-) Auf der Unterseite messen wir eine maximalen Wert von 49.4 °C (im Vergleich zum Durchschnitt von 39.2 °C).
(+) Ohne Last messen wir eine durchschnittliche Temperatur von 30.6 °C auf der Oberseite. Der Klassendurchschnitt erreicht 30.8 °C.
(±) Die Handballen und der Touchpad-Bereich können sehr heiß werden mit maximal 37.1 °C.
(-) Die durchschnittliche Handballen-Temperatur anderer getesteter Geräte war 28.2 °C (-8.9 °C).
Energie und Akkulaufzeit
Im ersten Energieverbrauchs-Check messen wir im Betrieb ohne Last zwischen 1,7 und 6 Watt (max. Helligkeit, Funkmodule ein). Unter Last können wir Spitzen von bis zu knapp 30 Watt beobachten, die sich nach einigen Minuten allerdings bei rund 20 Watt einpendeln. Dies dürfte den nachlassenden Turbotaktraten zufolge der zunehmenden Erwärmung des Gerätes geschuldet sein.
Bei der Akkulaufzeit liefert uns das Notebook im Betrieb unter OS X eine Prognose von mehr als 8 Stunden im WLAN-Surfbetrieb. Genaue Messungen folgen.
| Aus / Standby | |
| Idle | |
| Last |
|
Legende:
min: | |
vorläufiges Fazit
Nach den ersten Tagen mit dem Apple MacBook 12 können wir die Tendenzen bisheriger Tests des Laptops bestätigen. Das MacBook 12 präsentiert sich unverkennbar als Sprössling der Apple-Hardware-Schmiede in Cupertino. Nahezu perfektes Gehäuse trifft ausgezeichnetes Display, gelungene Technik-Spielereien, wie etwa das Force Touch Touchpad, stehen eigenwilligen Design-Entscheidungen, Beispiel USB-Typ-C-Port, gegenüber.
Gespannt sind wir auf weitere Erkenntnisse im Bereich Leistung im Verlauf unseres weiteren Tests. Was darf man von einem passiv gekühltem Notebook erwarten, wo sind die Grenzen im täglichen Einsatz?












