Test-Update Apple MacBook Air 13 MD761D/B 2014-06 Notebook

Und jährlich grüßt das Apple-Update – zumindest fast. Denn das zuletzt als Mid 2013 Version getestete MacBook Air 13 bekommt abermals eine Neuauflage, die sich wieder mal auf die inneren Werte beschränkt. Außen hat sich nämlich seit Erscheinen des allerersten MacBook Air anno 2008 optisch nichts getan, wenn man mal von der 2010 eingeführten Tastaturbeleuchtung absieht.
Weil sich relativ wenig getan hat, beschränken wir uns in diesem Test-Update auf die wesentlichen Punkte, alle anderen Informationen sind ausführlich im Test des Apple MacBook Air 13 Mid 2013 MD760D/A zu finden und gelten auch für unser Testgerät.
Im MacBook Air 13 Mid 2014 MD761D/B steckt nun die aktuelle Haswell-Prozessortechnik von Intel, namentlich ein Core i5-4260U mit 1,4 GHz Taktrate nebst 4 GB RAM und 256 GB Flashspeicher. In puncto Display, Schnittstellenangebot und Design bleibt alles beim Alten. Etwas hat sich dann doch getan, denn Apple ruft für die von uns getestete Version rund 1.200 Euro aus, also 100 Euro weniger als noch beim Vorjahres-Modell. Die selbst konfigurierbare Topversion mit schnellerer i7-CPU und jeweils doppelt so viel SSD und RAM schlägt im Apple Store mit 1.749 Euro zu Buche.
Damit muss sich das MacBook Air 13 gegen Konkurrenz in Form der Asus Zenbook-Serie, Dell XPS 13, Sonys Vaio Pro 13 und Duo 13, der Samsung Ativ Book 9 Serie sowie dem MacBook Pro 13 aus eigenem Hause zur Wehr setzen.
Display
Beim neuen MacBook Air 13 Mid 2014 setzt Apple wie gewohnt auf ein spiegelndes Display im 16:10-Format mit einer Auflösung von 1.440 x 900 Pixeln – eine alternative Displayoption ist nicht verfügbar. Damit steht im Vergleich zu den weit verbreiteten Bildschirmen mit 1.366 x 768 Bildpunkten vieler Konkurrenten eine etwas größere Fläche zum Arbeiten bereit. Einige Mitbewerber bieten jedoch bereits FullHD-Displays an, auch auf einen Touchscreen müssen Apple-Nutzer verzichten.
| |||||||||||||||||||||||||
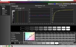
Ausleuchtung: 84 %
Helligkeit Akku: 280 cd/m²
Kontrast: 875:1 (Schwarzwert: 0.32 cd/m²)
ΔE ColorChecker Calman: 1.91 | ∀{0.5-29.43 Ø4.74}
ΔE Greyscale Calman: 2 | ∀{0.09-98 Ø4.98}
Gamma: 2.26
CCT: 6724 K
Im Vergleich zum direkten Vorgänger MacBook Air 13 Mid 2013 bietet das Testsample mit einer durchschnittlichen Displayhelligkeit von 263,2 cd/m² rund 14 cd/m² weniger, maximal werden beim Testgerät in der Bildschirmmitte 280 cd/m² erreicht (MacBook Air 13 Mid 2013: 295 cd/m²). Die Ausleuchtung schrumpft um 5 Zähler auf 84 %. Da bei beiden Modellen das gleiche Panel zum Einsatz kommt, offenbart sich hier wohl eine leichte Serienstreuung zufolge Fertigungstoleranzen, was in diesem Ausmaß nicht weiter ungewöhnlich ist. Weitere Informationen zum Display sind im Testbericht des MacBook Air Mid 2013 zu finden.
Beim Kontrast hingegen punktet das MacBook Air 13 Mid 2014 mit 875:1 (Vorgänger: 655:1), auch der Schwarzwert von 0,32 cd/m² ist ordentlich. Bildinhalte werden subjektiv mit leuchtenden Farben und gutem Schwarz wiedergegeben.
Unsere Messungen mit CalMAN offenbaren auch beim aktuellen Modell korrekt dargestellte Farben im Auslieferungszustand. Die Graustufen sind ab Werk ebenso recht gut justiert, was auch ein niedriges DeltaE von 2 und eine relativ akkurate Farbtemperatur von 6.724 K belegen. Mit bloßem Auge sind auf der Graustufenskala keine Verfärbungen sichtbar. Eine weitere Kalibrierung verbessert dann Farbtreue, Graustufen und Farbsättigung nur geringfügig.
Unter Bootcamp-Windows fallen die Defizite bei der Farbwiedergabe wesentlich größer aus, gerade Blau wird stark überbetont. Die Graustufenwiedergabe ist aber auch hier schon unkalibriert recht ansehnlich.
Für ein TN-Panel ist das Display durchaus blickwinkelstabil mit weiten Sichtwinkeln. Vertikal treten Invertierungen und Helligkeitsverlust erst relativ spät auf. Das Blickwinkelbild zeigt zudem je nach Winkel einen leichten Blau- oder Gelb-Stich, der jedoch durch die Kamera verstärkt wird und in der Realität nicht so deutlich in Erscheinung tritt.
Leistung
Das aktuelle MacBook Air 13 setzt wie der Vorgänger auf Intels Haswell-CPU-Generation in der neuesten Variante. Der Leistungsschub wird sich wohl in Grenzen halten, da beim neuen Prozessor lediglich die Taktfrequenz etwas angehoben wurde. Ansonsten hat sich nichts verändert im Vergleich zum Macbook Air Mid 2013.
Prozessor
Die neue Haswell-CPU von Intel im 2014er Modell, der Intel Core i5-4260U, taktet jetzt mit 1,4 GHz anstelle von 1,3 GHz, der Turbo wurde ebenfalls leicht auf nunmehr 2,7 GHz angehoben. Abermals liegt die Thermal Design Power bei 15 Watt, der Chipsatz ist zu einem großen Teil in der CPU integriert und spart so Platz und Strom.
Die Benchmarks (MacOS) zeigen wegen der geringen Leistungssteigerung erwartungsgemäß keine großen Leistungssprünge. Der Cinebench R11.5 64-bit erreicht circa 5 % mehr, die R10-Variante 5 % weniger Leistung, was unter Messungenauigkeiten verbucht werden kann. Ein spürbarer Anstieg der Geschwindigkeit wird somit nicht erreicht. Das Testgerät setzt den Turbo von 2,7 GHz analog zum Vorgänger nur sporadisch ein, zumeist arbeitet die CPU auf höchstens 2,4 GHz.
In puncto Leistungsunterschied von Windows zu MacOS X Mavericks gilt das beim Vorgänger MacBook Air 13 Mid 2013 bereits konstatierte, weswegen wir auf den ausführlichen Testbericht verweisen. In aller Kürze: Das native Betriebssystem kann die Komponenten wesentlich effektiver einsetzen.
Der Stresstest unter Windows 8.1 mit Fuhrpark und Prime95, der das System voll auslastet, zeigt bereits nach kurzer Laufzeit ein Throttlig des Prozessors auf 800 bis 900 MHz. Im Akkubetrieb verringert sich im Vergleich zum Betrieb mit Netzanschluss die Leistung nicht.
| Cinebench R11.5 | |
| CPU Single 64Bit (nach Ergebnis sortieren) | |
| Apple MacBook Air 13 MD761D/B 2014-06 | |
| Apple MacBook Pro Retina 13 inch 2013-10 | |
| Apple MacBook Air 13 inch 2013 MD760D/A | |
| CPU Multi 64Bit (nach Ergebnis sortieren) | |
| Apple MacBook Air 13 MD761D/B 2014-06 | |
| Apple MacBook Pro Retina 13 inch 2013-10 | |
| Apple MacBook Air 13 inch 2013 MD760D/A | |
| Cinebench R15 | |
| CPU Single 64Bit (nach Ergebnis sortieren) | |
| Apple MacBook Air 13 MD761D/B 2014-06 | |
| Apple MacBook Pro Retina 13 inch 2013-10 | |
| CPU Multi 64Bit (nach Ergebnis sortieren) | |
| Apple MacBook Air 13 MD761D/B 2014-06 | |
| Apple MacBook Pro Retina 13 inch 2013-10 | |
System Performance
Die Benchmarkergebnisse vom PCMark 7 zeigen im Vergleich zum Vorgänger einen Leistungszuwachs um 14 % auf 5.012 Punkte. Wieder arbeitet der Arbeitsspeicher im Dual-Channel-Modus und auch der Massenspeicher ist schnell. Im Alltagsbetrieb stehen damit ausreichend Ressourcen zur Verfügung.
| PCMark 7 Score | 5012 Punkte | |
| PCMark 8 Home Score Accelerated | 2584 Punkte | |
Hilfe | ||
Massenspeicher
Die Analyse des Flashspeichers mittels des AS SSD Benchmarks offenbart ein gemischtes Bild im Vergleich zum Vorgänger MacBook Air 13 Mid 2013. Einige Tests wie der 4K Write oder der Sequential Read zeigen einen teils immensen Leistungsanstieg, im 4K-64 Read und 4K-64 Write muss das Testgerät hingegen Federn lassen. Bei den Zugriffszeiten und den Kopiertests kann sich das MAcBook Air 13 Mid 2014 dann wieder vom Vorgänger absetzen.
Im Alltagsbetrieb zeigen sich diese Diskrepanzen jedoch subjektiv kaum bis gar nicht. Im Vergleich zu Notebooks mit konventioneller Festplatte können die Werte jedoch allesamt überzeugen.
* ... kleinere Werte sind besser
Grafikkarte
Der im MacBook Air 13 Mid 2014 verwendete Intel Core i5-4260U Prozessor setzt wieder auf die schon im Vorgänger zum Einsatz gekommene Intel HD 5000 (GT3) Grafikkarte. Die GPU arbeitet im Testgerät mit einer Taktrate von 200 bis 950 MHz. Die Thermal Design Power von 15 Watt müssen sich Grafikchip und CPU teilen.
In unseren Grafikbenchmarks positioniert sich das MacBook Air 13 Mid 2014 dann auch erwartungsgemäß auf Augenhöhe mit dem Vorgänger MacBook Air 13 Mid 2013. Im 3D Mark 11 (unter Windows getestet) liegt das Testsample mit 1.134 Punkten nur hauchdünn vor den 1.131 Zählern des MacBook Air 13 Mid 2013. Der Cinebench 11.5 liefert unter Mac OS X einen guten Wert von 22,41 fps und liegt damit wieder ganz knapp vor dem Vorjahresmodell (22,07 fps). Unterm Strich arbeitet die GPU zwar performant, kommt aber gegen die Leistung dedizierter Mittelklasse-Chips nicht an.
Weitere Details zur GPU sind im Test des Vorgängers MacBook Air 13 Mid 2013 zu finden.
| 3DMark 11 - 1280x720 Performance (nach Ergebnis sortieren) | |
| Apple MacBook Air 13 MD761D/B 2014-06 | |
| Apple MacBook Air 13 MD761D/B 2014-06 | |
| Apple MacBook Air 13 inch 2013 MD760D/A | |
| Cinebench R11.5 - OpenGL 64Bit (nach Ergebnis sortieren) | |
| Apple MacBook Air 13 MD761D/B 2014-06 | |
| Apple MacBook Air 13 inch 2013 MD760D/A | |
| 3DMark 06 1280x800 Score | 6675 Punkte | |
| 3DMark 11 Performance | 1134 Punkte | |
| 3DMark Cloud Gate Standard Score | 4894 Punkte | |
| 3DMark Fire Strike Extreme Score | 352 Punkte | |
Hilfe | ||
Gaming Performance
Anspruchsvolle 3D-Games sind nicht das primäre Betätigungsfeld des MacBook Air 13. Lediglich ältere PC-Spiele können in niedrigen Auflösungen und Grafikdetails flüssig auf das Display gebracht werden..
Das brandneue Hacker-Abenteuer Watch Dogs läuft selbst auf minimalen Grafikeinstellungen mit 18,1 fps nicht flüssig. Weitere Beispiele wurden im Testbericht des Vorgängers ausführlich besprochen.
| min. | mittel | hoch | max. | |
|---|---|---|---|---|
| Tomb Raider (2013) | 54.3 | 28.3 | 17.5 | |
| Watch Dogs (2014) | 18.1 | 11.6 |
Emissionen & Energie
Geräuschemissionen
Wie schon der Vorgänger hält sich das MacBook Air 13 Mid 2014 in puncto Geräuschpegel sowohl unter Windows als auch unter Mac OS angenehm zurück. Im Alltag bleibt es oftmals völlig lautlos, so beispielsweise bei der Wiedergabe eines Full-HD oder auch eines 4K-Videos. So zeigt unser Pegelmesser im Idle-Betrieb nur flüsterleise 28 dB(A) an. Anspruchsvolle Aufgaben wie die Wiedergabe von Spielen erhöhen den Pegel weiter. Setzt man das Notebook unter Last, wächst die Geräuschkulisse deutlich an. Zwischen 40,5 und 43,7 dB(A) erreicht das MacBook Air 13 Mid 2014 im Volllastbetrieb. Diese Pegel werden im Alltagsbetrieb jedoch nur erreicht, wenn man dauerhaft anspruchsvolle Aufgaben wie exzessives Multitasking durchführt.
Die Lüfter des Air 13 sind stets aktiv, allerdings auf sehr niedriger Drehzahl und so kaum zu hören. Erst bei höheren Drehzahlen wird der Lüfter hörbar und legt insbesondere in höheren Frequenzbereichen an Lautstärke zu.
Lautstärkediagramm
| Idle |
| 28 / 28 / 28 dB(A) |
| Last |
| 40.5 / 43.7 dB(A) |
![]() | ||
30 dB leise 40 dB(A) deutlich hörbar 50 dB(A) störend |
||
min: | ||
Temperatur
Im Idlebetrieb verbleiben die Oberflächentemperaturen stets in einem sehr niedrigen Bereich, maximal 26 °C werden hier erreicht. Ein Schoßbetrieb ist also problemlos möglich. Nimmt das MacBook Air an Fahrt auf, erhitzt sich das Gehäuse oberflächlich auf bis zu 43 °C, gemessen links oberhalb der Tastatur. Die neuralgischen Punkte auf der Handballenauflage bleiben aber auch hier stets im annehmbaren Bereich. Unter andauernder Volllast erwärmt sich allerdings auch die Unterseite auf bis zu 40 °C.
(±) Die maximale Temperatur auf der Oberseite ist 43 °C. Im Vergleich liegt der Klassendurchschnitt bei 35.9 °C (von 21.4 bis 59 °C für die Klasse Subnotebook).
(±) Auf der Unterseite messen wir eine maximalen Wert von 40 °C (im Vergleich zum Durchschnitt von 39.2 °C).
(+) Ohne Last messen wir eine durchschnittliche Temperatur von 24.9 °C auf der Oberseite. Der Klassendurchschnitt erreicht 30.8 °C.
(+) Die Handballen und der Touchpad-Bereich sind mit gemessenen 30 °C kühler als die typische Hauttemperatur und fühlen sich dadurch kühl an.
(±) Die durchschnittliche Handballen-Temperatur anderer getesteter Geräte war 28.2 °C (-1.8 °C).
Lautsprecher
Da die Lautsprecher denen des Vorgängers gleichen, verweisen wir hier wieder auf den ausführlichen Testbericht des MacBook Air 13 Mid 2013. Kurzes Fazit: Angesichts der kompakten Bauform sehr guter Klang, der jedoch unter fehlendem Bass leidet.


Energieverwaltung
Energieaufnahme
Die Analyse der Energieaufnahme ergibt wie schon beim Vorgänger eine starke Abhängigkeit des gewählten Betriebssystems. Unter Windows bewegt sich der Verbrauch im Idle-Betrieb zwischen 5,4 und 10,1 Watt. Mit Mac OS gibt sich das Testgerät wesentlich genügsamer, 3,4 bis 5,8 Watt messen wir hier. Unter Last schwanken die Werte etwas, was wohl an den wechselnden Taktraten der CPU-GPU-Kombination liegt. Dennoch liegt der Maximalverbrauch deutlich unter dem des Vorgängers. Unter Windows werden bis zu 37,7 Watt gemessen, mit Mac OS nur maximal 36 Watt. Ein Test mit extremer Last mit einem Loop des Benchmarks CineBench 15 und laufendem Unigine Benchmark im Hintergrund ergab nach zwei Stunden moderate 32,2 Watt. Das 45-Watt-Netzteil bietet somit unter allen Bedingungen genügend Leistung.
| Aus / Standby | |
| Idle | |
| Last |
|
Legende:
min: | |
Akkulaufzeit
Der im MacBook Air 13 Mid 2014 fest verbaute Lithium-Polymer-Akku verfügt über eine Kapazität von 54 Wh. Wie üblich haben wir die Laufzeittests teils unter Windows mit dem Tool Battery Eater durchgeführt. Der Battery Eater Reader's Test bei aktiviertem Energiesparprofil, minimaler Displayhelligkeit und reaktivierten Funkmodulen fiel überraschenderweise mit 10:48 Stunden rund 2,5 h kürzer aus als noch beim Vorgänger. Den Lastbetrieb mit dem Battery Eater Classic Test quittierte das Notebook nach 1 Stunde 54 Minuten und damit länger als das MacBook Air 13 Mid 2013.
Der praxisnahe WLAN-Test (Displayhelligkeit bei 152 cd/m², Funk an, Energiesparprofil, Skript in Endlosschleife) war nach 8 Stunden 35 Minuten beendet. Auch hier hielt der Vorgänger länger durch.
Fazit
Apple mag polarisieren, das MacBook Air 13 kann mit seinem zeitlosen Design und dem kompakten Unibody nach wie vor begeistern. Dazu trägt auch die tolle Verarbeitungsqualität bei. Zudem punktet das Notebook mit einer meist kaum wahrnehmbaren Geräuschentwicklung und recht niedrigen Oberflächentemperaturen.
Für schnelle Datentransfers bürgen ein schnelles Funkmodul nach dem WLAN-Standard 802.11ac und zwei USB-3.0-Schnittstellen. LTE/4G für unterwegs ist leider immer noch nicht als Option erhältlich. Flott agiert auch das interne Solid State Drive. Die Rechenleistung der stromsparenden Haswell-ULV-CPU reicht für die meisten Anwendungsszenarien absolut aus und bietet zudem eine für Basisanwendungen ausreichende Grafikperformance. Dass Apple ab Werk nur ein Jahr Garantie gewährt, ist im Klassenvergleich etwas dürftig, dem kann aber gegen Aufpreis Abhilfe geschaffen werden. Schwerer wiegen da schon das spiegelnde Display und die nicht wartungsfreundliche Bauweise. Mickrig fällt – ganz Apple-like – auch der Lieferumfang aus, der notwendige Adapter für einen Anschluss von Thunderbolt/ Mini-DisplayPort-Kabeln will ebenso teuer bezahlt werden wie ein Ethernet-Adapter. Dafür bietet Apple das diesjährige MacBook Air 13 für rund 100 Euro weniger an als noch den ebenbürtigen Vorgänger. Wer mit den genannten Einschränkungen leben kann, erhält mit dem MacBook Air 13 also auch in diesem Jahr ein absolut konkurrenzfähiges Subnotebook.































