Test Apple MacBook Pro Retina 13 Zoll Late 2013

Dem 13 Zoll MacBook Pro Retina wurde zum Haswell Update nicht nur ein neues Innenleben spendiert. Dank des verringerten Stromverbrauchs der Plattform, konnte Apple auch das Gehäuse von 19 mm auf 18 mm verschlanken. Damit verbleibt zu den 17 mm des 13 Zoll MacBook Air nur noch ein geringer Abstand, jedoch verjüngt sich das Gehäuse nach vorne nicht.
| MacBook Pro 13 Retina 2013 | MacBook Pro 13 Retina 2012 | MacBook Air 13 | MacBook Pro 15 Retina | |
|---|---|---|---|---|
| Gewicht | 1.57 kg / 3.46 lbs | 1.62 kg / 3.57 lbs +3% | 1.35 kg / 2.96 lbs -14% | 2.02 kg / 4.46 lbs +29% |
| Dicke | 18 mm | 19 mm | 17 mm | 18 mm |
| Breite | 31.4 cm | 31.4 cm | 32.5 cm | 35.9 cm |
| Tiefe | 21.9 cm | 21.9 cm | 22.7 cm | 24.7 cm |
Als Testgerät wählten wir die mittlere Variante mit Core i5-4258U Prozessor wie im Einstieg, jedoch 256 GB SSD und 8 GB RAM. Unser Testgerät kam nicht von der Apple Agentur, sondern wurde von uns normal im online Store gekauft.
Durch das geringe Gewicht und das dünne Gehäuse qualifiziert sich das MacBook Pro 13 klar als Subnotebook. In dieser Klasse kann es sich von den meisten anderen Geräten durch den stärkeren Prozessor abheben.
Trotz des neuen Gehäuses blieb das Design des 13-Zoll Retina absolut identisch zum Vorgänger. Nüchtern betrachtet gibt es auch kaum Verbesserungsmöglichkeiten. Das aus einem Aluminium-Block gefräste Unibody-Gehäuse überzeugt durch seine hohe Stabilität, die hochwertige Haptik und Optik und die perfekte Verarbeitung. Einzig die scharfe Vorderkante an der Baseunit ist ergonomisch nicht ideal. Durch die geringe Gehäusehöhe wirkt sich dies aber nicht stark aus.
Bei den externen Anschlüssen geht Apple wie üblich etwas andere Wege als die durchschnittlichen Hersteller. Hervorzuheben sind die beiden Thunderbolt 2 Anschlüsse welche auch als Mini-DisplayPort genutzt werden können. Geändert hat sich im Vergleich zum Vorgänger hier nur der schnellere Thunderbolt Controller. Dadurch ist die Ausstattung identisch zum größeren 15-Zoll-Modell und hat dem aktuellen MacBook Air 13 den HDMI und zweiten Thunderbolt Anschluss voraus. Alle drei Anschlüsse sind übrigens für hochauflösende Monitore geeignet (laut Apple, getestet nur Mini-DisplayPort an einem 2560x1440 27" Monitor) und der Grafikchip kann maximal 3 unabhängige Displays gleichzeitig ansteuern. Dies ist ein deutlicher Vorteil zu den meisten Windows Notebooks, die maximal zwei digitale Ausgänge bieten. Dafür muss man auf einen dritten USB-Port und einen LAN-Anschluss verzichten. Auch der Headset-Port ist wie bei Smartphones mit nur einer Buchse ausgeführt.
Kommunikation
Für die drahtlosen Kommunikation beherrscht das MacBook Pro Retina nur 802.11b/g/n/ac (2,4 und 5 GHz) WLAN und Bluetooth 4.0. Ein LAN-Adapter ist nur per USB oder Thunderbolt erhältlich, 3G / 4G / LTE nur mittels Bluetooth, WLAN oder USB Tethering (USB Tethering mit Android nur durch 3rd Party Treiber wie HoRNDIS).
Die WLAN-Performance konnten wir nur im Zusammenspiel mit einem Linksys E4200 802.11n Router testen. Der neue AC Standard wird unterstützt, jedoch benötigt man dafür klarerweise einen kompatiblen WLAN-Router. Im Vergleich trat ein MacBook Pro 13 aus 2010 und ein Schenker S413 (Clevo W740SU) gegen das Testgerät an. In 1 Meter Abstand ohne Hindernisse war die Verbindung wie zu erwarten war sehr gut, aber etwas schwankend. Die besten Ergebnisse mit iperf erreichten 297 MBit/s, teilweise lagen sie aber auch unter dem alten MBP13, welches 209 MBit schaffte. Das Schenker bildete das Schlusslicht mit lediglich 156 Mbit trotz neuer Intel AC WLAN-Karte. Der per LAN angeschlossene AMD A8-5600K Desktop mit Asus F2A85-V limitierte nicht, da das Schenker Gerät per LAN-Kabel 865 MBit übertrug.
Ein Stockwerk tiefer (Betondecke und eine Zwischenwand) sank der Durchsatz beim Retina auf 42 MBit. MBP 13 und S413 waren hier mit 59 Mbit bzw. 55 Mbit deutlich schneller.
Im Betonkeller (2 Stockwerke und einige Zwischenwände) führten wir dann den dritten Test durch. Schwache WLAN-Karten / Antennen schaffen hier keine Verbindung mehr. Auch der Retina Mac hatte hier etwas zu kämpfen und schaffte die 7,4 Mbit nur mit 3 verlorenen Paketen (von 60). Das Schenker wurde zweiter mit 13,8 Mbit ohne Abbrüche hinter dem alten MBP mit 15,6 MBit.
Insgesammt also keine Glanzleistung im Wireless-n Netzwerk, jedoch auch besser als viele Notebooks mit günstigen WLAN Karten. Weiters sollte in einem 802.11ac Netzwerk Durchsatz und Reichweite besser ausfallen, dies gilt aber auch für das Schenker S413.
Garantie
Apple bietet in der DACH-Region nur 1 Jahr Garantie auf das Gerät. Der Aufpreis auf 3 Jahre Garantie inklusive Telefonsupport (Apple Care) ist mit 249 Euro Aufpreis relativ teuer.
Wartung
Hier kann das Retina MacBook Pro ganz und gar nicht glänzen. Eigentlich wären die Komponenten einfach erreichbar, da die Unterseite abnehmbar ist. Leider sichert Apple den Aludeckel mit den proprietären Pentalobe (5-Stern) Schrauben. Sind die Schrauben entfernt erreicht man schnell den Lüfter, SSD und WLAN Karte für Wartungsarbeiten. Der Akku ist leider verklebt (und verhindert auch den einfachen Zugang zum Touchpad). Speicher und Prozessor sind fest verlötet wodurch eine Reparatur in diesen Fällen sehr kostspielig wird. Bei iFixit hat das Notebook auch sehr schwach abgeschnitten (1/10 Punkten).
FaceTime HD Webcam
Die integrierte 720p FaceTime HD Webcam ist immer noch eine der Schwachstellen. Die Performance ist für Videotelefonie durchschnittlich, jedoch erwartet man sich von Apple durch ihren Fokus auf iMessages und Videotelefonieren hier deutlich mehr. Die Audioqualität war jedoch aufgrund der zwei Mikrofone auf der Seite exzellent.
Tastatur
Unverändert bleib die exzellente hintergrundbeleuchtete Chiclet Tastatur. Haptik, Feedback und Tastengröße sind hervorragend und wir erreichten auf Anhieb dieselbe Schreibrate wie mit einer mechanischen Cherry MX 3000 Desktop Tastatur (86 WPM). Nachteilig ist die minimalistische Beschriftung ("wo ist die verdammte Tilde") und gerade Windows Umsteiger werden aufgrund der unterschiedlichen Tastenbelegung häufig fluchen (@,{},[]).
Touchpad
Weiterhin bleibt Apples Multitouch Glas-Touchpad an der Spitze der Eingabegeräte. Die Kombination aus gleitfähiger Glasoberfläche, angenehmem Druckpunkt, präziser Umsetzung und intelligenter Treiber in OS X bleibt mehr oder weniger unerreicht in der Windows Welt. Hier zahlt sich die direkte Verzahnung von Software und Hardware deutlich aus. Scrollen, zoomen, wischen funktioniert präzise und ohne auffällige Fehler. Nachteilig fiel uns nur die scharfe Gehäusevorderkante bei längerer Benutzung des Touchpads auf.
Nach einer Woche der Nutzung hat uns dann auch der Tastatur- und Trackpad-Hänger erwischt. Das Problem tritt also eher selten auf, stört dann jedoch mit einer einminütigen Wartezeit im Standby.
Das spiegelnde 13-Zoll-Display bietet eine Auflösung von 2560x1600 Pixeln im bereits aussterbenden 16:10 Format. In den Standardeinstellungen wird der Desktop so groß wie bei einem 1280x800 Bildschirm dargestellt. Schriften und Icons rendern aber natürlich viel feiner (bei Retina-vorbereiteten Apps). Der klare Vorteil dieser Lösung ist aber, dass auch alte Anwendungen ohne Anpassungen laufen und benutzbar sind. Sie sehen nur etwas grob aufgelöst aus. Unter Windows mit dem DPI Scaling ist dies leider ein großes Problem. Bei unseren Tests mit Bootcamp hatten wir sehr oft zu kleine und kaum lesbare Schriften (ältere 3D Mark oder auch X-Rite Software) und übereinanderliegende Elemente (Checkboxen in Fraps). Optional kann man die Auflösung auch auf bis zu 1680x1050 skalieren lassen – mit minimalem Qualitätsverlust (nicht so stark, als würde man das Display mit falscher Auflösung betreiben).
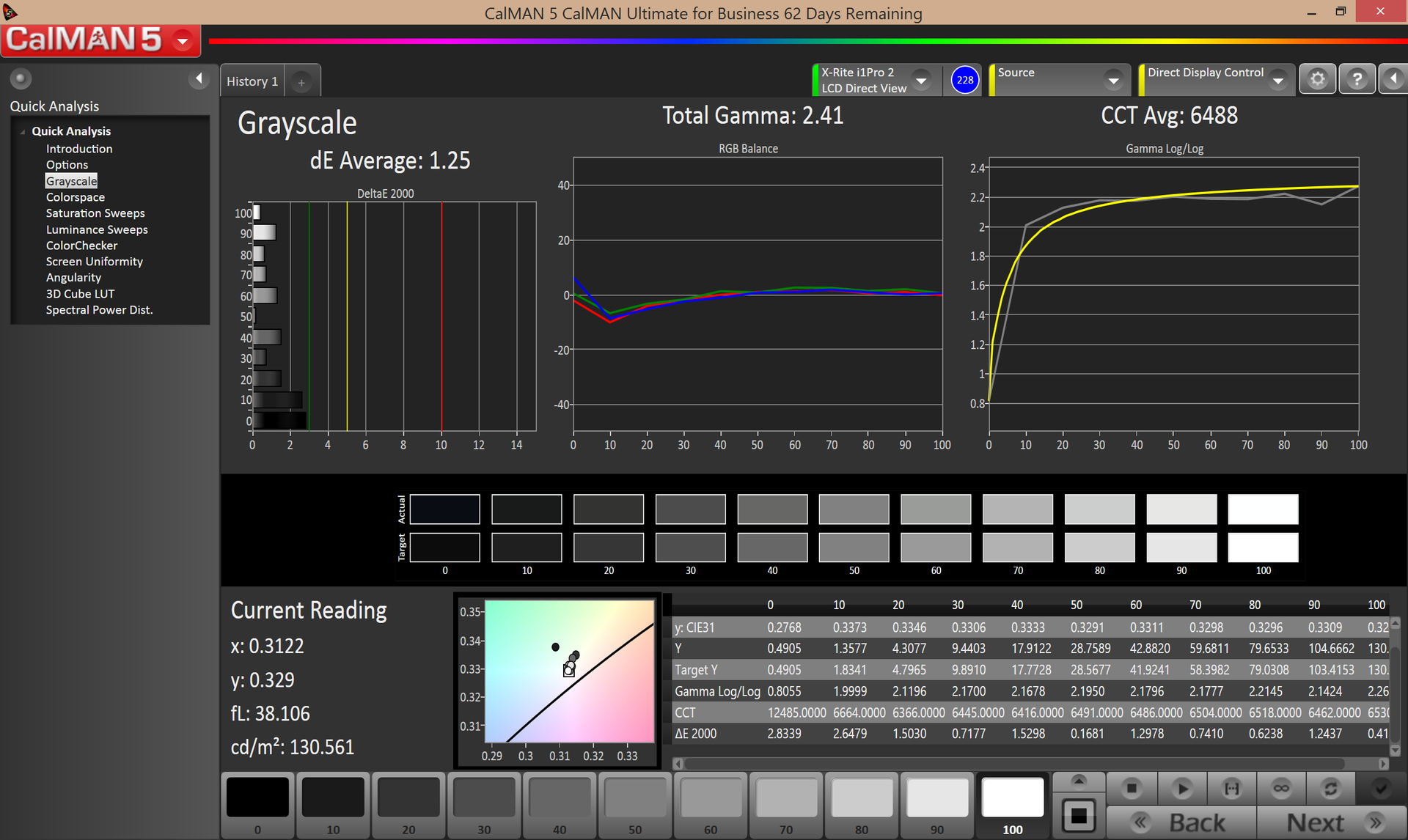
Die Helligkeitsmessungen haben bei uns im Test leider etwas variiert, da Windows 8.1 den Helligkeitssensor manchmal unerwartet ansteuert. Die maximal gemessene Helligkeit unter Mac OS X war mit maximal 388 cd/m2 und 0.4 c/m2 Schwarzwert noch etwas besser als die eingetragenen Messwerte unter Windows. Der Kontrast von 970:1 ist sehr gut und auch subjektiv gefällt uns das Display sehr gut.
| |||||||||||||||||||||||||
Ausleuchtung: 81 %
Helligkeit Akku: 360 cd/m²
Kontrast: 900:1 (Schwarzwert: 0.4 cd/m²)
ΔE ColorChecker Calman: 1.87 | ∀{0.5-29.43 Ø4.74}
ΔE Greyscale Calman: 2.19 | ∀{0.09-98 Ø4.98}
63% AdobeRGB 1998 (Argyll 1.6.3 3D)
Gamma: 2.58
CCT: 6688 K
| |||||||||||||||||||||||||
Ausleuchtung: 84 %
Helligkeit Akku: 327 cd/m²
Kontrast: 779:1 (Schwarzwert: 0.42 cd/m²)
Die Farbtreue des eingesetzten Panels in unserem Testgerät war auch ohne Kalibrierung hervorragend. Die DeltaE Abweichungen beim ColorChecker Test sind die geringsten von uns bis jetzt gemessenen. Dadurch sollte man mit bloßem Auge keinen Unterschied zwischen dargestellter und echter Farbe erkennen können. Bei den Grauwerten ist das Ergebnis etwas schlechter, jedoch ist das i1Pro 2 Messgerät bei geringer Helligkeit weniger genau. Der sRGB Farbraum wird vom Retina Bildschirm fast komplett abgedeckt.
Einige der folgenden Messwerte stammen leider nur aus Windows 8.1, da die X-Rite Software unser i1pro2 unter OS X nicht erkannt hat (deshalb auch die obigen Helligkeitsabweichungen zwischen Diagramm und Text).
Kalibriert mit der XRite Software verbessern sich die Messwerte nochmals deutlich, wodurch sich der Bildschirm auch für anspruchsvolle Fotobearbeitung sehr gut eignen sollte.
Dank der hohen maximalen Helligkeit ist auch der Außengebrauch trotz der spiegelnden Oberfläche möglich. Die Spiegelungen werden auch etwas durch eine rötliche Tönung abgeschwächt. Hier verwendet Apple anscheinend eine leichte Entspiegelung. Im Vergleich zum alten MacBook Pro 13 sieht man auch gut, dass der Abstand zur Glasplatte weggefallen ist, und dadurch keine doppelten Spiegelungen auftauchen.
Reaktionszeiten (Response Times) des Displays
| ↔ Reaktionszeiten Schwarz zu Weiß | ||
|---|---|---|
| 26.2 ms ... steigend ↗ und fallend ↘ kombiniert | ↗ 5.2 ms steigend | |
| ↘ 21 ms fallend | ||
| Die gemessenen Reaktionszeiten sind mittelmäßig und dadurch für Spieler eventuell zu langsam. Im Vergleich rangierten die bei uns getesteten Geräte von 0.1 (Minimum) zu 240 (Maximum) ms. » 65 % aller Screens waren schneller als der getestete. Daher sind die gemessenen Reaktionszeiten schlechter als der Durchschnitt aller vermessenen Geräte (19.9 ms). | ||
| ↔ Reaktionszeiten 50% Grau zu 80% Grau | ||
| 33 ms ... steigend ↗ und fallend ↘ kombiniert | ↗ 15 ms steigend | |
| ↘ 18 ms fallend | ||
| Die gemessenen Reaktionszeiten sind langsam und dadurch für viele Spieler wahrscheinlich zu langsam. Im Vergleich rangierten die bei uns getesteten Geräte von 0.165 (Minimum) zu 636 (Maximum) ms. » 45 % aller Screens waren schneller als der getestete. Daher sind die gemessenen Reaktionszeiten durchschnittlich (31.2 ms). | ||
Bildschirm-Flackern / PWM (Pulse-Width Modulation)
| Flackern / PWM nicht festgestellt | ||
Im Vergleich: 52 % aller getesteten Geräte nutzten kein PWM um die Helligkeit zu reduzieren. Wenn PWM eingesetzt wurde, dann bei einer Frequenz von durchschnittlich 7876 (Minimum 5, Maximum 343500) Hz. | ||
Windows 8.1 via Boot Camp
Die Boot Camp Installation war im Test nicht trivial, da wir auch auf das Problem gestoßen sind, dass Windows nicht auf Anhieb installierbar war (siehe Apple Discussions). Nach mehreren Versuchen hatten wir dann mit einer Integration der Win 8.1 Trial (per ISO) auf einen neuen Stick Erfolg. Unter Windows ist weiterhin die Hardwareunterstützung nicht ideal. Das Touchpad unterstützt z. B. keine Windows 8 Gesten, die Helligkeitsregelung funktionierte zeitweise gar nicht und manchmal regelte der Helligkeitssensor wie wild herum. Zu guter letzt funktioniert das Resolution Scaling unter Windows deutlich schlechter als unter OS X, hiermit hat aber nicht nur das MacBook zu kämpfen.
Mit der Haswell Generation hat Intel kräftig an der Grafikperformance des im Prozessor integrierten Grafikkerns geschraubt. Damit sind gerade für das MacBook Pro 13 Retina ideale Vorraussetzungen geschaffen worden. Die 2012er Version hat etwas unter der schwächeren HD Graphics 4000 der Ivy Bridge Generation gelitten, dies ist im aktuellen Retina Modell deutlich besser. Webseiten und Anwendungen ließen sich im Test flüssig bedienen.
Prozessor
Der verbaute Core i5-4258 kann sich im Vergleich zum 2012er Modell mit Core i5-3210M mit 4-9% nur leicht absetzen. Das Zenbook UX301 bietet den optional auch im Retina erhältlichen i7-4558U und kann im Schnitt um etwas über 10 % davonziehen.
Im Vergleich Windows 8.1 versus OS X Mavericks gewinnt Windows in unseren Tests in allen Cinebench Versionen außer der 10er (wobei die 64 Bit Version unter Windows schneller ist).
| Cinebench R10 | |
| Rendering Single 32Bit (nach Ergebnis sortieren) | |
| MBP Retina 13 2013 OS X | |
| MBP Retina 13 2013 Win 8.1 | |
| MBP Retina 13 2012 | |
| MBP Retina 15 2012 | |
| MB Air 11 i7 | |
| Zenbook UX301LA i7 | |
| Rendering Multiple CPUs 32Bit (nach Ergebnis sortieren) | |
| MBP Retina 13 2013 OS X | |
| MBP Retina 13 2013 Win 8.1 | |
| MBP Retina 13 2012 | |
| MBP Retina 15 2012 | |
| MB Air 11 i7 | |
| Zenbook UX301LA i7 | |
| Cinebench R11.5 | |
| CPU Single 64Bit (nach Ergebnis sortieren) | |
| MBP Retina 13 2013 OS X | |
| MBP Retina 13 2013 Win 8.1 | |
| MBP Retina 13 2012 | |
| MBP Retina 15 2012 | |
| MB Air 11 i7 | |
| Zenbook UX301LA i7 | |
| CPU Multi 64Bit (nach Ergebnis sortieren) | |
| MBP Retina 13 2013 OS X | |
| MBP Retina 13 2013 Win 8.1 | |
| MBP Retina 13 2012 | |
| MBP Retina 15 2012 | |
| MB Air 11 i7 | |
| Zenbook UX301LA i7 | |
| Cinebench R15 | |
| CPU Single 64Bit (nach Ergebnis sortieren) | |
| MBP Retina 13 2013 OS X | |
| MBP Retina 13 2013 OS X | |
| MBP Retina 13 2013 Win 8.1 | |
| CPU Multi 64Bit (nach Ergebnis sortieren) | |
| MBP Retina 13 2013 OS X | |
| MBP Retina 13 2013 OS X | |
| MBP Retina 13 2013 Win 8.1 | |
System Performance
Dank schneller SSD und starker Mittelklasse-Haswell-CPU kann sich das Retina Macbook Pro 13 im PCMark Test sehr gut behaupten. Es erreicht praktisch die Testwerte des letztjährigen MacBook Pro 15 Retina mit dedizierter Grafikkarte.
| PCMark 7 Score | 5460 Punkte | |
| PCMark 8 Home Score Accelerated | 3112 Punkte | |
| PCMark 8 Creative Score Accelerated | 3297 Punkte | |
| PCMark 8 Work Score Accelerated | 3681 Punkte | |
Hilfe | ||
| Geekbench 2 - 32 Bit - Total Score (nach Ergebnis sortieren) | |
| MacBook Pro Retina 13 2013 OS X | |
| MacBook Pro Retina 13 2013 Win 8.1 | |
| MacBook Air 13 OS X 10.8 | |
| Zenbook UX301 | |
Massenspeicher
Wie schon bei den Haswell basierten MacBook Air Notebooks, setzt Apple im neuen Retina 13-Zoll MacBook Air nun auch auf eine PCI-e basierte SSD. Diese ermöglicht deutlich höhere sequentielle Schreib- und Leseraten als per SATA angebundene einzelne SSDs. Damit konkurriert die Lösung mit größeren und ausfallsgefährdeteren RAID 0 Lösungen wie z. B. im Asus Zenbook Infinity UX301LA. Die Apple SSD SM0256F genannte Karte verwendet Controller (S4LNO53X01-8030) und Speicherchips (K9HFGY8S5C-XCK0) von Samsung.
Im AS SSD Gesamtscore muss sich die Samsung SSD nicht vor zwei Sandisk X110 in RAID 0 im Zenbook UX301 verstecken. Der Verbund erzielt nur einen 16% höheren Gesamtscore und erreicht beim Kopierbenchmark nur zwischen 58 % und 94% der Leistung. Blickt man auf die Einzelwerte sieht man schnell, dass die Apple Lösung vor allem bei den sequentiellen Datenraten punkten kann. Einzelne 4K Operationen sind eher die Schwachstelle des Laufwerks.
Trotz der 4K Schwäche zeigt die Samsung SSD in den Tracing Benchmarks von PCMark 7 und 8 eine sehr gute Leistung und kann sich in den vorderen Rängen behaupten.
| PCMark 7 - System Storage (nach Ergebnis sortieren) | |
| Apple MacBook Pro Retina 13 inch 2013-10 | |
| Apple MacBook Air 11 inch 2013-06 1.7 GHz 256 GB | |
| Apple MacBook Air 13 inch 2013 MD760D/A | |
| Apple MacBook Air 11 inch 2013-06 MD711D/A | |
| Apple MacBook Pro Retina 13 inch 2012-10 | |
| Apple MacBook Pro Retina 15 inch 2012-06 | |
| Asus Zenbook UX301 | |
Grafikkarte
Die integrierte Intel Iris Graphics 5100 ist die GT3 Variante der Haswell Grafik mit allen Shadern, aber ohne dedizierten Speicher wie in der Iris Pro 5200. Die Taktrate wird durch den Turbo Boost von 200 bis 1100 MHz dynamisch angepasst. Die Core i7 Version kann übrigens um 100 MHz höher auf 1200 MHz takten und hat damit bei ausreichender Kühlung einen theoretischen Leistungsvorteil.
In den synthetischen Grafikbenchmarks unter Windows 8.1 kann der neue Grafikkern seine Stärken zeigen. Imposant ist der Vorsprung zur HD 4400 (GT2) welche in vielen Subnotebooks verbaut wird. Die meisten Testgeräte erreichten gerade einmal 70% der Leistung. Auch der Abstand zur MBP Retina Vorgängergeneration mit Intel HD Graphics 4000 ist enorm. Das 2012er Modell erreichte beim 3DMark 11 GPU Test z. B. nur 47% der Leistung der HD 5100, jedoch ist der 3DMark 11 nicht sehr abhängig von der Speicherbandbreite. Die HD Graphics 5000 in den MacBook Air Modellen basiert auf demselben Kern mit geringeren Taktraten. Deshalb ist der Abstand im 3DMark 2013 und 11 nur etwa 5 %.
| 3DMark 06 Standard Score | 7474 Punkte | |
| 3DMark 11 Performance | 1270 Punkte | |
| 3DMark Ice Storm Standard Score | 39510 Punkte | |
| 3DMark Cloud Gate Standard Score | 5286 Punkte | |
| 3DMark Fire Strike Score | 863 Punkte | |
Hilfe | ||
Gaming Performance
Direkter Konkurrent bei der Spieleleistung unter Windows ist klarerweise das Asus UX301 welches im Testmodell mit dem stärkeren Core i7-4558U ausgestattet war und derselben Iris Graphics 5100. Diese taktet im i7 jedoch mit bis zu 100 MHz höher bei Einsatz des Turbo Boosts. Die Spielebenchmarks sind sich jedoch nicht ganz einig. Bei Fifa und Company of Heroes 2 ist das Asus um 5-10% schneller, bei Tomb Raider und Total War: Rome II jedoch etwa 5% langsamer. Dies kann auf Kühlung, Treiber, Spielepatches seit dem Asus Test und Messunschärfe zurückzuführen sein. Generell ist die Spieleperformance unter Windows also auf demselben Niveau.
Wirft man einen Blick auf unsere Benchmarkseite der Iris Graphics 5100 sieht man schnell das aktuelle Spiele meist nur in der niedrigsten Detailstufe flüssig spielbar sind.
Unter OS X Mavericks haben wir uns zwei Spiele über Steam näher angesehen. Left 4 Dead 2 war in 2560x1600 bei maximalen Details mit 19 fps nicht ganz flüssig lauffähig, in 1280x800 jedoch flüssig spielbar. Auch Civilization V war in 1280x800 bei Default Settings (Medium / Low) flüssig in ansprechender Grafik spielbar.
| min. | mittel | hoch | max. | |
|---|---|---|---|---|
| Tomb Raider (2013) | 64.4 | 32.8 | 19.7 | 10.4 |
| Company of Heroes 2 (2013) | 18.5 | 15.2 | ||
| Total War: Rome II (2013) | 49 | 36.7 | 27.9 | 9.2 |
| Fifa 14 (2013) | 47.5 | |||
| F1 2013 (2013) | 60 | 38 | 29 | 15 |
| Batman: Arkham Origins (2013) | 44 | 25 | 14 | 7 |
| Battlefield 4 (2013) | 36.1 | 26.1 | 15 | 5 () |
| Call of Duty: Ghosts (2013) | 40.5 | 26.5 | 10.3 | 4.9 |
| Thief (2014) | 20.8 | 13.2 | 10.7 | 5.1 |
| The Elder Scrolls Online (2014) | 46 | 26.6 | 18.4 | 10.1 |
| min. | mittel | hoch | max. | |
|---|---|---|---|---|
| Assassin´s Creed IV: Black Flag (2013) | 24 | 17.5 | 8.9 | 4.4 |
| GRID: Autosport (2014) | 94 | 34.6 | 21 | 12.5 |
| Risen 3: Titan Lords (2014) | 37.3 | 20.3 | 8.7 | 7.3 |
| Fifa 15 (2014) | 56 | 42 | 25.8 | |
| Middle-earth: Shadow of Mordor (2014) | 25 | 17.3 | 9.5 | 0 |
| Call of Duty: Advanced Warfare (2014) | 30.8 | 18.5 | ||
| Dragon Age: Inquisition (2014) | 24.3 | 17.3 | 6.3 | 3.5 |
| Evolve (2015) | 19.1 | 14.4 | ||
| Battlefield Hardline (2015) | 31.9 | 23.6 | 9.2 | 5.9 |
| Dirt Rally (2015) | 87 | 26 | 13.5 | |
| The Witcher 3 (2015) | 14.1 | |||
| Metal Gear Solid V (2015) | 37.2 | 24.9 | 9 | |
| Mad Max (2015) | 18.7 |
Video Performance
Der Core i5-4258U bietet einen integrierten Hardware-Decoder für H.264, WMV und VC-1 für bis zu 4K aufgelöste Videos. Leider nutzt Apple den Decoder in OS X nur für H.264. Dies funktionierte im Test jedoch einwandfrei. Ein 4K 100Mbit H.264 Testvideo belastete die beiden CPU Kerne nur minimal und wurde flüssig dargestellt. Auch ein 1080p H.264 zeigte eine ähnliche CPU Last, wodurch der Einsatz des Hardware-Decoders bestätigt ist.
Auch Youtube Flash Videos bereiten dem MacBook Pro Retina keine Probleme. Selbst ein 4K Video lief ohne Framedrops flüssig bei relativ geringer CPU Auslastung.
VC-1 und WMV sind mit Boardmitteln nicht abspielbar. Daher haben wir auf den frei verfügbaren VLC Player zurückgegriffen. Damit waren 1080p Videos in WEBM, WMV, VC1 mit etwas höherer CPU Auslastung flüssig abspielbar. Das 4K Testvideo brachte aber die CPU an die Grenzen (volle Auslastung, ruckelige Wiedergabe) und zeigte fehlende Hardwareunterstützung.
Unter Windows 8.1 (mittels Bootcamp) lässt sich übrigens der Hardware Decoder per DXVA-Hooks komplett nutzen.
Geräuschemissionen
Im Vergleich zum Vorjahresmodell setzt Apple beim aktuellen Retina-13-Zoller auf nur noch einen Lüfter. Dieser überzeugt mit seinem absolut ruhigen Lauf. Ohne Last läuft der Lüfter laut smcFanControl mit unhörbaren 1200-1300 U/min. Auch unser Messgerät kann hier aus 15cm keinen Unterschied zu den Umgebungsgeräuschen aufzeichnen (27.3dB / 0.93 Sone). Auch bei geringer Last bleibt der Lüfter in dieser Stufe. Im Test konnte ein 4k Video, Youtube 1080p Video und mehrere Webseitentabs keine Änderung hervorrufen.
Unter Last können wir dann auch die höheren Drehzahlen wahrnehmen. Bei einem in Schleife ausgeführten Cinebench-R15-Multicore-Test konnten wir nur 1900 U/min bei 27.5 dB / 0.95 Sone messen. Nur wenn man das Ohr wenige cm zum Lüfter bewegt, kann man ein leises Luftrauschen wahrnehmen.
Erst der Unigine Heaven Valley 1.0 Benchmark in "ultra" Settings konnte eine deutlich hörbare Lüfterkulisse bei 4200 U/min mit 36.2 dB und 2.45 Sone erzwingen. Im Vergleich immer noch sehr gute Werte und die Geräuschcharakteristik ist durch das Luftrauschen dominiert und daher sehr angenehm. Maximal konnten wir unter Mac OS X 42.4 dB / 4 Sone messen, wenn Unigine Valley und Cinebench R15 parallel liefen.
Unter Windows 8.1 dreht der Lüfter bei normalen Belastungen gefühlt deutlich schneller hoch. Im 3DMark 06 (siehe Chart weiter unten) erreicht er somit Spitzen von 42.5 dB (und damit mehr als das Maximum unter Mac OS X). Bei Fifa 14 pendelte sich die Geräuschkulisse bei deutlich hörbaren 44.5 dB / 4.6 Sone ein. Das Geräuschcharakteristikum bleibt trotzdem angenehm.
Bei unserer üblichen Extremlasttortur mit Prime95 und Furmark konnten wir dem MacBook Pro 5800 U/min bei lauten 44.7dB / 4.8 Sone entlocken. Die maximale Drehzahl des Lüfters (6199 U/min mit 47,9 dB und 5.9 Sone) konnten wir jedoch bei 22°C Umgebungstemperatur nicht erreichen. Hier hat das Kühlungssystem also noch etwas Luft für heisse Sommertage.
Zusammengefasst hat uns das Kühlungsverhalten des 13-Zoll-MacBook-Pro-Retina im Test überzeugt. Unter Mac OS X bleibt das Gerät in den meisten Anwendungsszenarien ohne Grafiklast praktisch geräuschlos und falls mehr Abwärme produziert wird, wird diese mit einem angenehmen Geräusch und ohne Pulsieren abgeführt.
Lautstärkediagramm
| Idle |
| 27.4 / 27.4 / 27.4 dB(A) |
| HDD |
| 27.4 dB(A) |
| Last |
| 42.5 / 44.7 dB(A) |
![]() | ||
30 dB leise 40 dB(A) deutlich hörbar 50 dB(A) störend |
||
min: | ||
Temperatur
Bei einer geringen Lüfterlautstärke verbunden mit einem Aluminiumgehäuse besteht normalerweise ein Grund zur Sorge bezüglich der Temperaturen. Auch Apple ist dafür bekannt, höhere Temperaturen in Kauf zu nehmen.
Bei geringer Last (z. b. Idle bis Websurfen) besteht jedoch kein Grund zur Sorge. Das ganze Gehäuse bleibt bei unseren Tests angenehm kühl. Im Vergleich zum Vorgänger liegen unsere Messwerte deutlich darunter und auch der Durchschnitt der von uns getesteten Subnotebooks kann hier nicht mithalten.
Auch unter Last sind unsere Messwerte und Erfahrungen durchaus im Rahmen. Besonders die wichtigen Handballenauflagen blieben in allen Situationen kühl. Im Vergleich zum Vorgänger konnte sich das Haswell-Notebook leicht verbessern und bleibt damit knapp unter dem Durchschnitt der anderen Subnotebooks.
Hotspot ist weiterhin oberhalb der Tastatur im rechten Bereich wo der Lüfter herausbläst.
Bei den internen Temperaturen sieht man dann auch gut die unterschiedliche Lüftersteuerung in Windows 8.1 und OS X Mavericks. Wo unter Windows die CPUs nur maximal 85°C im extremen Stresstest erreichen, wird der Core i5 unter OS X selbst beim Spielen oft bis zu 93°C heiß.
Throttling konnten wir jedoch weder unter Windows, noch unter OS X feststellen. Trotz unhörbaren Lüfters bleibt z. b. auch der 13. Durchlauf von Cinebench R15 Multi im erwarteten Bereich (kein Degrading 1,5% Schwankungsbreite bei den Ergebnissen). Unter Windows zeigt uns HWInfo64 selbst nach einer Stunde Maximallast noch Kernfrequenzen von 2,3 GHz und ein im Anschluss durchgeführter Benchmark lieferte die erwarteten Ergebnisse.
(±) Die maximale Temperatur auf der Oberseite ist 43 °C. Im Vergleich liegt der Klassendurchschnitt bei 35.9 °C (von 21.4 bis 59 °C für die Klasse Subnotebook).
(±) Auf der Unterseite messen wir eine maximalen Wert von 40 °C (im Vergleich zum Durchschnitt von 39.2 °C).
(+) Ohne Last messen wir eine durchschnittliche Temperatur von 28 °C auf der Oberseite. Der Klassendurchschnitt erreicht 30.8 °C.
(+) Die Handballen und der Touchpad-Bereich sind mit gemessenen 30 °C kühler als die typische Hauttemperatur und fühlen sich dadurch kühl an.
(±) Die durchschnittliche Handballen-Temperatur anderer getesteter Geräte war 28.2 °C (-1.8 °C).
Lautsprecher
Die verbauten Stereolautsprecher spielen mit maximal 80dB / 44,4 Sone sehr laut, vermissen aber klarerweise aufgrund ihrer Größe Tiefen bei der Soundausgabe. Für anspruchslose Musikberieselung ist die Qualität jedoch ausreichend.
Im Vergleich zu einem alten MBP 13 mit Core 2 Duo 2,4 GHz ist das verbaute Lautsprechersystem jedoch deutlich besser. Es spielt lauter (36 zu 44 Sone) und bietet ein besseres Spektrum. Der Logitech Speaker Lapdesk spielt mit vergleichbarer Lautstärke von 41 Sone, bietet aber deutlich mehr tiefen und dadurch eine hörbar bessere Musikausgabe.
Der integrierte Headset-Anschluss konnte im Test auch hochohmige AKG K701 ausreichend laut ansteuern. Störgeräusche konnten wir keine feststellen.
Energieaufnahme
Der Stromverbrauch ist im Klassenvergleich der Subnotebooks im Idle besser als der Durchschnitt. Der Minimalverbrauch wird nur von dem MacBook Air 11 und dem Sony Vaio Pro 13 geschlagen. Unter Last ist das Retina jedoch aufgrund der starken CPU und GPU an den letzten Plätzen neben Subnotebooks mit dedizierter GPU wie dem Samsung Ultra Touch 740U3E oder auch dem Satellite L840-15L vorzufinden.
Voll aufgeladen war das MBP13 wieder nach 2 Stunden bei geringer Nutzung, wobei nach 54 Minuten bereits 60% erreicht waren.
| Aus / Standby | |
| Idle | |
| Last |
|
Legende:
min: | |
Akkulaufzeit
Die Akkulaufzeiten gehören beim MacBook Pro Retina 13 zu den Glanzstücken. Trotz starker Core i5 CPU kann der Apple Rechner sich im Idle und WLAN Test zu den besten Subnotebooks zählen. Nur unter Last zahlt er für die starken Komponenten Tribut. Im Gegenzug steht aber im Batteriebetrieb die volle Leistung zur Verfügung und wird nicht wie bei vielen Konkurrenten künstlich gethrottled.
Bei OS X Mavericks ist übrigens der Flash Player nicht vorinstalliert. Ohne dessen Installation hielt das Retina dann 51 Minuten länger durch im WLAN Test (Youtube Videos wurden mit HTML5 abgespielt, Flash-Werbung fehlte) ls mit installiertem Player.
Im Vergleich zur Subnotebook-Konkurrenz führen die Apple Produkte beim WLAN-Test deutlich. Das Retina muss sich also nur dem 11-Zoll und 13-Zoll Air geschlagen geben. Mit Abstand folgt das ThinkPad Edge E145 mit langsamen E1-2500 und danach das EliteBook Folio 9470M.
Das MacBook Pro 13 mit Retina Display ist ein hervorragendes Notebook. Im Vergleich zum Vorjahresmodell wurde es dünner und leichter bei besserer Performance und Akkulaufzeit. Gehäuse, Eingabegeräte, Emissionen und der Bildschirm setzen in vielen Aspekten weiterhin Maßstäbe. Aber es gibt auch einige Schattenseiten. Im Test fiel uns die mittelmäßige WLAN-Performance etwas negativ auf und vor allem die problematischen Wartungs- und Reparatur-Bedingungen sind große Negativpunkte. Auch die schwache Windows Unterstützung per Bootcamp gefiel uns im Test nicht sonderlich.
Der größte Konkurrent ist natürlich das MacBook Air 13 von Apple. Mit 1440x900 bietet es eine etwas größere Arbeitsfläche bei "idealer" Darstellung. Das Resolution Scaling im Retina ist jedoch unserer Meinung nach so gut, dass man diesen Nachteil vernachlässigen kann. Dadurch bleibt das geringere Gewicht gegenüber der stärkeren Leistung und des deutlich besseren Displays.
In der Windows Welt ist das Asus ZenBook Infinity UX301LA mit ähnlicher Hardwareausstattung der größte Konkurrent. Es ist etwas leichter, bietet jedoch auch geringere Akkulaufzeiten. Weitere hochauflösende Notebooks wie das Lenovo Yoga 2 Pro sind ausserdem auf dem Weg. Als Ultrabooks bieten diese Geräte weiters einen Touchscreen und können teilweise (wie das Yoga) als Tablet benutzt werden.
Dank der Preissenkung von Apple ist das MacBook Pro im Vergleich überraschenderweise sehr konkurrenzfähig. Ausstattungsbereinigt ist z. B. die Core i7 Version des MBP13 derzeit billiger als ein ZenBook Infinity UX301 und auch ein Yoga 2 Pro ist derzeit dank schwächerem Prozessor nur etwas billiger.






















































































































