Test Asus Zenbook Prime UX31A-C4027H Touch-Ultrabook

NonplusUltrabook. So titelte unser Redakteur Ende Juni 2012 über sein von A bis Z durchgeprüftes Zenbook Prime UX31A. Sichtlich beeindruckt war er von der zweiten Generation des Zenbook. Als besonders attraktiv stellte sich das matte FullHD IPS Panel mit den ausgezeichneten Helligkeits- und Kontrastwerten vor. Um ein solches anderswo zu finden, muss der Kunde lange mit der Lupe suchen und mehr Geld in die Hand nehmen als für ein UX31A.
Zum Preis von 1.050 bis 1.500 Euro sind die UX31A-Modelle (unterschiedliche CPU, SSD-Konfigurationen, IPS Panel ident) sicher ein teures Vergnügen. Der Leser halte sich aber vor Augen, dass es sich um die Ultrabook-Königsklasse handelt. Wer ein Gerät auf derart hohem Qualitäts- und Ausstattungsniveau sucht, der wird ohne Abstriche zu einem günstigeren Preis nicht fündig.
Wir nehmen das Zenbook in der Version UX31A-C4027H erneut unter die Lupe, denn das Display wurde um die Touchscreen-Funktion aufgewertet. Der Einstiegspreis hierfür beträgt 1.300 Euro (i5, 128 GB SSD). Die Advanced-Version (Testgerät: i7, 256 GB SSD) kostet derzeit 1.500 Euro. Bis auf ein Prozessor-Upgrade von i5 3317U (1,7 GHz) auf i7 3517U (1,90 GHz) bleibt das Zenbook komplett unverändert.
Wir verzichten daher auf eine Betrachtung der Bereiche Verarbeitung, Ausstattung und Eingabegeräte und steigen direkt beim Displaypanel ein. Haben sich dessen Kenndaten verändert? Wir hoffen, das ist nicht der Fall. Im zweiten Schritt betrachten wir die Leistung des Core i7 und der 256 GB ADATA XM11 SSD. Kann die schmale Base den Prozessor ausreichend kühlen? Sind die Akkulaufzeiten schlechter als beim i5? Lohnt sich der Aufpreis oder sind auch i5 und 128 GB SSD schnell genug?
Kontrahenten gibt es nicht allzu viele, denn dazu zählen wir nur 13-Zöller mit einem sehr hohen Verarbeitungsniveau und einem zumindest guten Display. Aus diesem Grund scheidet etwa das Acer Aspire S5-391 aus (TN-Panel).
Das 13,3-Zoll-Panel des UX31A gibt es in drei Varianten: TN HD+ (1.600 x 900); IPS FHD (1.920 x 1080) und IPS FHD Touchscreen. Letzteres sitzt an unserem Testgerät, zweites haben wir Mitte 2012 im UX31A ausführlich unter die Lupe genommen und für sehr gut befunden.
Das Panel stammt aus dem Hause CMN (N133HSG F31) und ist von der IPS-Bauart (In Plane Switching). Damit liegt ein blickwinkelstabiles und kontrastreiches IPS-Panel vor. Als Kontrast messen wir 523:1. Das ist gut, aber nicht so perfekt, wie die 929:1 der Non-Touch-Schwester. Anzeigen ähnlicher Güte finden wir bei den Konkurrenten ThinkPad X1 Carbon (HD+, TN), Aspire S7 391 (FHD, Touch, IPS) und Samsung Serie 9 900X3C (HD+, PLS). Das Apple MacBook Air 13 (1.440 x 900, TN) hat das qualitativ schlechteste Panel in diesem Vergleich.
| |||||||||||||||||||||||||
Ausleuchtung: 78 %
Helligkeit Akku: 149 cd/m²
Kontrast: 522:1 (Schwarzwert: 0.64 cd/m²)
59.3% AdobeRGB 1998 (Argyll 3D)
81.6% sRGB (Argyll 3D)
60.5% Display P3 (Argyll 3D)
Der Farbraum ist interessant für Grafiker oder anspruchsvolle Bildschirmarbeiter, sonstige Nutzer orientieren sich besser am Kontrast. Der sRGB-Raum wird knapp verfehlt, zu AdobeRGB klafft eine sehr große Lücke. Das Zenbook UX31A Non-Touch hat einen marginal größeren Farbraum, wie der direkte Vergleich in Bild vier zeigt. Dass auch Premium-Ultrabooks in diesem Bereich weit daneben liegen können, das beweist Acers Aspire S5-391 (TN) im Bild 3. Auf Grund des minderwertigen TN-Panels zählen wir den S5 (800 - 1.000 Euro) nicht zu den adäquaten Konkurrenten.
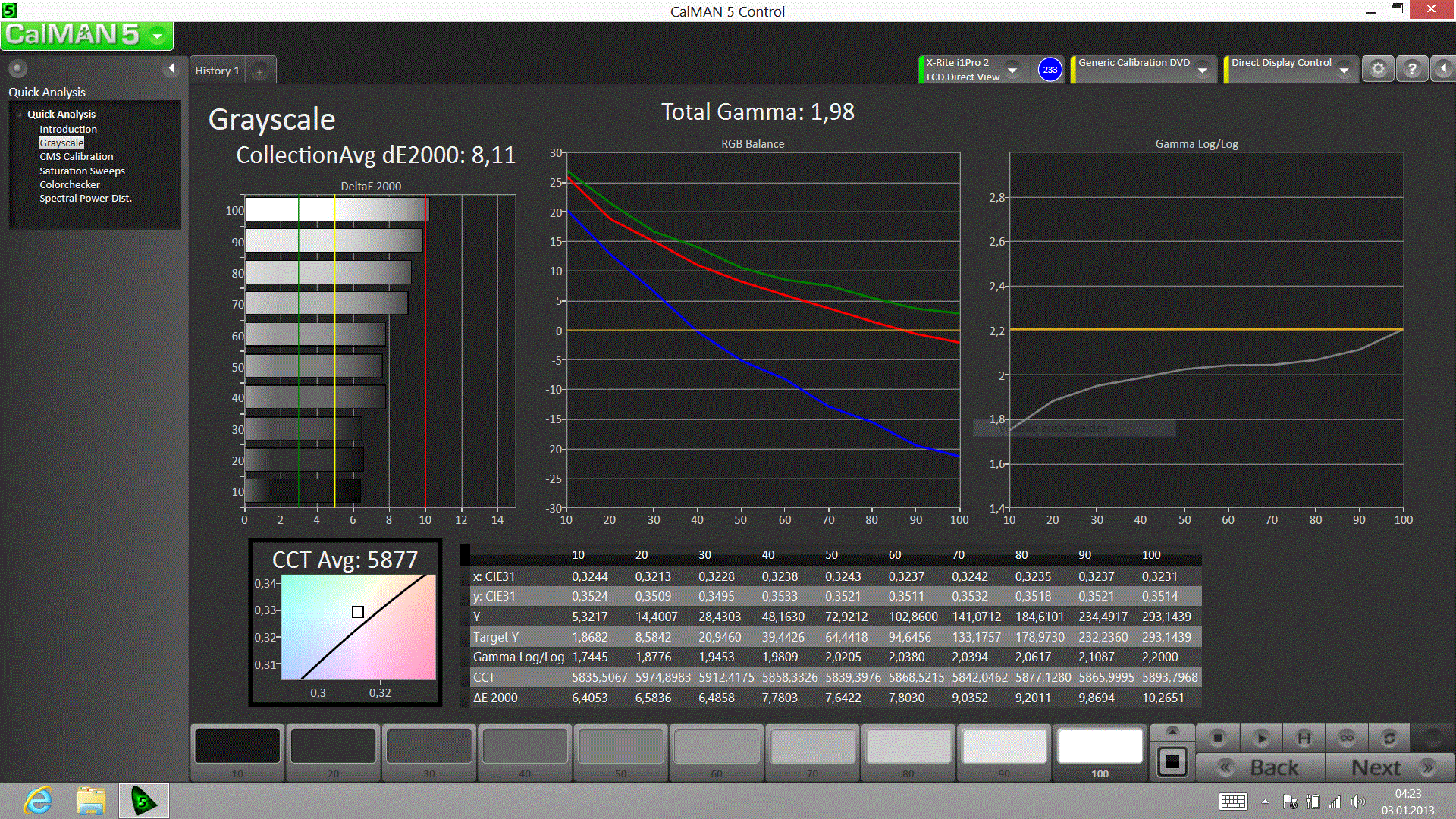
Folgende zwei Screen-Reihen zeigen die Farbanalyse des i1 Pro 2 Fotospektrometers und der CalMAN 5 Software. Vermessen im werkseitigen Zustand ermitteln wir eine Schwäche bei der Darstellung von Grautönen. Dies verändert sich auch nach der Kalibrierung nicht. Das durchschnittliche DeltaE(2000) sinkt nur von 9 auf 8. Auffällig: Mit 5.728 K ist der Weißpunkt zwar nahe dem Ideal von 6.500, er ist aber etwas zu stark in den warmen Bereich verschoben. Das erleben wir bei den meisten Panels umgekehrt, die liegen über 7.500 und sind zu kühl. (IPS Panel Asus UX31A Non-Touch 5.500K). Das Panel besitzt also keinen Blaustich, Farben sind merklich warm.
Die Farbgenauigkeit ist für ein Notebook ziemlich gut. Kalibriert ragt lediglich Cyan aus dem DeltaE von 5 heraus. Dies toppt sogar das in dieser Beziehung gute Panel des Lifebook T902 Convertible (Touchscreen). Der Weißpunkt befindet sich genau im Zielbereich der CIE 1931 Normfarbtafel.
Die hohe Helligkeit hätte perfekt für den Sommer sein können. Leider lässt Asus die Luminanz im Akkubetrieb auf 149 cd/m² drosseln. Mehr ist dann nicht einstellbar. Der Helligkeitssensor hat mit der Sache nichts zu schaffen, denn es bleibt bei Abschaltung (Fn-Taste) oder starker Belichtung desselben (Taschenlampe auf Sensor gerichtet) beim gleichen Resultat. Die Folge ist ein zu dunkler Desktop im Tageslicht. Obwohl unsere Fotos zum Vorteil des UX31A bei Bewölkung entstanden, ist vom Beispielfoto nicht mehr viel zu erkennen.
Eine derartige Drosselung hatten wir beim UX31A Non-Touch (mattes Panel) nicht festgestellt. Im Bezug auf die Outdoor-Tauglichkeit ist das Non-Touch-Zenbook dem Testgerät folglich haushoch überlegen. Gleiches gilt für die matten und hellen Anzeigen von Thinkpad X1 Carbon und Samsung Serie 9 900X3C (beide ohne Drosselung).
Die Blickwinkel lassen uns begeistert in die Anzeige schauen. Sie liegen horizontal und vertikal bei zirka 85 Grad. Das entspricht dem TFT Panel-Typ IPS (In Plane Switching). Übliche TN-Panels (Twisted Nematic; z. B. Aspire S5-391) kommen horizontal über 45 und vertikal über 15 Grad nicht hinaus. Innerhalb der Gruppe gibt es Ausnahmen mit weiten horizontalen Blickwinkeln (MacBook Air 13). Vertikal gibt die TN-Konkurrenz aber immer ein deutlich schlechteres Bild ab. UX31A und Samsung 900X3C stehen diesen Blickwinkeln in nichts nach.
Der Core i7 3517U (1,9 GHz) ist ein Ultra-Low-Voltage-Prozessor mit einem TDP von 17 Watt. Die Taktung per Turbo-Boost 2.0 kann bis zu 3,0 GHz betragen (Single-Core-Last), wobei jedoch die Thermik mitspielen muss. Der alternative Prozessor ist ein Core i5 3317U (1,7 GHz) im Touch UX31A ab 1.300 Euro (128 GB SSD). Den Festspeicher stellt eine 256 GB SSD von ADATA, die an den SATA III Port angebunden ist. Unser erstes UX31A-Testgerät war ebenfalls mit einer XM11 SSD bestückt.
Der Ivy Bridge i7 hat eine Intel HD Graphics 4000 an Bord. Im Testsystem sind 4.096 MB fest installiert, immerhin physisch als zwei Module im Dual Channel Modus. Dies wird der Grafikkarte einen kleinen Vorteil gegenüber Single Channel Anbindungen einbringen.
Prozessor
Das UX31A in der i7-Version kostet stattliche 1.500 Euro. Ob die günstigere i5-Variante ausreicht? Wir meinen ja, denn die Cinebench-Tests zeigen nur einen Vorteil von 7 bis 16 % gegenüber i5 3427U bzw. 3317U. Das ist zu wenig, um einen hohen Aufpreis zu rechtfertigen. Der 3317U ist die einzige Alternative in den günstigen UX31A-Versionen (ab 1.050 Euro). Der Core i7 agiert dabei auf dem üblichen Niveau, wie Aspire S7 und Dell XPS 13 mit gleichem Kern zeigen.
Die R11.5-Grafik zeigt aber noch etwas anderes: Das Kühlsystem hat den Turbo Boost erstaunlich gut im Griff. Das mit gleichem i7 gerüstete Samsung 900X3C rechnet 6 % langsamer, der Aspire S5-391 hängt sogar 11 % hinterher. Eine gut funktionierende Kühlung sorgt dafür, dass der Turbo-Takt von bis zu 3.0 GHz (theoretisch auch mehr, Overhead) bei Last möglichst lange oder gar ständig ausgenutzt wird. Sobald vom Hersteller festgelegte Temperatur-Limits überschritten werden, sinkt die Taktung, im Worst-Case sogar unter den Basis-Takt. Ein solches thermisches Throttling liegt beim UX31A aber nicht vor.
Der Takt liegt während des CPU-Multi-Tests konstant bei 2,8 GHz. Gleiches erleben wir beim R11.5 Solo-Core Test. Im Akkubetrieb muss der Nutzer nicht auf Leistung verzichten. Die R11.5-Tests (auch OpenGL via GPU) enden ident.
System Performance
Ein i5 macht den Job also auch ganz ordentlich. Aber wie sieht die Sache im Bezug auf die gesamte Systemleistung aus? Der PCMark 7 bewertet die Performance als Ganzes und zieht dazu Prozessor, Grafikkarte, Arbeitsspeicher und Festspeicher (hier SSD) heran. Das Ergebnis liegt mit 3.724 Punkten deutlich hinter der direkten Konkurrenz (siehe Grafik). Woran liegt es?
Die Rechenleistung ist es nicht, Computation- und Productivity-Score schlagen alle i5-Systeme (UX31A mit i5 -10 %) und liegen mit i7 gleichauf. Der System Storage, ein Sub-Score des PCMark 7, weist der ADATA XM11 einen Score von 5.332 Punkten zu. Das kann sogar mit den RAID 0 SSD im Aspire S7 und S5 mithalten. Hinter dem Storage-Score stehen Datendurchsätze verschiedener Lese- und Schreib-Tests, wie wir sie mit Crystal Disk Mark und AS SSD im Folgenden verdeutlichen. Die Ursache finden wir im unerwartet schwachen Entertainment Score, der sogar 105 % geringer ist, als beim UX31A mit i5, bzw. 85 % geringer als beim Dell XPS 13 mit gleicher CPU.
| PCMark 7 Score | 3724 Punkte | |
Hilfe | ||
Massenspeicher
Betrachten wir die sequentiellen Lese- und Schreibraten, so muss die XM11 gegenüber dem RAID-0-Verbund aus zwei Lite-On SSDs im Aspire S7 391 und S5 klein beigeben. Die meisten anderen SSD-Lösungen kann sie jedoch überbieten, selbst die XM11 128 GB der UX31A Non-Touch Schwester. Einen Vorsprung von 27 % hat lediglich das Samsung 900X3C (Lite-On LMT-256M3M).
Dies täuscht jedoch über eines hinweg: Im 4K-Test, der für die Praxis eine höhere Relevanz besitzt, hängen beide UX31A die übrige Konkurrenz deutlich ab. Sogar die RAID-SSDs in den beiden Aspire-Ultrabooks haben das Nachsehen. Wer sich im Detail mit SSD-Performance beschäftigen möchte, der wird in der SSD-Benchmarktabelle der FAQ-Sektion fündig. Dort tummeln sich alle Testergebnisse von SSDs in Testgeräte oder aus unseren Solo-Tests. Eine SSD mit nur geringfügig niedrigeren Ergebnisse ist übrigens die Intel SSD 520 Series (SSDSC2BW180A3L, 180 GB) des EliteBook Folio 9470m.
Grafikkarte
Die Leistung der verbauten HD-4000-Grafikkarte haben wir bereits in unzähligen Laptops geprüft. Eine Betrachtung ist aus zwei Gründen jedoch immer wieder nützlich: Je nach Speicheranbindung (Single oder Dual Channel) und je nach Turbo-Taktung (theoretisch und tatsächlich) variiert dieser GPU-Typ in einer hohen Bandbreite. Beim Surfen durchs Web kommen Performance-Differenzen nichts ans Licht, wohl aber wenn die GPU für generelle Berechnungen herangezogen wird (sog. Hardwarebeschleunigung zur Entlastung der CPU-Kerne). Siehe dazu unseren Artikel Performance-Übersicht und Skalierung der Intel HD Graphics 4000.
Die GPU-Taktspanne beträgt theoretisch 350-1.150 MHz. Wir erkennen im GPU-Benchmark Cinebench R11.5 OpenGL jedoch lediglich 950 bis 1.000 MHz. Den GPU-Stresstest Furmark absolviert das UX31A mit 1.050 MHz.
Schlecht ist die Performance deshalb nicht, 5.110 Punkte im 3DMark06 halten mit der Konkurrenz sehr gut mit. Kein Konkurrent besitzt eine dedizierte Grafikkarte, die hier hätte für Ausreißer sorgen können. Der OpenGL-Test stützt das 3DMark 06 Resultat und zeigt unser Testsystem in sehr guter Gesellschaft. Gegenüber dem UX31A mit Core i5 müssen Interessenten mit einem Vorsprung von 12 bis 20 % rechnen.
| 3DMark 06 Standard Score | 5110 Punkte | |
Hilfe | ||
Gaming Performance
Wir haben drei Games ausprobiert, um die Spiele-Affinität der HD 4000 zu prüfen. Sie tendiert bei brandaktuellen Games gegen Null. Lediglich bei reduzierter Auflösung und deaktivierter Kantenglättung (niedrige Details) sind anspruchslose Games bis zu mittleren Details flüssig. Eine Einsteiger-GPU Geforce GT 620M besitzt das Asus UX32VD. Diese Grafikkarte ist ungefähr doppelt so schnell wie eine gut laufende HD 4000.
| min. | mittel | hoch | max. | |
|---|---|---|---|---|
| StarCraft 2 (2010) | 145 | 29 | 20 | |
| Risen 2: Dark Waters (2012) | 21 | 13 | 10 | |
| Hitman: Absolution (2012) | 17 | 14 | 5 |
Geräuschemissionen
Bei der Lautstärke zeigt sich das UX31A im Betrieb mit wenig Last bzw. im Leerlauf angenehm leise. Der Lüfter schaltet sich oftmals ab, weshalb das Ultrabook dann keinen Mucks mehr von sich gibt (lautlose SSD). Wenn der Lüfter hörbar ist, dann mit einem Pegel von lediglich 30,3 dB(A). Das Verhalten der Lüftersteuerung ist bedächtig und langsam. Es gibt keine abrupten Geräuschpegel-Veränderungen.
Bei Höchstleistung – und damit meinen wir den Stresstest aus Prime95 und Furmark – dreht der Pegel auf bis zu 40,5 dB(A). Der Kühler agiert dabei mit einer leichten Vibration, also minimal unregelmäßig. Normale Last, wie sie durch einen 3DMark 06 erzeugt wird, lässt den Lüfter mit 37 bis 38 dB(A) rotieren.
Lautstärkediagramm
| Idle |
| 29.5 / 29.5 / 30.3 dB(A) |
| Last |
| 38.3 / 40.5 dB(A) |
![]() | ||
30 dB leise 40 dB(A) deutlich hörbar 50 dB(A) störend |
||
min: | ||
Temperatur
Im Leerlauf bleibt das Ultrabook auf Tastatur und Handauflage angenehm kühl. In diesem Zustand gibt es keinen Unterschied zum i5-Modell. Bei Stress ändert sich das, wir messen mit bis zu 51 Grad Celsius höhere Abwärme auf Ober- und Unterseite (statt bis zu 44 Grad). Der Luftauslass befindet sich unter dem Gelenk des Deckels, Frischluft wird über die Tastatur eingesaugt. Im Bürobetrieb mit wenig Last und langen Leerlauf-Zeiten erhöhen sich die Temperaturen gegenüber Idle nur um ein paar Grad. Der Einsatz auf dem Schoß ist also möglich.
Unser Stresstest ist eine Extremsituation, welche die Wirksamkeit des Kühlsystems prüft. Das UX31A mit Core i5 pendelte sich nach einiger Zeit bei 1,7 GHz ein, das ist der Basis-Takt des 3317U. Der Turbo war damit zwar "abgeschalten", Throttling lag aber nicht vor. Unser Core-i7-System kommt nicht ganz so glimpflich davon: Im Stresstest geht der CPU-Takt nach einiger Zeit auf 1,7 bis 2,0 GHz (pendelt) herunter. Damit fällt er temporär unter den Basis-Takt von 1,9 GHz. Wir sprechen von Throttling in einem sehr begrenzten Umfang. Nutzer werden von dieser "Leistungsminderung" nichts mitbekommen, sie tritt nur in einer Extremsituation auf.
Ein im direkten Anschluss durchgeführter 3DMark 2006 erreichte in etwa dieselbe Punktzahl wie im Kaltzustand. Die mit Vorsicht zu genießende CPU-Temperatur von HWinfo zeigt maximal 91 Grad am Prozessor an.
(-) Die maximale Temperatur auf der Oberseite ist 50.5 °C. Im Vergleich liegt der Klassendurchschnitt bei 35.9 °C (von 21.4 bis 59 °C für die Klasse Subnotebook).
(-) Auf der Unterseite messen wir eine maximalen Wert von 50.5 °C (im Vergleich zum Durchschnitt von 39.3 °C).
(+) Ohne Last messen wir eine durchschnittliche Temperatur von 31.1 °C auf der Oberseite. Der Klassendurchschnitt erreicht 30.8 °C.
(±) Die Handballen und der Touchpad-Bereich können sehr heiß werden mit maximal 36.1 °C.
(-) Die durchschnittliche Handballen-Temperatur anderer getesteter Geräte war 28.2 °C (-7.9 °C).
Energieaufnahme
Das Touch UX31A mit i7 benötigt im Leerlauf einen Tick mehr Energie als die 13,3-Zoll-Schwester UX31A Non-Touch mit i5. Wir messen 5,7 bis 12,2 Watt im Leerlauf (maximal/minimal). Das Vergleichsgerät lag bei 4,4 bis 10,3 Watt und hat sogar das hellere Displaypanel.
Im Stresstest (CPU+GPU) steigt der Energiebedarf auf 40 Watt. Hieran kann bereits der fehlende Turbo bzw. das leichte CPU-Throttling abgelesen werden, denn die 39 Watt Energieaufnahme während eines 3DMark06 liegen viel zu dicht an der Stresstest-Aufnahme. Das i5-Modell benötigte 36 bzw. 31,5 Watt (ebenfalls kein Turbo im Stresstest).
| Aus / Standby | |
| Idle | |
| Last |
|
Legende:
min: | |
Akkulaufzeit
Der Akkumulator mit seinen 50 Wattstunden bleibt unverändert. Ebenso sieht es bei den ermittelten Laufzeiten aus – mehr oder weniger. Im Leerlauf hält das Testgerät 8:58 Stunden durch (i5-Version: 10:48 h). Die Idle-Laufzeit erlaubt jedoch keine praxisnahe Aussage, denn sie wurde bei minimierter Luminanz, deaktivierten Funkmodulen (Flugmodus) und CPU-Leerlauf ermittelt.
Der WLAN-Test endet nach 4:20 Stunden (i5: 4:42 Stunden). Er zeigt die Realität besser, denn die Helligkeit steht bei 150 cd/m² (höchste Helligkeit im Akkubetrieb) und ein Skript ruft alle 40 Sekunden Websites auf (teilweise Videos).
Die Last-Laufzeit (Battery Eater Classic) bricht erst nach 2:25 Stunden ab, das ist exakt dieselbe Laufzeit der i5-Version. Die höhere Last-Energieaufnahme des i7-Systems wird hier wahrscheinlich durch die niedrigere Maximal-Luminanz (286 statt 375 cd/m²) ausgeglichen.
Die übrigen Konkurrenten haben in Sachen WLAN-Laufzeit stets mehr zu bieten. Aus der Reihe fällt lediglich das Acer Aspire S7 391 (3:29 h) wegen seiner kleineren Akku-Kapazität. Die Werte im Einzelnen: MacBook Air 13 inch 2012-06 (6:03 h); Dell XPS 13 (Late 2012) (5:30 h); Thinkpad X1 Carbon (6:07 h); Samsung 900X3C (6:47 h).
Eingangs stellten wir die suggestive Frage, ob das Zenbook Prime UX31A mit dem Touchpanel noch besser ist, als die hoch gelobte und mit Lorbeeren überhäufte Non-Touch-Version. Am Ende unseres Tests steht eine Endnote von 87 % (Gut) da, die gar niedriger ist als die vormaligen 90 % (Sehr Gut). Was ist schief gelaufen?
Grobe Mängel sind es nicht, welche dem Zenbook die hohe Wertung verwehren. Es beginnt beim veränderten Panel-Typ: Die Anzeige hat jetzt nur noch einen halb so hohen Kontrast, nämlich 523:1 statt knapp 1.000:1. Zugegeben, die Farben des IPS-Panels leuchten immer noch kräftig genug, schon wegen der verstärkenden Wirkung des Glare-Type. Selbiger mit seinen starken Reflexionen ist der größte Nachteil der Touch-Version (Standard-Punktabzug im Wertungssystem). Schlecht sieht das rahmenlose Edge-to-Edge Design nicht aus, doch die gedrosselte Helligkeit im Akkubetrieb im Einklang mit den Reflexionen stören den Außeneinsatz gewaltig. Eine Drosselung der Luminanz hatten wir bei der Non-Touch-Schwester nicht festgestellt.
Als letztes kratzt die verringerte durchschnittliche Helligkeit (Netzbetrieb) an der Wertung. In Summe lassen diese Faktoren die Displaywertung von grandiosen 96 % auf immer noch ganz nette 81 % fallen. Das ist nicht mehr die Königsklasse, auch wenn die Anzeige im Gesamtvergleich zu den Konkurrenten immer noch als gut anzusehen ist. Sie steht aber Samsung 900X3C-A04DE (89 %, matt, 1600x900, PLS) und Thinkpad X1 Carbon (87 %, matt, 1600x900, TN) nach. Acer Aspire S7 391 (79 %, FHD, Touch, IPS), Dell XPS 13 (76 %, HD, TN) und Apple MacBook Air 13 inch 2012-06 (81 %, 1440x900, TN) steckt unser UX31A Touch aber immer noch in die Tasche bzw. kann mithalten.
Die Akkulaufzeit bleibt frei von der Befürchtung, der Core i7 könnte energiehungriger sein. Die Wertung steht nach wie vor bei 90 %, was für den WLAN-Test 4:20 Stunden bedeuten. Leider müssen wir bei unserem Core-i7-Testgerät ein CPU-Throttling im Stresstest feststellen: Der Takt fällt dann auf 1,7 bis 2,0 GHz (unterhalb Standardtakt = Throttle). Bei den CPU-Multi-Tests, also der reinen Rechenleistung und den Spiele-Tests inkl. 3DMark06 (CPU abhängig), rechnet der Prozessor jedoch mit voller Kraft, selbst im Akkubetrieb (Turbo aktiv, 2,8 GHz). Bei der i5-Version gab es im Stresstest kein CPU-Throttling. Kurz: Performance-Geeks werden vielleicht einen Nachteil erleben, alle anderen werden dieses Thema gar nicht bemerken, weshalb wir es nicht in die Contra-Liste aufnehmen.
So bleibt am Ende unser Tipp: Wer ein erstklassiges Display haben möchte, das besser ist als die versammelte Konkurrenz (96 % Display-Wertung), der kommt um das Non-Touch-UX31A (Standard FHD IPS) nicht herum. Das gibt es in der kleinsten Konfiguration bereits ab 1.050 Euro.



























































