Erster Eindruck: Microsoft Surface Pro 4 (Core i5) im Test

Mit dem Vorgänger Surface Pro 3 (hier im Test) hat Microsoft in Sachen 2in1 und Convertibles eine neue Messlatte definiert. Notebook-Performance im Tablet-Format war angesagt, auch wenn dieses Versprechen im Detail dann doch nicht ganz gehalten werden konnte. Etwas länger als ein Jahr nach seinem Vorgänger tritt nun das Microsoft Surface Pro 4, seines Zeichens schon die 7. Ausgabe der Surface-Reihe (Surface RT, Surface Pro, Surface 2, Surface Pro 2, Surface Pro 3, Surface 3) an, Tablet und Notebook abermals ein Stück näher zusammenzuführen.
Aktuell absolviert das uns vorliegende Testgerät unseren intensiven Messparcours. Zu den Bereichen Display und Emissionen liegen bereits erste Messungen vor, die wir wie folgt teilen wollen. Mit einem vollständigen Testbericht darf in rund 1-2 Wochen gerechnet werden.
Hier finden Sie unseren vollständigen Test zum Microsoft Surface Pro 4 (Core m3) und ebenso zum Microsoft Surface Pro 4 (Core i5).
Display
Angewachsen ist nicht nur die Displaydiagonale von 12,0 auf 12,3 Zoll, auch die Pixeldichte wurde deutlich erhöht. Während beim Vorgänger Surface Pro 3 noch ein mit 2.160 x 1.440 (216,3 ppi) auflösendes Display eingesetzt wurde, darf man sich nun über sagenhafte 2.736 x 1.824 Pixel (267,3 ppi) freuen. Auch wenn sich damit nicht ein direkter Vorteil für den User ableiten lässt, so ist das neue Display trotzdem noch feiner aufgelöst als beispielsweise jenes vielzitierte Retina-Display des aktuellen Apple MacBook Pro 13.
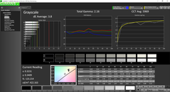
Auch was die übrigen Kenndaten des eingesetzten Displays betrifft, dürfen wir unseren ersten Messungen zufolge von einer Verbesserung sprechen. Die durchschnittliche Helligkeit stieg auf knapp 400 cd/m2 an, bei einer weiterhin sehr guten Ausleuchtung von 92 %. Im Zusammenspiel mit dem niedrigeren Schwarzwert von 0,27 cd/m2 steigt folglich auch der maximale Kontrast auf hervorragende 1.441:1. Wie schon der Vorgänger kann auch das neue Microsoft Surface Pro 4 die maximale Helligkeit im Akkubetrieb halten.
Microsoft Surface Pro 4
| |||||||||||||||||||||||||
Ausleuchtung: 87 %
Helligkeit Akku: 413 cd/m²
Kontrast: 1147:1 (Schwarzwert: 0.36 cd/m²)
ΔE ColorChecker Calman: 3.09 | ∀{0.5-29.43 Ø4.74}
ΔE Greyscale Calman: 3.92 | ∀{0.09-98 Ø4.99}
97% sRGB (Argyll 1.6.3 3D)
61% AdobeRGB 1998 (Argyll 1.6.3 3D)
67% AdobeRGB 1998 (Argyll 3D)
96.5% sRGB (Argyll 3D)
65% Display P3 (Argyll 3D)
Gamma: 2.3
CCT: 7333 K
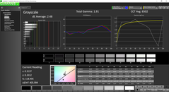
Microsoft Surface Pro 3
| |||||||||||||||||||||||||
Ausleuchtung: 91 %
Helligkeit Akku: 355.3 cd/m²
Kontrast: 1077:1 (Schwarzwert: 0.33 cd/m²)
ΔE ColorChecker Calman: 4.72 | ∀{0.5-29.43 Ø4.74}
ΔE Greyscale Calman: 6.53 | ∀{0.09-98 Ø4.99}
59.37% AdobeRGB 1998 (Argyll 1.6.3 3D)
65.6% AdobeRGB 1998 (Argyll 3D)
88.8% sRGB (Argyll 3D)
63.6% Display P3 (Argyll 3D)
Gamma: 2.17
CCT: 6707 K
Microsoft Surface Book
| |||||||||||||||||||||||||
Ausleuchtung: 93 %
Helligkeit Akku: 430.9 cd/m²
Kontrast: 1696:1 (Schwarzwert: 0.254 cd/m²)
ΔE ColorChecker Calman: 2.06 | ∀{0.5-29.43 Ø4.74}
ΔE Greyscale Calman: 2.22 | ∀{0.09-98 Ø4.99}
96% sRGB (Argyll 1.6.3 3D)
64% AdobeRGB 1998 (Argyll 1.6.3 3D)
68.9% AdobeRGB 1998 (Argyll 3D)
95.8% sRGB (Argyll 3D)
67% Display P3 (Argyll 3D)
Gamma: 2.13
CCT: 6520 K
Microsofts eben vorgestelltes Surface Book integriert ein etwas größeres 13,5-Zoll-Display mit einer Auflösung von 3.000 x 2.000 Pixel, ebenso im 3:2 Format. Zufolge unserer ersten Messungen kann das Surface Book das Surface Pro 4 in Sachen Helligkeit und Kontrast nochmals toppen.
| Microsoft Surface Pro 4, Core i5, 128GB HD Graphics 520, 6300U, Samsung MZFLV128 NVMe | Microsoft Surface Pro 3 HD Graphics 4400, 4300U, Hynix HFS128G3MNM | Microsoft Surface 3 HD Graphics (Cherry Trail), Z8700, 128 GB eMMC Flash | Microsoft Surface Book Core i5 Maxwell GPU (940M, GDDR5), 6300U, Samsung MZFLV256 NVMe | |
|---|---|---|---|---|
| Display | -4% | 4% | 2% | |
| Display P3 Coverage (%) | 65 | 63.6 -2% | 68.8 6% | 67 3% |
| sRGB Coverage (%) | 96.5 | 88.8 -8% | 98.7 2% | 95.8 -1% |
| AdobeRGB 1998 Coverage (%) | 67 | 65.6 -2% | 70.4 5% | 68.9 3% |
| Response Times | -5% | |||
| Response Time Grey 50% / Grey 80% * (ms) | 46 ? | 48.4 ? -5% | ||
| Response Time Black / White * (ms) | 31.2 ? | 32.8 ? -5% | ||
| PWM Frequency (Hz) | 50 ? | |||
| Bildschirm | -18% | 2% | 19% | |
| Helligkeit Bildmitte (cd/m²) | 413 | 355.3 -14% | 399 -3% | 430.9 4% |
| Brightness (cd/m²) | 396 | 338 -15% | 380 -4% | 410 4% |
| Brightness Distribution (%) | 87 | 91 5% | 90 3% | 93 7% |
| Schwarzwert * (cd/m²) | 0.36 | 0.33 8% | 0.49 -36% | 0.254 29% |
| Kontrast (:1) | 1147 | 1077 -6% | 814 -29% | 1696 48% |
| Delta E Colorchecker * | 3.09 | 4.72 -53% | 1.66 46% | 2.06 33% |
| Delta E Graustufen * | 3.92 | 6.53 -67% | 2.75 30% | 2.22 43% |
| Gamma | 2.3 96% | 2.17 101% | 2.22 99% | 2.13 103% |
| CCT | 7333 89% | 6707 97% | 6358 102% | 6520 100% |
| Farbraum (Prozent von AdobeRGB 1998) (%) | 61 | 59.37 -3% | 64.4 6% | 64 5% |
| Color Space (Percent of sRGB) (%) | 97 | 98.8 2% | 96 -1% | |
| Colorchecker dE 2000 max. * | 3.24 | |||
| Durchschnitt gesamt (Programm / Settings) | -11% /
-14% | 3% /
2% | 5% /
12% |
* ... kleinere Werte sind besser
Unsere Analyse der Farbdarstellung zeigt eine relativ akkurate, wenngleich nicht perfekte, Farbdarstellung im Vergleich zur sRGB-Referenz. Durch eine Kalibrierung konnte die Farbgenauigkeit nur unwesentlich verbessert werden.
Reaktionszeiten (Response Times) des Displays
| ↔ Reaktionszeiten Schwarz zu Weiß | ||
|---|---|---|
| 31.2 ms ... steigend ↗ und fallend ↘ kombiniert | ↗ 6 ms steigend | |
| ↘ 25.2 ms fallend | ||
| Die gemessenen Reaktionszeiten sind langsam und dadurch für viele Spieler wahrscheinlich zu langsam. Im Vergleich rangierten die bei uns getesteten Geräte von 0.1 (Minimum) zu 240 (Maximum) ms. » 84 % aller Screens waren schneller als der getestete. Daher sind die gemessenen Reaktionszeiten schlechter als der Durchschnitt aller vermessenen Geräte (20 ms). | ||
| ↔ Reaktionszeiten 50% Grau zu 80% Grau | ||
| 46 ms ... steigend ↗ und fallend ↘ kombiniert | ↗ 17.2 ms steigend | |
| ↘ 28.8 ms fallend | ||
| Die gemessenen Reaktionszeiten sind langsam und dadurch für viele Spieler wahrscheinlich zu langsam. Im Vergleich rangierten die bei uns getesteten Geräte von 0.165 (Minimum) zu 636 (Maximum) ms. » 78 % aller Screens waren schneller als der getestete. Daher sind die gemessenen Reaktionszeiten schlechter als der Durchschnitt aller vermessenen Geräte (31.2 ms). | ||
Emissionen
Auch die Messung der Oberflächentemperaturen steht uns bereits zur Verfügung. Im Vergleich mit unserem Surface Pro 3 in der Ausstattung mit i5-4300U Prozessor gibt sich das neue Surface Pro 4 tendenziell kühler, sowohl im Betrieb ohne Last als auch unter andauernder Auslastung der Kernkomponenten. Dieser Vergleich ist allerdings mit Vorsicht zu genießen, da die Umgebungstemperatur bei der Messung des Vorgängers deutlich höher lag als bei dem nunmehrigen Test des Surface Pro 4.
Microsoft Surface Pro 4
(-) Die maximale Temperatur auf der Oberseite ist 52.3 °C. Im Vergleich liegt der Klassendurchschnitt bei 35.4 °C (von 19.6 bis 60 °C für die Klasse Convertible).
(-) Auf der Unterseite messen wir eine maximalen Wert von 51.4 °C (im Vergleich zum Durchschnitt von 36.8 °C).
(±) Ohne Last messen wir eine durchschnittliche Temperatur von 36 °C auf der Oberseite. Der Klassendurchschnitt erreicht 30.3 °C.
(-) Die Handballen und der Touchpad-Bereich können sehr heiß werden mit maximal 52.3 °C.
(-) Die durchschnittliche Handballen-Temperatur anderer getesteter Geräte war 27.9 °C (-24.4 °C).
Microsoft Surface Pro 3
(-) Die maximale Temperatur auf der Oberseite ist 45.2 °C. Im Vergleich liegt der Klassendurchschnitt bei 35.4 °C (von 19.6 bis 60 °C für die Klasse Convertible).
(-) Auf der Unterseite messen wir eine maximalen Wert von 46.4 °C (im Vergleich zum Durchschnitt von 36.8 °C).
(±) Ohne Last messen wir eine durchschnittliche Temperatur von 33.8 °C auf der Oberseite. Der Klassendurchschnitt erreicht 30.3 °C.
(-) Die Handballen und der Touchpad-Bereich können sehr heiß werden mit maximal 42.4 °C.
(-) Die durchschnittliche Handballen-Temperatur anderer getesteter Geräte war 27.9 °C (-14.5 °C).
Fazit
Noch ist die Datenlage unserer Messungen zum neuen Microsoft Surface Pro 4 etwas dünn. Dennoch können wir bereits dezente Verbesserungen beim Display als auch bei der Erwärmung des Gerätes beobachten. Interessant bleibt vorerst die Frage, wie sich das Gerät in den Leistungstests schlägt und natürlich, was bei der praxisrelevanten Akkulaufzeit übrig bleibt. Der vollständige Test wird in voraussichtlich 1-2 Wochen verfügbar sein. Stay tuned!
Hier finden Sie unseren Test zum Surface Pro 4 mit Intel Core m3 bzw. das Surface Pro 4 mit Core i5.





















