Test Microsoft Surface Pro 4 (Core m3) Tablet

Hier geht es zum Test des Core i5 Modells des Surface Pro 4 mit 128 GB SSD.
Siehe auch: Im Vergleich: Microsoft Surface Pro 4 vs. Acer Aspire Switch Alpha 12 vs. HP Elite x2 1012 G1 vs. HP Spectre x2 12 vs. Huawei MateBook
Die 2in1-Geräte der Microsoft-Surface-Reihe haben den Computer-Markt ziemlich aufgewirbelt. In einer Zeit ohne richtige Innovationen und Inspirationen haben sich die Ingenieure von Microsoft das Ziel gesetzt, das 2in1-Konzept zu verfeinern. Sie brauchen ein Tablet? Sie brauchen einen Laptop? Warum nicht einfach beides in einem Gerät?
Trotz all der Vorteile sind wir uns wohl alle einig, dass sich die Surface Geräte noch nicht ganz auf dem Niveau eines hochwertigen Ultrabooks befinden. Die Stärken liegen aber in anderen Bereichen: Das Surface Pro will nicht nur ein hochwertiges Ultrabook sein, sondern auch ein sehr gutes Tablet. Ähnlich wie bei vielen anderen Convertibles muss das Surface Pro aber das gleiche Problem lösen: Zwei traditionell getrennte Geräteklassen zu vereinen und dabei so wenig Kompromisse wie möglich einzugehen. Dabei liegt der Fokus auf den Vorteilen eines Tablets, wie einem großen und hellen Touchscreen, dem leisen (bzw. lautlosen) Betrieb, dem extrem geringen Gewicht samt kompaktem Formfaktor und sogar einem optionalen Digitzer Stift – und gleichzeitig bleibt die Funktionalität eines PCs erhalten.
Da die Komponenten immer effizienter werden, wird es für die Hersteller auch leichter, die beiden unterschiedlichen Produktklassen zu vereinen. Nach dem Erscheinen des ersten Microsoft Surface (vor drei Jahren!) lag der Fokus nicht mehr nur auf der Steigerung der Leistung, sondern vielmehr der verbesserten Mobilität und einem geringeren Stromverbrauch. Das machte sich erstmals beim Surface Pro 3 bemerkbar, welches im Vergleich zum Vorgänger deutlich kleiner und auch leichter ausfiel. Trotz der tollen Ingenieursleistung konnte das Gerät nicht in allen Bereichen überzeugen: Probleme gab es bei der eingeschränkten Leistung (und Wärmeentwicklung) unter Last, der wenig beeindruckenden Tastatur, der suboptimalen Nutzbarkeit auf den Oberschenkeln sowie den nicht vorhandenen Wartungs- bzw. Aufrüstmöglichkeiten.
Obwohl sich das Surface Pro 4 bei der Größe und dem Gewicht kaum unterscheidet, liegt der Fokus erneut auf einer besseren Effizienz und besseren Mobilität. Zudem stehen dem Nutzer in dieser Generation auch mehr Konfigurationen zur Verfügung. Die schnellen Modelle mit Core-i5- und Core-i7-Prozessoren sind nach wie vor erhältlich, basieren aber nun auf der aktualisierten Skylake Architektur. Interessanter ist aber die Entwicklung am unteren Ende der Leistungsskala, denn nun gibt es auch ein Modell mit einem Intel-Core-m3-6Y30-Prozessor, der dank einer TDP von nur 4,5 Watt passiv gekühlt werden kann. Damit positioniert sich das "kleine" Surface Pro 4 direkt gegen moderne passiv gekühlte Tablets, um noch mehr Marktanteile für sich zu beanspruchen.
Bei unserem Testgerät handelt es sich um die Konfiguration für 999 Euro (das kleinste Surface Pro 3 kostete noch 799 Euro) samt dem zuvor genannten Intel Core m3-6Y30, 4 GB Dual-Channel-LPDDR3-Arbeitsspeicher und einer 128 GB großen NVMe-SSD. Zudem werfen wir noch einen Blick auf die überarbeiteten Versionen des Type Cover und des Surface Stiftes. Könnte es sich also endlich um das Tablet handeln, welches den Laptop ersetzen kann?
In weiteren Tests werden wir uns auch den Surface Pro 4 Varianten mit Core-i5- und -i7-Prozessoren widmen.
Gehäuse
Ein Aspekt, bei dem es am Surface Pro 3 nicht viel zu kritisieren gab, war die Gehäusekonstruktion. Das ändert sich auch beim Surface Pro 4 nicht, denn das Design ist weiterhin ansprechend, praktisch und zudem immer noch frisch. Das stabile Magnesiumgehäuse ist so komfortabel wie schützend; die Oberflächen fühlen sich beinahe weich an, und dank den leicht angewinkelten Kanten kann man das Gerät komfortabel in zwei Händen halten. Genauso clever ist die stylische, aber dennoch unauffällige Lüfteröffnung an der oberen Kante und der oberen Hälfte der beiden Seiten. Die Verarbeitung ist sehr gut, allerdings weist unser Testexemplar einen kleinen Makel auf: Der Power Button (an der oberen Kante) ist etwas zu locker und wackelt leicht herum.
Mit nur 774 Gramm ist das Tablet unglaublich mobil. Es ist zwar nicht ganz so leicht wie das Apple iPad Pro mit 712 Gramm, aber die Differenz von nur etwa 9 Prozent wird man kaum spüren. Das Surface Pro 4 ist zudem leichter als das alte Surface Pro 3, welches noch 810 Gramm auf die Waage brachte. Auch die Bauhöhe wurde etwas reduziert: 8,5 mm gegenüber 9,1 mm beim Surface Pro 3. Das liegt vor allem an dem fehlenden Lüfter und dem etwas kleineren Akku (38,8 Wh vs. 42,2 Wh).
Wir werden uns das neue Type Cover gleich noch genauer ansehen, aber zunächst einmal erhöht es das Gesamtgewicht des Surface Pro 4 auf 1,08 kg. Damit ist das Gerät immer noch leichter als beispielsweise das Dell XPS 13-9343 Touch (1,276 kg) oder das größere Microsoft Surface Book (1,5 kg), aber zumindest sind die Geräte ungefähr auf einem Niveau (die 15 % Mehrgewicht des XPS 13 sind in dieser Größenordnung kaum spürbar). Das Gewicht des Surface Stiftes ist mit nur 20 Gramm allerdings vernachlässigbar. Mit dem neuen Type Cover liegen die Abmessungen bei 14,3 x 292 x 207 mm, was erneut auf dem Niveau des XPS 13 (18,5 x 304 x 200) mit dem größeren 13,3-Zoll-Bildschirm liegt. Allerdings ist der Bildschirm des Surface Pro 4 mit 12,3-Zoll auch nur einen Zoll kleiner als beim XPS (Surface Pro 3: 12 Zoll), da der Bildschirmrahmen nun schmaler ausfällt.
Das Gerät lässt sich kaum verwinden und fühlt sich insgesamt sehr robust an. Ein energischer Verwindungsversuch könnte vielleicht Schaden anrichten, aber im Alltag und vor allem mit dem zusätzlichen Schutz des Type Covers sollte es keine Probleme mit dem Surface Pro 4 geben. Der voll verstellbare Kickstand wurde nicht verändert, was aber aufgrund der guten Implementierung beim Surface Pro 3 auch nicht nötig war. Er hält das Gerät dank der gut eingestellten Gelenke sicher in Position, trotz der recht zierlichen Ausführung.
Neben den positiven Eigenschaften, die vom Surface Pro 3 übernommen wurden, hat das neue Gerät aber auch mit einigen bekannten Problemen zu kämpfen. Genauer gesagt handelt es sich um die nicht vorhandenen Wartungs- bzw. Aufrüstmöglichkeiten. Selbst wenn man das Gehäuse öffnen könnte, würde man wohl kaum geeignete Ersatzteile finden.
Ausstattung
Im Gegensatz zum Vorgänger gibt es beim Surface Pro 4 keine neuen Anschlüsse. Neben der Anzahl der Anschlüsse ist auch die Positionierung mit einer wichtigen Ausnahme identisch: Die Lautstärkewippe befindet sich nun neben dem Power Button an der oberen Kante (beim Surface Pro 3 unter dem Klinkenstecker). Mittlerweile hätten wir uns zumindest einen zweiten USB-3.0-Anschluss gewünscht; in dieser Hinsicht hat das Surface Pro aufgrund des Tablet-Designs einfach einen Nachteil. Der Mini-DisplayPort und der microSD-Schacht sind zwar nett, aber viel interessanter ist der Surface Connector (kombinierter Ladeanschluss), mit dem sich das Surface Pro zusammen mit dem separat erhältlichen Surface Dock in einen vollwertigen Computer verwandeln lässt.
Kommunikation
Auch bei der kabellosen Kommunikation gibt es keine Unterschiede zum Vorgänger: Das Surface Pro 4 nutzt weiterhin ein Dual-Band WLAN-Modul von Marvell (AVASTAR Wireless-AC 2x2) samt Bluetooth 4.0. Wir konnten erneut keine Probleme feststellen und die Transferraten sind oftmals vergleichbar mit vielen größeren Notebooks.
Auf der Vorderseite entdecken wir die gleiche 5-MP-Kamera, die nun allerdings Windows Hello für den schnellen Zugang via Gesichtserkennung unterstützt. Der Sensor auf der Rückseite nimmt Bilder jetzt mit bis zu 8 MP auf – und auch die Farben scheinen sich verbessert zu haben, allerdings ist das Gesamtergebnis immer noch ziemlich schwach. Mit den meisten modernen Smartphones kann es die Kamera nicht aufnehmen, aber zumindest ist sie jetzt durchaus brauchbar.
Garantie
Der Garantiezeitraum des Surface Pro 4 liegt bei 24 Monaten.
Zubehör
Das Netzteil ist mit lediglich 134 Gramm nun noch mobiler als zuvor. Unser mitgeliefertes Netzteil war allerdings defekt, weshalb wir das Testgerät mit einem Netzteil des Surface Pro 3 aufladen mussten. Der Stromanschluss, der den Stecker wie schon beim Surface Pro 3 magnetisch festhält, befindet sich auf der rechten Seite des Tablets (im Querformat).
Surface Stift
Im Lieferumfang des Surface Pro 4 befindet sich außerdem der neue Surface Stift (UVP 64,99 Euro, altes Modell 49,90 Euro), der komplett überarbeitet wurde. Zunächst einmal ist er rund 10 mm länger und minimal schwerer (20 Gramm vs. 18 Gramm beim alten Modell). Die beiden Tasten auf der Seite wurden nun in einem (versteckten) Knopf kombiniert, der sich innerhalb eines langen Streifens gegenüber dem Befestigungsclip befindet. Die Knopfzellen wurden gestrichen, denn der Stift wird jetzt nur noch von einer einzigen AAAA-Batterie mit Strom versorgt. Auch die Öse für die Befestigung einer Schlaufe gibt es nicht mehr, denn der Stift hält erneut magnetisch an der rechten oder linken Seite des Surface Pro 4 – im Gegensatz zum alten Modell scheint die Verbindung dieses Mal aber stärker zu sein.
Der Digitizer von N-Trig unterstützt nun 1.024 Drucksensitivitätsstufen (vorher 256), wodurch die Eingaben deutlich akkurater erkannt werden. Die Geschwindigkeit ist dabei recht gut, und wir konnten nur eine minimale Verzögerung bei Eingaben bemerken. Der Löschknopf oben am Stift ist weiterhin vorhanden und mit einem Doppelklick kann man direkt OneNote öffnen. Die Spitze des Stiftes erzeugt nun einen leichten Widerstand, wodurch das Schreibgefühl noch natürlicher wird. Zudem gibt es mehrere verschiedene Spitzen, bei unserem Testexemplar lagen jedoch keine dabei. Insgesamt stellt der neue Stift mit den cleveren Änderungen eine deutliche Verbesserung dar.
Der neue Surface Stift lässt sich auch mit dem Surface Pro 3 sowie dem Surface 3 verwenden.
Type Cover
Das überarbeitete Type Cover (UVP 149,99 Euro) des Surface Pro 4 ist eine der wichtigsten Verbesserungen gegenüber dem Surface Pro 3. Bei der Größe hat sich aber interessanterweise nichts verändert (das Gewicht hat sich nur minimal von 298 auf 306 Gramm erhöht) – wodurch auch Besitzer des Surface Pro 3 in den Genuss der besseren Eingabe kommen können, ohne sich direkt ein neues Tablet kaufen zu müssen.
Und man sollte wirklich darüber nachdenken. Das neue Type Cover bietet deutlich verbesserte (und größere) Eingabegeräte (Tastatur + Touchpad) und weniger ungenutzten Raum zwischen der oberen Kante der Tastatur und dem Tablet. Die Bedienung ist komfortabler (und es sieht besser aus), zudem bietet es Schutz für das Display des Surface Pro 4. Die Verbindung mit dem Docking-Anschluss auf der Unterseite des Tablets erfolgt weiterhin magnetisch, und der gesamte Docking-Mechanismus geht leicht von der Hand. Wir würden uns jedoch erneut wünschen, dass dieser Zubehörartikel standardmäßig enthalten ist, wie es jetzt auch beim Surface Stift der Fall ist. Wir können uns nur schwer vorstellen, dass jemand das Surface Pro 4 alleine betreiben wird – vor allem nicht in Anbetracht der Verbesserungen.
Surface Dock
Unser Testexemplar wurde nicht mit dem Surface Dock (UVP 229,99 Euro) ausgeliefert, weitere Informationen gibt es aber in dem Video Review von Steve "Chippy" Paine weiter oben im Test.
Eingabegeräte
Tastatur (Type Cover)
Das neue Type Cover des Surface Pro 4 ist exzellent. Der Tastenhub ist nun länger und das Feedback ist besser, was zu einer komfortablen Eingabe führt. Die Tastenoberflächen sind glatt, komfortabel und fühlen sich sehr hochwertig an, ähnlich wie bei vielen High-End-Ultrabooks. Die Tastatur selbst ist nun ein wenig breiter, was zu etwas mehr Platz zwischen den einzelnen Tasten führt. Das wiederum reduziert Fehler, und in unseren Tests war die Tippgeschwindigkeit höher. Keine der wichtigen Tasten fällt übermäßig klein aus; einige Tasten wie Shift, Tab und Enter sind sogar etwas breiter als zuvor. Auch die Pfeiltasten lassen sich dank dem gewonnen Platz nun einfacher bedienen.
Beim Type Cover des Surface Pro 3 haben wir noch ein hohles Klack-Geräusch bei jedem Anschlag bemängelt, was durchaus störend sein konnte. Das neue Type Cover schlägt sich in dieser Hinsicht besser, ganz gelöst wurde das Problem aber nicht. Das wäre allerdings auch nur mit einem deutlich stabileren und schwereren – und weniger schützenden – Material wie Metall oder Kunststoff möglich.
Das Type Cover unterstützt erneut zwei verschiedene Positionen – flach auf einer Oberfläche und leicht angewinkelt (über eine magnetische Verbindung auf der Vorderseite des Tablets) für eine ergonomisch bessere Schreibposition. Beide Positionen sind komfortabel und haben ihre eigenen Vorteile. Die angewinkelte Position ist für viele Nutzer vermutlich bequemer, im Vergleich zur flachen Ablage allerdings auch hörbar lauter. Zudem lässt sich die Tastatur im mittleren Bereich dann ein wenig eindrücken.
Alles in allem handelt es sich beim Type Cover samt der Tastatur um eine der größten Verbesserungen gegenüber dem Surface Pro 3. Die Tatsache, dass auch Besitzer des Vorgängers von diesen Verbesserungen profitieren können, ohne direkt ein neues Tablet zu kaufen, ist ein willkommener Bonus.
Touchpad
Auch das Touchpad des neuen Type Cover ist deutlich gewachsen; es ist rund 30 % größer als beim alten Modell, und vor allem die Touchpads der alten Surface Pro Cover wirken dagegen geradezu winzig. Der zusätzliche Platz ist natürlich willkommen, und abgesehen davon kann man es genauso komfortabel nutzen wie schon beim alten Type Cover. Das gilt auch für die integrierten Tasten, allerdings können sie es erwartungsgemäß nicht mit dedizierten Tasten aufnehmen. Selbst Drag-&-Drop funktionierte in unserem Test jedoch problemlos, und auch Gesten wurden fehlerfrei erkannt. Das ist ein weiterer Kaufgrund für das neue Type Cover, selbst wenn man sich das Geld für ein neues Surface Pro sparen möchte.
Touchscreen
Abschließend steht natürlich auch der Touchscreen für Eingaben mit bis zu 10 Fingern zur Verfügung, der problemlos funktioniert.
Display
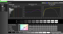
Dank einem etwas schmäleren Bildschirmrahmen misst das Display des Microsoft Surface Pro 4 nun 12,3 Zoll (0,3 Zoll größer als beim Surface Pro 3). Auch die Auflösung wurde auf 2.736 x 1.824 Pixel erhöht (vorher 2.160 x 1.440), wodurch die Pixeldichte bei 267 pp und damit auf dem Niveau des 2014er iPad Air 2 (264 ppi) liegt. Wie bei den meisten Tablets und Touchscreens ist die Oberfläche stark spiegelnd und damit anfällig für Reflexionen. Nichtsdestotrotz produziert der Bildschirm tolle Bilder: hell, lebendig und mit einem hohen Kontrast.
| |||||||||||||||||||||||||
Ausleuchtung: 92 %
Helligkeit Akku: 389.2 cd/m²
Kontrast: 1441:1 (Schwarzwert: 0.27 cd/m²)
ΔE ColorChecker Calman: 3.61 | ∀{0.5-29.43 Ø4.74}
ΔE Greyscale Calman: 3.8 | ∀{0.09-98 Ø4.98}
97% sRGB (Argyll 1.6.3 3D)
63% AdobeRGB 1998 (Argyll 1.6.3 3D)
69% AdobeRGB 1998 (Argyll 3D)
96.6% sRGB (Argyll 3D)
67.5% Display P3 (Argyll 3D)
Gamma: 2.16
CCT: 5969 K
| Microsoft Surface Pro 4, Core m3 | Microsoft Surface Pro 3 | Apple iPad Air 2 2014 | Dell XPS 13-9343 | Microsoft Surface Book Core i5 | |
|---|---|---|---|---|---|
| Display | -6% | 3% | -1% | ||
| Display P3 Coverage (%) | 67.5 | 63.6 -6% | 72 7% | 67 -1% | |
| sRGB Coverage (%) | 96.6 | 88.8 -8% | 96 -1% | 95.8 -1% | |
| AdobeRGB 1998 Coverage (%) | 69 | 65.6 -5% | 71.6 4% | 68.9 0% | |
| Response Times | -6% | ||||
| Response Time Grey 50% / Grey 80% * (ms) | 46 ? | 48.4 ? -5% | |||
| Response Time Black / White * (ms) | 31 ? | 32.8 ? -6% | |||
| PWM Frequency (Hz) | 50 ? | ||||
| Bildschirm | -23% | -8% | -5% | 14% | |
| Helligkeit Bildmitte (cd/m²) | 389.2 | 355.3 -9% | 423 9% | 367.3 -6% | 430.9 11% |
| Brightness (cd/m²) | 392 | 338 -14% | 427 9% | 372 -5% | 410 5% |
| Brightness Distribution (%) | 92 | 91 -1% | 92 0% | 77 -16% | 93 1% |
| Schwarzwert * (cd/m²) | 0.27 | 0.33 -22% | 0.61 -126% | 0.178 34% | 0.254 6% |
| Kontrast (:1) | 1441 | 1077 -25% | 693 -52% | 2063 43% | 1696 18% |
| Delta E Colorchecker * | 3.61 | 4.72 -31% | 2.86 21% | 5.92 -64% | 2.06 43% |
| Delta E Graustufen * | 3.8 | 6.53 -72% | 2.37 38% | 4.79 -26% | 2.22 42% |
| Gamma | 2.16 102% | 2.17 101% | 2.43 91% | 2.42 91% | 2.13 103% |
| CCT | 5969 109% | 6707 97% | 6941 94% | 7013 93% | 6520 100% |
| Farbraum (Prozent von AdobeRGB 1998) (%) | 63 | 59.37 -6% | 88 40% | 63 0% | 64 2% |
| Color Space (Percent of sRGB) (%) | 97 | 96.4 -1% | 96 -1% | ||
| Durchschnitt gesamt (Programm / Settings) | -15% /
-18% | -8% /
-8% | -1% /
-3% | 2% /
8% |
* ... kleinere Werte sind besser
Unsere Messungen ermitteln eine durchschnittliche Helligkeit von 391,6 cd/m², wodurch das Ergebnis des Surface Pro 3 (338 cd/m²) um 15 Prozent überboten wird. Das Surface Book (410,2 cd/m²) ist jedoch noch minimal heller. Das XPS 13-9343 Touch (371,9 cd/m²) fällt ein wenig zurück, während das Apple iPad Air 2 einen leichten Vorsprung (426,6 cd/m², +9%) hat. Das Ergebnis ist aber dennoch exzellent und ermöglicht die Nutzung trotz der spiegelnden Oberfläche auch in hellen Umgebungen. Dank der sehr guten Ausleuchtung von 92 Prozent erkennt man mit freiem Auge auch keine Helligkeitsunterschiede.
Die weiteren Messungen ergeben einen Schwarzwert von 0,27 cd/m², wodurch sich ein sehr gutes Kontrastverhältnis von 1.441:1 ergibt – auch wenn das XPS 13-9343 (2.063:1) oder das Surface Book (1.696:1) sogar noch mehr schaffen. Trotzdem wird der Vorgänger Surface Pro 3 (1.077:1) klar überboten, ganz zu schweigen von dem unterdurchschnittlichen Ergebnis des iPad Air 2 (693:1).
Unsere Farbraummessungen ermitteln eine 97-prozentige Abdeckung des sRGB-Standards, was ein sehr gutes Ergebnis ist. AdobeRGB ist mit nur 63 Prozent natürlich ein anderes Thema. Zum Vergleich: Das Apple iPad Air 2 mit 88 Prozent AdobeRGB schafft hier ein deutlich besseres Ergebnis. Das Samsung Galaxy Tab S2 9.7 erreicht sogar 98 Prozent und ist damit aktuell das beste Tablet in dieser Hinsicht. Für sich gesehen stellt das Ergebnis des Surface Pro 4 aber trotzdem eine deutliche Verbesserung gegenüber dem Vorgänger dar (79% sRGB).
Bitte beachten: Aufgrund von technischen Schwierigkeiten zeigt das Drahtgittermodell in den folgenden Vergleichsbildern das Panel des Surface Pro 4.
CalMAN 5 zeigt, dass die Fortschritte in anderen Bereichen geringer ausfallen. Die größten Verbesserungen zeigen sich bei der durchschnittlichen DeltaE-Abweichung von der sRGB Referenz der Graustufen und der Mischfarben mit lediglich 3,8 bzw. 3,61 (vorher 6,53 bzw. 4,72). Der Gammawert ist mit 2,16 beinahe identisch (und sehr nah am Idealwert von 2,2), und die Farbtemperatur ist mit 5.969 K etwas zu warm (Surface Pro 3 war mit 6.707 K besser). Insgesamt bewegen sich die Abweichungen aber im Rahmen, und die Genauigkeit fällt bei den meisten Konkurrenten schlechter aus.
Reaktionszeiten (Response Times) des Displays
| ↔ Reaktionszeiten Schwarz zu Weiß | ||
|---|---|---|
| 31 ms ... steigend ↗ und fallend ↘ kombiniert | ↗ 6 ms steigend | |
| ↘ 25.2 ms fallend | ||
| Die gemessenen Reaktionszeiten sind langsam und dadurch für viele Spieler wahrscheinlich zu langsam. Im Vergleich rangierten die bei uns getesteten Geräte von 0.1 (Minimum) zu 240 (Maximum) ms. » 84 % aller Screens waren schneller als der getestete. Daher sind die gemessenen Reaktionszeiten schlechter als der Durchschnitt aller vermessenen Geräte (19.9 ms). | ||
| ↔ Reaktionszeiten 50% Grau zu 80% Grau | ||
| 46 ms ... steigend ↗ und fallend ↘ kombiniert | ↗ 17.2 ms steigend | |
| ↘ 28.8 ms fallend | ||
| Die gemessenen Reaktionszeiten sind langsam und dadurch für viele Spieler wahrscheinlich zu langsam. Im Vergleich rangierten die bei uns getesteten Geräte von 0.165 (Minimum) zu 636 (Maximum) ms. » 78 % aller Screens waren schneller als der getestete. Daher sind die gemessenen Reaktionszeiten schlechter als der Durchschnitt aller vermessenen Geräte (31.2 ms). | ||
Wir haben beim Surface Pro 4 zwei neue Tests durchgeführt, einmal für PWM (Pulsweitenmodulation) und zudem für die Reaktionszeiten des Panels. Bei der geringsten Helligkeit konnten wir kein PWM (kein Flackern) feststellen, es gibt also auch bei geringen Helligkeitseinstellungen keine Einschränkungen im Hinblick auf die Bildqualität. Die gemessenen Reaktionszeiten sind allerdings ziemlich langsam: 6 ms (Rise) und 25 ms (Fall) beim Wechsel von Schwarz auf Weiß sowie 17,2 ms (Rise) und 28,8 ms (Fall) beim Wechsel von Grau zu Grau.
Update [01.12.2015]: Nachdem uns ein Leserhinweis erreicht hat, dass das Surface Pro 4 doch PWM nutzen soll, haben wir es nochmals überprüft (die Core i5 Variante mit neuester Firmware und Treibern) und können dies teilweise bestätigen. Wenn die Panelleuchtkraft unter 50 Prozent gesenkt wird, können wir Helligkeitsschwankungen mit einer Frequenz von 50 Hz feststellen (nun auch mit abgestecktem Netzteil). In einem dunklen Raum kann dies sogar mit bloßem Auge beobachtet werden. Dabei scheint es sich jedoch um kein klassisches PWM zu handeln, sondern vielmehr um eine an sich konstant flackernde Hintergrundbeleuchtung. Es ist ebenfalls möglich, dass dies mit einem von Microsoft verteiltem Firmware-Update zusammenhängt, weshalb die Problematik bei unserer ersten Messung noch nicht feststellbar war. Bei dieser haben wir Helligkeitsschwankungen nur mit angeschlossenem Netzteil wahrgenommen.
Im Freien lässt sich das Surface Pro 4 dank der guten Helligkeit und dem hohen Kontrast zumindest im Schatten einwandfrei benutzen. In helleren Umgebungen wird die Sichtbarkeit aber durch das stark spiegelnde Glas-Display beeinträchtigt. Dank der IPS-Technologie fällt die Blickwinkelstabilität sehr gut aus.
Leistung
Das Surface Pro 4 ist in verschiedenen Konfigurationen erhältlich, angefangen beim Intel Core m3-6Y30 bis hin zu einem Core-i7-Prozessor. Es stehen jeweils verschiedene Ausstattungen zur Wahl, allerdings gibt es hierbei Einschränkungen: Das Modell mit dem Intel Core m3 ist ausschließlich mit 4 GB Arbeitsspeicher und einer 128-GB-SSD erhältlich. Bei Modellen mit dem Core i5 stehen 4 oder 8 GB RAM zur Verfügung, aber nur Letztere ist mit 256 GB Speicher erhältlich. Bei der Core-i7-Version hat man die Wahl zwischen 8 und 16 GB Arbeitsspeicher sowie einer 256 oder 512 GB großen SSD. Die Preise fangen bei 999 Euro für das Core-m3-Modell an und hören erst bei 2.449 Euro für die Core-i7-Version (16 GB RAM, 512-GB-SSD) auf. Wie wir bereits erwähnt haben, beinhaltet keine der Konfigurationen das Type Cover.
Bei unserem Testgerät handelt es sich um die günstigste Version, genauer gesagt das Intel-Core-m3-6Y30-Modell mit 4 GB RAM und einer 128-GB-NVMe-SSD. Es ist zudem die einzige Version, die komplett passiv gekühlt werden kann; alle anderen Modelle haben einen Lüfter und sind daher auch etwas größer und schwerer (der Unterschied ist aber nicht groß). Unsere 4 GB LPDDR3-Arbeitsspeicher (1.866 MHz) arbeiten in einer Dual-Channel-Konfiguration, was bei allen Versionen der Fall sein sollte.
Überraschenderweise wird die Leistung im Akkubetrieb nicht reduziert; ein zweiter 3DMark-11-Durchlauf ermittelte 1.351 Punkte, was unser ursprüngliches Resultat sogar übersteigt. LatencyMon zeigt keinerlei Einschränkungen bei dem Streamen von Echtzeit-Audio- oder -Video-Material auf dem Surface Pro 4.
Prozessor
Laut unseren Messungen bewegt sich die Leistung des Core m3-6Y30 auf dem Niveau des Core i3-5010U. Der m3-6Y30 basiert auf der neuen Skylake Architektur. Der Zweikernprozessor arbeitet mit einer Geschwindigkeit von 0,9–2,2 GHz (zwei Kerne: 2,0 GHz) und wird in einem 14-nm-Prozess hergestellt. Mit einer TDP von lediglich 4,5 Watt ist der Chip deutlich sparsamer als der schwächste Prozessor des alten Surface Pro 3, dessen Core i3-4020Y mit 11,5 Watt spezifiziert war.
Das deutet natürlich auf eine geringere Leistung hin, aber die Frage ist, wie viel geringer? Bei dauerhafter Auslastung in langen Benchmarks sind die Defizite gegenüber den 15-Watt-Chips mit Turbo Boost ziemlich deutlich, aber in allen anderen Situationen schlägt sich der Core m3 im Surface Pro 4 sogar besser als der zuvor erwähnte Core i3-4020Y des kleinen Surface Pro 3, welches noch aktiv gekühlt werden musste. Das liegt vor allem an dem fehlenden Turbo Boost des Core-i3-Modells, wohingegen der m3 je nach Situation bis zu 2,2 GHz erreichen kann. Falls der Chip also genügend Spielraum bei der TDP und den Temperaturen hat, sollte er den i3 in den meisten Situation locker abhängen.
Und das Surface Pro 4 enttäuscht in dieser Hinsicht nicht. In Super Pi 32M liegt das durchschnittliche Ergebnis für den Core i3-4020Y bei mittelmäßigen 1.220 Sekunden, unser Surface Pro 4 mit dem Core m3 benötigt aber nur 898 Sekunden. Das gilt auch für wPrime, wo der m3 mit 788 Sekunden deutlich schneller arbeitet als der Core i3 (1.118 Sekunden). Gegen den schnelleren Core i5 hat der Core m3 natürlich keine Chance; der i5-4300U im Surface Pro 3 ist mit 671 Sekunden (Super Pi) und 491 Sekunden (wPrime) beispielsweise 25 bis 38 Prozent schneller – ein deutlicher Unterschied. Das gilt auch für den Vergleich mit dem XPS 13-9343 und dem aktuellen Surface Book. Wunder vollbringt das Surface Pro 4 also nicht, aber seinen Turbo Boost setzt es sehr gut ein.
In dem Cinebench R11.5 64 Bit Multi-Test erreicht der Core m3 2,27 Punkte. Damit liegt er klar vor dem Core i3-4020Y mit 1,6 Punkten, fällt aber hinter das Surface Pro 3 mit dem Core i5 (2,77 Punkte, +22%) und vor allem das Surface Book (3,42 Punkte, +51%) zurück.
| Super Pi Mod 1.5 XS 32M - 32M (nach Ergebnis sortieren) | |
| Microsoft Surface Pro 4, Core m3 | |
| Microsoft Surface Pro 3 | |
| Dell XPS 13-9343 | |
| Dell XPS 13-9350 | |
| Microsoft Surface Book Core i5 | |
* ... kleinere Werte sind besser
Aber wie sieht es im Vergleich zu anderen Tablets aus? Da die genannten Benchmarks nur unter Windows laufen, haben wir einige Browser Benchmarks durchgeführt. Die Ergebnisse sind in der nachfolgenden Tabelle aufgeführt.
| Octane V1 - Total Score (nach Ergebnis sortieren) | |
| Microsoft Surface Pro 4, Core m3 | |
| Apple iPad Air 2 2014 | |
| Peacekeeper - --- (nach Ergebnis sortieren) | |
| Microsoft Surface Pro 4, Core m3 | |
| Apple iPad Air 2 2014 | |
| Apple iPad Mini 4 | |
* ... kleinere Werte sind besser
System Performance
Beim Betrieb ist die allgemeine Systemleistung aber entscheidender als die reine Prozessorleistung. Subjektiv fühlt sich das Surface Pro 4 auf keinen Fall langsam an; Programme starten schnell, Installationen sind schnell abgeschlossen und es vergehen nur wenige Sekunden, bis das Gerät aus dem Standby aufwacht.
Für eine objektivere Betrachtung kommen die Benchmarks der PCMark Reihe zum Einsatz. PCMark 7 ermittelt 4.274 Punkte für das Surface Pro 4, was auf eine sehr gute Leistung hindeutet. Allerdings schneiden das XPS 13-9343 Touch (4.934 Punkte, +15%), das Surface Pro 3 mit dem Core i5 (5.066 Punkte, +19%) und das Surface Book (5.135 Punkte, +20%) noch besser ab. PCMark 8 Home Accelerated zeigt hingegen 2.426 Punkte, womit das Surface Pro 6 Prozent hinter dem XPS 13 (2.582 Punkte) bzw. 16 Prozent hinter dem Surface Book (2.814 Punkte) liegt. Wir möchten jedoch betonen, dass alle diese Ergebnisse sehr gut sind, und trotz der schnelleren Konkurrenten mit deutlich höheren TDPs sind die Einschränkungen bei der Leistung sehr gering. Vor allem in Anbetracht der fehlenden aktiven Kühlung und der sehr geringen TDP von 4,5 Watt ist das eine beachtliche Leistung.
| PCMark 7 - Score (nach Ergebnis sortieren) | |
| Microsoft Surface Pro 4, Core m3 | |
| Microsoft Surface Pro 3 | |
| Dell XPS 13-9343 | |
| Microsoft Surface Book Core i5 | |
| Dell XPS 13-9350 | |
| Microsoft Surface Pro 4, Core i5, 128GB | |
| PCMark 7 Score | 4274 Punkte | |
| PCMark 8 Home Score Accelerated v2 | 2426 Punkte | |
| PCMark 8 Creative Score Accelerated v2 | 2968 Punkte | |
| PCMark 8 Work Score Accelerated v2 | 3186 Punkte | |
Hilfe | ||
Massenspeicher
NVMe-SSDs bieten in der Theorie deutliche Vorteile für mobile Geräte, aber noch ist die Technologie (und auch die Kompatibilität) nicht ganz ausgereift. Das macht sich aktuell vor allem durch niedrige Schreibgeschwindigkeiten und in einigen Fällen auch höhere Stromverbräuche bemerkbar. Das ist uns zuerst im Test des XPS 13-9350 aufgefallen, aber auch bei der Samsung MZFLV128 im Surface Pro 4 können wir das gleiche Verhalten beobachten.
Das wird dann auch von den Benchmarks bestätigt. AS SSD ermittelt Lesegeschwindigkeiten von 795,84 MB/s (sequentiell) und 465,23 MB/s (4K-64), welche die Ergebnisse des Surface Pro 3 (493,72 MB/s, +38%; 358,34 MB/s, -23%) deutlich übertreffen. Bei der Schreibleistung ist es aber das genaue Gegenteil, wo wir nur 72,12 MB/s (sequentiell) bzw. 42,01 MB/s (4K-64) ermitteln konnten (Surface Pro 3: 303,05 MB/s und 215,04 MB/s). Damit war der Vorgänger etwa vier- bis fünfmal so schnell wie das Surface Pro 4, was aufgrund der vermeintlichen Vorteile der NVMe-SSDs doch überraschend ist. Interessanterweise hatte das Surface Book, welches ebenfalls mit einer NVMe-SSD ausgestattet war, diese Probleme nicht und erreichte ein Gesamtergebnis von 2.712 Punkten in AS SSD, was deutlich vor dem Surface Pro 3 (965 Punkte) und dem Surface Pro 4 (896 Punkte) liegt. Möglicherweise kann hier ein Firmware-Update helfen.* CrystalDiskMark 3.0 ermittelt jedoch deutlich höhere Schreibwerte, es sollte in der Praxis also nicht zu Problemen kommen.
*Nachtrag (13.11.2015): Nach der Fertigstellung dieses Tests haben wir eine Lösung für unser Problem entdeckt: Das Installieren des Samsung-NVMe-Treibers von der offiziellen Webseite korrigiert die Werte in den 4K-Tests von AS SSD, und auch CrystalDiskMark ermittelt eine etwas bessere Leistung. Wir haben die AS-SSD-Ergebnisse in unserer Datenbank daher aktualisiert.
| Microsoft Surface Pro 4, Core m3 HD Graphics 515, 6Y30, Samsung MZFLV128 NVMe | Microsoft Surface Pro 3 HD Graphics 4400, 4300U, Hynix HFS128G3MNM | Microsoft Surface Book Core i5 Maxwell GPU (940M, GDDR5), 6300U, Samsung MZFLV256 NVMe | Dell XPS 13-9350 HD Graphics 520, 6200U, Samsung PM951 NVMe MZ-VLV256D | |
|---|---|---|---|---|
| AS SSD | 10% | 79% | -9% | |
| Score Total (Points) | 1759 | 965 -45% | 2712 54% | 1744 -1% |
| Score Write (Points) | 189 | 319 69% | 394 108% | 60 -68% |
| Score Read (Points) | 1060 | 430 -59% | 1566 48% | 1147 8% |
| Seq Write (MB/s) | 138.1 | 303 119% | 275.2 99% | 152.6 10% |
| Seq Read (MB/s) | 845 | 493.7 -42% | 1223 45% | 1243 47% |
| 4K-64 Write (MB/s) | 112 | 215 92% | 281.4 151% | 43.79 -61% |
| 4K-64 Read (MB/s) | 944 | 358.3 -62% | 1409 49% | 989 5% |
| CrystalDiskMark 3.0 | 40% | 59% | ||
| Write 4k QD32 (MB/s) | 149.2 | 294.4 97% | 151.5 2% | |
| Read 4k QD32 (MB/s) | 243.7 | 345 42% | 244.7 0% | |
| Write 4k (MB/s) | 68 | 76.2 12% | 113 66% | |
| Read 4k (MB/s) | 30.14 | 20.81 -31% | 38.52 28% | |
| Write 512 (MB/s) | 158.2 | 324.6 105% | 308.6 95% | |
| Read 512 (MB/s) | 313.1 | 357.8 14% | 684 118% | |
| Write Seq (MB/s) | 158.2 | 324 105% | 307.7 95% | |
| Read Seq (MB/s) | 663 | 501 -24% | 1097 65% | |
| Durchschnitt gesamt (Programm / Settings) | 25% /
26% | 79% /
79% | 25% /
27% |
Grafikkarte
Das Surface Pro 3 war zwar mit einer durchaus fähigen integrierten Grafikkarte ausgestattet, wurde jedoch durch das Drosseln unter Last ausgebremst. Die Intel HD Graphics 515 im Surface Pro 4 scheint in dieser Hinsicht trotz der geringeren TDP etwas besser aufgestellt zu sein. In 3DMark 2013 Ice Storm erreicht die GPU sehr gute 42.046 Punkte und liegt nur knapp hinter dem XPS 13-9343 (46.293 Punkte, +10%) und dem Surface Book (49.514 Punkte, +18%), aber schlägt locker die 29.229 Punkte (-30%) des Surface Pro 3. Das gilt auch für den Fire-Strike-Test: Während das Surface Pro 3 nur 483 Punkte erreichte, liegt das Surface Pro 4 bei überraschend guten 740 Punkten und liegt damit ziemlich gleichauf mit dem XPS 13-9343 (746 Punkte), aber die dedizierte Nvidia GeForce 940M im Surface Book hat mit 1.886 Punkten (+155 %) natürlich einen deutlichen Vorteil.
| 3DMark | |
| 1920x1080 Fire Strike Score (nach Ergebnis sortieren) | |
| Microsoft Surface Pro 4, Core m3 | |
| Microsoft Surface Pro 3 | |
| Microsoft Surface Book Core i5 | |
| Dell XPS 13-9350 | |
| 1280x720 Cloud Gate Standard Score (nach Ergebnis sortieren) | |
| Microsoft Surface Pro 4, Core m3 | |
| Microsoft Surface Pro 3 | |
| Microsoft Surface Book Core i5 | |
| Dell XPS 13-9350 | |
| 3DMark 11 - 1280x720 Performance (nach Ergebnis sortieren) | |
| Microsoft Surface Pro 4, Core m3 | |
| Microsoft Surface Pro 3 | |
| Microsoft Surface Book Core i5 | |
| Dell XPS 13-9350 | |
| 3DMark 06 Standard Score | 7733 Punkte | |
| 3DMark 11 Performance | 1344 Punkte | |
| 3DMark Ice Storm Standard Score | 42046 Punkte | |
| 3DMark Cloud Gate Standard Score | 4604 Punkte | |
| 3DMark Fire Strike Score | 740 Punkte | |
Hilfe | ||
| min. | mittel | hoch | max. | |
|---|---|---|---|---|
| BioShock Infinite (2013) | 52.4 | 26.93 | 22.66 | |
| Metro: Last Light (2013) | 30.41 | 18.21 | 9.02 |
Emissionen
Geräuschemissionen
Die Core-m3-Konfiguration des Surface Pro 4 wird im Gegensatz zu den leistungsstärkeren Geschwistern passiv gekühlt. Abgesehen von einem sehr leisen elektronischen Geräusch aus der oberen rechten Ecke arbeitet das Gerät daher lautlos.
Temperatur
Aufgrund des fehlenden Lüfters waren wir natürlich auf die Temperaturentwicklung des Surface Pro 4 mit dem Core m3 gespannt. Unter Berücksichtigung der höheren Umgebungstemperatur (+6,5 °C) beim Test des alten Surface Pro 3 fällt ein direkter Vergleich allerdings schwer. Die Messungen des Surface Pro 4 liegen mit 37,8 °C bzw. 36,9 °C im akzeptablen Bereich. Zudem gibt es auf beiden Seiten einen Hotspot oben in der Mitte mit 43,6 °C (vorne) und 45,2 °C (hinten).
In der Praxis wird es aber kaum zu solchen Temperaturen kommen. Ja, das Gerät wird bei starker Belastung punktuell unangenehm warm, aber die Werte an den beiden Seiten (wo die Hände das Gerät festhalten) sind deutlich geringer im niedrigen 30-°C-Bereich. Bei dem Betrieb auf dem Schoß gibt es zudem keine Probleme. Durch den Kickstand ist das zwar nicht die bequemste Lösung, aber das Type Cover hat keine eigenen Komponenten (z. B. Akku oder zusätzliche Grafikkarte), die sich erwärmen könnten. Im Alltag sollte es also keine Einschränkungen geben.
(±) Die maximale Temperatur auf der Oberseite ist 43.6 °C. Im Vergleich liegt der Klassendurchschnitt bei 35.4 °C (von 19.6 bis 60 °C für die Klasse Convertible).
(-) Auf der Unterseite messen wir eine maximalen Wert von 45.2 °C (im Vergleich zum Durchschnitt von 36.9 °C).
(+) Ohne Last messen wir eine durchschnittliche Temperatur von 29.8 °C auf der Oberseite. Der Klassendurchschnitt erreicht 30.3 °C.
(±) Die Handballen und der Touchpad-Bereich können sehr heiß werden mit maximal 36.8 °C.
(-) Die durchschnittliche Handballen-Temperatur anderer getesteter Geräte war 28 °C (-8.8 °C).
Stresstest
Mit den guten Ergebnissen bei den Temperaturen des Surface Pro 4 waren wir gespannt, wie die Komponenten mit hoher Auslastung zurechtkommen. Dazu kommt unser synthetischer Stresstest zum Einsatz.
Bei der maximalen Auslastung des Prozessors kann dieser tatsächlich seinen vollen Turbo-Takt von 2 GHz aufrechterhalten und wird dabei gerade einmal 51 °C warm – auf jeden Fall ein beeindruckendes Ergebnis, was auch den Vorsprung gegenüber dem Surface Pro 3 in den CPU-Benchmarks erklärt. Bei voller GPU-Auslastung läuft die Grafikkarte zunächst mit 798 MHz, pendelt sich dann aber bei 648-698 MHz und einer Temperatur von 62 °C ein.
Die kombinierte Auslastung ist natürlich ein schwieriges Szenario für ein Tablet mit Limitierungen bei der TDP und den Temperaturen. Der Prozessor fällt in diesem Fall auf 1 GHz, und die Grafikkarte bewegt sich zwischen 599 MHz und 648 MHz mit gelegentlichen Einbrüchen auf nur 149 MHz. Die Temperaturen liegen erneut bei 62 °C, was demnach die Obergrenze für das Surface Pro 4 darstellt.
Die temperaturbedingten Einschränkungen haben in der Praxis aber glücklicherweise keinen Einfluss auf die Leistungsfähigkeit. Ein 3DMark-11-Durchlauf direkt im Anschluss an den Stresstest ergab 1.349 Punkte und ist damit beinahe identisch zu dem Ergebnis im kalten Zustand.
Lautsprecher
Die beiden Lautsprecher auf der Vorderseite des Surface Pro 4 klingen überraschend gut und sind zudem angemessen laut. Mit tiefen und mittleren Tönen haben die winzigen Module jedoch ihre Schwierigkeiten, weshalb Musikliebhaber vorzugsweise externe Lautsprecher bzw. Kopfhörer nutzen sollten.
Akkulaufzeit
Im Vergleich mit dem Surface Pro 3 muss das neue Surface Pro 4 mit einem etwas kleineren Akku auskommen (von 42,2 Wh auf 38,2 Wh). Allerdings ist der neue Chipsatz auch deutlich sparsamer, was die geringere Kapazität ausgleichen sollte. Auf der anderen Seite gibt es aber auch einen (minimal) größeren Bildschirm mit einer höheren Auflösung und deutlich helleren Hintergrundbeleuchtung. All diese Faktoren können einen erheblichen Einfluss auf den Stromverbrauch haben.
Das ist dann auch der Fall, denn das Surface Pro 4 erreicht nur 13 Stunden und 11 Minuten unter bestmöglichen Bedingungen (minimale Helligkeit, WLAN deaktiviert) sowie 2 Stunden und 18 Minuten bei voller Auslastung (Battery Eater Pro Classic Test, maximale Helligkeit). Diese extremen Szenarien spielen in der Praxis jedoch keine große Rolle und stecken jeweils die zu erwartende Laufzeit nach oben und unten ab.
Deutlich interessanter ist daher unser WLAN-Test. Im Gegensatz zu allen anderen Benchmarks sind die Ergebnisse des Surface Pro 3 und Surface Pro 4 allerdings nicht direkt vergleichbar, da wir den Benchmark in der Zwischenzeit angepasst haben. Der Test ist nun deutlich anspruchsvoller und bildet die Belastungen im Alltag unserer Erfahrung nach besser ab. Der WLAN-Test v1.3 (Browser-Skript, 150 cd/m²) ermittelte eine Laufzeit von 8 Stunden und 8 Minuten für das Surface Pro 4, womit das Surface Book (6:42 h) um rund 1,5 Stunden übertroffen wird. Selbst die Full-HD-Version des Dell XPS 13-9350 muss früher wieder an die Steckdose.
Aber was bedeutet das jetzt im Vergleich zum Vorgänger? Das Surface Pro 3 hielt im alten Test 8 Stunden und 24 Minuten durch, womit das Surface Pro 4 mit dem Core m3 bei normaler Belastung trotz dem helleren und höher aufgelösten Bildschirms sowie dem kleineren Akku ausdauernder sein sollte.
| Microsoft Surface Pro 4, Core m3 | Microsoft Surface Pro 3 | Apple iPad Air 2 2014 | Dell XPS 13-9343 | Microsoft Surface Book Core i5 | Dell XPS 13-9350 | |
|---|---|---|---|---|---|---|
| Akkulaufzeit | 15% | 62% | 8% | 10% | 0% | |
| Idle (h) | 13.2 | 18.3 39% | 22.7 72% | 15.2 15% | 17.8 35% | 13 -2% |
| WLAN (h) | 8.1 | 6.7 -17% | 7.5 -7% | |||
| Last (h) | 2.3 | 2.1 -9% | 3.5 52% | 2.3 0% | 2.6 13% | 2.5 9% |
| WLAN (alt) (h) | 8.4 | 10.5 | 9.7 | |||
| H.264 (h) | 9.4 | 10.1 |
Pro
Contra
Fazit
Das Bestreben nach immer mehr Leistung ist natürlich verlockend, aber es führt nicht immer zum gewünschten Ziel. Wir weisen in unseren Tests oft darauf hin, dass ein tolles Mainstream-Gerät in der Regel durch eine ausgewogene Konfiguration definiert wird. Darum ist auch das Intel-Core-m3-Modell des Surface Pro 4 so wichtig: Dank der passiven Kühlung unterscheidet es sich grundlegend von den anderen Versionen des Surface Pro 4, und es überzeugt noch mit einer ganz anderen Eigenschaft.
Denn neben den wichtigen Vorteilen des geringen Stromverbrauchs, dem lautlosen Betrieb, der vermutlich besseren Akkulaufzeit und den nicht vorhandenen beweglichen Teilen (die anfälliger sind für Schäden), muss der normale Anwender in der Praxis nur sehr wenige Kompromisse eingehen. Ja, die CPU-Leistung liegt unter dem Surface Pro 3, welches wir mit dem Core i5 getestet haben – aber die Systemleistung fällt nicht so weit zurück wie befürchtet, und es kommt in der Praxis zudem nicht zu Throttling. Der Rückstand von rund 20 Prozent (CPU) ist also kein großes Problem, da der subjektive Leistungseindruck immer noch sehr gut ist.
Dazu kommen natürlich noch die unzähligen weiteren Verbesserungen aller Surface-Pro-4-Modelle. Das Display ist nicht nur deutlich heller, es hat zudem eine höhere Auflösung mit geringeren Farbabweichungen und einer größeren Farbraumabdeckung. Auch das Type Cover hat sich verbessert; anstatt eines mittelmäßigen Tastaturersatzes erhält man nun eine tolle Eingabe, die es mit Ultrabooks aufnehmen kann. Das gilt übrigens auch für das Touchpad. Der Surface-Stift ist nun standardmäßig im Lieferumfang enthalten und wurde ebenfalls verbessert.
Es steht außer Frage, dass es sich beim Surface Pro 4 um die bisher beste Interpretation des Surface Konzeptes handelt. Zudem ist es das erste Surface, welches trotz der Limitierungen tatsächlich einen traditionellen Laptop ersetzen könnte.
Natürlich gibt es aber auch noch negative Aspekte. Die Anschlussvielfalt mit nur einem USB-3.0-Anschluss und dem DisplayPort lässt im Vergleich zu anderen Notebooks weiterhin sehr zu wünschen übrig. Zudem ist es nicht möglich, das Gerät zu warten. Auch der Preis ist recht hoch für ein Tablet, und zusammen mit dem Type Cover (150 Euro) klettert der Grundpreis von 999 Euro schnell auf 1.150 Euro. Das Problem mit der recht unbequemen Nutzung auf den Oberschenkeln wurde auch noch nicht gelöst.
Das Surface Pro 4 ist ein einzigartiges Produkt mit ganz bestimmten Vorteilen – und nach all den Versionen macht das Konzept endlich mehr Sinn. Ob es sich auch für Sie als sinnvoll zeigt, ist natürlich eine ganz andere Frage, aber zumindest uns hat das Gerät ziemlich beeindruckt.
Microsoft Surface Pro 4, Core m3
- 18.04.2016 v5.1 (old)
Steve Schardein























































































