Test Dell XPS 13 9350 2016 InfinityEdge (i5, FHD) Notebook

Anfang dieses Jahres haben wir das XPS XPS 13-9343 ausführlich getestet und waren von den Ergebnissen sehr beeindruckt. Zum Zeitpunkt der Veröffentlichung handelte es sich dank dem extrem schmalen Bildschirmrahmen (lediglich 5,2 mm oben und an den beiden Seiten) laut Dell um den kleinsten 13-Zoll-Laptop der Welt. Mit einem Gewicht von nur 1.276 Gramm (für die Non-Touch-Version) war das Gerät zudem sehr leicht.
Es gab jedoch auch einige Kritikpunkte, inklusive der eingeschränkten Anschlussvielfalt, dem Throttling bei maximaler Last und dem manchmal lauten Lüfter. Einigen Nutzern ist zudem schnell die fehlende Kontrolle über die automatische Helligkeitsregelung aufgefallen – uns hatte das während des Tests nicht gestört, aber natürlich sollte der Anwender hier Einfluss nehmen können. Insgesamt war das Notebook aber dennoch ein beachtliches Gerät, wir haben es sogar das "vermutlich vollkommenste ultraportable Notebook, das wir bisher gesehen haben" genannt. Und damit waren wir nicht alleine; einige Monate später teilt ein großer Teil der Community unsere Meinung.
Es ist also nicht weiter überraschend, dass Dell recht konservativ vorgeht und sein XPS 13 Late 2015 nur behutsam weiterentwickelt. Das Design des XPS 13-9350 bleibt identisch, der einzige sichtbare Unterschied betrifft die Anschlüsse mit Thunderbolt 3 (mit USB 3.1 Gen2 Unterstützung), der den alten Mini-DisplayPort ablöst. Die größte Veränderung gibt es jedoch im Inneren des Gehäuses: ein brandneuer Skylake-Chipsatz samt Intel-Core-i5-6200U-Prozessor in Verbindung mit der vielversprechenden HD Graphics 520 sowie 8 GB DDR3L-RAM. Der neue Chipsatz verspricht eine höhere Effizienz und deutlich mehr Grafikleistung. Zudem ist unser Testgerät mit einer 256 GB fassenden NVMe-PCIe-SSD ausgerüstet, die leistungstechnisch deutlich besser dastehen sollte als der Vorgänger. Am Preis hat sich indes nicht viel verändert: Unsere Testkonfiguration kostet im amerikanischen Dell-Shop 1.149 US-Dollar. Im deutschen Onlineshop von Dell ist das entsprechende Modell für 1.299 Euro (zzgl. Versand) erhältlich.
Aufgrund der zahlreichen Anfragen zum größeren Bruder Dell XPS 15 InfinityEdge (siehe auch unsere Modellübersicht) möchten wir an dieser Stelle darauf hinweisen, dass wir Informationen seitens Dell zufolge Mitte November ein erstes Testgerät erwarten und dieses, ebenso wie das XPS 13, natürlich auch in allen relevanten Konfigurationen ausführlich testen werden.
Unseren mittlerweile fertig gestellten Test des Dell XPS 13 mit QHD+-Display und Intel Core-i7 CPU finden Sie hier.
Gehäuse
Wie wir bereits erwähnt haben, hat sich beim Gehäuse in den letzten acht Monaten nichts geändert, aber "sexy" ist immer noch die beste Beschreibung für das 1,226 kg leichte XPS 13. Das beinahe rahmenlose Design – mit einem 13,3-Zoll-Display in einem 11-Zoll-Gehäuse – erscheint futuristisch, zudem entsteht durch den schwarzen Kohlefaserwerkstoff an der Handballaneauflage und den Eingabegeräten ein hochwertiger Eindruck. Das Gerät ist nicht auffällig – sondern selbstbewusst.
Von einem ergonomischen Standpunkt aus zeigen sich die Materialien überaus komfortabel. Die leichte Soft-Touch-Oberfläche schmeichelt den Handgelenken und auch das glatte Touchpad aus Glas ist in jeder Hinsicht perfekt. Die Gelenke halten den Bildschirm sehr sicher in Position und können jegliches Nachwippen verhindern – was vor allem bei der mobilen Verwendung in einem Auto oder einem Zug ein Vorteil ist. Lediglich die Handballenauflage könnte für lange Hände etwas größer ausfallen – das ist allerdings der kompakten Konstruktion geschuldet und keinesfalls ein Design-Fehler.
Die Stabilität steht dem Erscheinungsbild glücklicherweise in nichts nach und kann sogar mit hochwertigen Business-Geräten konkurrieren. Bei normalem Druck lässt sich die Baseunit überhaupt nicht eindrücken und dank der langen Gummifüße an beiden Seiten des Unterbodens steht das Gerät sehr sicher auf einem harten Untergrund. Der Bildschirm hinterlässt trotz der dünnen Konstruktion ebenfalls einen guten Eindruck. Mit viel Kraft lässt sich der Deckel zwar leicht verbiegen, aber es kommt nicht zu Bildstörungen. Das gilt übrigens auch für Druck von hinten.
Bei den Wartungsmöglichkeiten sieht die Situation nicht ganz so gut aus, allerdings ist nicht alles verloren. Nachdem man acht Torx- und eine Kreuzschraube (unter der Platte mit dem XPS-Logo) gelöst hat, kann die gesamte Unterseite vorsichtig entfernt werden. Es gibt allerdings noch einige dünne Plastik-Clips, man sollte also aufpassen, sie nicht zu beschädigen. Bei unserem Versuch ist uns genau das bei einem Clip passiert. Wenn der Deckel dann einmal entfernt wurde, erhält man Zugriff auf die wichtigen austauschbaren Komponenten: den Akku, die SSD, das WLAN-Modul, die BIOS-Batterie sowie die Kühlung (Heatpipe + Lüfter). Der Arbeitsspeicher wurde direkt auf das Mainboard gelötet und lässt sich daher nachträglich nicht erweitern. Man sollte sich also vor dem Kauf überlegen, wie viel RAM man benötigt.
Ausstattung
Einer der größten Kritikpunkte des XPS 13-9343 war die begrenzte Anschlussausstattung – genauer gesagt die Tatsache, dass es insgesamt nur zwei USB-Anschlüsse gab. Die Ausmaße des XPS 13-9350 haben sich nicht verändert, und auch intern wird kaum mehr Platz für Anschlüsse zur Verfügung stehen. Dell hat sich daher entschieden, den Mini-DisplayPort gegen einen Thunderbolt-3-Anschluss auszutauschen (bis zu 40 Gbit/s in beide Richtungen) – der ebenfalls als USB 3.1 Gen 2 (bis zu 10 Gbit/s in beide Richtungen) genutzt werden kann. Über separat erhältliche Adapter (die von Dell noch nicht veröffentlicht wurden) lassen sich auch VGA, HDMI, Ethernet und USB-A nutzen – der Anschluss ist also deutlich vielseitiger als der alte Mini-DisplayPort, auch wenn die Videoausgabe etwas erschwert wird. Vorhandene Adapter von anderen Herstellern funktionieren übrigens auch.
Kommunikation
Ein weiterer kleiner Nachteil des XPS 13-9343 war die mittelmäßige WLAN-Leistung. Wir können zwar nicht behaupten, dass sich das neue 9350 in dieser Beziehung extrem gut schlägt, wir konnten jedoch eine etwas bessere Reichweite bemerken. Das liegt an der neuen Dell Wireless 1820A 802.11ac-Karte, bei der es sich um einen 2x2-Adapter mit der Unterstützung von 2,4-GHz- sowie 5-GHz-Netzwerken handelt. Zudem steht Bluetooth 4.1 zur Verfügung.
Aufgrund der dünnen Konstruktion lässt sich ein normales Netzwerkkabel nur mit einem speziellen Adapter nutzen. Diese sind aber mittlerweile weit verbreitet, weshalb es keinen großen Nachteil darstellt.
Zubehör
Das XPS 13-9350 wird nur mit dem normalen 45-Watt-Netzteil ausgeliefert, welches 260 Gramm wiegt und sich nicht von dem Modul des vorherigen XPS 13 unterscheidet.
Es gibt jedoch eine Vielzahl von optionalen Zubehörartikeln. Zu den interessantesten Produkten gehören der Dell Power Companion (den wir im Test des XPS 13-9343 genauer untersucht haben), der zuvor genannte USB-C-Adapter auf HDMI/VGA/Ethernet/USB (in Kürze erhältlich), der Dell 4-in-1-Adapter, die Premier Schutzhülle (ebenfalls im Artikel des XPS 13-9343 behandelt) und abschließend das Dell Thunderbolt Dock TB15 (ab 2016).
Garantie
In Deutschland liegt der standardmäßige Garantiezeitraum bei einem Jahr. Neben einem Premium-Telefon-Support ist auch ein Vor-Ort-Service am nächsten Arbeitstag enthalten. Gegen Aufpreis lässt sich der Service auf 2 (+119 €), 3 (+209 €) oder 4 Jahre (+289 €) erweitern.
Eingabegeräte
Tastatur
Bei der Tastatur des XPS 13 hat sich, wenn überhaupt, nur wenig verändert. Man bekommt erneut ein Chiclet-Modell mit einem kurzen Anschlag, welches aber dennoch eine gute Rückmeldung bietet. Die einzelnen Tasten sind dabei sehr leise und daher auch bei höheren Tippgeschwindigkeiten komfortabel zu nutzen. Eine Hintergrundbeleuchtung mit zwei Helligkeitsstufen (plus "Aus") gibt es ebenfalls.
Alles in allem kommt die Tastatur nicht ganz an hochwertige Business-Geräte heran (wie beispielsweise das Dell Latitude oder Lenovo ThinkPad), und je nach persönlichen Vorlieben können auch andere Ultrabooks einen Vorteil haben (z. B. das HP EliteBook Folio 1040 G2). Trotzdem ist die Eingabe sehr gut, vor allem, wenn man das extrem dünne Profil berücksichtigt.
Touchpad
Das Präzisions-Touchpad lässt sich erneut hervorragend bedienen und unterscheidet sich nicht vom Vorgänger. Wir können unsere Eindrücke daher kurz wiederholen: Es ist präzise, glatt, ausreichend groß und auch die integrierten Tasten funktionieren sehr gut. Gesten werden erneut fehlerfrei interpretiert.
Display
Kurz nach dem ursprünglichen Test des XPS 13-9343 mit einem Touchscreen haben wir eine zweite Konfiguration mit einem matten 1080p-Panel ohne Touch-Funktionalität erhalten. Die Vorteile dieser Option – abgesehen von dem Unterschied matt vs. spiegelnd – sollten die längeren Akkulaufzeiten und natürlich der deutlich geringere Preis im Vergleich zur QHD+-Touch-Variante sein. Letzterer ist für das XPS 13-9350 weiterhin erhältlich – und falls man von den Ergebnissen des Vorgängers ausgeht, bietet er neben der höheren Auflösung von 3.200 x 1.800 Pixeln auch einen besseren Kontrast und eine höhere Luminanz. Laut Dell gibt es bisher jedoch mehr Bestellungen für die Full-HD-Variante.
Unser Testgerät verwendet das gleiche Display wie das vorherige XPS 13-9343: Ein mattes IPS-Display mit einer Auflösung von 1.920 x 1.080 Pixeln und einer Diagonalen von 13,3 Zoll, welches oben und an den Seiten von einem nur 5 mm breiten Rahmen umgeben wird. Aus der Auflösung und der Größe ergibt sich eine Pixeldichte von 166 PPI, was in der Praxis ausreicht, aber natürlich nicht an den extrem hohen Wert des QHD+-Panels (276 PPI) herankommt. Laut Dell hat sich auch an der Helligkeit (400 cd/m²) nichts geändert, allerdings weicht unser ermitteltes Ergebnis von durchschnittlich 276 cd/m² deutlich von der Vorgabe und auch dem Vorgänger ab.
(Hinweis der Redaktion: Wir werden das Display erneut testen, um sicherzugehen, dass die automatische Helligkeitsregelung (Firmware) die Ergebnisse nicht verfälscht hat. Falls nötig, werden wir unseren Test aktualisieren).
Der Schwarzwert ist mit nur 0,191 cd/m² allerdings auch spürbar geringer, was insgesamt zu einem deutlich höheren Kontrastverhältnis von 1.453:1 führt. Die Ausleuchtung fällt mit 88 Prozent etwas schlechter aus, subjektiv erkennt man aber trotzdem keinen Unterschied.
| |||||||||||||||||||||||||
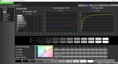
Ausleuchtung: 88 %
Helligkeit Akku: 277.5 cd/m²
Kontrast: 1453:1 (Schwarzwert: 0.191 cd/m²)
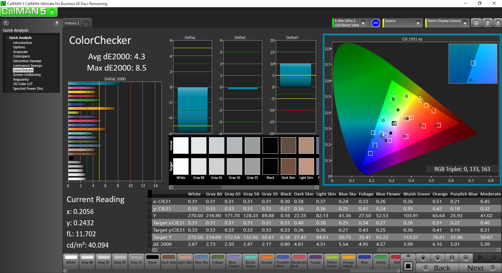
ΔE ColorChecker Calman: 4.88 | ∀{0.5-29.43 Ø4.74}
ΔE Greyscale Calman: 4.26 | ∀{0.09-98 Ø4.98}
65.79% sRGB (Argyll 1.6.3 3D)
41.6% AdobeRGB 1998 (Argyll 1.6.3 3D)
45.97% AdobeRGB 1998 (Argyll 3D)
66.8% sRGB (Argyll 3D)
44.53% Display P3 (Argyll 3D)
Gamma: 2.59
CCT: 6562 K
| Dell XPS 13-9350 | Dell XPS 13-9343 | Dell XPS 13-9343 Non-Touch | Apple MacBook Air 13 inch 2015-03 | Microsoft Surface Book Core i5 | |
|---|---|---|---|---|---|
| Display | 54% | 42% | -10% | 48% | |
| Display P3 Coverage (%) | 44.53 | 72 62% | 65.9 48% | 40.1 -10% | 67 50% |
| sRGB Coverage (%) | 66.8 | 96 44% | 89.6 34% | 59.8 -10% | 95.8 43% |
| AdobeRGB 1998 Coverage (%) | 45.97 | 71.6 56% | 66.2 44% | 41.51 -10% | 68.9 50% |
| Response Times | |||||
| Response Time Grey 50% / Grey 80% * (ms) | 48.4 ? | ||||
| Response Time Black / White * (ms) | 32.8 ? | ||||
| PWM Frequency (Hz) | |||||
| Bildschirm | 19% | -5% | -12% | 33% | |
| Helligkeit Bildmitte (cd/m²) | 277.5 | 367.3 32% | 409.7 48% | 329 19% | 430.9 55% |
| Brightness (cd/m²) | 276 | 372 35% | 405 47% | 310 12% | 410 49% |
| Brightness Distribution (%) | 88 | 77 -12% | 93 6% | 82 -7% | 93 6% |
| Schwarzwert * (cd/m²) | 0.191 | 0.178 7% | 0.366 -92% | 0.405 -112% | 0.254 -33% |
| Kontrast (:1) | 1453 | 2063 42% | 1119 -23% | 812 -44% | 1696 17% |
| Delta E Colorchecker * | 4.88 | 5.92 -21% | 7.67 -57% | 3.96 19% | 2.06 58% |
| Delta E Graustufen * | 4.26 | 4.79 -12% | 4.66 -9% | 3.51 18% | 2.22 48% |
| Gamma | 2.59 85% | 2.42 91% | 1.65 133% | 3.83 57% | 2.13 103% |
| CCT | 6562 99% | 7013 93% | 6502 100% | 6711 97% | 6520 100% |
| Farbraum (Prozent von AdobeRGB 1998) (%) | 41.6 | 63 51% | 59.65 43% | 38.4 -8% | 64 54% |
| Color Space (Percent of sRGB) (%) | 65.79 | 96.4 47% | 59.8 -9% | 96 46% | |
| Colorchecker dE 2000 max. * | 7.51 | ||||
| Durchschnitt gesamt (Programm / Settings) | 37% /
28% | 19% /
8% | -11% /
-12% | 41% /
37% |
* ... kleinere Werte sind besser
Laut unseren Messungen deckt das Panel 66 Prozent des sRGB-Farbraums ab, womit die Vorgabe von Dell (72 %) nicht ganz erreicht wird. Subjektiv wirken die Farben aber dennoch ordentlich und produzieren ein kräftiges Bild. Die AdobeRGB-Abdeckung ist mit 42 % entsprechend geringer. Für die meisten Anwender sollte das ausreichen, aber für (semi-) professionelle Grafikarbeiten eignet sich das Display damit nicht.
Weitere Messungen mit der Software CalMAN 5 zeigen bereits im Werkszustand eine ziemlich akkurate Farbwiedergabe und auch gute Ergebnisse in den anderen Tests. Die DeltaE-2000-Abweichungen für die Farben (4,88) und die Graustufen (4,26) haben sich im Vergleich zum 1080p-Modell des XPS 13-9343 (7,67 und 4,66) verbessert und fallen sogar besser aus als bei dem QHD+-Modell. Gamma-Wert (2,59, ideal: 2,2) und Farbtemperatur (6.562 K, ideal 6.500 K) fallen ebenfalls sehr gut aus. Obwohl einige Farben etwas stärker abweichen (DeltaE-2000-Abweichung von 6 und 7), sollten die Ergebnisse für alltägliche Aufgaben ausreichen.
Schattige Umgebungen stellen dank der matten Oberfläche und dem guten Kontrast kein Problem dar. In der Sonne wird es erwartungsgemäß etwas schwieriger, was vor allem an der vergleichsweise geringen Helligkeit liegt. Die Blickwinkel des IPS-Panels sind exzellent; Farben und Helligkeit sind aus fast allen Richtungen sehr stabil.
Abschließend möchten wir noch zwei Dinge anmerken. Bei unserem XPS 13-9350 handelt es sich um ein Vorserien-Gerät, das bei hoher Auslastung Probleme mit starkem Bildflackern hatte. Dieses Problem wurde von Dell bestätigt und soll bei allen Produktionsgeräten behoben sein; es gibt daher keine Abwertung.
Der zweite Punkt betrifft eine "Funktion" (siehe weiter oben) des XPS 13-9343, bei der die Helligkeit automatisch an den Bildschirminhalt angepasst wird. Dies ist bei Laptops nicht unüblich, um Strom zu sparen, und kann in der Regel im Treiber angepasst werden. Beim XPS 13 konnte der Anwender dieses Verhalten jedoch nicht beeinflussen und die Regelung war immer aktiv. Das aktuelle Gerät nutzt diesen Firmware-basierten Stromsparmechanismus ebenfalls, aufgrund der hohen Nachfrage hat Dell jedoch ein Tool veröffentlicht, mit dem der Anwender diese Funktion deaktivieren (bzw. reaktivieren) kann. Wir konnten dieses Tool bisher nicht testen, aber wir wollen trotzdem auf die Verfügbarkeit hinweisen.
Leistung
Schon das XPS 13-9343 musste sich bei der Leistung keinesfalls verstecken und erreichte ziemlich beeindruckende Ergebnisse für solch ein kleines Gerät. Dank dem schnelleren Speicher (PCIe-SSD und RAM) und natürlich dem neuen Prozessor, sollte das XPS 13-9530 sogar noch besser abschneiden. Abgesehen von den GPU-Verbesserungen, die ebenfalls deutlich sein sollen, dürfte der Prozessor jedoch nicht der ausschlaggebende Faktor sein. Bei modernen Notebooks, und vor allem Ultrabooks, kommt es vielmehr auf die Festplatte und den Arbeitsspeicher an, da sie oftmals den Flaschenhals des Systems darstellen.
In Deutschland gibt es nur eine Konfiguration mit weniger als 8 GB Arbeitsspeicher, aber bei allen Modellen kommt mindestens ein Core-i5-Prozessor zum Einsatz. Alle anderen Versionen sind mit 8 GB RAM, einige der teureren Core-i7-Modelle sogar mit 16 GB RAM ausgerüstet, was vor allem Power-User freuen dürfte. Zumindest arbeiten alle Speichervarianten in einer Dual-Channel-Konfiguration und mit einem Takt von 1.866 MHz, was eine Verbesserung gegenüber dem XPS 13-9343 bedeutet. Jedes Modell nutzt eine Solid State Disk mit Kapazitäten zwischen 128 GB und 1 TB. Besonders hervorzuheben sind hierbei die PCIe-SSDs, die man ab einer Kapazität von 256 GB bekommt. Das ist auch bei unserem Testgerät der Fall. Zusätzlich gibt es nun den Broadwell-Nachfolger Skylake, der eine bessere Effizienz verspricht. Im Vergleich zu anderen Architekturwechseln fallen die Verbesserungen jedoch recht moderat aus.
Die teuerste Version des XPS 13-9350 (UVP 2.199 €) verwendet einen Core i7-6500U, 16 GB RAM, eine 1-TB-PCIe-SSD sowie den QHD+-Touchscreen. Unser Testmodell ist mit dem Core i5-6200U samt Intel HD Graphics 520, 8 GB Dual-Channel LPDDR3-RAM (1.866 MHz) und einer 256 GB großen PCIe-SSD ausgestattet. Aktuell ist diese Konfiguration im deutschen Onlineshop von Dell für 1.299 Euro erhältlich.
Die Leistung bleibt unabhängig von der Stromversorgung konstant, da ein zweiter 3DMark-06-Durchlauf im Akkubetrieb keine Veränderung zeigt (9.987 Punkte). LatencyMon ermittelt keine Beeinträchtigungen bei der Bearbeitung von Echtzeit-Aufgaben im Audio- und Videobereich (siehe Screenshots für weitere Details).
Prozessor
Das XPS 13-9350 ist entweder mit einem Core i5-6200U oder einem Core i7-6500U erhältlich. Unsere Testkonfiguration nutzt den schwächeren Core-i5-Prozessor, der auf der Skylake-Architektur basiert und in einem 14-nm-Prozess hergestellt wird. Die beiden Kerne können bei Bedarf mit 2,3 bis 2,8 GHz (zwei aktive Kerne max. 2,7 GHz) betrieben werden, wenn ausreichend Spielraum bei dem Verbrauch (TDP) vorhanden ist. Die Leistungssteigerung gegenüber dem Broadwell-Vorgänger dürfte recht moderat ausfallen und der neue Chip sollte etwa auf dem Niveau (bzw. leicht darunter) des alten Core i7-5500U arbeiten. Die Verbesserung bei der Leistung-pro-MHz liegt bei unter 5 Prozent im Vergleich zum Vorgänger. Die TDP des Core i5-6200U ist unverändert bei 15 Watt (für CPU, GPU und Speichercontroller), womit sich diese CPU für Ultrabooks eignet.
Bisher haben wir nur ein Gerät mit dieser Prozessor-/Grafikkaten-Kombination getestet – das HP Spectre x360 13-4104ng – aber unser Dell liegt in fast jedem Test vorne. Tatsächlich liegt die Leistung sehr viel näher am HP EliteBook Folio 1040 G2 mit dem Core i7-5600U. In superPi 32M benötigt das XPS 13 710 Sekunden und schlägt damit sowohl das HP Spectre (752 s) als auch das XPS 13-9343 Touch (744 s), hat aber nur einen kleinen Vorsprung gegenüber dem XPS 13-9343 Non-Touch (717 s). Das MacBook Air 13 (2015) mit dem Intel Core i7-5650U benötigt hingegen nur 610 Sekunden und schlägt alle zuvor genannten Geräte deutlich.
Cinebench R11.5 64 Bit ermittelt im Multi-Core-Test 3,19 Punkte, womit das HP Spectre (2,7 Punkte) sowie die beiden Vorgänger XPS 13-9343 Touch/Non-Touch (2,33/2,85) klar geschlagen werden. Unser Testgerät liegt sogar knapp vor dem EliteBook Folio 1040 G2 und dem MacBook Air 13, die jeweils auf 3,14 Punkte kommen. Die Ergebnisse in Cinebench 15 sind recht ähnlich, denn das XPS 13-9350 hat mit 287 Punkten erneut einen komfortablen Vorsprung auf die beiden Vorgänger (Touch: 217, Non-Touch: 260) und liegt erneut knapp vor dem EliteBook Folio (277), allerdings hat das MacBook Air 13 dieses Mal die Nase vorne (296 Punkte). Wir müssen jedoch erwähnen, dass es sich bei der CPU im MacBook um ein 28-Watt-Modell (TDP) handelt, während der Prozessor in unserem XPS 13 mit 15 Watt spezifiziert ist. Selbst das MacBook Pro Retina 13, welches über 350 Gramm (29 %) mehr wiegt, erreicht "nur" 321 Punkte und liegt daher lediglich 12 Prozent vor unserem XPS 13. Das kürzlich veröffentlichte Microsoft Surface Book mit einer etwas besseren CPU (Core i5-6300U) erreicht 305 Punkte und hat somit einen Vorsprung von rund 10 Prozent. Insgesamt sind das aber hervorragende Ergebnisse für solch ein kompaktes System.
Weitere Informationen und Benchmarks zum Core i5-6200U stehen in unserer Technik-Sektion zur Verfügung, die kontinuierlich aktualisiert wird.
| Cinebench R11.5 | |
| CPU Single 64Bit (nach Ergebnis sortieren) | |
| Dell XPS 13-9350 | |
| Dell XPS 13-9343 | |
| Dell XPS 13-9343 Non-Touch | |
| HP EliteBook Folio 1040 G2 H7W22EA | |
| Apple MacBook Air 13 inch 2015-03 | |
| Microsoft Surface Book Core i5 | |
| Apple MacBook Pro Retina 13 inch 2015-03 | |
| Apple MacBook Pro Retina 13 inch 2015-03 | |
| CPU Multi 64Bit (nach Ergebnis sortieren) | |
| Dell XPS 13-9350 | |
| Dell XPS 13-9343 | |
| Dell XPS 13-9343 Non-Touch | |
| HP EliteBook Folio 1040 G2 H7W22EA | |
| Apple MacBook Air 13 inch 2015-03 | |
| Microsoft Surface Book Core i5 | |
| Apple MacBook Pro Retina 13 inch 2015-03 | |
| Apple MacBook Pro Retina 13 inch 2015-03 | |
| Cinebench R15 | |
| CPU Single 64Bit (nach Ergebnis sortieren) | |
| Dell XPS 13-9350 | |
| Dell XPS 13-9343 | |
| Dell XPS 13-9343 Non-Touch | |
| HP EliteBook Folio 1040 G2 H7W22EA | |
| Apple MacBook Air 13 inch 2015-03 | |
| Microsoft Surface Book Core i5 | |
| Apple MacBook Pro Retina 13 inch 2015-03 | |
| CPU Multi 64Bit (nach Ergebnis sortieren) | |
| Dell XPS 13-9350 | |
| Dell XPS 13-9343 | |
| Dell XPS 13-9343 Non-Touch | |
| HP EliteBook Folio 1040 G2 H7W22EA | |
| Apple MacBook Air 13 inch 2015-03 | |
| Microsoft Surface Book Core i5 | |
| Apple MacBook Pro Retina 13 inch 2015-03 | |
| wPrime 2.10 | |
| 32m (nach Ergebnis sortieren) | |
| Dell XPS 13-9350 | |
| Dell XPS 13-9343 | |
| Dell XPS 13-9343 Non-Touch | |
| HP EliteBook Folio 1040 G2 H7W22EA | |
| Apple MacBook Air 13 inch 2015-03 | |
| Microsoft Surface Book Core i5 | |
| 1024m (nach Ergebnis sortieren) | |
| Dell XPS 13-9350 | |
| Dell XPS 13-9343 | |
| Dell XPS 13-9343 Non-Touch | |
| HP EliteBook Folio 1040 G2 H7W22EA | |
| Apple MacBook Air 13 inch 2015-03 | |
| Microsoft Surface Book Core i5 | |
| Super Pi Mod 1.5 XS 32M - 32M (nach Ergebnis sortieren) | |
| Dell XPS 13-9350 | |
| Dell XPS 13-9343 | |
| Dell XPS 13-9343 Non-Touch | |
| HP EliteBook Folio 1040 G2 H7W22EA | |
| Apple MacBook Air 13 inch 2015-03 | |
| Microsoft Surface Book Core i5 | |
| Apple MacBook Pro Retina 13 inch 2015-03 | |
* ... kleinere Werte sind besser
System Performance
Subjektiv fühlt sich das XPS 13-9350 in jeder Situation schnell an. Es gibt in der Praxis eigentlich kaum Situationen, bei denen es mal zu Verzögerungen kommt. Anwendungen werden schnell gestartet, Installationen sind schnell abgeschlossen und auch beim Surfen im Internet gibt es keine Einschränkungen.
Um diese Leistung etwas objektiver zu betrachten, verwenden wir die Benchmarks der PCMark Reihe. PCMark 7 ermittelt ein Gesamtergebnis von 4.989 Punkten und PCMark 8 (Home Accelerated v2) 2.983 Punkte. Beide Resultate deuten auf ein überaus flinkes System hin. Auch die beiden Vorgänger werden knapp geschlagen (Touch: 4.934, Non-Touch: 4.745), das HP EliteBook Folio 1040 G2 (5.295) und das MacBook Air 13 (5.205) sind aber schneller. Auch das neue Microsoft Surface Book hat einen leichten Vorsprung mit 5.135 Punkten (+3%), während das größere MacBook Pro Retina 13 in diesem Test seine Muskeln spielen lässt (5.620 Punkte). Das gilt auch für den PCMark 8 Home-Test (2.983 Punkte): Während die beiden Vorgänger erneut geschlagen werden (Touch: 2.582, Non-Touch: 2.935), liegen das EliteBook Folio (3.100) und das MacBook Air (3.579) vorne.
An der Leistung des Testgerätes gibt es allerdings nur wenig auszusetzen, denn in der Praxis sind alle genannten Systeme sehr schnell und es ist unwahrscheinlich, dass man einen Leistungsunterschied bemerken würde.
| PCMark 7 Score | 4989 Punkte | |
| PCMark 8 Home Score Accelerated v2 | 2983 Punkte | |
| PCMark 8 Creative Score Accelerated v2 | 3658 Punkte | |
| PCMark 8 Work Score Accelerated v2 | 4078 Punkte | |
Hilfe | ||
Massenspeicher
Eine der interessanteren Neuerungen des XPS 13-9350 gegenüber seinen Vorgängern (und auch beinahe allen anderen Ultrabooks) ist die neue NVMe-PCIe-SSD. Abgesehen von der kleinsten Konfiguration des XPS 13-9350 (128 GB) kommt solch ein Laufwerk in jedem Modell zum Einsatz. Ein Vorteil der neuen Technik sollen durchweg bessere Leistungsdaten aufgrund der optimierten PCIe-Schnittstelle (u.a. geringere Zugriffszeiten) sein.
Bei der Kapazität hat man die Wahl zwischen der konventionellen M.2-SSD mit 128 GB bis hin zu einer 1 TB großen NVMe-PCIe-SSD. In unserem Testgerät steckt das 256-GB-Modell, genauer gesagt die Samsung PM951 NVMe-SSD. Mit sequentiellen Leseraten von 1.147 MB/s in AS SSD handelt es sich um ein sehr schnelles Laufwerk, welches die Ergebnisse der beiden Vorgänger (Touch: 425, Non-Touch: 441) und des HP EliteBook Folio 1040 G2 quasi pulverisiert. Für die 1.281 MB/s des MacBook Air reicht es jedoch nicht ganz. Die sequentielle Schreibleistung fällt allerdings bescheidener aus, denn hier messen wir nur 152 MB/s. Es ist immer noch ein ordentlicher Wert, aber der Touch-Vorgänger (416,78 MB/s) und das extrem schnelle MacBook Air (1.001 MB/s) haben einen deutlichen Vorteil. Lediglich die alte Non-Touch-Version des XPS 13 fällt mit 119,58 MB/s etwas zurück. Das extrem niedrige Schreibergebnis in AS SSD (nur 60 Punkte) weist auf einen Treiberkonflikt mit Windows 10 hin, denn eine Transferrate von weniger als 1 MB/s beim Schreiben von 4K-Blöcken macht keinen Sinn. Aktuell scheint es einige Probleme mit NVMe-SSDs und dem Benchmark AS SSD zu geben. Festzuhalten ist, dass es sich um eine sehr schnelle SSD und eine deutliche Verbesserung gegenüber dem alten XPS 13 handelt, auch wenn die Schreibleistung im Vergleich nicht besonders hoch ausfällt.
Grafikkarte
Die Spezifikationen des neuen XPS 13-9350 deuten darauf hin, dass sich vor allem die Grafikleistung deutlich verbessert hat. Das liegt an der neuen Intel HD Graphics 520, die für einen integrierten Chip ziemlich vielversprechend klingt. Ein weiterer Vorteil ist der schnellere Takt des Dual-Channel-RAMs (1.866 MHz), da sich die GPU den Arbeitsspeicher mit dem restlichen System teilt.
Wir starten unsere Tests mit den synthetischen 3DMarks. Cloud Gate ermittelt ein exzellentes Ergebnis (für eine integrierte GPU) von 5.931 Punkten, womit die beiden Vorgänger um 13 (Non-Touch: 5.136) bzw. 15 Prozent (Touch: 5.025) geschlagen werden. Auch das HP Elitebook Folio 1040 G2 (5.322) fällt um 10 Prozent zurück, während das MacBook Air (6.061) nochmal 2 Prozent schneller ist. Im 3DMark 11 erreicht unser Testgerät 1.558 Punkte und liegt damit 27 % / 29 % vor den alten XPS-13-Modellen und 6 % vor dem MacBook Air (1.459).
Mit diesen Werten sollte das XPS 13-9350 in der Lage sein, neue Spiele zumindest mit niedrigen Details (und nach Möglichkeit in niedrigeren Auflösungen) flüssig darzustellen. Für die bessere Vergleichbarkeit haben wir einige ältere Titel getestet (siehe nachfolgende Tabelle).
| 3DMark 11 | |
| 1280x720 Performance (nach Ergebnis sortieren) | |
| Dell XPS 13-9350 | |
| Dell XPS 13-9343 | |
| Dell XPS 13-9343 Non-Touch | |
| HP EliteBook Folio 1040 G2 H7W22EA | |
| Apple MacBook Air 13 inch 2015-03 | |
| Microsoft Surface Book Core i5 | |
| Apple MacBook Pro Retina 13 inch 2015-03 | |
| 1280x720 Performance GPU (nach Ergebnis sortieren) | |
| Dell XPS 13-9350 | |
| Dell XPS 13-9343 Non-Touch | |
| HP EliteBook Folio 1040 G2 H7W22EA | |
| Apple MacBook Air 13 inch 2015-03 | |
| Microsoft Surface Book Core i5 | |
| Apple MacBook Pro Retina 13 inch 2015-03 | |
| 3DMark 06 Standard Score | 9313 Punkte | |
| 3DMark 11 Performance | 1558 Punkte | |
| 3DMark Ice Storm Standard Score | 52625 Punkte | |
| 3DMark Cloud Gate Standard Score | 5931 Punkte | |
| 3DMark Fire Strike Score | 861 Punkte | |
Hilfe | ||
| min. | mittel | hoch | max. | |
|---|---|---|---|---|
| Metro 2033 (2010) | 31.33 | 19.67 | 9.67 | |
| StarCraft 2 (2010) | 49 | 32 | 21 | |
| BioShock Infinite (2013) | 54.7 | 28.16 | 23.7 | 7.33 |
Emissionen
Geräuschemissionen
Ein Nachteil des alten XPS 13-9343 war der nervige Lüfter unter Last. Es war jedoch kein ernstzunehmendes Problem, da Situationen mit solch hoher Belastung in der Praxis nur sehr selten auftreten. Und selbst in diesem Fall lag das Problem eher bei der Frequenz des Surrens und nicht der Lautstärke selbst.
Das XPS 13-9350 scheint dieses Problem vollständig beseitigt zu haben, was sowohl für die Geräuschcharakteristik (subjektiv) als auch die geringere Drehzahl unter Last gilt. Die ermittelten Werte liegen durchschnittlich bei 28,2 dB(A) im Leerlauf und nur 30,2 dB(A) unter Last. Die Vorgänger erreichten unter Last noch 31 dB(A) bzw. 34 dB(A), während wir beim HP EliteBook Folio G2 36,4 dB(A) und beim MacBook Air 13 bis zu 40,2 dB(A) messen konnten. Noch mehr Kontrolle erhält man über die Anwendung Dell Command Power Manager, mit der sich die Lautstärke noch genauer einstellen lässt.
Lautstärkediagramm
| Idle |
| 28.2 / 28.3 / 28.4 dB(A) |
| Last |
| 30.2 / 30.2 dB(A) |
![]() | ||
30 dB leise 40 dB(A) deutlich hörbar 50 dB(A) störend |
||
min: | ||
| Dell XPS 13-9350 | Dell XPS 13-9343 | Dell XPS 13-9343 Non-Touch | Apple MacBook Air 13 inch 2015-03 | Microsoft Surface Book Core i5 | |
|---|---|---|---|---|---|
| Geräuschentwicklung | -19% | -8% | -19% | -15% | |
| Idle min * (dB) | 28.2 | 30.2 -7% | 29 -3% | 29.2 -4% | 29.5 -5% |
| Idle avg * (dB) | 28.3 | 30.3 -7% | 29.1 -3% | 29.2 -3% | 29.6 -5% |
| Idle max * (dB) | 28.4 | 30.4 -7% | 29.2 -3% | 29.2 -3% | 29.7 -5% |
| Last avg * (dB) | 30.2 | 34.4 -14% | 31.1 -3% | 40.2 -33% | 37.5 -24% |
| Last max * (dB) | 30.2 | 48 -59% | 38.4 -27% | 46.3 -53% | 40.9 -35% |
* ... kleinere Werte sind besser
Temperatur
Welche Auswirkungen hat die reduzierte Lüftergeschwindigkeit auf die Temperaturen? Zumindest im Vergleich mit dem Non-Touch XPS 13-9343 (welches vermutlich eine neuere BIOS-Version als das Touch-Modell benutzt hat, um die Probleme mit dem lauten Lüfter zu beseitigen) fast gar keine. Die durchschnittlichen Werte fallen beinahe identisch aus: XPS 13-9350: 34,5 °C / 34,1 °C vs. XPS 13-9343: 33,8 °C / 34,1 °C auf der Ober- bzw. Unterseite – allerdings war die Umgebungstemperatur beim alten Modell auch 2,5 °C höher. In Anbetracht des deutlich leiseren Lüfters ist das ein ziemlich beeindruckendes Ergebnis. Das alte Touch-Modell war unter Last zwar einige Grad kühler, im Gegenzug aber auch deutlich lauter. Das HP EliteBook Folio 1040 G2 (33,7 °C / 36,8 °C) wird im Vergleich wärmer und lauter, während sich das MacBook Air 13 im gleichen Temperaturbereich bewegt, mit 40,2 dB(A) jedoch deutlich lauter wird.
(-) Die maximale Temperatur auf der Oberseite ist 45.2 °C. Im Vergleich liegt der Klassendurchschnitt bei 35.9 °C (von 21.4 bis 59 °C für die Klasse Subnotebook).
(-) Auf der Unterseite messen wir eine maximalen Wert von 45.2 °C (im Vergleich zum Durchschnitt von 39.2 °C).
(+) Ohne Last messen wir eine durchschnittliche Temperatur von 27 °C auf der Oberseite. Der Klassendurchschnitt erreicht 30.8 °C.
(+) Die Handballen und der Touchpad-Bereich sind mit gemessenen 30.8 °C kühler als die typische Hauttemperatur und fühlen sich dadurch kühl an.
(-) Die durchschnittliche Handballen-Temperatur anderer getesteter Geräte war 28.2 °C (-2.6 °C).
| Dell XPS 13-9350 | Dell XPS 13-9343 | Dell XPS 13-9343 Non-Touch | Apple MacBook Air 13 inch 2015-03 | Microsoft Surface Book Core i5 | |
|---|---|---|---|---|---|
| Hitze | 5% | 4% | 6% | 12% | |
| Last oben max * (°C) | 45.2 | 40.6 10% | 44.6 1% | 43.8 3% | 44.2 2% |
| Last unten max * (°C) | 45.2 | 41.2 9% | 44.8 1% | 42.1 7% | 41.2 9% |
| Idle oben max * (°C) | 30.4 | 31.2 -3% | 28.8 5% | 28.5 6% | 26 14% |
| Idle unten max * (°C) | 31.2 | 30.6 2% | 28.8 8% | 28.9 7% | 23.8 24% |
* ... kleinere Werte sind besser
Stresstest
Natürlich musste auch das XPS 13-9350 durch unseren Stresstest, damit wir die Leistungsfähigkeit bei anhaltender Last für die CPU und die GPU überprüfen können. Zunächst belasten wir die CPU zu 100 Prozent, was aber kein Problem für das XPS ist. Von Beginn an laufen beide Kerne mit den vollen 2,7 GHz und können den Takt die ganze Zeit aufrechterhalten. Die Temperatur war mit 84 °C allerdings schon recht hoch, zu thermischem Throttling kam es aber nicht und auch das Gehäuse wurde nicht unangenehm warm. Last für die Grafikkarte wird ähnlich gut verkraftet: Der Takt bleibt stabil bei 950 MHz, während der Chip eine Temperatur von 83 °C erreicht.
Kombinierte Last für die beiden Komponenten zeigt, dass unser Testgerät die GPU bevorzugt behandelt. Während die Grafikkarte weiterhin mit den vollen 950 MHz arbeitet, kann der Prozessor nur noch zu rund 60 % ausgelastet werden und der Takt fällt auf 1,39 GHz. Die Temperaturen erreichen in diesem Fall bis zu 88 °C. Für ein Ultrabook mit eingeschränktem TDP-Spielraum schlägt sich das XPS 13 unter Last sogar ziemlich gut.
Lautsprecher
Das Dell XPS 13-9350 besitzt 1-Watt Stereo-Lautsprecher auf der Seite, die sich im Vergleich zum Vorgänger anscheinend nicht verändert haben. Daher gelten unsere Aussagen vom letzten Test: Trotz der Größe produzieren die Module einen klaren Sound mit einer beachtlichen maximalen Lautstärke. Die MaxxAudio-Software von Dell ist deutlich hilfreicher als vergleichbare Produkte bei den Konkurrenten, denn es gibt wirklich einen großen Unterschied beim Klang. Für ein Notebook dieser Größenordnung sind die Lautsprecher des XPS 13 sehr gut.
Akkulaufzeit
Die Akkukapazität des XPS 13-9530 wurde von 52 Wh auf 56 Wh (7.435 mAh) erhöht. Zusammen mit der verbesserten Effizienz der neuen CPU und des Chipsatzes sollten also auch die Laufzeiten besser ausfallen.
Unsere Messungen zeigen allerdings keinen großen Unterschied zu den vorherigen Modellen. Unter Last hält das XPS 13-9350 mit 2:30 Stunden nur 5 Minuten länger durch als das XPS 13-9343 Non-Touch (und 10 Minuten länger als die Touch-Version). Im Leerlauf (alle Funkmodule deaktiviert, minimale Helligkeit) ermitteln wir 13:02 Stunden, womit das Testgerät von den Vorgängern deutlich geschlagen wird (bis zu 21:35 Stunden beim XPS 13-9343 Non-Touch). Allerdings stellt dieser Test ein optimales Szenario dar, welches in der Praxis jedoch kaum aussagekräftig ist.
Für einen realistischeren Wert kommt unser WLAN-Test (v1.3) zum Einsatz, der die Laufzeit beim Surfen im Internet bestimmt (Ausbalanciert, Helligkeit ~150 cd/m²). In diesem Fall hält das XPS 13-9350 7:31 Stunden durch, ein sehr gutes Ergebnis. Das XPS 13-9343 Touch erreichte zwar eine längere Laufzeit, allerdings wurde der Wert noch mit dem alten WLAN-Test ermittelt. Unser neuer Test (v1.3) ist anspruchsvoller und simuliert die Nutzung noch realistischer, aber die Ergebnisse der beiden Tests sind nicht direkt vergleichbar. Wir testen die Notebooks immer mit dem standardmäßigen Browser. Bei dem XPS 13-9343 mit Windows 8.1 kam der Internet Explorer zum Einsatz, beim XPS 13-9350 mit Windows 10 war es der Edge-Browser. Es ist durchaus möglich, dass Edge mit seinen erweiterten Funktionen (z.B. mit dem Vorladen von Webseiten) die Akkulaufzeit beeinträchtigt, weshalb wir den Test auch noch mit dem Internet Explorer durchgeführt haben. Dieses Ergebnis war beinahe eine Stunde länger (8:21 Stunden).
| Dell XPS 13-9350 | Dell XPS 13-9343 | Dell XPS 13-9343 Non-Touch | Apple MacBook Air 13 inch 2015-03 | Microsoft Surface Book Core i5 | |
|---|---|---|---|---|---|
| Akkulaufzeit | 5% | 32% | 34% | 10% | |
| Idle (h) | 13 | 15.2 17% | 21.6 66% | 26.2 102% | 17.8 37% |
| WLAN (h) | 7.5 | 10 33% | 10.3 37% | 6.7 -11% | |
| Last (h) | 2.5 | 2.3 -8% | 2.4 -4% | 1.6 -36% | 2.6 4% |
| WLAN (alt) (h) | 9.7 |
Pro
Contra
Fazit
Nach acht Monaten gehört das XPS 13 von Dell immer noch zu den besten Ultrabooks. Durch das Update erhält das kleine System einen verbesserten Chipsatz samt Prozessor, schnellere NVMe-SSDs, erweiterte RAM-Konfigurationen, mehr Grafikleistung, ein besseres Schnittstellenangebot und einen deutlich ruhigeren Lüfter. Es handelt sich nicht um das schnellste Ultrabook, das wir bisher getestet haben – einige Geräte wie das Microsoft Surface Book oder das Apple MacBook Air 13 schneiden bei der Systemleistung noch etwas besser ab. Allerdings erhält man neben der guten Leistung auch in den anderen Sektionen ein hervorragendes Produkt, weshalb das Notebook so interessant wird. Die Spitzenreiter bei den ultramobilen Notebooks werden nicht durch den Sieg in einzelnen Kategorien definiert, sondern oftmals durch eine ausgewogene Gesamtleistung.
Eine der größten Stärken des Dell XPS 13-9350 ist das gute Gesamtpaket. Ob man nun mehr Wert auf die Mobilität, die Leistung, die Vielseitigkeit, die Ergonomie, die Emissionen oder einfach nur das tolle Design legt, in jeder Kategorie vermag das XPS 13 zu überzeugen.
Im Vergleich zu den Tests der Vorgänger sind unsere Kritikpunkte deutlich unbedeutender: Die Farbraumabdeckung des Displays könnte besser sein und die Wartungs- bzw. Aufrüstmöglichkeiten sind eingeschränkt. Das war es aber auch schon, selbst nach unserem ausführlichen Test.
Handelt es sich also um das zur Zeit beste Subnotebook? Alle hier im Test genannten Konkurrenten würden die meisten Anwender vermutlich ebenso mehr als zufriedenstellen – aber das Dell XPS 13-9350 überzeugt nach wie vor mit dem tollen Design und dem besten Gesamtpaket aus Mobilität, Leistung und dem Preis.
Nachtrag zum größeren Bruder Dell XPS 15 InfinityEdge: Unseren Informationen seitens Dell zufolge erwarten wir Mitte November ein erstes Testgerät und werden dieses, ebenso wie das XPS 13 (i7, QHD+), natürlich auch in allen relevanten Konfigurationen ausführlich testen. Stay tuned!
Unseren mittlerweile fertig gestellten umfangreichen Test des Dell XPS 13 mit QHD+-Display und Intel Core-i7 CPU finden Sie hier.
Dell XPS 13-9350
- 16.02.2016 v5 (old)
Sebastian Jentsch
Erfahren Sie hier mehr über die Änderungen der neuen Bewertung mit Version 5




























































