Test Microsoft Surface Book (Core i5, 940M) Convertible

Dass Notebooks klassische Desktop-Rechner zunehmend ablösen, ist keine Neuigkeit mehr. Der nächste Schritt der Evolution ist die Verschmelzung von Tablet und Notebook. Genau hier setzen die Surface Geräte von Microsoft an, allen voran das vorliegende Surface Book. Es handelt sich im Grunde um eine leistungsstarke Surface Pro Tableteinheit (Microsoft Surface Pro 4 mit Core m3 und Surface Pro 4 mit Core i5 hier im Test), welche aber mehr als vollwertiges Notebook konzipiert ist und nicht nur als Tablet mit einer optionalen Anstecktastatur daherkommt. Im Gegensatz zu den Surface Pro Geschwistern ist die Tastatureinheit beim Surface Book standardmäßig enthalten.
Bei den Prozessoren beschränkt sich die Wahl auf einen Intel Skylake Core i5 oder i7-Chip mit der integrierten Intel-HD-520-Grafikkarte. Die dedizierte Nvidia-GPU ist optional und erhöht den Grundpreis von rund 1.500 US-Dollar um weitere 400 US-Dollar. Wenn man alle Möglichkeiten ausschöpft, erhält man zudem eine 1-TB-SSD, eine Core i7-6600U-CPU und eine dedizierte Nvidia 940M GPU für satte 3.200 US-Dollar. Unser Testgerät kostet 1.900 US-Dollar inklusive der angepassten Nvidia-Maxwell-GPU. Uns liegt ein amerikanisches Modell für den Test vor. Das Microsoft Surface Book soll ersten Informationen zufolge Anfang 2016 auch in Deutschland/Europa auf den Markt kommen.
Gehäuse
Das Design ist vielleicht minimalistisch, aber die Kanten und die eckige Form machen es eindeutig zu einem Surface Gerät, welches sich deutlich von der aktuellen MacBook Reihe von Apple unterscheidet. Ein einzigartiges Merkmal ist das sogenannte Fulcrum-Gelenk, das an das Watchband-Gelenk des Lenovo Yoga 3 Pro erinnert. Es ist Microsofts Versuch, eine stabilere Verbindung zwischen dem Display und der abnehmbaren Tastatur/Tablet zu realisieren. Detachables sind aufgrund der schweren Tablet-Sektionen eigentlich für ihre Kopflastigkeit bekannt, aber das Surface Book bietet hier eine der bisher stabilsten Lösungen und wir können nur hoffen, dass sich andere Hersteller die Konstruktion genau ansehen werden.
Es ist allerdings nicht perfekt, denn das Display weist immer noch ein gewisses Spiel auf und der maximale Öffnungswinkel beträgt nur ~130 Grad. Das Notebook lässt sich zudem nicht komplett schließen und lässt einen Spalt offen, wodurch das Gerät erheblich dicker wirkt, als es eigentlich ist. Damit wird auch der Transport in der Tasche oder dem Rucksack umkomfortabler, da ohne eine zusätzliche Hülle schnell Gegenstände und Schmutz in die Lücke eindringen können.
Abgesehen von dem Gelenk besteht das Gehäuse selbst fast vollständig aus einer matten Magnesium-Legierung. Das Tablet ist überaus stabil und weder Druck noch Verwindungsversuche machen dem Gerät etwas aus. Die Tastatur-Sektion lässt sich etwas leichter verwinden und im mittleren Bereich der Tastatur auch eindrücken, aber auch hier sollte es in der Praxis keine Einschränkungen geben.
Sowohl bei den Abmessungen als auch dem Gewicht liegt das Surface Book über vielen Ultrabooks, die es ersetzen möchte. Das Toshiba Kirabook (1,28 kg), Acer Aspire S7 (1,33 kg), Asus Zenbook UX305 (1,27 kg) und das Dell XPS 13 (1,28 kg) sind mindestens 100 Gramm leichter. Hierbei spielt auch das 13,5-Zoll-Display des Surface Book mit einem Seitenverhältnis von 3:2 eine Rolle, was hinsichtlich der Bildfläche größer ist als vergleichbare 13- oder 14-Zoll-Panels mit einer 16:9-Auflösung. Zu der Höhe und dem Gewicht der Konstruktion tragen aber auch die beiden Rechenkerne im Tablet und der Tastatur bei. Im hinteren Bereich erreicht das Surface Book 23 mm, während wir an der Vorderseite nur knapp 14 mm messen können. Das Surface Pro 4 kommt mit einer Dicke von knapp über 8 mm aus.
Das Tablet selbst wiegt 730 Gramm ohne die Tastatur und ist damit rund 20 Gramm schwerer als das 12,2 Zoll große Galaxy Note Pro 12.2 sowie das bald erhältliche 12,9 Zoll große iPad Pro.
Ausstattung
Zu den verfügbaren Anschlüssen gehören ein Mini-DisplayPort (mDP) sowie zwei vollwertige USB-3.0-Anschlüsse. Andere Anschlüsse wie RJ-45, VGA oder sogar einen vollwertigen HDMI-Ausgang sucht man allerdings vergebens. Der kleine Bildschirm ist dabei kein Grund für die eingeschränkte Auswahl, denn viele vergleichbar große Ultrabooks bieten in der Regel mehr. Ein USB-C-Anschluss oder Thunderbolt wären zudem zukunftssicherer gewesen.
Kommunikation
Um die WLAN-Verbindungen kümmert sich ein Marvell Avastar 802.11ac Dual-Band-Modul (2x2) mit einer maximalen Transferrate von 867 Mbit/s und integriertem Bluetooth 4.0. Während des Tests gab es keine Verzögerungen oder Verbindungsprobleme in einem normalen Heimnetzwerk.
Ziemlich enttäuschend ist die Tatsache, dass es für das Surface Book weder WWAN noch GPS gibt. Wir können nicht wirklich nachvollziehen, warum Microsoft eine Version mit einer 1-TB-SSD für 3.200 US-Dollar, aber keine Modelle mit WWAN-Unterstützung anbietet.
Zubehör
Es ist nicht wirklich überraschend, dass es im Microsoft Store offizielle mDP-Adapter für HDMI, RJ-45 oder VGA für jeweils 39 US-Dollar gibt. Aktuell werden aber keine offiziellen Taschen oder Schutzhüllen angeboten.
Wartung
Es gibt zwar eine Wartungsabdeckung auf der Unterseite der Tastatur-Base, aber keine sichtbaren Schrauben. Microsoft möchte offenbar nicht, dass Anwender selbst am Surface Book herumbasteln.
Garantie
Wenn man das Gerät direkt bei Microsoft kauft, liegt der Garantiezeitraum bei einem Jahr. Für weitere 250 US-Dollar gibt es ein zusätzliches Jahr und den Unfallschutz. Im Einzelhandel sind aber erfahrungsgemäß umfangreichere Optionen erhältlich.
Eingabegeräte
Tastatur
Von der Erscheinung her könnte die Tastatur mit ihrem einfachen Design und Layout auch von einen Chromebook stammen. Die Tasten bieten eine exzellente Kombination aus Hubweg und haptischer Rückmeldung, was zu einem überraschend guten Tippgefühl führt. Die Tastatur ist ausreichend groß (QWERTZ-Tasten mit 17 x 17 mm; Tastenabstand ~2,5 mm) und es gibt beinahe überhaupt kein Klappern. Die einzelnen Tasten sind stramm und wackeln nicht herum.
Die hintergrundbeleuchteten Tasten hinterlassen zwar einen guten Eindruck, aber die fehlende Helligkeitsregelung ist gewöhnungsbedürftig. Die Tastatur ist nicht via Bluetooth, sondern über Pins mit dem Tablet verbunden. Die vertikalen Pfeiltasten sind kleiner ausgeführt (halbe Größe), bieten eine weichere Rückmeldung und sind nicht so komfortabel.
Um die Tastatur korrekt zu nutzen, muss man sie anstecken, bevor man das Tablet einschaltet. Wenn man die Tastatur erst danach ansteckt, funktionieren die Tastatur, das Touchpad und die USB-Anschlüsse kurzzeitig nicht. Dieses Verhalten ist überaus merkwürdig und wir vermuten hier einen Bug. Auch die Taste zum Lösen der Verbindung funktioniert manchmal nicht auf Anhieb.
Touchpad
Mit 10,6 x 7 cm ist das Touchpad des Surface Book angesichts der Bildschirmdiagonale recht groß. Das erleichtert Multitouch-Gesten und Scroll-Gesten, zudem bietet der Mausersatz gute Gleiteigenschaften. Business-Puristen könnten sich über den fehlenden Trackpoint oder dedizierte Maustasten beklagen. "Traditionellere" Business-Notebooks der ThinkPad oder EliteBook Reihe lassen sich schneller und genauer steuern, wenn man keine externe Maus verwendet.
Touchscreen
Der kapazitive Touchscreen mit 5 Touch-Punkten lässt sich gut bedienen. Bei der Umsetzung unserer Eingaben gab es mit dem Surface Book keine Probleme. Allerdings funktioniert die automatische Bildschirmausrichtung nur über die Software. Bei Konkurrenten wie dem Lenovo Yoga 3 Pro gibt es eine Extra-Taste, um die Bedienung zu erleichtern.
Stylus
Der Surface Pen im Lieferumfang ist mit dem Eingabestift des Surface Pro 4 identisch. Jeder, der den Stift des Surface Pro 3 schon einmal benutzt hat, wird sich sofort heimisch fühlen. Neben der selben Funktionalität werden erneut 1.024 Druckstufen unterstützt. Aufgrund des großen Durchmessers ist es einer der komfortableren Eingabestifte und ähnelt vom Gewicht und der Größe her einem ganz normalen Stift.
Display
Solch einen ungewöhnlichen Bildschirm haben wir seit dem Chromebook Pixel (12,85 Zoll, 2.560 x 1.700, 3:2) nicht mehr gesehen. Das Surface Book ist mit seinem 13,5-Zoll-Display und dem Seitenverhältnis von 3:2 ziemlich einzigartig. Die native Auflösung von 3.000 x 2.000 Pixeln führt zu einer Pixeldichte von hohen 267 PPI. Subjektiv liefert der spiegelnde Bildschirm tolle Bilder und ist ganz klar ein Highlight des Notebooks/Convertibles. Es gibt keine körnigen Farben, wie man sie bei matten Panels oft bemerkt und minimales Screen-Bleeding können wir nur bei der vollen Helligkeit und einer dunklen Umgebung feststellen. Das Display selbst trägt die Bezeichnung Panasonic MEI96A2. Diese Bezeichnung wird auch bei anderen High-End-Notebooks wie dem Aorus X5, Sony Vaio Fit Multi-Flip und dem Panasonic Toughpad FZ-G1 gefunden, allerdings mit abweichenden Displaygrößen und Auflösungen.
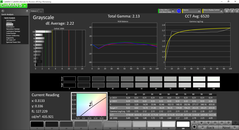
Die Werte für die Helligkeit und den Kontrast sind besser als bei den unmittelbaren Konkurrenten, inklusive dem Apple MacBook Pro Retina 13. Mit beinahe 1.700:1 (Microsoft bewirbt 1.800:1) sehen Videos auf dem Surface Book phänomenal aus, vor allem bei höheren vorliegenden Auflösungen.
| |||||||||||||||||||||||||
Ausleuchtung: 93 %
Helligkeit Akku: 430.9 cd/m²
Kontrast: 1696:1 (Schwarzwert: 0.254 cd/m²)
ΔE ColorChecker Calman: 2.06 | ∀{0.5-29.43 Ø4.74}
ΔE Greyscale Calman: 2.22 | ∀{0.09-98 Ø4.98}
96% sRGB (Argyll 1.6.3 3D)
64% AdobeRGB 1998 (Argyll 1.6.3 3D)
68.9% AdobeRGB 1998 (Argyll 3D)
95.8% sRGB (Argyll 3D)
67% Display P3 (Argyll 3D)
Gamma: 2.13
CCT: 6520 K
| Microsoft Surface Book Core i5 13.5", 3000x2000 | Apple MacBook Pro Retina 13 inch 2015-03 13.3", 2560x1600 | Toshiba KIRA-10D 13.3", 1920x1080 | Dell XPS 13-9343 Non-Touch 13.3", 1920x1080 | Microsoft Surface Pro 4, Core i5, 128GB 12.3", 2736x1824 | Microsoft Surface 3 10.8", 1920x1280 | |
|---|---|---|---|---|---|---|
| Display | -1% | 3% | -4% | -2% | 3% | |
| Display P3 Coverage (%) | 67 | 65.9 -2% | 69.1 3% | 65.9 -2% | 65 -3% | 68.8 3% |
| sRGB Coverage (%) | 95.8 | 97 1% | 98.2 3% | 89.6 -6% | 96.5 1% | 98.7 3% |
| AdobeRGB 1998 Coverage (%) | 68.9 | 67.4 -2% | 71 3% | 66.2 -4% | 67 -3% | 70.4 2% |
| Response Times | 5% | |||||
| Response Time Grey 50% / Grey 80% * (ms) | 48.4 ? | 46 ? 5% | ||||
| Response Time Black / White * (ms) | 32.8 ? | 31.2 ? 5% | ||||
| PWM Frequency (Hz) | 50 ? | |||||
| Bildschirm | -11% | -14% | -59% | -24% | -18% | |
| Helligkeit Bildmitte (cd/m²) | 430.9 | 361 -16% | 334 -22% | 409.7 -5% | 413 -4% | 399 -7% |
| Brightness (cd/m²) | 410 | 342 -17% | 316 -23% | 405 -1% | 396 -3% | 380 -7% |
| Brightness Distribution (%) | 93 | 81 -13% | 92 -1% | 93 0% | 87 -6% | 90 -3% |
| Schwarzwert * (cd/m²) | 0.254 | 0.361 -42% | 0.29 -14% | 0.366 -44% | 0.36 -42% | 0.49 -93% |
| Kontrast (:1) | 1696 | 1000 -41% | 1152 -32% | 1119 -34% | 1147 -32% | 814 -52% |
| Delta E Colorchecker * | 2.06 | 1.82 12% | 2.27 -10% | 7.67 -272% | 3.09 -50% | 1.66 19% |
| Delta E Graustufen * | 2.22 | 1.8 19% | 2.47 -11% | 4.66 -110% | 3.92 -77% | 2.75 -24% |
| Gamma | 2.13 103% | 2.49 88% | 2.36 93% | 1.65 133% | 2.3 96% | 2.22 99% |
| CCT | 6520 100% | 6417 101% | 6872 95% | 6502 100% | 7333 89% | 6358 102% |
| Farbraum (Prozent von AdobeRGB 1998) (%) | 64 | 61.9 -3% | 64 0% | 59.65 -7% | 61 -5% | 64.4 1% |
| Color Space (Percent of sRGB) (%) | 96 | 96.9 1% | 97 1% | 98.8 3% | ||
| Colorchecker dE 2000 max. * | 3.26 | 3.24 | ||||
| Durchschnitt gesamt (Programm / Settings) | -6% /
-9% | -6% /
-9% | -32% /
-44% | -7% /
-15% | -8% /
-13% |
* ... kleinere Werte sind besser
Die Farbraumabdeckung liegt bei 64 Prozent des AdobeRGB- und 96 Prozent des sRGB-Farbraums. Obwohl das für E-Mails oder die Textverarbeitung kaum von Interesse ist, werden sich Grafikdesigner über die beinahe vollständige sRGB-Abdeckung freuen. Damit liegt das Surface Book auf dem Niveau von anderen High-End-Geräten wie den Kira-Modellen von Toshiba. Normale IPS-Displays erreichen typischerweise 60-70 Prozent sRGB.
Die weiteren Analysen mit einem X-Rite Spektralfotometer zeigen schon im Werkszustand sehr genaue Werte für die Farben sowie die Graustufen. Das MacBook Pro Retina 13 ist bei den DeltaE-2000-Abweichungen nur minimal genauer. Mit zunehmender Sättigung lässt die Farbgenauigkeit ein wenig nach. Durch eine Kalibrierung (Profil oben verlinkt) können wir die Abweichungen von der sRGB-Referenz nochmal senken. Mit freiem Auge sind (wie aber auch schon im Auslieferungszustand) keine Farbabweichungen erkennbar.
Reaktionszeiten (Response Times) des Displays
| ↔ Reaktionszeiten Schwarz zu Weiß | ||
|---|---|---|
| 32.8 ms ... steigend ↗ und fallend ↘ kombiniert | ↗ 7.6 ms steigend | |
| ↘ 25.2 ms fallend | ||
| Die gemessenen Reaktionszeiten sind langsam und dadurch für viele Spieler wahrscheinlich zu langsam. Im Vergleich rangierten die bei uns getesteten Geräte von 0.1 (Minimum) zu 240 (Maximum) ms. » 88 % aller Screens waren schneller als der getestete. Daher sind die gemessenen Reaktionszeiten schlechter als der Durchschnitt aller vermessenen Geräte (19.9 ms). | ||
| ↔ Reaktionszeiten 50% Grau zu 80% Grau | ||
| 48.4 ms ... steigend ↗ und fallend ↘ kombiniert | ↗ 19.6 ms steigend | |
| ↘ 28.8 ms fallend | ||
| Die gemessenen Reaktionszeiten sind langsam und dadurch für viele Spieler wahrscheinlich zu langsam. Im Vergleich rangierten die bei uns getesteten Geräte von 0.165 (Minimum) zu 636 (Maximum) ms. » 84 % aller Screens waren schneller als der getestete. Daher sind die gemessenen Reaktionszeiten schlechter als der Durchschnitt aller vermessenen Geräte (31.2 ms). | ||
Die Outdoortauglichkeit ist im Schatten oder an einem bewölkten Tag sehr gut. Die maximale Helligkeit wird weder im Akkubetrieb noch im Solobetrieb ohne die Tastatur reduziert. Das spiegelnde Gorilla Glass 4 führt zwar zu Reflexionen, falls man diese aber vermeiden kann, lässt sich der Bildschirminhalt sogar im direkten Sonnenlicht ablesen.
Dank der IPS-Technologie sind die Blickwinkel exzellent. Die Farben und der Kontrast werden selbst aus sehr extremen Winkeln und Richtungen kaum beeinflusst, und auch die Helligkeit bleibt sehr stabil.
Leistung
Microsoft bietet das Surface Book mit nur zwei verschiedenen Skylake-Prozessoren (Core i5-6300U und Core i7-6600U) und einer optionalen und nicht weiter spezifizierten Nvidia-Maxwell-GPU an. Letztere befindet sich dabei im Tastaturdock und nicht dem Tablet selbst. Wenn die beiden nicht verbunden sind (oder wenn das Modell über keine dedizierte GPU verfügt), übernimmt die integrierte HD-Graphics-520-GPU die Bildausgabe. Eine Grafikumschaltung (Optimus) im traditionellen Sinn gibt es nicht, denn das Notebook wechselt automatisch zwischen den beiden Chips, je nachdem ob die Tastatur verbunden oder nicht verbunden ist. In diesem Fall flackert der Bildschirm kurz, was einen erfolgreichen GPU-Wechsel zeigt.
Unser Testgerät verwendet einen i5-6300U-Prozessor samt dedizierter Nvidia-Grafikkarte. Im Leerlauf arbeiten die beiden Komponenten nur mit 400 bzw. 135/202,5 MHz (Kern/Speicher). Ansonsten erreichen die CPU und die GPU aber Werte von bis zu 3 GHz bzw. 993/1.252,8 MHz via Boost.
Das Notebook ist entweder mit 8 oder 16 GB LPDDR3-RAM in einer Dual-Channel-Konfiguration erhältlich. LatencyMon zeigt nur Ausschläge, wenn das WLAN aktiv ist.
Prozessor
Das Surface Book ist eines der ersten neuen Geräte mit dem 2,4 GHz schnellen Core i5-6300U, dessen Leistung in den synthetischen CPU-Benchmarks einen sehr positiven Eindruck hinterlässt. Das Testgerät wahrt in den Cinebench Multi-Tests einen gesunden Abstand zu älteren ULV-Prozessoren wie dem Broadwell i5-5300U (bis zu 14 Prozent) und dem Haswell i5-4200U (bis zu 27 Prozent). Aufgrund der geringen Turbo-Boost-Unterschiede ist der Vorsprung in den Single-Tests nicht ganz so groß. Es handelt sich jedoch weiterhin um einen Zweikernprozessor, weshalb Quad-Core-CPUs wie der schnelle i7-4720HQ bei der Verwendung von mehreren Kernen weiterhin einen deutlichen Vorteil gegenüber dem i5-6300U haben. Im ultramobilen Bereich spielen diese Chips aber keine Rolle.
Weitere Informationen und Vergleiche zum Core i5-6300U sind in unserer Technik-Sektion verfügbar.
| Super Pi Mod 1.5 XS 32M - 32M (nach Ergebnis sortieren) | |
| Microsoft Surface Book Core i5 | |
| HP EliteBook Folio 1040 G2 H7W22EA | |
| Dell Latitude 14 7414 Rugged Extreme | |
| Lenovo IdeaPad Z40-59422614 | |
| Toshiba Tecra A50-C1510W10 | |
| Asus Transformer Book T300FA-FE001H | |
| Microsoft Surface Pro 4, Core m3 | |
* ... kleinere Werte sind besser
System Performance
Im PCMark 7 erreicht das Surface Book ein sehr hohes Ergebnis für ein Convertible. Das Endergebnis liegt mit 5.135 Punkten auf dem Niveau von älteren Gaming-Notebooks. Die PCMarks profitieren von schnellem SSD-Speicher sowie der potenten CPU-GPU-Kombination im Surface Book.
Subjektiv ist das System extrem schnell und es gibt bei der Navigation oder dem Starten von Anwendungen fast keine Verzögerungen. Der Abdockmechanismus kann sich allerdings etwas behäbig anfühlen, da er vollkommen softwaregesteuert ist. Das Tablet lässt sich nur nach dem Erscheinen der Benachrichtigung entfernen, diese bleibt aber auch nach dem erfolgreichen Abdocken noch einige Zeit präsent.
| PCMark 7 Score | 5135 Punkte | |
| PCMark 8 Home Score Accelerated v2 | 2814 Punkte | |
| PCMark 8 Creative Score Accelerated v2 | 3694 Punkte | |
| PCMark 8 Work Score Accelerated v2 | 3644 Punkte | |
Hilfe | ||
Massenspeicher
Es ist eine positive Überraschung, dass Microsoft sein Surface Book standardmäßig mit NVMe-SSDs ausrüstet, wenn man bedenkt, dass es andererseits auf DDR4-RAM verzichtet. Bisher sind NVMe-SSDs meist High-End Gaming-Notebooks vorbehalten und werden kaum bei erschwinglicheren Systemen eingesetzt.
Unser Testgerät nutzt eine 256 GB große M.2-SSD von Samsung (MZFLV256). Die sequentiellen Werte beim Lesen übersteigen normale SATA-III-SSDs mit 1.223 MB/s laut AS SSD deutlich. Zwei Lite-On SATA-III-SSDs (LMT-128M6M) in einem RAID-0-Verbund erreichen im gleichen Benchmark beispielsweise "nur" 945 MB/s. Allerdings sind die Ergebnisse unserer Samsung SSD beim sequentiellen Schreiben mit nur 275 MB/s vergleichsweise gering; hier lagen die beiden Lite-On Laufwerke bei 591 MB/s. Dieses Ergebnis liegt auf dem Niveau von vielen einzelnen SATA-III-SSDs und teilweise sogar darunter.
Weitere Informationen zu HDDs und SSDs gibt es in unserem stetig wachsenden Festplattenvergleich.
| Microsoft Surface Book Core i5 Maxwell GPU (940M, GDDR5), 6300U, Samsung MZFLV256 NVMe | Microsoft Surface Pro 3 HD Graphics 4400, 4300U, Hynix HFS128G3MNM | Apple MacBook Pro Retina 13 inch 2015-03 Iris Graphics 6100, 5257U, Apple SSD SM0128G | Dell XPS 13 9343 Core i7 HD Graphics 5500, 5500U, Samsung SSD PM851 M.2 2280 256GB | Aorus X3 Plus v3 GeForce GTX 970M, 4710HQ, 2x Lite-On LMT-256L9M (RAID 0) | Acer Aspire S7-393-75508G25EWS HD Graphics 5500, 5500U, 2x Kingston SMSR150S3256G (RAID 0) | |
|---|---|---|---|---|---|---|
| AS SSD | -47% | -57% | -48% | 16% | -17% | |
| Seq Read (MB/s) | 1223 | 493.7 -60% | 1233 1% | 515 -58% | 753 -38% | 888 -27% |
| Seq Write (MB/s) | 275.2 | 303 10% | 616 124% | 233.4 -15% | 840 205% | 357.8 30% |
| 4K Read (MB/s) | 34.31 | 22 -36% | 20.6 -40% | 26.28 -23% | 31.15 -9% | 28.69 -16% |
| 4K Write (MB/s) | 85 | 73.7 -13% | 30.2 -64% | 91.7 8% | 74.7 -12% | 132.3 56% |
| 4K-64 Read (MB/s) | 1409 | 358.3 -75% | 891 -37% | 359 -75% | 535 -62% | 322.1 -77% |
| 4K-64 Write (MB/s) | 281.4 | 215 -24% | 221.2 -21% | 181 -36% | 544 93% | 251.3 -11% |
| Access Time Read * (ms) | 0.049 | 0.087 -78% | 0.141 -188% | 0.14 -186% | 0.056 -14% | 0.109 -122% |
| Access Time Write * (ms) | 0.037 | 0.075 -103% | 0.123 -232% | 0.037 -0% | 0.049 -32% | 0.025 32% |
* ... kleinere Werte sind besser
Grafikkarte
Microsoft gibt keine genauen Spezifikationen für die Nvidia-Maxwell-GPU heraus, da es sich vermutlich um einen speziell angepassten Chip für das Surface Book handelt. Ein kurzer Blick auf GPU-Z zeigt, dass die technischen Daten der GeForce 940M ähneln, inklusive der 384 Unified Shader und der 64-Bit-Speicheranbindung. Pixelfüllrate (15,7 GPixel/s 940M vs. 15,3 GPixel/s Surface Book), Texturenfüllrate (31,4 GTexel/s vs. 30,5 GTexel/s), Speichertakt (1.001 MHz vs. 1.252 MHz) sowie der Kerntakt (980 MHz vs. 954 MHz) sind ebenfalls beinahe identisch. Der größte Unterschied liegt in der Speicherausstattung, denn Microsofts Lösung nutzt 1 GB GDDR5-VRAM anstelle von DDR3, wodurch das Surface Book in modernen Spielen theoretisch einen Vorteil haben sollte.
Die Ergebnisse in den 3DMarks bestätigen unsere Vermutungen, denn in Cloud Gate und Fire Strike liegt das Surface Book rund 20 Prozent vor der klassischen Nvidia 940M und der Intel Iris Pro Graphics 5200. Der Abstand zur 950M ist allerdings immer noch recht groß, und die reine Leistung liegt eindeutig näher an der 940M als der 950M. Nichtsdestotrotz handelt es sich um einen gewaltigen Fortschritt gegenüber der integrierten HD 4000 oder HD 5500 aus vielen Ultrabooks.
| 3DMark 06 Standard Score | 15111 Punkte | |
| 3DMark 11 Performance | 2711 Punkte | |
| 3DMark Ice Storm Standard Score | 49514 Punkte | |
| 3DMark Cloud Gate Standard Score | 7424 Punkte | |
| 3DMark Fire Strike Score | 1886 Punkte | |
| 3DMark Fire Strike Extreme Score | 279 Punkte | |
Hilfe | ||
Gaming Performance
Wie schon bei dem 3DMarks liegt die Microsoft-Nvidia-GPU auch bei den Spielen zwischen der Nvidia 950M und der 940M. In der 1080p-Auflösung lassen sich viele Titel mit niedrigen bis mittleren Details ordentlich spielen. Die native Auflösung ist in der Regel allerdings zu anspruchsvoll, außer man möchte DOTA 2 oder League of Legends mit den niedrigsten Details spielen. Aufgrund des Seitenverhältnisses eignet sich das Surface Book aber eher für die Textverarbeitung oder Büroaufgaben und nicht für Spiele oder Filme.
| Metro: Last Light | |
| 1366x768 High (DX11) AF:16x (nach Ergebnis sortieren) | |
| Microsoft Surface Book Core i5 | |
| MSI GP62-2QEi781FD | |
| Eurocom Shark 4 | |
| Lenovo ThinkPad T450s-20BWS1UT00 | |
| 1920x1080 Very High (DX11) AF:16x (nach Ergebnis sortieren) | |
| Microsoft Surface Book Core i5 | |
| MSI GP62-2QEi781FD | |
| Eurocom Shark 4 | |
| Lenovo ThinkPad T450s-20BWS1UT00 | |
| Tomb Raider | |
| 1366x768 High Preset AA:FX AF:8x (nach Ergebnis sortieren) | |
| Microsoft Surface Book Core i5 | |
| MSI GP62-2QEi781FD | |
| Eurocom Shark 4 | |
| Lenovo ThinkPad T450s-20BWS1UT00 | |
| 1920x1080 Ultra Preset AA:FX AF:16x (nach Ergebnis sortieren) | |
| Microsoft Surface Book Core i5 | |
| MSI GP62-2QEi781FD | |
| Eurocom Shark 4 | |
| Lenovo ThinkPad T450s-20BWS1UT00 | |
| Thief | |
| 1366x768 High Preset AA:FXAA & Low SS AF:4x (nach Ergebnis sortieren) | |
| Microsoft Surface Book Core i5 | |
| MSI GP62-2QEi781FD | |
| Eurocom Shark 4 | |
| 1920x1080 Very High Preset AA:FXAA & High SS AF:8x (nach Ergebnis sortieren) | |
| Microsoft Surface Book Core i5 | |
| MSI GP62-2QEi781FD | |
| Eurocom Shark 4 | |
| Sleeping Dogs | |
| 1366x768 High Preset AA:High (nach Ergebnis sortieren) | |
| Microsoft Surface Book Core i5 | |
| MSI GP62-2QEi781FD | |
| Eurocom Shark 4 | |
| 1920x1080 Extreme Preset AA:Extreme (nach Ergebnis sortieren) | |
| Microsoft Surface Book Core i5 | |
| MSI GP62-2QEi781FD | |
| Eurocom Shark 4 | |
| StarCraft II: Heart of the Swarm | |
| 1366x768 High AA:on (nach Ergebnis sortieren) | |
| Microsoft Surface Book Core i5 | |
| MSI GP62-2QEi781FD | |
| 1920x1080 Ultra / Extreme AA:on (nach Ergebnis sortieren) | |
| Microsoft Surface Book Core i5 | |
| MSI GP62-2QEi781FD | |
| BioShock Infinite | |
| 1366x768 High Preset (nach Ergebnis sortieren) | |
| Microsoft Surface Book Core i5 | |
| MSI GP62-2QEi781FD | |
| Eurocom Shark 4 | |
| 1920x1080 Ultra Preset, DX11 (DDOF) (nach Ergebnis sortieren) | |
| Microsoft Surface Book Core i5 | |
| MSI GP62-2QEi781FD | |
| Eurocom Shark 4 | |
| F1 2014 | |
| 1920x1080 High Preset (nach Ergebnis sortieren) | |
| Microsoft Surface Book Core i5 | |
| MSI GP62-2QEi781FD | |
| Eurocom Shark 4 | |
| Lenovo ThinkPad T450s-20BWS1UT00 | |
| 1920x1080 Ultra Preset AA:4x MS (nach Ergebnis sortieren) | |
| Microsoft Surface Book Core i5 | |
| MSI GP62-2QEi781FD | |
| Eurocom Shark 4 | |
| Lenovo ThinkPad T450s-20BWS1UT00 | |
| Metal Gear Solid V | |
| 1920x1080 High / On (nach Ergebnis sortieren) | |
| Microsoft Surface Book Core i5 | |
| Eurocom Shark 4 | |
| 1920x1080 Extra High / On (nach Ergebnis sortieren) | |
| Microsoft Surface Book Core i5 | |
| Eurocom Shark 4 | |
| min. | mittel | hoch | max. | |
|---|---|---|---|---|
| Sleeping Dogs (2012) | 112.4 | 85.6 | 42.8 | 10.9 |
| Tomb Raider (2013) | 161.5 | 82.8 | 55.2 | 25.8 |
| StarCraft II: Heart of the Swarm (2013) | 258 | 141.2 | 74.2 | 37.5 |
| BioShock Infinite (2013) | 94.2 | 64.8 | 56.5 | 20.8 |
| Metro: Last Light (2013) | 59.6 | 44.7 | 30.7 | 15.7 |
| Thief (2014) | 45.6 | 28.2 | 22.3 | 9.4 |
| F1 2014 (2014) | 117 | 94 | 76 | 49 |
| Batman: Arkham Knight (2015) | 23 | 14 | ||
| Metal Gear Solid V (2015) | 42 | 35.9 | 19.7 | 13.3 |
Stresstest
Das Notebook von Microsoft schlägt sich im Stresstest sehr gut. Die CPU selbst kann einen Turbo-Boost von 2,8-2,9 GHz (Basistakt 2,4 GHz) in Prime95 aufrechterhalten. Die Grafikkarte reduziert ihren Takt in FurMark nur leicht auf 823-888 MHz (Basistakt 954 MHz). Bei der gleichzeitigen Belastung von beiden Komponenten mit Prime95 und FurMark reduziert sich die Grafikleistung weiter, beim Prozessor gibt es aber keine Einschränkungen. Allerdings erreicht der Prozessor auch bis zu 90 °C unter diesen Bedingungen, die Grafikkarte bleibt hingegen bei etwa 75 °C.
Unigine Heaven bildet die Realität besser ab. Bei dieser Auslastung ist ein konstanter CPU-Boost nicht nötig, weshalb sich der CPU-Takt zwischen 500 MHz und 2,9 GHz bewegt. Daher sind auch die Kerntemperaturen mit bis zu 60 °C deutlich geringer. Die Grafikkarte kann ihren maximalen Takt von 993 MHz beibehalten.
Im Akkubetrieb wird die Grafikleistung nicht reduziert, was für ein Convertible ziemlich ungewöhnlich ist. Der Turbo-Boost des Prozessors arbeitet dagegen nur eingeschränkt. Ein 3DMark-Test im Akkubetrieb ergab 3.541 (Physics) und 2.529 Punkte (GPU), im Netzbetrieb waren es 4.199 bzw. 2.548 Punkte.
| CPU-Takt (GHz) | GPU-Takt (MHz) | Maximale CPU-Temperatur (°C) | Maximale GPU-Temperatur (°C) | |
| Auslastung durch Prime95 | 2,8 - 2,9 | -- | ~80 | -- |
| Auslastung durch FurMark | -- | 823 - 888 | -- | ~76 |
| Auslastung durch Prime95 + FurMark | 2,8 - 2,9 | 745 - 823 | ~89 | ~76 |
| Auslastung durch Unigine Heaven | 0,5 - 2,9 | 993 | ~61 | ~70 |
| Auslastung durch Unigine Heaven (Akkubetrieb) | 0.5 - 2.9 | 993 | ~50 | ~70 |
Emissionen
Geräuschemissionen
Das Surface Book verwendet zwei Lüfter, einen für die GPU im Tastaturdock und einen weiteren in der Tableteinheit selbst. Glücklicherweise sind beide bei normalen Aufgaben wie dem Surfen im Internet oder der Textverarbeitung fast immer deaktiviert. Nur bei höherer Auslastung, beispielsweise beim Spielen, machen sie sich deutlich bemerkbar. Die unten stehenden Ergebnisse wurden mit angeschlossener Tastatur ermittelt.
Maximale Last (Prime95 und FurMark) führt zu einer Geräuschkulisse von etwas über 40 dB(A), im Unigine Heaven bleibt das Notebook mit konstanten 37 dB(A) aber ruhiger. Diese Werte unterscheiden sich nicht von typischen Ultrabooks, wo der Bereich zwischen 37 und 40 dB(A) sehr häufig erreicht wird. Der selbe Test nur mit der Tablet-Sektion des Surface Book führt zu 34-35 dB(A).
Lautstärkediagramm
| Idle |
| 29.5 / 29.6 / 29.7 dB(A) |
| Last |
| 37.5 / 40.9 dB(A) |
![]() | ||
30 dB leise 40 dB(A) deutlich hörbar 50 dB(A) störend |
||
min: | ||
Temperatur
Im Gegensatz zu normalen Notebooks, bei denen sich unsere Oberflächentemperaturmessungen auf die Baseunit beschränken, müssen das Display und die Baseunit mit ihren jeweiligen Kühllösungen beim Surface Book getrennt betrachtet werden.
Im Leerlauf bleibt die Baseunit deutlich kühler als das Tablet, wo wir unten in der Mitte bis zu 33 °C messen können. Unter Last erreicht dieser Hotspot bis zu 46 °C. Microsoft hat diesen Hotspot auf die Mitte des Gerätes beschränkt, damit man das Tablet in Querformat noch bequem mit beiden Händen halten kann. Trotzdem wird die rechte Seite des Tablets spürbar wärmer als die linke. Im Vergleich mit anderen Convertibles wie dem Portege Z20t oder dem Transformer Book T300 Chi wird das Surface Book trotz der beiden Lüfter wärmer.
Die Baseunit bleibt im vorderen Teil unter Last recht kühl, die Tastatur wird im mittleren Bereich aber spürbar wärmer. Die höchste Temperatur können wir direkt oberhalb der Reihe mit den F-Tasten messen, was weit genug von der Handballenauflage und dem Touchpad entfernt ist. Auch wenn es sich bei unseren Temperaturmessungen nicht um ein praxisnahes Szenario handelt, ist das Surface Book dennoch eines der wärmsten Convertibles, die wir bisher getestet haben.
(±) Die maximale Temperatur auf der Oberseite ist 44.2 °C. Im Vergleich liegt der Klassendurchschnitt bei 35.4 °C (von 19.6 bis 60 °C für die Klasse Convertible).
(±) Auf der Unterseite messen wir eine maximalen Wert von 41.2 °C (im Vergleich zum Durchschnitt von 36.9 °C).
(+) Ohne Last messen wir eine durchschnittliche Temperatur von 24.4 °C auf der Oberseite. Der Klassendurchschnitt erreicht 30.3 °C.
(+) Die Handballen und der Touchpad-Bereich sind mit gemessenen 27.8 °C kühler als die typische Hauttemperatur und fühlen sich dadurch kühl an.
(±) Die durchschnittliche Handballen-Temperatur anderer getesteter Geräte war 28 °C (+0.2 °C).
Lautsprecher

Als Öffnungen für die beiden Stereolautsprecher fungieren zwei dünne Schlitze am Rahmen des Tablets, die sich sehr gut in das Design einfügen. Nennenswerter Bass ist allerdings nicht vorhanden, die Klangqualität liegt also auf einem normalen Niveau für ein Tablet. Der maximale Pegel ist aber recht hoch und es kommt auch bei höheren Lautstärken nicht zu Verzerrungen oder Nebengeräuschen.
Für die Medienwiedergabe empfehlen wir dennoch Kopfhörer, da das Klangspektrum der internen Lautsprecher recht eingeschränkt ist. Leider befindet sich der Kopfhöreranschluss an der oberen rechten Kante des Tablets, was im Notebook-Betrieb aufgrund der abhängenden Kabel durchaus stören kann.
Akkulaufzeit
Der primäre Akku im Tablet hat eine Kapazität von 18 Wh, während im Tastaturdock ein zweites Modul mit 51 Wh zum Einsatz kommt. Die Gesamtkapazität von 69 Wh übersteigt viele andere 13-Zoll- oder 14-Zoll-Notebooks, bei denen Kapazitäten zwischen 40 und 60 Wattstunden üblich sind. Die einzige Ausnahme ist hierbei das MacBook Pro Retina 13 mit 75 Wh. Keiner der beiden Akkus ist austauschbar. Unsere Laufzeit-Ergebnisse wurden mit dem Tastaturdock ermittelt.
Die Laufzeiten des Surface Book fallen gut, aber keinesfalls überragend aus. Unser WLAN-Test (Display@150cd, Profil Ausgeglichen, Skript mit automatischem Seitenwechsel) läuft knapp 7 Stunden, bevor sich das Gerät automatisch abschaltet. Einige Konkurrenten schaffen im selben Test trotz der geringeren Akkukapazität mindestens zwei Stunden mehr als das Microsoft Notebook. Ein Grund dafür ist vermutlich die fehlende Optimus-Unterstützung, denn aktuell gibt es offiziell keine Möglichkeit, die dedizierte GPU zu deaktivieren, wenn die Tastatur angeschlossen ist.
Im angedockten Zustand wird zunächst der sekundäre Akku genutzt, bis seine Kapazität auf 40 Prozent fällt. Ab diesem Punkt werden beide Akkus genutzt, bis sich das Gerät ausschaltet. Damit unterscheidet sich das Verhalten des Surface Book von dem HP Split x2, wo der sekundäre Akku zunächst komplett leer sein muss, bevor das Tablet das primäre Modul verwendet. Das Aufladen des Surface Book dauert etwa 2,5 bis 3 Stunden für beide Akkus. Leider kann man das Tastaturdock nicht verwenden, um das Tablet zu laden (oder andersherum), falls keine Steckdose in der Nähe ist.
Modelle des Surface Book ohne dedizierte Grafikkarte werden mit einem 36-Watt-Netzteil ausgeliefert, während die Nvidia-Variante ein 65-Watt-Modul spendiert bekommt. Beide Versionen bieten einen zusätzlichen USB-Anschluss, um andere Geräte aufzuladen.
| Microsoft Surface Book Core i5 69 Wh | Apple MacBook Pro Retina 13 inch 2015-03 75 Wh | Toshiba KIRA-10D 52 Wh | Acer Aspire S7-393-75508G25EWS 47 Wh | Asus Zenbook UX305LA-FC012H 56 Wh | Dell XPS 13-9343 Non-Touch 54 Wh | Lenovo Yoga 3 14-80JH0035GE 47 Wh | |
|---|---|---|---|---|---|---|---|
| Akkulaufzeit | 18% | 16% | -12% | 16% | 21% | -12% | |
| Idle (h) | 17.8 | 28.2 58% | 23.3 31% | 14 -21% | 24.5 38% | 21.6 21% | 14.8 -17% |
| WLAN (h) | 6.7 | 9 34% | 8.6 28% | 7.7 15% | 9.5 42% | 10 49% | 6.4 -4% |
| Last (h) | 2.6 | 1.6 -38% | 2.3 -12% | 1.8 -31% | 1.8 -31% | 2.4 -8% | 2.2 -15% |
Pro
Contra
Fazit
Eines der Hauptziele von einem Convertible ist es, ein Notebook zu ersetzen und dem Anwender sowohl einen Betrieb als Tablet und auch Notebook zu ermöglichen. Das Ergebnis ist meistens alles andere als perfekt: Schwankende Qualität, schlechte Tastatur, ein schweres Display, weniger Funktionen und weniger Leistung, schließlich muss die gesamte Hardware ja ins Tablet passen.
Das Surface Book ist ganz klar eines der besten Convertibles, die es zurzeit gibt. Viele der genannten Schwachstellen werden dank der exzellenten Verarbeitung, der beleuchteten Tastatur, einem relativ leichten Display mit schmalem Rahmen sowie der Leistung auf Notebook-Niveau mit der andockbaren Nvidia-GPU vermieden. Abgesehen von einigen Bugs beim An- un Abdocken funktioniert das Surface Book sehr gut und lässt wenig Platz für Kritik. Der größte Schwachpunkt des Fulcrum-Gelenks ist vermutlich das Erscheinungsbild, denn das Notebook lässt sich nicht komplett schließen. Die Funktionalität ist üblichen Convertible-Lösungen mit Schiebemechanismen und Magneten (z. B. Transformer Book Chi oder Toshiba Portege Z20t) aber klar überlegen. Für 1.500 US-Dollar erhält man also Hardware ohne Kompromisse.
Was uns am Surface Book nicht gefällt, sind die fehlenden Funktionen. Es gibt weder einen HDMI-Ausgang noch WWAN, was aufgrund der Mobilität und der vielseitigen Konstruktion überraschend ist. Im Gegensatz zum Surface Pro, bei dem das Tablet auch alleine genutzt werden kann, steht beim Tablet des Surface Book lediglich ein 3,5-mm-Klinkenstecker zur Verfügung. Es gibt auch keinen sekundären Festplattensteckplatz. Das Surface Book ist also hauptsächlich ein Notebook, welches man gelegentlich auch als Tablet verwenden kann – ganz im Gegensatz zum Surface Pro 4 (Core m3) oder Surface Pro 4 (Core i5).
Für reine Geschäftskunden sind ThinkPads, EliteBooks und Latitudes die bessere Wahl, da es viele Funktionen am Surface Book schlicht nicht gibt. Für alle anderen bietet Microsoft mit dem Surface Book vermutlich die beste Notebook/Tablet Crossover-Lösung, die Windows-User aktuell bekommen können.
Können wir das Surface Book gegenüber einem traditionellen Notebook empfehlen? Wenn man sich bereits auf ein Convertible festgelegt hat, ist das Gerät von Microsoft sicherlich interessant. Wenn man jedoch keinen Gebrauch von der dedizierten Grafikkarte macht und sich eher auf das Surfen im Internet, die Textverarbeitung oder die Wiedergabe von Medien beschränkt, findet man bei aktuellen Ultrabooks leichtere, dünnere und günstigere Alternativen, die teilweise sogar die bessere Ausstattung bieten.
Microsoft Surface Book Core i5
- 27.04.2016 v5.1 (old)
Allen Ngo


























































































