Test MSI GP62 2QE Leopard Pro Notebook

MSI führt eine umfassende Palette an Gaming Notebooks in ihrer G-Serien-Familie. Bis jetzt haben wir uns die meisten davon - vom winzigen GS30 bis zum gigantischen GT80 - im Rahmen eines ausführlichen Tests angesehen. Das GP-Modell, vorgestellt auf der Computex dieses Jahres, ist neu in unserer Datenbank.
Die GP-Serie ähnelt der GE-Serie in vielen Aspekten. Kein Wunder, werden doch große Teile des Chassis und der Hardware wiederverwendet. Daher empfehlen wir auch unseren früheren Test des GE62 für weitere Informationen und Details über gleiche Hardware Features. Allerdings gibt es sowohl innen als auch außen einige wichtige Unterschiede. Wir werden uns genau ansehen, worauf das billigere GP62 für rund 999 US-Dollar im Vergleich mit dem teureren GE62 Schwestermodell verzichtet. Hierzulande ist eine vergleichbare Konfiguration des MSI GP62 für rund 1.100 Euro erhältlich, ohne inkludiertes Betriebssystem können noch mal 100 Euro eingespart werden.
Gehäuse
Das Gehäuse des GP62 gleicht dem GE62, abgesehen von nur einigen bemerkenswerten Unterschieden, fast ganz. So ist der Bildschirmdeckel nicht mehr aus gebürstetem Aluminium und leicht abgerundet. Stattdessen ist dieser nun flach mit einer glatten, matten Oberfläche ausgeführt. Das trifft auch auf die Handballenablagen und die Oberflächen im Inneren zu: Die Aluminium-Textur musste vollständig einer glatten, matten Oberfläche weichen. Schließlich wurde das Wartungs-Panel an der Unterseite abgeflacht, wobei sich die Anzahl der Schrauben und Lüfteröffnungen verglichen mit dem GE62 nicht verändert hat. Diese subtilen Veränderungen lassen die GP-Serie etwas veralteter wirken und unterscheiden es von den hochwertigeren GT- und GE-Modellen.
Die Gehäusequalität blieb im Wesentlichen auf Niveau der GE-Serie, da die oben erwähnten Veränderungen nur kosmetisch sind. Die Basiseinheit ist immer noch sogar im zentralen Tastaturbereich steif. Die Oberflächen verwinden sich an der rechten Seite des Notebooks leichter als an seiner linken, da sich dort weniger Komponenten darunter befinden. Dagegen ist der Bildschirmdeckel leider von unterdurchschnittlicher Qualität, da er zur Mitte zu schwach ist und von den vorderen Ecken aus leicht verdreht werden kann. Die Scharniere sind zwar klein, jedoch stark genug, um ein Wippen des Bildschirms zu verhindern und ermöglichen einen großen Öffnungswinkel.
In puncto Gewicht ist das GP62 um zirka 100 Gramm leichter als das GE62, das Aspire V15 Nitro und das Lenovo Y50. Der Gewichtsunterschied mag unter anderen dem kleineren Kühlsystem des GP62 zu verdanken sein. Details dazu finden sich im Abschnitt Emissionen. Das MSI ist zudem deutlich dicker als ebendiese genannten Modelle.
Ausstattung
Schnittstellenausstattung und Schnittstellen-Layout wurden unverändert von der GE62-Serie übernommen. Alle Schnittstellen befinden sich nur an der linken und rechten Seitenkante des Notebooks, womit sie leichter zugänglich sind als bei den meisten anderen Gaming Notebooks. Da es keine Schnittstellen an der Rückseite gibt, ist bei umfangreicher Belegung der Ports jedoch mit Kabelgewirr und Platzeinschränkungen am Schreibtisch zu rechnen. Zudem sind Linkshänder benachteiligt.
Das GP62 bietet anders als das MSI GS30 oder das jüngste Alienware System keinen Thunderbolt Port oder Optionen für eine externe GPU.
Kommunikation
Das Intel-Wireless-AC-3160-M.2-Modul ist eine Dualband-1x1-Karte mit Transferraten von bis zu 433 Mbit/s. Es handelt sich verglichen mit 2x2-Modulen, die höhere Übertragungsraten schaffen, um eine Einstiegs-WLAN-Karte. Die üblichen Bluetooth-4.0- und WiDi-Features sind integriert. Für dieses Notebook werden kein optionales WWAN oder GPS angeboten.
Wartung
Es braucht etwas Zeit, bis die Unterseite entfernt ist, doch die Hardware ist dank üblicher Kreuzschlitzschrauben generell zugänglich. Man beachte, dass zuerst das optische Laufwerk entfernt werden muss, da es weitere Schrauben verdeckt.
Das Mainboard ermöglicht direkten Zugriff auf den SATA-Slot des optischen Laufwerks, den 2,5-Zoll-SATA-III-Slot, den M.2-Slot, beide SODIMM-Slots, die WLAN-Karte und das Kühlsystem. Sowohl CPU als auch GPU sind mit dem Motherboard verlötet.
Zubehör
Außer dem Stromadapter werden eine Kurzanleitung und ein Reinigungstuch mitgeliefert. Es gibt kein herstellerspezifisches Zubehör, da das GP62 keinen eigenständigen Docking Port hat. MSI verkauft markengeschützte Mäuse, Tastaturen und Taschen für ihre Gaming-G-Serie.
Garantie
MSI bietet standardmäßig eine beschränkte Zwei-Jahres-Garantie. User können ohne Aufpreis auch einen Schutz bei versehentlicher Beschädigung für ein Jahr erhalten, wenn sie ihren Kauf innerhalb der ersten 30 Tage nach Lieferung registrieren. Auch in Deutschland werden die Geräte mit zwei Jahren Herstellergarantie angeboten.
Eingabegeräte
Tastatur
Die Chiclet-Tastatur (34,5 x 10,5 cm) ist das gleiche Steelseries Modell, das man auch im GE62 antrifft. Daher liefert es das gleiche zufriedenstellende Feedback und den gleichen langen Hubweg beim Tippen. Die Tasten fühlen sich fest an, da sie nicht wackeln, und sind trotz festem Druckpunkt überraschend leise.
Die einzelnen Tasten sind jedoch etwas klein, und der Tastenzwischenraum breiter als üblich. Es kann etwas dauern, bis man sich an das Tastatur-Layout gewöhnt hat. Zudem bietet das GP62 anders als das GE62 Schwestermodell keine Hintergrundbeleuchtung der Tastatur.
Touchpad
Das Touchpad ist ähnlich groß (10,9 x 6,1 cm) wie beim GE62. Die leicht texturierte Oberfläche reagiert präzise auf Single- und Multi-Touch-Kommandos. Springende Cursor oder andere Probleme traten im Test nicht auf. Die beiden eigenständigen Maustasten sind dank ihres sehr festen Feedbacks beim Drücken komfortabel in der Bedienung. Das Klicken ist vor allem verglichen mit den gedämpften Tasten der Tastatur ziemlich laut.
Display
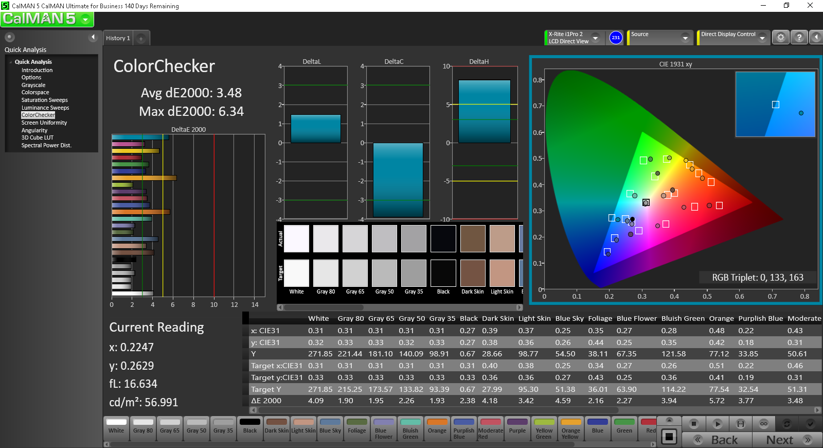
Der matte 1080p-Bildschirm passt gut zur GPU-Leistung. Daher bevorzugen wir diese FHD-Auflösung für Gaming gegenüber 2K oder 3K. Für Verwendung in Innenräumen ist der Bildschirm ausreichend hell. Stärkeres Bleeding des Hintergrundlichts und einen Fliegengittereffekt (Screen-Door-Effekt) konnten wir nicht beobachten. Obwohl der Bildschirm bei Weitem nicht schlecht ist, erreicht er nicht die Qualität von anderen Gaming Notebooks. Kontrast und Farben könnten angesichts des Preises besser sein, und die Gesamtqualität kann IPS-Paneln nicht das Wasser reichen. Das gleiche N156HGE-EA1 TN-Panel wird auch in den älteren IdeaPad Z510, Acer Aspire V5-561G und ThinkPad L540 verwendet.
| |||||||||||||||||||||||||
Ausleuchtung: 74 %
Helligkeit Akku: 274.8 cd/m²
Kontrast: 398:1 (Schwarzwert: 0.69 cd/m²)
ΔE ColorChecker Calman: 11.78 | ∀{0.5-29.43 Ø4.74}
ΔE Greyscale Calman: 13.81 | ∀{0.09-98 Ø4.98}
73.5% sRGB (Argyll 1.6.3 3D)
47.8% AdobeRGB 1998 (Argyll 1.6.3 3D)
52.4% AdobeRGB 1998 (Argyll 3D)
73.6% sRGB (Argyll 3D)
50.8% Display P3 (Argyll 3D)
Gamma: 2.19
CCT: 15314 K
| MSI GP62-2QEi781FD | Lenovo IdeaPad Y50-70 (59424712) | Asus G501JW-CN168H | Alienware 15 (R9 M295X) | MSI GE62 2QD | Acer Aspire V15 Nitro VN7-571G-574H | |
|---|---|---|---|---|---|---|
| Display | 1% | 44% | 21% | 24% | 15% | |
| Display P3 Coverage (%) | 50.8 | 50.6 0% | 76.5 51% | 65.5 29% | 64.5 27% | 63.2 24% |
| sRGB Coverage (%) | 73.6 | 76.3 4% | 100 36% | 85.4 16% | 87 18% | 80.6 10% |
| AdobeRGB 1998 Coverage (%) | 52.4 | 52.3 0% | 76.4 46% | 62.4 19% | 66.2 26% | 58.9 12% |
| Bildschirm | 28% | 56% | 46% | 32% | 47% | |
| Helligkeit Bildmitte (cd/m²) | 274.8 | 290 6% | 344 25% | 314 14% | 361 31% | 320 16% |
| Brightness (cd/m²) | 265 | 257 -3% | 337 27% | 294 11% | 345 30% | 283 7% |
| Brightness Distribution (%) | 74 | 81 9% | 95 28% | 87 18% | 88 19% | 83 12% |
| Schwarzwert * (cd/m²) | 0.69 | 0.512 26% | 0.31 55% | 0.33 52% | 0.646 6% | 0.32 54% |
| Kontrast (:1) | 398 | 566 42% | 1110 179% | 952 139% | 559 40% | 1000 151% |
| Delta E Colorchecker * | 11.78 | 3.72 68% | 5.98 49% | 4.14 65% | 5.3 55% | 5.31 55% |
| Delta E Graustufen * | 13.81 | 3.11 77% | 5.75 58% | 2.8 80% | 7 49% | 4.73 66% |
| Gamma | 2.19 100% | 2.48 89% | 2.51 88% | 3.19 69% | 2.35 94% | 2.36 93% |
| CCT | 15314 42% | 6959 93% | 7366 88% | 6540 99% | 7168 91% | 5980 109% |
| Farbraum (Prozent von AdobeRGB 1998) (%) | 47.8 | 48.16 1% | 71 49% | 56 17% | 58.63 23% | 52.9 11% |
| Color Space (Percent of sRGB) (%) | 73.5 | 100 36% | 85 16% | |||
| Durchschnitt gesamt (Programm / Settings) | 15% /
21% | 50% /
53% | 34% /
40% | 28% /
29% | 31% /
38% |
* ... kleinere Werte sind besser
Die Farbraumabdeckung beträgt zirka 48 Prozent bzw. 74 Prozent von AdobeRGB bzw. sRGB. Das ist besser als bei vielen TN-Panels in preisgünstigen und Mainstream Notebooks, doch schlechter als bei den meisten IPS-Paneln von teureren Gaming Notebooks wie dem Alienware 15 oder Asus G501. Glücklicherweise sind sehr präzise Farben beim Gaming üblicherweise weniger wichtig als Reaktionszeiten. Der Bildschirm des GP62 ist für diesen Fall mehr als ausreichend.
Weitere Analysen mit einem Spektrophotometer zeigen sehr ungenaue Graustufen und Farben im Auslieferungszustand. Außerdem ist die Farbtemperatur im Auslieferungszustand viel zu kühl, ein Blaustich des dargestellten Bildes gut sichtbar. Die Abweichungen sind höher als bei den meisten anderen Gaming Notebooks. Erst eine Kalibrierung führt zu einem genaueren Bildschirm und behebt viele dieser Mankos. Wir raten dringend zu einer Kalibierung des GP62, noch mehr als bei anderen Notebooks seiner Klasse (siehe verlinktes .icc File oben).
Die Lesbarkeit im Freien ist im Schatten bei maximaler Bildschirmhelligkeit bestenfalls durchschnittlich. Im Akkubetrieb fällt die Helligkeit, außer der Nutzer schaltet manuell die Stromspareinstellungen im Intel-Graphics-Properties-Menü aus. Der matte Bildschirm verringert Spiegelungen, doch das Hintergrund ist allerdings nicht stark genug, um im Freien das Umgebungslicht zu überstrahlen.
Wegen der TN-Technologie sind die Blickwinkel beschränkt. Für einen einzelnen User, der direkt auf den Bildschirm schaut, stellt dies kein Problem dar, doch es kann ein gemeinsames Betrachten des Bildschirms erschweren. Dagegen werden neuere Gaming Notebooks mit hochwertigen IPS-Bildschirmen immer üblicher.
Leistung
Unser GP62 Modell beherbergt einen 2,7 GHz Intel Core i7-5700HQ und eine Nvidia GTX 950M GPU. Die CPU kann dank Turbo Boost alle vier Kerne auf bis zu 3,5 GHz übertakten und drosselt im Stromsparmodus auf 800 MHz, um Energie zu sparen. Die GTX 950M kann via Boost mit bis zu 1.124 MHz takten, während der Speichertakt bis zu 2.072 MHz erreichen kann. Im Idle-Betrieb mit Stromsparprofil taktet die GPU laut GPU-Z mit 135/405 MHz Kern/Speicher. Um mehr Strom zu sparen, wird Optimus mit der integrierten HD Graphics 5600 unterstützt. Andere CPU- oder GPU-Optionen sind zur Zeit nicht verfügbar.
Mit zwei zugänglichen SODIMM-Slots unterstützt das System bis zu 16 GB System-RAM. Der LatencyMon zeigt bei aktivem WiFi im Idle-Betrieb keine problematischen Latenzspitzen.
Prozessor
Der neue Core i7-5700HQ übertrifft durch die Bank den älteren Core i7-4720HQ, der in High-End Notebooks von 2014/15 beliebt war. Die CineBench Single-Thread Benchmarks laufen am neuen Broadwell Kern einige Prozent schneller, während Multi-Thread Benchmarks größere Unterschiede zeigen. Das liegt vor allem daran, dass der Multi-Core Turbo-Boost des 5700HQ höher ist als beim i7-4720HQ.
Die Core i7-4790K Desktop-CPU übertrifft unser MSI weiterhin in allen Fällen um wenigstens 20 Prozent. Diese Diskrepanz hat beim Gaming wenig Bedeutung, da moderne Titel eher durch die GPU beschränkt werden, und die i7-5700HQ mehr als ausreichend für Gaming-Last ist.
Weitere Benchmarks und technische Daten der Core i7-5700HQ finden sich auf unserer CPU-Spezialseite.
| Cinebench R10 | |
| Rendering Single CPUs 64Bit (nach Ergebnis sortieren) | |
| MSI GP62-2QEi781FD | |
| Eurocom P5 Pro Extreme | |
| Razer Blade Pro 17 inch 2015 | |
| Aorus X3 Plus v3 | |
| Lenovo IdeaPad Y50 | |
| Rendering Multiple CPUs 64Bit (nach Ergebnis sortieren) | |
| MSI GP62-2QEi781FD | |
| Eurocom P5 Pro Extreme | |
| Razer Blade Pro 17 inch 2015 | |
| Aorus X3 Plus v3 | |
| Lenovo IdeaPad Y50 | |
| 3DMark | |
| Fire Strike Extreme Physics (nach Ergebnis sortieren) | |
| MSI GP62-2QEi781FD | |
| Eurocom P5 Pro Extreme | |
| Razer Blade Pro 17 inch 2015 | |
| Aorus X3 Plus v3 | |
| Lenovo IdeaPad Y50 | |
| 1920x1080 Fire Strike Physics (nach Ergebnis sortieren) | |
| MSI GP62-2QEi781FD | |
| Eurocom P5 Pro Extreme | |
| Razer Blade Pro 17 inch 2015 | |
| Aorus X3 Plus v3 | |
| Lenovo IdeaPad Y50 | |
| 1280x720 Cloud Gate Standard Physics (nach Ergebnis sortieren) | |
| MSI GP62-2QEi781FD | |
| Eurocom P5 Pro Extreme | |
| Razer Blade Pro 17 inch 2015 | |
| Aorus X3 Plus v3 | |
| Lenovo IdeaPad Y50 | |
| 1280x720 offscreen Ice Storm Unlimited Physics (nach Ergebnis sortieren) | |
| MSI GP62-2QEi781FD | |
| Eurocom P5 Pro Extreme | |
| Razer Blade Pro 17 inch 2015 | |
| Aorus X3 Plus v3 | |
| 1920x1080 Ice Storm Extreme Physics (nach Ergebnis sortieren) | |
| MSI GP62-2QEi781FD | |
| Eurocom P5 Pro Extreme | |
| Razer Blade Pro 17 inch 2015 | |
| Aorus X3 Plus v3 | |
| wPrime 2.10 - 1024m (nach Ergebnis sortieren) | |
| MSI GP62-2QEi781FD | |
| Eurocom P5 Pro Extreme | |
| Razer Blade Pro 17 inch 2015 | |
| Aorus X3 Plus v3 | |
| Lenovo IdeaPad Y50 | |
| Super Pi Mod 1.5 XS 32M - 32M (nach Ergebnis sortieren) | |
| MSI GP62-2QEi781FD | |
| Eurocom P5 Pro Extreme | |
| Razer Blade Pro 17 inch 2015 | |
| Aorus X3 Plus v3 | |
| Lenovo IdeaPad Y50 | |
* ... kleinere Werte sind besser
Systemleistung
Die PCMark-Benchmarks reihen unser GP62 bei Hochleistungsgeräten wie dem HP Omen Pro 15 und dem Aorus X5 ein. Gleichzeitig mag es sich nicht um einen Eins-zu-Eins-Vergleich handeln, denn unser Testgerät läuft bereits unter Windows 10. Das Aorus ist beispielsweise mit RAID-0-SSDs und schnellerer SLI-Grafik ausgestattet, erreicht aber im gleichen PCMark 7 ungefähr das gleiche Ergebnis. Navigation am GP62 ist nichtsdestotrotz flüssig und Apps starten, wie von einem Notebook mit SSD zu erwarten, fast unmittelbar. Für die in Deutschland angebotene Konfiguration ist festzuhalten, dass hier anders als bei unserem US-Gerät ausschließlich eine konventionelle HDD zum Einsatz kommt. Insofern ist hier mit etwas längeren Ladezeiten von Applikationen zu rechnen und das Ansprechverhalten bleibt erfahrungsgemäß spürbar hinter SSD-basierenden Systemen zurück.
Unser Testgerät bringt gegen Ende unserer Tests wiederholt DSP_WATCHDOG_VIOLATION-Fehler. Glücklicherweise konnte eine schnelle Systemwiederherstellung das scheinbar zufällige Problem beheben.
| PCMark 7 Score | 6411 Punkte | |
| PCMark 8 Home Score Accelerated v2 | 3920 Punkte | |
| PCMark 8 Creative Score Accelerated v2 | 4870 Punkte | |
| PCMark 8 Work Score Accelerated v2 | 4999 Punkte | |
Hilfe | ||
Massenspeicher
Insgesamt stehen drei Schächte zur Verfügung: ein M.2-Slot und zwei 2,5-Zoll-SATA-Slots. Die Schächte sind nicht offiziell RAID-kompatibel, und der letzte 2,5-Zoll-Schacht beherbergt standardmäßíg das optische Laufwerk. Dieses Laufwerk kann, ohne dass Schrauben benötigt werden, einfach entfernt und neu eingesetzt werden.
Unser Testmodell nutzt eine 512 GB Micron M600 M.2 SSD und eine sekundäre 1 TB HGST HDD. Mit sequentiellen Lese- und Transferraten von zirka 500 MB/s befindet sich die Leistung des Micron Laufwerks auf dem üblichen Niveau einer SATA-III-SSD. Mit 481 MB/s erreicht insbesondere die Schreibrate von 512K-Blöcken das obere Ende des Leistungsspektrums. Auch die 7200 RPM Travelstar HDD schneidet für ihre Klasse mit einer durchschnittlichen Transferrate von 106,4 MB/s laut HD Tune ziemlich gut ab. Die meisten Festplatten erzielen typischerweise Ergebnisse im 90-MB/s-Bereich oder sogar niedriger für 5400-U/min-Modelle.
Eine vergleichbare Konfiguration empfiehlt sich auch bei den in Deutschland angebotenen Modellen, das Upgrade durch eine SSD muss der User hier aber selbst durchführen.
Unsere wachsende Tabelle von Benchmarks aktueller HDDs und SSDs befindet sich hier.
GPU-Leistung
Die GTX 950M reiht sich laut den 3DMark Benchmarks wie erwartet zwischen GTX 960M und GT 940M ein. Glücklicherweise liegt die Leistung näher bei der schnelleren 960M als bei der 940M. Die leistungsstärkeren 970M und 980M GPUs sind in unseren synthetischen Benchmarks immer noch wenigstens doppelt so schnell wie unsere vorliegende Konfiguration.
| 3DMark 06 Standard Score | 24148 Punkte | |
| 3DMark 11 Performance | 4892 Punkte | |
| 3DMark Ice Storm Standard Score | 105776 Punkte | |
| 3DMark Cloud Gate Standard Score | 16297 Punkte | |
| 3DMark Fire Strike Score | 3026 Punkte | |
| 3DMark Fire Strike Extreme Score | 1551 Punkte | |
Hilfe | ||
| Cinebench R15 - OpenGL 64Bit (nach Ergebnis sortieren) | |
| MSI GP62-2QEi781FD | |
| Gigabyte P37X | |
| Gigabyte P55 V4 | |
| Asus Zenbook Pro UX501JW-FI218H | |
| Lenovo Yoga 3 14-80JH0035GE | |
| Asus Asuspro Essential P751JF-T2007G | |
| Cinebench R11.5 - OpenGL 64Bit (nach Ergebnis sortieren) | |
| MSI GP62-2QEi781FD | |
| Gigabyte P37X | |
| Gigabyte P55 V4 | |
| Asus Zenbook Pro UX501JW-FI218H | |
| Lenovo Yoga 3 14-80JH0035GE | |
| Asus Asuspro Essential P751JF-T2007G | |
| Cinebench R10 - Shading 64Bit (nach Ergebnis sortieren) | |
| MSI GP62-2QEi781FD | |
| Gigabyte P37X | |
| Gigabyte P55 V4 | |
| Lenovo Yoga 3 14-80JH0035GE | |
Gaming-Leistung
Die reale Leistung in Spielen fällt wie von einer Nvidia GPU dieser Klasse zu erwarten aus. Mit der GTX 950M laufen die meisten Spiele nicht mit einer 1080p Auflösung bei maximalen Garfik-Einstellungen. Mit wenigen Ausnahmen laufen die meisten 3D-Titel im 20-fps-Bereich. Daher muss die Grafikqualität auf Medium oder Medium-High reduziert werden, wenn man mit der nativen Bildschirmauflösung spielen möchte. Ein Wechsel von der 950M zur 960M erhöht die Frame-Raten abhängig vom Titel um zwischen 20 Prozent und 50 Prozent. Für flüssigere Wiedergabe von 1080p30 bei hohen Grafikeinstellungen ist ein System mit GTX 960M oder 965M die bessere Wahl.
Für 1080p-Gaming mit der schwächeren 940M sind sehr niedrige Einstellungen nötig, die Hardcore Gamer unattraktiv finden könnten. Die GTX 950M befindet sich einen Schritt über diesem Basisniveau. Daher wird das GP62 schnell altern, sobald neue oder anspruchsvollere Spiele herauskommen. Arkham Knight erweist sich beispielsweise bereits als zu große Hürde für die 950M.
| min. | mittel | hoch | max. | |
|---|---|---|---|---|
| Sleeping Dogs (2012) | 139.4 | 63.9 | 15.7 | |
| Guild Wars 2 (2012) | 60.7 | 23.2 | ||
| Tomb Raider (2013) | 130.7 | 71.6 | 34.1 | |
| StarCraft II: Heart of the Swarm (2013) | 152.5 | 100.2 | 36.8 | |
| BioShock Infinite (2013) | 110.1 | 89.8 | 29.6 | |
| Metro: Last Light (2013) | 78.5 | 45.5 | 22.9 | |
| Thief (2014) | 54.5 | 43.8 | 20.6 | |
| Middle-earth: Shadow of Mordor (2014) | 55.4 | 29 | 22.5 | |
| Ryse: Son of Rome (2014) | 50.7 | 23.1 | 21.4 | |
| F1 2014 (2014) | 118 | 118 | 78 | |
| Dragon Age: Inquisition (2014) | 73.9 | 24.5 | 16.6 | |
| Battlefield Hardline (2015) | 111.7 | 38.2 | 22.9 | |
| Batman: Arkham Knight (2015) | 43 | 22 |
| Thief | |
| 1366x768 Normal Preset AA:FX (nach Ergebnis sortieren) | |
| MSI GP62-2QEi781FD | |
| Schenker XMG A505 | |
| Schenker XMG P505 | |
| Asus Asuspro Essential P751JF-T2007G | |
| Asus X555LB-DM223H | |
| 1366x768 High Preset AA:FXAA & Low SS AF:4x (nach Ergebnis sortieren) | |
| MSI GP62-2QEi781FD | |
| Schenker XMG A505 | |
| Schenker XMG P505 | |
| Asus Asuspro Essential P751JF-T2007G | |
| 1920x1080 Very High Preset AA:FXAA & High SS AF:8x (nach Ergebnis sortieren) | |
| MSI GP62-2QEi781FD | |
| Schenker XMG A505 | |
| Schenker XMG P505 | |
| Sleeping Dogs | |
| 1366x768 Medium Preset AA:Normal (nach Ergebnis sortieren) | |
| MSI GP62-2QEi781FD | |
| 1366x768 High Preset AA:High (nach Ergebnis sortieren) | |
| MSI GP62-2QEi781FD | |
| 1920x1080 Extreme Preset AA:Extreme (nach Ergebnis sortieren) | |
| MSI GP62-2QEi781FD | |
| Guild Wars 2 | |
| 1366x768 Best Appearance Preset AA:FX (nach Ergebnis sortieren) | |
| MSI GP62-2QEi781FD | |
| Schenker XMG P505 | |
| 1920x1080 All Maximum / On AA:FX (nach Ergebnis sortieren) | |
| MSI GP62-2QEi781FD | |
| Schenker XMG P505 | |
| Tomb Raider | |
| 1366x768 Normal Preset AA:FX AF:4x (nach Ergebnis sortieren) | |
| MSI GP62-2QEi781FD | |
| Schenker XMG A505 | |
| Schenker XMG P505 | |
| Asus Asuspro Essential P751JF-T2007G | |
| Asus X555LB-DM223H | |
| 1366x768 High Preset AA:FX AF:8x (nach Ergebnis sortieren) | |
| MSI GP62-2QEi781FD | |
| Schenker XMG A505 | |
| Schenker XMG P505 | |
| Asus Asuspro Essential P751JF-T2007G | |
| Asus X555LB-DM223H | |
| 1920x1080 Ultra Preset AA:FX AF:16x (nach Ergebnis sortieren) | |
| MSI GP62-2QEi781FD | |
| Schenker XMG A505 | |
| Schenker XMG P505 | |
| StarCraft II: Heart of the Swarm | |
| 1366x768 Medium (nach Ergebnis sortieren) | |
| MSI GP62-2QEi781FD | |
| 1366x768 High AA:on (nach Ergebnis sortieren) | |
| MSI GP62-2QEi781FD | |
| 1920x1080 Ultra / Extreme AA:on (nach Ergebnis sortieren) | |
| MSI GP62-2QEi781FD | |
| BioShock Infinite | |
| 1366x768 Medium Preset (nach Ergebnis sortieren) | |
| MSI GP62-2QEi781FD | |
| Schenker XMG A505 | |
| Schenker XMG P505 | |
| Asus Asuspro Essential P751JF-T2007G | |
| Asus X555LB-DM223H | |
| 1366x768 High Preset (nach Ergebnis sortieren) | |
| MSI GP62-2QEi781FD | |
| Schenker XMG A505 | |
| Schenker XMG P505 | |
| Asus Asuspro Essential P751JF-T2007G | |
| Asus X555LB-DM223H | |
| 1920x1080 Ultra Preset, DX11 (DDOF) (nach Ergebnis sortieren) | |
| MSI GP62-2QEi781FD | |
| Schenker XMG A505 | |
| Schenker XMG P505 | |
| Asus Asuspro Essential P751JF-T2007G | |
| Asus X555LB-DM223H | |
| Metro: Last Light | |
| 1366x768 Medium (DX10) AF:4x (nach Ergebnis sortieren) | |
| MSI GP62-2QEi781FD | |
| Schenker XMG A505 | |
| Schenker XMG P505 | |
| Asus Asuspro Essential P751JF-T2007G | |
| 1366x768 High (DX11) AF:16x (nach Ergebnis sortieren) | |
| MSI GP62-2QEi781FD | |
| Schenker XMG A505 | |
| Schenker XMG P505 | |
| Asus Asuspro Essential P751JF-T2007G | |
| 1920x1080 Very High (DX11) AF:16x (nach Ergebnis sortieren) | |
| MSI GP62-2QEi781FD | |
| Schenker XMG A505 | |
| Schenker XMG P505 | |
| Middle-earth: Shadow of Mordor | |
| 1344x756 Medium Preset (nach Ergebnis sortieren) | |
| MSI GP62-2QEi781FD | |
| Schenker XMG A505 | |
| Schenker XMG P505 | |
| Asus Asuspro Essential P751JF-T2007G | |
| Asus X555LB-DM223H | |
| 1920x1080 High Preset (nach Ergebnis sortieren) | |
| MSI GP62-2QEi781FD | |
| Schenker XMG A505 | |
| Schenker XMG P505 | |
| Asus X555LB-DM223H | |
| 1920x1080 Ultra Preset (HD Package) (nach Ergebnis sortieren) | |
| MSI GP62-2QEi781FD | |
| Schenker XMG A505 | |
| Schenker XMG P505 | |
| Ryse: Son of Rome | |
| 1366x768 Medium Texture Res. + Normal Graphics Quality (Rest Off/Disabled) AF:4x (nach Ergebnis sortieren) | |
| MSI GP62-2QEi781FD | |
| Schenker XMG A505 | |
| Schenker XMG P505 | |
| Asus Asuspro Essential P751JF-T2007G | |
| Asus X555LB-DM223H | |
| 1920x1080 High Texture Res. + High Graphics Quality (Rest Off/Disabled) AF:8x (nach Ergebnis sortieren) | |
| MSI GP62-2QEi781FD | |
| Schenker XMG A505 | |
| Schenker XMG P505 | |
| 1920x1080 Very High Texture Res. + High Graphics Quality (Motion Blur & Temporal AA On, Rest Off/Disabled) AF:8x (nach Ergebnis sortieren) | |
| MSI GP62-2QEi781FD | |
| Schenker XMG A505 | |
| Schenker XMG P505 | |
| F1 2014 | |
| 1366x768 Medium Preset (nach Ergebnis sortieren) | |
| MSI GP62-2QEi781FD | |
| Schenker XMG A505 | |
| Asus Asuspro Essential P751JF-T2007G | |
| 1920x1080 High Preset (nach Ergebnis sortieren) | |
| MSI GP62-2QEi781FD | |
| Schenker XMG A505 | |
| Asus Asuspro Essential P751JF-T2007G | |
| 1920x1080 Ultra Preset AA:4x MS (nach Ergebnis sortieren) | |
| MSI GP62-2QEi781FD | |
| Schenker XMG A505 | |
| Asus Asuspro Essential P751JF-T2007G | |
| Dragon Age: Inquisition | |
| 1366x768 Medium Graphics Quality (nach Ergebnis sortieren) | |
| MSI GP62-2QEi781FD | |
| Schenker XMG A505 | |
| Asus Asuspro Essential P751JF-T2007G | |
| Asus X555LB-DM223H | |
| 1920x1080 High Graphics Quality (nach Ergebnis sortieren) | |
| MSI GP62-2QEi781FD | |
| Schenker XMG A505 | |
| Asus X555LB-DM223H | |
| 1920x1080 Ultra Graphics Quality AA:2x MS (nach Ergebnis sortieren) | |
| MSI GP62-2QEi781FD | |
| Schenker XMG A505 | |
| Battlefield Hardline | |
| 1366x768 Medium Graphics Quality (DX11) (nach Ergebnis sortieren) | |
| MSI GP62-2QEi781FD | |
| Asus Asuspro Essential P751JF-T2007G | |
| Asus X555LB-DM223H | |
| 1920x1080 High Graphics Quality (DX11) (nach Ergebnis sortieren) | |
| MSI GP62-2QEi781FD | |
| Asus Asuspro Essential P751JF-T2007G | |
| Asus X555LB-DM223H | |
| 1920x1080 Ultra Graphics Quality (DX11) AA:4x MS (nach Ergebnis sortieren) | |
| MSI GP62-2QEi781FD | |
Stresstest
Wir belasten das Notebook mit synthetischen Benchmarks, um die Systemstabilität und mögliche Throttling-Probleme aufzuzeigen.
Mit nur Prime95 läuft die CPU mit konstanten 3,1 bis 3,2 GHz, und die Kerntemperatur bewegt sich im niedrigen 90-Grad-Celsius-Bereich. Dies ist langsamer als der maximale Nenn-Turbo-Boost von 3,5 GHz. Dagegen läuft die GPU unter FurMark Last konstant mit dem maximalen 1.124 MHz Kerntakt und 1.001 MHz Speichertakt. Die GPU-Temperatur pendelt sich bei 77 Grad Celsius ein.
Laufen Prime95 und FurMark gleichzeitig, drosselt die CPU leicht auf den 2,4- bis 2,6-GHz-Bereich, während die GPU unbeschadet mit 1.124/1.001 MHz Kern/Speicher taktet. CPU- und GPU-Kerntemperaturen erreichen nach einer halben Stunde maximaler Last Spitzenwerte von 90 bzw. 86 Grad Celsius.
Die Leistung unter Unigine-Heaven-Last ist für die CPU viel flüssiger, so dass diese einen konstanten 3,4- bis 3,5-GHz-Turbo-Boost beibehalten kann. Die CPU- und GPU-Kerntemperaturen bleiben jeweils konstant bei 75 Grad Celsius. Aktiviert man das Turbo-Fan-Feature am GP62, sinken die Kerntemperaturen bei gleicher Leistung um zusätzliche 7 oder 8 Grad Celsius. Daher sollten User dieses Feature als Kompromiss zwischen Lüftergeräusch und Temperatur statt Lüftergeräusch und Leistung sehen.
Im Akkubetrieb fällt sowohl die CPU- als auch die GPU-Leistung. Ein 3DMark-11-Lauf liefert Physics- und Graphics-Ergebnisse von 4.071 bzw. 7.437 Punkten statt 4.624 bzw. 9.024 an der Steckdose.
Emissionen
Geräuschemissionen
Verglichen mit dem GE62 wurde das Kühlsystem quasi halbiert. So verwendet das GP62 nur einen Lüfter und zwei Heatpipes statt zwei Lüftern und vier Heatpipes.
Verbessert dies das Lüftergeräusch? Leider leidet das GP62, wie das GE62, weiterhin unter einem pulsierenden Lüfter. Der Ventilator ist mit 33 dB(A) im Stromsparprofil immer aktiv und pulsiert bei niedriger Last wie Surfen oder Flash-Games zwischen 33 dB(A) und 37 dB(A).
Das Lüftergeräusch bleibt beim Gaming mit zirka 41 dB(A) relativ niedrig. Damit ist es definitiv leiser als die meisten dünnen Gaming Notebooks wie das Aorus X5 und das Lenovo Y50, bei welchen das Lüftergeräusch unter gleichen Bedingungen näher bei 50 dB(A) liegt. Aktiviert man den Turbo-Fan-Modus erhöht sich das Lüftergeräusch auf 52 dB(A).
Lautstärkediagramm
| Idle |
| 33.3 / 33.4 / 37 dB(A) |
| DVD |
| 38 / 0 dB(A) |
| Last |
| 40.7 / 52.5 dB(A) |
![]() | ||
30 dB leise 40 dB(A) deutlich hörbar 50 dB(A) störend |
||
min: | ||
Temperatur
Das GP62 gehört zu den wenigen Notebooks, die an Handballenablagen und Tastatur im Idle-Betrieb und unter Last wärmer werden als an der Unterseite. Die linke Seite der Tastatur erreicht in der Nähe der WASD-Tasten mindestens 34 bis 35 Grad Celsius. Zur Mitte zu ist sie noch wärmer, da sich sowohl CPU als auch GPU unter diesem Bereich befinden. Die am nächsten zum Systemlüfter gelegenen Eck-Quadranten können bis zu 50 Grad Celsius erreichen, während die Quadraten am nächsten zum optischen Laufwerk kaum Temperaturänderungen unterliegen.
Verglichen mit anderen 15-Zoll-Gaming-Notebooks hat das GP62 wegen seines kleineren Kühlsystems einen konzentrierten Hitzebereich. Systeme mit zwei Lüftern, beispielsweise das leistungsstärkere Asus G501, verteilen die Hitze gleichmäßiger weg vom vorderen Bereich nach hinten. Die Oberflächen-Temperaturen unseres MSI sind nicht annähernd so schlecht wie beim Lenovo Y50, doch es ist bedauerlich, dass die WASD-Tasten beim Gaming nicht kühler bleiben.
(-) Die maximale Temperatur auf der Oberseite ist 48.2 °C. Im Vergleich liegt der Klassendurchschnitt bei 36.8 °C (von 21 bis 71 °C für die Klasse Multimedia).
(-) Auf der Unterseite messen wir eine maximalen Wert von 50.2 °C (im Vergleich zum Durchschnitt von 39.1 °C).
(±) Ohne Last messen wir eine durchschnittliche Temperatur von 33.3 °C auf der Oberseite. Der Klassendurchschnitt erreicht 31.3 °C.
(-) Die Handballen und der Touchpad-Bereich können sehr heiß werden mit maximal 45.4 °C.
(-) Die durchschnittliche Handballen-Temperatur anderer getesteter Geräte war 28.7 °C (-16.7 °C).
Lautsprecher

Die vier Lautsprecher befinden sich an den unteren vorderen Ecken des Notebooks. Offensichtlich fehlt der GP Serie der Subwoofer der teureren GE Serie, obwohl das GP62 den gleichen quadratischen Lautsprechergrill für den Subwoofer an der Unterseite behielt.
Unserer Meinung nach fehlt es der Klangqualität des GE62 an Bass.. Dennoch erzeugen die Lautsprecher sogar bei höheren Lautstärken kein Rauschen und können ziemlich laut sein. Externe 3,5-mm-Lösungen sind für bessere Film- und Musikwiedergabe empfehlenswert.
Akkulaufzeit
Der integrierte 42-Wh-Akku kann nicht entfernt werden und ist verglichen mit den meisten 15-Zoll-Gaming-Notebooks klein.
Die Akkulaufzeiten sind außerordentlich kurz. Bestenfalls erreichen wir bei minimaler Helligkeit, Stromsparprofil und aktiver integrierter Grafik knapp über 2 Stunden. Konkurrenzmodelle halten unter ähnlichen Bedingungen um Stunden länger durch.
| MSI GP62-2QEi781FD 42 Wh | Lenovo IdeaPad Y50-70-59441231 54 Wh | Asus G501JW 60 Wh | Alienware 15 (R9 M295X) 92 Wh | MSI GE62 2QD 51 Wh | Acer Aspire V15 Nitro VN7-571G-574H 52 Wh | |
|---|---|---|---|---|---|---|
| Akkulaufzeit | 112% | 208% | 196% | 59% | 340% | |
| Idle (h) | 2.2 | 6.5 195% | 6.9 214% | 10.8 391% | 4.6 109% | 13.3 505% |
| WLAN (h) | 1.6 | 3.4 113% | 4.8 200% | 2.7 69% | 7.5 369% | |
| Last (h) | 1.1 | 1.4 27% | 3.4 209% | 1.1 0% | 1.1 0% | 2.7 145% |
Pro
Contra
Fazit
Das MSI GP62 ist im Grunde ein GE62, bei welchem an allen Ecken und Enden gespart wurde. Die User verlieren die gebürsteten Aluminium-Oberflächen, den Subwoofer, die beleuchtete Tastatur und das IPS-Panel. Das Schlimmste ist, dass die GPU-Leistung der GTX 950M einfach kein Vergleich gegenüber der GTX 965M im GE62 ist.
Geblieben sind die wichtigsten Grundlagen: ein passabler TN-Bildschirm, komfortable Tastatur und Touchpad, eine starke, zugängliche Basiseinheit, drei Speicherschächte und eine GPU, die Games in Full-HD-Auflösung bei mittleren bis mittelhohen Einstellungen schafft. Wir sind etwas enttäuscht, dass sich die Akkulaufzeit nicht verbessert hat, obwohl das GP62 ein kleineres Kühlsystem, eine neuere Broadwell CPU und eine schwächere GPU nutzt.
Wir raten die höheren Kosten eines GE-Modells in Kauf zunehmen, da dieses eine bessere Gaming-Leistung liefert und ein insgesamt besseres Paket darstellt.
MSI GP62-2QEi781FD
- 17.08.2015 v4 (old)
Allen Ngo















































































