Test Aorus X5 Notebook

Vor nicht allzu langer Zeit hat Aorus das 17,3 Zoll große X7 auf den Markt gebracht, dem das viel kleinere 13,9 Zoll große X3 folgte. Daher war wohl vorhersehbar, dass der Hersteller die Lücke mit dem neuen 15,6-Zoll-X5 auffüllt.
Das X5 setzt Aorus' Tradition fort, eine enorme Leistung in ein dünnes und attraktives Chassis zu quetschen. Um noch weiter an die Grenze zu gehen, ist das X5 das erste Notebook mit zwei GTX 965M GPUs und einem hochauflösenden 3K (2.880 x 1.620) G-SYNC-Bildschirm. Diese Ausstattung wird mit vier Speicher-Schächten und vier Video-Ausgängen gekrönt.
Amazon hat das Aorus X5 mit 2.300 US-Dollar im Angebot, was ungefähr dem Verkaufspreis aktueller Gaming-Notebooks mit GTX 980M GPUs entspricht. Finden wir heraus, was dieses ehrgeizige Notebook genau zu bieten hat und wo die eingesetzte SLI-Lösung sich hinsichtlich Performance platziert. In Deutschland ist das Aorus X5 zur Zeit noch nicht verfügbar, soll lt. Gigabyte aber auch hier blad auf den Markt kommen.
Gehäuse
Das Designkonzept der Aorus-Serie hat sich seit dem Debüt des X7 nicht verändert. Daher verfügt auch das X5 über die gleichen scharfen Features, ein Magnesium-Gehäuse und von oben bis unten über matte schwarze Oberflächen. Das ist keine schlechte Sache, da das Chassis mit seinem einzigartigen, wiedererkennbaren Aussehen verglichen mit der Fülle an Gaming-Notebooks am Markt unverwechselbar von Aorus stammt. Die dominierenden Lüftergrille und die Stealth-Anleihen erinnern bis zu einem Grad die beliebte Asus ROG-G751-Serie.
Während die schlanke Design-Philosophie unangetastet bleibt, hat sich die Verarbeitung des X5 nicht wesentlich verbessert und gleicht vorwiegend seinen Geschwistern. Das bedeutet, dass sich der Bildschirmdeckel leichter verwinden lässt als bei dickeren Gaming-Notebooks und die Basis ist ebenso nicht so solide. Trotzdem zeigt unser Testgerät keine Schwachstellen, Spalten oder größere Knarr-Probleme. Das einzelne Scharnier ist ziemlich stabil und lässt sich auf zirka 120 Grad öffnen. Es ist ausreichend straff, um ein Wackeln des Bildschirms beim Tippen zu verhindern. Der zentrale Bereich des Bildschirmdeckels gibt unter Druck immer noch mäßig nach, doch die Tastatureinheit zeigt mehr Widerstand.
In puncto Größe gehört das X5 zu den dünnsten 15,6-Zoll-Gaming-Notebooks. Es ist sogar ein klein wenig dünner als das Lenovo Y50, jedoch dicker als sowohl das Asus G501 als auch das super-schlanke MSI GS60. Seine Grundfläche (Länge x Breite) ist tatsächlich etwas größer als bei den meisten Konkurrenzmodellen einschließlich des Alienware 15. Mit zirka 2,6 kg, ist unser Aorus schwerer als das Asus G501 (2,0 kg), das MSI GS60 (2,0 kg) und das Lenovo Y50 (2,4 kg), jedoch leichter als das Alienware 15 (3,1 kg) und das Eurocom P5 Pro (3,4 kg).
Ausstattung
Die verfügbaren Schnittstellen wurden ziemlich gleichmäßig auf alle drei Seiten des Notebooks verteilt, wobei jede davon wenigstens einen USB-3.0-Port bietet. Bemerkenswerter ist möglicherweise, dass das X5 zwei HDMI-1.4-Ports, einen VGA-Ausgang und einen Mini-DisplayPort zur Unterstützung von bis zu drei externen Bildschirmen und Nvidia Vision Surround bietet, während bei den meisten 15-Zoll-Notebooks zwei Video-Ausgänge üblicher sind. Das dickere Eurocom P5 Pro liefert beispielsweise drei Video-Ausgänge.
Anderes als beim Asus G501, gibt es keine Option für Thunderbolt-Unterstütztung via des mDP-Ports. Weiters ist es etwas seltsam, dass der VGA-Ausgang, verglichen mit der Ausrichtung der meisten Notebooks, auf dem Kopf steht.
Kommunikation
WLAN wird durch ein Intel Dual-Band Wireless-AC 7265 M.2 Modul mit integriertem Bluetooth 4.0 und WiDi zur Verfügung gestellt. Die Karte unterstützt beide Bänder (2,4 GHz und 5 GHz) gleichzeitig, womit sich eine theoretische Übertragungsrate von bis zu 867 Mbit/s ergibt. Konfigurationen mit 1 Gbit/s WLAN-Modulen bietet Aorus nicht an, doch das Intel-Modul kann bei Bedarf leicht vom User ersetzt werden.
WWAN- und GPS-Funk werden vom X5-Gaming-Notebook nicht unterstützt.
Wartung
Aorus hat es sich zur guten Gewohnheit gemacht, Notebooks mit zugänglichem Innenleben herzustellen. Bei diesem Modell kann die Unterseite nach Lösen von 12 kleinen Torx-Schrauben, die ähnlich groß sind wie jene bei aktuellen Razer-Notebooks, entfernt werden. User erlangen, ähnlich wie bei vielen Clevo-Barbones, direkten Zugriff auf die Kühl-Komponenten, die Speicher-Schächte, die WLAN-Karte, den Akku und zwei von vier SODIMM-Slots.
Zubehör
Für das X5 gibt es kein spezielles Zubehör, da ein herstellerspezifischer Docking-Port fehlt. Stattdessen stehen optional Tastaturen, Mäuse und anderes Zubehör mit Aorus-Marke zur Auswahl.
Garantie
Aorus gehört zu den wenigen Notebook-Herstellern, die standardmäßig für US-Kunden eine Garantie von zwei Jahren inkludieren. Der interne Akku ist allerdings nur für ein Jahr abgedeckt. Bei einer beliebigen Anzahl an "Stuck"-Pixeln (Pixel, die nicht aktualisiert werden) gibt es Anspruch auf Tausch des LCD, während tote Pixel (stets dunkel) überhaupt nicht abgedeckt sind. Auch für Deutschland gelten 2 Jahre Gewährleistung.
Eingabegeräte
Tastatur
Die Chiclet-Tastatur mit Hintergrundbeleichtung (35,5 x 10,5 cm, ohne Macro-Tasten) liefert ein ausreichendes Feedback bei leisem Tippgeräusch. Der Hubweg ist leider ziemlich knapp, vor allem im Vergleich mit dem Gigabyte P55W und seinen einzigartig langhubigen Tasten. Es ist bedauerlich, dass Gigabyte seine ausgezeichnete P55W-Tastatur nicht auf die Aorus-Serie übertragen hat können. Die flachen Kunststoff-Tasten sammeln sehr schnell Schmutz und Fingerabdrücke.
Trotzdem fühlt sich die Tastatur mit ihren Pfeiltasten und einer Spalte spezieller Macro-Tasten solide an. Die MacroEngine-Software ermöglicht es dem User fünf verschiedene Macro-Gruppen zu konfigurieren, womit insgesamt 25 verschiedene Inputs möglich sind. Die gleiche Hardware und Software findet man bei den meisten Gigabyte-Modellen.
Touchpad
Das Touchpad (10 x 7 cm) ist die übliche Aorus-Ware. Die eigentliche Navigations-Oberfläche ist kleiner als sie aussieht, da die unteren 2 cm texturiert und für Maus-Klicks reserviert sind. Das bedeutet, dass das Touchpad nur 10 x 5 cm groß und somit gleich groß wie das Touchpad des aktuellen Gigabyte P55W ist. Die Elan-Software erkennt Eingaben mit bis zu drei Fingern und ermöglicht die üblichen Benutzereinstellungen.
Wir sind nicht das einzige Magazin, das über die schlechten Gleiteigenschaften von Aorus-Touchpads klagt. Offenbar ist dem Hersteller das einzigartige Aussehen der glänzenden Oberfläche wichtiger ist als die bessere Ergonomie einer einfachen, matten Oberfläche. Gewiss, das Touchpad sieht scharf aus, doch es fühlt sich immer noch so an, als ob wir den Cursor mit einer Fensterscheibe steuern würden.
Die beiden integrierten Maus-Tasten haben ebenso einen knappen Hubweg und hätten von einem solideren Feedback profitiert. Positiv ist, dass das weichere Feedback verglichen mit den meisten anderen Notebooks eine schnellere Betätigung ermöglicht. Allerdings sind die Maustasten selbst etwas wählerisch, wo sie Eingaben annehmen. User können nur nahe der unteren linken oder unteren rechten Ecke einen Klick auslösen. Unserer Meinung nach ist ein Doppel-Tippen auf die Touchpad-Oberfläche einfacher und zuverlässiger.
Display
Der 15,6-Zoll-Bildschirm mit 3K-Auflösung (2.880 x 1.620) mag nicht die höchste Pixelanzahl seiner Klasse bieten, doch er gehört sicherlich zu den schärfsten Bildschirmen für Gaming-Notebooks. Seine 212 DPI sind zirka 50 Prozent höher als bei einem 1080p-Bildschirm gleicher Größe. Subjektiv weisen die dargestellten Bilder satte Farben auf und Texte sind scharf und bei geeigneter Skalierung auch einfach abzulesen. Bei dieser hohen Pixeldichte gibt es keine Anzeichen eines Fliegengittereffekts (Screen-Door-Effekt), obwohl aus der Nähe eine leichte Körnigkeit erkennbar ist. Es ist erwähnenswert, dass exakt das gleiche 3K-Panel von Panasonic (MEI96A2, VVX16T028J00) auch im Gigabyte P35X v3, im Sony Vaio Fit multi-flip als auch im MSI GT60 mit etwas unterschiedlichen Modellnamen verwendet wird.
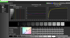
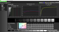
Während die Helligkeit mit vielen hochwertigen Gaming-Notebooks (Aorus gibt beim X5 350 cd/m² an) gleichauf ist, ist der Kontrast von rund 600:1 niedriger. Aorus unterstützt zudem Nvidia G-SYNC.
| |||||||||||||||||||||||||
Ausleuchtung: 87 %
Helligkeit Akku: 324.3 cd/m²
Kontrast: 586:1 (Schwarzwert: 0.553 cd/m²)
ΔE ColorChecker Calman: 3.53 | ∀{0.5-29.43 Ø4.74}
ΔE Greyscale Calman: 3.12 | ∀{0.09-98 Ø4.98}
85.2% sRGB (Argyll 1.6.3 3D)
55.4% AdobeRGB 1998 (Argyll 1.6.3 3D)
61.8% AdobeRGB 1998 (Argyll 3D)
85.7% sRGB (Argyll 3D)
61.5% Display P3 (Argyll 3D)
Gamma: 2.28
CCT: 6600 K
| Aorus X5 | Eurocom P5 Pro Extreme | Gigabyte P55 V4 | Asus G501JW-CN168H | Alienware 15 (R9 M295X) | |
|---|---|---|---|---|---|
| Display | 4% | -2% | 22% | 3% | |
| Display P3 Coverage (%) | 61.5 | 62.6 2% | 64 4% | 76.5 24% | 65.5 7% |
| sRGB Coverage (%) | 85.7 | 89.8 5% | 80.6 -6% | 100 17% | 85.4 0% |
| AdobeRGB 1998 Coverage (%) | 61.8 | 64.6 5% | 58.9 -5% | 76.4 24% | 62.4 1% |
| Bildschirm | 7% | 10% | 5% | 10% | |
| Helligkeit Bildmitte (cd/m²) | 324.3 | 347.3 7% | 262.3 -19% | 344 6% | 314 -3% |
| Brightness (cd/m²) | 317 | 349 10% | 265 -16% | 337 6% | 294 -7% |
| Brightness Distribution (%) | 87 | 91 5% | 89 2% | 95 9% | 87 0% |
| Schwarzwert * (cd/m²) | 0.553 | 0.407 26% | 0.259 53% | 0.31 44% | 0.33 40% |
| Kontrast (:1) | 586 | 853 46% | 1013 73% | 1110 89% | 952 62% |
| Delta E Colorchecker * | 3.53 | 3.49 1% | 4.29 -22% | 5.98 -69% | 4.14 -17% |
| Delta E Graustufen * | 3.12 | 4.65 -49% | 2.28 27% | 5.75 -84% | 2.8 10% |
| Gamma | 2.28 96% | 2.2 100% | 2.31 95% | 2.51 88% | 3.19 69% |
| CCT | 6600 98% | 7060 92% | 6350 102% | 7366 88% | 6540 99% |
| Farbraum (Prozent von AdobeRGB 1998) (%) | 55.4 | 58.49 6% | 53 -4% | 71 28% | 56 1% |
| Color Space (Percent of sRGB) (%) | 85.2 | 80.3 -6% | 100 17% | 85 0% | |
| Durchschnitt gesamt (Programm / Settings) | 6% /
6% | 4% /
7% | 14% /
9% | 7% /
8% |
* ... kleinere Werte sind besser
Die Farbabdeckung beträgt zirka 55,4 Prozent bzw. 85,2 Prozent des AdobeRGB bzw. sRGB-Standards. Diese Werte sind typisch für hochwertige IPS-Bildschirme und ähneln stark den Bildschirmen des Eurocom P5 Pro und des Alienware 15. Das Spektrum ist nicht so groß wie beim Asus UX501 oder G501, für welche der Hersteller mit 95-prozentiger sRGB-Abdeckung wirbt. Abgesehen für professionelle Grafikarbeit hat dies wenig Belang für Gaming oder Alltagsaufgaben.
Weitere Analysen mit einem X-Rite-Spectrophotometer zeigen ausreichend genaue Farben und Graustufen bereits mit Werkseinstellungen. Das X5 profitiert wenig von Kalibrierung, da die Farben bereits durchwegs ziemlich ausbalanciert sind. Orange und Gelb sind etwas ungenauer als die meisten anderen Farben, doch dies stellt für Gaming kaum ein Problem dar.
Die Ablesbarkeit im Freien ist nicht schlecht, da das System über einen matten Bildschirm, ein blickwinkelstabiles IPS-Panel und eine helle Bildschirmbeleuchtung verfügt. Die maximale Helligkeit fällt im Akkubetrieb nicht. Daher können die User die gesamte Helligkeit im Freien nutzen. Für direktes Sonnenlicht ist der Bildschirm dennoch nicht annähernd hell genug und wird vom Umgebungslicht schnell überstrahlt.
Die Blickwinkel sind ausgezeichnet. Bei extremen Blickwinkeln gibt es nur minimale Helligkeits- und Farbveränderungen.
Leistung
Die uns vorliegende Aorus-X5-Konfiguration verfügt über einen Core i7-5700HQ Prozessor mit zwei GTX 965M (SLI) Grafikkarten an der Seite. Bis jetzt gibt es keine anderen Optionen, da die Hardware wahrscheinlich für eine sehr spezifische Kühllösung und eine eben solche Zielleistung gewählt wurde. Der Broadwell-Kern läuft mit einem Basistakt von 2,7 GHz und wird mit dem Stromsparprofil auf nur 800 MHz gedrosselt.
Während der i7-5700HQ mehr und mehr üblich wird, sind Systeme mit zwei GTX 965M GPUs selten. Das X5 ist unser erstes System mit solchen Lösung von Nvidia und unterstützt Optimus nicht. Die GPU-Kerne takten mit 949/1.252 MHz (Kern/Speicher) unter Last und mit 135/162 MHz im Idle-Modus mit Stromsparprofil. Für weitere technische Informationen und Benchmarks der GTX 965M SLI verweisen wir auf unseren GPU-Spezialartikel.
Der Hauptspeicher wird durch zwei G.Skill PC3-14200 SODIMM-Module mit insgesamt 16 GB zur Verfügung gestellt. Für bis zu 32 GB stehen vier SODIMM-Slots zur Verfügung. Der LatencyMon zeigt keine Latenzspitzen bei aktivem WLAN-Funk.
Prozessor
Der i7-5700HQ unterstützt Turbo Boost offiziell bis zu 3,5 GHz für alle Kerne, doch das X5 schafft es nicht, dieses Maximum für mehr als einige Minuten beizubehalten. Glücklicherweise übertrifft der Broadwell-Kern den Core i7-4720HQ-Vorgänger, den man in den meisten Gaming-Notebooks wie dem dünnen Razer Blade Pro 17 antrifft, immer noch etwas. Laut CineBench ist er zirka 10 Prozent besser und sogar der i7-4710HQ liegt nicht soweit dahinter.
Verglichen mit dem Core i7-4700HQ beträgt der reine CPU-Leistungszuwachs des i7-5700HQ bis zu 30 Prozent. Der Leistungsunterschied zwischen Haswell und Broadwell ist bei Multi-Thread-Benchmarks immer größer als bei Single-Thread-Benchmarks, da Haswell-Kerne für Multi-Thread-Anwendungen generell einen niedrigeren maximalen Turbo-Boost haben. Natürlich übertrifft der sehr hochwertige i7-4790K Desktop-Prozessor den i7-5700HQ um weitere 20 bis 30 Prozent bei allen getesteten Benchmarks.
Für weitere Informationen über den Core i7-5700HQ verweisen wir auf unsere CPU-Spezialseite.
| Cinebench R10 | |
| Rendering Single CPUs 64Bit (nach Ergebnis sortieren) | |
| Aorus X5 | |
| Razer Blade Pro 17 inch 2015 | |
| Aorus X3 Plus v3 | |
| Lenovo IdeaPad Y50 | |
| Eurocom P5 Pro Extreme | |
| Rendering Multiple CPUs 64Bit (nach Ergebnis sortieren) | |
| Aorus X5 | |
| Razer Blade Pro 17 inch 2015 | |
| Aorus X3 Plus v3 | |
| Lenovo IdeaPad Y50 | |
| Eurocom P5 Pro Extreme | |
| wPrime 2.10 - 1024m (nach Ergebnis sortieren) | |
| Aorus X5 | |
| Razer Blade Pro 17 inch 2015 | |
| Aorus X3 Plus v3 | |
| Lenovo IdeaPad Y50 | |
| Eurocom P5 Pro Extreme | |
| Super Pi Mod 1.5 XS 32M - 32M (nach Ergebnis sortieren) | |
| Aorus X5 | |
| Razer Blade Pro 17 inch 2015 | |
| Aorus X3 Plus v3 | |
| Lenovo IdeaPad Y50 | |
| Eurocom P5 Pro Extreme | |
| 3DMark | |
| Fire Strike Extreme Physics (nach Ergebnis sortieren) | |
| Aorus X5 | |
| Razer Blade Pro 17 inch 2015 | |
| Aorus X3 Plus v3 | |
| Lenovo IdeaPad Y50 | |
| Eurocom P5 Pro Extreme | |
| 1920x1080 Fire Strike Physics (nach Ergebnis sortieren) | |
| Aorus X5 | |
| Razer Blade Pro 17 inch 2015 | |
| Aorus X3 Plus v3 | |
| Lenovo IdeaPad Y50 | |
| Eurocom P5 Pro Extreme | |
| 1280x720 Cloud Gate Standard Physics (nach Ergebnis sortieren) | |
| Aorus X5 | |
| Razer Blade Pro 17 inch 2015 | |
| Aorus X3 Plus v3 | |
| Lenovo IdeaPad Y50 | |
| Eurocom P5 Pro Extreme | |
| 1280x720 offscreen Ice Storm Unlimited Physics (nach Ergebnis sortieren) | |
| Aorus X5 | |
| Razer Blade Pro 17 inch 2015 | |
| Aorus X3 Plus v3 | |
| Eurocom P5 Pro Extreme | |
| 1920x1080 Ice Storm Extreme Physics (nach Ergebnis sortieren) | |
| Aorus X5 | |
| Razer Blade Pro 17 inch 2015 | |
| Aorus X3 Plus v3 | |
| Eurocom P5 Pro Extreme | |
| 1280x720 Ice Storm Standard Physics (nach Ergebnis sortieren) | |
| Aorus X5 | |
| Razer Blade Pro 17 inch 2015 | |
| Aorus X3 Plus v3 | |
| Lenovo IdeaPad Y50 | |
| Eurocom P5 Pro Extreme | |
* ... kleinere Werte sind besser
Systemleistung
Der PCMark-Benchmark reiht unser Aorus in unserer Datenbank im Spitzenbereich ein. Sein PCMark-7-Gesamtwert von 6.471 Punkten ist ungefähr 10 Prozent geringer als jener des aktuellen Spitzenreiters von 7.272 Punkten. Die RAID-0-SSDs haben einen großen Einfluss auf die PC-Mark-Ergebnisse und die Lite-On-Laufwerke sind, wie in dem nächsten Abschnitt im Detail ausgeführt wird, nicht die Langsamsten ihrer Art.
Subjektiv läuft das System reibungslos ohne Navigationsprobleme oder Verzögerungen. Die meisten Anwendungen starten fast unmittelbar, wie man es sich von SSD-Systemen erwartet. Die nützliche "Command & Control" System-Anzeige friert jedoch periodisch für ein, zwei Sekunden ein, wenn man ihr Fenster verschiebt. Die Beschwerde ist nur klein und wahrscheinlich nur ein Bug unserer Testversion.
| PCMark 7 Score | 6471 Punkte | |
| PCMark 8 Home Score Accelerated v2 | 4317 Punkte | |
| PCMark 8 Creative Score Accelerated v2 | 5270 Punkte | |
| PCMark 8 Work Score Accelerated v2 | 4578 Punkte | |
Hilfe | ||
Speichergeräte

An Speicherschächten gibt es drei M.2 und einen 2,5 Zoll SATA-III. Nur die M.2-Laufwerke sind RAID-kompatibel, doch dies sollte für die meisten Enthusiasten mehr als genug sein. Es ist sehr unüblich für ein solch schlankes System, dass drei RAID-Schächte zugänglich sind. Das MSI GS60 beispielsweise liefert nur zwei M.2-Laufwerke und einen einzigen 2,5-Zoll-SATA-III-Slot.
Unsere Konfiguration nutzt zwei Lite-On L8T-256L9G SSDs im RAID-0-Verbund und eine HGST HTS721010A9E630 Festplatte mit 1 TB als sekundären Speicher. CrystalDiskMark zeichnet eine sequentielle Leserate von zirka 900 MB/s und eine Schreibrate von 800 MB/s auf. Während diese Ergebnisse für zwei SATA-III-Laufwerke normal sind, können sie von einem einzigen PCIe-x4-Slot, etwa im MacBook Pro und dem aktuellen Asus G501/UX501, übertroffen werden. Es ist möglich, dass zukünftige Aorus-Modelle diese schnellere Schnittstelle nutzen werden.
Schlussendlich ist auch die 7.200 U/min Festplatte mit einer durchschnittlichen Transferrate von 108 MB/s und einer Zugriffszeit von 15,4 ms laut HD Tune ziemlich schnell. Zum Vergleich: Die meisten 5.400 U/min Laufwerke liefern Transferraten im 80-MB/s-Bereich und noch langsamere Zugriffszeiten.
GPU-Leistung
Laut den 3DMark-Benchmarks schneiden die beiden GTX 965M GPUs etwa 50 bis 60 Prozent besser ab als eine einzelne Geforce GTX 965M. Einen Leistungsgewinn dieser Größenordnung haben wir uns beim Wechseln von einem Einzel-GPU-System auf ein Dual-GPU-Setup erwartet. Natürlich hätten wir gerne eine größere Verbesserung, doch die Endresultate konkurrieren mit der GTX 980M in unserem Gigabyte P37X und sind zirka 20 bis 25 Prozent niedriger als beim GTX 970M SLI in unserem Aorus X7 Pro.
| 3DMark 11 Performance | 11638 Punkte | |
| 3DMark Ice Storm Standard Score | 68846 Punkte | |
| 3DMark Cloud Gate Standard Score | 22188 Punkte | |
| 3DMark Fire Strike Score | 7815 Punkte | |
| 3DMark Fire Strike Extreme Score | 4366 Punkte | |
Hilfe | ||
| 3DMark 11 - 1280x720 Performance GPU (nach Ergebnis sortieren) | |
| Aorus X5 | |
| MSI GT80-2QES32SR311BW | |
| Aorus X7 Pro | |
| Gigabyte P37X | |
| Razer Blade 14 2015 | |
| Schenker XMG P705 | |
| Asus Zenbook Pro UX501JW-FI218H | |
| 3DMark | |
| Fire Strike Extreme Graphics (nach Ergebnis sortieren) | |
| Aorus X5 | |
| Gigabyte P37X | |
| Razer Blade 14 2015 | |
| 1920x1080 Fire Strike Graphics (nach Ergebnis sortieren) | |
| Aorus X5 | |
| MSI GT80-2QES32SR311BW | |
| Aorus X7 Pro | |
| Gigabyte P37X | |
| Razer Blade 14 2015 | |
| Schenker XMG P705 | |
| Asus Zenbook Pro UX501JW-FI218H | |
| 1280x720 Cloud Gate Standard Graphics (nach Ergebnis sortieren) | |
| Aorus X5 | |
| MSI GT80-2QES32SR311BW | |
| Aorus X7 Pro | |
| Gigabyte P37X | |
| Razer Blade 14 2015 | |
| Schenker XMG P705 | |
| Asus Zenbook Pro UX501JW-FI218H | |
| 1280x720 offscreen Ice Storm Unlimited Graphics Score (nach Ergebnis sortieren) | |
| Aorus X5 | |
| Gigabyte P37X | |
| Razer Blade 14 2015 | |
| Cinebench R10 - Shading 64Bit (nach Ergebnis sortieren) | |
| Aorus X5 | |
| Gigabyte P37X | |
| Razer Blade 14 2015 | |
| Cinebench R11.5 - OpenGL 64Bit (nach Ergebnis sortieren) | |
| Aorus X5 | |
| MSI GT80-2QES32SR311BW | |
| Aorus X7 Pro | |
| Gigabyte P37X | |
| Razer Blade 14 2015 | |
| Schenker XMG P705 | |
| Asus Zenbook Pro UX501JW-FI218H | |
| Cinebench R15 - OpenGL 64Bit (nach Ergebnis sortieren) | |
| Aorus X5 | |
| MSI GT80-2QES32SR311BW | |
| Aorus X7 Pro | |
| Gigabyte P37X | |
| Razer Blade 14 2015 | |
| Schenker XMG P705 | |
| Asus Zenbook Pro UX501JW-FI218H | |
Gaming-Leistung
Können zwei GTX 965M GPUs eine einzelne GTX 980M übertreffen? Die Antwort hängt vom Titel ab. Unser Aorus ist in Spielen wie Thief und Sleeping Dogs besser, doch das Eurocom P7 Pro mit einer GTX 980M ist vergleichsweise schneller bei Metro: Last Light, Guild Wars 2 und Middle-earth: Shadow of Mordor.
Natürlich werden die meisten User mit der nativen Auflösung von 2.880 x 1.620 Pixeln spielen wollen, um den Bildschirm voll auszunutzen. Am Aorus X5 laufen die meisten Spiele mit 3K-Auflösung bei Ultra- oder nahezu maximalen Grafikeinstellungen. Die meisten Titel laufen mit knapp über 30 FPS, was in Kombination mit G-SYNC perfekt ist. Letzteres vermeidet Screen-Tearing und Ruckeln, die ansonsten naturgemäß bei SLI-System häufiger auftreten. Das ist wahrscheinlich das Attraktivste am X5 verglichen mit leistungsstärkeren Notebooks. Indes erweist sich Batman: Arkham Knight als zu fordernd für unsere Auflösung und Grafikeinstellungen, doch es sieht gut aus und spielt sich gut, wenn Nvidia-spezifische Features abgeschaltet werden.
Gibt es Einbußen bei der Framerate durch G-SYNC? Wir wiederholten unsere Spieletests mit 3K-Auflösung und Ultra-Settings zum Vergleich und es zeigte sich kein statistisch relevanter Unterschied bei den FPS-Ergebnissen.
Mehr Details über die Nvidia-Technologie befinden sich in unserem Testbericht des G-SYNC-fähigen Asus G751JY.
| min. | mittel | hoch | max. | |
|---|---|---|---|---|
| Sleeping Dogs (2012) | 159.9 | 62.8 | ||
| Guild Wars 2 (2012) | 64.5 | 57.3 | ||
| Tomb Raider (2013) | 244.5 | 117.6 | ||
| StarCraft II: Heart of the Swarm (2013) | 145 | 76.2 | ||
| BioShock Infinite (2013) | 165.3 | 93.1 | ||
| Metro: Last Light (2013) | 85.8 | 56.9 | ||
| Thief (2014) | 84.7 | 60.1 | ||
| Middle-earth: Shadow of Mordor (2014) | 89.5 | 69.2 | ||
| Ryse: Son of Rome (2014) | 61.2 | 58.8 | ||
| F1 2014 (2014) | 115 | 90 | ||
| Dragon Age: Inquisition (2014) | 72 | 49.8 | ||
| Battlefield Hardline (2015) | 105.2 | 71.9 | ||
| Batman: Arkham Knight (2015) | 69 | 40 | 27 |
| Title | FPS |
| Sleeping Dogs | 26.3 |
| Guild Wars 2 | 57 |
| Tomb Raider | 57.6 |
| Starcraft II: Heart of the Swarm | 60.3 |
| Metro: Last Light | 34.8 |
| Thief | 34.7 |
| Middle-earth: Shadow of Mordor | 35.4 |
| Ryse: Son of Rome | 34.5 |
| F1 2014 | 59 |
| Dragon Age: Inquisition | 25.7 |
| Battlefield Hardline | 36.9 |
| Batman: Arkham Knight | 16 |
| Thief | |
| 1366x768 High Preset AA:FXAA & Low SS AF:4x (nach Ergebnis sortieren) | |
| Aorus X5 | |
| Eurocom X8 | |
| Aorus X7 Pro | |
| Eurocom P7 Pro | |
| Gigabyte P55 V4 | |
| Razer Blade Pro 17 inch 2015 | |
| 1920x1080 Very High Preset AA:FXAA & High SS AF:8x (nach Ergebnis sortieren) | |
| Aorus X5 | |
| Eurocom X8 | |
| Aorus X7 Pro | |
| Eurocom P7 Pro | |
| Gigabyte P55 V4 | |
| Razer Blade Pro 17 inch 2015 | |
| Metro: Last Light | |
| 1366x768 High (DX11) AF:16x (nach Ergebnis sortieren) | |
| Aorus X5 | |
| Eurocom X8 | |
| Aorus X7 Pro | |
| Eurocom P7 Pro | |
| Gigabyte P55 V4 | |
| Razer Blade Pro 17 inch 2015 | |
| 1920x1080 Very High (DX11) AF:16x (nach Ergebnis sortieren) | |
| Aorus X5 | |
| Eurocom X8 | |
| Aorus X7 Pro | |
| Eurocom P7 Pro | |
| Gigabyte P55 V4 | |
| Razer Blade Pro 17 inch 2015 | |
| Sleeping Dogs | |
| 1366x768 High Preset AA:High (nach Ergebnis sortieren) | |
| Aorus X5 | |
| Eurocom X8 | |
| Eurocom P7 Pro | |
| Gigabyte P55 V4 | |
| Razer Blade Pro 17 inch 2015 | |
| 1920x1080 Extreme Preset AA:Extreme (nach Ergebnis sortieren) | |
| Aorus X5 | |
| Eurocom X8 | |
| Eurocom P7 Pro | |
| Gigabyte P55 V4 | |
| Razer Blade Pro 17 inch 2015 | |
| Guild Wars 2 | |
| 1366x768 Best Appearance Preset AA:FX (nach Ergebnis sortieren) | |
| Aorus X5 | |
| Eurocom X8 | |
| Aorus X7 Pro | |
| Eurocom P7 Pro | |
| Gigabyte P55 V4 | |
| Razer Blade Pro 17 inch 2015 | |
| 1920x1080 All Maximum / On AA:FX (nach Ergebnis sortieren) | |
| Aorus X5 | |
| Eurocom X8 | |
| Aorus X7 Pro | |
| Eurocom P7 Pro | |
| Gigabyte P55 V4 | |
| Razer Blade Pro 17 inch 2015 | |
| StarCraft II: Heart of the Swarm | |
| 1366x768 High AA:on (nach Ergebnis sortieren) | |
| Aorus X5 | |
| Eurocom X8 | |
| Eurocom P7 Pro | |
| Gigabyte P55 V4 | |
| Razer Blade Pro 17 inch 2015 | |
| 1920x1080 Ultra / Extreme AA:on (nach Ergebnis sortieren) | |
| Aorus X5 | |
| Eurocom X8 | |
| Eurocom P7 Pro | |
| Gigabyte P55 V4 | |
| Razer Blade Pro 17 inch 2015 | |
| BioShock Infinite | |
| 1366x768 High Preset (nach Ergebnis sortieren) | |
| Aorus X5 | |
| Eurocom X8 | |
| Aorus X7 Pro | |
| Eurocom P7 Pro | |
| Gigabyte P55 V4 | |
| Razer Blade Pro 17 inch 2015 | |
| 1920x1080 Ultra Preset, DX11 (DDOF) (nach Ergebnis sortieren) | |
| Aorus X5 | |
| Eurocom X8 | |
| Aorus X7 Pro | |
| Eurocom P7 Pro | |
| Gigabyte P55 V4 | |
| Razer Blade Pro 17 inch 2015 | |
| Middle-earth: Shadow of Mordor | |
| 1920x1080 High Preset (nach Ergebnis sortieren) | |
| Aorus X5 | |
| Aorus X7 Pro | |
| Eurocom P7 Pro | |
| Gigabyte P55 V4 | |
| Razer Blade Pro 17 inch 2015 | |
| 1920x1080 Ultra Preset (HD Package) (nach Ergebnis sortieren) | |
| Aorus X5 | |
| Aorus X7 Pro | |
| Eurocom P7 Pro | |
| Gigabyte P55 V4 | |
| Razer Blade Pro 17 inch 2015 | |
| Ryse: Son of Rome | |
| 1920x1080 High Texture Res. + High Graphics Quality (Rest Off/Disabled) AF:8x (nach Ergebnis sortieren) | |
| Aorus X5 | |
| Eurocom X8 | |
| Aorus X7 Pro | |
| Eurocom P7 Pro | |
| Gigabyte P55 V4 | |
| Razer Blade Pro 17 inch 2015 | |
| 1920x1080 Very High Texture Res. + High Graphics Quality (Motion Blur & Temporal AA On, Rest Off/Disabled) AF:8x (nach Ergebnis sortieren) | |
| Aorus X5 | |
| Eurocom X8 | |
| Aorus X7 Pro | |
| Eurocom P7 Pro | |
| Gigabyte P55 V4 | |
| Razer Blade Pro 17 inch 2015 | |
| F1 2014 | |
| 1920x1080 High Preset (nach Ergebnis sortieren) | |
| Aorus X5 | |
| Eurocom X8 | |
| Aorus X7 Pro | |
| Eurocom P7 Pro | |
| Gigabyte P55 V4 | |
| Razer Blade Pro 17 inch 2015 | |
| 1920x1080 Ultra Preset AA:4x MS (nach Ergebnis sortieren) | |
| Aorus X5 | |
| Eurocom X8 | |
| Aorus X7 Pro | |
| Eurocom P7 Pro | |
| Gigabyte P55 V4 | |
| Razer Blade Pro 17 inch 2015 | |
| Dragon Age: Inquisition | |
| 1920x1080 High Graphics Quality (nach Ergebnis sortieren) | |
| Aorus X5 | |
| Eurocom X8 | |
| Eurocom P7 Pro | |
| 1920x1080 Ultra Graphics Quality AA:2x MS (nach Ergebnis sortieren) | |
| Aorus X5 | |
| Eurocom X8 | |
| Eurocom P7 Pro | |
| Battlefield Hardline | |
| 1920x1080 High Graphics Quality (DX11) (nach Ergebnis sortieren) | |
| Aorus X5 | |
| Eurocom P7 Pro | |
| Gigabyte P55 V4 | |
| 1920x1080 Ultra Graphics Quality (DX11) AA:4x MS (nach Ergebnis sortieren) | |
| Aorus X5 | |
| Eurocom P7 Pro | |
| Gigabyte P55 V4 | |
| Batman: Arkham Knight | |
| 1366x768 Normal / Off AF:4x (nach Ergebnis sortieren) | |
| Aorus X5 | |
| 1920x1080 High / On (Interactive Smoke & Paper Debris Off) AA:SM AF:8x (nach Ergebnis sortieren) | |
| Aorus X5 | |
| 1920x1080 High / On AA:SM AF:16x (nach Ergebnis sortieren) | |
| Aorus X5 | |
Stresstest
Wir belasten das Notebook mit synthetischen Benchmarks, um die Systemstabilität und mögliche Throttling-Probleme aufzuzeigen.
Mit nur Prime95 für CPU-Last, laufen alle vier Kerne konsistent mit 3 GHz. Das ist 300 MHz über dem Basistakt und 500 MHz unter dem maximalen Nenn-Turbo-Boost. Die Kerntemperaturen springen schnell auf den 90- bis 95-°C-Bereich und das Lüftergeräusch erreicht mit 5.300 bis 5.400 RPM bereits das Maximum.
Mit FurMark testen wir die GPU-Last, hier läuft der Nvidia-Kern konstant mit 949 MHz oder nur 25 MHz oberhalb des Basistakts von 924 MHz. Gelegentlich gibt es kurze Einbrüche auf 924 MHz. Die GPU-Temperatur ordnet sich im niedrigen 80-°C-Bereich ein und der Speichertakt bleibt konsistent bei 1.252 MHz.
Volllast mit sowohl Prime95 und FurMark bremsen die CPU auf 1,4 bis 1,6 GHz. Überraschenderweise kann die GPU Taktraten von leicht über ihrem Basistakt von 924 MHz beibehalten. CPU- und GPU-Temperatur bleiben nach einer halben Stunde Stresstest bei 95 °C bzw. 86 °C stabil. Das System bleibt sogar bei 100-Prozent-Last stabil.
Als Nächstes führen wir Unigine Heaven 4.0 aus, um Last-Bedingungen bei Spielen besser zu simulieren. Hier läuft die CPU anfangs mit ihrer maximalen Turbo-Boost-Rate von 3,5 GHz, doch diese fällt in den ersten paar Minuten langsam auf stabile 3 GHz. Indes behält die GPU ihren Kerntakt von 949 MHz ohne Unterbrechungen bei. CPU- und GPU-Temperaturen pendeln sich bei 90 bis 95 °C bzw. 66 °C ein. Die Intel CPU wirkt anfälliger für Throttling als jede der beiden Nvidia-GPUs. Bei zehn Läufen des Metro: Last Light Benchmark hintereinander sinken die durchschnittlichen FPS von Anfang bis zum Schluss nicht.
Im Akkubetrieb fallen CPU- und GPU-Leistung. Ein 3DMark-11-Lauf im Akkubetrieb liefert GPU- und Physics-Ergebnisse von 6.620 bzw. 6.873 Punkten verglichen mit 14.428 und 7.408 Punkten im Netzbetrieb. Die Ursache ist, dass die CPU maximal mit ihrem Basistakt von 2,7 GHz taktet, während der GPU-Speicher statt den regulären 1.252 MHz auf 800 MHz beschränkt wird. Es ist beeindruckend, dass beide GPU-Kerne ohne Probleme 949 MHz beibehalten.
Emissionen
Geräuschemissionen
Die Kühllösung des X5 erinnert an das schwerere Eurocom P5 Pro. Das Aorus nutzt zwei 50 mm Systemlüfter und insgesamt acht Heatpipes. Das Lüftergeräusch ist unvermeidlich und pulsiert beim X5 gelegentlich. Die Lüftersteuerung erlaubt folgende Modi: Quiet, Normal, Gaming und Benutzerdefiniert, doch die Lüfter bewegen sich sogar im Quiet-Modus mit ausgeschaltetem SLI und eingeschaltetem Stromspar-Modus konstant mit zirka 2100 RPM. Das aufgezeichnete Lüftergeräusch pulsiert zwischen 32 dB(A) und 34 dB(A) im leisesten Zustand.
Beim Gaming springt das Lüftergeräusch auf den 50 dB(A)-Bereich bis zu einem Maximum von fast 57 dB(A) (5.400 RPM). Damit ist das Aorus X5 eines der lautesten 15,6-Zoll-Gaming-Notebooks, da die anderen beim Gaming eher im mittleren 40-dB(A)- oder maximal niedrigen bis mittleren 50-dB(A)-Bereich bleiben. Das Razer Blade 14 fällt einem sofort ein, wenn man mit derart lauten Notebooks zu tun hat. Setzt man den Lüftermodus auf Quiet, werden sowohl CPU als auch GPU gedrosselt. Doch dies ist eine wertvolle Einstellung, wenn man das Notebook für Alltagsaufgaben oder irgendetwas anderes als Gaming nutzt.
Lautstärkediagramm
| Idle |
| 32.5 / 32.6 / 34.4 dB(A) |
| Last |
| 44 / 56.8 dB(A) |
![]() | ||
30 dB leise 40 dB(A) deutlich hörbar 50 dB(A) störend |
||
min: | ||
Temperatur
Die Oberflächentemperaturen sind in Anbetracht der SLI-Hardware und des dünnen Gehäuses vorhersehbar hoch. Die hintere Unterseite erreicht wegen der großen, umfassenden Heatpipes in diesem Bereich schon im Idle-Betrieb fast 40 °C verglichen mit den ~35 °C des MSI GS60 mit GTX 970M und den 25 - 30 °C des Asus ROG G501 mit GTX 960M. Im Allgemeinen haben sowohl Aorus- als auch Gigabyte-Notebooks überdurchschnittlich warme Oberflächentemperaturen.
Maximale CPU- und GPU-Last führt dazu, dass die Temperaturen in die Höhe schnellen. Wie bei den meisten Herstellern üblich, werden die Handballenablagen und die vorderen Quadranten für maximalen User-Komfort so kühl wie möglich gehalten. Bei solch leistungsstarker Hardware kann Aorus nicht viel tun, um die Temperaturen niedrig zu halten. Die Tasten auf der Tastatur erreichen hohe ~49 °C bei 100-Prozent-Last verglichen mit nur ~44 °C beim MSI GS60 oder ~35 °C beim Asus G501. Ist dies beim Spielen störend? Nicht unbedingt, doch die Wärme ist definitiv präsenter als bei anderen Gaming-Notebooks.
(-) Die maximale Temperatur auf der Oberseite ist 55.6 °C. Im Vergleich liegt der Klassendurchschnitt bei 40.4 °C (von 21.2 bis 68.8 °C für die Klasse Gaming).
(-) Auf der Unterseite messen wir eine maximalen Wert von 57.6 °C (im Vergleich zum Durchschnitt von 43.2 °C).
(±) Ohne Last messen wir eine durchschnittliche Temperatur von 33.6 °C auf der Oberseite. Der Klassendurchschnitt erreicht 33.9 °C.
(±) Die Handballen und der Touchpad-Bereich können sehr heiß werden mit maximal 39.2 °C.
(-) Die durchschnittliche Handballen-Temperatur anderer getesteter Geräte war 28.8 °C (-10.4 °C).
Lautsprecher

Die Auslassöffnungen der beiden 1,5 W Lautsprecher befinden sich an der Vorderseite des Notebooks und können leicht mit Lüfterabdeckungen verwechselt werden. Das X5 inkludiert einen Subwoofer nahe der Rückseite.
Die Soundqualität ist für die Größe gut und die Lautsprecher sind bei hoher Lautstärkeeinstellung laut, was im Wesentlichen erforderlich ist, um das unvermeidliche Lüftergeräusch beim Gaming zu übertönen. Der Klang fühlt sich ausbalanciert an, doch wir ziehen immer noch Kopfhörer vor, um das Lüftergeräusch zu minimieren.
Im Gegensatz zu einer Handvoll Multimedia-Notebooks mit Sound-Blaster- oder DTS-Equalizern gibt es keine vorinstallierte Audio-Software.
Akkulaufzeit
Der nicht entfernbare 73-Wh-Akku hat eine höhere Kapazität als das ähnlich große MSI GS60 und Lenovo IdeaPad Y50. Schließlich muss es zwei GPUs und einen 3K-Bildschirm mit Strom versorgen. Abgesehen von unserem Last-Test, wurden unser Reader- und WiFi-Test mit abgeschaltetem SLI und normaler Lüftereinstellung ausgeführt.
Die Laufzeiten des X5 sind knapp unter zwei Stunden beim Web-Surfen bei einer Helligkeit von 150 cd/m² (Stufe 4/10) und unter drei Stunden im Idle-Betrieb mit minimaler Bildschirmhelligkeit. Die Ergebnisse sind verglichen mit anderen 15-Zoll-Gaming-Notebooks nicht sehr vielversprechend, obwohl dies bei einem System mit SLI ohne Optimus-Unterstützung wohl nicht anders zu erwarten ist.
| Aorus X5 73 Wh | Alienware 15 92 Wh | MSI GE60-2QEWi781 56 Wh | MSI GS60 2QE Ghost Pro 4K (2QEUi716SR51G) 52 Wh | Eurocom P5 Pro Extreme 82 Wh | Lenovo IdeaPad Y50-70-59441231 55 Wh | |
|---|---|---|---|---|---|---|
| Akkulaufzeit | 157% | 64% | 2% | -2% | 68% | |
| Idle (h) | 2.8 | 11.6 314% | 6.4 129% | 4.6 64% | 2.7 -4% | 6.5 132% |
| WLAN (h) | 1.9 | 3.7 95% | 3.4 79% | |||
| Last (h) | 1.5 | 1.5 0% | 1 -33% | 0.6 -60% | 1.5 0% | 1.4 -7% |
| WLAN (alt) (h) | 4.4 | 3.1 | 2.3 |
Pro
Contra
Fazit
Das Aorus X5 bietet alles, was wir von Aorus kennen. Es ist ein Notebook für User, die mit der Leistung und den Features von ultraleichten Gaming-Notebooks wie dem Asus G501 oder dem MSI GS60 nicht zufrieden sind, doch auf jeden Fall die Performance und die Erweiterbarkeit von dickeren Modellen, etwa Clevo-Barbones (Eurocom P5 Pro) und der Alienware-Serie, ohne deren großes Gewicht wünschen. In manchen Fällen liefert das X5 mit seinem 3K G-SYNC-Bildschirm, einer großen Anzahl von Video-Ausgängen und zugänglichem Innenleben mehr als die Konkurrenz.
Alle Aorus-Notebooks teilen die selben Nachteile einschließlich eines lauten Lüftergeräusches beim Gaming, niedrigen Akkulaufzeiten, hoher wenngleich stabiler Temperaturen und einem schwächeren Gehäuse verglichen mit schweren Geschützen wie dem MSI GT72, dem Asus G751 und dem Alienware 17. Während die GTX 965M SLI eine sehr gute Leistung auf Niveau einer GTX 980M liefert, kann die Broadwell CPU ihren maximalen Turbo-Boost-Takt nicht für mehr als einige Minuten beibehalten. Zudem inkludiert das Notebook keinen PCIe-x4-Slot, der die beiden M.2 Lite-On SSDs noch übertreffen könnte.
Wenn Sie ein SLI-Notebook oder nur Leistung auf Niveau der GTX 980 im dünnstmöglichen 15-Zoll-Notebook wollen, dann ist das Aorus X5 ein, im wahrsten Sinne des Wortes, heißer Kandidat.
Der größte Trumpf des X5 ist möglicherweise seine Kombination aus 3K-Bildschirm, SLI und G-SYNC. Nvidias adaptive Refresh-Technologie ermöglicht eine flüssigere SLI-Funktion bei niedrigen oder unregelmäßigen Taktraten, die bei Dual-GPU-System mit höherer Auflösung häufiger auftreten. G-SYNC funktioniert bei 30 bis 60 FPS am besten, mit welchen die meisten Games bei hohen Einstellungen und 3K-Auflösung laufen. Es handelt sich um eine ausgezeichnete Nutzung der Technologie, um die Nachteile von SLI zu mildern.
Aorus X5
- 23.02.2016 v5 (old)
Allen Ngo
Erfahren Sie hier mehr über die Änderungen der neuen Bewertung mit Version 5


















































































