Test Gigabyte P37X Notebook

Gigabyte ist stolz auf seine ultradünnen und leichten Gaming-Notebooks, angefangen beim 14-Zoll-P34W, über die 15,6 Zoll große P35-Serie bis hin zu den noch größeren P37-Modellen mit 17,3-Zoll-Bildschirmen. Bei der Hardware geht der Hersteller keine Kompromisse ein und stattet seine Notebooks, die zudem einfach zu warten sind, mit den High-End-GPUs GTX 970M sowie GTX 980M aus.
Unser heutiges Testgerät stammt aus der P37-Serie, genauer gesagt handelt es sich um die Konfiguration P37X. Die Ausstattung beinhaltet leistungsstarke Komponenten wie den Core i7-4720HQ, die GTX-980M-GPU, 16 GB Arbeitsspeicher, ein mattes 1080p-IPS-Display sowie 128-GB-SSDs in einem RAID-0-Verbund. Alternativ gibt es nur noch die P37W-Konfiguration, welche bis auf die GTX-970M-GPU und die Menge an Arbeitsspeicher aber praktisch identisch ist.
Das P37X mit 8 GB RAM und einer 1 TB großen Festplatte ist für 2.000 US-Dollar erhältlich. In Deutschland steht das Gerät ab etwa 2000 Euro in den Regalen. Wir vergleichen es mit aktuellen 17-Zoll-Gaming-Notebooks und finden heraus, ob das Notebook von Gigabyte bei der Leistung und der Aufrüstbarkeit mit den Rivalen mithalten kann.
Gehäuse
Wenn man das dünnste und leichteste 17,3-Zoll-Notebook mit einer GTX 980M sucht, dann ist das P37X sicherlich die richtige Wahl. Mit einer Höhe von lediglich 22,5 Millimetern ist es noch nicht einmal halb so dick wie das beliebte Asus G751, gleichzeitig liegt das Gewicht mit 2,8 - 2,9 kg auf dem Niveau von deutlich schwächeren Geräten wie dem Acer Aspire V17 Nitro (3 kg). Es geht aber noch dünner, denn das MSI GS70 mit der GTX 970M ist einen halben Millimeter dünner und rund 100 Gramm leichter als das P37. Alle anderen Gaming-Notebooks wiegen normalerweise mindestens 3,5 kg. Die dünne Konstruktion sieht dabei auf den ersten Blick gar nicht so beeindruckend aus, aber der Unterschied ist gewaltig, sobald man das Gigabyte neben das MSI GT72 oder Alienware 17 stellt.
Abgesehen von der dünnen Konstruktion verfügt das Gehäuse über eine matte und dunkelgraue Farbgebung, spezielle Oberflächen oder optische Akzente sucht man aber vergebens. Die Erscheinung ähnelt einem Barebone und man könnte meinen, das Gehäuse wird von Clevo hergestellt. Die Erscheinung ähnelt eindeutig dem kleineren P34W. Die Baseunit fühlt sich solide an und wir können sie selbst in der Mitte der Tastatur weder eindrücken noch verwinden. Auch die kleinen Scharniere halten den Bildschirm bis zum maximalen Öffnungswinkel fest in Position. Der Bildschirmdeckel selbst könnte etwas stabiler sein, denn er lässt sich schon mit recht wenig Kraft verwinden. Insgesamt handelt es sich um ein stabiles Gehäuse, vor allem im Vergleich mit den schlechter verarbeiteten Lenovo Y70 und Acer V17 Nitro.
Ausstattung
Trotz der dünnen Konstruktion des Notebooks gibt es jede Menge Anschlüsse. Drei Videoausgänge sollten ausreichen, dazu gibt es noch Gigabit-Ethernet, 4 USB-Anschlüsse sowie einen SD-Kartenleser. Zum Vergleich: Beim Acer Aspire V17 steht lediglich ein Videoausgang zur Verfügung, allerdings bieten sowohl das Aorus X7 und das GT72 noch mehr USB-Anschlüsse als das P37.
Kommunikation
Das Intel 7260 Modul (PCIe, halbe Größe) unterstützt den WLAN-Standard 802.11ac und auch Bluetooth 4.0. Dieses beliebte Dual-Band Modul erreicht Übertragungsraten von bis zu 867 MBit/s und in einem normalen Heimnetzwerk konnten wir keine Problem feststellen. Für eine noch zuverlässigere Verbindung steht zudem der Gigabit-Ethernet-Anschluss bereit, der bei den meisten Gaming-Notebooks zur Standardausstattung gehört. Vor allem nach dem Test des Razer Blade 14 mit seiner eingeschränkten Anschlussausstattung ist das eine Wohltat.
Zusätzliche Kommunikationsmodule wie WWAN oder GPS sind nicht vorhanden, allerdings war das bei einem Gaming-Notebook auch nicht zu erwarten.
Zubehör
Dem P37 liegt ein umfangreiches Handbuch, eine Treiber-CD, eine CD mit PowerDVD 12 sowie eine Garantiekarte bei. Auch ein Festplattenmodul gehört zum Lieferumfang. Dieses kann das optische Laufwerk entweder ersetzen, um Gewicht zu sparen, oder um eine zusätzliche 2,5-Zoll-SATA-Festplatte zu verwenden.
Garantie
Gigabyte Notebooks verfügen standardmäßig über eine zweijährige weltweite Garantie; bei den meisten Konkurrenten gibt es nur ein Jahr. Käufer müssen das Gerät nach dem Erwerb bei Gigabyte registrieren, um die Garantie in Anspruch zu nehmen. Das Netzteil sowie der Akku sind nur ein Jahr lang abgedeckt.
Eingabegeräte
Tastatur
Die vollwertige Chiclet-Tastatur (35,5 x 10,5 cm) bietet eine sehr gute und zugleich ziemlich leise Rückmeldung. Wir konnten während des Tests keine Probleme mit verzögerten Eingaben feststellen. Der Hub ist zufriedenstellend und etwas besser als beim Y70, könnte aber trotzdem noch etwas länger sein. In dieser Disziplin hat das Eurocom X8 die Nase ganz leicht vorn. Im Gegensatz zur G-Serie von MSI gibt es bei unserem Testgerät keine zusätzlichen Multimediatasten.
Wie schon beim Alienware 18 gibt es auf der linken Seite der Tastatur eine Reihe von Makrotasten. Diese fünf programmierbaren Tasten (mit der Aufschrift G1 bis G5) können jeweils fünfmal durchgeschaltet werden, womit insgesamt 25 verschiedene Makros zur Verfügung stehen. Insbesondere die Position der Tasten hat uns gefallen, denn sie lassen sich einfach mit der linken Hand bedienen, die sich beim Spielen sowieso im Bereich der WASD-Tasten befindet. Diese Implementierung ist dem Chimera CX-9 überlegen, bei dem die Tasten oberhalb der Tastatur nicht unmittelbar zu erreichen sind. Die Makrotasten sind etwas kleiner und weicher als die restlichen Tasten, es gibt also durchaus noch Verbesserungspotenzial.
Touchpad
Die Größe des Touchpads geht mit 10 x 7 cm in Ordnung, allerdings ist die tatsächliche Oberfläche für Zeigerbewegungen mit 10 x 5,5 cm etwas kleiner, denn der untere Teil des Touchpads kann ausschließlich für Mausklicks verwendet werden. Es gibt keine unterschiedlichen Oberflächen für das Touchpad und die Maustasten, und auch keine sonstige Abtrennung. Die Steuerung des Mauszeigers wird damit zum Geduldsakt, da die Bewegungen regelmäßig unterbrochen werden, wenn die Finger über die gesamte Oberfläche gleiten. Das Reaktionsvermögen ist ansonsten gut, dennoch würde eine gewisse Abtrennung der beiden Bereiche die Ergonomie verbessern.
Zwischen den beiden Maustasten selbst gibt es leider auch Unterschiede. Der Linksklick fühlt sich befriedigender an und die Rückmeldung ist präziser als der etwas schwammige Rechtsklick. Auf jeden Fall könnten beide Seiten etwas mehr Hub vertragen, vor allem im Vergleich mit den überlegenen Touchpads des G751 und den aktuellen Modellen von Clevo.
Display
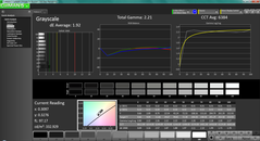
Entgegen den neuen 15,6-Zoll-Modellen des MSI GS60 setzt Gigabyte weiterhin auf ein mattes 1080p-Display für die P37-Baureihe. Das LG Philips LP173WF4-SPF1 Panel kommt auch beim Lenovo Y70 und Acer Aspire V17 zum Einsatz, und obwohl es vielleicht nicht ganz so scharf ist wie 2K- oder 3K-Panels, muss man keine Skalierungsprobleme befürchten, die bei höheren nativen Auflösungen durchaus ein Problem darstellen. Es gibt zudem erstaunlich wenig Farbrauschen, das Bild sieht also sehr sauber aus und die Farben sind rein.
Für ein Gaming-Notebook liegt die Bildschirmhelligkeit mit durchschnittlich rund 350 cd/m² auf einem sehr guten Niveau. 250 cd/m² (oder mehr bei einem spiegelnden Display) reichen für Innenräume normalerweise aus, aber die zusätzliche Helligkeit ist durchaus angenehm. Auch das Kontrastverhältnis von rund 500:1 geht für Spiele und Filme in Ordnung. Allerdings erreichen konkurrierende Notebooks in der Regel höhere Werte für noch geringere Schwarzwerte, andererseits liegt die maximale Helligkeit aber unter dem P37X.
| |||||||||||||||||||||||||
Ausleuchtung: 91 %
Helligkeit Akku: 361.7 cd/m²
Kontrast: 493:1 (Schwarzwert: 0.734 cd/m²)
ΔE ColorChecker Calman: 2.81 | ∀{0.5-29.43 Ø4.74}
ΔE Greyscale Calman: 1.92 | ∀{0.09-98 Ø4.99}
57.95% AdobeRGB 1998 (Argyll 1.6.3 3D)
64% AdobeRGB 1998 (Argyll 3D)
87.9% sRGB (Argyll 3D)
68.7% Display P3 (Argyll 3D)
Gamma: 2.21
CCT: 6384 K
| Gigabyte P37X | Aorus X7 Pro | Alienware 17 (GTX 880M) | Asus G751JY-T7009H | Lenovo Y70-70 Touch | Ibuypower GT72 Dominator | |
|---|---|---|---|---|---|---|
| Display | 0% | -1% | -3% | -2% | -3% | |
| Display P3 Coverage (%) | 68.7 | 67.9 -1% | 67.1 -2% | 66.4 -3% | 67.5 -2% | 64.2 -7% |
| sRGB Coverage (%) | 87.9 | 88.7 1% | 87.8 0% | 85.3 -3% | 85.7 -3% | 87.3 -1% |
| AdobeRGB 1998 Coverage (%) | 64 | 64.9 1% | 64.2 0% | 62.1 -3% | 62.8 -2% | 64 0% |
| Bildschirm | -7% | -77% | -7% | 21% | -86% | |
| Helligkeit Bildmitte (cd/m²) | 361.7 | 318 -12% | 302 -17% | 329 -9% | 344.8 -5% | 263.8 -27% |
| Brightness (cd/m²) | 347 | 283 -18% | 284 -18% | 326 -6% | 332 -4% | 255 -27% |
| Brightness Distribution (%) | 91 | 82 -10% | 90 -1% | 93 2% | 84 -8% | 84 -8% |
| Schwarzwert * (cd/m²) | 0.734 | 0.54 26% | 0.49 33% | 0.47 36% | 0.4 46% | 0.224 69% |
| Kontrast (:1) | 493 | 589 19% | 616 25% | 700 42% | 862 75% | 1178 139% |
| Delta E Colorchecker * | 2.81 | 3.79 -35% | 9.31 -231% | 3.95 -41% | 11.85 -322% | |
| Delta E Graustufen * | 1.92 | 2.35 -22% | 9.63 -402% | 3.36 -75% | 11.75 -512% | |
| Gamma | 2.21 100% | 2.37 93% | 2.13 103% | 2.46 89% | 2.22 99% | |
| CCT | 6384 102% | 6775 96% | 10778 60% | 5961 109% | 14746 44% | |
| Farbraum (Prozent von AdobeRGB 1998) (%) | 57.95 | 58 0% | 57 -2% | 56 -3% | 56.31 -3% | |
| Durchschnitt gesamt (Programm / Settings) | -4% /
-5% | -39% /
-56% | -5% /
-6% | 10% /
12% | -45% /
-64% |
* ... kleinere Werte sind besser
Auch die Farbraumabdeckung ist mit 78 % des sRGB- bzw. 58 % des AdobeRGB-Standards sehr gut. Die Werte liegen mindestens 10 % über günstigeren TN-Panels und können mit sehr guten IPS-Bildschirmen konkurrieren, die normalerweise in professionellen Workstations wie den HP Books oder den Precision-Modellen von Dell zum Einsatz kommen. Die beiden Rivalen Asus G751 und Aorus X7 sind ebenfalls auf einem vergleichbaren Niveau.
Eine genauere Farbanalyse mit einem X-Rite Spektralphotometer zeigt recht akkurate Ergebnisse für die Graustufen sowie die Farben im Werkszustand. Die DeltaE-Abweichungen sind bei allen Farben sehr gering und bei niedrigen Sättigungsleveln insgesamt besser. Gelb und Orange zeigen unter den Farben die größten Abweichungen; dieses Verhalten konnten wir schon beim Lenovo Y70 beobachten. Eine Kalibrierung brachte nur sehr geringe Verbesserungen in allen Bereichen.
Die Outdoor-Fähigkeiten sind dank der vergleichsweise hohen Helligkeit, der geringen DPI-Zahl sowie dem matten Display besser als erwartet. Allerdings benötigt solch ein großes Display eine noch stärkere Hintergrundbeleuchtung, man sollte sich also möglichst ein schattiges Plätzchen suchen und direkte Sonneneinstrahlung vermeiden. Außerdem ist ein großes 17,3-Zoll Notebook – egal wie dünn es auch sein mag – immer schwieriger zu transportieren und ungeeigneter für die mobile Nutzung.
Leistung
Das P37X verwendet einen Core i7-4720HQ, der bei vielen High-End-Gaming-Notebooks zum Einsatz kommt. Der Haswell-Prozessor läuft im Energiesparmodus mit 800 - 1.200 MHz, erreicht aber sonst bis zu 3,4 GHz (mehrere Kerne) bzw. 3,6 GHz (ein Kern). Auch die dedizierte GTX 980M drosselt im Energiesparmodus auf 135/162 MHz (Kern/Speicher), kann via GPU-Boost aber bis auf 1.126/1.252,2 MHz (Kern/Speicher) beschleunigt werden.
Der Arbeitsspeicher wird von zwei austauschbaren SODIMM-Modulen von Transcend bereitgestellt. Insgesamt stehen dem Notebook 16 GB zur Verfügung. Der Arbeitsspeicher sowie andere interne Komponenten sind über die Wartungsklappe auf der Unterseite leicht zugänglich.
Prozessor
Die Leistung des Core i7-4720HQ ist in den synthetischen Benchmarks sehr gut und wir können keine künstliche Drosselung feststellen. Die Ergebnisse sind mit dem P34W v3 vergleichbar, welches den gleichen Prozessor in einem kleineren 14-Zoll-Gehäuse verwendet. Die Multi-Core-Leistung liegt leicht über dem beliebten i7-2600K Desktop-Prozessor und etwa 10 - 15 % hinter dem derzeit schnellsten Chip in Cinebench R15, dem i7-4940MX. Auch die Single-Core-Leistung ist dem i7-2600K laut Super Pi sehr ähnlich, und das bei einer deutlich geringeren TDP (47 Watt vs. 95 Watt) sowie niedrigeren Basistakten. Ein vergleichbarer Prozessor aus der Ivy-Bridge-Generation wäre der i7-3840QM.
Weitere technische Informationen und Benchmarks zum i7-4720HQ sind in unserem CPU-Artikel ersichtlich.
System Performance
Synthetische Benchmarks ermitteln eine Systemleistung für das P37X, die auf einem Niveau mit anderen High-End-Gaming-Notebooks wie dem P25X v2 oder dem MSI GE62 liegt. Das PCMark 7 Ergebnis hätte ein bisschen höher ausfallen können, denn das iBuyPower Chimera CX-9 wird trotz der deutlich schwächeren GTX 860M Grafikkarte nur knapp geschlagen (6.302 vs. 6.290 Punkte). Die Leistung des RAID-0-Verbundes, welche das Endergebnis im PCMark deutlich beeinflusst, ist beim P37 relativ gering und verhindert bessere Ergebnisse für das Notebook.
Subjektiv reagieren aber sowohl das Betriebssystem als auch Anwendungen unmittelbar auf Eingaben und wir konnten im Test keine großen Verzögerungen feststellen. Selbst Multi-Tasking beim Spielen oder dem täglichen Surfen im Internet stellt das Notebook vor keine großen Herausforderungen.
| PCMark 7 Score | 6302 Punkte | |
| PCMark 8 Home Score Accelerated v2 | 4070 Punkte | |
| PCMark 8 Creative Score Accelerated v2 | 5002 Punkte | |
| PCMark 8 Work Score Accelerated v2 | 4462 Punkte | |
Hilfe | ||
Massenspeicher
Das P37 bietet zwei mSATA- sowie einen 2,5 Zoll großen SATA-III-Steckplatz. Ein zusätzlicher SATA-Steckplatz wird von dem optischen Laufwerk belegt, welches aber gegen eine andere HDD oder SSD ausgetauscht werden kann. Clevo bietet diese Möglichkeit ebenfalls, aber außerhalb von Barebones ist diese Funktionalität eigentlich ziemlich unüblich. Dieser vierte SATA-Steckplatz unterstützt allerdings nicht den SATA-III-Standard, womit zusätzlicher Speicher langsamer arbeiten wird als die beiden mSATA-Laufwerke und das einzelne SATA-III-Laufwerk. Die RAID-Funktion steht für alle Laufwerke mit Ausnahme des langsameren SATA-Steckplatzes zur Verfügung.
Unser Testgerät verwendet zwei 128 GB große Lite-On LMT-128L9M mSATA-SSDs in einem RAID-0-Verbund sowie eine einzelne 1 TB große Festplatte von Hitachi (HTS721010A9E630). Die mSATA-Laufwerke sind natürlich sehr schnell, allerdings sind die Transferraten beim Schreiben laut CrystalDiskMark und AS SSD für ein RAID-0-Verbund nicht wie erwartet. Die beiden Plextor-Laufwerke (RAID 0) im Chimera CX-9 erreichen beispielsweise 830 MB/s, das P37 aber "nur" 640 MB/s. Die Hitachi-HDD zeigt indes gute Leistungen mit Transferraten von über 111 MB/s laut HD Tune. Typischerweise erreichen konventionelle Festplatten Werte um die 90 MB/s, Laufwerke mit 5.400 U/min sogar noch weniger.
Weitere Benchmarks zu Festplatten und SSDs finden Sie in unserem umfangreichen Vergleichsartikel.
Grafikkarte
Die synthetischen Grafikbenchmarks positionieren das P37 neben dem ähnlich ausgestatteten Asus G751 und zeigen deutliche Leistungsvorteile gegenüber der GTX 970M sowie der alten GTX 880M. Ein interessanter Vergleich: Die Ergebnisse im 3DMark liegen nur ganz knapp hinter dem Eurocom X7 und seinem Crossfire-Gespann mit zwei AMD Radeon HD 8970M, allerdings ist der Stromverbrauch deutlich geringer.
| 3DMark 06 Standard Score | 28162 Punkte | |
| 3DMark 11 Performance | 10864 Punkte | |
| 3DMark Ice Storm Standard Score | 124208 Punkte | |
| 3DMark Cloud Gate Standard Score | 20603 Punkte | |
| 3DMark Fire Strike Score | 8304 Punkte | |
| 3DMark Fire Strike Extreme Score | 4248 Punkte | |
Hilfe | ||
| 3DMark | |
| 1280x720 Cloud Gate Standard Graphics (nach Ergebnis sortieren) | |
| Gigabyte P37X | |
| Asus G751JY-T7009H | |
| Gigabyte P34W V3 | |
| Alienware 17 (GTX 880M) | |
| Aorus X7 Pro | |
| 1920x1080 Fire Strike Graphics (nach Ergebnis sortieren) | |
| Gigabyte P37X | |
| Asus G751JY-T7009H | |
| Gigabyte P34W V3 | |
| Alienware 17 (GTX 880M) | |
| Aorus X7 Pro | |
| Fire Strike Extreme Graphics (nach Ergebnis sortieren) | |
| Gigabyte P37X | |
| Gigabyte P34W V3 | |
| Alienware 17 (GTX 880M) | |
| 3DMark 11 - 1280x720 Performance GPU (nach Ergebnis sortieren) | |
| Gigabyte P37X | |
| Asus G751JY-T7009H | |
| Gigabyte P34W V3 | |
| Alienware 17 (GTX 880M) | |
| Aorus X7 Pro | |
Gaming Performance
Bei der Spieleleistung ist die GTX 980M bei den mobilen Grafiklösungen – mit der Ausnahme von SLI-Kombinationen – unangefochten an der Spitze. Alle getesteten Spiele lassen sich mit maximalen Details in 1080p spielen, und die durchschnittliche Framerate liegt bei fast 60 fps oder sogar darüber. Es gibt einige Ausnahmen, und wir empfehlen unseren Artikel über die GTX 980M für weitere Vergleiche und Benchmarks. Die Ergebnisse unterscheiden sich nicht von anderen Geräten mit dieser GPU, und wir konnten auch keine systemspezifischen Probleme oder Ausreißer feststellen. Die Ergebnisse liegen rund 20 bis 25 % über dem P34W v3 mit einer einzelnen GTX 970M.
Das Aorus X7 Pro mit der GTX 970M SLI ist in Spielen nochmal 30 bis 50 % (oder sogar noch mehr bei Thief) schneller, wem die Leistung einer einzelnen GTX 980M also nicht ausreicht, sollte Lösungen mit zwei Grafikkarten in Betracht ziehen.
| min. | mittel | hoch | max. | |
|---|---|---|---|---|
| Sleeping Dogs (2012) | 139.6 | 57.6 | ||
| Guild Wars 2 (2012) | 65.2 | 57.1 | ||
| Tomb Raider (2013) | 243.6 | 103.7 | ||
| StarCraft II: Heart of the Swarm (2013) | 127.4 | 82.2 | ||
| BioShock Infinite (2013) | 173.7 | 90.9 | ||
| Metro: Last Light (2013) | 98.4 | 63.2 | ||
| Thief (2014) | 81.6 | 59.2 | ||
| Middle-earth: Shadow of Mordor (2014) | 86.5 | 66.8 | ||
| Ryse: Son of Rome (2014) | 63.1 | 60.2 | ||
| F1 2014 (2014) | 115 | 96 | ||
| Call of Duty: Advanced Warfare (2014) | 101.6 | 65.9 |
| Middle-earth: Shadow of Mordor | |
| 1920x1080 Ultra Preset (HD Package) (nach Ergebnis sortieren) | |
| Gigabyte P37X | |
| Eurocom P5 Pro Extreme | |
| Aorus X7 Pro | |
| Gigabyte P34W V3 | |
| 1920x1080 High Preset (nach Ergebnis sortieren) | |
| Gigabyte P37X | |
| Eurocom P5 Pro Extreme | |
| Aorus X7 Pro | |
| Gigabyte P34W V3 | |
| 1344x756 Medium Preset (nach Ergebnis sortieren) | |
| Aorus X7 Pro | |
| Gigabyte P34W V3 | |
| 1280x720 Lowest Preset (nach Ergebnis sortieren) | |
| Aorus X7 Pro | |
| Sleeping Dogs | |
| 1920x1080 Extreme Preset AA:Extreme (nach Ergebnis sortieren) | |
| Gigabyte P37X | |
| Eurocom P5 Pro Extreme | |
| Alienware 18 | |
| Gigabyte P34W V3 | |
| Clevo Clevo P157SM | |
| 1366x768 High Preset AA:High (nach Ergebnis sortieren) | |
| Gigabyte P37X | |
| Eurocom P5 Pro Extreme | |
| Alienware 18 | |
| Gigabyte P34W V3 | |
| Clevo Clevo P157SM | |
| 1366x768 Medium Preset AA:Normal (nach Ergebnis sortieren) | |
| Alienware 18 | |
| Gigabyte P34W V3 | |
| Guild Wars 2 | |
| 1920x1080 All Maximum / On AA:FX (nach Ergebnis sortieren) | |
| Gigabyte P37X | |
| Eurocom P5 Pro Extreme | |
| Alienware 18 | |
| Aorus X7 Pro | |
| Gigabyte P34W V3 | |
| Clevo Clevo P157SM | |
| 1366x768 Best Appearance Preset AA:FX (nach Ergebnis sortieren) | |
| Gigabyte P37X | |
| Eurocom P5 Pro Extreme | |
| Alienware 18 | |
| Aorus X7 Pro | |
| Gigabyte P34W V3 | |
| Clevo Clevo P157SM | |
| 1024x768 Best Performance Preset (nach Ergebnis sortieren) | |
| Aorus X7 Pro | |
| Tomb Raider | |
| 1920x1080 Ultra Preset AA:FX AF:16x (nach Ergebnis sortieren) | |
| Gigabyte P37X | |
| Eurocom P5 Pro Extreme | |
| Alienware 18 | |
| Aorus X7 Pro | |
| Gigabyte P34W V3 | |
| Clevo Clevo P157SM | |
| 1366x768 High Preset AA:FX AF:8x (nach Ergebnis sortieren) | |
| Gigabyte P37X | |
| Eurocom P5 Pro Extreme | |
| Alienware 18 | |
| Aorus X7 Pro | |
| Gigabyte P34W V3 | |
| Clevo Clevo P157SM | |
| 1366x768 Normal Preset AA:FX AF:4x (nach Ergebnis sortieren) | |
| Alienware 18 | |
| Aorus X7 Pro | |
| Gigabyte P34W V3 | |
| 1024x768 Low Preset (nach Ergebnis sortieren) | |
| Aorus X7 Pro | |
| StarCraft II: Heart of the Swarm | |
| 1920x1080 Ultra / Extreme AA:on (nach Ergebnis sortieren) | |
| Gigabyte P37X | |
| Eurocom P5 Pro Extreme | |
| Gigabyte P34W V3 | |
| Clevo Clevo P157SM | |
| 1366x768 High AA:on (nach Ergebnis sortieren) | |
| Gigabyte P37X | |
| Eurocom P5 Pro Extreme | |
| Gigabyte P34W V3 | |
| Clevo Clevo P157SM | |
| 1366x768 Medium (nach Ergebnis sortieren) | |
| Gigabyte P34W V3 | |
| BioShock Infinite | |
| 1920x1080 Ultra Preset, DX11 (DDOF) (nach Ergebnis sortieren) | |
| Gigabyte P37X | |
| Eurocom P5 Pro Extreme | |
| Alienware 18 | |
| Aorus X7 Pro | |
| Gigabyte P34W V3 | |
| Clevo Clevo P157SM | |
| 1366x768 High Preset (nach Ergebnis sortieren) | |
| Gigabyte P37X | |
| Eurocom P5 Pro Extreme | |
| Alienware 18 | |
| Aorus X7 Pro | |
| Gigabyte P34W V3 | |
| Clevo Clevo P157SM | |
| 1366x768 Medium Preset (nach Ergebnis sortieren) | |
| Alienware 18 | |
| Aorus X7 Pro | |
| Gigabyte P34W V3 | |
| 1280x720 Very Low Preset (nach Ergebnis sortieren) | |
| Aorus X7 Pro | |
| Metro: Last Light | |
| 1920x1080 Very High (DX11) AF:16x (nach Ergebnis sortieren) | |
| Gigabyte P37X | |
| Eurocom P5 Pro Extreme | |
| Alienware 18 | |
| Aorus X7 Pro | |
| Gigabyte P34W V3 | |
| Clevo Clevo P157SM | |
| 1366x768 High (DX11) AF:16x (nach Ergebnis sortieren) | |
| Gigabyte P37X | |
| Eurocom P5 Pro Extreme | |
| Alienware 18 | |
| Aorus X7 Pro | |
| Gigabyte P34W V3 | |
| Clevo Clevo P157SM | |
| 1366x768 Medium (DX10) AF:4x (nach Ergebnis sortieren) | |
| Alienware 18 | |
| Aorus X7 Pro | |
| Gigabyte P34W V3 | |
| 1024x768 Low (DX10) AF:4x (nach Ergebnis sortieren) | |
| Aorus X7 Pro | |
| Thief | |
| 1920x1080 Very High Preset AA:FXAA & High SS AF:8x (nach Ergebnis sortieren) | |
| Gigabyte P37X | |
| Eurocom P5 Pro Extreme | |
| Aorus X7 Pro | |
| Gigabyte P34W V3 | |
| Clevo Clevo P157SM | |
| 1366x768 High Preset AA:FXAA & Low SS AF:4x (nach Ergebnis sortieren) | |
| Gigabyte P37X | |
| Eurocom P5 Pro Extreme | |
| Aorus X7 Pro | |
| Gigabyte P34W V3 | |
| Clevo Clevo P157SM | |
| 1366x768 Normal Preset AA:FX (nach Ergebnis sortieren) | |
| Aorus X7 Pro | |
| Gigabyte P34W V3 | |
| 1024x768 Very Low Preset (nach Ergebnis sortieren) | |
| Aorus X7 Pro | |
| Ryse: Son of Rome | |
| 1920x1080 Very High Texture Res. + High Graphics Quality (Motion Blur & Temporal AA On, Rest Off/Disabled) AF:8x (nach Ergebnis sortieren) | |
| Gigabyte P37X | |
| Eurocom P5 Pro Extreme | |
| Aorus X7 Pro | |
| Gigabyte P34W V3 | |
| 1920x1080 High Texture Res. + High Graphics Quality (Rest Off/Disabled) AF:8x (nach Ergebnis sortieren) | |
| Gigabyte P37X | |
| Eurocom P5 Pro Extreme | |
| Aorus X7 Pro | |
| Gigabyte P34W V3 | |
| 1366x768 Medium Texture Res. + Normal Graphics Quality (Rest Off/Disabled) AF:4x (nach Ergebnis sortieren) | |
| Aorus X7 Pro | |
| Gigabyte P34W V3 | |
| 1024x768 Low Texture Res. + Low Graphics Quality (Rest Off/Disabled) AF:2x (nach Ergebnis sortieren) | |
| Aorus X7 Pro | |
| F1 2014 | |
| 1920x1080 Ultra Preset AA:4x MS (nach Ergebnis sortieren) | |
| Gigabyte P37X | |
| Eurocom P5 Pro Extreme | |
| Aorus X7 Pro | |
| Gigabyte P34W V3 | |
| 1920x1080 High Preset (nach Ergebnis sortieren) | |
| Gigabyte P37X | |
| Eurocom P5 Pro Extreme | |
| Aorus X7 Pro | |
| Gigabyte P34W V3 | |
| 1366x768 Medium Preset (nach Ergebnis sortieren) | |
| Aorus X7 Pro | |
| Gigabyte P34W V3 | |
| 1024x768 Ultra Low Preset (nach Ergebnis sortieren) | |
| Aorus X7 Pro | |
| Call of Duty: Advanced Warfare | |
| 1920x1080 Extra / On (Cache Shadow Maps Off), 2x Supersampling AA:2x SM (nach Ergebnis sortieren) | |
| Gigabyte P37X | |
| Eurocom P5 Pro Extreme | |
| Gigabyte P34W V3 | |
| 1920x1080 High / On (Cache Shadow Maps Off) AA:FX (nach Ergebnis sortieren) | |
| Gigabyte P37X | |
| Eurocom P5 Pro Extreme | |
| Gigabyte P34W V3 | |
| 1366x768 Normal / On (Cache Shadow Maps Off) (nach Ergebnis sortieren) | |
| Gigabyte P34W V3 | |
Stresstest
Wir testen das Notebook mit synthetischen Benchmarks, um die Stabilität und mögliche Probleme mit Throttling zu überprüfen. Zunächst belasten wir nur den Prozessor mit Prime95: Der Core i7-4720HQ kann einen Takt von 3,0 bis 3,2 GHz aufrechterhalten, und liegt damit 400 bis 600 MHz über dem Basistakt. Die Kerntemperaturen liegen dabei im Bereich von 80 bis 90 °C. Bei der Belastung mit FurMark fällt der Takt der Grafikkarte laut GPU-Z auf 848 - 873,3 MHz und die Kerntemperatur schwankt zwischen 80 und 82 °C. Das liegt unter dem Basistakt von 1.038 MHz der GTX 980M, der Speicher läuft aber weiterhin stabil mit den maximalen 1.252 MHz.
Die volle Auslastung mit Prime95 und FurMark führt sowohl bei dem Prozessor als auch der Grafikkarte zu Throttling. Unter diesen Bedingungen pendelt sich der Prozessor bei 800 - 1.300 MHz ein, während die Grafikkarte mit 873 bis 974,5 MHz läuft. Die Temperaturen der CPU und GPU übersteigen niemals 90 °C bzw. 83 °C. In Anbetracht des Basistaktes von 2,6 GHz ist das Throttling bei dem Prozessor schon ziemlich extrem.
Wir haben zusätzlich einen realistischeren Stresstest mit Unigine Heaven 4.0 durchgeführt, um die Auslastung beim Spielen besser zu simulieren. Unter diesen Bedingungen kann die CPU in den ersten paar Minuten einen Takt von 3 bis 3,4 GHz aufrechterhalten, bevor er sich bei etwa 2 GHz einpendelt. Danach kommt der Turbo Boost nur noch sporadisch zum Einsatz. Die Leistung der Grafikkarte ist allerdings sehr gut und der Takt liegt stabil bei 1.126/1.252 MHz (Kern/Speicher). Die Temperaturen für die CPU und die GPU liegen bei etwa 90 °C bzw. 77 °C. Die "Turbo Fan"-Funktion kann die Temperaturen nur um einige Grad reduzieren.
Die Leistung beim Spielen nimmt mit zunehmender Dauer leicht ab. Bei zehn Durchläufen des Metro 2033 Benchmark fällt die durchschnittliche Framerate von 63 fps beim ersten Durchlauf auf 61 beim zweiten und 59 beim dritten, bevor sich das Ergebnis bei 58 fps im letzten Durchlauf stabilisiert.
Im Akkubetrieb ist die Leistung deutlich eingeschränkt. Ein kurzer Test mit 3DMark 11 abseits der Steckdose ergab 6.811 (Physics) bzw. 6.540 Punkte (GPU), im Netzbetrieb sind es aber 7.545 bzw. 12.655 Punkte. Dementsprechend sind auch die CPU und die GPU auf 800 MHz bzw. 670,8 MHz gedrosselt. Auch der Takt des Grafikspeichers wird auf 799,2 MHz reduziert.
Emissionen
Geräuschemissionen
Zwei identische 50-mm-Lüfter sind über zwei lange Heatpipes verbunden und kümmern sich um die Abwärme des P37. Die Lüfter sind aufgrund des geringeren Platzangebotes kleiner als beim GT72 und dem Asus G751.
Keiner der beiden Lüfter schaltet sich komplett ab, noch nicht einmal, wenn sich das Notebook im Leerlauf befindet. Die Lautstärke ist mit etwa 36 dB(A) beim Surfen im Internet oder bei der Wiedergabe von Videos auf der höchsten "Stealth"-Stufe in Ordnung. Im Höchstleistungsmodus mit aktivierter Nvidia GPU steigen die Werte unabhängig von der Auslastung auf 38 bis 40 dB(A). Beim Spielen wird es mit 47 bis zu 51 dB(A) nochmal deutlich lauter. Die maximale Lüfterstufe führt zu permanenten 54 dB(A).
Im Vergleich mit dem GS70 liegt die Lärmbelästigung beim Spielen auf dem gleichen Niveau (niedriger 50 dB(A)-Bereich). Dickere Notebooks pendeln sich häufig bei mittleren bis hohen 40er-Werten ein, was allerdings immer noch recht laut ist. Kopfhörer sind beim Spielen also definitiv eine gute Wahl.
Lautstärkediagramm
| Idle |
| 36.3 / 36.4 / 36.5 dB(A) |
| DVD |
| 37.2 / 39.1 dB(A) |
| Last |
| 47 / 51.1 dB(A) |
![]() | ||
30 dB leise 40 dB(A) deutlich hörbar 50 dB(A) störend |
||
min: | ||
Temperatur
Schon im Leerlauf und im Energiesparmodus mit der integrierten Grafikkarte werden die Oberflächen sehr warm. Wir konnten an der Rückseite des Notebooks mehr als 45 °C messen, was unsere Erwartungen deutlich übersteigt. Zum Vergleich: Das MSI GT72 bleibt deutlich unter 30 °C in allen Messabschnitten, während das dünnere MSI GS70 unter denselben Bedingungen 40 °C erreicht.
Maximale Last (Prime95 und FurMark) für eine halbe Stunde produziert Oberflächentemperaturen von über 65 °C. Diesen Wert konnten wir auf der Rückseite direkt über der CPU und GPU messen. Diese Ergebnisse sind deutlich höher als bei dickeren Gaming-Notebooks, die normalerweise unter 50 °C bleiben. Das GS70 ist hier ein besserer Vergleich, und das P37X ist in der Tat kühler. Der vordere Bereich der Handballenauflage und die linke Seite der Tastatur bleiben beim Gigabyte beispielsweise kühler als beim MSI. Daher sind die WASD-Tasten und die Makrotasten beim Spielen auch komfortabler zu bedienen.
Die simulierte maximale Last ist dabei anspruchsvoller als es beim Spielen der Fall ist, unsere Temperaturmessungen repräsentieren also das Worst-Case-Szenario. Beim Spielen sollte das Notebook etwas kühler bleiben.
(-) Die maximale Temperatur auf der Oberseite ist 50 °C. Im Vergleich liegt der Klassendurchschnitt bei 40.4 °C (von 21.2 bis 68.8 °C für die Klasse Gaming).
(-) Auf der Unterseite messen wir eine maximalen Wert von 66.8 °C (im Vergleich zum Durchschnitt von 43.3 °C).
(±) Ohne Last messen wir eine durchschnittliche Temperatur von 32.8 °C auf der Oberseite. Der Klassendurchschnitt erreicht 33.9 °C.
(+) Die Handballen und der Touchpad-Bereich sind mit gemessenen 31.4 °C kühler als die typische Hauttemperatur und fühlen sich dadurch kühl an.
(-) Die durchschnittliche Handballen-Temperatur anderer getesteter Geräte war 28.8 °C (-2.6 °C).
Lautsprecher

Die beiden Stereolautsprecher (1,5 Watt) befinden sich an den vorderen Kanten des Notebooks und sind nach vorne gerichtet. Obwohl das Notebook keinen eigenen Subwoofer besitzt, ist die Klangqualität sehr gut. Der Klang ist ausgewogen und es gibt bei höheren Pegeln keine Verzerrungen. Für Filme und Musik ist die Qualität unserer Meinung nach ausreichend, und man muss nicht unbedingt externe Lautsprecher anschließen. Das ist auch ganz gut so, denn leider fehlen dem Gerät dedizierte Sound-Anschlüsse (SPDIF und Line-in). Die vorinstallierte Dolby Digital Plus Software lässt sich einfach benutzen, allerdings gibt es nicht ganz so viele Funktionen wie bei der Sound Baster X-Fi MB3.
Akkulaufzeit
Der fest verbaute 75,81-Wh-Akku (Lithium-Polymer) ist für ein 17,3-Zoll-Notebook ordentlich dimensioniert und liegt auf dem Niveau des kleineren 15,6-Zoll-Gigabyte P35X. Langsamere Gaming-Modelle haben normalerweise kleinere Akkus, inklusive dem Acer Aspire V17 Nitro (52,5 Wh) und dem Lenovo Y70 (54 Wh), während dickere Konkurrenten wie das Asus G751 (88 Wh) und das MSI GT72 (87 Wh) größere Module verwenden.
Die Akkulaufzeit ist mit fast 4 Stunden bei konstanter WLAN-Nutzung und einer Helligkeit von etwa 150 cd/m2 durchschnittlich. Trotz der unterschiedlichen Akkukapazitäten liegen die Ergebnisse auf dem Niveau des Y70 und G751. Beim Spielen kann man etwa mit der Hälfte davon rechnen und bei unrealistisch niedriger Helligkeit in Verbindung mit dem Leerlauf hält der Akku etwa 5,5 Stunden durch.
| Gigabyte P37X | Aorus X7 Pro | Alienware 17 (GTX 880M) | Asus G751JY-T7009H | Lenovo Y70-70 Touch | Ibuypower GT72 Dominator | |
|---|---|---|---|---|---|---|
| Akkulaufzeit | -34% | 4% | -20% | 53% | 2% | |
| Idle (h) | 5.5 | 3 -45% | 7.7 40% | 4.5 -18% | 8.4 53% | 6.6 20% |
| WLAN (h) | 4 | |||||
| Last (h) | 1.8 | 1.4 -22% | 1.2 -33% | 1.4 -22% | 1.5 -17% | |
| WLAN (alt) (h) | 5.8 | 3.7 | 4.3 | 3.1 |
Pro
Contra
Fazit
Warum sollte man sein Geld für ein dickes Gaming-Notebook ausgeben, wenn es (fast) die gleiche Leistung auch bei einem deutlich dünneren und leichteren Gerät gibt?
Das Gigabyte P37X geht keine großen Kompromisse bei der Hardware oder der Qualität ein, um das dünne Profil zu realisieren.
Die Baseunit aus Aluminium ist solide und bietet gute Wartungsmöglichkeiten, die Chiclet-Tastatur ist komfortabel, das matte IPS-Display ist bereits im Werkszustand recht genau und die umfangreiche Ausstattung mit vier Festplattenplätzen und drei Videoausgängen entspricht einem High-End-Gaming-Notebook. Etwas überraschend ist vielleicht die Tatsache, dass die GTX 980M beim Spielen nicht drosselt und trotz der schwächeren Kühlung dauerhaft mit dem maximalen Kerntakt von 1.126 MHz läuft. Beim Turbo Boost des Prozessors sieht die Sache etwas anders aus, allerdings sollte das keinen großen Einfluss beim Spielen haben.
Kritikpunkte sind sicherlich die Oberflächentemperaturen und das Lüftergeräusch; hier sind dickere Notebooks klar im Vorteil. Der Bildschirm könnte etwas stabiler sein und vor allem das Touchpad muss überarbeitet werden. Das Aussehen des Notebooks ist ziemlich plump und langweilig, insbesondere im Vergleich mit dem Lenovo Y70 und dem schnittigeren MSI Ghost sowie der X7-Serie von Aorus. Zudem lassen sich weder die CPU noch die GPU aufrüsten (kein MXM-3.0-Modul), die Aufrüstmöglichkeiten fallen also hinter die Barebones von Clevo zurück.
Mit 2.000 US-Dollar liegt das P37X ziemlich genau auf dem Preisniveau von anderen Geräten mit der 980M-GPU. Im Endeffekt muss der Anwender selbst entscheiden, ob er ein schweres und stabileres Modell mit geringeren Emissionen (Lärm, Temperatur) oder ein dünneres und kompakteres Modell bevorzugt, und dafür mehr Lärm und höhere Temperaturen in Kauf nimmt.
Gigabyte P37X
- 04.04.2015 v4 (old)
Allen Ngo












































































