Test Asus Transformer Book T300 Chi Convertible

Bereits mitte letzten Jahres hat Asus das 12,5 Zoll große Transformer Book T300 Chi in Taipeh vorgestellt und erst kürzlich die beiden kleineren Modelle T100 Chi (10,1-Zoll) sowie das T90 Chi (8,9-Zoll) auf der CES 2015 gezeigt. Die neue Produktfamilie verwendet Bay-Trail- und Broadwell-Prozessoren, angefangen mit dem Intel Z3775 bis hin zu dem Core M-5Y71. Laut den Marketingangaben unterschreiten sowohl das Gewicht als auch die Größe des T300 die Werte des MacBook Air.
Unser vorliegendes Testgerät stellt die High-End-Konfiguration des T300 Chi mit einem WQHD-IPS-Display (2.560 x 1.440), einem 1,2 GHz schnellen Core M-5Y71, 8 GB LPDDR3-RAM sowie einer internen 128-GB-SSD für eine UVP von 799 US-Dollar dar. Ein günstigeres Modell mit einem FullHD-IPS-Bildschirm (1.920 x 1.080), einem 800 MHz schnellen M-5Y10-SoC, 4 GB LPDDR3-RAM und einer 64-GB-SSD kostet rund 100 US-Dollar weniger. Es ist mit Sicherheit das bisher attraktivste Transformer Book, aber wie schlägt es sich mit Intels neuesten mobilen Prozessoren auf Broadwell-Basis? Wir werden es in unserem Test des T300 Chi und des beigefügten Tastatur-Docks herausfinden.
Für Deutschland sind bislang noch keine konkreten Preise kommuniziert worden, auch wird das Gerät noch nicht bei Shops gelistet. Es ist aber davon auszugehen, dass das Chi nach dem nunmehr erfolgten Verkaufsstart in den USA in Kürze auch in Deutschland verfügbar sein wird. Der Preis wird, sofern hier eine vergleichbare Variante auf den Markt kommt, wohl bei um rund 1000 Euro liegen.
Gehäuse
Auf den ersten Blick und mit etwas Abstand könnte man das neue T300 Chi mit einem ATIV Book 9 verwechseln. Es verwendet ebenfalls eine dunkelblaue Farbgebung, glatte und matte Aluminiumoberflächen, chromfarbene Ecken und Kanten sowie das ultradünne Profil von allen Seiten. Im Vergleich mit den älteren Transformer Books ist das Design deutlich wertiger und nicht ganz so auffallend, da es die Aluminium/Glasdeckel mit den konzentrischen Kreismustern nicht mehr gibt. Das ältere TX300 war beispielsweise heller und sein Auftreten war nicht ganz so dezent.
Die Verarbeitung ist auf einem sehr hohen Niveau, vor allem für ein dünnes 12,5-Zoll-Tablet. Bei dem Versuch, das Gerät zu verwinden, gibt es keine Knarzgeräusche und wir können das Gehäuse weder vorne noch von hinten eindrücken. Das Gerät selbst fühlt sich massiv aber dennoch leicht an, und dank dem Breitformat lässt es sich angenehm im Querformat halten. Das Tastatur-Dock kann da leider nicht mithalten und fühlt sich mit den Plastiktasten ziemlich hohl an. Mit Druck auf die Mitte der Tastatur lässt sich die Eingabe auch leicht verformen.
Die Verbindung zwischen der Tastatur und dem Tablet wird über Magnete realisiert, angesprochen wird die Eingabe aber via Bluetooth. Es gibt keine Entriegelung oder proprietäre Steckverbindungen, die bei den meisten Detachables zum Einsatz kommen. Dadurch ist es leichter, die beiden Teile ohne große Fummelei zu verbinden. Die Magneten sind in diesem Fall stark genug, um die beiden Geräte zusammen zu halten, ohne dass man Angst haben müsste. Leider ist die Verbindung aber dennoch nicht perfekt, denn das Tablet kann sich immer noch leicht bewegen, ähnlich wie bei regulären Displays mit billigen Scharnieren. Auch der maximale Öffnungswinkel von 130 Grad ist etwas klein, aber wir könnten uns auch vorstellen, dass diese Limitierung absichtlich gewählt wurde, um das Umkippen wegen dem schwereren Tablet zu verhindern.
Sowohl die Größe als auch das Gewicht des Tablets mit lediglich 7,6 mm bzw. 720 Gramm sind attraktive Kaufargumente. Das Tastatur-Dock ist hingegen etwas dicker und schwerer mit 8,9 mm und 725 Gramm. Selbst mit der kombinierten Höhe von 16,5 Millimetern ist das T300 Chi immer noch ein sehr dünnes 12,5-Zoll-Notebook. Auch das Gewicht ist recht gering, allerdings ist Asus' eigenes 13,3 Zoll großes Zenbook UX305 rund 200 Gramm leichter. Das Tablet selbst liegt zwischen dem Surface Pro 3 (9 mm) und iPad Air 2 (6,1 mm) und ist außerdem deutlich breiter als andere 12,5-Zoll-Geräte, weshalb es einen breiteren Rand und damit mehr Platz für die Hände hat.
Ausstattung
Abgesehen von dem normalen 3,5-mm-Klinkenstecker, verfügt das Tablet noch über einen MicroSD-Leser und Micro-USB-3.0-Anschluss sowie einen Micro-HDMI-Ausgang. Im Gegensatz zu vielen Kontrahenten bietet das Tastatur-Dock keine zusätzlichen Schnittstellen. Allerdings gibt es einen einzelnen Micro-USB-2.0-Anschluss, der wie bei Smartphones zum Laden verwendet werden kann. Auch das Tablet kann das Dock mit einem entsprechenden Kabel (Micro-USB auf Micro-USB 2.0) aufladen.
Kommunikation
Das integrierte Dual-Band (2x2) Intel 7265 WLAN-Modul ermöglicht theoretisch Transferraten von bis zu 867 Mbit/s in einem AC-Netzwerk und unterstützt neben Bluetooth 4.0 auch WiDi (Wireless Display). Die Unterstützung für den AC-Standard war möglicherweise eine kurzfristige Entscheidung, denn ursprünglich wurde das Gerät nur mit 802.11n angekündigt. In einem normalen Heimnetzwerk gab es keine Verbindungsprobleme oder plötzliche Ausfälle.
Leider war es das aber auch schon mit der kabellosen Konnektivität. Das T300 Chi verfügt weder über WWAN noch GPS.
Zubehör
Asus legt einen praktischen Micro-USB auf USB-2.0-Adapter in die Box des T300 Chi, den der Kunde bei dem kleineren T100 Chi aber komischerweise nicht erhält. Abgesehen davon gibt es noch ein weiteres USB-Kabel (Micro-USB auf Micro-USB 2.0), einen kleinen Beutel für das Netzteil sowie einen Kabelbinder mit Klettverschluss. Wir hätten uns allerdings auch ein Reinigungstuch für den stark spiegelnden Bildschirm oder vielleicht sogar einen Stylus gewünscht. Neben dem Tastatur-Dock gibt es keine weiteren spezifischen Zubehörartikel für das Tablet, da es auch keinen speziellen Anschluss gibt.
Garantie
Der Garantiezeitraum liegt in den USA bei den üblichen 12 Monaten ab dem Kaufdatum und beinhaltet Defekte an der Verarbeitung sowie den Materialen, inklusive 3 oder mehr toter Pixel. Zusätzliche Garantieerweiterungen werden häufig von Händlern des T300 Chi angeboten.
Eingabegeräte
Tastatur
Das Tastatur-Dock wird via Bluetooth aktiviert und versucht sich stets mit dem Tablet zu verbinden, sobald man eine Taste oder einen Knopf drückt. Abgesehen von den normalen QWERTZ-Tasten und dem Touchpad gibt es keine zusätzlichen Funktionen. Wir konnten die Tastatur beinahe eine ganze Woche lang benutzen, ohne sie zu laden. Zudem zeigt ein praktisches Power-Management-Tool auf dem Tablet die verbleibende Akkukapazität an. Mit solch einer langen Akkulaufzeit hätte man, wie beim Envy x2, auch ruhig eine optionale Hintergrundbeleuchtung integrieren können.
Die Tasten selbst geben ein zufriedenstellendes Feedback mit einer deutlichen akustischen Rückmeldung beim Tippen. Damit vermeidet der Hersteller das Gefühl von schwammigen Tasten, aber der Hub ist trotzdem ziemlich knapp, selbst für ein Notebook. Die kleinen Pfeiltasten schneiden etwas schlechter ab, da sie sich vergleichsweise matschig anfühlen. Nichtsdestotrotz sind die normalen Tasten im Alltag ausreichend komfortabel und reagieren schnell.
Touchpad
Das Touchpad erfüllt seinen Zweck und wir hatten keine Probleme mit Aussetzern oder Sprüngen des Mauszeigers, nur die winzige Größe (9 x 4,5 cm) schränkt die Bedienbarkeit ein. Aus ergonomischer Sicht ist es schwierig, den Zeiger präzise zu steuern, zu klicken oder Textstellen hervorzuheben, und wir fanden es einfacher, den Touchscreen für simple Eingaben zu verwenden. Die integrierten Maustasten sind gut und bieten einen weichen aber zufriedenstellenden Klick.
Asus Smart Gesture unterstützt Multi-Touch-Eingaben mit bis zu drei Fingern sowie andere Anpassungen inklusive Gesten von den Ecken oder die mobile Steuerung via Smartphone oder Tablet. Einfache Eingaben wie das Scrollen und Zoomen klappen überraschenderweise ziemlich gut, aber bei komplexeren Gesten kann die Größe schnell zum limitierenden Faktor werden.
Display
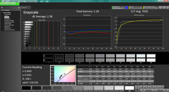
Ein helles WQHD-Display mit 2.560 x 1.440 Pixeln ermöglicht auf dem T300 Chi sehr knackige Farben und Texte, vor allem in Anbetracht des kleinen 12,5-Zoll-Formates. Es ist zwar noch keine 4K-Auflösung, aber die Pixeldichte von 235 dpi sollte für alle erdenklichen Anwendungen dennoch mehr als ausreichend sein. Das Panel von Sharp (LQ125T1JX03) wird gegenwärtig von keinem anderen Gerät in unserer Datenbank verwendet. Die durchschnittliche Helligkeit liegt nur knapp unter 400 cd/m² und ist vergleichbar mit 12,5-Zoll-Notebooks wie dem ThinkPad X250 und Dell E7250. Das Kontrastverhältnis ist mit etwa 800:1 ebenfalls gut und beinahe auf dem Niveau von Asus' eigenen High-End-Modellen der Zenbook UX-Serie.
| |||||||||||||||||||||||||
Ausleuchtung: 92 %
Helligkeit Akku: 291.3 cd/m²
Kontrast: 804:1 (Schwarzwert: 0.458 cd/m²)
ΔE ColorChecker Calman: 4.36 | ∀{0.5-29.43 Ø4.74}
ΔE Greyscale Calman: 2.63 | ∀{0.09-98 Ø4.98}
66.94% AdobeRGB 1998 (Argyll 1.6.3 3D)
75.8% AdobeRGB 1998 (Argyll 3D)
97.5% sRGB (Argyll 3D)
77.4% Display P3 (Argyll 3D)
Gamma: 2.08
CCT: 6743 K
| Asus Transformer Book T300 Chi | Lenovo ThinkPad Yoga | Asus ASUSPRO Advanced BU201LA-DT036G | Lenovo ThinkPad X250-20CLS06D00 | HP Envy X2-j001ng | |
|---|---|---|---|---|---|
| Display | -39% | -39% | -39% | ||
| Display P3 Coverage (%) | 77.4 | 43.87 -43% | 43.55 -44% | 44.14 -43% | |
| sRGB Coverage (%) | 97.5 | 65 -33% | 64.9 -33% | 65.8 -33% | |
| AdobeRGB 1998 Coverage (%) | 75.8 | 45.55 -40% | 45.05 -41% | 45.71 -40% | |
| Bildschirm | -31% | -16% | -6% | -30% | |
| Helligkeit Bildmitte (cd/m²) | 368.1 | 400.5 9% | 433 18% | 397 8% | 386 5% |
| Brightness (cd/m²) | 375 | 370 -1% | 396 6% | 357 -5% | 368 -2% |
| Brightness Distribution (%) | 92 | 85 -8% | 80 -13% | 81 -12% | 88 -4% |
| Schwarzwert * (cd/m²) | 0.458 | 0.641 -40% | 0.47 -3% | 0.44 4% | 0.42 8% |
| Kontrast (:1) | 804 | 625 -22% | 921 15% | 902 12% | 919 14% |
| Delta E Colorchecker * | 4.36 | 6.19 -42% | 5.56 -28% | 4.2 4% | 5.49 -26% |
| Delta E Graustufen * | 2.63 | 5.4 -105% | 4.92 -87% | 3.1 -18% | 8.05 -206% |
| Gamma | 2.08 106% | 2.71 81% | 2.48 89% | 2.6 85% | 2.37 93% |
| CCT | 6743 96% | 5829 112% | 6054 107% | 6246 104% | 6902 94% |
| Farbraum (Prozent von AdobeRGB 1998) (%) | 66.94 | 42.96 -36% | 41 -39% | 42 -37% | |
| Color Space (Percent of sRGB) (%) | 65.5 | ||||
| Durchschnitt gesamt (Programm / Settings) | -35% /
-33% | -28% /
-23% | -23% /
-15% | -30% /
-30% |
* ... kleinere Werte sind besser
Asus verspricht eine 72-prozentige Abdeckung des NTSC-Farbraums. Unsere eigene Messung ergibt 87,9 Prozent und 66,9 Prozent für den sRGB- bzw. AdobeRGB-Standard, was für ein Tablet in der Tat sehr gute Ergebnisse sind, die sogar mit einem ThinkPad T450s mithalten können. Die meisten günstigen und normalen Displays decken in der Regel nur 60 Prozent sRGB und 40 Prozent AdobeRGB ab, wodurch das T300 Chi satte und genaue Farben abbilden kann.
Die weiteren Displaymessungen mit einem X-Rite Spectralphotometer zeigen eine sehr gute Graustufendarstellung, allerdings gibt es deutliche Abweichungen bei der Sättigung. Tatsächlich erscheinen Farben heller und nicht so intensiv, wie sie bei den getesteten Sättigungsleveln sein sollten. Eine kurze Kalibrierung kann das Problem größtenteils lösen und die meisten Farben fallen unter einen DeltaE-2000-Wert von 5. Rot und Magenta werden nicht ganz so genau abgebildet wie die anderen Primär- und Sekundärfarben.
Obwohl es sich um ein leichtes Tablet handelt, wird die Nutzung im Freien durch das spiegelnde Display eingeschränkt. Zudem verringert sich die maximale Helligkeit im Akkubetrieb auf etwa 300 cd/m², was für eine komfortable Verwendung unter direkter Sonneneinstrahlung nicht einmal annähernd hell genug ist. An einem bewölkten Tag kann man das T300 Chi durchaus verwenden, sobald es aber heller wird, nimmt die Sichtbarkeit ab.
Dank der IPS-Technologie sind die Blickwinkel exzellent. Man kann das Tablet auf dem Kopf, im Quer- oder im Hochformat verwenden, ohne Einbußen bei der Bildqualität in Kauf nehmen zu müssen. Dank der hohen Auflösung ist das Surfen im Internet im Hochformat auch sehr angenehm für die Augen, aber trotzdem sollte man das Querformat bevorzugen, denn extreme Winkel können im Hochformat zu Helligkeitsverlusten führen, wodurch es schwieriger wird, den Bildschirminhalt mit mehreren Personen zu betrachten.
Leistung
Unser Testgerät ist mit einem Intel Core M-5Y71-Prozessor und 8 GB LPDDR3-RAM ausgerüstet. Im Leerlauf und im Energiesparmodus läuft unser Modell mit lediglich 800 MHz, was für die mobilen Ableger der Haswell- und Broadwell-Generation üblich ist. Ansonsten kann der Zweikerner Core M-5Y71 seine Nennfrequenz von 1,2 GHz ausnutzen. Dank der Turbo-Boost-Technologie erreicht die CPU im T300 Chi bei der Verwendung von nur einem Kern bis zu 2,9 GHz und bis zu 2,6 GHz, wenn man beide Kerne auslastet.
Um die Grafikausgabe kümmert sich derweil die integrierte HD 5300-GPU. Der ULV-Kern läuft im Energiesparmodus mit 450 MHz, erreicht aber sonst bis zu 898,2 MHz. Der 1 GB große gemeinsame Speicher läuft konstant mit 800 MHz. Im Vergleich zu der alten HD 4200, wird die HD 5300 in einem kleineren 14-nm-Fertigungsprozess hergestellt und verfügt zudem über 25 Prozent mehr Recheneinheiten (Execution Units).
Prozessor
Die CPU-Leistung liegt sowohl bei Single-Thread- als auch bei Multi-Thread-Benchmarks konstant und leicht über den Ergebnissen des ThinkPad Helix 2, welches ebenfalls den M-5Y71-Prozessor verwendet. Dieses Ergebnis zeigt sich nicht nur in den nachfolgenden Cinebench-Resultaten, sondern auch in SuperPi. Der Vergleich mit ULV-i7-CPUs zeigt allerdings, dass unser Tablet nicht nur ein paar Prozent langsamer ist. Die Leistung-pro-Watt ist im Vergleich mit einer ULV-Core-i5-CPU aber trotzdem sehr gut und kann sogar mit dem i5-4300U im Surface Pro 3 mithalten, obwohl der Stromverbrauch deutlich geringer ist (weniger als 1/3 der TDP).
System Performance
Die PCMark-Ergebnisse liegen auf einem Niveau mit älteren Haswell-Modellen wie dem IdeaPad Yoga 13 und Toshiba Satellite P30W. Im direkten Vergleich mit aktuelleren Geräten (siehe unten) fällt unser Asus allerdings zurück. Ein Grund hierfür könnten einfach nur kleinere Unterschiede bei der SSD-Leistung sein, denn die Benchmarks der PCMark-Reihe bevorzugen Systeme mit schnelleren SSDs.
Der subjektive Eindruck von der Navigation und der Reaktionsfähigkeit ist gut und es gibt nur minimale Verzögerungen. Es kann schon mal etwas ruckeln, wenn man auf Webseiten scrollt oder zoomt, aber es ist keinesfalls störend. Schnelles Scrollen durch unsere langen Testberichte führt beispielsweise zu Verzögerungen, genauso wie komplexes Multi-Tasking mit mehreren Anwendungen. Für alltägliche Aufgaben wie das Surfen im Internet, E-Mails oder die Textverarbeitung ist das T300 Chi aber schnell genug.
| PCMark 7 - Score (nach Ergebnis sortieren) | |
| Asus Transformer Book T300 Chi | |
| Lenovo ThinkPad Helix 2 | |
| Lenovo ThinkPad Yoga | |
| Lenovo ThinkPad X250-20CLS06D00 | |
| Microsoft Surface Pro 3 | |
| HP Envy X2-j001ng | |
| PCMark 7 Score | 4386 Punkte | |
| PCMark 8 Home Score Accelerated v2 | 2717 Punkte | |
| PCMark 8 Creative Score Accelerated v2 | 3373 Punkte | |
| PCMark 8 Work Score Accelerated v2 | 3629 Punkte | |
Hilfe | ||
Massenspeicher
Unsere Konfiguration beinhaltet eine 128-GB-SSD von SanDisk. Rund 15 GB sind für die Wiederherstellung reserviert, das C-Laufwerk selbst ist also rund 101 GB groß. Der Speicher kann über den MicroSD-Einschub am Tablet erweitert werden.
Laut CrystalDiskMark liegt die Leistung der SSD unter dem Standard für 2,5-Zoll-SATA-III-SSDs. Insbesondere die sequentielle Schreibgeschwindigkeit ist mit 217 MB/s recht gering, eine Intel SSD 521 schafft beispielsweise 300 MB/s. Auch die Leistung beim Lesen und Schreiben von kleinen Dateien (4K) ist schlechter als erwartet. Weitere Benchmarks finden Sie in unserem stetig wachsenden SSD-HDD-Vergleich.
Gaming Performance
Bei der integrierten HD 5300 handelt es sich um eine Evolution der alten HD 4xxx-Generation der Haswell-Architektur. Der Fokus liegt nicht auf einer Leistungserhöhung, sondern auf der Leistung-pro-Watt, denn die Geschwindigkeit liegt in etwa auf dem Niveau der HD 4200 bei einem deutlich geringeren Stromverbrauch.
Einfache 3D-Titel wie FIFA und Sims lassen sich sehr gut auf dem T300 Chi spielen. Beinahe jedes Spiel wird aber auf 720p oder weniger begrenzt sein, andernfalls werden die Frameraten dramatisch einbrechen. Weitere Informationen und Benchmarks zur HD 5300 gibt es hier.
| 3DMark 06 Standard Score | 6754 Punkte | |
| 3DMark 11 Performance | 973 Punkte | |
| 3DMark Ice Storm Standard Score | 45007 Punkte | |
| 3DMark Cloud Gate Standard Score | 3529 Punkte | |
| 3DMark Fire Strike Score | 534 Punkte | |
Hilfe | ||
| min. | mittel | hoch | max. | |
|---|---|---|---|---|
| Guild Wars 2 (2012) | 46.6 | 12.9 | 5.6 | |
| StarCraft II: Heart of the Swarm (2013) | 143.4 | 35.7 | 20.5 | 6.5 |
Emissionen
Temperatur
Die Oberflächentemperaturen im Leerlauf sind auf der Vorder- und Rückseite relativ gleichmäßig bei etwa 30 °C. Bei kontinuierlicher starker Beanspruchung konnten wir Oberflächentemperaturen von bis zu 43 °C auf der rechten Seite des Tablets messen. Im Gegenzug gibt es auf der anderen Seite aber überhaupt keine Temperaturveränderung. Selbst bei normalen Aufgaben fühlt sich eine Seite des Tablets also deutlich wärmer an als die andere.
Das ähnlich ausgestattete ThinkPad Helix 2 zeigt bei Belastung einen flacheren Temperaturanstieg, da sich die Erwärmung besser verteilt. Das Surface Pro 3 mit dem Core-i5 wird sogar noch wärmer als unsere beiden Core-M-5Y71-Modelle, obwohl das Microsoft Tablet über eine aktive Kühlung verfügt.
(±) Die maximale Temperatur auf der Oberseite ist 43.4 °C. Im Vergleich liegt der Klassendurchschnitt bei 35.4 °C (von 19.6 bis 60 °C für die Klasse Convertible).
(±) Auf der Unterseite messen wir eine maximalen Wert von 43 °C (im Vergleich zum Durchschnitt von 36.9 °C).
(+) Ohne Last messen wir eine durchschnittliche Temperatur von 30.6 °C auf der Oberseite. Der Klassendurchschnitt erreicht 30.3 °C.
(-) Die Handballen und der Touchpad-Bereich können sehr heiß werden mit maximal 41.6 °C.
(-) Die durchschnittliche Handballen-Temperatur anderer getesteter Geräte war 28 °C (-13.6 °C).
Stresstest
Wir belasten das Tablet, um mögliche Probleme mit der Stabilität oder Throttling zu identifizieren. Mit Prime95 kann die CPU ihr maximales Turbo-Potenzial für etwa 30 Sekunden aufrechterhalten, bevor die Temperatur die 80 °C-Marke erreicht. Daraufhin liegt der Kerntakt bei konstanten 2,2 GHz und die Temperatur pendelt sich zwischen 70-75 °C ein. Bei der Last durch FurMark läuft die integrierte GPU zunächst mit dem Standardtakt von 800 MHz, bevor er auf 600-650 MHz abfällt.
Die maximale Auslastung des Systems durch Prime95 und FurMark führt bei beiden Komponenten zu einem Throttling auf lediglich 0,8 bis 1,1 GHz (CPU) bzw. 400 bis 500 MHz (GPU). Die Kerntemperatur liegt konstant bei etwas unter 70 °C, was wiederum auf eine Limitierung durch die TDP hindeutet.
Um das Spielen von 3D-Titeln zu simulieren, führen wir Unigine Heaven 4.0 aus. Unter diesen Bedingungen kann die CPU leicht von dem Turbo Boost profitieren und läuft mit 1,2 bis 1,5 GHz, während der GPU-Takt auf etwa 650 bis 750 MHz abfällt. Obwohl das T300 Chi nicht drosselt, kann es beim Spielen nicht sein maximales Leistungspotenzial ausschöpfen.
Die Leistung reduziert sich auch abseits der Steckdose. Ein 3DMark-11-Durchlauf im Akkubetrieb führt zu einem Grafik- bzw. Physics-Ergebnis von 579 und 2.251 Punkten. Im Netzbetrieb waren es noch 885 und 3.051 Punkte. Im Akkubetrieb laufen die CPU und die GPU maximal mit 700 bis 800 MHz bzw. 400 MHz.
Lautsprecher
Laut Asus bieten die Stereo-Boxen einen "kräftigen und kristallklaren" Sound. Die Qualität ist sicherlich überdurchschnittlich für solch ein dünnes Tablet, aber trotzdem fehlt der Bass, weshalb wir für die Wiedergabe von Musik oder Videos Kopfhörer empfehlen würden. Die maximale Lautstärke ist ordentlich und führt auch nicht zu Verzerrungen, allerdings kann das Tablet bei sehr hohen Pegeln schon mal leicht vibrieren.
Die beiden Lautsprecherabdeckungen befinden sich am linken und rechten Rand des Gehäuses. Es ist ziemlich leicht, die Öffnungen mit den Händen abzudecken, wenn man das Tablet im Querformat verwendet. Für mögliche Nachfolger wäre eine höhere Positionierung also besser, oder man könnte die Lautsprecher ähnlich wie beim Nvidia Shield auch auf die Vorderseite verlagern.
Akkulaufzeit
Der integrierte 32-Wh-Akku (Lithium-Polymer) ermöglicht Akkulaufzeiten von mehr als 12 Stunden – zumindest im Leerlauf bei der niedrigsten Bildschirmhelligkeit. Asus bewirbt eine Laufzeit von 8 Stunden, unser eigener WLAN-Test bei einer Helligkeit von 150 cd/m² läuft aber gerade einmal knappe 4 Stunden. Die große Diskrepanz zeigt deutlich, wie effizient die Komponenten im Leerlauf bzw. bei wenig Last sein können, unter kontinuierlicher Last sind die Ergebnisse aber keinesfalls beeindruckend.
Konkurrierende 12,5-Zoll-Notebooks wie das ThinkPad X250 und das Acer Aspire Switch 12 erreichen in unserem WLAN-Szenario längere Laufzeiten und übertrumpfen unser Testgerät um mindestens eine Stunde. Ein Grund für die besseren Ergebnisse sind sicherlich die größeren Akkus im Lenovo und Acer mit 48 bzw. 36 Wattstunden. Auch das ThinkPad Helix 2 läuft einige Stunden länger als das T300 Chi, obwohl es den gleichen Prozessor verwendet. Im Gegenzug ist das Display aber kleiner und auch die Auflösung ist geringer (1080p).
| Asus Transformer Book T300 Chi | Lenovo ThinkPad X250-20CLS06D00 | Acer Aspire Switch 12 SW5-271-61X7 | Dell Latitude 12 E7250 | Microsoft Surface Pro 3 | |
|---|---|---|---|---|---|
| Akkulaufzeit | -1% | 8% | -7% | 19% | |
| Idle (h) | 12 | 13 8% | 12.9 8% | 14.1 18% | 18.3 53% |
| WLAN (h) | 3.9 | 5 28% | |||
| Last (h) | 2.5 | 1.5 -40% | 1.7 -32% | 2.1 -16% | |
| WLAN (alt) (h) | 5.4 | 6 | 7.4 | 8.4 |
Pro
Contra
Fazit
Beeindruckende Aspekte sind die dünne Konstruktion, der großzügig bemessene Arbeitsspeicher (für Tablet-Verhältnisse) sowie der vorhandene Platz auf dem Desktop dank dem 12,5 Zoll großen WQHD-Bildschirm. Sowohl der HDMI-Ausgang als auch der MicroSD-Leser unterstreichen den Multimedia-Aspekt für die Familie, und die lüfterlose Konstruktion ist zudem eine tolle Lösung für Filme. Die mitgelieferte Tastatur fühlt sich nicht ganz so toll an wie die Eingaben auf einem "normalen" Notebook, allerdings arbeitet sie trotzdem zuverlässig. Die Spielfähigkeiten beschränken sich auf anspruchslosere Titel wie DOTA 2, da der Turbo Boost bei kombinierter Auslastung der CPU und GPU eingeschränkt ist.
Für das Surfen im Internet, Textverarbeitung und Multimedia-Aufgaben eignet sich das T300 Chi sehr gut, denn es ist reaktionsschnell und bietet mehr als genug Leistung für alltägliche Aufgaben.
Die Magnetverbindung zwischen dem Dock und dem Tablet hinterlässt einen zwiespältigen Eindruck. Der Verbindungsprozess wird zwar deutlich vereinfacht, aber das Tablet kann sich aber immer noch hin und her bewegen, und die Tastatur benötigt zudem ihren eigenen Energiespeicher. Damit gibt es an dem Tastatur-Dock aufgrund der fehlenden Hardware-Verbindung auch keine weiteren Anschlüsse, einen zweiten Akku oder zusätzliche Festplatten. Detachables von HP und Lenovo profitieren beispielsweise von zusätzlichen USB-Anschlüssen, Kartenlesern, Subwoofern sowie anderen Funktionen der Tastatur-Docks (z. B. Split x2 und Lenovo Miix 2 10).
Geschäftskunden könnten das Surface Pro 3 bevorzugen, denn bei dem Gerät von Asus gibt es weder WWAN- oder GPS-Module, ebenso keinen Stylus. Die kürzeren Laufzeiten könnten aufgrund des relativ kleinen Akkus ebenfalls ein Problem sein, wenn man oft unterwegs ist. Aus diesen Gründen wird das T300 Chi aber auch nicht als Business-Gerät vermarktet. Für Multimedia-Anwender, die ein vielseitiges Windows-Tablet suchen und es nur ab und zu im Freien benutzen wollen, gibt es jedoch viele Kaufargumente.
Asus Transformer Book T300 Chi
- 19.03.2015 v4 (old)
Allen Ngo
































































