Test Toshiba Tecra A50-C Notebook

Das Tecra A50-C des Jahres 2015 wurde Ende Juli mit dem Versprechen, grundlegende Business-Merkmale zu einem günstigen Preis zu liefern, angekündigt. Hochwertigere ThinkPad-, Portégé- und EliteBook Modelle kosten schnell mehr als 1.000 US-Dollar, während das Tecra A50-C schon ab 729 US-Dollar erhältlich ist.
Unser Testmodell ist mit einer Core i5 ULV-CPU, 8 GB RAM und einer 500-GB-HDD die schwächste verfügbare Konfiguration. Das Tecra A50-A von 2013 gehörte nicht zu den schnellsten Rechnern seiner Zeit und zudem war in unserem Test ein Fiepen gut hörbar. Mal sehen, wie sich das Tecra A50 von 2015 schlägt und ob es evtl. auch mit teuren 15,6-Zoll-Business-Notebooks mithalten kann.
Gehäuse
Anders als viele Notebooks dieser Tage ist das Tecra A50-C von Anfang an wiedererkennbar. Die unverkennbar gerillten Oberflächen des Tecra A50 von 2013 kehren zurück. Dieses Mal sind die Rillen jedoch kleiner und glatter und spiegeln ähnlich wie gebürstetes Aluminium, ohne übermäßig zu glänzen. Die Textur selbst ist in einer Richtung glatt und rauer in der dazu rechtwinkeligen Richtung. Die einzigartige Kombination des Tecra aus glänzend und matt sorgt für einen interessanten Eindruck.
In puncto Qualität hält die Basiseinheit - obwohl das Chassis vollständig aus Kunststoff ist - Verwindungs- und Druckkräften ziemlich gut stand. Schließlich wird damit geworben, dass es Hitze, Erschütterungen und Vibrationen aushält. Druck gegen die Tastatur und die Handballenablagen führt nur zu einer minimalen Verformung. Der schwächste Teil ist die Oberfläche direkt oberhalb des entfernbaren Laufwerks, doch das ist bei den meisten anderen Notebooks mit optischen Laufwerken ebenso üblich. Der Bildschirm weist wegen seines dicken Rahmens und seiner Kanten eine überdurchschnittliche Widerstandsfähigkeit gegenüber Verwindungen auf. Leider kann der Bildschirmdeckel sehr leicht eingedrückt werden und wirkt, als ob er zu einem preisgünstigen Consumer Notebook gehöre. Bei Druck im zentralen Bereich hört man sogar ein leises Knarren. Zuletzt sind die grauen Scharniere bis zum maximalen Öffnungswinkel von zirka 160 Grad stark genug, um ein Wippen des Bildschirms beim Tippen zu verhindern. Allerdings tritt immer noch ein anfängliches Nachwippen beim Öffnen des Notebooks auf.
Das neue Tecra will keine Design Awards gewinnen und ist etwa gleich groß wie andere 15-Zoll-Business-Notebooks einschließlich dem ThinkPad T550 und dem TravelMate P255. Mit 2,1 kg wiegt es zudem ungefähr gleich viel wie das TravelMate. Das ThinkPad ist jedoch schwerer, da es mehr Features und eine in Sachen Stabilität überlegene Konstruktion liefert.
Ausstattung
Die verfügbaren Schnittstellen umfassen einen üblichen SD-Kartenleser, USB-Ports und den für Konferenzen und Klassenzimmer immer noch relevanten VGA-Ausgang. Obwohl unser Testgerät nicht damit ausgestattet ist, ist ein Smart-Card-Leser eine mögliche optionale Konfiguration.
Rückseite und Front des Notebooks beherbergen keine Ports, daher wirken die linke und die rechte Kante ziemlich überfüllt. Zudem befinden sich alle Schnittstellen weit vorne, wo Kabel tendenziell stören. Umgekehrt gesehen bedeutet dies, dass sie leicht erreichbar sind.
Kommunikation
WLAN wird durch ein Intel Wireless-AC 3165 Modul mit M.2-1215-Formfaktor zur Verfügung gestellt. Das Modul mit integriertem Bluetooth 4.0 und WiDi unterstützt eine theoretische Übertragungsrate von bis zu 867 Mbps. Während unseres Tests beobachteten wir keine Verbindungs- oder Unterbrechungsprobleme.
Toshiba bietet für das Tecra A50-C keine WWAN- oder SIM-Optionen an. Wenn diese Merkmale für Sie wichtig sind, sollten Sie die Portégé Serie in Erwägung ziehen.
Sicherheit
Wie der Smart-Card-Leser ist auch der Fingerabdruckleser bei diesem Tecra Modell optional. Intel TPM 1.2 sowie EasyGuard für HDD-Schutz bei versehentlichen Stürzen oder Stößen sind bei allen Konfigurationen standardmäßig dabei.
Zubehör
Die Tecra-A50-Serie inkludiert nun den gleichen Docking Port wie die hochwertigere Portégé Serie. Das bedeutet, dass diese Familien für höhere Vielseitigkeit das gleiche Zubehör teilen können. Toshiba bietet für seine Notebooks eigene Port-Replikatoren und Docking-Stationen an.
Wartung
Zum Motherboard gelangt man mit nur einem herkömmlichen Kreuzschlitzschraubendreher. Unser Kritikpunkt ist, dass man ein Übermaß an Schrauben (25!) entfernen muss, bevor die Bodenplatte entfernen kann.
Den Platz für die optionale eigenständige Nvidia GPU kann man unterhalb der einzelnen Heatpipe sehen.
Garantie
Die Garantie erstreckt sich über drei Jahre ab Kaufdatum. Das ist zwei Jahre mehr als bei den vielen Consumer Notebooks und ein Jahr länger als bei den meisten anderen Business Notebooks. Die Abdeckung des Akku beträgt dennoch nur ein Jahr. Das Toshiba SelectServ Programm ermöglicht es dem Besitzer, die Garantie mit mehr Optionen weiter zu verlängern.
Eingabegeräte
Tastatur
Verglichen mit dem Tecra A50-A von 2013 bringt das A50-C eine Anzahl kleiner Änderungen im Layout seiner spritzwassergeschützten Chiclet-Tastatur. Die F-Tasten haben nun einen gleich großen Abstand, und die FN- und die Strg-Tasten sind kleiner, um Raum für eine längere Leertaste zu schaffen. Das sind definitiv Verbesserungen, durch welche die Tastatur für neue Anwender vertrauter wirken sollte. Leider hat Toshiba den AccuPoint, einen festen Bestandteil der meisten anderen Business Notebook, und sogar die Tastatur-Beleuchtung weggelassen.
Die Tasten selbst sind beim Tippen sehr leise, bieten einen kurzen Hubweg, sind aber wegen der flachen Oberfläche unter Umständen leicht zu verfehlen. Außerdem ist das Feedback eher schwach und könnte fester sein. Einer AccuType Tastatur zieht der Autor die Lenovo Lösung wegen ihres längeren Hubwegs und zufriedenstellenderen Feedbacks vor.
Touchpad
Das Entfernen des AccuPoints hat auch zu einem Re-Design des Touchpads geführt. Nun sind die eigenständigen Tasten vor dem Touchpad und die Kanten, die das Touchpad von den Handballenablagen trennen, deutlicher. Leider ist das Touchpad mit nur 9,2 x 5,2 mm etwas klein geraten. Toshiba hätte den toten Raum zwischen Leertaste und Touchpad definitiv für eine größere Oberfläche nutzen können.
In puncto Funktionalität konnten wir kein unübliches Verhalten bei der Verwendung beobachten. Multi-Touch-Funktionen wie Zwei-Finger-Zoom und Scrollen funktionieren ohne große Verzögerungen, doch die kleine verfügbare Fläche erschwert diese unnötig. Die Synaptics-V7.5-Software kann bis zu drei Finger gleichzeitig erkennen. Leider scheint es keine Option zum automatischen Abschalten des Touchpads während des Tippens zu geben.
Die Maustasten zeigen ein überraschend gutes Antwortverhalten und sind verglichen mit Tastatur und Touchpad sehr angenehm in der Verwendung. Der Hubweg ist kurz, doch das Feedback ist sehr fest und wird bei Betätigung von einem zufriedenstellenden Klicken begleitet.
Display
Unser Testmodell ist mit einem Bildschirm mit einer Auflösung von 1366 x 768 Pixel ausgestattet, obwohl Toshiba auch Konfigurationen bis zu 1080p anbietet. Jedenfalls ist der Bildschirm entspiegelt und unterstützt keine Touch-Eingaben. Eine Suche nach dem LP156WHB-TPB1 Panel-Namen zeigt, dass man ähnliche Panels auch im Satellite C55D und Fujitsu Lifebook A555 antrifft. Bei beiden war unserer Meinung nach die Bildschirmqualität jedoch sehr enttäuschend.
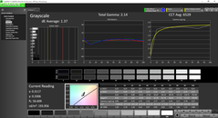
Leider kann man dasselbe auch für unser Tecra A50-C sagen. Während das Backlight Bleeding minimal ist, sind die Farben sehr ungenau, und der Text erscheint wegen der niedrigen nativen Auflösung körnig. Die Helligkeit ist mit knapp 200 cd/m² verglichen mit der Konkurrenz ebenfalls niedrig. Der Kontrast ist unterdurchschnittlich, was die schlechte Bildqualität nur noch deutlicher macht.
| |||||||||||||||||||||||||
Ausleuchtung: 82 %
Helligkeit Akku: 194.1 cd/m²
Kontrast: 360:1 (Schwarzwert: 0.539 cd/m²)
ΔE ColorChecker Calman: 7.35 | ∀{0.5-29.43 Ø4.74}
ΔE Greyscale Calman: 6.88 | ∀{0.09-98 Ø4.98}
59.5% sRGB (Argyll 1.6.3 3D)
37.9% AdobeRGB 1998 (Argyll 1.6.3 3D)
41.17% AdobeRGB 1998 (Argyll 3D)
59.8% sRGB (Argyll 3D)
39.84% Display P3 (Argyll 3D)
Gamma: 2.11
CCT: 8885 K
| Toshiba Tecra A50-C1510W10 | HP Envy 15-ae020ng | Toshiba Satellite C55D-C-10P Carrizo-L | Dell Inspiron 15-5558 | MSI PX60 QD-034US | Lenovo ThinkPad T550 | Acer TravelMate P255-M-54204G50Mnss | |
|---|---|---|---|---|---|---|---|
| Display | -1% | 4% | 3% | 66% | 34% | 4% | |
| Display P3 Coverage (%) | 39.84 | 39.3 -1% | 41.6 4% | 41.22 3% | 67 68% | 53.2 34% | 41.5 4% |
| sRGB Coverage (%) | 59.8 | 58.7 -2% | 62.3 4% | 61.8 3% | 97.7 63% | 79.9 34% | 61.8 3% |
| AdobeRGB 1998 Coverage (%) | 41.17 | 40.64 -1% | 43.01 4% | 42.58 3% | 69.2 68% | 54.8 33% | 42.93 4% |
| Bildschirm | -6% | 10% | 25% | 55% | 1% | -12% | |
| Helligkeit Bildmitte (cd/m²) | 194.1 | 240 24% | 216 11% | 177 -9% | 300.9 55% | 297 53% | 186 -4% |
| Brightness (cd/m²) | 198 | 226 14% | 220 11% | 176 -11% | 285 44% | 287 45% | 169 -15% |
| Brightness Distribution (%) | 82 | 88 7% | 85 4% | 78 -5% | 86 5% | 83 1% | 85 4% |
| Schwarzwert * (cd/m²) | 0.539 | 0.48 11% | 0.28 48% | 0.15 72% | 0.431 20% | 0.9 -67% | 0.7 -30% |
| Kontrast (:1) | 360 | 500 39% | 771 114% | 1180 228% | 698 94% | 330 -8% | 266 -26% |
| Delta E Colorchecker * | 7.35 | 12.14 -65% | 10.46 -42% | 8.52 -16% | 1.79 76% | 8.74 -19% | 7 5% |
| Delta E Graustufen * | 6.88 | 12.74 -85% | 11.5 -67% | 9.72 -41% | 2.19 68% | 9.31 -35% | 8.1 -18% |
| Gamma | 2.11 104% | 2.49 88% | 2.29 96% | 1.85 119% | 2.29 96% | 2.42 91% | 2.27 97% |
| CCT | 8885 73% | 15295 42% | 12724 51% | 5036 129% | 6724 97% | 10649 61% | |
| Farbraum (Prozent von AdobeRGB 1998) (%) | 37.9 | 38 0% | 40 6% | 39 3% | 63.1 66% | 50.8 34% | |
| Color Space (Percent of sRGB) (%) | 59.5 | 59 -1% | 62 4% | 61 3% | 97.8 64% | ||
| Colorchecker dE 2000 max. * | 3.96 | ||||||
| Durchschnitt gesamt (Programm / Settings) | -4% /
-5% | 7% /
8% | 14% /
19% | 61% /
58% | 18% /
10% | -4% /
-7% |
* ... kleinere Werte sind besser
Die Farbabdeckung liegt bei zirka 38 bzw. 60 Prozent von AdobeRGB bzw. sRGB. Diese Werte sind für preisgünstige TN-Panels, die man in billigeren Notebooks antrifft, üblich. Das Tecra A50 wurde sicherlich nicht für professionelle Grafikarbeit gemacht.
Weitere Farbanalysen mit einem X-Rite-Spektrophotometer zeigen sehr ungenaue Farben und Grauwerte. Die RGB-Balance weicht besonders stark ab, sodass Farben auf den ersten Blick unnatürlich und dürftig erscheinen. Eine Kalibrierung verbessert die Bildqualität stark. Farben werden mit höherer Sättigung wegen der unvollständigen sRGB-Abdeckung ungenauer. Dennoch empfehlen wir, wenn möglich, eine Kalibrierung.
Die Außenfähigkeiten sind im Allgemeinen schlecht. Der matte Bildschirm verringert definitiv Spiegelungen, doch das ist nicht genug, um das dunkle Hintergrundlicht und die beschränkten Blickwinkel des TN-Panels zu kompensieren. Beim Tecra A50 handelt es sich aus diesem Gründen eher um ein Notebook für Innenräume.
Die Blickwinkel sind schlechter als bei den immer verbreiteteren IPS-Panels. Für einen einzelnen Business User ist das nicht wichtig, doch es kann gleichzeitiges Betrachten des Bildschirms mit anderen erschweren.
Leistung
Die Kernkonfiguration umfasst einen 2,2 GHz i5-5200U oder einen 2,4 GHz i7-5500U plus eine integrierte Intel HD 5500 oder eine eigenständige GeForce 930M GPU. Unser Testmodel bietet die schwächere Konfiguration mit i5-5200U Dual-Core-Prozessor und integrierter Grafik. Die CPU kann laut HWiNFO auf bis zu 2,7 GHz hochtakten und taktet im Idle-Betrieb im Stromsparmodus mit 800 MHz. Laut GPU-Z arbeitet die GPU immer mit ihrem Basistakt von 900 MHz, sogar wenn sie im Stromsparmodus Idle läuft.
Der Hauptspeicher kann mit den beiden SODIMM-Slots auf bis zu 16 GB erweitert werden. Unser Testmodell nutzt ein 8-GB-Modul von Samsung im Single-Channel-Modus.
Der LatencyMon zeigt selbst dann, wenn sich das System im Flugmodus befindet, wiederkehrende Spitzen. Das liegt wahrscheinlich an der vorinstallierten McAfee Schutzsoftware, Toshiba Service Station oder dem Toshiba Eco Utility, welche alle drei ab dem Hochfahren im Hintergrund laufen.
Prozessor
Obwohl es sich um einen Broadwell Kern handelt, schneidet die ULV i5-5200U sehr ähnlich wie der ULV-Haswell-Kern ab, den er ersetzt. Beispielsweise zeigt CineBench R15 nur einen Leistungsgewinn von wenigen Prozent verglichen mit dem i5-4300U und i5-4200U. Die Single-Thread-Leistung kann auf unserem Tecra A50 noch langsamer sein, da die auslaufende Generation von Core-i5- und Core-i7-CPUs über höhere Turbo-Boost-Taktraten verfügt. Die Ergebnisse sind wenig überraschend, da die Vorteile von Broadwell vor allem in geringerer Abwärme und leistungsstärkerer GPU liegen.
| Cinebench R15 | |
| CPU Single 64Bit (nach Ergebnis sortieren) | |
| Toshiba Tecra A50-C1510W10 | |
| Eurocom P5 Pro Extreme | |
| HP ProBook 470 G2 K9W25EA | |
| Dell Latitude 14 7414 Rugged Extreme | |
| Lenovo IdeaPad Z40-59422614 | |
| CPU Multi 64Bit (nach Ergebnis sortieren) | |
| Toshiba Tecra A50-C1510W10 | |
| Eurocom P5 Pro Extreme | |
| HP ProBook 470 G2 K9W25EA | |
| Dell Latitude 14 7414 Rugged Extreme | |
| Lenovo IdeaPad Z40-59422614 | |
| Cinebench R11.5 | |
| CPU Single 64Bit (nach Ergebnis sortieren) | |
| Toshiba Tecra A50-C1510W10 | |
| Eurocom P5 Pro Extreme | |
| HP ProBook 470 G2 K9W25EA | |
| Dell Latitude 14 7414 Rugged Extreme | |
| Lenovo IdeaPad Z40-59422614 | |
| CPU Multi 64Bit (nach Ergebnis sortieren) | |
| Toshiba Tecra A50-C1510W10 | |
| Eurocom P5 Pro Extreme | |
| HP ProBook 470 G2 K9W25EA | |
| Dell Latitude 14 7414 Rugged Extreme | |
| Lenovo IdeaPad Z40-59422614 | |
| Cinebench R10 | |
| Rendering Single CPUs 64Bit (nach Ergebnis sortieren) | |
| Toshiba Tecra A50-C1510W10 | |
| Eurocom P5 Pro Extreme | |
| HP ProBook 470 G2 K9W25EA | |
| Dell Latitude 14 7414 Rugged Extreme | |
| Lenovo IdeaPad Z40-59422614 | |
| Rendering Multiple CPUs 64Bit (nach Ergebnis sortieren) | |
| Toshiba Tecra A50-C1510W10 | |
| Eurocom P5 Pro Extreme | |
| HP ProBook 470 G2 K9W25EA | |
| Dell Latitude 14 7414 Rugged Extreme | |
| Lenovo IdeaPad Z40-59422614 | |
| Rendering Single 32Bit (nach Ergebnis sortieren) | |
| Toshiba Tecra A50-C1510W10 | |
| Eurocom P5 Pro Extreme | |
| HP ProBook 470 G2 K9W25EA | |
| Dell Latitude 14 7414 Rugged Extreme | |
| Lenovo IdeaPad Z40-59422614 | |
| Rendering Multiple CPUs 32Bit (nach Ergebnis sortieren) | |
| Toshiba Tecra A50-C1510W10 | |
| Eurocom P5 Pro Extreme | |
| HP ProBook 470 G2 K9W25EA | |
| Dell Latitude 14 7414 Rugged Extreme | |
| Lenovo IdeaPad Z40-59422614 | |
| Super Pi Mod 1.5 XS 32M - 32M (nach Ergebnis sortieren) | |
| Toshiba Tecra A50-C1510W10 | |
| Eurocom P5 Pro Extreme | |
| HP ProBook 470 G2 K9W25EA | |
| Dell Latitude 14 7414 Rugged Extreme | |
| Lenovo IdeaPad Z40-59422614 | |
| wPrime 2.10 - 1024m (nach Ergebnis sortieren) | |
| Toshiba Tecra A50-C1510W10 | |
| Eurocom P5 Pro Extreme | |
| HP ProBook 470 G2 K9W25EA | |
| Dell Latitude 14 7414 Rugged Extreme | |
| Lenovo IdeaPad Z40-59422614 | |
* ... kleinere Werte sind besser
Systemleistung
PCMark 7 reiht unser Tecra A50-C neben älteren Notebooks wie dem HP Folio 13 und Fujitsu Lifebook UH572 ein. Das liegt teilweise an der primären HDD, denn moderne Business-Notebooks sind typischerweise mit einer primären SSD ausgestattet. Unser Fujitsu Lifebook A555 ist beispielsweise mit der gleichen i5-5200U CPU und integrierten HD 5500 GPU ausgestattet, erreicht aber 4.147 Punkte in PCMark 7, während unser Toshiba nur 2.956 Punkte schafft.
Subjektiv braucht der Start von Anwendungen, Booten und Installationen merklich länger als bei Systemen mit SSD. Andererseits traten während unserer Tests keine Probleme auf. Das Aufpoppen der vorinstallierten McAfee Virusschutzsoftware kann natürlich lästig sein, wenn man sie in ihrem Settings-Menü nicht entsprechend konfiguriert.
| PCMark 7 Score | 2956 Punkte | |
| PCMark 8 Home Score Accelerated v2 | 2909 Punkte | |
| PCMark 8 Creative Score Accelerated v2 | 3261 Punkte | |
| PCMark 8 Work Score Accelerated v2 | 3860 Punkte | |
Hilfe | ||
Massenspeicher
Es steht ein einziger 2,5-Zoll-SATA-III-Schacht zur Verfügung. Optionale sekundäre mSATA- oder M.2-Speicher werden nicht angeboten. Das optische Laufwerk könnte einfach gegen ein sekundäres 2,5-Zoll-Laufwerk ausgetauscht werden, obwohl dieses auf SATA-I-Geschwindigkeit beschränkt ist und einen optionalen Caddy benötigt.
Unser Testmodell ist mit einer 500 GB HGST Travelstar Z7K500 HDD ausgestattet. Laut HD Tune ist die durchschnittliche Transferrate knapp über 102 MB/s, was für ein 7200-U/min-Laufwerk gut ist. Das ist schneller als die 500 GB Toshiba MQ01ABD100 5400 RPM HDD in unserem Inspiron 15-5558, welches im gleichen Benchmark knapp über 83 MB/s erreichte. Wir empfehlen eine SSD-Konfiguration für schnellere Systemleistung und eine sekundäre HDD, falls Kapazität wichtig ist.
GPU-Leistung
Die integrierte HD 5500 GPU in unserem Tecra ist laut der meisten 3DMark Benchmarks zirka 20 bis 30 Prozent schneller als die auslaufende HD 4400 und HD 4600. Der Leistungsgewinn ist in Cloud Gate kleiner, obwohl das Notebook immer noch fast konsistent die integrierten Radeon R5 und R6 Kaveri GPUs übertrifft. Die meisten modernen 3D Games sind außer mit minimalen Einstellungen vorwiegend unspielbar. Weniger fordernde Titel wie Starcraft II laufen mit der nativen 768p-Auflösung zufriedenstellend.
| min. | mittel | hoch | max. | |
|---|---|---|---|---|
| StarCraft II: Heart of the Swarm (2013) | 127.6 | 36.2 | 21.3 | |
| Metal Gear Solid V (2015) | 27.8 | 18.9 |
| 3DMark 11 Performance | 1189 Punkte | |
| 3DMark Ice Storm Standard Score | 42973 Punkte | |
| 3DMark Cloud Gate Standard Score | 4474 Punkte | |
| 3DMark Fire Strike Score | 619 Punkte | |
Hilfe | ||
Stresstest
Das Tecra A50-C schneidet unter Last-Bedingungen generell gut ab. Speziell die GPU fällt nie unter 800 MHz im Netzbetrieb, obwohl die CPU letztendlich auf 1,6-1,7 GHz drosselt, wenn sie zirka eine Minute sowohl Prime95 als auch Furmark ausgesetzt ist. Das Throttling tritt auf, sobald die Kerntemperaturen den niedrigen 70-°C-Bereich erreichen.
Unigine-Heaven-Last ist für anspruchsvolle Alltagslast repräsentativer. Hier kann die CPU eine Taktrate von 2,6-2,7 GHz während der ersten Minuten beibehalten. Danach wird der Turbo-Boost weniger häufig genutzt wird. Die GPU-Leistung bleibt unbeeinflusst.
Turbo Boost wird im Akkubetrieb etwas weniger häufig genutzt, doch beim Gaming oder sonst wird dem User kaum ein Unterschied auffallen. Ein 3DMark-11-Lauf im Akkubetrieb liefert Physics- und Graphics-Ergebnisse von 1.056 bzw. 3.170 Punkten, verglichen mit 1.082 bzw. 3.300 Punkten im Netzbetrieb.
| CPU-Takt (GHz) | GPU-Takt (MHz) | maximale Kerntemperatur (°C) | |
| Prime95 | 2,5 | -- | 65-70 |
| FurMark | -- | 800-850 | 65-70 |
| Prime95 + FurMark | 1,6-1,7 | 800 | 65-70 |
| Unigine Heaven | 1,7-2,7 | 900 | 70-73 |
| Akkubetrieb | 1,7-2,7 | 700-900 | 65-70 |
Emissionen
Geräuschemissionen
Das Kühlsystem besteht aus einem einzigen 40-mm-Lüfter und einer kurzen Heatpipe über CPU und optionaler GPU. Der Lüfter ist unabhängig von den Systemeinstellungen immer aktiv und somit auch in leisen Umgebungen hörbar. In seinem niedrigen 32-33-dB(A)-Bereich ist das Notebook nicht laut genug, um während Web-Surfen oder Textverarbeitung zu stören.
Möglicherweise interessanter ist, dass das Lüftergeräusch unter hoher Last mit knapp unter 33 db(A) immer noch sehr leise ist, was für ein Notebook eher ungewöhnlich ist. Wir loben Toshiba für ein Notebook Design mit sehr niedrigem Lüftergeräusch ohne starkem Throttling, um den Temperaturanstieg niedrig zu halten.
Allerdings können wir nicht garantieren, dass sich der Lüfter gleichverhält, wenn das System mit einer eigenständigen Nvidia GPU und der schnelleren Core-i7-CPU konfiguriert ist. Wahrscheinlich steigt das niedrige maximale Lüftergeräusch auf den typischeren 38-40-dB(A)-Bereich, um die erhöhte Abwärme zu kompensieren.
Lautstärkediagramm
| Idle |
| 32.2 / 32.3 / 32.5 dB(A) |
| DVD |
| 35.8 / dB(A) |
| Last |
| 32.9 / 32.9 dB(A) |
![]() | ||
30 dB leise 40 dB(A) deutlich hörbar 50 dB(A) störend |
||
min: | ||
Temperatur
Im Idle-Betrieb sind die Oberflächentemperaturen ohne merkbare Hotspots niedrig. Die rechte Handballenablage ist um wenige Grad wärmer als die linke, da sich unmittelbar unterhalb die HDD befindet. Ansonsten ist unter diesen Bedingungen kein Quadrant außergewöhnlich wärmer als die anderen.
Bei länger andauernder, hoher Last erhöht sich die Temperatur an den am nächsten zum Lüfter und der Heatpipe gelegenen Oberflächen deutlich. Wegen des kleinen Kühlsystems ist der Temperaturanstieg jedoch merklich isoliert. Daher ist das Temperaturgefälle ziemlich steil. Infolgedessen wird das NumPad deutlich wärmer als die QWERTZ-Tasten. Unter Lastbedingungen bleibt das Tecra A50-C im Allgemeinen kühler als das Aspire V3-574G, wird jedoch wärmer als das 15-5558.
(+) Die maximale Temperatur auf der Oberseite ist 37.8 °C. Im Vergleich liegt der Klassendurchschnitt bei 34.3 °C (von 21.2 bis 62.5 °C für die Klasse Office).
(-) Auf der Unterseite messen wir eine maximalen Wert von 45.2 °C (im Vergleich zum Durchschnitt von 36.8 °C).
(+) Ohne Last messen wir eine durchschnittliche Temperatur von 24 °C auf der Oberseite. Der Klassendurchschnitt erreicht 29.5 °C.
(+) Die Handballen und der Touchpad-Bereich sind mit gemessenen 27.8 °C kühler als die typische Hauttemperatur und fühlen sich dadurch kühl an.
(±) Die durchschnittliche Handballen-Temperatur anderer getesteter Geräte war 27.5 °C (-0.3 °C).
Lautsprecher

Die Qualität der integrierten Lautsprecher ist unterdurchschnittlich. Dem blechernen Klang fehlt es sogar für ein Notebook an Bass. Die maximale Lautstärke ist laut genug, um einen kleinen Konferenzraum auszufüllen, doch die Qualität verschlechtert sich bei höherer Lautstärke. Allerdings sollten die schwachen Lautsprecher kein Problem für die Zielgruppe sein. Schließlich handelt es sich nicht um ein Multimedia Notebook.
Akkulaufzeit
Verglichen mit anderen 15-Zoll-Notebooks sind die Akkulaufzeiten des Tecra A50 mit knapp unter 5 Stunden bei konstanter WLAN-Nutzung durchschnittlich. Bei unserem Standard-WLAN-Test mit Energieprofil "Ausbalanciert" und einer Bildschirmhelligkeit von 150 cd/m² läuft ein Browser-Skript in einer Schleife. Glücklicherweise kann der Akku, wie man es sich von einem BusinesscNotebook erwartet, schnell getauscht werden. Konkurrierende Consumer-Modelle wie das jüngste Envy 15 mögen etwas längere Akkulaufzeiten liefern, haben jedoch eher integrierte Akkus.
Toshiba wirbt mit bis zu 8 Stunden Nutzung. Während das Ergebnis unseres WLAN-Tests deutlich niedriger ist, kann der Nutzer die Akkulaufzeit mit niedrigerer Bildschirmhelligkeit oder Stromsparprofil wahrscheinlich um eine Stunde oder mehr verlängern.
| Toshiba Tecra A50-C1510W10 45 Wh | HP Envy 15-ae020ng 55 Wh | Toshiba Satellite C55D-C-10P Carrizo-L 44 Wh | Dell Inspiron 15-5558 40 Wh | MSI PX60 QD-034US 52 Wh | Lenovo ThinkPad T550 67 (44 plus 23) Wh | Acer TravelMate P255-M-54204G50Mnss 37 Wh | |
|---|---|---|---|---|---|---|---|
| Akkulaufzeit | 23% | -1% | 6% | -54% | 88% | -35% | |
| Idle (h) | 10.1 | 12.6 25% | 8.3 -18% | 11.1 10% | 3.2 -68% | 21.1 109% | 6.5 -36% |
| WLAN (h) | 4.9 | 5.1 4% | 4.2 -14% | 5.6 14% | 2.4 -51% | ||
| Last (h) | 1.8 | 2.5 39% | 2.3 28% | 1.7 -6% | 1 -44% | 3 67% | 1.2 -33% |
| WLAN (alt) (h) | 11.3 | 5.2 |
Pro
Contra
Fazit
Die Tecra-A50-Serie ist nur ein Schatten der teureren und viel beachteten Portégé-Serie. Um die niedrigeren Einstiegspreise zu erreichen, musste Toshiba an etwas zu vielen Ecken sparen. Dazu gehören ein schwächerer Bildschirmdeckel, ein schlechterer Bildschirm, das Fehlen einer Tastatur-Hintergrundbeleuchtung und das Fehlen von integrierter Breitband-Unterstützung. Wesentliche Business-Merkmale wie Smart-Card- und Fingerabdruckleser sind nur optional. Während wir die 1080p-Konfiguration nicht beurteilen können, ist unser 768p-Modell in puncto Farbqualität, Kontrast und Helligkeit unterdurchschnittlich.
Wenn Sie auf Toshiba eingestellt sind, mag es sich auszahlen stattdessen auf ein Notebook der Portégé-Klasse zu sparen. Der Unterschied bei Qualität und Langlebigkeit ist von Beginn an auffällig. Allerdings ist es schwer zu ignorieren, dass das neue Tecra A50-C standardmäßig eine 3-Jahres-Garantie inkludiert. Wir empfehlen das System mit einem 1080p-Bildschirm und einer primären SSD zu konfigurieren, um bei grundlegenden Office-Aufgaben das meiste herauszuholen. Ansonsten scheinen teurere Business-Lösungen wie die ThinkPad-, Latitude-, Portégé- oder EliteBook-Flaggschiff-Notebooks langfristig die bessere Option für Power User.
Die schwächste Konfiguration sollte vermieden werden, da sie der meisten wesentlichen Business-Merkmale beraubt wurde. Docking Port, 3-Jahres-Garantie, konsistente Leistung im Akku-Betrieb und nahezu lautloser Betrieb sind einige der größten Highlights des Tecra A50-C.
Toshiba Tecra A50-C1510W10
- 08.10.2015 v4 (old)
Allen Ngo









































































