Test MSI PX60 Prestige Notebook

Die Prestige-Serie gehört zu MSIs aktueller Familie. Der Hersteller weitet seine gaming-focusierten Notebooks in Richtung Office und Business-Welt aus. Wir hatten das PE60 bereits früher in diesem Jahr ausführlich unter die Lupe genommen und waren von seinem Bildschirm und seinen Features beeindruckt. Das PX60 nutzt das gleiche Farbschema, das Gehäuse ist jedoch dünner und leichter. Im Wesentlichen handelt es sich um ein GS60 mit neuem Aussehen und eleganterer Farbgebung. Daher verweisen wir für mehr Informationen über Chassis und Hardware auch auf unseren existierenden GS60 Testbericht.
MSI bewirbt das PX60 als Notebook für die Business-Elite und Profis, daher lassen wir dieses Modell auch in dieser Klasse antreten. Kann es wirklich gegenüber anderen beliebten Business-Notebooks wie der ThinkPad-T-Serie oder den Dell Latitudes bestehen?
Gehäuse
Haben Sie bereits ein GS60 und wollen stattdessen ein PX60? So besorgen Sie sich etwas silberne Sprayfarbe und Sie können nichts falsch machen. Das Chassis ist bis auf die Positionierung der Schnittstellen und die Status-LEDs an der Vorderseite fast identisch. Die einzigen großen Unterschiede sind die weggelassenen G-Serien-Logos der Gaming-Serie und die fehlenden symmetrischen Rippen am Bildschirmdeckel des GS60. Die Veränderungen sind nur kosmetischer Art. Die Qualität und die Abmessungen einschließlich des Scharniers mit einem Öffnungswinkel von zirka 160 Grad wurden beibehalten.
Allerdings handelt es sich beim PX60 - laut MSI - um ein Business-Notebook. Daher werden es Nutzer mit dem ThinkPad T550 oder Latitude E5550 vergleichen. Während die glatten, gebürsteten Aluminium-Oberflächen des PX60 attraktiv aussehen, ist die Verarbeitungsqualität weit entfernt von klassischen Business-Notebooks von Lenovo oder Dell. Sowohl der Bildschirmdeckel als auch die Basiseinheit sind anfälliger auf Druck- und Verwindungskräfte. In der Tat zeigt unser Testmodell eine unbeabsichtigte Spalte am oberen rechten Eck des Bildschirms zwischen der Außenseite und dem Bildschirmrahmen. Die Verarbeitung könnte also ebenso besser sein.
In puncto Größe und Gewicht liegt das MSI wenig überraschend um mehr als nur wenige Millimeter oder Gramm vor beliebten 15-Zoll-Business-Notebooks. Das XPS 15 ist eine Spur dünner und nur etwas schwerer, doch es ist auch eher ein Notebook für Multimedia-Verwendung. Man beachte, dass der Bildschirmrahmen des PX60 sehr dick ist. Eindeutig priorisiert MSI bis jetzt bei der Prestige-Serie Stil und Gewicht.
Ausstattung
Die verfügbaren Schnittstellen entsprechen nicht genau den Bedürfnissen von Business-Usern. Es stehen weder VGA, ein ExpressCard-Leser noch ein eigenständiger Docking-Port zur Verfügung. Der Mini-DisplayPort und Gigabit RJ-45 sind definitiv praktisch, wir hätten uns aber einen Thunderbolt-Port für mehr Anschlussmöglichkeiten gewünscht.
Kommunikation
WLAN wird durch ein Intel dual-band Wireless-AC 7260 half-mini PCIe-Modul mit integriertem Bluetooth und WiDi-Support zur Verfügung gestellt. Dies ist eine übliche 2x2 WLAN-Karte für Transferraten von bis zu 867 Mbps, die sowohl via 2,4-GHz als auch via 5-GHz-Band funkt. Wir konnten keine Notebook- oder WLAN-Modul spezifischen Probleme bei der Signalqualität beobachten. Optionen für WWAN/UMTS oder GPS gibt es nicht. Nicht einmal ein Fingerabdruckleser, den man üblicherweise in vielen Business-Notebooks antrifft, steht zur Verfügung.
Wartung
Da das Innenleben identisch zum GS60 ist, ist es einfach, die Wartungsklappe zu entfernen. Dabei muss das Garantiesiegel gebrochen werden, was eine Rückgabe des Notebooks an den Händler unter Umständen schwierig machen kann.
Zubehör
Zum Lieferumfang gehört nur eine Kurzanleitung und eine Garantiekarte. Es gibt kein spezifisches Zubehör außer den üblichen Schutzhüllen.
Garantie
Die Herstellergarantie beträgt 12 Monate. Bestimmte innere Komponenten wie LCD, CPU und Motherboard sind für 24 Monate abgedeckt.
Eingabegeräte
Tastatur
Die Chiclet-Tastatur (34,5 x 10,5 cm) bietet ein weißes Hintergrundlicht mit vier Helligkeitsstufen, anstatt den RGB-Farben des GS60-Zwillings. Der Abstand zwischen den Tasten ist ziemlich groß, da die Tasten selbst klein sind. Der Hubweg ist seicht und der leise Druckpunkt eignet sich für Konferenzen oder Klassenzimmer. Das Feedback ist weicher als bei den meisten Business-Notebooks. Daher könnte der Nutzer einige Zeit brauchen, bis er sich an das Tippgefühl gewöhnt. Ansonsten handelt es sich um die gleiche Tastatur, die man auch in der Gamer-Variante antrifft.
Der inkludierte Shortcut Manager und die System-Control-Software ermöglichen eine einfache Konfiguration von Shortcuts bzw. schnelle Systemeinstellungen. Beide sind jedoch etwas zu grundlegend und hätten von mehr Features wie beispielsweise Tasten-Aufzeichnung oder Lüftersteuerung profitiert.
Touchpad
Die 10,5 x 7 cm große Oberfläche hat eine etwas raue Oberfläche mit guten Gleiteigenschaften, ein Ruckeln des Cursors haben wir nicht bemerkt. Die Elan-Software erkennt problemlos Gesten mit bis zu drei Fingern. Das verbaute Touchpad ist ziemlich groß für ein Business-Notebook, da es integrierte Maustasten nutzt (Clickpad). Der Nutzer muss also auf eigenständige Maustasten sowie einen Trackpoint, die zur Basisausstattung eines für Business konzipierten Geräts gehören, verzichten.
Darüber hinaus sind die integrierten Maustasten nicht besonders komfortabel in der Verwendung. Klicken benötigt viel Kraft, der Hubweg ist seicht und das Feedback könnte fester sein. Während die größere Oberfläche Gesten erleichtert, gestalten sich einfache Aktionen wie Markieren oder Ziehen am PX60 schwieriger.
Display
Der 1080p-IPS-Bildschirm des PX60 ist "bodenständiger" als die 3K- und 4K/UHD-Panels verfügbarer GS60-Konfigurationen. Das soll nicht heißen, dass die Qualität gelitten hätte, denn der matte Bildschirm unseres PX60 kann leicht mit jedem Display in konkurrierenden Business-Notebooks mithalten. Es gibt fast keine sichtbare Körnung und Bleeding des Hintergrundlichts an Kanten und Ecken ist nur minimal. Eine schnelle Suche nach der Samsung 156HL01-102 Display-ID zeigt, dass viele Notebooks von Asus und MSI ebenso mit dem gleichen Bildschirm ausgestattet sind, beispielsweise das Asus N551, das MSI WS60 und das Asus GL552. Helligkeit und Kontrast sind für ein Business-Notebook zirka durchschnittlich.
| |||||||||||||||||||||||||
Ausleuchtung: 86 %
Helligkeit Akku: 300.9 cd/m²
Kontrast: 698:1 (Schwarzwert: 0.431 cd/m²)
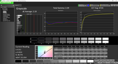
ΔE ColorChecker Calman: 1.79 | ∀{0.5-29.43 Ø4.74}
ΔE Greyscale Calman: 2.19 | ∀{0.09-98 Ø4.98}
97.8% sRGB (Argyll 1.6.3 3D)
63.1% AdobeRGB 1998 (Argyll 1.6.3 3D)
69.2% AdobeRGB 1998 (Argyll 3D)
97.7% sRGB (Argyll 3D)
67% Display P3 (Argyll 3D)
Gamma: 2.29
CCT: 6724 K
| MSI PX60 QD-034US | Lenovo ThinkPad T550 | Lenovo ThinkPad W550s 20E2-000PGE | HP ZBook 15 G2 | HP Envy 15-ae020ng | Dell XPS 15 (9530-0538) | Apple MacBook Pro Retina 15 inch 2015-05 | |
|---|---|---|---|---|---|---|---|
| Display | -20% | -9% | 1% | -41% | -3% | -8% | |
| Display P3 Coverage (%) | 67 | 53.2 -21% | 62.3 -7% | 68.5 2% | 39.3 -41% | 64.9 -3% | 61.4 -8% |
| sRGB Coverage (%) | 97.7 | 79.9 -18% | 86.5 -11% | 97.3 0% | 58.7 -40% | 96.1 -2% | 90.8 -7% |
| AdobeRGB 1998 Coverage (%) | 69.2 | 54.8 -21% | 62.6 -10% | 70.7 2% | 40.64 -41% | 66.9 -3% | 62.9 -9% |
| Bildschirm | -112% | -17% | -37% | -135% | 4% | 8% | |
| Helligkeit Bildmitte (cd/m²) | 300.9 | 297 -1% | 360 20% | 309 3% | 240 -20% | 349 16% | 341 13% |
| Brightness (cd/m²) | 285 | 287 1% | 323 13% | 289 1% | 226 -21% | 365 28% | 315 11% |
| Brightness Distribution (%) | 86 | 83 -3% | 81 -6% | 84 -2% | 88 2% | 87 1% | 82 -5% |
| Schwarzwert * (cd/m²) | 0.431 | 0.9 -109% | 0.54 -25% | 0.47 -9% | 0.48 -11% | 0.282 35% | 0.34 21% |
| Kontrast (:1) | 698 | 330 -53% | 667 -4% | 657 -6% | 500 -28% | 1238 77% | 1003 44% |
| Delta E Colorchecker * | 1.79 | 8.74 -388% | 3.45 -93% | 3.82 -113% | 12.14 -578% | 2.65 -48% | 2.07 -16% |
| Colorchecker dE 2000 max. * | 3.96 | 3.27 17% | |||||
| Delta E Graustufen * | 2.19 | 9.31 -325% | 2.98 -36% | 5.94 -171% | 12.74 -482% | 3.77 -72% | 1.9 13% |
| Gamma | 2.29 96% | 2.42 91% | 2.06 107% | 2.16 102% | 2.49 88% | 2.41 91% | 2.62 84% |
| CCT | 6724 97% | 10649 61% | 6338 103% | 6996 93% | 15295 42% | 6786 96% | 6514 100% |
| Farbraum (Prozent von AdobeRGB 1998) (%) | 63.1 | 50.8 -19% | 56 -11% | 63.8 1% | 38 -40% | 61.02 -3% | 58 -8% |
| Color Space (Percent of sRGB) (%) | 97.8 | 86.3 -12% | 59 -40% | 96.1 -2% | 91 -7% | ||
| Durchschnitt gesamt (Programm / Settings) | -66% /
-87% | -13% /
-15% | -18% /
-27% | -88% /
-112% | 1% /
2% | 0% /
5% |
* ... kleinere Werte sind besser
Eine wahre Stärke des PX60 ist die Farbraumabdeckung. Mit knapp über 97 Prozent und 63 Prozent Abdeckung von sRGB bzw. AdobeRGB übertrifft das MSI konkurrierende Modelle und konkurriert mit Notebooks der Workstation-Klasse, wie dem HP ZBook 15. Dagegen liefern die meisten Durchschnitts-IPS-Panels für Ultrabooks 60 Prozent bzw. <50 Prozent Abdeckung von sRGB bzw. AdobeRGB. Die Farben sind merkbar tiefer und sollte Grafikkünstler, die sRGB-genaue Bildschirme bevorzugen, zufriedenstellen.
Die True-Color-Software von MSI kehrt im PX60 mit vordefinierten Farbprofilen für Filme, Games, Designer etc. zurück. Nutzer können Gamma, Kontrast und einzelne RGB-Farben manuell anpassen. Leider gibt es dabei keinen Schieberegler für die manuelle Anpassung der Farbtemperatur. Verschiedene Farbmodi können mit benutzerdefinierten Programmen kombiniert werden.
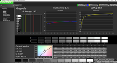
Zusätzliche Farbanalysen mit unserem X-Rite-Spektrophotometer zeigen sehr genaue Farben und Grauwerte, ohne dass eine Kalibrierung notwendig wäre. Es handelt sich tatsächlich um einen der genauesten Bildschirme im Werkszustand. Eine schnelle Kalibrierung macht Farben und Graustufen noch einen Tick genauer wie unsere Messungen unten zeigen. Die Farbtemperatur wird ein bisschen wärmer, während sich das Gamma weiter dem 2,2-Ideal nähert.
Die Nutzung im Freien ist schwierig, wenn man nicht im Schatten arbeitet. Das Hintergrundlicht ist einfach nicht stark genug, sodass der Bildschirm im direkten Sonnenlicht ausgewaschen erscheint. Die maximale Helligkeit fällt im Akkubetrieb nicht, doch es kann sein, dass der Nutzer zuerst das Stromsparfeature in den Einstellungen der Íntel HD Graphics ausschalten muss.
Die Blickwinkel sind, wie von einem IPS-Panel zu erwarten, ausgezeichnet. Die Farbveränderung ist nicht dramatisch, wenn man nicht von extremen oder atypischen Winkeln auf den Bildschirm schaut.
Leistung
Das aktuelle PX60 ist entweder mit einem Core i7-5700HQ oder i5-4210H Prozessor erhältlich. Unser Testmodell nutzt die stärkere Broadwell-CPU, während die GTX 950M bis jetzt die einzige verfügbare GPU-Option ist. Der Broadwell-Kern beinhaltet einen Turbo Boost bis zu 3,5 GHz für alle vier Kerne, läuft aber ansonsten mit Stromsparprofil nur mit 800 MHz. Gleichermaßen kann die Nvidia-GPU im Idle-Betrieb auf nur 135 MHz und 202 MHz (Kern bzw. Speicher) heruntertakten.
Der Hauptspeicher setzt sich aus zwei Kingston PC3-12800-SODIMM-Modulen von insgesamt 16 GB zusammen. Man beachte, dass die Slots erreichbar sind, doch das Notebook weiter zerlegt werden muss, da die meisten seiner Kernkomponenten am Motherboard unterhalb der Tastatur liegen.
Prozessor
Die CPU-Leistung ist sehr gut, da es sich beim i7-5700HQ anders als bei den CPUs im ThinkPad T450s oder HP EliteBook 850 nicht um einen ULV-Prozessor handelt. Die reine Leistung ähnelt dem i7-4940MX, einer der schnellsten mobilen Haswell-Kerne für Notebooks. Broadwell schneidet verglichen mit Haswell generell sehr gut in Multi-Core-Aufgaben ab, was teilweise an der gleichmäßigeren Turbo-Boost-Leistung liegt. Die ULV-Prozessoren i7-5600U und 5500U haben deshalb keine Chance. Die i7-4790K Desktop-CPU ist laut CineBench noch einmal zirka 20 Prozent schneller.
Weitere Benchmarks und Vergleiche der i7-5700HQ sind auf unserer CPU-Spezialseite verfügbar.
| Cinebench R10 | |
| Rendering Single CPUs 64Bit (nach Ergebnis sortieren) | |
| MSI PX60 QD-034US | |
| Eurocom P5 Pro Extreme | |
| Eurocom X8 | |
| Lenovo IdeaPad Y50 | |
| Lenovo ThinkPad T450s-20BWS03F00 | |
| HP EliteBook 850 G2 J8R68EA | |
| Rendering Multiple CPUs 64Bit (nach Ergebnis sortieren) | |
| MSI PX60 QD-034US | |
| Eurocom P5 Pro Extreme | |
| Eurocom X8 | |
| Lenovo IdeaPad Y50 | |
| Lenovo ThinkPad T450s-20BWS03F00 | |
| HP EliteBook 850 G2 J8R68EA | |
| Super Pi Mod 1.5 XS 32M - 32M (nach Ergebnis sortieren) | |
| MSI PX60 QD-034US | |
| Eurocom P5 Pro Extreme | |
| Eurocom X8 | |
| Lenovo IdeaPad Y50 | |
| Lenovo ThinkPad T450s-20BWS03F00 | |
| HP EliteBook 850 G2 J8R68EA | |
| wPrime 2.10 - 1024m (nach Ergebnis sortieren) | |
| MSI PX60 QD-034US | |
| Eurocom P5 Pro Extreme | |
| Eurocom X8 | |
| Lenovo IdeaPad Y50 | |
| Lenovo ThinkPad T450s-20BWS03F00 | |
| HP EliteBook 850 G2 J8R68EA | |
* ... kleinere Werte sind besser
Systemleistung
Wegen des mechanischen Primärlaufwerks sind die PCMark-Ergebnisse eher durchschnittlich. Unser GS60 mit SSD konnte, verglichen mit den nur 4.012 Punkten des PX60, 5.794 im PCMark 7 erreichen. Man beachte, dass PCMark 8 Creative immer abstürzte, obwohl wir die zum Zeitpunkt des Tests aktuellste Version (v2.5.419) ausführten. Daher fehlt hier das Endergebnis. Unser System wurde mit Windows 8.1 ausgeliefert und kann derzeit natürlich sofort auf Windows 10 aktualisiert werden.
Subjektiv ist das Antwortverhalten nicht so schnell wie bei SSD-Systemen. Bootvorgänge und Installationen sind langsamer und Programme starten mit einer merkbaren Verzögerung. All das sollte Nutzern, die PCs mit mechanischen Laufwerken gewohnt sind, bekannt vorkommen.
| PCMark 7 Score | 4012 Punkte | |
| PCMark 8 Home Score Accelerated v2 | 3691 Punkte | |
| PCMark 8 Work Score Accelerated v2 | 4669 Punkte | |
Hilfe | ||
Massenspeicher
Es gibt zwei Speicherschächte: einen 2,5-Zoll-SATA-III-Schacht und einen M.2-2280-Slot (PCIe-x4-Schnittstellen) unterhalb des Motherboards. Anders als das GS60 unterstützt das PX60 kein RAID. Die ursprüngliche Gaming-Variante hat zudem einen zweiten M.2-Slot, der nun beim PX60 fehlt. Das ist einer der wenigen Unterschiede der ansonsten sehr ähnlichen Modelle.
Der 2,5-Zoll-Schacht ist leichter erreichbar und unser Testmodell ist an dieser Stelle mit einer 1 TB 7200 RPM Hitachi Travelstar HTS721010A9E630 HDD ausgestattet. Die durchschnittliche Transferrate laut HD Tune ist mit 113,4 Mb/s überdurchschnittlich. Weniger teuere 5.400-U/min-Laufwerke erreichen üblicherweise weniger als 90 MB/s im gleichen Benchmark. Für viel schnellere Leistung empfehlen wir eine SSD als Primär-Laufwerk zu installieren und die HDD als Sekundär-Laufwerk zu nutzen.
GPU-Leistung
Die GTX 950M ist für grundlegende Office-Anforderungen mehr als ausreichend. MSIs "Matrix Display" für bis zu zwei 4K-Bildschirme bei 60 Hz wird immer noch unterstützt. Das Spielen von Games ist mit der 950M bei solchen Auflösungen nicht empfehlenswert. Das Feature ist also eher für Künstler und Designer gedacht.
Die synthetischen GPU-Benchmarks stufen unser PX60 zirka 20 bis 30 Prozent niedriger als die GTX 960M in unserem Eurocom Shark 4 und 30 bis 40 Prozent höher als die Radeon R9 M370X im 15-Zoll großen Apple MacBook Pro Retina ein. Laut 3DMark kann die GTX 970M mehr also doppelt so schnell sein als die GTX 950M.
Weitere Benchmarks und Vergleiche der GTX 950M stehen auf unserer GPU-Spezialseite zur Verfügung.
| 3DMark 06 Standard Score | 23657 Punkte | |
| 3DMark 11 Performance | 4575 Punkte | |
| 3DMark Ice Storm Standard Score | 85899 Punkte | |
| 3DMark Cloud Gate Standard Score | 16086 Punkte | |
| 3DMark Fire Strike Score | 3342 Punkte | |
| 3DMark Fire Strike Extreme Score | 1649 Punkte | |
Hilfe | ||
| 3DMark 11 | |
| 1280x720 Performance Combined (nach Ergebnis sortieren) | |
| MSI PX60 QD-034US | |
| Eurocom P7 Pro | |
| Gigabyte P55 V4 | |
| Eurocom Shark 4 | |
| Apple MacBook Pro Retina 15 inch 2015-05 | |
| Lenovo ThinkPad T450s-20BWS1UT00 | |
| 1280x720 Performance Physics (nach Ergebnis sortieren) | |
| MSI PX60 QD-034US | |
| Eurocom P7 Pro | |
| Gigabyte P55 V4 | |
| Eurocom Shark 4 | |
| Apple MacBook Pro Retina 15 inch 2015-05 | |
| Lenovo ThinkPad T450s-20BWS1UT00 | |
| 1280x720 Performance GPU (nach Ergebnis sortieren) | |
| MSI PX60 QD-034US | |
| Eurocom P7 Pro | |
| Gigabyte P55 V4 | |
| Eurocom Shark 4 | |
| Apple MacBook Pro Retina 15 inch 2015-05 | |
| Lenovo ThinkPad T450s-20BWS1UT00 | |
| 1280x720 Performance (nach Ergebnis sortieren) | |
| MSI PX60 QD-034US | |
| Eurocom P7 Pro | |
| Gigabyte P55 V4 | |
| Eurocom Shark 4 | |
| Apple MacBook Pro Retina 15 inch 2015-05 | |
| Lenovo ThinkPad T450s-20BWS1UT00 | |
| LuxMark v2.0 64Bit | |
| Room GPUs-only (nach Ergebnis sortieren) | |
| MSI PX60 QD-034US | |
| Eurocom P7 Pro | |
| Gigabyte P55 V4 | |
| Eurocom Shark 4 | |
| Apple MacBook Pro Retina 15 inch 2015-05 | |
| Lenovo ThinkPad T450s-20BWS1UT00 | |
| Sala GPUs-only (nach Ergebnis sortieren) | |
| MSI PX60 QD-034US | |
| Eurocom P7 Pro | |
| Gigabyte P55 V4 | |
| Eurocom Shark 4 | |
| Apple MacBook Pro Retina 15 inch 2015-05 | |
| Lenovo ThinkPad T450s-20BWS1UT00 | |
| ComputeMark v2.1 | |
| 1024x600 Normal, QJuliaRayTrace (nach Ergebnis sortieren) | |
| MSI PX60 QD-034US | |
| Eurocom P7 Pro | |
| Gigabyte P55 V4 | |
| Eurocom Shark 4 | |
| Apple MacBook Pro Retina 15 inch 2015-05 | |
| 1024x600 Normal, Mandel Scalar (nach Ergebnis sortieren) | |
| MSI PX60 QD-034US | |
| Eurocom P7 Pro | |
| Gigabyte P55 V4 | |
| Eurocom Shark 4 | |
| Apple MacBook Pro Retina 15 inch 2015-05 | |
| 1024x600 Normal, Mandel Vector (nach Ergebnis sortieren) | |
| MSI PX60 QD-034US | |
| Eurocom P7 Pro | |
| Gigabyte P55 V4 | |
| Eurocom Shark 4 | |
| Apple MacBook Pro Retina 15 inch 2015-05 | |
| 1024x600 Normal, Fluid 2DTexArr (nach Ergebnis sortieren) | |
| MSI PX60 QD-034US | |
| Eurocom P7 Pro | |
| Gigabyte P55 V4 | |
| Eurocom Shark 4 | |
| Apple MacBook Pro Retina 15 inch 2015-05 | |
| 1024x600 Normal, Fluid 3DTex (nach Ergebnis sortieren) | |
| MSI PX60 QD-034US | |
| Eurocom P7 Pro | |
| Gigabyte P55 V4 | |
| Eurocom Shark 4 | |
| Apple MacBook Pro Retina 15 inch 2015-05 | |
| 1024x600 Normal, Score (nach Ergebnis sortieren) | |
| MSI PX60 QD-034US | |
| Eurocom P7 Pro | |
| Gigabyte P55 V4 | |
| Eurocom Shark 4 | |
| Apple MacBook Pro Retina 15 inch 2015-05 | |
Gaming Performance
Die Gaming-Leistung der GTX 950M ist bereits gut dokumentiert. Daher haben wir am PX60 nur wenige Benchmarks ausgeführt, um zu prüfen, ob die Leistung verglichen mit der durchschnittlichen 950M in unserer Datenbank unseren Erwartungen entspricht. Erfreulicherweise erreicht das MSI in den getesteten Spielen sogar überdurchschnittliche Frameraten.
Ausnahme: Obwohl es schon seit Monaten verfügbar ist, läuft Batman: Arkham Knight immer noch mit großen Problemen auf der GTX 950M.
| min. | mittel | hoch | max. | |
|---|---|---|---|---|
| Sleeping Dogs (2012) | 147.3 | 77.8 | 18.6 | |
| Tomb Raider (2013) | 135 | 96.5 | 43.2 | |
| BioShock Infinite (2013) | 119.1 | 106.7 | 39.6 | |
| Metro: Last Light (2013) | 85.9 | 51.1 | 25.8 | |
| Thief (2014) | 53.7 | 46.3 | 23 | |
| Middle-earth: Shadow of Mordor (2014) | 68.7 | 36.2 | 27.1 | |
| F1 2014 (2014) | 114 | 101 | 80 | |
| Metal Gear Solid V (2015) | 59.9 | 49.9 | 32.8 |
Stresstest
Wir belasten das Notebook mit Prime95 und FurMark, um auf Stabilitäts- oder Throttling-Probleme zu testen. Die Endergebnisse finden sich in der Tabelle unten. Berücksichtigt man, dass die Basistaktraten von CPU und GPU 2,7 GHz bzw. 915 GHz sind, können beide Kerne ihre jeweiligen Boost-Vorteile unter bestimmten Lastbedingungen beibehalten. Besonders die CPU verhält sich sogar unter unrealistischer Last mit Prime95 und Furmark sehr gut, während die GPU dabei auf 666 MHz drosselt.
Unigine Heaven ist für Gaming-Last repräsentativer. Unter diesen Bedingungen pendeln sich CPU und GPU bei viel niedrigeren Temperaturen im mittleren 50-Grad-Celsius-Bereich ein, während sie mit Boost-Geschwindigkeiten arbeiten. Das ist beeindruckend, überrascht aber nicht, da das Gehäuse ursprünglich für eine anspruchsvollere GTX 970M GPU ausgelegt wurde.
Im Akkubetrieb fällt die GPU-Leistung, anders als üblicherweise bei den meisten Notebooks, nicht. Der CPU Turbo Boost wird beim Versuch Strom zu sparen etwas weniger häufig genutzt. 3DMark 11 liefert im Akkubetrieb Physics- und GPU-Ergebnisse von 6.785 bzw. 4.165 Punkten, verglichen mit 8.207 bzw. 4.205 Punkten im Netzbetrieb.
| Stabiler CPU-Takt (GHz) | Stabiler GPU-Takt (MHz) | Maximale CPU-Temperatur (C) | Maximale GPU-Temperatur (C) | |
| Prime95 Stress | 3.4 - 3.5 | -- | 85 - 90 | -- |
| FurMark Stress | -- | 666 - 692 | -- | 60 |
| Prime95 + FurMark Stress | 3.2 - 3.3 | 666 - 692 | 85 - 90 | 65 |
| Unigine Heaven Stress | 3.5 | 927.9 | 50 - 55 | 56 |
| Akku-Leistung | 0.8 - 3.5 | 927.9 | 45 - 50 | 50 |
Emissionen
Geräuschemissionen
MSI rühmt sich seiner Cooler Boost 3 Technologie bestehend aus vier Heatpipes und zwei Systemlüftern für CPU und GPU. Dieses Setup ist in dünnen und leichten Gaming-Notebooks wie jenen von Aorus üblich.
Das Betriebsgeräusch ist allerdings sehr laut - sogar wenn das Gerät im Leerlauf den Desktop anzeigt. Mit einem Minimum von 34,8 dB(A) sind die Lüfter unabhängig von der Last stets hörbar. Idle-Betrieb mit Höchstleistungsprofil erhöht das Lüftergeräusch auf wenigstens 37 dB(A). Dagegen sind viele Business-Geräte wie das ThinkPad T550 oder sogar das MacBook Pro 15 Retina lautlos oder arbeiten nahe des sehr niedrigen 30-dB(A)-Bereichs, während eine Textverarbeitung verwendet wird. Das Fehlen einer manuellen Lüftersteuerung hilft dem MSI auch nicht.
Beim Gaming schwankt das Geräusch im 41-dB(A)-Bereich und erreicht schlimmstenfalls bis zu 49 dB(A). Beide Lüfter werden allmählich und langsam schneller und langsamer anstatt wie viele andere Notebooks auf eine stufenweise Art.
Lautstärkediagramm
| Idle |
| 34.8 / 37.2 / 37.4 dB(A) |
| Last |
| 41.8 / 49.4 dB(A) |
![]() | ||
30 dB leise 40 dB(A) deutlich hörbar 50 dB(A) störend |
||
min: | ||
Temperatur
Hotspots sind bereits dann fühlbar, wenn nur der Desktop angezeigt wird und keine anspruchsvollen Anwendungen laufen. Die Temperatur ist an der Oberseite erfreulicherweise gleichmäßiger als an der Unterseite. Daher stellen unangenehme Oberflächentemperaturen beim Tippen kein Problem dar.
Lang andauernde maximale Last führt zu Temperaturen über 56 Grad Celsius im hinteren Bereich der Unterseite. Dieser Bereich liegt genau zwischen CPU und GPU und ist natürlich der wärmste Bereich, da sich hier auch die Heatpipes befinden. Man beachte, dass diese Messwerte nach einer halben Stunden FurMark und Prime95 aufgezeichnet wurden und User derart warme Oberflächen beim Gaming oder Surfen nie erfahren sollten. Im Allgemeinen wird das PX60 wegen seiner leistungsstärkeren GPU und seines schlankeren Profils wärmer als die meisten Business-Notebooks. Das ThinkPad T550 und das MacBook Pro 15 erreichen beispielsweise maximal nur 40 bzw. 43 Grad Celsius.
(+) Die maximale Temperatur auf der Oberseite ist 37.6 °C. Im Vergleich liegt der Klassendurchschnitt bei 34.3 °C (von 21.2 bis 62.5 °C für die Klasse Office).
(-) Auf der Unterseite messen wir eine maximalen Wert von 56.6 °C (im Vergleich zum Durchschnitt von 36.8 °C).
(+) Ohne Last messen wir eine durchschnittliche Temperatur von 26.4 °C auf der Oberseite. Der Klassendurchschnitt erreicht 29.5 °C.
(+) Die Handballen und der Touchpad-Bereich erreichen maximal 32.8 °C und damit die typische Hauttemperatur und fühlen sich daher nicht heiß an.
(-) Die durchschnittliche Handballen-Temperatur anderer getesteter Geräte war 27.5 °C (-5.3 °C).
Lautsprecher

Die Klangqualität ist die gleiche wie beim GS60. Die vier Dynaudio-Lautsprecher sind laut und ausbalanciert und statisches Rauschen tritt auch bei höheren Lautstärken nicht auf. Dennoch gibt es Raum für Verbesserungen, denn die maximale Lautstärke könnte höher sein.
Die Nahimic Audio-Software bietet viele Features und Optionen sowohl zur Rauschunterdrückung als auch zur Optimierung der Sprachqualität, da sie für Gaming-Zwecke konzipiert wurde.
Akkulaufzeit
Die Akkulaufzeiten des PX60 sind sehr schlecht. Maximal sind bis zu 3,5 Stunden im Idle-Betrieb mit Stromsparprofil und minimaler Helligkeit möglich, wenn der integrierte Grafikchip aktiv ist. Bei realistischeren Bedingungen sind nur zirka 2,5 Stunden erreichbar. Diese Werte sind verglichen mit der Konkurrenz sehr niedrig. Erschwerend kommt hinzu, dass der Akku nicht entfernt werden kann.
| MSI PX60 QD-034US 52 Wh | Lenovo ThinkPad T550 44 Wh plus 23 Wh | Lenovo ThinkPad W550s 20E2-000PGE 44 Wh plus 72 Wh | Eurocom Shark 4 62 Wh | HP ZBook 15 G2 83 Wh | HP Envy 15-ae020ng 55.5 Wh | Dell XPS 15 (9530-0538) 88 Wh | Apple MacBook Pro Retina 15 inch 2015-05 99.5 Wh | |
|---|---|---|---|---|---|---|---|---|
| Akkulaufzeit | 380% | 502% | 68% | 59% | 186% | 117% | 240% | |
| Idle (h) | 3.2 | 21.1 559% | 28.8 800% | 5.2 63% | 6.2 94% | 12.6 294% | 17.3 441% | |
| WLAN (h) | 2.4 | 11.9 396% | 3.6 50% | 4.6 92% | 5.1 113% | 5.2 117% | 7.2 200% | |
| Last (h) | 1 | 3 200% | 4.1 310% | 1.9 90% | 0.9 -10% | 2.5 150% | 1.8 80% | |
| WLAN (alt) (h) | 11.3 | 4 |
Pro
Contra
Fazit
MSI ist auf Gaming-Hardware und -Notebooks spezialisiert. Daher ist es verständlich, dass die neue auf Business ausgerichtete Prestige-Serie viele Einflüsse von der erfolgreichen Gaming-Serie aufweist. Das PX60 ist allerdings keine Neuentwicklung: Der Hersteller hat im Wesentlichen nur das GS60 umbenannt und für professionelle Business-Kunden angeboten.
Langlebigkeit und Qualität können nicht mit geeigneten Business-Geräten wie der Latitude-E- oder der ThinkPad-T-Serie mithalten. Business-User werden die großen Abmessungen (Länge x Breite), das andauernde Lüftergeräusch und die beschränkten Anschlussmöglichkeiten nicht mögen. Die kurze Akkulaufzeit wird vermutlich für viele Interessenten ein Ausschlusskriterium ein. Die Audioqualität ist zwar gut, doch das ist für Business-User nicht wichtig. Sollte Sie das schlanke Profil ansprechen, so ist das MacBook Pro 15 oder das XPS 15 insgesamt die bessere Wahl.
Die wenigen aussöhnenden Qualitäten des PX60 sind seine ausgezeichnete Leistung und der Bildschirm. Es gibt keine Throttling-Probleme beim Gaming und die GPU ist leistungsstärker als bei den meisten beliebten Business-Notebooks, was für Nutzer, die mehr Grafikleistung für ihre Arbeit benötigen, praktisch sein kann. Farben und Graustufen sind ohne Kalibrierung sehr genau. Bewertet als Multimedia-Notebook hätte das PX60 übrigens 83% erreicht, den guten Leistungsreserven und dem passablen Bildschirm sei Dank.
MSI wird sich mehr Mühe geben müssen, wenn man ernsthaft in den Business-Sektor einbrechen will. Statt sich bei der eigenen G-Serie Inspirationen zu holen, sollte sich der Hersteller besser Anleihen von der ZBook- oder der ThinkPad-Familie nehmen, um seine wachsende Prestige-Produktlinie zu verbessern.
MSI PX60 QD-034US
- 31.03.2016 v5 (old)
Allen Ngo
Erfahren Sie hier mehr über die Änderungen der neuen Bewertung mit Version 5


































































