Test Toshiba Portégé Z30t-B1320W10 Notebook

Die Geräte aus Toshibas Portégé Baureihe sind die ultramobilen High-End-Geräte des Herstellers. Mit leichten (jedoch zumeist stabilen) Metallgehäusen, schnellen Komponenten und Business Features (wie dem auffälligen VGA-Anschluss, der schon seit Ewigkeiten auf der linken Seite zu sein scheint) soll das Notebook mit anderen Geräten wie den ThinkPads von Lenovo, den Latitudes von Dell oder auch den EliteBooks von HP konkurrieren.
Wie auch bei diesen Geräten ist das Design des Z30t eher konservativ, richtig große Veränderungen gibt es nicht. Daher hat sich das grundlegende Erscheinungsbild des Z30t (und der Schwestermodelle) seit mehreren Jahren kaum verändert. Wir werden auf diese Punkte natürlich auch eingehen, wollen uns aber primär mit den aufgefrischten Komponenten und deren Leistung beschäftigen. Weitere Informationen zu dem Gehäuse und den Komponenten stehen auch in dem aktuellen Testbericht des Z30 zur Verfügung.
Die neueste Auflage der 13 Zoll großen Z30 Modelle verwendet Intel-Broadwell-Prozessoren, angefangen beim Core i3-5015U bis hin zum i7-5600U, in Kombination mit Solid State Drives (128-512 GB). Der letzte Buchstabe unseres Testmodells Z30t weist zudem auf einen Touchscreen hin. Diese Modelle sind allerdings nicht über Toshiba, sondern nur über Händler erhältlich. Unsere Testkonfiguration ist mit folgenden Komponenten ausgestattet: Core i7-5600U, 8-GB-RAM, 256-GB-SSD sowie ein 1080p-Touchscreen. Kann das Gerät seinen Preis von 1.630 US-Dollar rechtfertigen?
Kommunikation
Das Portégé Z30t nutzt den beliebten Dual Band Wireless-AC 7265 WLAN-Adapter (2x2) von Intel, der Transferraten von bis zu 867 Mbit/s erreicht und zudem die Bluetooth-4.0-Funktionalität zur Verfügung stellt. Wir sind in unserem Test einmal auf ein Problem mit der Verbindung gestoßen, welches durch ein simples Treiber-Update auf Version 18.21.0.2 aber dauerhaft behoben werden konnte.
Um die Business-Orientierung des Portégé zu unterstreichen, gibt es ebenfalls einen Gigabit-Ethernet-Adapter. Dieser wurde gut auf der rechten Seite des Z30t untergebracht, wo er schon immer zu finden war.
Zubehör
Das Z30t wird mit einem kleinen Netzteil (232 Gramm) und einem Mikrofasertuch ausgeliefert, um die Fingerabdrücke auf dem Touchscreen in den Griff zu bekommen.
Wartung und Garantie
Der Garantiezeitraum von 36 Monaten orientiert sich erneut an den Konkurrenten wie Lenovo oder Dell. Allerdings beinhaltet das keinen Vor-Ort-Service, und Toshiba weist explizit darauf hin, dass Schäden durch den Austausch von defekten Teilen oder durch Upgrades nicht abgedeckt werden. Dazu kommt noch, dass die Demontage des Unterbodens unnötig kompliziert ist, denn drei Schrauben befinden sich unter Gummifüßen.
Display
Unser aktueller Testbericht (auf den wir bisher referenziert haben) behandelt das Z30, dem ein Touchscreen fehlt und das ein gewöhnliches (und ziemlich enttäuschendes) 768p-Display nutzt. Unser heutiges Z30t-B1320 ähnelt in dieser Beziehung eher dem Portégé Z30t-A-10X, welches wir vor fast 1,5 Jahren getestet haben. Beide Geräte verwenden auch das gleiche TOS508F Panel von Toshiba. Es handelt sich um einen 13,3 Zoll großen IPS-Touchscreen mit der Full-HD-Auflösung von 1.920 x 1.080 Pixeln mit einem zusätzlichen Diffusionsfilter. Das Ergebnis ist ein nicht komplett entspiegelter Bildschirm, der die Empfindlichkeit und Vielseitigkeit eines normalen Touchscreens aufweist, gleichzeitig aber nicht so viele Reflexionen produziert. Es ist aber nicht alles gut: Das Ergebnis ist ein körniger und funkelnder Schleier über dem eigentlichen Display, was den Bildeindruck beeinträchtigt.
Bei den Farben hinterlässt das Panel aber dennoch einen guten Eindruck. Dank der 1080p-Auflösung steht mehr als genug Arbeitsfläche auf dem 13,3-Zoll-Display (166 ppi) zur Verfügung, ohne auf einen energiehungrigen und überflüssigen 4K-Bildschirm setzen zu müssen, dem wir mittlerweile oft begegnen.
| |||||||||||||||||||||||||
Ausleuchtung: 90 %
Helligkeit Akku: 296.1 cd/m²
Kontrast: 961:1 (Schwarzwert: 0.308 cd/m²)
ΔE ColorChecker Calman: 3 | ∀{0.5-29.43 Ø4.74}
ΔE Greyscale Calman: 1.61 | ∀{0.09-98 Ø4.98}
96.57% sRGB (Argyll 1.6.3 3D)
62.37% AdobeRGB 1998 (Argyll 1.6.3 3D)
68.9% AdobeRGB 1998 (Argyll 3D)
96.8% sRGB (Argyll 3D)
67.1% Display P3 (Argyll 3D)
Gamma: 2.18
CCT: 6716 K
| Toshiba Portege Z30t-B1320W10 13.3", 1920x1080 | Lenovo ThinkPad X250-20CLS06D00 12.5", 1920x1080 | Lenovo ThinkPad T450s-20BWS03F00 14", 1920x1080 | HP Elitebook Revolve 810 G3 11.6", 1366x768 | Dell Latitude E7450 14", 1920x1080 | |
|---|---|---|---|---|---|
| Display | -33% | -9% | -30% | -3% | |
| Display P3 Coverage (%) | 67.1 | 44.14 -34% | 64.8 -3% | 46.85 -30% | 66.6 -1% |
| sRGB Coverage (%) | 96.8 | 65.8 -32% | 83.8 -13% | 69.1 -29% | 92.4 -5% |
| AdobeRGB 1998 Coverage (%) | 68.9 | 45.71 -34% | 61.2 -11% | 48.42 -30% | 67.7 -2% |
| Response Times | |||||
| Response Time Grey 50% / Grey 80% * (ms) | 59.2 ? | ||||
| Response Time Black / White * (ms) | 50.4 ? | ||||
| PWM Frequency (Hz) | 215.5 | ||||
| Bildschirm | -22% | -20% | -32% | -18% | |
| Helligkeit Bildmitte (cd/m²) | 296.1 | 397 34% | 272 -8% | 322 9% | 280 -5% |
| Brightness (cd/m²) | 284 | 357 26% | 268 -6% | 312 10% | 257 -10% |
| Brightness Distribution (%) | 90 | 81 -10% | 91 1% | 87 -3% | 75 -17% |
| Schwarzwert * (cd/m²) | 0.308 | 0.44 -43% | 0.245 20% | 0.32 -4% | 0.3 3% |
| Kontrast (:1) | 961 | 902 -6% | 1110 16% | 1006 5% | 933 -3% |
| Delta E Colorchecker * | 3 | 4.2 -40% | 4.35 -45% | 5.19 -73% | 3.45 -15% |
| Delta E Graustufen * | 1.61 | 3.1 -93% | 3.7 -130% | 4.36 -171% | 3.35 -108% |
| Gamma | 2.18 101% | 2.6 85% | 2.68 82% | 2.26 97% | 2.37 93% |
| CCT | 6716 97% | 6246 104% | 6076 107% | 5985 109% | 6940 94% |
| Farbraum (Prozent von AdobeRGB 1998) (%) | 62.37 | 42 -33% | 54.7 -12% | 44.3 -29% | 60 -4% |
| Color Space (Percent of sRGB) (%) | 96.57 | 65.5 -32% | 83.5 -14% | 92 -5% | |
| Durchschnitt gesamt (Programm / Settings) | -28% /
-25% | -15% /
-17% | -31% /
-31% | -11% /
-14% |
* ... kleinere Werte sind besser
Wir ermitteln eine durchschnittliche Helligkeit von 284 cd/m² und eine gute Ausleuchtung von 90 %. Die Ergebnisse liegen auf dem Niveau von vielen Konkurrenten, und die Helligkeit ist für viele Situationen ausreichend, wenn man von extrem hellen Umgebungen absieht (vor allem im Freien). Auch das Kontrastverhältnis liegt dank dem Schwarzwert von 0,29 cd/m² bei guten 961:1.
Das Panel kann beinahe den gesamten sRGB-Farbraum (97 %) und 62 % des AdobeRGB-1998-Standards abdecken. Lediglich sehr anspruchsvolle Nutzer benötigen noch eine bessere Abdeckung; es reicht vollkommen aus, um lebendige, kräftige Farben und ein ansprechendes Bild zu erzeugen.
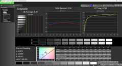
Unsere weiteren Messungen mit einen X-Rite-Spektralfotometer zeigen im Vergleich zum zuvor erwähnten Z30t-A-10X eine deutlich bessere Kalibrierung ab Werk, obwohl die beiden Geräte das gleiche Panel nutzen. Die DeltaE-Abweichungen für die Graustufen und Farben liegen bei 1,61 bzw. 3, und der Gamma-Wert ist mit 2,18 beinahe perfekt. Beim Z30t-A-10X waren die Abweichungen mit 7,79 (Graustufen), 5,64 (ColorChecker) und 2,48 (Gamma) noch deutlich höher.
Wir konnten beim Testgerät PWM bei Helligkeitsstufe 2/10 und darunter feststellen. Weitere Informationen zu PWM-Flackern und den Reaktionszeiten des Displays sind in den nachfolgenden Boxen ersichtlich.
Reaktionszeiten (Response Times) des Displays
| ↔ Reaktionszeiten Schwarz zu Weiß | ||
|---|---|---|
| 50.4 ms ... steigend ↗ und fallend ↘ kombiniert | ↗ 11.6 ms steigend | |
| ↘ 38.8 ms fallend | ||
| Die gemessenen Reaktionszeiten sind langsam und dadurch für viele Spieler wahrscheinlich zu langsam. Im Vergleich rangierten die bei uns getesteten Geräte von 0.1 (Minimum) zu 240 (Maximum) ms. » 99 % aller Screens waren schneller als der getestete. Daher sind die gemessenen Reaktionszeiten schlechter als der Durchschnitt aller vermessenen Geräte (19.9 ms). | ||
| ↔ Reaktionszeiten 50% Grau zu 80% Grau | ||
| 59.2 ms ... steigend ↗ und fallend ↘ kombiniert | ↗ 24.4 ms steigend | |
| ↘ 34.8 ms fallend | ||
| Die gemessenen Reaktionszeiten sind langsam und dadurch für viele Spieler wahrscheinlich zu langsam. Im Vergleich rangierten die bei uns getesteten Geräte von 0.165 (Minimum) zu 636 (Maximum) ms. » 95 % aller Screens waren schneller als der getestete. Daher sind die gemessenen Reaktionszeiten schlechter als der Durchschnitt aller vermessenen Geräte (31.2 ms). | ||
Bildschirm-Flackern / PWM (Pulse-Width Modulation)
| Flackern / PWM festgestellt | 215.5 Hz | ||
Das Display flackert mit 215.5 Hz (im schlimmsten Fall, eventuell durch Pulsweitenmodulation PWM) . Die Frequenz von 215.5 Hz ist relativ gering und daher sollte es bei sensiblen Personen zu Problemen wie Flackern oder Augenbeschwerden führen. Im Vergleich: 52 % aller getesteten Geräte nutzten kein PWM um die Helligkeit zu reduzieren. Wenn PWM eingesetzt wurde, dann bei einer Frequenz von durchschnittlich 7873 (Minimum 5, Maximum 343500) Hz. | |||
Im Freien hat das Panel Probleme, wenn man sich nicht im Schatten aufhält. Das liegt an der Helligkeit, die zwar ordentlich, aber nicht überwältigend ist. Zudem ist das Display nicht komplett matt. Die Blickwinkel liegen IPS-typisch auf einem guten Niveau – auch wenn der Anti-Glare-Filter die Helligkeit bei moderaten Abweichungen etwas beeinflusst.
Leistung
Die aktualisierten Toshiba Portégé-Z30-Modelle verwenden ausschließlich Intel-Broadwell-CPUs mit einer TDP von 15 Watt. Bei dem Arbeitsspeicher gibt es Modelle mit 4 GB und 8 GB (8 GB + Dual-Channel optional) und maximal 16 GB DDR3L-1600 MHz. Toshiba betont auf der Produktseite, dass der Speicher nicht durch den Nutzer aufgerüstet werden kann (Factory-installed only), was sich vermutlich auf die zuvor beschriebenen Einschränkungen bei der Wartung bezieht. Denn wie man auf unseren Fotos sieht, lässt sich der Arbeitsspeicher sehr wohl aufrüsten, und es gab sogar einen leeren Speicherplatz. Ein weiteres Problem ist, dass man das Toshiba Z30t überhaupt nicht konfigurieren kann; es gibt lediglich die vorkonfigurierten Modelle, zu denen auch unser Testgerät gehört.
Falls man das Gerät aufrüsten möchte, reduziert sich allerdings der Garantiezeitraum von 3 auf 1 Jahr; gegen eine erhebliche Gebühr (aktuell 129 US-Dollar) lässt sich das aber ändern.
Ein 3DMark-11-Durchlauf im Akkubetrieb brachte keinen deutlichen Leistungsabfall (1.196 vs. 1.220 Punkte im Netzbetrieb). LatencyMon zeigt mögliche Probleme bei der Verwendung von Echtzeit-Audio-Anwendungen oder anderen Aufgaben (siehe Screenshot).
Prozessor
Das Portégé Z30 kann mit verschiedenen CPUs ausgestattet werden, angefangen beim Einstiegsmodell Core i3-5015U bis hin zu dem Core i7-5600U in unserem Testgerät. Wie zuvor erwähnt haben alle diese CPUs eine TDP von 15 Watt. Der größte Vorteil ist die Effizienz, allerdings ist auch die Leistung gegenüber den Haswell Modellen gestiegen. Unser i7-5600U ist eine Dual-Core-ULV-CPU mit einem Takt zwischen 2,6-3,2 GHz (2 Kerne: 3,1 GHz). Weitere Informationen zu diesem Prozessor sind in unserer Technik-Sektion verfügbar.
Im Vergleich zu anderen Notebooks mit dieser CPU schlägt sich das Portégé ziemlich gut. Cinebench R15 Multi (64 Bit) ermittelt 296 Punkte und liegt damit auf dem Niveau von Konkurrenten wie dem ThinkPad X250 (301), ThinkPad T450s (302) und Elitebook Revolve 810 G3 (289). In wPrime 1024m hat das Portégé mit 482 Sekunden allerdings einen Vorsprung gegenüber dem ThinkPad X250 und T450s (534 und 525) – in superPi 32M sind die Geräte aber wieder auf einem ähnlichen Level: 636 Sekunden vs. 631 und 617 der ThinkPads.
Insgesamt ist das Portégé also schnell genug für alltägliche Aufgaben und bricht auch bei anspruchsvollen Anwendungen nicht ein.
| Cinebench R10 | |
| Rendering Single CPUs 64Bit (nach Ergebnis sortieren) | |
| Toshiba Portege Z30t-B1320W10 | |
| Lenovo ThinkPad X250-20CLS06D00 | |
| Lenovo ThinkPad T450s-20BWS03F00 | |
| Dell Latitude E7450 | |
| Rendering Multiple CPUs 64Bit (nach Ergebnis sortieren) | |
| Toshiba Portege Z30t-B1320W10 | |
| Lenovo ThinkPad X250-20CLS06D00 | |
| Lenovo ThinkPad T450s-20BWS03F00 | |
| Dell Latitude E7450 | |
System Performance
Besonders interessiert uns bei Business-Geräten die generelle Leistung, denn ein schnell ansprechendes System ist im typischen Büro-Alltag in der Regel wichtiger als die reine Prozessorleistung. Auch hier schlägt sich das Portégé Z30t mit 4.330 Punkten im PCMark 8 Work Accelerated v2 und 4.966 Punkten im PCMark 7 sehr gut. Das PCMark-8-Ergebnis befindet sich nur knapp hinter denen der Konkurrenten (siehe auch Tabelle), während das Portégé im PCMark 7 zwischen 3-7 % vor den anderen Geräten liegt (das EliteBook Revolve ist mit 5.322 Punkten unterdessen 7 % vorn). Das Dell Latitude E7450 ist hier die einzige Ausnahme und wird durch die geringe Schreibleistung seiner Samsung PM851-SSD eingeschränkt.
Nichtsdestotrotz sind das alles gute Ergebnisse. Keines dieser Geräte wird im Büro-Alltag enttäuschen, egal wie anspruchsvoll die Anwendung auch ist.
| PCMark 7 - Score (nach Ergebnis sortieren) | |
| Toshiba Portege Z30t-B1320W10 | |
| Lenovo ThinkPad X250-20CLS06D00 | |
| Lenovo ThinkPad T450s-20BWS03F00 | |
| HP Elitebook Revolve 810 G3 | |
| Dell Latitude E7450 | |
| PCMark 7 Score | 4966 Punkte | |
| PCMark 8 Home Score Accelerated v2 | 3062 Punkte | |
| PCMark 8 Creative Score Accelerated v2 | 3716 Punkte | |
| PCMark 8 Work Score Accelerated v2 | 4330 Punkte | |
Hilfe | ||
Massenspeicher
Alle Portégé Z30 Notebooks werden mit SSDs ausgeliefert, was wir sehr begrüßen. Die Kapazität reicht dabei von 128 GB bis 512 GB, die Aufpreise für die höheren Kapazitäten sind allerdings ziemlich hoch. Unser Modell ist mit einer 256 GB großen Toshiba THNSNJ256GMCU ausgerüstet, die sehr gute sequentielle Lese- und Schreibwerte von mehr als 500 bzw. 450 MB/s erreicht. Weitere Ergebnisse sind in der nachfolgenden Tabelle aufgelistet.
Wie schon beim Arbeitsspeicher lässt sich auch die SSD austauschen. Wie bereits erwähnt ist die Demontage aufgrund der drei versteckten Schrauben unter den Gummifüßen aber recht kniffelig.
Grafikkarte
Über die integrierte Grafikkarte des Toshiba Z30t, die Intel HD Graphics 5500, haben wir bereits sehr oft berichtet. Weitere Informationen stehen in unserer Technik-Sektion zur Verfügung.
Die Ergebnisse im Vergleich zu identisch ausgestatteten Geräten sind gemischt. Das Portégé schlägt sich im 3DMark 11 ganz gut (1.220 Punkte), fällt im 3DMark 2013 aber um rund 10-20 % gegenüber dem T450s und Elitebook Revolve 810 G3 zurück. Die vollständigen Ergebnisse finden Sie in der nachfolgenden Tabelle.
| 3DMark 06 Standard Score | 6548 Punkte | |
| 3DMark 11 Performance | 1220 Punkte | |
| 3DMark Ice Storm Standard Score | 45426 Punkte | |
| 3DMark Cloud Gate Standard Score | 5008 Punkte | |
| 3DMark Fire Strike Score | 644 Punkte | |
| 3DMark Fire Strike Extreme Score | 291 Punkte | |
Hilfe | ||
| 3DMark 11 - 1280x720 Performance (nach Ergebnis sortieren) | |
| Toshiba Portege Z30t-B1320W10 | |
| Lenovo ThinkPad X250-20CLS06D00 | |
| Lenovo ThinkPad T450s-20BWS03F00 | |
| HP Elitebook Revolve 810 G3 | |
| Dell Latitude E7450 | |
| min. | mittel | hoch | max. | |
|---|---|---|---|---|
| BioShock Infinite (2013) | 33.74 | 19.5 | 15.81 | 8.98 |
Emissionen
Geräuschemissionen
Das Portégé Z30t ist mit durchschnittlich 30,3 dB(A) im Leerlauf und 35,6 dB(A) unter Last kein wirklich lautes Notebook. Es ist aber dennoch etwas lauter als die Konkurrenten, die im Leerlauf eher in Richtung 29 dB(A) tendieren. Unter Last sind die Ergebnisse eher gemischt. Das Latitude E7450 ist mit 36,4 dB(A) minimal lauter, die restlichen Vergleichsgeräte liegen aber entweder auf dem gleichen Niveau oder sind einige Dezibel leiser. Der Lüfter produziert ein recht hochfrequentes Geräusch und könnte empfindliche Nutzer bei höheren Drehzahlen durchaus stören.
| Toshiba Portege Z30t-B1320W10 HD Graphics 5500, 5600U, Toshiba THNSNJ256GMCU | Lenovo ThinkPad X250-20CLS06D00 HD Graphics 5500, 5600U, Intel SSD Pro 2500 Series SSDSC2BF360A5L | Lenovo ThinkPad T450s-20BWS03F00 HD Graphics 5500, 5600U, Intel SSD Pro 2500 Series SSDSC2BF360A5L | HP Elitebook Revolve 810 G3 HD Graphics 5500, 5600U, Samsung SSD PM851 256 GB MZNTE256HMHP | Dell Latitude E7450 HD Graphics 5500, 5300U, Samsung SSD PM851 mSATA 128 GB | |
|---|---|---|---|---|---|
| Geräuschentwicklung | 6% | 6% | 4% | 2% | |
| Idle min * (dB) | 30.2 | 29 4% | 29.1 4% | 29.1 4% | 29.1 4% |
| Idle avg * (dB) | 30.3 | 29 4% | 29.1 4% | 29.1 4% | 29.1 4% |
| Idle max * (dB) | 32.2 | 30.3 6% | 29.1 10% | 29.1 10% | 30 7% |
| Last avg * (dB) | 35.6 | 33.4 6% | 34.3 4% | 35.6 -0% | 36.4 -2% |
| Last max * (dB) | 37.6 | 33.7 10% | 34.8 7% | 37.2 1% | 37.8 -1% |
* ... kleinere Werte sind besser
Lautstärkediagramm
| Idle |
| 30.2 / 30.3 / 32.2 dB(A) |
| Last |
| 35.6 / 37.6 dB(A) |
![]() | ||
30 dB leise 40 dB(A) deutlich hörbar 50 dB(A) störend |
||
min: | ||
Temperatur
Die Temperaturen sind hingegen überhaupt gar kein Problem. Wir konnten im Leerlauf durchschnittlich 22,4 °C und 23,4 °C auf der Ober- bzw. Unterseite messen. Unter Last waren es 27 °C und 26,1 °C. Selbst wenn man die Raumtemperatur von 19 °C berücksichtigt, fallen die Werte sehr niedrig aus. Es gab auch keine Stelle, die sich auf mehr als 34,4 °C erwärmte (Mitte oben). Auf der Unterseite lag das Maximum sogar nur bei 31,8 °C – beeindruckend. Toshiba bewirbt eine hocheffiziente Kühlung, was wir aufgrund unserer Messungen bestätigen können.
(+) Die maximale Temperatur auf der Oberseite ist 34.4 °C. Im Vergleich liegt der Klassendurchschnitt bei 35.9 °C (von 21.4 bis 59 °C für die Klasse Subnotebook).
(+) Auf der Unterseite messen wir eine maximalen Wert von 31.8 °C (im Vergleich zum Durchschnitt von 39.2 °C).
(+) Ohne Last messen wir eine durchschnittliche Temperatur von 22.4 °C auf der Oberseite. Der Klassendurchschnitt erreicht 30.8 °C.
(+) Die Handballen und der Touchpad-Bereich sind mit gemessenen 22.6 °C kühler als die typische Hauttemperatur und fühlen sich dadurch kühl an.
(+) Die durchschnittliche Handballen-Temperatur anderer getesteter Geräte war 28.2 °C (+5.6 °C).
Stresstest
Bei unserem Stresstest für den Prozessor kann das Portégé Z30t in der Regel einen Takt von 2,9 GHz (beide Kerne) aufrechterhalten, allerdings fällt einer der beiden Kerne ab und an auf nur noch 2,6 GHz (der andere bleibt bei 2,9 GHz), um innerhalb der TDP-Begrenzung zu bleiben. Diese Werte liegen unter dem maximalen Turbo-Takt von 3,1 GHz, den das Z30t nicht erreicht. Das liegt aber an der TDP und nicht an den Temperaturen, denn der Chip erreicht maximal 75 °C, und auch die Gehäusetemperaturen werden niemals unangenehm.
Während des Stresstests für die GPU treibt die integrierte Grafikkarte den Energieverbrauch des Prozessors für einen kurzen Moment auf beinahe 20 Watt (dabei liegt der Takt bei 950 MHz), um kurz darauf von der TDP eingebremst zu werden, wobei der Takt auf 800 MHz fällt. Die Temperaturen sind mit maximal 72 °C erneut unproblematisch.
Erwartungsgemäß bricht die Leistung bei gleichzeitiger Belastung der Komponenten unmittelbar ein, was erneut an der TDP liegt. Die GPU wird mit einem Takt von 750 MHz bevorzugt behandelt, während sich die CPU bei konstanten 1,5 GHz für beide Kernen einpendelt. Die Temperatur überschreitet dabei niemals den Wert von 72 °C. Dieses Verhalten ändert sich auch im Akkubetrieb nicht, um die Leistung muss man sich also auch abseits der Steckdose keine Sorgen machen.
Lautsprecher
Ein Bereich, in dem das Portégé strauchelt, sind die Lautsprecher. Für ein Mittelklasse-Business-Gerät ist der Klang ausreichend, aber die Module sind winzig. Daher ist das Ergebnis erwartungsgemäß sehr höhenlastig, und Bass ist überhaupt nicht vorhanden. Die Software DTS Studio Sound kann hier ein wenig helfen, im direkten Vergleich mit dem Dell Latitude E7450 (dessen Klang trotz der kleinen Lautsprecher überraschend gut ist) hat das Toshiba aber klar das Nachsehen.


Akkulaufzeit
Große Fortschritte gegenüber den Vorgängern können wir beim Portégé Z30t nicht erkennen, aber glücklicherweise waren die Akkulaufzeiten auch beiden älteren Modellen schon ziemlich gut. Das Haswell Z30t-A-10X (mit dem gleichen Panel) hielt im Leerlauf knapp 20 Stunden durch, während das neue Z30t-B1320 rund eine Stunde länger läuft (20:40 h). Die Laufzeit unter Last hat sich auf 1:59 h verringert, allerdings wurde das Ergebnis des Z30t-A-10X auch durch starkes Throttling begünstigt.
Unser WLAN-Test wurde seit dem Testbericht des 2014er-Modells verschärft. Das Z30t-B1320 schafft im neuen WLAN-Test v1.3 sehr gute 7 Stunden und 46 Minuten. Das Ergebnis lässt sich aufgrund der unterschiedlichen Testmethoden nicht direkt mit dem Z30t-A-10X vergleichen, aber das gilt nicht für die neueren Vergleichsmodelle. Hierbei schneidet das Toshiba sehr gut ab, lediglich das HP Elitebook Revolve 810 G3 und das Dell XPS 13-9350 sind ähnlich gut aufgestellt. Falls der Touchscreen nur eine untergeordnete Rolle spielt, sollte man sich auch das Satellite Z30-B-100 ansehen. Abgesehen von dem etwas schwächeren i5-Prozessor und dem 768p-Display ist die Ausstattung beinahe identisch, allerdings schafft es unter gleichen Bedingungen mehr als 12 Stunden, also 4 Stunden mehr.
| Toshiba Portege Z30t-B1320W10 HD Graphics 5500, 5600U, Toshiba THNSNJ256GMCU | Lenovo ThinkPad X250-20CLS06D00 HD Graphics 5500, 5600U, Intel SSD Pro 2500 Series SSDSC2BF360A5L | Lenovo ThinkPad T450s-20BWS03F00 HD Graphics 5500, 5600U, Intel SSD Pro 2500 Series SSDSC2BF360A5L | HP Elitebook Revolve 810 G3 HD Graphics 5500, 5600U, Samsung SSD PM851 256 GB MZNTE256HMHP | Dell Latitude E7450 HD Graphics 5500, 5300U, Samsung SSD PM851 mSATA 128 GB | Dell XPS 13-9350 HD Graphics 520, 6200U, Samsung PM951 NVMe MZ-VLV256D | |
|---|---|---|---|---|---|---|
| Akkulaufzeit | -33% | -35% | -3% | -19% | -5% | |
| Idle (h) | 20.7 | 13 -37% | 12.9 -38% | 18.4 -11% | 11.9 -43% | 13 -37% |
| WLAN (h) | 7.8 | 5 -36% | 4.6 -41% | 8.3 6% | 7 -10% | 7.5 -4% |
| Last (h) | 2 | 1.5 -25% | 1.5 -25% | 1.9 -5% | 1.9 -5% | 2.5 25% |
| H.264 (h) | 5.7 | 5.4 | 7.1 | 7.5 | ||
| WLAN (alt) (h) | 5.4 | 5.6 | 7.7 |
Pro
Contra
Fazit
Zwei Jahre sind in diesem Segment eine Ewigkeit, und während dieser Zeit haben wir bei den mobilen High-End-Geräten von Toshiba keine großen Veränderungen beobachten können. Trotz dem alternden Gehäuse ist das Z30t-B1320 mit 1,33 kg aber dennoch ausreichend mobil – und dank der cleveren Konstruktion aus einer Magnesiumlegierung und der guten Anschlussausstattung müssen wir uns nur noch die internen Komponenten ansehen.
Dank dem Update auf den Broadwell Chipsatz handelt es sich um das bisher beste Z30. Auf Grund der guten Systemleistung, der langen Akkulaufzeiten und der niedrigen Gehäusetemperaturen (mit einem praktisch platzierten Lüfter und der effektiven Kühlung) handelt es sich um ein überaus fähiges Gerät. Auch die Eingabegeräte hinterlassen einen ordentlichen Eindruck, und der Bildschirm bietet gute Farben, eine angemesse Auflösung sowie gute Werte bei Helligkeit und Kontrast.
Es gibt aber auch einige Schwächen. Dazu zählt beispielsweise der Touchscreen, der zwar auch seine Vorteile hat, dessen Bildqualität aber durch den spiegelnden Diffusionsfilter (der zu einer semi-matten Oberfläche führt) beeinträchtigt wird. Die Gehäusestabilität kann größtenteils überzeugen, allerdings ist der Deckel ziemlich wackelig und lässt sich leicht verwinden. Die Wartung ist immer noch lächerlich eingeschränkt, denn einige Schrauben sind unter den Gummifüßen versteckt, was gerade für ein Business-Gerät ein No-Go ist. Abschließend sind auch die Lautsprecher mit dem höhenlastigen und drucklosen Klang einigen Konkurrenten unterlegen.
Mittlerweile gibt es für das Z30t auch noch mehr Konkurrenten. Dells Latitude-7000-Baureihe und die ThinkPads von Lenovo haben bei den Eingabegeräten immer noch Vorteile, und auch die Gehäuse erscheinen stabiler – ganz zu schweigen von den besseren Wartungsmöglichkeiten. Die EliteBooks von HP sind zwar teuer, können den Preis aber auch rechtfertigen. Selbst einige Consumer-Geräte wie das sehr gute XPS 13 haben trotz der fehlenden Anschlüsse für Ethernet und Docking-Stationen ihren Weg in einige Büros gefunden.
Das Portégé Z30t ist aber nach wie vor eine solide Wahl, die sich trotz der alternden Konstruktion weiterhin mit den Konkurrenten messen kann.
Toshiba Portege Z30t-B1320W10
- 11.01.2016 v4.1 (old)
Steve Schardein



































































