Test Xiaomi Poco C40 Smartphone – Langsames Handy hält lange durch
Xiaomis Poco-Serie ist ohnehin für seine günstigen Geräte mit tollem Preis-Leistungs-Verhältnis bekannt, die C-Serie beinhaltet innerhalb der Submarke nochmals die preiswertesten Phones.
Bisher gibt es in der Serie nur wenige Handys, das Poco C40 hat es nun auch nach Europa geschafft: Es kostet deutlich unter 200 Euro und kommt mit einem exotischen SoC, das erst auf den zweiten Blick enthüllt, welcher bekannte Hersteller dahinter steckt. Spektakulär wirken auf den ersten Blick in dieser Preisklasse der große Akku und die zumindest etwas flottere Ladetechnik.
Im Test betrachten wir das Phone in allen Aspekten und sehen uns an, ob es für den Alltag taugt.
mögliche Konkurrenten im Vergleich
Bew. | Datum | Modell | Gewicht | Laufwerk | Größe | Auflösung | Preis ab |
|---|---|---|---|---|---|---|---|
| 74.4 % v7 (old) | 11 / 2022 | Xiaomi Poco C40 JR510, Mali-G52 MP1 | 204 g | 32 GB eMMC Flash | 6.71" | 1650x720 | |
| 76.6 % v7 (old) | 07 / 2022 | Xiaomi Redmi 10C SD 680, Adreno 610 | 190 g | 64 GB UFS 2.2 Flash | 6.71" | 1650x720 | |
| 74.7 % v7 (old) | 10 / 2022 | Samsung Galaxy A04s Exynos 850, Mali-G52 MP1 | 195 g | 32 GB eMMC Flash | 6.50" | 1600x720 | |
| 75.1 % v7 (old) | 05 / 2022 | Motorola Moto G22 Helio G37, PowerVR GE8320 | 185 g | 64 GB eMMC Flash | 6.50" | 1600x720 | |
| 78.5 % v7 (old) | 03 / 2022 | Nokia G21 T7200 (T606), Mali-G57 MP1 | 190 g | 64 GB eMMC Flash | 6.50" | 1600x720 |
Gehäuse – Kunstleder und IP-Zertifizierung
Das Poco C40 gibt es in drei Farbvarianten: Unser Testgerät erhalten wir in Dunkelgrau, Mintgrün und Gelb sind ebenfalls erhältlich, somit kommen auch Freunde auffälligerer Farben auf ihre Kosten.
Die Rückseite ist mit einer Kunstlederstruktur versehen, welche auch die Haptik des ansonsten recht einfachen Kunststoffs etwas aufwertet. Das Kameramodul und der Fingerabdrucksensor finden sich in einer großen, schwarzen Einheit, die das obere Viertel der Smartphonerückseite einnimmt und das Licht bricht.
Das Chassis lässt sich an vielen Stellen etwas eindrücken, wirkt aber insgesamt stabil. Die Materialübergänge sind deutlich spürbar, aber sauber verarbeitet. Aufgrund des großen Akkus muss man beim Poco C40 etwas mehr Gewicht in Kauf nehmen als bei anderen Handys der Preisklasse.
Der Hersteller wirbt mit einer IP52-Zertifizierung, diese verspricht allerdings nur einen recht guten Schutz vor Staub und Spritzwasser, man sollte das Handy also nicht ins Wasser mitnehmen.
Ausstattung – Leider kein NFC
Das Poco C40 ist in zwei Speichervarianten verfügbar, wir geben auch den Herstellerpreis an:
- 32 GB Massenspeicher / 3 GB RAM: 169,90 Euro
- 64 GB Massenspeicher / 4 GB RAM: 189,90 Euro
Wie bei günstigen Phones üblich, gibt es noch einen 3,5mm-Audioport für den Anschluss von Kopfhörern oder anderen Audiogeräten. Schön auch, dass Xiaomi auf einen USB-C-Port setzt und so zur Vereinheitlichung der Anschlüsse beiträgt, das ist noch nicht bei allen Herstellern im günstigen Segment üblich.
Wer gerne mit dem Handy bezahlt, der schaut beim Poco C40 allerdings in die Röhre: Ein NFC-Modul ist nicht verbaut und somit sind auch mobile Zahldienstleistungen nicht nutzbar.
microSD-Kartenleser
Mithilfe unserer Referenz-microSD-Karte Angelbird V60 überprüfen wir die Geschwindigkeit des Steckplatzes, der übrigens separat von den beiden SIM-Slots ausgeführt ist.
Tatsächlich überträgt der Kartenleser Daten nur recht langsam, das ergeben sowohl unser manueller Kopiertest, als auch der CPDT-Benchmark, wobei bei letzterem die Geschwindigkeiten noch etwas besser sind.
| SD Card Reader - average JPG Copy Test (av. of 3 runs) | |
| Samsung Galaxy A04s (Angelbird V60) | |
| Xiaomi Redmi 10C (Angelbird V60) | |
| Motorola Moto G22 (Angelbird V60) | |
| Nokia G21 (Angelbird V60) | |
| Xiaomi Poco C40 (Angelbird V60) | |
Cross Platform Disk Test (CPDT)
Software – Viel vorinstalliert
Xiaomis MiUI 13 ist auf dem Smartphone vorinstalliert. Trotz des Namens basiert das Betriebssystem nur auf Android 11. Exakte Aussagen, wie lange es Updates geben wird, sind schwer zu finden. Erfahrungsgemäß sollten aber auch günstige Poco-Phones zwei Jahre Sicherheitsupdates und zumindest eine neue Betriebssystemversion bekommen.
Der Hersteller verändert Android stark und installiert viel Software ab Werk. Darunter sind nicht nur Xiaomi-eigene Apps, die weitere Funktionen bieten, sondern auch Werbeapps von Drittanbietern, die den knappen Speicherplatz weiter verkleinern.
Kommunikation – WiFi 5 ist Standard
Mit WiFi 5 als schnellstem möglichen WLAN-Standard ist das Phone auf Klassenniveau und schafft in unserem Test mit dem Referenz-Router Asus ROG Rapture AXE11000 gute Werte um die 350 MBit/s. In Empfangsrichtung allerdings fallen die Werte nach kurzer Zeit ab, sodass hier etwas geringere Übertragungsgeschwindigkeiten erreicht werden.
Das Poco C40 ist ein 4G-Handy, mit schnellen 5G-Netzen kann es also nicht kommunizieren. Die Frequenzvielfalt ist für Europa meist ausreichend, bei weiteren Reisen sollte man aber vorab prüfen, ob man im Zielland das mobile Internet nutzen kann.
Das Ortungsmodul unterstützt die Netzwerke GPS, Galileo, GLONASS und Beidou. Das Unterstützungssystem SBAS für noch höhere Genauigkeit kommt allerdings nicht zum Einsatz. Wir treten mit unserem Testgerät ins Freie und schauen wie schnell und wie exakt wir geortet werden: Die App GPS Test zeigt hier nach kurzer Zeit eine Genauigkeit von 3 Metern an, was bei den meisten Smartphones üblich ist.
Um es noch genauer herauszufinden, schwingen wir uns aufs Fahrrad und drehen eine Runde, wobei wir auch die Garmin Venu 2 als Vergleichsgerät mitnehmen.
Das Poco C40 zeigt dabei einige Schwachstellen: Bei einer plötzlichen Wende aufgrund einer Baustelle ignoriert das Ortungssystem dies einfach und zieht stattdessen eine gerade Linie durch mehrere Grundstücke zum nächsten Ortungspunkt. Zudem beendet das Handy die Ortung zu früh.
Insgesamt ist die Platzierung zwar einigermaßen genau, durch die Aussetzer sollte man sich aber genau überlegen, ob man sich auf das Poco C40 als Navigationsgerät verlassen möchte.
Telefonfunktionen und Sprachqualität
Das Xiaomi Poco C40 nutzt die Google-Telefon-App für Anrufe, die man auch von vielen anderen Android-Phones kennt.
Die Gesprächsqualität ist über den internen Ohrhörer recht gut: Die Stimme des Gegenübers klingt satt und gut verständlich. Auch was wir sagen, wird dem Gesprächspartner klar und deutlich übermittelt, selbst wenn wir leiser sprechen.
Per Lautsprecher und Freisprechmikrofon klingt das Gegenüber dann doch deutlich dünner, unsere Stimme wird aber weiterhin recht gut übertragen. Nur mit Hintergrundgeräuschen hat das Mikrofon so seine Probleme.
Kameras – Einzelkamera macht düstere Bilder
Bei der Hauptkamera des Poco-Smartphones handelt es sich um einen 13-Megapixel-Sensor, dessen Blendenzahl mit f/2.2 recht gering ist, somit gelangt recht wenig Licht zum Sensor. Das merkt man gleich bei der Aufnahme der Blume, die recht düster wirkt.
Bei der Umgebungsaufnahme schafft es der Autofokus nicht, alles scharf zu stellen und Oberflächen wirken schnell fleckig. Bei wenig Licht gibt es kaum Aufhellung und Details gehen schnell in der Unschärfe unter.
Videos lassen sich in 1080p und mit 30 fps aufzeichnen. Die Helligkeitsanpassung funktioniert dabei recht flott und auch der Autofokus reagiert meist exakt und ohne zu pumpen. Die Helligkeit ist aber auch hier nicht sonderlich hoch, sodass man auf gute Lichtverhältnissse achten sollte.
Die Frontkamera zeigt einen deutlichen Blaustich in Fotos und ihr gelingt die Aufhellung trotz guter Lichtverhältnisse nicht so gut. Auch ist schon bei leichter Vergrößerung erkennbar, dass Details nur sehr grob dargestellt werden.
Bildervergleich
Wählen Sie eine Szene und navigieren Sie im ersten Bild. Ein Klick ändert die Position bei Touchscreens. Ein Klick auf die vergrößerten Bilder öffnet das Original in einem neuen Fenster. Das erste Bild zeigt das skalierte Foto, welches mit dem Testgerät aufgenommen wurde.
Hauptkamera BlumeHauptkamera UmgebungHauptkamera Low LightUnter Studiobedingungen wirkt das Zentrum des Testbildes recht gut dargestellt, während die Ränder schnell unscharf werden. Farben werden etwas zu kräftig, aber relativ akkurat dargestellt.
Insgesamt bietet die Kamera einige gute Ansätze, die Bildqualität fällt aber in der Praxis meist unterdurchschnittlich aus, selbst für ein sehr günstiges Phone.


Zubehör und Garantie – Lahmes Ladegerät
In der Packung finden sich neben dem Poco C40 auch ein Ladegerät, ein USB-C-Kabel, ein SIM Tool und die üblichen Schriftstücke.
Beim Charger handelt es sich allerdings nur um ein 10-Watt-Netzteil, das nicht die volle Ladegeschwindigkeit des Phones ausnutzt. Für relativ günstige 15 Euro kann man ein 33-Watt-Netzteil von Xiaomi erwerben.
24 Monate Garantie gewährt Poco auf das Handy, solange es innerhalb der EU erworben wurde.
Eingabegeräte & Bedienung – Gesichter werden nicht erkannt
Der Touchscreen des Smartphones lässt sich zuverlässig bedienen, ist auch in den Ecken empfindlich und bietet dem Finger nur geringen Widerstand. Allerdings handelt es sich um ein 60-Hz-Panel, sodass es sich nicht ganz so reaktiv anfühlt, wie bei anderen Phones der Preisklasse mit schnelleren Bildschirmen.
Per Fingerabdruck kann man das Telefon entsperren, dafür findet sich ein physischer Sensor an der Rückseite schräg unterhalb der Kameras. Er ist mit dem Zeigefinger gut zu erreichen, erkennt einmal eingelesene Finger sehr akkurat, braucht allerdings eine Sekunde, bis das Display tatsächlich entsperrt wird. Per Gesichtserkennung kann man das Telefon nicht entsperren.
Display – Langsam, aber gut hell
Mit seinem 720p-Display erweist sich das Xiaomi Poco C40 als klassenüblich ausgestattet. Gut gefällt uns die einigermaßen gleichmäßige Ausleuchtung des Displays und auch die maximale Helligkeit ist auf ordentlichem Niveau für die Preisklasse.
Es handelt sich bei dem Screen nur um ein 60-Hz-Panel, viele andere Hersteller bieten mittlerweile selbst in der Einsteigerklasse zumindest 90 Hz für einen flüssigeren Bildlauf.
PWM nutzt das Handy nicht, um seine Hintergrundbeleuchtung zu dimmen, sodass auch empfindlichere Naturen den Bildschirm problemlos nutzen können. Die Reaktionszeiten sind allerdings recht langsam.
| |||||||||||||||||||||||||
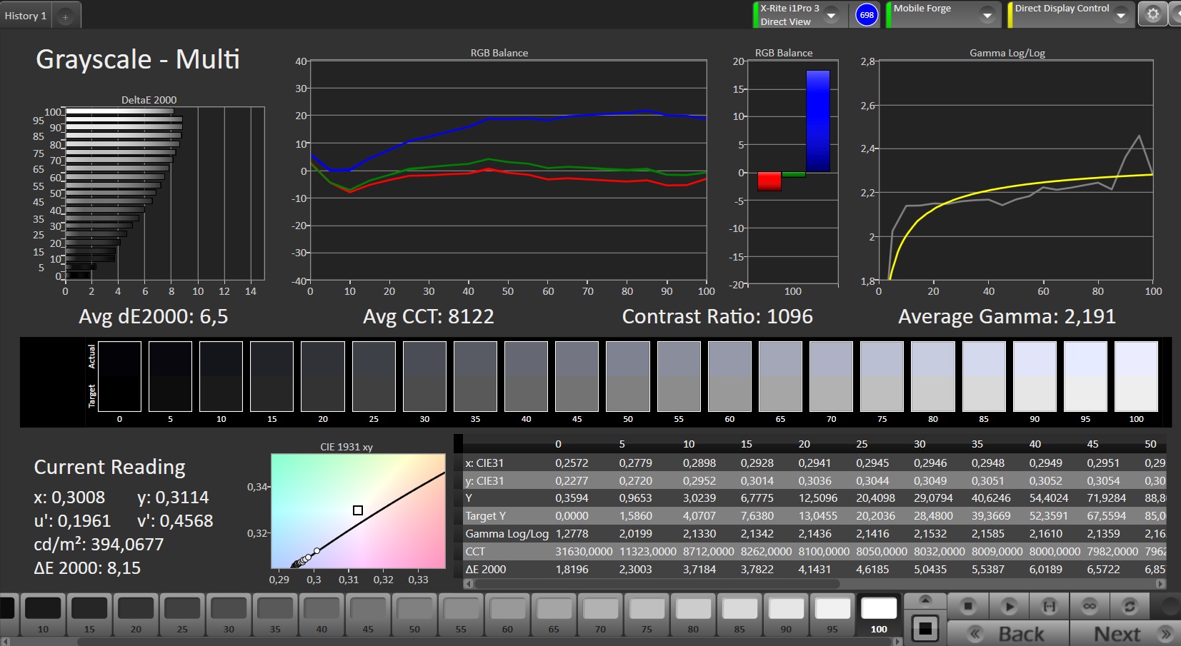
Ausleuchtung: 92 %
Helligkeit Akku: 468 cd/m²
Kontrast: 1170:1 (Schwarzwert: 0.4 cd/m²)
ΔE ColorChecker Calman: 4.53 | ∀{0.5-29.43 Ø4.78}
ΔE Greyscale Calman: 6.5 | ∀{0.09-98 Ø5}
93.1% sRGB (Calman 2D)
Gamma: 2.191
CCT: 8122 K
| Xiaomi Poco C40 IPS, 1650x720, 6.7" | Xiaomi Redmi 10C IPS, 1650x720, 6.7" | Samsung Galaxy A04s PLS, 1600x720, 6.5" | Motorola Moto G22 IPS LCD, 1600x720, 6.5" | Nokia G21 IPS, 1600x720, 6.5" | |
|---|---|---|---|---|---|
| Bildschirm | 25% | 4% | -8% | -8% | |
| Helligkeit Bildmitte (cd/m²) | 468 | 511 9% | 426 -9% | 451 -4% | 492 5% |
| Brightness (cd/m²) | 450 | 478 6% | 390 -13% | 431 -4% | 484 8% |
| Brightness Distribution (%) | 92 | 84 -9% | 84 -9% | 90 -2% | 86 -7% |
| Schwarzwert * (cd/m²) | 0.4 | 0.42 -5% | 0.33 17% | 0.5 -25% | 0.46 -15% |
| Kontrast (:1) | 1170 | 1217 4% | 1291 10% | 902 -23% | 1070 -9% |
| Delta E Colorchecker * | 4.53 | 1.51 67% | 4.39 3% | 5.82 -28% | 6.02 -33% |
| Colorchecker dE 2000 max. * | 8.96 | 2.53 72% | 7.97 11% | 9.3 -4% | 9.13 -2% |
| Delta E Graustufen * | 6.5 | 2.9 55% | 5.1 22% | 5 23% | 7.1 -9% |
| Gamma | 2.191 100% | 2.266 97% | 2.184 101% | 2.776 79% | 2.345 94% |
| CCT | 8122 80% | 6443 101% | 7985 81% | 7683 85% | 8918 73% |
* ... kleinere Werte sind besser
Bildschirm-Flackern / PWM (Pulse-Width Modulation)
| Flackern / PWM nicht festgestellt | |||
Im Vergleich: 53 % aller getesteten Geräte nutzten kein PWM um die Helligkeit zu reduzieren. Wenn PWM eingesetzt wurde, dann bei einer Frequenz von durchschnittlich 8121 (Minimum 5, Maximum 343500) Hz. | |||
Ein deutlicher Blaustich ist bei den Graustufen in unseren Messungen mit der Software CalMAN sichtbar. Besonders hellblaue und grüne Farbtöne werden zu ungenau dargestellt. Insgesamt ergibt sich eine für die Klasse übliche, nicht sonderlich genaue Farbdarstellung, die etwas kühl wirkt.
Reaktionszeiten (Response Times) des Displays
| ↔ Reaktionszeiten Schwarz zu Weiß | ||
|---|---|---|
| 28 ms ... steigend ↗ und fallend ↘ kombiniert | ↗ 13 ms steigend | |
| ↘ 15 ms fallend | ||
| Die gemessenen Reaktionszeiten sind mittelmäßig und dadurch für Spieler eventuell zu langsam. Im Vergleich rangierten die bei uns getesteten Geräte von 0.1 (Minimum) zu 240 (Maximum) ms. » 70 % aller Screens waren schneller als der getestete. Daher sind die gemessenen Reaktionszeiten schlechter als der Durchschnitt aller vermessenen Geräte (20.2 ms). | ||
| ↔ Reaktionszeiten 50% Grau zu 80% Grau | ||
| 40 ms ... steigend ↗ und fallend ↘ kombiniert | ↗ 23 ms steigend | |
| ↘ 17 ms fallend | ||
| Die gemessenen Reaktionszeiten sind langsam und dadurch für viele Spieler wahrscheinlich zu langsam. Im Vergleich rangierten die bei uns getesteten Geräte von 0.165 (Minimum) zu 636 (Maximum) ms. » 60 % aller Screens waren schneller als der getestete. Daher sind die gemessenen Reaktionszeiten schlechter als der Durchschnitt aller vermessenen Geräte (31.6 ms). | ||
Im Freien kann man an bewölkten Tagen noch etwas auf dem Screen erkennen. Sobald die Sonne aber herauskommt, sollte man sich in den Schatten zurückziehen, sonst überwiegen die Spiegelungen auf dem Display.
Die Blickwinkel sind dank IPS-Technologie gut, auch wenn man flach auf den Screen blickt.
Leistung – Frustresistenz vonnöten
Das SoC des Poco C40 kommt vom Hersteller JLQ. Nie gehört? Es handelt sich tatsächlich um ein China-Joint-Venture von Qualcomm zusammen mit anderen Firmen. Das JR510 getaufte SoC erinnert am ehesten an den Snapdragon 439 des amerikanischen Herstellers und ist der unteresten Leistungsklasse zugehörig.
Das merkt man auch schnell im alltäglichen Betrieb: Ständig ruckelt es und man muss warten, selbst wenn die Apps eigentlich gar nicht so anspruchsvoll sind. Einige Benchmarks laufen gar nicht, weil die Grafikeinheit beispielsweise mit der Vulkan-API nicht klarkommt.
Auch der langsame Speicher macht kaum richtig Freude, sondern zögert viele Ladezeiten hinaus und macht das System gefühlt noch langsamer.
Beim Surfen im Internet liegt das Phone auf dem Niveau anderer günstiger Handys, das heißt aber nicht viel: Es dauert selbst bei schnellem Internet, bis Websites aufgebaut sind und auf Bilder muss man oft noch länger warten.
Nur wer also frustresistent ist, wird mit dem Poco C40 und seiner Leistungsfähigkeit im Alltag Spaß haben.
| Antutu v9 - Total Score | |
| Durchschnitt der Klasse Smartphone (99654 - 2056989, n=29, der letzten 2 Jahre) | |
| Samsung Galaxy A04s | |
| Xiaomi Poco C40 | |
| Durchschnittliche JLQ JR510 (n=1) | |
| Motorola Moto G22 | |
| CrossMark - Overall | |
| Durchschnitt der Klasse Smartphone (187 - 2674, n=126, der letzten 2 Jahre) | |
| Xiaomi Poco C40 | |
| Durchschnittliche JLQ JR510 (n=1) | |
| Samsung Galaxy A04s | |
| Motorola Moto G22 | |
| UL Procyon AI Inference for Android - Overall Score NNAPI | |
| Durchschnitt der Klasse Smartphone (3769 - 81594, n=137, der letzten 2 Jahre) | |
| Samsung Galaxy A04s | |
| Motorola Moto G22 | |
| Xiaomi Poco C40 | |
| Durchschnittliche JLQ JR510 (n=1) | |
| AImark - Score v2.x | |
| Samsung Galaxy A04s | |
| Xiaomi Poco C40 | |
| Durchschnittliche JLQ JR510 (n=1) | |
| Motorola Moto G22 | |
GFXBench (DX / GLBenchmark) 2.7: T-Rex Onscreen | 1920x1080 T-Rex Offscreen
GFXBench 3.0: on screen Manhattan Onscreen OGL | 1920x1080 1080p Manhattan Offscreen
GFXBench 3.1: on screen Manhattan ES 3.1 Onscreen | 1920x1080 Manhattan ES 3.1 Offscreen
GFXBench: on screen Car Chase Onscreen | 1920x1080 Car Chase Offscreen | on screen Aztec Ruins High Tier Onscreen | 2560x1440 Aztec Ruins High Tier Offscreen | on screen Aztec Ruins Normal Tier Onscreen | 1920x1080 Aztec Ruins Normal Tier Offscreen
| 3DMark / Sling Shot Extreme (ES 3.1) Unlimited Physics | |
| Xiaomi Redmi 10C | |
| Nokia G21 | |
| Samsung Galaxy A04s | |
| Xiaomi Poco C40 | |
| Motorola Moto G22 | |
| 3DMark / Sling Shot Extreme (ES 3.1) Unlimited Graphics | |
| Xiaomi Redmi 10C | |
| Nokia G21 | |
| Samsung Galaxy A04s | |
| Xiaomi Poco C40 | |
| Motorola Moto G22 | |
| 3DMark / Sling Shot Extreme (ES 3.1) Unlimited | |
| Xiaomi Redmi 10C | |
| Nokia G21 | |
| Samsung Galaxy A04s | |
| Xiaomi Poco C40 | |
| Motorola Moto G22 | |
| 3DMark / Sling Shot Extreme (ES 3.1) | |
| Xiaomi Redmi 10C | |
| Nokia G21 | |
| Samsung Galaxy A04s | |
| Xiaomi Poco C40 | |
| Motorola Moto G22 | |
| 3DMark / Sling Shot Extreme (ES 3.1) Graphics | |
| Xiaomi Redmi 10C | |
| Nokia G21 | |
| Samsung Galaxy A04s | |
| Xiaomi Poco C40 | |
| Motorola Moto G22 | |
| 3DMark / Sling Shot Extreme (ES 3.1) Physics | |
| Xiaomi Redmi 10C | |
| Nokia G21 | |
| Samsung Galaxy A04s | |
| Xiaomi Poco C40 | |
| Motorola Moto G22 | |
| GFXBench (DX / GLBenchmark) 2.7 / T-Rex Onscreen | |
| Samsung Galaxy A04s | |
| Motorola Moto G22 | |
| Xiaomi Poco C40 | |
| GFXBench (DX / GLBenchmark) 2.7 / T-Rex Offscreen | |
| Samsung Galaxy A04s | |
| Motorola Moto G22 | |
| Xiaomi Poco C40 | |
| GFXBench 3.0 / Manhattan Onscreen OGL | |
| Samsung Galaxy A04s | |
| Motorola Moto G22 | |
| Xiaomi Poco C40 | |
| GFXBench 3.0 / 1080p Manhattan Offscreen | |
| Samsung Galaxy A04s | |
| Motorola Moto G22 | |
| Xiaomi Poco C40 | |
| GFXBench 3.1 / Manhattan ES 3.1 Onscreen | |
| Samsung Galaxy A04s | |
| Xiaomi Poco C40 | |
| Motorola Moto G22 | |
| GFXBench 3.1 / Manhattan ES 3.1 Offscreen | |
| Samsung Galaxy A04s | |
| Motorola Moto G22 | |
| Xiaomi Poco C40 | |
| GFXBench / Car Chase Onscreen | |
| Samsung Galaxy A04s | |
| Xiaomi Poco C40 | |
| Motorola Moto G22 | |
| GFXBench / Car Chase Offscreen | |
| Samsung Galaxy A04s | |
| Xiaomi Poco C40 | |
| Motorola Moto G22 | |
| GFXBench / Aztec Ruins High Tier Onscreen | |
| Xiaomi Redmi 10C | |
| Samsung Galaxy A04s | |
| Nokia G21 | |
| Motorola Moto G22 | |
| Xiaomi Poco C40 | |
| GFXBench / Aztec Ruins High Tier Offscreen | |
| Xiaomi Redmi 10C | |
| Samsung Galaxy A04s | |
| Nokia G21 | |
| Motorola Moto G22 | |
| Xiaomi Poco C40 | |
| GFXBench / Aztec Ruins Normal Tier Onscreen | |
| Xiaomi Redmi 10C | |
| Samsung Galaxy A04s | |
| Nokia G21 | |
| Motorola Moto G22 | |
| Xiaomi Poco C40 | |
| GFXBench / Aztec Ruins Normal Tier Offscreen | |
| Xiaomi Redmi 10C | |
| Samsung Galaxy A04s | |
| Nokia G21 | |
| Motorola Moto G22 | |
| Xiaomi Poco C40 | |
| Jetstream 2 - 2.0 Total Score | |
| Durchschnitt der Klasse Smartphone (23.8 - 387, n=152, der letzten 2 Jahre) | |
| Samsung Galaxy A04s (Chrome 106) | |
| Motorola Moto G22 (Chrome101) | |
| Speedometer 2.0 - Result 2.0 | |
| Durchschnitt der Klasse Smartphone (15.2 - 643, n=128, der letzten 2 Jahre) | |
| Samsung Galaxy A04s (Chome 106) | |
| Motorola Moto G22 (Chrome101) | |
| Xiaomi Poco C40 (Chome 106) | |
| Durchschnittliche JLQ JR510 (n=1) | |
| WebXPRT 4 - Overall | |
| Durchschnitt der Klasse Smartphone (27 - 306, n=147, der letzten 2 Jahre) | |
| Xiaomi Poco C40 (Chrome 106) | |
| Samsung Galaxy A04s (Chrome 106) | |
| Durchschnittliche JLQ JR510 (n=1) | |
| WebXPRT 3 - Overall | |
| Durchschnitt der Klasse Smartphone (38 - 380, n=35, der letzten 2 Jahre) | |
| Xiaomi Poco C40 (Chrome 106) | |
| Durchschnittliche JLQ JR510 (n=1) | |
| Samsung Galaxy A04s (Chrome 106) | |
| Motorola Moto G22 (Chrome101) | |
| Octane V2 - Total Score | |
| Durchschnitt der Klasse Smartphone (2228 - 121337, n=200, der letzten 2 Jahre) | |
| Xiaomi Poco C40 (Chrome 106) | |
| Durchschnittliche JLQ JR510 (n=1) | |
| Samsung Galaxy A04s (Chrome 106) | |
| Motorola Moto G22 (Chrome101) | |
| Mozilla Kraken 1.1 - Total | |
| Motorola Moto G22 (Chrome101) | |
| Xiaomi Poco C40 (Chrome 106) | |
| Durchschnittliche JLQ JR510 (n=1) | |
| Samsung Galaxy A04s (Chrome 106) | |
| Durchschnitt der Klasse Smartphone (257 - 28190, n=155, der letzten 2 Jahre) | |
* ... kleinere Werte sind besser
| Xiaomi Poco C40 | Xiaomi Redmi 10C | Samsung Galaxy A04s | Motorola Moto G22 | Nokia G21 | Durchschnittliche 32 GB eMMC Flash | Durchschnitt der Klasse Smartphone | |
|---|---|---|---|---|---|---|---|
| AndroBench 3-5 | 256% | 18% | -20% | 43% | -14% | 827% | |
| Sequential Read 256KB (MB/s) | 281.7 | 927.7 229% | 302.4 7% | 215.45 -24% | 257.6 -9% | 242 ? -14% | 2225 ? 690% |
| Sequential Write 256KB (MB/s) | 129.8 | 510.2 293% | 83.3 -36% | 112.78 -13% | 180.6 39% | 100.5 ? -23% | 1838 ? 1316% |
| Random Read 4KB (MB/s) | 29.2 | 120.2 312% | 62.7 115% | 39.32 35% | 74 153% | 43.1 ? 48% | 295 ? 910% |
| Random Write 4KB (MB/s) | 67.7 | 195.2 188% | 58.9 -13% | 16.34 -76% | 60.2 -11% | 22.3 ? -67% | 334 ? 393% |
Spiele – Nur für Gelegenheitszocker
Zum Zocken ist das sehr günstige Poco C40 nur bedingt geeignet. Das zeigt sich in unseren Tests, bei denen es selbst bei einfacheren Games wie Armajet zu starken Framerateeinbrüchen kommt, die den flotten Shooter eigentlich unspielbar machen.
Auch in PUBG gibt es selbst bei niedrigsten Einstellungen immer wieder Einbrüche und die maximale Framerate liegt bei circa 20 fps.
Wer nur einfache Games spielen möchte, bei denen es nicht auf Reaktionen ankommt, für den dürfte auch das Poco C40 ausreichen. Wer aber auch nur die simpelsten Actiongames zocken möchte, der muss sich wohl nach einem anderen Phone umschauen.
Wir testen die Frameraten übrigens mit der Software von GameBench.
Emissionen – Kaum Erwärmung
Temperatur
Die maximale Erwärmung bleibt mit unter 37 °C im Rahmen, sodass man kaum etwas davon spürt.
Ob die Leistungsfähigkeit des SoCs über längere Zeit erhalten bleibt, ist gar nicht so einfach zu ermitteln, da die 3DMark-Stresstests sich weigern zu starten. Wir versuchen es mit den Stresstests im GFXBench und finden heraus, dass das Poco C40 auch nach mehreren Dutzend Durchläufen des Benchmarks noch immer annähernd dieselbe Leistung bringt.
(+) Die maximale Temperatur auf der Oberseite ist 36.2 °C. Im Vergleich liegt der Klassendurchschnitt bei 35.2 °C (von 21.9 bis 247 °C für die Klasse Smartphone).
(+) Auf der Unterseite messen wir eine maximalen Wert von 36 °C (im Vergleich zum Durchschnitt von 34 °C).
(+) Ohne Last messen wir eine durchschnittliche Temperatur von 23 °C auf der Oberseite. Der Klassendurchschnitt erreicht 32.9 °C.
Lautsprecher
Der Monolautsprecher des Xiaomi Poco C40 wird nicht sonderlich laut, übersteuert dafür aber auch auf maximaler Tonstärke nicht. Der Sound ist dennoch recht dünn ohne hörbare Tiefen. Für gelegentliches Reinhören in ein Musikstück oder Videos lässt sich der Speaker aber nutzen, zumal er Sprache recht klar hörbar wiedergibt.
Gut gefällt uns neben dem 3,5mm-Audioport für analoge Kopfhörer auch die Vielfalt an Bluetooth-Codecs, die das Poco-Handy mitbringt: Selbst LHDC und aptX Adaptive werden unterstützt, sodass man auch HD-Audio-zertifizierte Kopfhörer per Bluetooth anschließen kann und die volle Soundqualität genießt.
Xiaomi Poco C40 Audio Analyse
(±) | Mittelmäßig laut spielende Lautsprecher (80.1 dB)
Bass 100 - 315 Hz
(-) | kaum Bass - 30.8% niedriger als der Median
(±) | durchschnittlich lineare Bass-Wiedergabe (10% Delta zum Vorgänger)
Mitteltöne 400 - 2000 Hz
(±) | zu hohe Mitten, vom Median 5.6% abweichend
(+) | lineare Mitten (6.5% Delta zum Vorgänger)
Hochtöne 2 - 16 kHz
(+) | ausgeglichene Hochtöne, vom Median nur 4.4% abweichend
(+) | sehr lineare Hochtöne (6.2% Delta zum Vorgänger)
Gesamt im hörbaren Bereich 100 - 16.000 Hz
(±) | hörbarer Bereich ist durchschnittlich linear (24.6% Abstand zum Median)
Im Vergleich zu allen Geräten derselben Klasse
» 59% aller getesteten Geräte dieser Klasse waren besser, 7% vergleichbar, 34% schlechter
» Das beste Gerät hat einen Delta-Wert von 11%, durchschnittlich ist 35%, das schlechteste Gerät hat 134%
Im Vergleich zu allen Geräten im Test
» 74% aller getesteten Geräte waren besser, 6% vergleichbar, 20% schlechter
» Das beste Gerät hat einen Delta-Wert von 4%, durchschnittlich ist 24%, das schlechteste Gerät hat 134%
Nokia G21 Audio Analyse
(+) | Die Lautsprecher können relativ laut spielen (85.6 dB)
Bass 100 - 315 Hz
(-) | kaum Bass - 28.2% niedriger als der Median
(+) | lineare Bass-Wiedergabe (6.7% Delta zum Vorgänger)
Mitteltöne 400 - 2000 Hz
(±) | zu hohe Mitten, vom Median 6.9% abweichend
(±) | Linearität der Mitten ist durchschnittlich (11.8% Delta zum Vorgänger)
Hochtöne 2 - 16 kHz
(+) | ausgeglichene Hochtöne, vom Median nur 3% abweichend
(+) | sehr lineare Hochtöne (3.6% Delta zum Vorgänger)
Gesamt im hörbaren Bereich 100 - 16.000 Hz
(±) | hörbarer Bereich ist durchschnittlich linear (23.7% Abstand zum Median)
Im Vergleich zu allen Geräten derselben Klasse
» 53% aller getesteten Geräte dieser Klasse waren besser, 8% vergleichbar, 38% schlechter
» Das beste Gerät hat einen Delta-Wert von 11%, durchschnittlich ist 35%, das schlechteste Gerät hat 134%
Im Vergleich zu allen Geräten im Test
» 70% aller getesteten Geräte waren besser, 6% vergleichbar, 24% schlechter
» Das beste Gerät hat einen Delta-Wert von 4%, durchschnittlich ist 24%, das schlechteste Gerät hat 134%
Akkulaufzeit – Riesenakku mit langer Ladezeit
Energieaufnahme
In Sachen Energieaufnahme muss sich das Poco C40 mit seinem SoC von JLQ nicht vor anderen Smartphones der Preisklasse verstecken: Ein Maximalverbrauch unter Last von 4,9 Watt liegt absolut in der Norm, lediglich im Idle-Betrieb ist das Poco C40 etwas energiehungriger.
Laden lässt sich das Phone maximal mit 18 Watt, ein entsprechender Charger muss allerdings separat gekauft werden: Das beiliegende Ladegerät kann nur maximal 10 Watt, was sehr ärgerlich ist. So kann es, in Kombination mit der kapazitätsstarken Batterie auch mal 4 Stunden dauern, bis das Phone wieder 100% Ladestand anzeigt. Mit einem schnelleren Ladegerät lässt sich die Ladezeit immerhin um 1 Stunde verkürzen.
| Aus / Standby | |
| Idle | |
| Last |
|
Legende:
min: | |
| Xiaomi Poco C40 6000 mAh | Samsung Galaxy A04s 5000 mAh | Motorola Moto G22 5000 mAh | Durchschnittliche JLQ JR510 | Durchschnitt der Klasse Smartphone | |
|---|---|---|---|---|---|
| Stromverbrauch | 11% | 4% | 0% | -39% | |
| Idle min * (Watt) | 1.2 | 1.1 8% | 0.9 25% | 1.2 ? -0% | 0.848 ? 29% |
| Idle avg * (Watt) | 1.5 | 1.3 13% | 1.2 20% | 1.5 ? -0% | 1.435 ? 4% |
| Idle max * (Watt) | 1.7 | 1.6 6% | 1.5 12% | 1.7 ? -0% | 1.621 ? 5% |
| Last avg * (Watt) | 3.5 | 2.7 23% | 4.5 -29% | 3.5 ? -0% | 6.99 ? -100% |
| Last max * (Watt) | 4.9 | 4.7 4% | 5.2 -6% | 4.9 ? -0% | 11.3 ? -131% |
* ... kleinere Werte sind besser
Leistungsaufnahme: Geekbench (150 cd/m²)
Leistungsaufnahme: GFXBench (150 cd/m²)
Akkulaufzeit
Der 6.000-mAh-Akku des Poco C40 ist sicherlich eines der Highlights des billigen Handys: Über 20 Stunden Laufzeit ermöglicht er in unserem WLAN-Test. Damit sollten auch mehr als zwei Tage Laufzeit bei mäßiger Nutzung möglich sein.
Man muss also selten an die Steckdose, selbst unter voller Last hält das Smartphone über 6:40 Stunden durch.
| Xiaomi Poco C40 6000 mAh | Xiaomi Redmi 10C 5000 mAh | Samsung Galaxy A04s 5000 mAh | Motorola Moto G22 5000 mAh | Nokia G21 5050 mAh | |
|---|---|---|---|---|---|
| Akkulaufzeit | -25% | -14% | -10% | -10% | |
| Idle (h) | 47.6 | 37.6 -21% | 46.4 -3% | ||
| H.264 (h) | 20.8 | 17.7 -15% | 19.9 -4% | ||
| WLAN (h) | 20.1 | 15.1 -25% | 16.3 -19% | 18.4 -8% | 18.1 -10% |
| Last (h) | 6.7 | 6.6 -1% | 5 -25% |
Pro
Contra
Fazit – Xiaomi greift auch mal daneben
Xiaomi kann eigentlich tolle Preis-Leistung bei seinen Smartphones, das beweisen die Chinesen immer wieder. Aber im sehr günstigen Umfeld eines Poco C40 stoßen die Produktdesigner und Ingenieure scheinbar auch bei Xiaomi an ihre Grenzen: Das Poco C40 bietet zwar einen ungewöhnlich großen Akku für seine Preisklasse und erreicht dadurch lange Laufzeiten, ansonsten liefert das Handy aber fast allen Bereichen höchstens Standardkost für ein Einsteigerhandy unter 200 Euro.
So kann weder die Kamera besonders überzeugen, noch das SoC, das immerhin auf die Erfahrung von Qualcomm zurückgreifen kann, aber dennoch nur sehr geringe Leistungswerte und Einschränkungen bei der Kompatibilität im Grafikbereich mitbringt. Auch der Bildschirm mit seinem deutlichen Blaustich ist bei der Bilddarstellung höchstens auf Klassenniveau und bietet nur 60 Hz Bildrate.
Die Aussetzer bei der Ortung machen das Poco C40 auch als Navigationsgerät kaum empfehlenswert und der langsame Speicher bremst das System weiter aus.
Das Poco C40 versucht mit einem großen Akku zu überzeugen, hat aber ansonsten wenig zu bieten, das es wirklich empfehlenswert machen würde.
Xiaomi bietet mit dem Redmi 10C ein wesentlich leistungsstärkeres und insgesamt gelungeneres Einsteiger-Handy an. Ebenfalls gute Laufzeiten und einen schnelleren Screen bietet beispielsweise das Motorola Moto G22.
Preis und Verfügbarkeit
Interessanterweise bietet auch der Hersteller das Smartphone zu unterschiedlichen Preisen an: Während man auf der Seite von Poco die Variante mit 32 GB / 3 GB für circa 150 Euro bekommt, bezahlt man auf der Website von Xiaomi für das Phone knapp 170 Euro.
Die Variante mit 64 GB / 4 GB wiederum ist bei Xiaomi mit einem Preis von 150 Euro günstiger, während sie auf der Poco-Seite für 170 Euro angeboten wird.
Im Internet findet man das Handy teils noch günstiger: Bei unserem Leihsteller notebooksbilliger.de gibt es die kleine Speichervariante schon für knapp 140 Euro, die große für 160. Auf amazon.de finden sich ebenfalls Angebote ab 140 Euro.
Xiaomi Poco C40
- 05.11.2022 v7 (old)
Florian Schmitt































































