Test Asus Transformer Book Flip TP200SA Convertible

Bei dem Blick auf die Produktbezeichnung könnte man meinen, es handele sich beim 11,6 Zoll großen Asus Transformer Book Flip TP200SA-DH04T nur um ein Braswell- sowie Windows-10-Update des alten Transformer Book 200TA Convertible. Das ist aber nicht der Fall, denn bei dem letztjährigen Modell handelte es sich prinzipiell nur um eine größere Version des erfolgreichen 10-Zoll Transformer Book T100TA. Es war also kein richtiges 2-in-1-Gerät, sondern eher ein Tablet mit einer zusätzlichen Tastatur-/Festplatten-Dockingstation. Mit dem neuen TP200SA wirft Asus dieses Konzept über den Haufen und bietet mit dem richtigen 2-in-1-Design jetzt ein Gerät in dem ziemlich umkämpften "Flip"-Convertible-Markt. Zusammen mit dem neuen TP200SA hat Asus auch ein Update des originalen und abnehmbaren 10,1-Zoll-Transformer-Book angekündigt. Das Gerät mit dem Namen T100HA und einem Intel-Cherry-Trail-Prozessor wird für 300 US-Dollar erhältlich sein. Zum Zeitpunkt des Tests bietet Asus nur ein Modell des TP200SA an, welches mit einer Intel-Braswell-Celeron-CPU und 64-GB-eMMC-Speicher für einen ziemlichen günstigen Preis von 350 US-Dollar erhältlich ist.
Es gibt jede Menge Konkurrenten für unser Testgerät, darunter auch das Acer Aspire R11 R3-131T, das Toshiba Satellite Radius 11 L10-B-101, HPs Pavilion 11-n070eg x360 und Stream 11 x360 sowie das deutlich teurere Lenovo Yoga 3 11. In dem folgenden Test wollen wir herausfinden, ob das neue Asus aus der Masse heraussticht.
Gehäuse
Dank dem Deckel aus gebürstetem Metall in "Dark Blue" oder "Crystal Silber" sieht das TP200SA sehr ansprechend aus. Laut Asus soll die Oberfläche sowohl haltbar als auch unempfindlich gegenüber Kratzern sein. Natürlich konnten wir diese Aussage nicht überprüfen. Allerdings stellte sich der Deckel in unserem Test als Magnet für Fingerabdrücke heraus, weshalb es nicht leicht fällt, ihn sauber zu halten. Beim Aufklappen kann das Convertible seinen geringen Preis nicht verleugnen. Die Baseunit setzt zwar das Design des Deckels fort, besteht aber nur aus Kunststoff. Der ziemlich breite Bildschirmrahmen wird hingegen von einer Glasplatte geschützt. Der größere Rahmen ist dabei nicht unbedingt ein Nachteil, denn im Tablet-Modus gibt es ausreichend Platz für die Daumen, ohne aus Versehen Eingaben auszulösen. Auf der Unterseite kommt schwarzer und unbehandelter Kunststoff zum Einsatz. Der Gelenkmechanismus, der laut Asus auf 20.000 Bewegungen getestet wurde, befindet sich hinter einer langen Kunststoffabdeckung. Diese lässt sich jedoch recht deutlich eindrücken, wenn man das Convertible im geschlossenen Zustand an dieser Stelle festhält. Für das Öffnen des Bildschirms benötigt man zwar beide Hände, aber trotzdem könnten die Gelenke straffer ausfallen, denn Bildschirmberührungen führen zu deutlichem Nachwippen und teilweise ändert sich sogar der Öffnungswinkel.
Im Gegensatz zum recht stabilen und druckresistenten Deckel ist die Baseunit sehr dünn – wir messen an der dicksten Stelle nur 11 Millimeter – und lässt sich leicht verbiegen, was auch zu Knarzgeräuschen führt. Sobald man das Convertible an der unteren linken Ecke festhält, entdeckt man eine weitere Schwachstelle: Jedes Mal, nachdem wir es an dieser Stelle gehalten haben, benötigte der erste Linksklick mehr Druck, und das Klickgeräusch war lauter. Eine genauere Betrachtung zeigte, dass sich die untere linke Ecke der Touchpad-Oberfläche ganz leicht anhebt, wenn man das Gehäuse an der linken Ecke festhält und sich der Mechanismus im Inneren irgendwo verhakt. Um diesen höheren Widerstand zu überwinden, muss man daher fester drücken. Wir können an dieser Stelle nicht sagen, ob alle Modelle des TP200 davon betroffen sind oder ob es überhaupt ein ernstes Problem ist, erwähnen wollten wir es aber auf jeden Fall. Insgesamt hinterlässt die Verarbeitung aber dennoch einen guten Eindruck mit geringen Spaltmaßen und sauberen Materialübergängen. Mit 1.188 Gramm ist das TP200SA deutlich leichter als die günstigen Konkurrenten; nur das Lenovo Yoga 3 11 – was auch etwa doppelt so viel kostet wie unser Testgerät – wiegt noch einmal 100 Gramm weniger. Das HP Stream 11 x360 bringt 1.550 Gramm und damit 30 Prozent mehr auf die Waage.
Mit dem 360-Grad-Gelenk-Design unterstützt das Transformer Book Flip TP200SA vier verschiedene Betriebsarten: Notebook, Stand, Tent sowie Tablet. Asus FlipLock deaktiviert automatisch die Tastatur und das Touchpad, sobald das Display um mehr als 180 Grad nach hinten geklappt wird. Weder an der Baseunit noch dem Deckel gibt es eine Gummierung, weshalb das TP200SA im Tent-Modus auf glatten Oberflächen sehr leicht hin und her rutscht. Hier sollte man also aufpassen, um kostspielige Unfälle zu vermeiden.
Ausstattung
Asus hat das Convertible mit einem modernen USB-C-3.1-Anschluss (Gen 1, entspricht USB 3.0) ausgestattet – eine nette Beigabe, auch wenn es bisher kaum geeignete Produkte für den neuen Standard gibt. Nichtsdestotrotz ist das TP200SA in dieser Hinsicht zukunftssicher. Mit Micro-HDMI, einem MicroSD-Leser und zwei USB-2.0-Anschlüssen (1x 2.0, 1x 3.0) wird der Standard abgedeckt. Wir sind etwas enttäuscht, dass Asus keinen vollwertigen SD-Leser verbaut hat – wie es auch bei allen anderen Konkurrenten der Fall ist. Das HP Stream 11 x360 kommt sogar mit einem vollwertigen HDMI-Anschluss und einem RJ45-Stecker, der bei unserem Testgerät nicht verfügbar ist.
Kommunikation
Das Funkmodul von Qualcomm (QCA9377) unterstützt den schnellen 802.11ac-Standard (Dual-Band) und funktioniert sehr gut. Während unseres Tests gab es weder Aussetzer noch andere Probleme. Bluetooth 4.1 und Miracast sind ebenfalls mit an Bord.
Zubehör
Abgesehen von dem ziemlich kleinen – und mit 120 Gramm recht leichten – Netzteil gibt es kein Zubehör in der Verpackung des TP200SA. Asus bietet auf seiner Webseite auch keine speziellen Artikel für das Convertible an.
Garantie
Das Transformer Book Flip TP200SA ist für 12 Monate gegen Defekte geschützt. Im Internet gab es keine Hinweise zu Garantieverlängerungen. Eine mögliche Lösung wären Services von Drittanbietern.
Kamera
Im Gegensatz zum alten Transformer Book 200TA Convertible, welches mit eine 5-MP-Kamera auf der Rückseite und einer 2-MP-Kamera auf der Vorderseite ausgestattet war, bietet das TP200SA lediglich eine Frontkamera mit einer mickrigen Auflösung von 0,3 MP (640 x 480 Pixel). Die Videoqualität ist grenzwertig, und die Bilder sind extrem weich, und sogar bei guten Lichtverhältnissen erkennt man deutliches Bildrauschen.
Software
Das Betriebssystem des Convertibles ist Windows 10 Home in der 64-Bit-Version. Es gibt einige unnötige Software-Beigaben wie TripAdvisor, Netflix und Gameloft Games. In Anbetracht der begrenzten Speicherkapazität hätten wir uns eine saubere Installation gewünscht.
Wartung
Es ist zwar kein Problem, die Unterseite zu entfernen, aber die Wartungsmöglichkeiten sind trotzdem sehr eingeschränkt. Es ist vielleicht möglich, den eMMC-Speicher auszutauschen, was wir allerdings nicht weiter untersucht haben.
Eingabegeräte
Tastatur
Die Größe der Chiclet-Tastatur mit den schwarzen Kunststoff-Tasten entspricht nicht ganz dem Standard, aber das Tippen geht dank dem guten Feedback und dem großzügigen Hub von 1,6 mm (1,5 mm ist Standard bei Notebooks) leicht von der Hand. Den geringen Unterschied bemerkt man beim Schreiben natürlich nicht, aber dennoch fühlt sich die Eingabe nicht so seicht an wie bei vielen Ultrabooks oder anderen dünnen Geräten. Der mittlere Bereich der Tastatur gibt unter Druck zwar leicht nach, aber es ist nicht störend und wir konnten problemlos mit der Eingabe arbeiten.
Touchpad
Das Smart-Gesture-Touchpad ist mit 104 x 61 mm angenehm groß, und die Finger können leicht über die Oberfläche gleiten. Das Klickverhalten ist zufriedenstellend, wird jedoch von einem leichten Klappergeräusch begleitet. Touch-Gesten funktionieren problemlos, und sogar Gesten mit drei Fingern werden unterstützt, um beispielsweise Microsofts digitale Assistentin Cortana aufzurufen.
Touchscreen
Der kapazitive Touchscreen erkennt Eingaben mit bis zu 10 Fingern und setzt diese auch zügig um. Dank Windows Continuum wechselt das Gerät basierend auf der Display-Orientierung automatisch zwischen dem Notebook- und Tablet-Modus.
Display
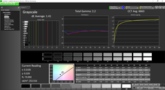
Während viele günstige Geräte in dieser Preisklasse mit schlechten TN-Displays daherkommen, verbaut Asus beim Transformer Book ein IPS-Panel mit einer Auflösung von 1.366 x 768 Pixeln. Die durchschnittliche Helligkeit der spiegelnden Anzeige ist zwar nicht überragend, aber 246 cd/m² reichen dennoch aus, um die meisten Konkurrenten zu schlagen. Das HP Stream 11 x360 erreicht kaum 190 cd/m², lediglich die deutlich teureren Convertibles Lenovo Yoga 3 11 und ThinkPad Yoga 11e, die ebenfalls IPS-Panels verwenden, leuchten heller. Die Ergebnisse für den Schwarzwert und den Kontrast sind ebenfalls ordentlich, nur das Acer R11 kann in dieser Hinsicht mithalten.
| |||||||||||||||||||||||||
Ausleuchtung: 88 %
Helligkeit Akku: 262.1 cd/m²
Kontrast: 871:1 (Schwarzwert: 0.301 cd/m²)
ΔE ColorChecker Calman: 3.24 | ∀{0.5-29.43 Ø4.74}
ΔE Greyscale Calman: 2.34 | ∀{0.09-98 Ø4.98}
58.8% sRGB (Argyll 1.6.3 3D)
40.6% AdobeRGB 1998 (Argyll 1.6.3 3D)
44.14% AdobeRGB 1998 (Argyll 3D)
64.4% sRGB (Argyll 3D)
42.72% Display P3 (Argyll 3D)
Gamma: 2.24
CCT: 6855 K
| Asus ASUS Transformer Book Flip TP200SA-DH04T IPS 1366x768 | Acer Aspire R11 R3-131T-C122 TN 1366x768 | HP Stream 11 X360 TN 1366x768 | HP Pavilion 11-n070eg x360 TN 1366x768 | Lenovo ThinkPad Yoga 11e 20D9000QGE IPS 1366x768 | Lenovo Yoga 3 11 80J8001WGE IPS 1920x1080 | |
|---|---|---|---|---|---|---|
| Display | -12% | 4% | ||||
| Display P3 Coverage (%) | 42.72 | 37.53 -12% | 44.54 4% | |||
| sRGB Coverage (%) | 64.4 | 56.4 -12% | 65.7 2% | |||
| AdobeRGB 1998 Coverage (%) | 44.14 | 38.81 -12% | 46.15 5% | |||
| Bildschirm | -88% | -116% | -101% | -36% | -33% | |
| Helligkeit Bildmitte (cd/m²) | 262.1 | 261 0% | 197 -25% | 181 -31% | 285 9% | 290 11% |
| Brightness (cd/m²) | 246 | 248 1% | 189 -23% | 161 -35% | 285 16% | 286 16% |
| Brightness Distribution (%) | 88 | 90 2% | 91 3% | 83 -6% | 88 0% | 86 -2% |
| Schwarzwert * (cd/m²) | 0.301 | 0.3 -0% | 0.4 -33% | 0.37 -23% | 0.4 -33% | 0.42 -40% |
| Kontrast (:1) | 871 | 870 0% | 493 -43% | 489 -44% | 713 -18% | 690 -21% |
| Delta E Colorchecker * | 3.24 | 12.64 -290% | 11.44 -253% | 10.11 -212% | 6.39 -97% | 6.5 -101% |
| Delta E Graustufen * | 2.34 | 13.75 -488% | 12.54 -436% | 10.72 -358% | 5.41 -131% | 6.35 -171% |
| Gamma | 2.24 98% | 2.88 76% | 2.45 90% | 2.7 81% | 2.76 80% | 2.44 90% |
| CCT | 6855 95% | 17914 36% | 14995 43% | 13522 48% | 6082 107% | 7156 91% |
| Farbraum (Prozent von AdobeRGB 1998) (%) | 40.6 | 36 -11% | 42 3% | |||
| Color Space (Percent of sRGB) (%) | 58.8 | 57 -3% | 65 11% | |||
| Durchschnitt gesamt (Programm / Settings) | -50% /
-69% | -116% /
-116% | -101% /
-101% | -36% /
-36% | -15% /
-24% |
* ... kleinere Werte sind besser
Unsere Tests mit einem Spektralfotometer zeigen überdurchschnittlich gute Ergebnisse für die ColorChecker- (3,24) und Graustufenabweichungen (2,34). Für ein günstiges Gerät sind diese Werte herausragend – und die Screenshots zeigen sogar, dass sich die Werte mit einer Kalibrierung noch verbessern lassen. Leider sieht die Situation bei der Farbraumabdeckung nicht so gut aus, denn der AdobeRGB-Standard wird nur zu 41 % abgedeckt. Zusammen mit der begrenzten Speicherkapazität und der geringen Rechenleistung eignet sich das Convertible damit nicht für professionelle Fotobearbeitungen.
Dank dem guten Kontrastverhältnis und der ordentlichen Helligkeit, die sich auch im Akkubetrieb nicht weiter reduziert, kann man das Transformer Book Flip auch im Freien benutzen. Direkte Sonneneinstrahlung sollte vermieden werden, da der stark spiegelnde Bildschirm sonst mit Reflexionen zu kämpfen hat, aber im Schatten oder an bewölkten Tagen hat man keine Probleme, wenn man das Display ordentlich ausrichtet.
Die Blickwinkelstabilität des Transformer Book Flip TP200SA ist dank der eingesetzten IPS-Technologie recht ordentlich, allerdings kommt es bei extremeren Winkeln zu einem Helligkeitsverlust. Nichtsdestotrotz bleibt der Bildschirminhalt jederzeit sichtbar und auch von der Seite lesbar. Es stellt daher auch kein Problem dar, ein Video mit Freunden anzusehen. Konkurrenten mit TN-Displays, wie beispielsweise das HP Stream x360, haben in dieser Hinsicht einen klaren Nachteil.
Leistung
Ausgerüstet mit einem günstigen Dual-Core-Celeron-Prozessor, 4 GB Single-Channel-Arbeitsspeicher und einem 64-GB-eMMC-Speicher stellt das TP200SA sicherlich keine neuen Geschwindigkeitsrekorde auf, aber für anspruchslose Aufgaben wie Textverarbeitung, E-Mails, Surfen im Internet sowie Wiedergabe von Videos reicht die Leistung aus. Zum Zeitpunkt des Tests bietet Asus nur eine Version des 11,6 Zoll großen Transformer Book an, allerdings werden in den Spezifikationen auf der Homepage des Herstellers auch Pentium Prozessoren gelistet.
Prozessor
Während bei dem alten Transformer Book noch ein Intel-Atom-SoC zum Einsatz kam, ist das neue Modell mit einem Intel Celeron N3050 (Dual-Core) ausgestattet. Die 14-nm-Braswell-CPU hat einem Grundtakt von 1,6 GHz, der via Turbo auf 2,16 GHz beschleunigt werden kann. Während der CPU-lastigen Cinebench Tests konnte der Prozessor seinen maximalen Takt aufrechterhalten und wir konnten keine Leistungsreduzierung bzw. Throttling feststellen. Die Leistung des N3050 liegt auf dem Niveau des älteren Celeron N2820; Notebooks mit dem Celeron N2840 (bis zu 2,58 GHz) – beispielsweise das Toshiba Satellite Radius 11 L10-B-101 – sind etwas schneller als unser Testgerät. Das Lenovo ThinkPad Yoga 11e nutzt einen älteren Quad-Core-Celeron und bietet die deutlich bessere Multi-Core-Leistung; bei der Nutzung von einem Kern gibt es aber keinen Unterschied. Das Lenovo Yoga 3 11 ist hingegen mit einem Dual-Core Intel Core M-5Y10c ausgerüstet, der sowohl in Single-Core- als auch Multi-Core-Szenarios deutlich schneller ist.
| Cinebench R10 | |
| Rendering Single CPUs 64Bit (nach Ergebnis sortieren) | |
| Asus ASUS Transformer Book Flip TP200SA-DH04T | |
| Acer Aspire R11 R3-131T-C122 | |
| HP Stream 11 X360 | |
| Rendering Multiple CPUs 64Bit (nach Ergebnis sortieren) | |
| Asus ASUS Transformer Book Flip TP200SA-DH04T | |
| Acer Aspire R11 R3-131T-C122 | |
| HP Stream 11 X360 | |
System Performance
Wir hatten am Anfang einige Probleme mit den verschiedenen Benchmarks, die wir verwenden, um die Systemleistung zu bewerten. Einige Tests wie PCMark 8 wollten einfach nicht laufen, und 3DMark 11 hat uns eine leere Ergebnisseite angezeigt, obwohl der Benchmark anscheinend vollständig durchgeführt wurde. Zunächst hatten wir die Kalibrierungs-Software im Verdacht, aber auch eine Deinstallation brachte keine Hilfe. Wir haben daraufhin das Betriebssystem neu installiert und die Tests wiederholt, aber einige Ergebnisse waren dennoch verwirrend: Die Ergebnisse in PCMark 8 Home und Creative lagen beispielsweise nur einige Punkte auseinander. Um das Bild nicht zu verzerren, haben wir die Ergebnisse weggelassen, die uns merkwürdig erschienen. Wir sollten jedoch erwähnen, dass wir mit dem TP200SA im "normalen" Betrieb keinerlei Probleme hatten – nur bei gewissen Benchmarks kam es zu Fehlern. PCMark 7 zeigt unterdessen, dass sich unser Testgerät auf dem Niveau des Acer Aspire R11 R3-131T bewegt, welches mit dem identischen Celeron SoC und 32-GB-eMMC-Speicher ausgestattet ist. Das Toshiba Satellite Radius 11 L10-B-101 fällt aufgrund der konventionellen Festplatte rund 30 Prozent zurück trotz der vergleichbaren Prozessorleistung.
Massenspeicher
Aufgrund von Fehlern konnten wir weder AS SSD noch HD Tune ausführen, wir müssen uns also auf die Ergebnisse von ATTO Disk sowie Crystal Disk Mark verlassen, um die Leistung des 64 GB großen eMMC-Speichers zu bewerten. Die Ergebnisse sind dabei ziemlich normal: Mit durchschnittlichen Lese- und Schreibgeschwindigkeiten von rund 160 MB/s bzw. 68 MB/s ist der Speicher schneller als eine konventionelle Festplatte, fällt jedoch hinter eine normale SATA-SSD zurück. Ein Beispiel hierfür ist die 128-GB-SSD von Lite-On im Lenovo Yoga 3 11. Für einen eMMC-Speicher ist vor allem die 4K-Leistung beeindruckend hoch.
Grafikkarte & Spiele
Die Celeron SoC verwendet eine integrierte HD Graphics mit 12 EUs (Execution Units) und einem Kerntakt von bis zu 600 MHz. Die vorherige BayTrail-M-Plattform bietet nur etwa die Hälfte der Leistung: Das HP Stream 11 x360 erreicht beispielsweise nur 230 Punkte in 3DMark 11, während unser TP200SA beinahe 440 Punkte erzielt. Die neue GPU unterstützt zwar DirectX 11.2, ist aber für aktuelle Spiele einfach nicht schnell genug. Selbst das ältere Anno 2070, was bekanntlich nicht sehr anspruchsvoll ist, kann nur mit 12,7 fps bei einer Auflösung von 1.366 x 768 Pixeln und mittleren Details gespielt werden.
| 3DMark 11 Performance | 437 Punkte | |
| 3DMark Ice Storm Standard Score | 17858 Punkte | |
| 3DMark Cloud Gate Standard Score | 1516 Punkte | |
| 3DMark Fire Strike Score | 232 Punkte | |
Hilfe | ||
| min. | mittel | hoch | max. | |
|---|---|---|---|---|
| Anno 2070 (2011) | 30 | 12.7 |
Emissionen
Geräuschemissionen
Dank der extrem geringen TDP von nur 6 Watt kann Asus das Transformer Book Flip TP200SA vollständig passiv kühlen, weshalb das System zu jeder Zeit lautlos arbeitet.
Temperatur
Für ein lüfterloses System behält das Convertible sogar unter Last einen ziemlich kühlen Kopf. Wir konnten lediglich 41 °C oben links auf der Oberseite bzw. knapp 40 °C auf der Unterseite messen – ein sehr akzeptables Ergebnis, wenn man bedenkt, dass Acers Aspire R11 R3-131T mehr als 48 °C erreicht. Die linke Seite der Handballenauflage erwärmt sich auf etwa 32 °C. Man kann die Erwärmung also spüren, aber unangenehm wird es natürlich nicht.
(±) Die maximale Temperatur auf der Oberseite ist 41.4 °C. Im Vergleich liegt der Klassendurchschnitt bei 35.4 °C (von 19.6 bis 60 °C für die Klasse Convertible).
(+) Auf der Unterseite messen wir eine maximalen Wert von 39.8 °C (im Vergleich zum Durchschnitt von 36.9 °C).
(+) Ohne Last messen wir eine durchschnittliche Temperatur von 27 °C auf der Oberseite. Der Klassendurchschnitt erreicht 30.3 °C.
(+) Die Handballen und der Touchpad-Bereich sind mit gemessenen 31.8 °C kühler als die typische Hauttemperatur und fühlen sich dadurch kühl an.
(-) Die durchschnittliche Handballen-Temperatur anderer getesteter Geräte war 28 °C (-3.8 °C).
Stresstest
Wir verwenden unseren Stresstest, um das Verhalten von Testgeräten in Extremsituationen zu überprüfen. Bei Prime95 kann der Prozessor den maximalen Turbo-Takt von 2,16 GHz auch auf Dauer aufrechterhalten und wird dabei nicht wärmer als 63 °C. Nur mit FurMark schwankt die GPU in der Regel zwischen 380 und 400 MHz und liegt damit unter dem Maximum von 600 MHz. Die Temperatur des SoC hat sich nach etwa 10 Minuten bei 68 °C stabilisiert und danach auch nicht mehr verändert.
Bei der gleichzeitigen Belastung durch Prime95 und FurMark fällt die CPU nach etwa 10 Minuten von 1.600 MHz auf nur noch 480 MHz, während die GPU erneut mit 400 MHz läuft und nur gelegentlich auf 380 MHz abfällt. Die Temperatur hat ganz kurz 73 °C erreicht, sich danach aber recht schnell bei 68 °C eingependelt. Es kommt also zu ziemlich heftigem CPU-Throttling, wenn man beide Komponenten gleichzeitig auslastet. Asus musste diesen Kompromiss vermutlich eingehen, um die Temperaturen des passiv gekühlten Convertibles im Zaum zu halten.
Lautsprecher

Die Stereolautsprecher befinden sich auf der Unterseite in den beiden Ecken. Die maximale Lautstärke ist zufriedenstellend, und die Klangqualität ist mit ordentlichen Höhen und Tiefen besser als erwartet – sogar ein wenig Bass ist vorhanden. Verantwortlich für die guten Ergebnisse ist die AudioWizard-EQ-Software von Asus. Man kann sie zwar nicht anpassen, aber es gibt verschiedene Voreinstellungen für Musik, Filme, Aufnahme, Gaming und einen Sprachmodus.
Akkulaufzeit
Laut Asus liegt die Akkulaufzeit bei "bis zu 8 Stunden". Bei unserem WLAN-Test ruft ein Skript alle 40 Sekunden eine Webseite auf, bis der Akku leer ist. Mit dem ausbalancierten Energieprofil und einer Bildschirmhelligkeit von 150 cd/m² konnten wir 8 Stunden und 45 Minuten ermitteln. Mit einer geringeren Helligkeit sollten sogar 10 Stunden möglich sein – ein exzellentes Ergebnis, das sogar die Herstellerangabe übertrifft. Die Ausreißer in dem Diagramm auf der rechten Seite traten an verschiedenen Stellen auf, wenn wir den Test wiederholten. Bisher haben wir keine Erklärung für das Verhalten. Das Acer Aspire R11 R3-131T schafft im WLAN-Test rund 2 Stunden mehr, was angesichts des deutlich größeren Akkus (50 Wh vs. 38 Wh) aber nicht überraschend ist. Nichtsdestotrotz sollte das TP200SA einen kompletten Arbeitstag überstehen.
| Asus ASUS Transformer Book Flip TP200SA-DH04T | Acer Aspire R11 R3-131T-C122 | Toshiba Satellite Radius 11 L10-B-101 | HP Stream 11 X360 | HP Pavilion 11-n070eg x360 | Lenovo ThinkPad Yoga 11e 20D9000QGE | Lenovo Yoga 3 11 80J8001WGE | |
|---|---|---|---|---|---|---|---|
| Akkulaufzeit | 30% | -50% | -31% | -55% | -43% | -13% | |
| Idle (h) | 17.6 | 6.8 -61% | 12.1 -31% | 5.6 -68% | 14.3 -19% | ||
| WLAN (h) | 8.7 | 11.3 30% | 5 -43% | 7.4 -15% | |||
| Last (h) | 4.5 | 2.8 -38% | 2.6 -42% | 4.3 -4% | |||
| WLAN (alt) (h) | 3.9 | 6.6 | 3.6 |
Pro
Contra
Fazit
Das dünne und leichte Asus Transformer Book Flip TP200SA unterscheidet sich in vielerlei Hinsicht von seinem Vorgänger Transformer Book 200TA Convertible. Eines hat sich allerdings nicht verändert: Asus verbaut weiterhin ein IPS-Display, trotz dem geringen Preis von nur 350 US-Dollar. Andere günstige Convertibles kosten ähnlich viel, verwenden aber schlechtere TN-Panels. Für den Preis ist die Farbgenauigkeit geradezu unglaublich gut, und auch die Helligkeit geht in Ordnung. Die Braswell-Celeron-SoC bietet genügend Leistung für normale Aufgaben, kommt bei anspruchsvollen Aufgaben oder Spielen jedoch erwartungsgemäß schnell an seine Grenzen. Die Akkulaufzeit übersteigt die Herstellerangaben, und dank dem lüfterlosen Design macht das Transformer Book Flip keine Geräusche. Die ordentlichen Eingabegeräte runden das Paket ab.
Das Asus Transformer Book Flip TP200SA ist definitiv einen Blick wert, denn das Preis-Leistungs-Verhältnis ist kaum zu schlagen.
Wir würden uns dennoch wünschen, dass Asus sein TP200SA auch mit mehr Speicherplatz anbietet. 64 GB scheinen am Anfang vielleicht ausreichend, aber der Speicher füllt sich schnell. Die Leistung des kleinen Convertibles bewegt sich auf dem Niveau von ähnlich ausgestatteten Geräten, und im Alltag sind wir auf keine Probleme gestoßen. Die Stabilität der Baseunit könnte noch verbessert werden, aber da es sich um ein günstiges Gerät handelt, können wir uns kaum beschweren.
Asus ASUS Transformer Book Flip TP200SA-DH04T
- 09.10.2015 v4 (old)
Bernie Pechlaner



































