Test HP Elite x2 1011 G1 Convertible/Tablet

Ultrabook oder Tablet? Die ehemals klare Grenze zwischen beiden Segmenten verschwimmt zunehmend, seit immer mehr Hersteller sogenannte Detachables oder 2-in-1-Notebooks auf den Markt bringen. Auch im High-End Business-Bereich erfreuen sich die vielseitigen Geräte zunehmender Beliebtheit: Nach Lenovo (ThinkPad Helix 2) und Toshiba (Portege Z20t) hat nun auch Hewlett-Packard sein Portfolio um ein entsprechendes Modell erweitert – das HP Elite x2 1011 G1.
Genau wie bei der Konkurrenz kommt im Elite x2 Intels besonders sparsame Core-M-Plattform zum Einsatz, die zusammen mit bis zu 8 GB Arbeitsspeicher sowie einer 256-GB-SSD für ansprechende Leistungswerte bei gleichzeitig niedrigem Verbrauch sorgen soll. Die gesamte Hardware, zu der je nach Modell auch ein integriertes LTE-Modul gehört, versteckt sich dabei im Inneren eines 11,6 Zoll großen, abnehmbaren FullHD-Touchscreens mit Digitizer-Unterstützung.
Preislich bewegt sich das Detachable derzeit zwischen 1.400 (Core M-5Y10c, 4 GB RAM, 128-GB-SSD) und 1.900 Euro (Core M-Y51, 8 GB RAM, 256-GB-SSD, LTE) und liegt damit auf Augenhöhe mit den Angeboten von Lenovo und Toshiba. Unser Testgerät entspricht bis auf das fehlende WWAN-Modul der letztgenannten Konfiguration und ist ab etwa 1.800 Euro erhältlich.
Gehäuse
Beginnen wir zunächst mit dem Tablet: Obwohl selbiges zumindest äußerlich nur aus einfachem, matt-grau lackiertem Kunststoff besteht, erweist sich die gesamte Konstruktion als sorgfältig verarbeitet und äußerst stabil. Egal ob punktueller Druck oder Verwindungsversuche: An keiner Stelle lässt sich das Chassis sichtbar verformen oder störendes Knacken und Knarzen hervorrufen, was das Elite x2 auch in Tests nach US-Militärstandard (MIL-STD 810G) unter Beweis stellen musste. Die Kehrseite der massiven Bauweise zeigt sich beim Blick auf Abmessungen und Gewicht: Mit 870 Gramm und 10,7 Millimeter Bauhöhe fällt das Tablet deutlich wuchtiger als ein ThinkPad Helix 2 (790 Gramm, 9,6 Millimeter) oder Portege Z20t (739 Gramm, 8,8 Millimeter) aus.
Ähnlich solide, subjektiv aber nochmals hochwertiger präsentiert sich das aus Aluminium gefertigte Dock, von HP auch "Power-Tastatur" genannt. Neben der Tastatur und diversen Anschlüssen (dazu nachfolgend mehr) enthält dieses auch einen kleinen Zusatzakku, was allerdings die Masse auf immerhin 780 Gramm in die Höhe treibt. Insgesamt kommt das Elite x2 somit auf 1,65 Kilogramm – das sind rund 300 Gramm mehr als ein vergleichbares Subnotebook wie das EliteBook 820 G2.
Die Kopplung von Tablet und Dock erfolgt über eine stabile Steckverbindung, die deutlich weniger Spiel als das Pendant von Toshiba aufweist. Da auch die Displayscharniere angenehm straff und präzise arbeiten, schwingt der Deckel selbst bei starken Erschütterungen nicht übermäßig mit.
Ausstattung
Da das Tablet selbst lediglich über eine Kopfhörerbuchse sowie einen MicroSD-Leser verfügt, ist der Anschluss weiterer Peripherie ausschließlich über das zugehörige Dock möglich. Hier findet der Anwender neben zwei USB-3.0-Ports auch einen vollwertigen DisplayPort-Ausgang vor, mit dem sich sogar 4K-Displays in 60 Hz ansteuern lassen. Über eine seitliche Buchse kann darüber hinaus eine zusätzliche Docking-Station zur Erweiterung des Schnittstellenangebotes ergänzt werden.
Zur serienmäßigen Sicherheitsausstattung gehören unter anderem ein Smartcard- und Fingerabdruckleser, ein verlötetes TPM von Infineon sowie die Software-Lösung HP Client Security (Laufwerksverschlüsselung, Kennwortverwaltung, sichere Datenvernichtung).
Kommunikation
Während das rund 100 Euro teurere Topmodell der Elite-Baureihe mit integriertem LTE und WiGig 802.11ad (Intel Tri-Band Wireless-AC 17265) daherkommt, muss sich unser Testgerät mit einem etwas einfacheren Drahtlosadapter vom Typ Intel Dual-Band Wireless-N 7265 begnügen. Neben Bluetooth 4.0 unterstützt dieses Modul lediglich die älteren WLAN-Standards 802.11a/b/g/n (2,4- und 5-GHz-Band) und erreicht mittels Dual-Stream-Technik Bruttodatenraten von maximal 300 Mbit/s. Reichweite und Verbindungsstabilität erwiesen sich in unserem Praxistest als tadellos.
Kameras
Die für Videochats vorgesehene Frontkamera löst mit 2,0 Megapixeln etwas höher als bei den meisten Notebooks auf, kann diesen Vorteil aber nur bedingt in eine bessere Bildqualität ummünzen. Zwar werden Farben recht natürlich wiedergegeben, doch fehlt es den Aufnahmen an Schärfe und Detailreichtum. Die rückwärtige Hauptkamera leistet diesbezüglich etwas bessere Dienste, ohne jedoch mit einem halbwegs modernen Smartphone konkurrieren zu können.
Zubehör
Der Umfang des mitgelieferten Zubehörs beschränkt sich auf ein kompaktes 45-Watt-Netzteil sowie einige Broschüren und Faltblätter.
Garantie
HP gewährt dem Käufer eine 3-jährige Herstellergarantie (Bring-In), die sich gegen Aufpreis auf bis zu 5 Jahre verlängern lässt. Die angebotenen Pakete, auch Care Packs genannt, ermöglichen darüber hinaus diverse Service-Upgrades, beispielsweise auf einen weltweiten Vor-Ort-Support am nächsten Arbeitstag.
Eingabegeräte
Tastatur
Befürchtungen, das Tastatur-Dock würde womöglich nur minderwertige Notlösung darstellen, können wir schon nach einer kurzen Eingewöhnungsphase zerstreuen: Qualitativ muss sich das hintergrundbeleuchtete Chiclet-Keyboard (15 x 15 Millimeter Tastenmaß) nicht vor den Eingabegeräten der EliteBook-Serie verstecken und glänzt mit einem ebenso knackig-präzisen Anschlag. Verglichen mit der vielgelobten ThinkPad-Tastatur des Helix 2 wurden Druckpunkt und Hubweg zwar etwas weicher respektive kürzer abgestimmt, doch muss dies je nach persönlichem Geschmack nicht unbedingt von Nachteil sein.
Touchpad, Touchscreen und Digitizer
Mit einer Größe von 5,0 x 8,8 Zentimetern fällt das Touchpad nicht übermäßig üppig aus, zumal ein Teil der gleitfreudigen Glasoberfläche als Ersatz für die fehlenden Maustasten herhalten muss. Diese werden bei dem von Synaptics stammenden "ForcePad" lediglich akustisch simuliert, ein physischer Schalter oder zumindest ein haptisches Feedback à la MacBook fehlen dagegen. Wirklich intuitiv und blind bedienbar ist das Pad darum nicht. Positiv hervorheben wollen wir die feinfühlig ansprechenden Multitouch-Gesten.
Alternativ greift man auf den Touchscreen zurück, der sich sowohl per Finger als auch mittels Wacom-Digitizer – verstaubar in einem eigenen Fach innerhalb des Tablets – steuern lässt. Eingabelatenz und Präzision gehen insgesamt in Ordnung, einzig am äußersten Bildrand liegt die Stiftspitze etwa einen Millimeter neben dem anvisierten Ziel.
Display
HP verzichtet auf unterschiedliche Displayoptionen und verkauft das Elite x2 ausschließlich mit einer 11,6 Zoll großen, verspiegelten FullHD-Anzeige (1.920 x 1.080 Pixel). Genau wie beim ThinkPad Helix 2 ergibt sich so eine Pixeldichte von 190 ppi, wohingegen das marginal größere Portege Z20t (12,5 Zoll, 1.920 x 1.080 Pixel) auf 176 ppi kommt. Fotos und feine Schriften profitieren von der hohen Auflösung besonders stark, allerdings erscheint die Darstellung ohne zusätzliche Skalierung (Windows 8.1: 100 Prozent Anzeigegröße) gelegentlich doch recht klein.
Ein kräftiges LED-Backlight beschert unserem Kandidaten eine Maximalhelligkeit von beachtlichen 331 cd/m², die sich sehr gleichmäßig über die gesamte Bildfläche verteilt. Beeinträchtigungen wie Clouding oder auffälliges Backlight-Flimmern konnten wir nicht feststellen.
| |||||||||||||||||||||||||
Ausleuchtung: 84 %
Helligkeit Akku: 364 cd/m²
Kontrast: 827:1 (Schwarzwert: 0.44 cd/m²)
ΔE ColorChecker Calman: 7.32 | ∀{0.5-29.43 Ø4.74}
ΔE Greyscale Calman: 7.37 | ∀{0.09-98 Ø4.98}
66.1% sRGB (Argyll 1.6.3 3D)
42.2% AdobeRGB 1998 (Argyll 1.6.3 3D)
45.91% AdobeRGB 1998 (Argyll 3D)
66.4% sRGB (Argyll 3D)
44.4% Display P3 (Argyll 3D)
Gamma: 2.03
CCT: 6479 K
| HP Elite x2 1011 G1 1.920 x 1.080 Pixel (IPS) | Lenovo ThinkPad Helix 2 1.920 x 1.080 Pixel (IPS) | Toshiba Portege Z20t-B-10C 1.920 x 1.080 Pixel (IPS) | Dell Venue 11 Pro 7140 1.920 x 1.080 Pixel (IPS) | |
|---|---|---|---|---|
| Display | -4% | |||
| Display P3 Coverage (%) | 44.4 | 42.63 -4% | ||
| sRGB Coverage (%) | 66.4 | 63.6 -4% | ||
| AdobeRGB 1998 Coverage (%) | 45.91 | 44.1 -4% | ||
| Bildschirm | 24% | -9% | 17% | |
| Helligkeit Bildmitte (cd/m²) | 364 | 365 0% | 342 -6% | 386 6% |
| Brightness (cd/m²) | 331 | 342 3% | 301 -9% | 357 8% |
| Brightness Distribution (%) | 84 | 86 2% | 76 -10% | 84 0% |
| Schwarzwert * (cd/m²) | 0.44 | 0.329 25% | 0.393 11% | 0.4 9% |
| Kontrast (:1) | 827 | 1109 34% | 870 5% | 965 17% |
| Delta E Colorchecker * | 7.32 | 4.37 40% | 9.69 -32% | 3.71 49% |
| Delta E Graustufen * | 7.37 | 2.8 62% | 9.27 -26% | 5.4 27% |
| Gamma | 2.03 108% | 2.3 96% | 2.95 75% | 2.33 94% |
| CCT | 6479 100% | 6595 99% | 6010 108% | 6666 98% |
| Farbraum (Prozent von AdobeRGB 1998) (%) | 42.2 | 40.4 -4% | ||
| Color Space (Percent of sRGB) (%) | 66.1 | |||
| Durchschnitt gesamt (Programm / Settings) | 24% /
24% | -7% /
-8% | 17% /
17% |
* ... kleinere Werte sind besser
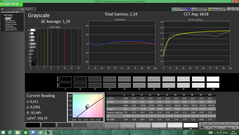
Erwartungsgemäß kommt das Elite x2 mit einem hochwertigen IPS-Panel daher, in diesem Fall ein Modell des Herstellers Samsung. Schwarzwert (0,44 cd/m²) und Kontrastverhältnis (827:1) bewegen sich auf einem typischen Niveau für diese Displaytechnologie; die nochmals leicht besseren Werte der direkten Konkurrenz sind mit bloßem Auge nicht sichtbar und bewegen sich im Rahmen normaler Fertigungs- und Messschwankungen. In Verbindung mit der Glare-Type-Oberfläche erscheint das Bild auch subjektiv ausgesprochen satt und kräftig.
Im Auslieferungszustand weist die Anzeige einen leichten Grünstich auf, der sich negativ auf die Farb- und Graustufenwiedergabe (Delta E jeweils größer 7,3) auswirkt. Nach erfolgter Kalibrierung – unser optimiertes ICC-Profil steht wie immer weiter oben zum Download bereit – sinken die Delta-E-Abweichungen auf akzeptable Werte von 3,3 (Farben) respektive 1,3 (Graustufen), was für einfache Anwendungsfälle aus dem Foto- und Grafikbereich vollkommen ausreicht. Profis dürften sich dagegen an dem stark eingeschränkten Farbraum mit lediglich 66,1 Prozent sRGB- und 42,2 Prozent AdobeRGB-Abdeckung stören.
Obwohl die Anzeige mit weit über 300 cd/m² erfreulich hohe Helligkeitsreserven bietet, muss im Außeneinsatz mit gewissen Einschränkungen gerechnet werden. Wie bei jedem nicht entspiegelten Display sind Reflexionen insbesondere bei direktem Sonnenschein ständige Begleiter, sodass man besser ein etwas schattigeres Plätzchen zum Arbeiten aufsucht.
Außeneinsatz
Anders als ein TN-Panel toleriert der verbaute IPS-Monitor auch extreme schräge Blickwinkel, ohne dass die Bildqualität übermäßig leidet. Zwar nimmt auch hier der Kontrast bei zunehmender Abweichung von der Senkrechten sichtbar ab, doch bleibt der Anwender von invertierenden Farben und extremen Gammaverschiebungen verschont. So können auch mehrere Nutzer zeitgleich den Bildinhalt einsehen, zudem muss das Gerät speziell im Tablet-Modus nicht exakt auf die Augen des Betrachters ausgerichtet werden.
Leistung
Mit Core M hat Intel Ende 2014 eine neue CPU-Baureihe aus der Taufe gehoben, die durch ihre besonders niedrige TDP von nur 4,5 Watt auch in ultramobilen 2-in-1-Geräten verbaut werden kann. Der von HP gewählte Core M-5Y51 repräsentiert das derzeit zweitschnellste Modell der Serie: Die beiden in 14-Nanometer-Technik gefertigten Broadwell-Kerne mit Hyper-Threading-Support takten mit 1,1 bis 2,6 GHz, die Größe des L3-Caches beträgt wie bei allen Core-M-Ablegern 4 MB.
Sämtliche Grafikberechnungen übernimmt die im Chip integrierte HD Graphics 5300 mit 24 Shader-Clustern, von Intel auch Execution Units (EUs) genannt. Technisch entspricht die GPU exakt der HD Graphics 5500 (zu finden in ULV-Modellen der 15-Watt-Klasse), allerdings wird der Taktspielraum von 300 bis 900 MHz durch die weitaus geringere TDP meist etwas schlechter ausgenutzt. API-seitig unterstützt die HD 5300 unter anderem den aktuellen DirectX-12-Standard, allerdings nur mit Feature Level 11_1.
Zur Speicherausstattung unseres Testgerätes gehören 8 GB fest verlöteter LPDDR3-RAM (LPDDR3-1600, Dual-Channel) sowie eine 256 GB große SSD. Auf mögliche Aufrüstoptionen darf der Käufer mangels Wartungsklappe leider nicht hoffen – die preiswertere Einstiegskonfiguration (4 GB RAM, 128-GB-SSD) erscheint uns darum kaum zukunftssicher und nur bedingt empfehlenswert.
Prozessor
Kommen wir noch einmal kurz auf die TDP der Core-M-Serie zu sprechen: Wie erwähnt, beträgt diese 4,5 Watt; allerdings steht es dem Notebookhersteller frei, bei ausreichender Kühlung eine Anpassung auf 6 Watt vorzunehmen. Dies ist beispielsweise beim Helix 2 oder Portege Z20t der Fall und führt dazu, dass der Turbo Boost öfters und stärker in Aktion tritt.
Überraschenderweise verzichtet HP sowohl im Netz- als auch im Akkubetrieb auf diese ebenso einfache wie effektive Maßnahme zur Leistungssteigerung. Selbst kurzzeitig wird der Core M-5Y51 bei knapp 6 Watt abgeregelt, um sich nach etwa 30 Sekunden bei den angesprochenen 4,5 Watt einzupendeln. Für die Praxis bedeutet das: Schon der Single-Threading-Test des Cinebench R15 wird mit nur 1,9 GHz bearbeitet (kurzzeitig bis 2,2 GHz), im Multi-Threading-Test geht der Takt sogar auf 1,4 GHz zurück (kurzzeitig bis 1,7 GHz). Dementsprechend mäßig fällt auch die Performance aus: In einigen Benchmarks muss sich das Elite x2 bis zu 20 Prozent hinter dem Dell Venue 11 Pro mit nominell schwächerer CPU (Core M-5Y10a, 800 - 2.000 MHz) einordnen. Selbst wenn der Hersteller dieses Verhalten aus thermischen Gründen beabsichtigt hat – warum dann nicht gleich ein kleineres, preiswerteres Core-M-Modell verbauen?
Massenspeicher
HP hat sich für eine 256-GB-SSD von Samsung entschieden, genauer gesagt das Modell MZNTE256HMHP aus der beliebten PM851-Serie im M.2-2280-Format. Neben der soliden Performance, die allerdings (speziell beim Schreiben) nicht ganz an die Toshiba HG6 des Portege Z20t herankommt, wollen wir insbesondere die integrierte 256-Bit-AES-Verschlüsselung sowie die hohe Energieeffizienz dieser Baureihe hervorheben. Obendrein sind Samsung-Laufwerke seit Jahren für ihre außerordentliche Zuverlässigkeit bekannt – gerade bei einem Business-Notebook die vielleicht wichtigste Eigenschaft überhaupt.
| HP Elite x2 1011 G1 Samsung SSD PM851 256 GB MZNTE256HMHP | Lenovo ThinkPad Helix 2 Toshiba THNSFJ256GDNU 256 GB | Toshiba Portege Z20t-B-10C Toshiba HG6 THNSNJ256GVNU | Dell Venue 11 Pro 7140 Sandisk X110 M.2 SD6SP1M-128G | |
|---|---|---|---|---|
| AS SSD | -3% | 23% | -26% | |
| Seq Read (MB/s) | 480 | 473.9 -1% | 513 7% | 405.4 -16% |
| Seq Write (MB/s) | 250 | 216.4 -13% | 457.2 83% | 134.7 -46% |
| 4K Read (MB/s) | 19.48 | 14.63 -25% | 21.4 10% | 19.3 -1% |
| 4K Write (MB/s) | 48.29 | 41.14 -15% | 76.8 59% | 33.22 -31% |
| 4K-64 Read (MB/s) | 366.5 | 544 48% | 355.3 -3% | 242 -34% |
| 4K-64 Write (MB/s) | 217.3 | 186.1 -14% | 182.1 -16% | 152.5 -30% |
System Performance
Unter dem nur eingeschränkt aktiven Turbo Boost leiden nicht nur einzelne CPU-Benchmarks, sondern die gesamte Systemleistung. Im PCMark 7 und 8 liegt das Elite x2 zwischen 10 und 20 Prozent hinter den Modellen von Lenovo und Toshiba, was sich mit unseren subjektiven Eindrücken deckt. Beim Aufbau und Scrollen komplexer Webseiten, Multitasking oder Installationsvorgängen wünscht man sich gelegentlich doch etwas größere Performance-Reserven, wenngleich wir hier auf relativ hohem Niveau meckern. Langsam oder träge reagiert das System nämlich keineswegs – nur bleibt zu bedauern, dass die konservative BIOS-Programmierung einen Teil des bestehenden Leistungspotentials verschenkt.
| PCMark 8 | |
| Home Score Accelerated v2 (nach Ergebnis sortieren) | |
| HP Elite x2 1011 G1 | |
| Lenovo ThinkPad Helix 2 | |
| Toshiba Portege Z20t-B-10C | |
| Dell Venue 11 Pro 7140 | |
| Work Score Accelerated v2 (nach Ergebnis sortieren) | |
| HP Elite x2 1011 G1 | |
| Lenovo ThinkPad Helix 2 | |
| Toshiba Portege Z20t-B-10C | |
| Dell Venue 11 Pro 7140 | |
| Creative Score Accelerated v2 (nach Ergebnis sortieren) | |
| HP Elite x2 1011 G1 | |
| Lenovo ThinkPad Helix 2 | |
| Toshiba Portege Z20t-B-10C | |
| PCMark 7 - Score (nach Ergebnis sortieren) | |
| HP Elite x2 1011 G1 | |
| Lenovo ThinkPad Helix 2 | |
| Toshiba Portege Z20t-B-10C | |
| Dell Venue 11 Pro 7140 | |
| Microsoft Surface Pro 3 | |
| PCMark 7 Score | 4087 Punkte | |
| PCMark 8 Home Score Accelerated v2 | 2397 Punkte | |
| PCMark 8 Creative Score Accelerated v2 | 2705 Punkte | |
| PCMark 8 Work Score Accelerated v2 | 3480 Punkte | |
Hilfe | ||
Grafikkarte
Die Auswirkungen der TDP-Beschränkung betreffen neben der CPU natürlich auch die integrierte Grafikeinheit HD Graphics 5300, die im 3DMark gegenüber ähnlich ausgestatteten Kontrahenten merklich zurückfällt. Anders als beim Prozessor-Part sehen wir hier aber kein größeres Problem – für aufwändige 3D-Software ist die GPU so oder so zu langsam, wohingegen die flüssige Beschleunigung des Windows-Desktops selbst auf einem externen 4K-Display mühelos gelingt. Die Wiedergabe von H.264-Videos (4K, 100 Mbit/s) meistert der Broadwell-Chip ebenfalls mit links, lediglich H.265/HEVC zwingt den Hybrid-Decoder mit steigender Auflösung und Bitrate in die Knie (vereinzelte Framedrops bei 4K und 2,6 Mbit/s). Erst Intels kommende CPU-Generation Skylake hat dedizierte Fixed-Function-Hardware zur Verarbeitung des noch recht jungen Video-Codecs an Bord.
| 3DMark | |
| 1280x720 Ice Storm Standard Score (nach Ergebnis sortieren) | |
| HP Elite x2 1011 G1 | |
| Lenovo ThinkPad Helix 2 | |
| Toshiba Portege Z20t-B-10C | |
| Dell Venue 11 Pro 7140 | |
| Microsoft Surface Pro 3 | |
| 1280x720 Cloud Gate Standard Score (nach Ergebnis sortieren) | |
| HP Elite x2 1011 G1 | |
| Lenovo ThinkPad Helix 2 | |
| Toshiba Portege Z20t-B-10C | |
| Dell Venue 11 Pro 7140 | |
| Microsoft Surface Pro 3 | |
| 1920x1080 Fire Strike Score (nach Ergebnis sortieren) | |
| HP Elite x2 1011 G1 | |
| Lenovo ThinkPad Helix 2 | |
| Toshiba Portege Z20t-B-10C | |
| Dell Venue 11 Pro 7140 | |
| Microsoft Surface Pro 3 | |
| 3DMark 06 Standard Score | 4144 Punkte | |
| 3DMark 11 Performance | 625 Punkte | |
| 3DMark Ice Storm Standard Score | 29336 Punkte | |
| 3DMark Cloud Gate Standard Score | 2946 Punkte | |
| 3DMark Fire Strike Score | 371 Punkte | |
Hilfe | ||
Gaming Performance
Angesichts der begrenzten Grafikleistung bewältigt das Convertible nur wenige Spiele der jüngeren Vergangenheit mit akzeptablen Frameraten. Dazu zählen beispielsweise Titel wie Tomb Raider oder Dota 2, aber auch das in Minimal-Settings sehr anspruchslose Dirt Rally. Ein Far Cry 4, Evolve oder The Witcher 3 braucht man dagegen gar nicht erst zu installieren – selbst 1.024 x 768 Pixel und niedrigste Einstellungen führen hier zu meist einstelligen Bildraten.
| min. | mittel | hoch | max. | |
|---|---|---|---|---|
| Tomb Raider (2013) | 31 | 16.2 | 9.8 | |
| BioShock Infinite (2013) | 12.3 | 10.6 | ||
| Dota 2 (2013) | 33.1 | 21.4 | 9.8 | |
| Dirt Rally (2015) | 41 | 12.5 | ||
| The Witcher 3 (2015) | 6.2 | 3.7 | ||
| Batman: Arkham Knight (2015) | 5 | 4 |
Emissionen
Geräuschemissionen
Auf den ersten Blick erinnern die schmalen Gitter an der Rückseite des Tablets an Lautsprecheröffnungen – tatsächlich versteckt sich dahinter jedoch ein kleiner Lüfter, der die Abwärme des Prozessors nach außen befördern soll. Dies erstaunt uns dann doch etwas – wenn Lenovo und Toshiba sogar einen auf 6 Watt gedopten Core M rein passiv kühlen können, warum schafft HP dies bei nur 4,5 Watt nicht?
Immerhin können wir konstatieren: Wer sein Ohr nicht direkt an den Luftauslass hält, dürfte den zierlichen Ventilator schwerlich bemerken. Im Alltag schaltet sich selbiger meist komplett ab und auch anhaltende Volllast treibt den Lärmpegel kaum über 30 bis 31 dB(A) – das entspricht etwa dem leisen Säuseln einer mechanischen Festplatte im Leerlauf.
Lautstärkediagramm
| Idle |
| 29.1 / 29.1 / 29.1 dB(A) |
| Last |
| 30.1 / 31 dB(A) |
![]() | ||
30 dB leise 40 dB(A) deutlich hörbar 50 dB(A) störend |
||
min: | ||
Temperatur
Wer den zusätzlichen Lüfter nun gleich als überflüssig abtut, urteilt vorschnell: Anders als das ThinkPad Helix 2 oder Portege Z20t bleibt das Elite x2 auch in Extremsituationen angenehm kühl. Nicht einmal unser bei sommerlichen Verhältnissen durchgeführter Stresstest erwärmt das Gehäuse über 37 °C, während die Konkurrenz teils deutlich die 40-Grad-Marke knackt.
Auch die Hardware bleibt von kritischen Temperaturen verschont und vermeldet, belastet mit Prime95 und FurMark, Werte von rund 60 °C. Limitiert durch die niedrige TDP muss der Core M leider dennoch stark throtteln und seine Taktraten auf 500 MHz (CPU) respektive 300 MHz (GPU) reduzieren. Schade, dass HP nicht einen optionalen "Power-Modus" integriert hat, der unter Inkaufnahme einer etwas höheren Leistungsaufnahme mehr Performance bereitstellt – thermisch würde das Convertible dank aktiver Kühlung dafür jede Menge Reserven bieten.
Mittels der Wärmebild-Kamera Therm-App von Opgal Optronic haben wir die Hitzeentwicklung des Elite x2 auch visuell untersucht. In unserer Aufnahme bei voller Hardwareauslastung sticht vor allem der Luftauslass oben rechts am Gerät deutlich hervor, der den einzigen nennenswerten Hotspot des Gerätes darstellt. Ansonsten zeigt das Chassis, wie bereits zuvor beschrieben, keinerlei Anzeichen für eine nennenswerte Erwärmung.
(+) Die maximale Temperatur auf der Oberseite ist 36.6 °C. Im Vergleich liegt der Klassendurchschnitt bei 35.4 °C (von 19.6 bis 60 °C für die Klasse Convertible).
(+) Auf der Unterseite messen wir eine maximalen Wert von 37.3 °C (im Vergleich zum Durchschnitt von 36.9 °C).
(+) Ohne Last messen wir eine durchschnittliche Temperatur von 28.5 °C auf der Oberseite. Der Klassendurchschnitt erreicht 30.3 °C.
(+) Die Handballen und der Touchpad-Bereich erreichen maximal 35.7 °C und damit die typische Hauttemperatur und fühlen sich daher nicht heiß an.
(-) Die durchschnittliche Handballen-Temperatur anderer getesteter Geräte war 28 °C (-7.7 °C).
Lautsprecher
Unterhalb des Displays hat HP zwei Stereolautsprecher eingebaut, die den Anwender direkt anstrahlen. Dem brillianten Hochtonbereich stehen relativ niedrige Pegelreserven so wie praktisch nicht vorhandene Bässe gegenüber, sodass wir insgesamt von einer nur mittelmäßigen Gesamtvorstellung sprechen können. Für Filme oder Musik empfiehlt sich darum der Anschluss externer Boxen mittels 3,5-Millimeter-Klinke oder DisplayPort (ggf. per Adapter auf HDMI).
Energieverwaltung
Energieaufnahme
Bei ruhendem Windows-Desktop, minimaler Displayhelligkeit und deaktivierten Funkmodulen saugt das Elite x2 rekordverdächtig niedrige 1,5 Watt aus der Steckdose – ein beeindruckender Beleg für die Energiesparfähigkeiten der Core-M-Plattform. Bei maximierter Hintergrundbeleuchtung steigt der Verbrauch auf bis zu 4,0 Watt, ein weiteres Watt genehmigt sich der WLAN-Adapter.
Auch unter Last bleibt das Convertible ausgesprochen genügsam. Direkt nach dem Start des Stresstests vermeldet unser Messgerät Spitzenwerte von knapp 17 Watt, langfristig lassen sich höchstens 13 bis 14 Watt beobachten. Das mitgelieferte 45-Watt-Netzteil erscheint da fast schon überdimensioniert.
| Idle | |
| Last |
|
Legende:
min: | |
Akkulaufzeit
Neben dem 33-Wh-Akku im Tablet selbst hat HP noch einen weiteren Energiespeicher im Tastatur-Dock versteckt, der zusätzliche 21 Wh bereitstellt. Insgesamt kommt das Gerät damit auf 54 Wh – mehr als das Helix 2 (35 Wh) oder Venue 11 Pro (38 Wh, beide ohne Zweitakku getestet) bieten, aber keine Konkurrenz für die 72 Wh des Portege Z20t.
In Verbindung mit seinem niedrigen Energiebedarf erzielt das Elite x2 überaus stattliche Laufzeiten. Bei praxisnaher Nutzung, das heißt angepasster Displayhelligkeit (rund 150 cd/m²) und Browsing via WLAN, sind locker 11 Stunden und mehr möglich. Einziger Wermutstropfen: Trotz kräftigem Netzteil werden die Akkus nur extrem langsam geladen – rund zweieinhalb Stunden benötigt jeder der beiden, was infolge der sequentiellen Ladestrategie zu einer Gesamtdauer von satten 5 Stunden führt.
| HP Elite x2 1011 G1 54 Wh | Lenovo ThinkPad Helix 2 35 Wh | Toshiba Portege Z20t-B-10C 72 Wh | Dell Venue 11 Pro 7140 38 Wh | Microsoft Surface Pro 3 42 Wh | |
|---|---|---|---|---|---|
| Akkulaufzeit | -28% | 26% | -21% | -27% | |
| Idle (h) | 17.7 | 16.1 -9% | 26.9 52% | 13 -27% | 18.3 3% |
| H.264 (h) | 11 | 6 -45% | 13.1 19% | ||
| WLAN (h) | 11.3 | 12.7 12% | |||
| Last (h) | 4.8 | 3.3 -31% | 5.8 21% | 4.1 -15% | 2.1 -56% |
| WLAN (alt) (h) | 6.6 | 9.4 | 8.4 |
Fazit
Pro
Contra
Die Konkurrenz hat vorgelegt: Modelle wie das Lenovo ThinkPad Helix 2 und Toshiba Portege Z20t zeigen, was man von einem modernen Business-Detachable alles erwarten darf. Dennoch ist es HP gelungen, mit Elite x2 1011 G1 eigene Akzente zu setzen – einige im positiven, andere eher im negativen Sinne.
Ausdrücklich loben wollen wir das durchgängig hohe Qualitätsniveau des gesamten Gerätes, die knackige Tastatur sowie das helle und blickwinkelstabile IPS-Display. Sollte letzteres einmal nicht ausreichen, lassen sich mittels DisplayPort auch 4K-Monitore in 60 Hz ansteuern – ein dicker Pluspunkt gegenüber vielen Kontrahenten. Praxisnahe Akkulaufzeiten von über 11 Stunden sowie geringe Emissionen (trotz beziehungsweise gerade wegen des integrierten Lüfters) runden die Vorstellung ab.
In anderen Disziplinen sehen wir dagegen noch Verbesserungspotential: Schnelles ac-WLAN, ordentliche Kamerasensoren sowie ein Touchpad mit physischen Tasten sollten in dieser Preis- und Geräteklasse eigentlich selbstverständlich sein. Vor allem aber enttäuscht die mäßige Performance des teuer bezahlten Core M-5Y51, der mit angepassten Energieeinstellungen deutlich mehr leisten könnte. All das macht aus dem Elite x2 zwar noch lange kein schlechtes Produkt; ein vergleichender Blick auf die erwähnten Konkurrenten erscheint aber in jedem Fall ratsam.
HP Elite x2 1011 G1
- 16.08.2015 v4 (old)
Sebastian Jentsch





















































