Test Lenovo TAB 2 A10-70 Tablet

Vorgestellt wurden das neue Lenovo TAB 2 A10-70 (10 Zoll) sowie das kleinere TAB 2 A8 (8 Zoll) auf dem diesjährigen Mobile World Congress. Das neue Android Tablet ist dabei der Nachfolger des IdeaPad A10 Tablet, das wir letzten Sommer im Test hatten. Lenovo ist natürlich kein Unbekannter auf dem Tablet-Markt und bietet das volle Programm, angefangen bei dem günstigen Android Gerät TAB 2 A7-10 (7 Zoll) für 80 US-Dollar bis hin zu dem ThinkPad 10 mit Windows, welches sich an Geschäftskunden richtet und zwischen 590 und 890 US-Dollar kostet. Im TAB 2 A8 für 120 US-Dollar kommt ein 1,3 GHz schneller MediaTek MT8161 Quad-Core-SoC zum Einsatz.
Zum Zeitpunkt des Tests bietet der chinesische Hersteller zwei günstige A10 Modelle an, die sich lediglich im Hinblick auf die Speicherausstattung unterscheiden: Unser Testgerät für rund 200 US-Dollar bietet 16-GB-eMMC-Speicher, während die 32-GB-Version 20 US-Dollar mehr kostet. Beide Modelle verwenden ein 10 Zoll großes Full-HD-IPS-Display mit einer Auflösung von 1.920 x 1.200 Pixeln. Damit bewegt sich das Gerät auf Augenhöhe mit Lenovos eigenem Yoga Tablet 2 (mit integriertem Stand) für 250 US-Dollar sowie dem Acer Iconia Tab 10 A3-A30, welches im Internet für etwa 270 US-Dollar gelistet wird.
Einige Konkurrenten, wie beispielsweise das Samsung Galaxy Tab A 9.7, haben deutlich geringere Auflösungen – in diesem Fall nur 1.024 x 768 Pixel – während die Anzahl der Pixel bei anderen Modellen deutlich höher ausfällt. Ein Beispiel dafür ist das High-End-Tablet Samsung Galaxy Tab S 8.4, welches auf seinem 8,4 Zoll großen Panel enorme 2.560 x 1.600 Pixel darstellt, oder auch der Dauerbrenner Apple iPad Air 2 mit 2.048 x 1.536 Pixeln.
Im deutschsprachigen Raum ist das Tablet bisher nur bei vereinzelten Händlern erhältlich und wird auch noch nicht auf der offiziellen Lenovo Homepage gelistet. Neben der hier getesteten Version mit 16 GB für aktuell rund 250 Euro gibt es noch eine LTE-Version mit 16 GB Speicher, die für etwa 310 Euro erhältlich ist. In dieser Version kommt ein MediaTek MT8732 zum Einsatz, der mit einem etwas geringeren Takt von 1,5 GHz betrieben wird. Ansonsten sind die Spezifikation aber identisch.
Gehäuse
Das Gehäusedesign ist ziemlich unauffällig, dank der abgerundeten Ecken und Kanten sowie der Kunststoff-Rückseite in "Midnight Blue" aber nicht notwendigerweise langweilig. Eine weiße Farbvariante ist ebenfalls erhältlich. Auf der Rückseite befindet sich ein horizontaler perforierter Streifen, hinter dem sich die Lautsprecher samt Dolby-Atmos-Technologie verstecken. Zudem befindet sich die Kamera in der Mitte dieses Streifens. Der Bildschirmrand auf der Vorderseite ist ziemlich breit. Das hilft zwar nicht dem Design, aber es hat den Vorteil, dass die Finger den Touchscreen beim Halten nicht versehentlich berühren. Das war bei unserem Test des Dell Venue 8 7000 mit seinem sehr dünnen Rahmen noch ein häufiges Problem.
Die Stabilität hinterlässt einen guten Eindruck, und auch Druck auf die Rückseite führt nur zu minimalem Nachgeben. Das gilt prinzipiell auch für die Verwindungssteifigkeit, allerdings wurden unsere Versuche mit Knarzgeräuschen aus der unteren linken Ecke (im Querformat gehalten) quittiert. Die Passungen sind aber genau und die Materialübergänge kaum spürbar.
Mit einer Dicke von 8,9 mm und einem Gewicht von 518 Gramm ist das TAB 2 A10 ausreichend dünn und leicht für ein günstiges Gerät. Damit unterbietet unser Testgerät das Acer Iconia Tab 10 A3-A20, aber mit extrem dünnen und teureren Geräten wie beispielsweise dem iPad Air 2 (6,1 mm, 444 g) kann es erwartungsgemäß natürlich nicht mithalten.
Ausstattung
Wie erwartet ist die Anschlussvielfalt recht eingeschränkt. Man bekommt einen Micro-USB-Anschluss sowie einen Micro-SD-Slot, jedoch keine physikalischen Videoausgänge. Andere – minimal teurere – günstige Geräte, wie z. B. das zuvor genannte Iconia Tab 10 A3-A20 oder Lenovos eigenes Tablet 10, verfügen zusätzlich über einen Mini-HDMI-Anschluss. Der Micro-USB-Anschluss unterstützt USB-OTG und erkannte problemlos unseren Speicherstick. Der Micro-SD-Einschub (bis zu 64 GB) befindet sich hinter einer Klappe hinten links. Dort ist bei entsprechenden Modellen außerdem der Einschub für SIM-Karten platziert.
Kommunikation & GPS
Die WLAN-Konnektivität wird von einem Dual-Band-Modul bereitgestellt (2,4 GHz 802.11 b/g/n + 5 GHz 802.11 a), das zudem Bluetooth 4.0 unterstützt. Die Verbindung mit unserem Router (Netgear Nighthawk) war kein Problem, und selbst bei einer Entfernung von rund 10 Metern war die Signalqualität noch sehr gut (-57 dBm).
Aktuell bietet Lenovo lediglich die WLAN-Version des TAB 2 A10 an, zukünftig sollte es aber auch ein Modell mit 4G-Konnektivität geben.
Das GPS-Modul unterstützt sowohl Glonass als auch BeiDou und konnte die Position im Freien innerhalb von 30-45 Sekunden mit einer Genauigkeit von rund 7 Metern bestimmen. Der Satfix war im Gebäude fast genauso schnell, aber die Genauigkeit war geringer. Die Qualität des GPS-Moduls ist eine willkommene Überraschung, denn viele andere Geräte brauchen teilweise deutlich länger, bevor die Satelliten gefunden werden.
Kameras & Multimedia
Die 5-MP-Kamera auf der Vorderseite (fester Fokus) bietet trotz der höheren Auflösung nur durchschnittliche Qualität für ein Einstiegsgerät. Die Bilder zeigen ausreichend viele Details und auch recht akkurate Farben, allerdings kann man deutlich einen violetten Rand erkennen. Bei schlechten Lichtverhältnissen ist die Leistung enttäuschend, da die Bilder aufgrund von starkem Rauschen viel zu dunkel und grobkörnig wirken. Für Videoanrufe oder Selfies reicht die Qualität bei guter Ausleuchtung aber dennoch aus. Der 8-MP-Sensor auf der Rückseite verfügt über einen Autofokus und produziert recht ansehnliche Ergebnisse. Auch auf der Rückseite gibt es keinen Blitz, bei Aufnahmen in Räumen kann es also ebenfalls zu Bildrauschen kommen, und die Bilder bei schlechten Lichtverhältnissen sind erneut zu dunkel. Alles in allem bieten die beiden Kameras eine angemessene Leistung, die – wenn auch nur marginal – andere günstige Tablets übertrifft.
Zubehör
In Anbetracht der Zielgruppe gibt es kein spezielles Zubehör für das Gerät, Lenovo vertreibt jedoch verschiedene universelle Artikel wie eine Tablet-Tastatur von Logitech für 75 US-Dollar oder eine Folio-Schutzhülle für 20 US-Dollar.
Software
Ursprünglich wurde das TAB 2 A10-70 mit Android 4.4 KitKat ausgeliefert, im Juli hat Lenovo aber ein Update auf Version 5.0 veröffentlicht. Auf unserem Testgerät war bereits Lollipop 5.0.1 vorinstalliert. Glücklicherweise hat Lenovo keine großen Änderungen an dem Google Betriebssystem vorgenommen, die Bedienung ist also ziemlich selbsterklärend, und viel Bloatware gibt es auch nicht
Garantie
Der standardmäßige Garantiezeitraum des TAB 2 A10 beläuft sich auf ein Jahr und kann für zusätzliche 47 US-Dollar auf zwei Jahre verlängert werden.
Eingabegeräte
Der kapazitive Touchscreen des TAB 2 A10 erkennt zuverlässig bis zu 10 Eingaben gleichzeitig.
Lenovo installiert lediglich die normale Android Tastatur, die auch Swype-Eingaben unterstützt. Es ist aber natürlich möglich, andere Tastaturen aus dem Google Play Store zu laden. Dank dem integrierten Pager-Motor steht auch ein haptisches Feedback zur Verfügung, falls man es möchte. Das Tippen auf dem 10-Zoll-Display ist natürlich deutlich angenehmer als bei kleineren Geräten, und es gibt weniger Fehleingaben. Dank der abgerundeten Rückseite lässt sich das Tablet leicht halten, und die leicht gummierte Beschichtung verhindert das Abrutschen. Die physikalischen Tasten bieten zwar nur wenig Rückmeldung und könnten für unseren Geschmack ein wenig größer ausfallen, aber insgesamt erfüllen sie ihren Zweck dennoch recht gut.
Display
Das A10-70 verwendet ein 10,1 Zoll großes IPS-Display mit einer Auflösung von 1.920 x 1.200 Pixeln und einem Seitenformat von 16:10. Daraus ergibt sich eine Pixeldichte von 224 ppi, was vor allem im Vergleich zu vielen Konkurrenten mit geringeren Auflösungen angemessen ist. Texte und Bilder sind scharf, und man kann auch keine ausgefransten Kanten sehen. Die Farben sind nicht ganz so lebendig wie bei teureren Geräten, aber sollten die meisten Nutzer trotzdem zufriedenstellen.
Wir bestimmen die Helligkeit des Panels über neun verschiedene Quadranten. Das durchschnittliche Ergebnis liegt bei 335 cd/m² und damit auf dem Niveau von vielen anderen günstigen Tablets, fällt aber hinter das Lenovo Yoga Tablet 2 (fast 400 cd/m²) zurück. High-End-Geräte leuchten dennoch deutlich heller: Das Samsung Galaxy Tab S 8.4 übertrifft 500 cd/m², wenn die automatische Helligkeitssteuerung aktiviert ist.
Dank dem sehr geringen Schwarzwert ergibt sich ein erstaunlich hohes Kontrastverhältnis von 1.848:1, wodurch die Wiedergabe von Videos zum Genuss wird. Keines der bisher genannten Tablets kann da mithalten – selbst das Apple iPad Air 2 fällt mit 700:1 deutlich zurück. OLED-Bildschirme wie beim Galaxy Tab S 8.4 haben einen Schwarzwert von 0 cd/m² und damit theoretisch ein unendliches Kontrastverhältnis. Natürlich ist das Tab S 8.4 aber auch deutlich teurer und es hat einen kleineren Bildschirm.
| |||||||||||||||||||||||||
Ausleuchtung: 88 %
Helligkeit Akku: 352.9 cd/m²
Kontrast: 1848:1 (Schwarzwert: 0.191 cd/m²)
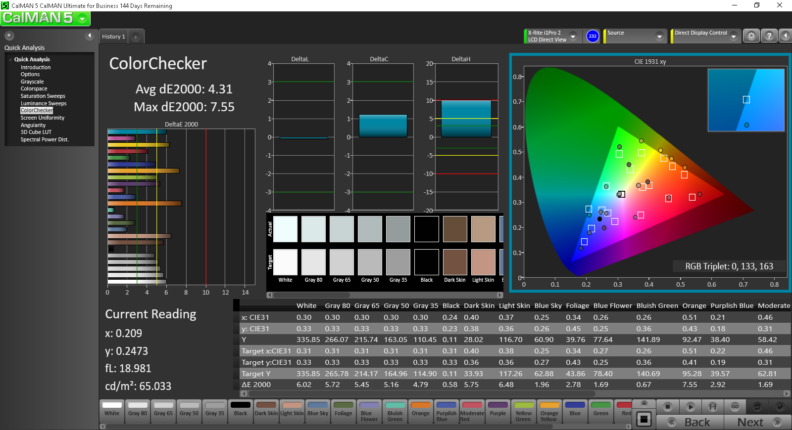
ΔE ColorChecker Calman: 4.31 | ∀{0.5-29.43 Ø4.74}
ΔE Greyscale Calman: 4.36 | ∀{0.09-98 Ø4.98}
Gamma: 2.33
CCT: 7045 K
| Lenovo TAB2 A10-70 Mali-T760 MP2, MT8165, 16 GB eMMC Flash | Acer Iconia Tab 10 A3-A30 HD Graphics (Bay Trail), Z3735F, 32 GB eMMC Flash | Lenovo Yoga Tablet 2 1050F HD Graphics (Bay Trail), Z3745, 16 GB eMMC Flash | Samsung Galaxy Tab A 9.7 SM-T555 Adreno 306, 410 APQ8016, 16 GB eMMC Flash | Apple iPad Air 2 2014 PowerVR GXA6850, A8X, 128 GB eMMC Flash | HP Pavilion 10-k000ng x2 HD Graphics (Bay Trail), Z3736F, 32 GB eMMC Flash | |
|---|---|---|---|---|---|---|
| Display | ||||||
| Display P3 Coverage (%) | 42.73 | |||||
| sRGB Coverage (%) | 64.3 | |||||
| AdobeRGB 1998 Coverage (%) | 44.15 | |||||
| Bildschirm | -39% | -28% | -26% | -21% | -9% | |
| Helligkeit Bildmitte (cd/m²) | 352.9 | 343 -3% | 424 20% | 394 12% | 423 20% | 329 -7% |
| Brightness (cd/m²) | 335 | 328 -2% | 399 19% | 392 17% | 427 27% | 302 -10% |
| Brightness Distribution (%) | 88 | 88 0% | 88 0% | 80 -9% | 92 5% | 88 0% |
| Schwarzwert * (cd/m²) | 0.191 | 0.38 -99% | 0.43 -125% | 0.51 -167% | 0.61 -219% | 0.27 -41% |
| Kontrast (:1) | 1848 | 903 -51% | 986 -47% | 773 -58% | 693 -62% | 1219 -34% |
| Delta E Colorchecker * | 4.31 | 6.86 -59% | 5.42 -26% | 3.59 17% | 2.86 34% | 3.93 9% |
| Delta E Graustufen * | 4.36 | 6.95 -59% | 6.04 -39% | 4.25 3% | 2.37 46% | 3.42 22% |
| Gamma | 2.33 94% | 2.32 95% | 2.6 85% | 2.56 86% | 2.43 91% | 2.36 93% |
| CCT | 7045 92% | 7249 90% | 6740 96% | 7148 91% | 6941 94% | 6982 93% |
| Farbraum (Prozent von AdobeRGB 1998) (%) | 88 | 41 | ||||
| Durchschnitt gesamt (Programm / Settings) | -39% /
-39% | -28% /
-28% | -26% /
-26% | -21% /
-21% | -9% /
-9% |
* ... kleinere Werte sind besser
Unsere Analyse mit einem Fotospektrometer und der CalMAN-Software zeigt sehr ordentliche DeltaE-Abweichungen von etwa 4,5 sowohl für die Graustufen als auch die Farben. Selbst bei höheren Sättigungsleveln bleiben die Farben recht akkurat, und es gibt nur einige Ausreißer. Die Farbtemperatur ist mit 7.000 K etwas kühl, aber es gibt praktisch keinen sichtbaren Blaustich.
Im Freien schlägt sich der Bildschirm ganz gut, direkte Sonneneinstrahlung sollte aber in jedem Fall vermieden werden. Die Reflektionen des überaus spiegelnden Displays können trotz der recht hohen Helligkeit nicht kompensiert werden. Im Schatten oder innerhalb von Räumen gibt es jedoch keine Einschränkungen.
Die Blickwinkel sind IPS-typisch sehr gut. Selbst aus sehr flachen Winkeln bleibt der Bildschirminhalt stets perfekt ablesbar, und es kommt zu keinen negativen Effekten wie einem dunkleren Display oder Farbinvertierungen. Es ist daher kein Problem, den Inhalt auch mit mehreren Personen gleichzeitig zu betrachten.
Leistung
Bei der Ankündigung der neuen Tablets von Lenovo war das TAB 2 A10 noch mit einem 1,5 GHz schnellen MediaTek MT8165 Quad-Core-Prozessor ausgerüstet. Seitdem hat Lenovo aber die Spezifikationen überarbeitet, und laut der Produktseite liegt der Takt jetzt bei 1,7 GHz. Das Tool "Droid Info" bestätigt diesen Wert.
Der SoC unterstützt 64 Bit und basiert auf dem Coretx-A53-Design. Die Leistung sollte für die meisten Anwendungsbereiche wie dem Surfen im Internet oder einfachen Anwendungen ausreichen. Die Geekbench-3-Ergebnisse zeigen, dass sich das TAB 2 A10 auf dem Niveau des Acer Iconia Tab 3 A3-A30 befindet, welches einen Intel Atom Z3736F nutzt. Obwohl sich die Browser-Ergebnisse im Vergleich nicht auszeichnen können, hatten wir nicht das Gefühl, dass sich das Tablet beim Surfen langsam anfühlt.
| PCMark for Android - Work performance score (nach Ergebnis sortieren) | |
| Lenovo TAB2 A10-70 | |
| Acer Iconia Tab 10 A3-A30 | |
| AnTuTu v5 - Total Score (nach Ergebnis sortieren) | |
| Lenovo TAB2 A10-70 | |
| Acer Iconia Tab 10 A3-A30 | |
| Lenovo Yoga Tablet 2 1050F | |
| Samsung Galaxy Tab A 9.7 SM-T555 | |
| Octane V2 - Total Score (nach Ergebnis sortieren) | |
| Lenovo TAB2 A10-70 | |
| HP Pavilion 10-k000ng x2 | |
| Acer Iconia Tab 10 A3-A30 | |
| Lenovo Yoga Tablet 2 1050F | |
| Samsung Galaxy Tab A 9.7 SM-T555 | |
| Apple iPad Air 2 2014 | |
| Google V8 Ver. 7 - Google V8 Ver. 7 Score (nach Ergebnis sortieren) | |
| Lenovo TAB2 A10-70 | |
| Acer Iconia Tab 10 A3-A30 | |
| Lenovo Yoga Tablet 2 1050F | |
| Samsung Galaxy Tab A 9.7 SM-T555 | |
| Apple iPad Air 2 2014 | |
| Mozilla Kraken 1.1 - Total (nach Ergebnis sortieren) | |
| Lenovo TAB2 A10-70 | |
| HP Pavilion 10-k000ng x2 | |
| Acer Iconia Tab 10 A3-A30 | |
| Lenovo Yoga Tablet 2 1050F | |
| Samsung Galaxy Tab A 9.7 SM-T555 | |
| Apple iPad Air 2 2014 | |
* ... kleinere Werte sind besser
System Performance
Dank dem Quad-Core-SoC sowie 2 GB Arbeitsspeicher lässt die Systemleistung kaum Wünsche offen – vor allem im Hinblick auf den geringen Preis. Selbst Multitasking war kein großes Problem, und es gab nur selten spürbare Verzögerungen. Die Wiedergabe von Videos war unabhängig von der Videoqualität stets ruckelfrei.
Storage Devices
Wie wir bereits in der Einleitung erwähnt haben, bietet Lenovo das TAB 2 10 entweder mit 16 GB oder 32 GB internem Speicher an. Bei unserem Testgerät handelt es sich um die kleinere Variante, bei der nur etwa 10,5 GB für den Nutzer zur Verfügung stehen. Das Upgrade auf 32 GB kostet gerade einmal 20 US-Dollar und ist daher auf jeden Fall empfehlenswert. Es gibt natürlich auch die Möglichkeit, den Speicher via MicroSD-Karte (maximal 64 GB) zu erweitern.
Wir nutzen das Tool AndroBench 3, um die Leistung des eMMC-Flash-Speichers zu überprüfen. Die sequentiellen Leseraten liegen auf dem Niveau von deutlich teureren Tablets, aber die sequentielle Schreibleistung und die zufälligen Lese- und Schreibtransfers sind langsamer als erwartet. Für das Preissegment ist die Leistung aber in Ordnung.
| 3DMark Ice Storm Standard Score | 10061 Punkte | |
Hilfe | ||
Grafikkarte
Die integrierte ARM Mali-T760 MP2 läuft mit 500 MHz und ist mit etwas unter 5.800 Punkten in Ice Storm Extreme sicherlich kein Leistungswunder. Bei der reinen Leistung kann es die ARM-GPU einfach nicht mit der Intel HD Graphics (Bay Trail) des Atom Prozessors im Acer Iconia Tab 10 A3-A30 aufnehmen. Acers Tablet erreicht im gleichen Benchmark rund 8.000 Punkte – ein Vorsprung von fast 40 %. Allerdings lassen sich auch komplexere Titel wie Dead Trigger ohne spürbare Ruckler spielen. Simple Titel wie Angry Birds sind selbstverständlich kein Problem.
Emissionen
Temperatur
Im Leerlauf liegen die Oberflächentemperaturen sowohl auf der Vorder- als auch auf der Rückseite unter 30 °C und es gibt auch keine erkennbaren Hotspots. Während des Sresstests, der sowohl die CPU als auch die GPU gleichzeitig belastet, erwärmt sich die obere linke Ecke (im Querformat) auf maximal 36 °C, was immer noch ein gutes Ergebnis ist und keinen Anlass zur Sorge bereitet. Im Alltag sollten die Temperaturen deutlich geringer ausfallen, allerdings werden die Finger an der linken Hand immer spürbar wärmer sein.
(+) Die maximale Temperatur auf der Oberseite ist 32 °C. Im Vergleich liegt der Klassendurchschnitt bei 33.6 °C (von 20.7 bis 53.2 °C für die Klasse Tablet).
(+) Auf der Unterseite messen wir eine maximalen Wert von 36.4 °C (im Vergleich zum Durchschnitt von 33.2 °C).
(+) Ohne Last messen wir eine durchschnittliche Temperatur von 25.9 °C auf der Oberseite. Der Klassendurchschnitt erreicht 30 °C.
Lautsprecher

In der Regel erwartet man von günstigen mobilen Geräten einen blechernen und schlechten Klang – was in den meisten Fällen auch zutrifft. Das TAB 2 A10 unterscheidet sich in dieser Hinsicht jedoch, denn die Lautsprecher übertreffen unsere Erwartungen deutlich. Zudem unterstützen die Lautsprecher, die sich hinter dem horizontalen Streifen auf der Rückseite befinden, die Dolby-Atmos-Technologie. Mit aktiviertem Virtual Surround Sound gibt es einen hörbaren Unterschied, und sowohl die Klarheit als auch die Räumlichkeit übertreffen andere günstige Geräte, richtiger 3D-Sound entsteht aber dennoch nicht. Stimmen können zudem etwas schrill klingen, und Bass ist natürlich nicht vorhanden – was durch die immer dünneren Konstruktionen aber auch keine Überraschung ist. Aufgrund der Position der Lautsprecher ändert sich das Klangbild deutlich, wenn man das Tablet auf einen festen Untergrund legt. Bei der Verwendung von Kopfhörern kommt der 3D-Effekt sehr gut zur Geltung. Natürlich könnte man argumentieren, dass Stereo-Sound niemals von hinten kommen sollte – aber vermutlich werden viele Nutzer die Vorteile des aktivierten Sound Virtualizers schätzen.
Akkulaufzeit
Für unseren WLAN-Test stellen wir die Hintergrundbeleuchtung auf 150 cd/m² ein – im Fall des TAB 2 A10 rund 50 % der maximalen Helligkeit – und führen dann unser WLAN-Skript aus. Das Tablet hält mit seinem 7.200-mAh-Akku etwa 8,5 Stunden durch, was durchaus ein angemessenes Ergebnis ist und auf dem Niveau des Acer Iconia Tab 10 A3-A30 liegt. Samsungs Galaxy Tab A 9.7 spielt hier mit mehr als 14 Stunden in einer anderen Liga, aber die meisten Nutzer sollten einen normalen Tag abseits der Steckdose überstehen.
Für Verwunderung sorgte das Ergebnis für die minimale Laufzeit, denn es war sehr ähnlich zum WLAN-Test, obwohl die Helligkeit auf 100 % eingestellt war. Der SoC scheint während dem Stresstest deutlich zu throttlen und schwankt schnell zwischen 500 MHz und 1,7 GHz. Unsere Benchmarks haben jedoch eine ordentliche Leistung ermittelt, es besteht also kein Grund zur Sorge. Das Ergebnis von 436 Minuten in der nachfolgenden Tabelle wurde mit dem GFXBench Battery Test bestimmt.
| Lenovo TAB2 A10-70 Mali-T760 MP2, MT8165, 16 GB eMMC Flash | Acer Iconia Tab 10 A3-A30 HD Graphics (Bay Trail), Z3735F, 32 GB eMMC Flash | Lenovo Yoga Tablet 2 1050F HD Graphics (Bay Trail), Z3745, 16 GB eMMC Flash | Samsung Galaxy Tab A 9.7 SM-T555 Adreno 306, 410 APQ8016, 16 GB eMMC Flash | |
|---|---|---|---|---|
| Akkulaufzeit | -7% | 5% | 63% | |
| Idle (h) | 19.3 | 26.1 35% | 23.2 20% | 49.2 155% |
| WLAN (h) | 8.6 | 8.1 -6% | 14.4 67% | |
| Last (h) | 7.3 | 3.7 -49% | 6.5 -11% | 5 -32% |
| WLAN (alt) (h) | 12.5 |
Pro
Contra
Fazit
Das Lenovo TAB 2 A10 ist ein gutes 10,1-Zoll-Tablet und bedeutet einen deutlichen Fortschritt gegenüber dem Vorgänger IdeaPad A10 Tablet. Man erhält eine helles IPS-Display mit der Full-HD-Auflösung, einen ordentlichen Quad-Core-SoC sowie überdurchschnittliche Lautsprecher. Trotz dem ziemlich simplen Äußeren ist die Verarbeitung in Ordnung, allerdings können die Knarzgeräusche beim Hantieren mit dem Tablet auf Dauer nervig werden. Wir hätten uns außerdem einen Videoausgang gewünscht, da die Multimedia-Fähigkeiten so ein wenig eingeschränkt sind. Zum Zeitpunkt dieses Tests kostet das Tablet etwa 180 US-Dollar bei Amazon, unserer Meinung nach ein ziemliches Schnäppchen.
Lenovo TAB2 A10-70
- 28.08.2015 v4 (old)
Sebastian Jentsch































