Test Oppo A76 Smartphone – Schönes Handy mit Licht und Schatten
mögliche Konkurrenten im Vergleich
Bewertung | Datum | Modell | Gewicht | Laufwerk | Groesse | Aufloesung | Preis ab |
|---|---|---|---|---|---|---|---|
| 77.7 % v7 (old) | 05 / 2022 | Oppo A76 SD 680, Adreno 610 | 189 g | 128 GB UFS 2.2 Flash | 6.56" | 1612x720 | |
| 80.5 % v7 (old) | 01 / 2022 | Xiaomi Poco M4 Pro 5G Dimensity 810, Mali-G57 MP2 | 195 g | 128 GB UFS 2.2 Flash | 6.60" | 2400x1080 | |
| 80.6 % v7 (old) | 03 / 2022 | Motorola Moto G41 Helio G85, Mali-G52 MP2 | 178 g | 128 GB eMMC Flash | 6.40" | 2400x1080 | |
| 79.6 % v7 (old) | 08 / 2021 | Samsung Galaxy A22 5G Dimensity 700, Mali-G57 MP2 | 203 g | 64 GB eMMC Flash | 6.60" | 2400x1080 |
Gehäuse und Ausstattung – High-Class Design
Das Oppo A74 gefiel uns letztes Jahr ganz gut, allerdings mussten wir das langsame SoC bemängeln und dass es kein NFC gab. Mit dem Oppo A76 kommt nun ein Nachfolger. Blickt man allerdings auf die Ausstattungsliste, so haben die beiden Smartphones nur mehr wenig miteinander zu tun.
Auch äußerlich sieht das Oppo A76 anders aus, bietet eine matte Rückseite entweder in Hellblau oder Schwarz und einen tiefer liegenden Standby-Button an der rechten Seite, in dem der Fingerabdrucksensor integriert ist. Von vorne wiederum erkennt man mehr Ähnlichkeiten. Generell ist das Smartphone solide gebaut, lässt aber schon mittleren Druck auf den Bildschirm durch.
In Sachen Ausstattung kann das Handy mit 4 GB RAM und 128 GB schnellem UFS-2.2-Speicher aufwarten, andere Speichervarianten sind zumindest in Europa aktuell nicht verfügbar. NFC ist beim Oppo A76 mit an Bord, das ist in dieser Preisklasse noch nicht völlig selbstverständlich.
Der microSD-Leser ist separat ausgeführt und bietet klassentypische Geschwindigkeiten.
| SD Card Reader - average JPG Copy Test (av. of 3 runs) | |
| Samsung Galaxy A22 5G (Angelbird V60) | |
| Durchschnitt der Klasse Smartphone (5.72 - 58.9, n=55, der letzten 2 Jahre) | |
| Oppo A76 (Angelbird V60) | |
| Motorola Moto G41 (Angelbird V60) | |
| Xiaomi Poco M4 Pro 5G (Angelbird AV Pro V60) | |
Cross Platform Disk Test (CPDT)
Kommunikation, Software und Bedienung – Nur LTE, aber NFC
Beim Oppo A76 gibt es aktuell kein 5G-Modell wie beim Vorgänger, man muss also mit LTE als schnellster Mobilfunktechnik Vorlieb nehmen. Es stehen einige Frequenzbänder zur Verfügung, dennoch muss man vor weiteren Auslandsreisen vorher prüfen, ob man das mobile Internet vor Ort nutzen kann.
Das WLAN-Modul beherrscht WiFi 5 als schnellsten Standard, was in dieser Preisklasse auch üblich ist. Allerdings hat das Oppo A76 Probleme mit der Stabilität der Übertragungsgeschwindigkeit: Diese schwankt in unserem Test mit dem Referenzrouter Asus ROG GT-AXE11000 deutlich und kommt im Durchschnitt auch nicht ganz an ähnlich teure Smartphones heran. Dieses Verhalten konnten wir auch schon beim Oppo A74 beobachten.
ColorOS 11.1 basierend auf Android 11 ist auf dem Smartphone vorinstalliert. In Indien wurde bereits eine Beta-Version des auf Android 12 basierenden ColorOS 12 für das Oppo A76 veröffentlicht, es ist also davon auszugehen, dass diese Version auch nach Europa kommt. Allgemein spricht der Hersteller von 2 neuen Android-Versionen und Sicherheitsupdates alle 3 Monate.
Der 90-Hz-Screen macht die Bedienung gefühlt recht flüssig, allerdings nur, solange nicht allzu viele Apps im Hintergrund laufen, denn das SoC bietet kaum Leistungsreserven. Rechts am Gehäuse findet sich im Standby-Button der Fingerabdrucksensor, der seine Arbeit recht zuverlässig macht, aber eine Sekunde benötigt, bis das Smartphone entsperrt wird.
| Networking | |
| iperf3 transmit AX12 | |
| Samsung Galaxy A22 5G | |
| iperf3 receive AX12 | |
| Samsung Galaxy A22 5G | |
| iperf3 transmit AXE11000 | |
| Motorola Moto G41 | |
| Oppo A76 | |
| iperf3 receive AXE11000 | |
| Motorola Moto G41 | |
| Oppo A76 | |
Kameras – Wenig geboten
Eine Weitwinkelkamera suchen wir beim Oppo A76 vergeblich, im Gegensatz zu vielen anderen Modellen gibt es hier nur die Hauptkamera mit 13 Megapixel und eine Unterstützungskamera für Unschärfeeffekte bei Porträts. Große Flexibilität ist also beim Kamerasystem nicht gegeben.
Im Gegensatz zum Vorgänger handelt es sich beim Hauptobjektiv nicht mehr um eine Pixel-Binning-Kamera und damit ist auch die Lichtempfindlichkeit geringer. Entsprechend sind Bilder in dunklen Umgebungen wenig aufgehellt, wirken fleckig und es sind nur wenige Details sichtbar. Die HDR-Fähigkeiten bei Tageslicht überzeugen, allerdings ist die Detailvielfalt eher mäßg und große Flächen besitzen deutliche Pixelmuster. Im Labor zeigt sich die Hauptkamera teils mit Problemen bei der Textdarstellung, die Schärfe am Bildrand wiederum gefällt uns ganz gut.
Videos lassen sich in 1080p mit 30 fps aufzeichnen, Autofokus und Belichtung reagieren jeweils recht flott und meist auch akkurat.
Insgesamt für den Preisbereich eine ordentliche Kamera, die für Schnappschüsse brauchbar ist. Wer aber höhere Ansprüche stellt, der muss mehr Geld für sein Smartphone ausgeben.
Die Frontkamera löst mit 8 Megapixel auf. Der erste Bildeindruck ist ordentlich, man sollte die Fotos aber nicht zu sehr vergrößern.
Bildervergleich
Wählen Sie eine Szene und navigieren Sie im ersten Bild. Ein Klick ändert die Position bei Touchscreens. Ein Klick auf die vergrößerten Bilder öffnet das Original in einem neuen Fenster. Das erste Bild zeigt das skalierte Foto, welches mit dem Testgerät aufgenommen wurde.
Hauptkamera BlumeHauptkamera UmgebungHauptkamera Low Light

Display – Schnell und hell
Mit seinem 90-Hz-IPS-Display hat das Oppo A76 vielen anderen Smartphones der Preisklasse die hohe Bildwiederholrate voraus. In Sachen Auflösung hingegen muss man sich mit 720p begnügen, was zwar noch OK ist, die Darstellung aber doch etwas verwaschener wirken lässt als auf den sonst üblichen 1080p-Screens.
Die maximale Helligkeit ist allerdings mit um die 570 cd/m² recht gut, sodass man das Smartphone auch mal an helleren Tagen im Freien nutzen kann. Erfreulich ist auch die gute Farbdarstellung des Screens.
| |||||||||||||||||||||||||
Ausleuchtung: 90 %
Helligkeit Akku: 569 cd/m²
Kontrast: 1138:1 (Schwarzwert: 0.5 cd/m²)
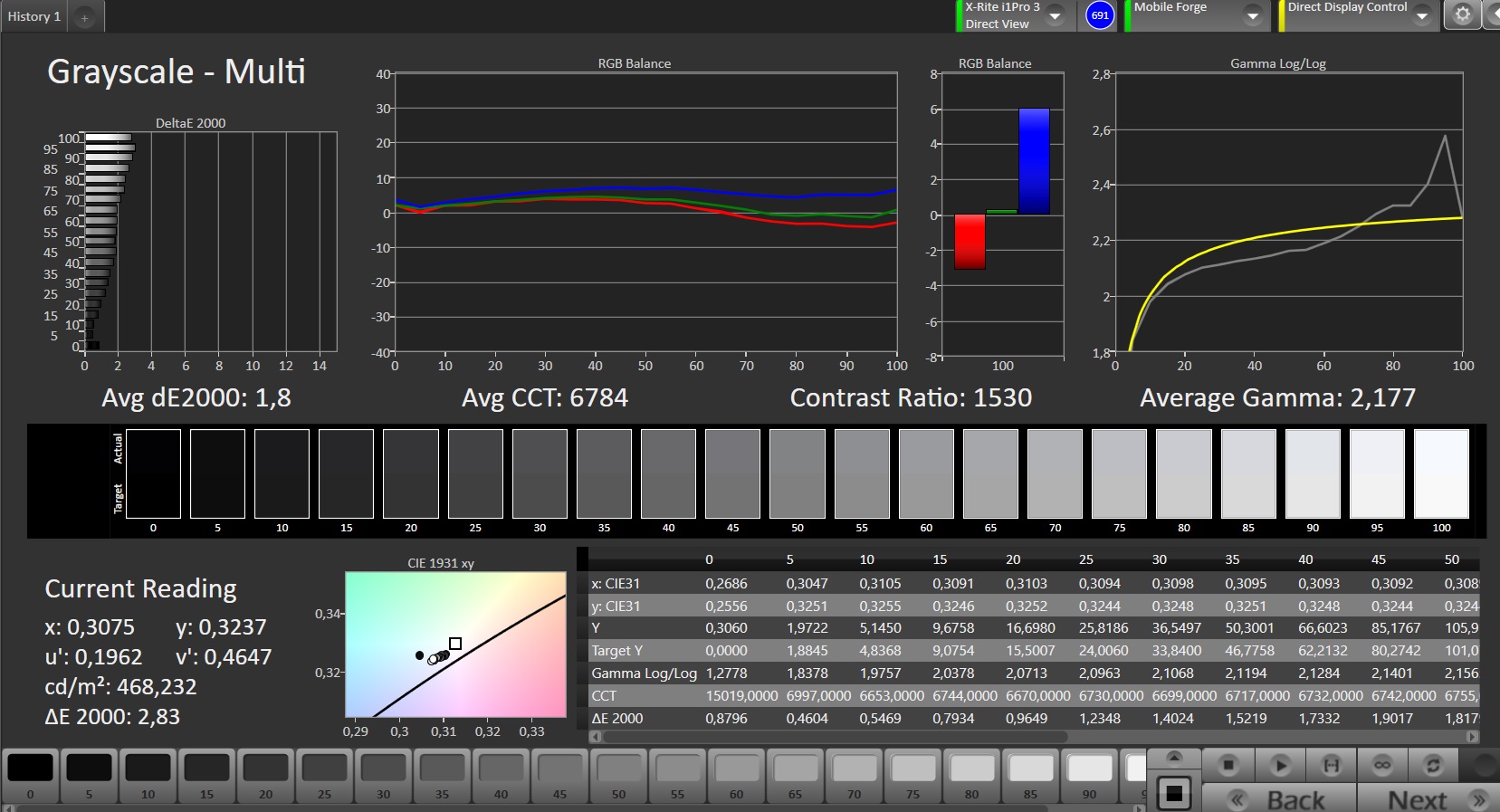
ΔE ColorChecker Calman: 2.16 | ∀{0.5-29.43 Ø4.74}
ΔE Greyscale Calman: 1.8 | ∀{0.09-98 Ø4.98}
94.6% sRGB (Calman 2D)
Gamma: 2.177
CCT: 6784 K
| Oppo A76 IPS, 1612x720, 6.6" | Xiaomi Poco M4 Pro 5G TFT-LCD, 2400x1080, 6.6" | Motorola Moto G41 AMOLED, 2400x1080, 6.4" | Samsung Galaxy A22 5G IPS, 2400x1080, 6.6" | |
|---|---|---|---|---|
| Response Times | -28% | 78% | 15% | |
| Response Time Grey 50% / Grey 80% * (ms) | 41 ? | 50 ? -22% | 9 ? 78% | 32 ? 22% |
| Response Time Black / White * (ms) | 26 ? | 34.8 ? -34% | 6 ? 77% | 24 ? 8% |
| PWM Frequency (Hz) | 240.4 | 147 ? | ||
| Bildschirm | -45% | 4% | -62% | |
| Helligkeit Bildmitte (cd/m²) | 569 | 504 -11% | 713 25% | 415 -27% |
| Brightness (cd/m²) | 562 | 499 -11% | 712 27% | 378 -33% |
| Brightness Distribution (%) | 90 | 91 1% | 91 1% | 76 -16% |
| Schwarzwert * (cd/m²) | 0.5 | 0.72 -44% | 0.26 48% | |
| Kontrast (:1) | 1138 | 700 -38% | 1596 40% | |
| Delta E Colorchecker * | 2.16 | 3.3 -53% | 1.1 49% | 5.41 -150% |
| Colorchecker dE 2000 max. * | 3.37 | 6 -78% | 2.39 29% | 9.77 -190% |
| Delta E Graustufen * | 1.8 | 4.1 -128% | 3.7 -106% | 4.8 -167% |
| Gamma | 2.177 101% | 2.28 96% | 2.264 97% | 2.348 94% |
| CCT | 6784 96% | 7041 92% | 7373 88% | 7748 84% |
| Durchschnitt gesamt (Programm / Settings) | -37% /
-42% | 41% /
23% | -24% /
-47% |
* ... kleinere Werte sind besser
Reaktionszeiten (Response Times) des Displays
| ↔ Reaktionszeiten Schwarz zu Weiß | ||
|---|---|---|
| 26 ms ... steigend ↗ und fallend ↘ kombiniert | ↗ 11 ms steigend | |
| ↘ 15 ms fallend | ||
| Die gemessenen Reaktionszeiten sind mittelmäßig und dadurch für Spieler eventuell zu langsam. Im Vergleich rangierten die bei uns getesteten Geräte von 0.1 (Minimum) zu 240 (Maximum) ms. » 62 % aller Screens waren schneller als der getestete. Daher sind die gemessenen Reaktionszeiten schlechter als der Durchschnitt aller vermessenen Geräte (19.9 ms). | ||
| ↔ Reaktionszeiten 50% Grau zu 80% Grau | ||
| 41 ms ... steigend ↗ und fallend ↘ kombiniert | ↗ 20 ms steigend | |
| ↘ 21 ms fallend | ||
| Die gemessenen Reaktionszeiten sind langsam und dadurch für viele Spieler wahrscheinlich zu langsam. Im Vergleich rangierten die bei uns getesteten Geräte von 0.165 (Minimum) zu 636 (Maximum) ms. » 64 % aller Screens waren schneller als der getestete. Daher sind die gemessenen Reaktionszeiten schlechter als der Durchschnitt aller vermessenen Geräte (31.2 ms). | ||
Bildschirm-Flackern / PWM (Pulse-Width Modulation)
| Flackern / PWM nicht festgestellt | |||
Im Vergleich: 52 % aller getesteten Geräte nutzten kein PWM um die Helligkeit zu reduzieren. Wenn PWM eingesetzt wurde, dann bei einer Frequenz von durchschnittlich 7876 (Minimum 5, Maximum 343500) Hz. | |||
Leistung, Emissionen und Akkulaufzeit – Oppo A76 mit wenig Power
Mit seinem Qualcomm Snapdragon 680 zeigt sich das Oppo A76 an sich auf Klassenniveau, gäbe es nicht die 5G-Phones von Xiaomi und Samsung, die zeigen, das für diesen Preis auch deutlich mehr Power möglich ist. Nur in On-Screen-Tests, also mit der niedrigen nativen Auflösung des Bildschirms, kann die Grafikeinheit überzeugen, ansonsten haben auch hier manche Konkurrenten die Nase vorn.
Erfreulich ist allerdings, dass Oppo schnellen UFS-2.2-Speicher verbaut und so dem System zumindest zu etwas flotteren Ladezeiten verhilft. Insgesamt muss man bei aufwändigeren Apps im Hintergrund aber schon damit rechnen, dass das System sich nur sehr langsam oder zeitweise gar nicht mehr bedienen lässt. Immerhin bleiben die maximalen Gehäusetemperaturen sehr im Rahmen.
Bei der Medienwiedergabe macht der Monospeaker seine Sache passabel, klingt nicht allzu unangenehm höhenbetont und ist laut genug, um ein mittelgroßes Zimmer zu beschallen. Mit einem Headset bekommt man aber natürlich besseren Sound, der Anschluss per 3,5mm-Port oder Bluetooth 5.0 klappt in unserem Test problemlos. Bei kabelloser Tonübertragung kann man auf alle aktuellen aptX-Codecs, SBC, AAC und LDAC zurückgreifen.
Laden lässt sich das Oppo A76 mit bis zu 33 Watt über das beiliegende Ladegerät, rund anderthalb Stunde benötigt das Phone für eine volle Ladung. Die Laufzeiten sind in unserem WLAN-Test etwas höher als bei vielen Konkurrenten, lediglich das Galaxy A22 5G bietet noch einmal deutlich mehr Ausdauer.
| Oppo A76 | Xiaomi Poco M4 Pro 5G | Motorola Moto G41 | Samsung Galaxy A22 5G | Durchschnittliche 128 GB UFS 2.2 Flash | Durchschnitt der Klasse Smartphone | |
|---|---|---|---|---|---|---|
| AndroBench 3-5 | -11% | -64% | -57% | -5% | 124% | |
| Sequential Read 256KB (MB/s) | 980.7 | 964 -2% | 298.5 -70% | 300.5 -69% | 739 ? -25% | 2234 ? 128% |
| Sequential Write 256KB (MB/s) | 711.7 | 471 -34% | 172.3 -76% | 210.3 -70% | 539 ? -24% | 1914 ? 169% |
| Random Read 4KB (MB/s) | 174.7 | 148.8 -15% | 86.9 -50% | 118 -32% | 194.9 ? 12% | 306 ? 75% |
| Random Write 4KB (MB/s) | 162.7 | 171.8 6% | 64.4 -60% | 69.2 -57% | 188 ? 16% | 362 ? 122% |
Temperatur
(+) Die maximale Temperatur auf der Oberseite ist 38.7 °C. Im Vergleich liegt der Klassendurchschnitt bei 35.2 °C (von 21.9 bis 247 °C für die Klasse Smartphone).
(+) Auf der Unterseite messen wir eine maximalen Wert von 39.3 °C (im Vergleich zum Durchschnitt von 34 °C).
(+) Ohne Last messen wir eine durchschnittliche Temperatur von 23.5 °C auf der Oberseite. Der Klassendurchschnitt erreicht 32.9 °C.
Lautsprecher
Oppo A76 Audio Analyse
(+) | Die Lautsprecher können relativ laut spielen (82.9 dB)
Bass 100 - 315 Hz
(-) | kaum Bass - 25.4% niedriger als der Median
(±) | durchschnittlich lineare Bass-Wiedergabe (10.1% Delta zum Vorgänger)
Mitteltöne 400 - 2000 Hz
(±) | zu hohe Mitten, vom Median 6% abweichend
(±) | Linearität der Mitten ist durchschnittlich (7.1% Delta zum Vorgänger)
Hochtöne 2 - 16 kHz
(+) | ausgeglichene Hochtöne, vom Median nur 3.6% abweichend
(±) | durchschnittlich lineare Hochtöne (9% Delta zum Vorgänger)
Gesamt im hörbaren Bereich 100 - 16.000 Hz
(±) | hörbarer Bereich ist durchschnittlich linear (21.5% Abstand zum Median)
Im Vergleich zu allen Geräten derselben Klasse
» 43% aller getesteten Geräte dieser Klasse waren besser, 8% vergleichbar, 49% schlechter
» Das beste Gerät hat einen Delta-Wert von 11%, durchschnittlich ist 35%, das schlechteste Gerät hat 134%
Im Vergleich zu allen Geräten im Test
» 60% aller getesteten Geräte waren besser, 7% vergleichbar, 33% schlechter
» Das beste Gerät hat einen Delta-Wert von 4%, durchschnittlich ist 24%, das schlechteste Gerät hat 134%
Samsung Galaxy A22 5G Audio Analyse
(+) | Die Lautsprecher können relativ laut spielen (83.5 dB)
Bass 100 - 315 Hz
(-) | kaum Bass - 31.9% niedriger als der Median
(±) | durchschnittlich lineare Bass-Wiedergabe (10% Delta zum Vorgänger)
Mitteltöne 400 - 2000 Hz
(±) | zu hohe Mitten, vom Median 6.3% abweichend
(+) | lineare Mitten (6.2% Delta zum Vorgänger)
Hochtöne 2 - 16 kHz
(+) | ausgeglichene Hochtöne, vom Median nur 3.8% abweichend
(+) | sehr lineare Hochtöne (5.8% Delta zum Vorgänger)
Gesamt im hörbaren Bereich 100 - 16.000 Hz
(±) | hörbarer Bereich ist durchschnittlich linear (24.6% Abstand zum Median)
Im Vergleich zu allen Geräten derselben Klasse
» 60% aller getesteten Geräte dieser Klasse waren besser, 7% vergleichbar, 34% schlechter
» Das beste Gerät hat einen Delta-Wert von 11%, durchschnittlich ist 35%, das schlechteste Gerät hat 134%
Im Vergleich zu allen Geräten im Test
» 75% aller getesteten Geräte waren besser, 5% vergleichbar, 20% schlechter
» Das beste Gerät hat einen Delta-Wert von 4%, durchschnittlich ist 24%, das schlechteste Gerät hat 134%
Akkulaufzeit
| Battery Runtime - WiFi Websurfing | |
| Durchschnitt der Klasse Smartphone (12.1 - 54.1, n=186, der letzten 2 Jahre) | |
| Samsung Galaxy A22 5G | |
| Oppo A76 | |
| Xiaomi Poco M4 Pro 5G | |
| Motorola Moto G41 | |
Pro
Contra
Fazit – Oppo-Handy kann kaum trumpfen
Betrachtet man die Speicherausstattung, so bekommt man das Oppo A76 etwas günstiger als den Vorgänger Oppo A74, dafür sind aber auch einige Dinge anders: Es gibt eine weniger lichtempfindliche Kamera und kein Makro-Objektiv mehr, außerdem verbaut der Hersteller nun einen IPS-Screen, der allerdings recht hell wird, farbtreu ist, ohne PWM auskommt und 90 Hz Bildwiederholrate mitbringt.
Im Vergleich mit ähnlich teuren Smartphones anderer Hersteller fallen aber weitere Defizite auf: So gibt es keine Ultraweitwinkel-Kamera, die System-Leistung ist relativ gering, das WLAN-Signal wackelig und der Bildschirm mit 720p kann in Sachen Auflösung nicht überzeugen. Auf der Haben-Seite stehen die guten Laufzeiten ebenso wie der flotte Speicher.
Beim Oppo A76 fehlt das gewisse Extra an Ausstattung. Dennoch handelt es sich um ein solides, günstiges Mittelklassehandy mit 90-Hz-Screen.
Insgesamt kann das Oppo A76 nicht so wirklich unter den Konkurrenten herausstechen, besonders das Xiaomi Poco M4 Pro 5G bietet deutlich mehr Ausstattung zu einem sehr ähnlichen Preis. Auch Samsung hat mit dem Galaxy A22 5G ein überzeugendes günstiges Mittelklasse-Handy im Sortiment, das höchstens durch seinen wenig leuchtstarken Screen abschrecken könnte.
Preis und Verfügbarkeit
Das Oppo A76 ist bei vielen Online-Händlern verfügbar, die niedrigsten Preise beginnen zum Testzeitpunkt bei 230 Euro. Auch amazon.de und unser Leihsteller cyberport.de haben das Smartphone im Angebot.
Oppo A76
- 28.05.2022 v7 (old)
Florian Schmitt
































