Test Lenovo ThinkPad X1 Carbon (Early 2015) Ultrabook

Lenovos ThinkPad X1 Carbon konnte mit seinem schnittigen ultra-mobilen Gehäuse und der hochwertigen Metall-Hybrid-Konstruktion für einiges Aufsehen sorgen, aber selbst die zweite Generation ("2nd Gen/Gen 2") hatte noch einige ziemlich polarisierende Merkmale. Einer der größten Streitpunkte waren sicherlich die Eingabegeräte: Die Tastatur (mit den kapazitiven Funktionstasten und dem ungewöhnlichen Layout) sowie das Touchpad (mit dem 5-Zonen-Clickpad, welches komplett heruntergedrückt werden konnte) waren für einige Anwender zumutbare Änderungen, aber für andere waren sie K.O.-Kriterien.
2015 präsentiert uns Lenovo nun die dritte Generation, und man kann ganz deutlich erkennen, dass sich der Hersteller die Kritik der Community zu Herzen nimmt. Nicht nur der Chipsatz wurde für die neuen Intel ULV-Prozessoren der Broadwell-Architektur aktualisiert – im Falle unseres Testgerätes (1.574 US-Dollar) der Intel Core i5-5300U – sondern auch die Tastatur und das Touchpad wurden komplett überarbeitet und haben jetzt wieder mehr Ähnlichkeit mit den alten Modellen. Es gibt noch weitere Änderungen – beispielsweise die Integration eines Thunderbolt-Anschlusses und eine gesteigerte Kapazität des internen Akkus – der Rest des Paketes ist jedoch weitestgehend unverändert gegenüber dem Original. Aber das ist keineswegs schlecht: Abgesehen von den zuvor genannten Problemen hatten wir in unseren vorherigen Tests nur sehr wenige Kritikpunkte.
Update vom 20.04.2015: Benchmarkergebnisse mit Core-i7-5500U-Prozessor und PCIe-SSD ergänzt.
Gehäuse
Schon der erste Eindruck zeigt, dass das Gehäuse des X1 Carbon mit sehr viel Liebe zum Detail konstruiert wurde, was bei Business-PCs nur sehr selten der Fall ist. Laut Lenovo handelt es sich mit einem Gewicht von nur 1,408 kg (und 19 mm Höhe) um das leichteste 14-Zoll-Business-Ultrabook auf dem Markt. Die Magnesium/Aluminium-Oberfläche der Baseunit fühlt sich kühl an, ist aber trotzdem glatt und komfortabel. Das Gehäuse steht zudem sicher auf dem Schoß, allerdings wurde die Frischluftzufuhr auf der rechten Unterseite nicht ideal platziert, denn man kann sie schon mal mit einem Bein verdecken.
Das Design und die Mobilität führen allerdings auch zu einigen Kompromissen: Ein Kritikpunkt der bisherigen X1-Carbon-Modelle war die Stabilität, und das Carbon der dritten Generation kann erneut sichtbar verwunden werden, sowohl bei der Ablage auf einem Tisch, wenn man es in die Hand nimmt und versucht, es zu verdrehen. Bei unserem Testgerät führt moderater Druck auf den Gehäusebereich am Touchpad zu hörbaren Knarz- und Kontaktgeräuschen, zudem verbiegt sich das Material. Auch der Bildschirmdeckel, welcher aus Karbonfasern und Glasfaser-verstärktem Plastik hergestellt wird, lässt sich leicht verwinden – abgesehen von der reinen Verwindungssteifigkeit scheint der Schutz gegenüber Druck von hinten dennoch besser zu sein als erwartet. Wir konnten jedenfalls bei normaler Belastung keine Störungen auf dem Bildschirm provozieren.
Die legendäre Robustheit der ThinkPads wird dadurch aber kaum bestätigt, und es ist schon eine kleine Enttäuschung, vor allem im Vergleich mit rivalisierenden leistungsstarken Ultraportables wie dem MacBook Air oder dem Dell XPS 13-9343. Lenovo verspricht aber, dass das Notebook intensiv nach militärischen Standards (MIL-STD 810G) getestet wurde, somit sollten zumindest einige Befürchtungen abgemildert werden können. Zu diesen Tests gehören beispielsweise Situationen mit extremer Feuchtigkeit, Temperaturen, Höhe, Erschütterungen sowie Staub.
Im Vergleich mit den besten Ultrabooks haben auch die Scharniere des X1 Carbon etwas zu viel Spiel, allerdings ist das vermutlich das Ergebnis des Displays, das für diese Geräteklasse überdurchschnittlich groß ist (14-Zoll-Diagonale). Die Auswirkungen des wackelnden Bildschirms werden durch die semi-entspiegelte Oberfläche wieder reduziert, aber es ist trotzdem ein Ärgernis.
Ausstattung
Das X1 Carbon nutzt den vorhandenen Platz am Gehäuse sehr gut aus und der Anwender kann sich über einen Mini-DisplayPort, einen vollwertigen HDMI-Anschluss (1.4) sowie zwei USB-3.0-Anschlüsse freuen (1x Always On). Es gibt zudem einen proprietären Ethernet-Anschluss (in Verbindung mit dem beiliegenden ThinkPad-Ethernet-Adapterkabel), der eine willkommene Ergänzung darstellt, denn er ermöglicht den Anschluss an ein kabelgebundenes Netzwerk, ohne einen der beiden USB-Anschlüsse zu belegen (oder im Falle des Dell XPS 13-9343 nur noch mit USB 2.0 arbeiten zu können). Schließlich befindet sich der OneLink-Anschluss am Stromeingang und kann mit einer Lenovo OneLink (oder OneLink Pro) Dockingstation verwendet werden. Wir hätten liebend gern noch einen SD-Kartenleser und eventuell auch noch einen weiteren USB-Anschluss vorgefunden; für ein 14-Zoll-Business-Notebook ist die Anschlussvielfalt schon ein bisschen eingeschränkt.
Die Anschlussverteilung bereitet derweil keine größeren Probleme, allerdings ist es nicht ganz einfach, größere USB-Adapter anzuschließen, wenn man gleichzeitig den Ethernet-Adapter verwendet.
Kommunikation
Bei dem Intel Dual-Band Wireless-AC 7265 WLAN-Adapter im X1 Carbon handelt es sich um ein 802.11ac-Modul (2x2), das Transferraten von bis zu 867 MBit/s unterstützt. Die Signalstärke war in unserem Test niemals ein Problem, womit sich das X1 Carbon etwas besser präsentiert als das XPS 13-9343 (zumindest mit den verfügbaren Treibern zum Zeitpunkt des Tests). Der Adapter unterstützt zudem Bluetooth 4.0.
Wie wir zuvor bereits erwähnt haben, verfügt das X1 Carbon in Verbindung mit dem beiliegenden ThinkPad Ethernet-Erweiterungskabel über eine Gigabit-Ethernet-Schnittstelle – eine Lösung, die den meisten anderen Notebooks überlegen ist (inklusive dem XPS 13-9343) – bei denen man in der Regel einen USB-3.0-Anschluss opfern muss. Während unseres Tests klappte diese Lösung sehr gut, allerdings kam es während großer Datentransfers zu ungewöhnlichen Zeigersprüngen und kleineren Hängern des Systems.
Zubehör
In der Verpackung des X1 Carbon befindet sich ein kleines (294 g) 65-Watt-Netzteil sowie das ThinkPad-Ethernet-Adapterkabel.
Wartung
Schließlich kommen wir noch zu den Wartungsmöglichkeiten, und hier kann das X1 Carbon seinem Ruf als Business-Maschine gerecht werden. Für den Zugang zu den internen Komponenten müssen lediglich 7 Kreuzschrauben gelöst werden, die den Unterboden sichern. Dieser kann danach problemlos abgenommen werden und gewährt den Zugang zu allen wichtigen austauschbaren Teilen. Dazu gehören die M.2-SSD, das WLAN-Modul, die Kühlung inklusive Lüfter, der Akku, die Lautsprecher sowie die WWAN-Karte, falls vorhanden (nicht der Fall bei unserem Testgerät). Eine Komponente ist nicht zugänglich, denn der Arbeitsspeicher wurde erneut direkt auf das Mainboard aufgelötet.
Software
Auf dem X1 Carbon sind recht viel Programme vorinstalliert – und das ist keinesfalls ein Kompliment. Es gibt eine Reihe von "nützlichen" Anwendungen wie Maxthon Cloud Browser, Norton Internet Security, Pocht Start Menu, Nitro 9, Evernote Touch, SHAREit, The Weather Channel sowie die üblichen Lenovo Programme. Glücklicherweise lassen sich die meisten dieser Apps ziemlich leicht entfernen. 10-15 Minuten Zeit muss man dafür dennoch investieren.
Garantie
Standardmäßig verfügt das X1 Carbon in den USA über eine 1-jährige Herstellergarantie (Carry-In). Wie üblich kann der Service gegen Aufpreis aber erweitert bzw. verlängert werden. Zur Auswahl stehen beispielsweise Vor-Ort-Reparaturen, längere Garantiezeiträume und ein Unfallschutz.
Eingabegeräte
Tastatur
Die erste große Verbesserung des X1 Carbon der dritten Generation haben wir bereits in der Einleitung angesprochen: Die Tastatur. Im Gegensatz zu dem abstrusen Layout der zweiten Generation (das Ergebnis eines experimentellen Design-Wechsels, der eindeutig übertrieben war), ist die neue Tastatur glücklicherweise wieder "normal". Die kapazitiven und dynamischen Funktionstasten gehören der Vergangenheit an, und wurden wieder durch die bekannten F-Tasten ersetzt. Dasselbe gilt auch für die geteilten Tasten (wie Backspace/Entfernen bei der zweiten Generation); auch diese wurden durch die alten Tasten ersetzt. Damit muss man sich nicht mehr an eine exotische Tastenanordnung gewöhnen. Auch CapsLock ist wieder vorhanden.
Die Mechanik der Tastatur ist weiterhin exzellent: Der Tastenhub ist für ein Ultrabook sehr gut, der Anschlag ist angenehm und das Feedback ist toll. Die Tasten sitzen fest und haben glatte und komfortable Oberflächen. Sie sind jedoch auch anfällig für Schmutz, können allerdings auch wieder leicht gereinigt werden. Es gibt zudem eine Hintergrundbeleuchtung mit drei verschiedenen Helligkeitsstufen (Aus, Gering und Hoch). Alles in allem finden wir, dass es sich um eine der besten Tastaturen in einem Ultrabook handelt.
Touchpad & TrackPoint
Bei dem Versuch, die vorherigen Experimente rückgängig zu machen, hat Lenovo auch nicht vor dem Touchpad Halt gemacht. Obwohl die Tastatur beim alten X1 Carbon schon keine Offenbarung war, sah die Sache bei dem "5-Button-Clickpad", welches komplett gedrückt werden konnte, nicht viel anders aus. Bei vielen Anwendern kam es zu unbeabsichtigten Eingaben und auch andere Funktionen, wie Click-and-Drag oder grundlegende Navigationsmanöver, wurden unnötig kompliziert. Zu allem Übel wurde damit auch die Steuerung via TrackPoint verkompliziert.
Glücklicherweise kann das Synaptics-Touchpad des neuen X1 Carbon dieses Problem lösen und es gibt nun wieder drei konventionelle mechanische Tasten am oberen Rand des Touchpads (für die Verwendung mit dem TrackPoint, aber optional auch mit dem Touchpad), zudem kann man das Pad nicht mehr vollflächig herunterdrücken. Der Anwender bekommt stattdessen zwei integrierte Tasten am unteren Rand. Diese sind nicht nur deutlich komfortabler (und zudem einfacher auszulösen), sie sind auch noch deutlich leiser als beim alten Modell. Die Probleme mit dem springenden Mauszeiger, die wir mit vielen Treibern und ThinkPads der vorherigen Generation feststellen konnten, gehören damit der Vergangenheit an. Zu guter Letzt (eigentlich unnötig zu erwähnen) kann man dank der drei wiedergekehrten Tasten auch den TrackPoint wieder ausgezeichnet benutzen – Anwender, die den kleinen roten Punkt bevorzugen, können also aufatmen.
Während andere Hersteller mittlerweile auf Microsoft Precision-Touchpads setzen (die aufgrund der kniffligen Handhabung in einigen Third-Party-Anwendungen und des generellen Fehlens von Treibern gemischte Eindrücke hinterlassen), können die Synaptics-Implementierungen in ThinkPads auf die vorhandenen Synaptics-Treiber zurückgreifen. Diese sind in einigen Belangen überlegen und lassen sich zudem umfangreich anpassen.
Alles in allem sind die Veränderungen an den Eingabegeräten eine sehr willkommene Umkehr der experimentellen Lösungen, die viele Anwender zufrieden stellen sollte – vor allem wenn sie in Bezug auf mobile Rechner so anspruchsvoll sind, wie die ThinkPad-Community.
Touchscreen
Der Touchscreen des X1 Carbon reagiert schnell und ist angenehm zu bedienen. Die entspiegelte Oberfläche des Panels bietet gute Gleiteigenschaften, und auch Fingerabdrücke lassen sich relativ leicht wieder entfernen.
Display
Das X1 Carbon hat ein 14-Zoll-IPS-Touchdisplay mit der WQHD-Auflösung (2.560 x 1.440) sowie einer semi-matten (entspiegelten) Oberfläche. Es handelt sich zwar im Prinzip um eine matte Oberfläche, aber es gibt trotzdem mehr Reflexionen als bei den üblichen matten Panels. Ein guter Vergleich wären viele moderne LED-HDTVs oder viele der LG- und Samsung-Panels, die man in vielen modernen Laptops findet. Der matte Filter liegt dabei über dem tatsächlichen Bildschirm und ist als solcher auch sichtbar. Dadurch entsteht ein leicht körniger Effekt, aber trotzdem ist es besser, als sich mit den Reflexionen von spiegelnden Panels rumzuschlagen. Zudem ist es durch den Filter leichter, Fingerabdrücke vom Bildschirm zu entfernen.
Aus der Größe des Bildschirms und der Auflösung ergibt sich eine Pixeldichte von beinahe 210 ppi, was für normale Aufgaben auf jeden Fall ausreicht, allerdings ist das Ergebnis niedriger als bei vielen Rivalen (das XPS 13-9343 hat beispielsweise 276 ppi). Subjektiv ist die Qualität der Farben durchschnittlich und auch der Kontrast scheint nicht besonders hoch zu sein.
| |||||||||||||||||||||||||
Ausleuchtung: 95 %
Helligkeit Akku: 201.4 cd/m²
Kontrast: 592:1 (Schwarzwert: 0.426 cd/m²)
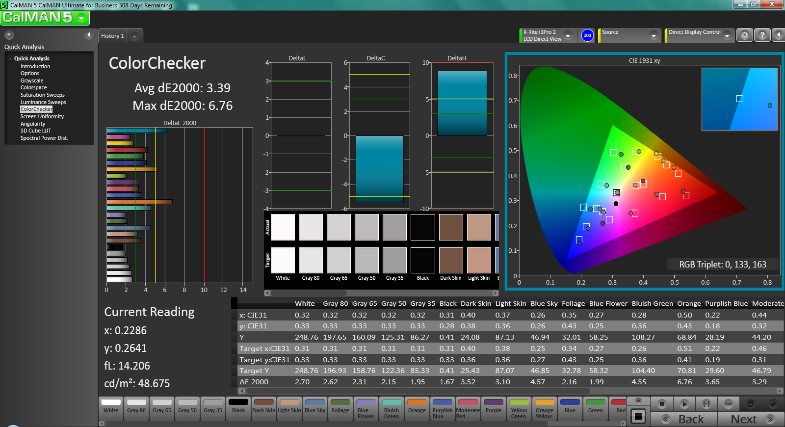
ΔE ColorChecker Calman: 3.8 | ∀{0.5-29.43 Ø4.73}
ΔE Greyscale Calman: 2.92 | ∀{0.09-98 Ø4.98}
50.41% AdobeRGB 1998 (Argyll 1.6.3 3D)
54% AdobeRGB 1998 (Argyll 3D)
77.4% sRGB (Argyll 3D)
52.4% Display P3 (Argyll 3D)
Gamma: 2.08
CCT: 6070 K
Wenig überraschend wird das auch von unseren Messungen bestätigt. Zunächst einmal kann die maximale Helligkeit des Panels kaum mit den besten Bildschirmen am Markt mithalten und liegt bei lediglich 252,7 cd/m². Im Durchschnitt sind es nur 245,6 cd/m² (zweites Testgerät: 248 cd/m²) – allerdings ergibt sich daraus eine exzellente Helligkeitsverteilung (in diesem Fall 95 % – beinahe perfekt). Im Vergleich zum XPS 13-9343 ist die durchschnittliche Helligkeit des X1 Carbon mehr als 125 cd/m² niedriger. Zumindest liegt die Helligkeit des neuen Modells etwas über dem Vorgänger, der lediglich 225,8 cd/m² erreichte.
Aus dem hohen Schwarzwert von 0,426 cd/m² ergibt sich ein wenig beeindruckender Kontrast von 592:1. Zum Vergleich: Beim Vorgänger lag der Kontrast noch bei 991:1 und das XPS 13 spielt mit 2.063:1 in einer ganz anderen Liga.
Auch der darstellbare Farbraum des Panels lässt zu wünschen übrig und deckt lediglich 69 % des sRGB-Standards ab (Dell XPS 13: 85 %).
Auf der anderen Seite ist die Farbgenauigkeit zum Glück ziemlich gut und die durchschnittliche DeltaE-2000-Abweichung für die Mischfarben liegt bei lediglich 3,8. Nach einer Kalibrierung fällt der Wert sogar unter 3,4 – damit sind die Abweichungen für das menschliche Auge kaum sichtbar. Zusammen mit dem Gamma-Wert von 2,2 (ideal: 2,2) sowie einer Graustufen-Abweichung von 2,15 (beide Werte nach der Kalibrierung) sieht die Situation schon deutlich besser aus.
Im Freien macht der Bildschirm dank seiner semi-matten Oberfläche eine ganz gute Figur – allerdings kann die Sichtbarkeit in einigen Umgebungen schon mal unter den geringen Werten für die Helligkeit und dem Kontrast leiden. Die Blickwinkel sind jedoch so gut, wie man es von einem IPS-Panel erwarten kann.
Leistung
Selbst die kleinste Konfiguration des X1 Carbon verfügt dank dem Intel Core i5-5200U (bis zu 2,7 GHz) über ordentlich Rechenleistung. Die High-End-Version verwendet den i7-5600U (bis zu 3,2 GHz) – und ist ausschließlich mit 8 GB Arbeitsspeicher erhältlich. Trotzdem, der massive Aufpreis von 450 US-Dollar gegenüber dem i5-5200U-Modell erscheint uns ein wenig extrem. Unser Testgerät verwendet den deutlich sinnvolleren Mittelweg mit dem Core i5-5300U (bis zu 2,9 GHz). Diese Konfiguration ist entweder mit 4 GB oder 8 GB DDR3L-RAM erhältlich; unsere Version besitzt 8 GB. Beim Kauf sollte man bedenken, dass man den Arbeitsspeicher nachträglich nicht erweitern kann, denn er ist auf dem Mainboard aufgelötet.
Ein 3DMark-06-Durchlauf im Akkubetrieb ergab 6.214 Punkte. Das sind 11 % weniger als die 6.978 Punkte im Netzbetrieb, womit die Leistung im Akkubetrieb also etwas eingeschränkt ist. Ein abschließender Test mit dem DPC Latency Checker zeigte deutliche Ausschläge (mehr als 5 Mikrosekunden), die mit dem Deaktivieren des WLAN-Adapters beseitigt werden konnten.
Prozessor
Wie wir zuvor bereits erwähnt haben, stellt unser X1 Carbon die mittlere Leistungsstufe von den drei erhältlichen Prozessoren dar und besitzt den Intel Core i5-5300U. Es handelt sich um eine Dual-Core-CPU auf Basis der Broadwell-Architektur, die bei Single-Core-Aufgaben zwischen 2,3 GHz und 2,9 GHz taktet (2,7 GH bei Multi-Core-Anwendungen). Die TDP liegt bei 15 Watt, aber dank zahlreicher Effizienzverbesserungen (inklusive einem 14-nm-Prozess und FinFET-Transistoren) sollte der Stromverbrauch unter dem Haswell-Vorgänger liegen. Ein weiterer Effekt dieser Verbesserung ist auch die gesteigerte Leistung, denn unser 5300U erzielt mehr Punkte als der Core i7-4510U aus der Haswell-Generation.
Bisher haben wir nur wenige Notebooks mit diesem Prozessor getestet, und zum größten Teil sind die Leistungsdaten vergleichbar. Allerdings ist das X1 Carbon erstaunlicherweise das langsamste Gerät in unseren Multi-Core-Tests (mit einem Unterschied zwischen 6-12 %), was zwar merkwürdig, aber noch kein Grund zur Sorge ist. Im Cinebench R15 xCPU 64 Bit erreichen das Dell Latitude E7250, E5550 und E7450 Ergebnisse zwischen 264 und 280 Punkten, das X1 Carbon schafft aber nur 250 Punkte. Die Situation wiederholt sich auch beim 3DMark 06 CPU-Test, bei dem die gleichen Kandidaten zwischen 3.652 und 3.704 Punkte erreichen, das X1 Carbon aber nur 3.404 Punkte.
Im Alltag hat das aber nur einen minimalen Einfluss auf die Geschwindigkeit des Systems. Wie wir in der nächsten Sektion sehen werden, hatten wir während unseres Tests keine Probleme mit der Leistung des X1 Carbon.
Auch die Performance des Core-i7-5500U-Modells enttäuscht ein wenig: Das XPS 13 mit identischer CPU rechnet in Multi-Thread-Anwendungen durchgängig rund 10 Prozent schneller, beziehungsweise erreicht bereits mit einem Core i5-5200U das Leistungsniveau des X1 Carbon mit Core i7. Unsere Untersuchungen zeigen, dass das ThinkPad schon vergleichsweise früh an die 15-Watt-Grenze der CPU stößt und deshalb auf Dauer nur einen Takt von etwa 2,4 GHz beibehalten kann – hier liegt die Ursache für die mäßigen Benchmarkergebnisse. Bei Single-Thread-Auslastung lässt sich dieses Problem nicht feststellen, sodass die Leistung mit anderen Core-i7-5500U-Geräten vergleichbar ist.
Unterm Strich erscheint uns ein Upgrade vom Core i5-5300U auf den Core i7-5500U beim X1 Carbon angesichts der marginalen Differenzen nicht ratsam.
| Cinebench R11.5 | |
| CPU Single 64Bit (nach Ergebnis sortieren) | |
| Lenovo ThinkPad X1 Carbon 2015 | |
| Lenovo ThinkPad X1 Carbon 2015 | |
| Dell XPS 13-9343 Non-Touch | |
| Dell XPS 13 9343 Core i7 | |
| Lenovo ThinkPad T450s-20BWS03F00 | |
| CPU Multi 64Bit (nach Ergebnis sortieren) | |
| Lenovo ThinkPad X1 Carbon 2015 | |
| Lenovo ThinkPad X1 Carbon 2015 | |
| Dell XPS 13-9343 Non-Touch | |
| Dell XPS 13 9343 Core i7 | |
| Lenovo ThinkPad T450s-20BWS03F00 | |
| Cinebench R15 | |
| CPU Single 64Bit (nach Ergebnis sortieren) | |
| Lenovo ThinkPad X1 Carbon 2015 | |
| Lenovo ThinkPad X1 Carbon 2015 | |
| Dell XPS 13-9343 Non-Touch | |
| Dell XPS 13 9343 Core i7 | |
| Lenovo ThinkPad T450s-20BWS03F00 | |
| CPU Multi 64Bit (nach Ergebnis sortieren) | |
| Lenovo ThinkPad X1 Carbon 2015 | |
| Lenovo ThinkPad X1 Carbon 2015 | |
| Dell XPS 13-9343 Non-Touch | |
| Dell XPS 13 9343 Core i7 | |
| Lenovo ThinkPad T450s-20BWS03F00 | |
System Performance
Im Hinblick auf die allgemeine Leistungsfähigkeit fühlt sich das X1 Carbon bei alltäglichen Aufgaben schnell und agil an. Unsere Tests der Anwendungsleistung mit PCMark 8 und 7 bestätigen unseren Eindruck: In beiden Tests kann das Gerät mit einigen führenden Geräten konkurrieren. Im PCMark 7 erreicht das X1 Carbon beispielsweise 4.943 Punkte und liegt damit auf dem Niveau des XPS 13 (4.943 Punkte) und nur ganz leicht hinter dem MacBook Air 13 (5.012 Punkte). Die Ergebnisse im PCMark 8 Home Accelerated v2 sind sogar noch besser, und das sehr gute Ergebnis von 2.778 Punkten kann die zuvor erwähnten Rivalen sogar schlagen (MacBook Air 13: 2.584 Punkte, XPS 13-9343: 2.582 Punkte). Trotz dieser tollen Ergebnisse müssen wir erwähnen, dass unser Testmodell des Vorgängers sogar schneller war – anscheinend vor allem wegen der eingesetzten SSD, denn die Samsung PM841-SSD (512 GB) war beim Schreiben durchschnittlich 80 MB/s schneller als die Samsung PM851-SSD im aktuellen Modell.
| PCMark 8 - Home Score Accelerated v2 (nach Ergebnis sortieren) | |
| Lenovo ThinkPad X1 Carbon 2015 | |
| Lenovo ThinkPad X1 Carbon 2015 | |
| Dell XPS 13-9343 Non-Touch | |
| Dell XPS 13 9343 Core i7 | |
| Lenovo ThinkPad T450s-20BWS03F00 | |
| PCMark 7 - Score (nach Ergebnis sortieren) | |
| Lenovo ThinkPad X1 Carbon 2015 | |
| Lenovo ThinkPad X1 Carbon 2015 | |
| Dell XPS 13-9343 Non-Touch | |
| Lenovo ThinkPad T450s-20BWS03F00 | |
| PCMark 7 Score | 4943 Punkte | |
| PCMark 8 Home Score Accelerated v2 | 2778 Punkte | |
| PCMark 8 Creative Score Accelerated v2 | 3417 Punkte | |
| PCMark 8 Work Score Accelerated v2 | 3614 Punkte | |
Hilfe | ||
Massenspeicher
Das X1 Carbon ist lediglich mit Solid State Drives erhältlich. Bei der Kapazität hat man die Wahl zwischen 128 GB bis hin zu 512 GB (für einen ungeheuerlichen Aufpreis von 700 US-Dollar). Unser Testgerät ist mit einer 256-GB-SSD ausgerüstet, genauer gesagt einer Samsung PM851-M.2-SSD (80 mm) mit Opal-Unterstützung (Modell MZNTE256HMHP). Ein Austausch des Laufwerks ist ziemlich leicht (befindet sich direkt hinter der Wartungsklappe) – die beste Lösung wäre also, eine Konfiguration mit der kleinsten SSD zu wählen und diese dann selbst aufzurüsten.
Abgesehen von der Kapazität und den Kosten gibt es noch einen weiteren Grund, sich nach einer alternativen Lösung umzusehen. Die eingebaute Samsung-SSD fällt nämlich hinter die besten Laufwerke am Markt zurück. Die Schreibleistung bei diesem speziellen Modell liegt in allen Szenarien bei unter 250 MB/s; die Leseleistung hingegen übersteigt 500 MB/s, was ein sehr gutes Ergebnis darstellt. AS SSD ermittelt ein respektables Ergebnis von 944 Punkten.
Bei der 512-GB-SSD der High-End-Konfiguration handelt es sich nicht um ein schnödes SATA-Laufwerk, sondern eine sehr viel schnellere PCIe-SSD – derartige Datenträger waren bislang fast ausschließlich bei einigen Apple-Geräten zu finden.
Im neuen X1 Carbon verrichtet eine Samsung SM951 im M.2-2280-Format ihren Dienst, deren Anschluss über vier PCIe-Lanes erfolgt (leider nur PCIe 2.0, da Anbindung über den PCH). Losgelöst von den Limitierungen der SATA-Schnittstelle klettern die sequentiellen Datenraten auf enorme 1,3 GB/s beim Lesen sowie 1,2 GB/s beim Schreiben, womit die SSD sogar so manchen Raid-0-Verbund in die Schranken weist. Auch die 4K-Ergebnisse können sich sehen lassen, wenngleich das schnellere Interface erst bei mehrfach parallelem Zugriff (4K-64 Tests) einen Vorteil bringt.
Im Alltag spürt man die Mehrleistung der PCIe-SSD vor allem dann, wenn große, zusammenhängende Datenmengen kopiert werden, was bei den meisten Anwendern allerdings eher selten vorkommen dürfte. So beeindruckend die Performance des Laufwerks also auch ist – ob Kosten und Mehrwert in einem gesunden Verhältnis zueinander stehen, sollte vor dem Kauf genau abgewogen werden.
| Lenovo ThinkPad X1 Carbon 2015 Samsung SSD PM851 256 GB MZNTE256HMHP | Lenovo ThinkPad X1 Carbon 2015 Samsung SSD SM951 512 GB MZHPV512HDGL | Dell XPS 13-9343 Non-Touch Samsung SSD PM851 M.2 2280 128GB | Dell XPS 13 9343 Core i7 Samsung SSD PM851 M.2 2280 256GB | Lenovo ThinkPad T450s-20BWS03F00 Intel SSD Pro 2500 Series SSDSC2BF360A5L | |
|---|---|---|---|---|---|
| AS SSD | 147% | -21% | -10% | 15% | |
| Seq Read (MB/s) | 512 | 1339 162% | 497.9 -3% | 515 1% | 489.6 -4% |
| Seq Write (MB/s) | 235.7 | 1209 413% | 119.6 -49% | 233.4 -1% | 264.5 12% |
| 4K Read (MB/s) | 32.41 | 39.9 23% | 25.94 -20% | 26.28 -19% | 22.19 -32% |
| 4K Write (MB/s) | 89.9 | 91.3 2% | 84 -7% | 91.7 2% | 14.61 -84% |
| 4K-64 Read (MB/s) | 355 | 510 44% | 364.9 3% | 359 1% | 210.1 -41% |
| 4K-64 Write (MB/s) | 170.3 | 402.2 136% | 88 -48% | 181 6% | 83.5 -51% |
| Copy ISO MB/s (MB/s) | 173.3 | 858 395% | 225 30% | 342.8 98% | |
| Copy Program MB/s (MB/s) | 115.5 | 128 11% | 29.67 -74% | 226.5 96% | |
| Copy Game MB/s (MB/s) | 148.8 | 352.6 137% | 97.3 -35% | 354.6 138% |
Grafikkarte
Die Intel HD Graphics 5500 im X1 Carbon ist augenscheinlich nicht für anspruchsvolle Anwendungen konzipiert. Mit einem 3DMark-Ice-Storm-Ergebnis von 45.644 Punkten liegt die GPU genau im Mittelfeld der zuvor getesteten Geräte mit dieser CPU/GPU-Kombination; dasselbe gilt auch für das 3DMark 11-Ergebnis von 1.067 Punkten. Das XPS 13 erreicht in beiden Tests etwas höhere Werte, aber keines der Geräte wurde für ernsthafte Gaming-Sessions konstruiert. Im Vergleich mit dem Vorgänger sind die Werte des neuen Modells höher – am auffälligsten im Ice-Storm-Szenario, wo wir einen Anstieg von beinahe 30 % feststellen konnten (von 35.290 auf 45.644 Punkte).
| 3DMark 11 | |
| 1280x720 Performance (nach Ergebnis sortieren) | |
| Lenovo ThinkPad X1 Carbon 2015 | |
| Lenovo ThinkPad X1 Carbon 2015 | |
| Dell XPS 13-9343 | |
| Dell XPS 13 9343 Core i7 | |
| Lenovo ThinkPad T450s-20BWS03F00 | |
| 1280x720 Performance GPU (nach Ergebnis sortieren) | |
| Lenovo ThinkPad X1 Carbon 2015 | |
| Lenovo ThinkPad X1 Carbon 2015 | |
| Dell XPS 13 9343 Core i7 | |
| Lenovo ThinkPad T450s-20BWS03F00 | |
| 3DMark | |
| 1280x720 Ice Storm Standard Score (nach Ergebnis sortieren) | |
| Lenovo ThinkPad X1 Carbon 2015 | |
| Lenovo ThinkPad X1 Carbon 2015 | |
| Dell XPS 13-9343 | |
| Dell XPS 13 9343 Core i7 | |
| Lenovo ThinkPad T450s-20BWS03F00 | |
| 1280x720 Cloud Gate Standard Score (nach Ergebnis sortieren) | |
| Lenovo ThinkPad X1 Carbon 2015 | |
| Lenovo ThinkPad X1 Carbon 2015 | |
| Dell XPS 13-9343 | |
| Dell XPS 13 9343 Core i7 | |
| Lenovo ThinkPad T450s-20BWS03F00 | |
| 1920x1080 Fire Strike Score (nach Ergebnis sortieren) | |
| Lenovo ThinkPad X1 Carbon 2015 | |
| Lenovo ThinkPad X1 Carbon 2015 | |
| Dell XPS 13-9343 | |
| Dell XPS 13 9343 Core i7 | |
| Lenovo ThinkPad T450s-20BWS03F00 | |
| BioShock Infinite | |
| 1280x720 Very Low Preset (nach Ergebnis sortieren) | |
| Lenovo ThinkPad X1 Carbon 2015 | |
| Lenovo ThinkPad X1 Carbon 2015 | |
| Dell XPS 13-9343 | |
| 1366x768 Medium Preset (nach Ergebnis sortieren) | |
| Lenovo ThinkPad X1 Carbon 2015 | |
| Lenovo ThinkPad X1 Carbon 2015 | |
| Dell XPS 13-9343 | |
| 1366x768 High Preset (nach Ergebnis sortieren) | |
| Lenovo ThinkPad X1 Carbon 2015 | |
| Lenovo ThinkPad X1 Carbon 2015 | |
| Dell XPS 13-9343 | |
| 3DMark 06 Standard Score | 6978 Punkte | |
| 3DMark Vantage P Result | 4457 Punkte | |
| 3DMark 11 Performance | 1067 Punkte | |
| 3DMark Ice Storm Standard Score | 45644 Punkte | |
| 3DMark Cloud Gate Standard Score | 4780 Punkte | |
| 3DMark Fire Strike Score | 665 Punkte | |
Hilfe | ||
| min. | mittel | hoch | max. | |
|---|---|---|---|---|
| BioShock Infinite (2013) | 36.33 | 21.51 | 17.17 | 5.38 |
Emissionen
Geräuschemissionen
Wie schon beim Vorgänger ist auch die dritte Generation des X1 Carbon im Leerlauf bzw. bei nur geringer Last lautlos, da sich der Lüfter in diesem Fall abschaltet. Unter Last liegen die Werte allerdings etwas höher als beim Vorgänger – 36,9 dB(A) vs. 34,0 dB(A). Im Vergleich mit dem Dell XPS 13, welches in einigen Situationen ohrenbetäubende 48 dB(A) erreicht, geht das X1 Carbon ganz klar als Sieger hervor.
Lautstärkediagramm
| Idle |
| 28.5 / 28.6 / 28.8 dB(A) |
| Last |
| 30.7 / 36.9 dB(A) |
![]() | ||
30 dB leise 40 dB(A) deutlich hörbar 50 dB(A) störend |
||
min: | ||
Temperatur

Aber welche Auswirkungen hat das auf die Gehäusetemperaturen? Die geringere Geräuschkulisse scheint für das neue X1 Carbon kein großes Problem zu sein, denn wir konnten selbst unter Last nur durchschnittliche Temperaturen von 29 °C und 29,9 °C auf der Ober- bzw. Unterseite messen. Die wärmsten Punkte oben in der Mitte kommen ebenfalls nur auf 36,2 °C bzw. 38 °C. Im Leerlauf ist das Gerät komplett kühl und es gibt auch keine auffälligen Temperaturunterschiede. Die Ergebnisse liegen unter dem XPS 13 und auch die Hot-Spots sind deutlich kühler als beim Vorgänger (die 3 °C und 4 °C wärmer waren).
(+) Die maximale Temperatur auf der Oberseite ist 36.2 °C. Im Vergleich liegt der Klassendurchschnitt bei 35.9 °C (von 21.4 bis 59 °C für die Klasse Subnotebook).
(+) Auf der Unterseite messen wir eine maximalen Wert von 38 °C (im Vergleich zum Durchschnitt von 39.2 °C).
(+) Ohne Last messen wir eine durchschnittliche Temperatur von 24.6 °C auf der Oberseite. Der Klassendurchschnitt erreicht 30.8 °C.
(+) Die Handballen und der Touchpad-Bereich sind mit gemessenen 25.8 °C kühler als die typische Hauttemperatur und fühlen sich dadurch kühl an.
(+) Die durchschnittliche Handballen-Temperatur anderer getesteter Geräte war 28.2 °C (+2.4 °C).
Stresstest
Bei maximaler CPU-Auslastung (via Prime95) pendelt sich der Prozessor irgendwann bei 2,2 GHz ein und erreicht eine maximale Temperatur von 71 °C. Das ist recht kühl und lässt auf ein sehr gutes Temperaturmanagement durch Lenovo schließen. Ähnliches können wir bei der GPU beobachten, wo sich der Takt bei 600 MHz einpendelt – und damit deutlich unter dem Maximum von 900 MHz liegt.
Bei kombinierter Auslastung für die CPU und die GPU drosselt das Notebook den Prozessor unmittelbar auf lediglich 1,1 GHz und der GPU-Takt fällt auf 550 MHz. Trotzdem übersteigen die Temperaturen niemals 71 °C. Es handelt sich hier aber auch nicht um eine mobile Workstation, und das X1 Carbon schlägt sich in allen Lastsituationen ziemlich gut.
Lautsprecher


Die beiden Lautsprecher auf der Unterseite des X1 Carbon strahlen den Sound nach unten ab. Die Soundqualität hängt dabei von der Unterlage ab, denn nur auf festem Boden kann der Sound zurückgestrahlt werden (wie bei allen Down-Firing-Konfigurationen). Die Lautsprecher sind laut und selbst bei maximaler Lautstärke gibt es keine Verzerrungen. Die Dolby Digital Plus-Software – die wir, entgegen aller Erwartungen, immer mehr mögen – ist standardmäßig auf "Film" eingestellt, aber einige Anwender werden das Echo der entsprechenden Surround-Sound-Option nicht mögen. Die Lösung ist glücklicherweise einfach, man kann die Funktion nämlich einfach deaktivieren oder eine andere Voreinstellung (z. B. "Musik") auswählen, und schon verschwindet der Effekt.
Die Voreinstellung "Musik" bietet vermutlich die beste Qualität: Der Sound ist sehr klar, ordentlich laut, allerdings fehlt der Bass (was nicht wirklich überraschend ist). Die Lautsprecher des X1 Carbon können es nicht mit dem überraschend vollen Sound von etwas größeren Geräten aufnehmen – wie dem Dell Latitude E7440, dessen Lautsprecher für diese Größe exzellent sind – aber sie sind trotzdem mehr als ausreichend für alltägliche Aufgaben, zumindest solange, bis die Wiedergabe von Filmen oder Musik zur Hauptbeschäftigung wird.
Leistungsaufnahme
| Aus / Standby | |
| Idle | |
| Last |
|
Legende:
min: | |
Akkulaufzeit
Bei all dem Gerede über die Effizienz des Broadwell-Chipsatzes stellt sich die Frage, wie sehr das X1 Carbon von der neuen Hardware-Generation profitieren kann. Zusammen mit dem 50-Wh-Akku (anstatt 45-Wh beim Vorgänger) sollten wir längere Laufzeiten erwarten können.
In der Realität haben sich die Laufzeiten aber kaum verändert. Das Ergebnis von 16 Stunden und 24 Minuten im Readers Test ist sehr gut, aber die Helligkeit ist in diesem Szenario so gering, dass man sie kaum nutzen kann (X1 Carbon Gen 2: 12:03). Last, simuliert durch den Classic Test, resultiert in einer Laufzeit von 2 Stunden und 21 Minuten, was den Vorgänger um rund 30 Minuten übertrifft. Beide Werte liegen außerdem leicht über den Ergebnissen des Dell XPS 13 (15:12 bzw. 2:20 Stunden).
Das wichtigste Szenario für die meisten Anwender ist allerdings vermutlich der WLAN-Test, der das normale Surfen im Internet simuliert, in dem er eine Reihe von vorgegebenen Webseiten in einem festen Intervall aufruft. Auf den ersten Blick scheinen sich die Ergebnisse des neuen X1 Carbon verschlechtert zu haben, aber hier bedarf es einiger Erklärung: Wir haben vor kurzem unseren WLAN-Test verändert. Um die Vergleichbarkeit in unserem Test zu verbessern, haben wir zusätzlich das Ergebnis des alten Tests aufgeführt. Der neue Test, der die tatsächliche Laufzeit für viele Anwender ziemlich akkurat abbildet, ermittelte eine Laufzeit von 4:45 Stunden für das neue X1 Carbon.
Unser alter WLAN-Test ergab eine bessere Laufzeit von 6:41 Stunden – damit liegt das neue X1 Carbon leicht vor dem Vorgänger (6:29 Stunden) in demselben Benchmark, allerdings deutlich hinter dem XPS 13-9343 mit 9:40 Stunden (was ein exzellentes Ergebnis ist). Im Alltag sollten die Laufzeiten also auf brauchbarem Niveau liegen, aufgrund von moderneren Web-Inhalten (z. B. Videos, Plug-Ins und viele dynamische Inhalte) kann unser neuer Test noch realistischere Ergebnisse produzieren.
Ein Vergleich mit der Konkurrenz zeigt, dass wir uns in dieser Sektion zwar keine Sorgen machen müssen, aber dennoch ist es etwas seltsam, dass wir mit dem größeren Akku und dem effizienteren Chipsatz keine spürbar besseren Laufzeiten sehen. Der Bildschirm sollte keinen großen Einfluss haben und wir sind in der Tat etwas enttäuscht von den Ergebnissen.
Pro
Contra
Fazit
Das Lenovo X1 Carbon der dritten Generation ist ein tolles Gerät. Ähnlich zum Dell XPS 13, welches ein 13-Zoll-Display in ein 11-Zoll-Gehäuse steckte, sind die Dimensionen des X1 Carbon eher vergleichbar mit einem typischen 13-Zoll-Gerät – inklusive des Gewichts und der Höhe. Die Konstruktion ist zudem praktisch; die mattschwarzen Oberflächen, die den Großteil des Gehäuses bedecken, sind minimalistisch und attraktiv, aber sie fühlen sich mit dem unverkennbar kühlen Gefühl von Metall gleichzeitig auch gut an. Der Betrieb auf dem Schoß oder dem Schreibtisch ist problemlos möglich. Das Gehäuse fühlt sich zudem sehr solide an, obwohl wir von dem leichten Flexing und der in einigen Bereichen recht geringen Verwindungssteifigkeit nicht wirklich beeindruckt waren.
Viel interessanter sind allerdings die Veränderungen gegenüber dem Vorgänger. Die Kritik an dem Tastatur-Design sowie dem polarisierenden 5-Button-Clickpad hat viele potenzielle Geschäftskunden vom Kauf des X1 Carbon der zweiten Generation abgehalten – denn so radikale und experimentelle Entscheidungen kommen am Business-Markt, bei dem die Funktion über allem steht, in der Regel nicht gut an. Die dritte Generation des X1 Carbon nimmt sich diesen Problemen an und macht die Entscheidung rückgängig. Das Ergebnis ist eine der besten Tastaturen, die wir bisher bei einem Ultrabook benutzt haben – man ist sofort mit der Eingabe vertraut. Auch die drei klassischen Tasten am oberen Rand des Touchpads für die Verwendung mit dem TrackPoint sind zurück, und das Touchpad selbst kann nun nicht mehr komplett heruntergedrückt werden. Die neue Lösung mit dem normalen Clickpad-Ansatz ist deutlich komfortabler (und in unseren Augen zuverlässiger). Alles in allem gehören die Eingabegeräte des X1 Carbon der dritten Generation zu den besten, die wir bisher bei einem Ultrabook getestet haben.
Wie sieht es mit der Leistung aus? Die Unterschiede bei der CPU-Leistung zwischen dem alten und dem neuen X1 Carbon sind quasi nicht vorhanden – eigentlich sind die beiden Geräte in dieser Hinsicht sogar identisch. Bei der Grafikleistung können wir aber einen deutlichen Zuwachs verzeichnen – bis zu 19 % in einigen Situationen. Im Vergleich mit anderen modernen Notebooks in dieser Klasse schlägt sich das neue X1 Carbon, abgesehen von den kleinen Patzern in den synthetischen Multi-Core-Benchmarks, sowohl bei der CPU/GPU- als auch der Systemleistung gut. Der einzige kleine Makel ist die Samsung PM851-SSD, deren Schreibwerte lediglich bei 250 MB/s liegen.
Obwohl der neue Broadwell-Chipsatz sowie der etwas größere Akku eigentlich gute Voraussetzungen für längere Akkulaufzeiten sind, waren wir von den Ergebnissen überrascht, denn im Endeffekt gibt es überhaupt keinen Unterschied. Unser klassischer WLAN-Test ermittelte nur eine unwesentlich längere Laufzeit als beim Vorgänger, und der erst kürzlich veränderte WLAN-Test – der aggressiver ist und den Alltag besser wiederspiegelt – lief nicht einmal 5 Stunden. Bei einem 50-Wh-Akku und der vermeintlich gesteigerten Effizienz ist das kein überragendes Ergebnis, allerdings sollten viele Anwender einen typischen Ausflug überstehen, vor allem wenn man aggressivere Energiesparfunktionen verwendet. Falls die Akkulaufzeit eine Priorität ist, sollte man vielleicht einen Blick auf das Dell XPS 13-9343 oder das MacBook Air 13 werfen.
Ein weiterer Nachteil ist das enttäuschende Display, zumindest im Hinblick auf die Helligkeit, den Kontrast und die Farbsättigung – allerdings ist der entspiegelte Bildschirmfilter dank der reduzierten Reflexionen und der recht einfachen Reinigung ein willkommener Bonus. Zudem ist das neue X1 Carbon in jeder Situation kühl und leise, und legt damit mehr Wert auf den Komfort als auf eine höchstmögliche Leistung (siehe Stresstest).
Zusammenfassend ist das X1 Carbon der dritten Generation seinem Vorgänger ganz klar überlegen. Einige der Verbesserungen betreffen die bessere GPU-Leistung, die kühleren Temperaturen und die geringeren Geräuschemissionen, aber zum Glück hat der Hersteller auch die experimentellen (und komischen) Eingabegeräte des Vorgängers rückgängig gemacht.
Damit haben sich die Eingabegeräte nicht nur verbessert, unserer Meinung nach gehören sie sogar zu den besten, die wir bisher bei einem Ultrabook getestet haben. Aber trotz der Verbesserungen gegenüber dem Vorgänger - wie schlägt sich das X1 Carbon gegen seine modernen Rivalen? Obwohl es sicherlich ein interessantes Gerät ist, hat das X1 Carbon seit unserem letzten Test ein wenig den Anschluss verloren. Während Notebooks wie etwa das Dell XPS 13-9343 massive Fortschritte bei der Mobilität, der Akkulaufzeit und der Displayqualität gemacht haben, gab es beim X1 Carbon nur kleine Verbesserungen, die aber eigentlich nur frühere Fehler beheben.
Lenovo ThinkPad X1 Carbon 2015
- 16.02.2016 v5 (old)
Sebastian Jentsch
Erfahren Sie hier mehr über die Änderungen der neuen Bewertung mit Version 5





















































































