Test Lenovo Yoga 3 14 Convertible

Nach dem mit Spannung erwarteten und ambitionierten Yoga 3 Pro Convertible bringt Lenovo die dritte Generation des bekannten 360-Grad-Designs nun auch für preisbewusstere Anwender, passend Yoga 3 14 genannt. Wie bei allen vorherigen Modellen erlaubt das 360-Grad-Scharnier die Verwandlung eines normalen Notebooks in ein Tablet sowie zwei weitere Betriebsarten dazwischen. Obwohl die Pro-Version mit der extrem leichten Konstruktion und dem unfassbar dünnen Chassis einen gewissen Wow-Faktor hat, verwendet sie einen etwas langsameren SoC mit passiver Kühlung sowie einen hochauflösenden QHD+-Bildschirm, der zu Skalierungsproblemen sowie winzigen Schriften führen kann. Auch der Preis von 1.200 US-Dollar dürfte für viele Anwender etwas hoch sein. Die passende Alternative ist das Yoga 3 14, das mit einer Broadwell-i5-CPU, 4 GB Arbeitsspeicher und einer 128-GB-SSD schon für 800 US-Dollar (ab rund 800 Euro in Deutschland) erhältlich ist.
Zum Zeitpunkt dieses Tests bietet Lenovo sechs verschiedene Modelle innerhalb der Yoga Serie an, angefangen bei dem 11 Zoll großen Yoga 3 11 und dem 12,5 Zoll großen ThinkPad Yoga bis hin zu dem 14-Zoll-Testgerät, welches – zusammen mit dem ThinkPad Yoga 14 - über den größten Bildschirm in der Serie verfügt. Selbst die alte Generation des Yoga 2 Pro wird zu einem deutlich reduzierten Preis immer noch auf der Webseite gelistet. Zusätzlich zu den businessorientierten ThinkPad Yogas und der Yoga-3-Serie bietet Lenovo auch noch weitere Convertibles wie das ThinkPad Helix mit abnehmbaren Bildschirmen sowie die günstige Dual-Mode Flex-Serie mit 14- und 15-Zoll-Modellen an. Selbstverständlich gibt es von jedem Modell auch noch verschiedene Konfigurationen.
Zusätzlich zu dem größeren Display wird das neue Yoga 3 14 nur noch mit Solid State Drives angeboten, welche die Leistung gegenüber der Basisversion des Yoga 2 13 mit einer größeren konventionellen Festplatte verbessern sollte. Unsere Testkonfiguration mit einem Intel-i5-5200U-Prozessor, 8 GB Arbeitsspeicher sowie einer 256-GB-SSD ist in den USA für 950 US-Dollar erhältlich. In diesem Test wollen wir uns die Vorteile des neuen Modells sowie mögliche Rückschritte ansehen. Für eine bessere Einordnung des Yoga 3 14 werden wir es nicht nur mit dem Vorgänger Yoga 2 13 vergleichen, sondern auch mit dem sehr vielseitigen Asus Transformer Book TF300LD mit einer kleinen dedizierten Grafikkarte sowie Lenovos eigenem IdeaPad Flex 2 14.
Gehäuse
Auf den ersten Blick hat sich das Gehäuse gegenüber dem Vorgänger Yoga 2 13 kaum verändert, und das ist keinesfalls eine schlechte Sache. Das neue Modell ist mit 335 x 229 mm marginal größer; der Vorgänger lag bei 330 x 220 mm. Auch die Höhe des Gerätes hat sich von 15,5 auf 18,3 mm erhöht. Das Gewicht liegt nun bei 1.688 anstatt 1.560 Gramm; mit weniger als 10 % sollte die Gewichtszunahme im Alltag aber kaum auffallen, und das Gerät lässt sich immer noch einfach transportieren. Das IdeaPad Flex 2 14 ist nicht nur größer, sondern mit 2 kg auch deutlich schwerer, und es lässt sich nicht ganz so leicht in kleinen Taschen verstauen. Das komplette Gehäuse des Yoga 3 14 sieht nun aus wie gebürstetes Aluminium; bei dem Vorgänger waren die Oberflächen glatt und schwarz. Zusätzlich zu dem schwarzen Testgerät gibt es gewisse Modelle auch in Silber und Weiß.
Die Oberseite der Baseunit lässt sich etwas eindrücken, vor allem in der Mitte der Tastatur. Druck auf den Deckel führt zu Wellenbildung auf dem Bildschirm und deutlichen Veränderungen bei der LED-Hintergrundbeleuchtung. Weder die Baseunit noch der Bildschirm haben eine hohe Verwindungssteifigkeit, allerdings liegt das noch im vertretbaren Rahmen. Die Plastikoberflächen des Convertibles haben ein Soft-Touch-Finish, das nicht sehr anfällig für Fingerabdrücke ist und sich zusätzlich zu dem besseren Halt auch noch ganz gut anfühlt. Bei den Scharnieren gab es keine offensichtlichen Veränderungen, und sie haben kein Problem damit, den Bildschirm sicher in den verschieden Positionen zu halten. Ein gewisses Nachwippen bei der Verwendung des Touchscreens kann aber nicht verhindert werden. Rund um die Baseunit und das Display gibt es eine dünne Gummilippe, die das Convertible in den verschiedenen Betriebsarten schützt. Wo wir gerade von den Betriebsarten sprechen: Wie schon beim Vorgänger unterstützt das Gerät den Laptop-, Tent-, Stand- und Tablet-Modus. Wir haben in der Regel den normalen Laptop-Modus bzw. den Tent-Modus für Filme verwendet. Der Tablet-Modus klappt wie versprochen, aber solch ein großes Tablet herumzutragen, ist nicht jedermanns Sache. Klappt man den Bildschirm nach hinten, werden die Tastatur und das Touchpad automatisch deaktiviert, um versehentliche Eingaben zu verhindern. Im Stand-Modus liegt die Tastatur also auf dem Untergrund auf, und obwohl die Tastatur in einer Vertiefung sitzt und nicht absteht, sollte man auf unebenen Untergründen trotzdem vorsichtig sein, um Beschädigungen an den Tasten zu vermeiden.
Da es sich um ein recht erschwingliches Mainstream-Convertible handelt, können wir die Verarbeitung des Gerätes kaum kritisieren.
Ausstattung
Für ein recht dünnes Convertible ist die Ausstattung des Lenovo Yoga 3 14 ordentlich. Die Anschlüsse befinden sich am hinteren Ende, angeschlossene Geräte werden also kaum stören, wenn man das Convertible als normalen Laptop mit einer angesteckten Festplatte oder einem verbundenen Monitor verwendet. Während der Vorgänger noch über einen USB-2.0- und einen USB-3.0-Anschluss verfügte, hat das neue Modell zwei USB-3.0-Anschlüsse. Der USB-2.0-Anschluss ist nicht verfügbar, wenn man das Gerät lädt, da Lenovo einen kombinierten Lade-/USB-2.0-Anschluss integriert.
Sowohl das Flex 14 als auch das Asus Transformer Book TF300LD besitzen einen vollwertigen HDMI-Anschluss, doch das Yoga 3 14 hat nur einen Micro-HDMI-Ausgang, der den Erwerb eines entsprechenden Adapters erfordert. Die Position des Power Buttons auf der rechten Seite ist sicherlich eine Geschmacksfrage; wir haben ihn jedenfalls einige Male unabsichtlich ausgelöst, als wir das Gerät vom Tisch genommen haben. Der Screen-Lock Button ist sehr klein, aber einfach mit dem Finger zu finden. Nach dem Rotieren benötigt der Bildschirm ein paar Sekunden, bevor sich die Orientierung des Bildes ändert.
Kommunikation
Ein WLAN-Adapter von Qualcomm – ein Atheros QCA61x4 – unterstützt die 802.11-Standards a/g/n/ac sowie Bluetooth 4.0. Während unseres Tests hatten wir keine Probleme mit abnehmender Signalqualität oder unerwarteten Signalabbrüchen. Auch die Empfangsstärke ist sehr gut, und Windows zeigte weiterhin volle fünf Balken in einem 5-GHz-Netzwerk und mit einer Entfernung von etwa 15 Metern zu einem Netgear R7000 Nighthawk Router. Natürlich handelt es sich hierbei nicht um einen wissenschaftlichen Test, aber wir gehen davon aus, dass sich das Yoga 3 14 auch in größeren Heimnetzwerken problemlos verwenden lässt.
Zubehör
Abgesehen von dem modularen Netzteil und dem USB-Ladekabel gibt es in der Verpackung des Yoga kein weiteres Zubehör. Während das Netzteil mit weniger als 200 Gramm sehr leicht ist, könnte das 1,80 m lange Kabel in einigen Situation zu kurz sein. Auf der Lenovo Webseite gibt es ein 40-Watt-Slimline-Reisenetzteil sowie eine Schutzhülle für jeweils 50 US-Dollar. Das ThinkPad Basic USB 3.0 Dock kostet 102 US-Dollar; ein Micro-HDMI-auf-HDMI-Adapter ist für 16 US-Dollar erhältlich.
Wartung
Insgesamt müssen 11 Torxschrauben entfernt werden, bevor man die komplette Unterseite abnehmen kann. Das einzelne RAM-Modul wurde nicht auf das Mainboard aufgelötet, ein zukünftiger Austausch sollte also kein großes Problem darstellen. Bei der Festplatte handelt es sich um ein reguläres 2,5-Zoll-Laufwerk, welches nach dem Entfernen von vier Schrauben gewechselt werden kann. Hierbei muss man aber wissen, dass es sich um ein Ultra-Slim-Laufwerk mit einer Höhe von lediglich 5 Millimetern handelt.
Garantie
Der Hersteller gewährt Käufern des Yoga 3 14 eine einjährige Garantie, die gegen Aufpreis verlängert bzw. erweitert werden kann. Ein Upgrade auf eine Vor-Ort-Reparatur kostet 19 US-Dollar; 2 Jahre Vor-Ort-Service mit einem Unfallschutz kosten angemessene 79 US-Dollar. Eine Garantieverlängerung auf zwei und drei Jahre kostet 49 bzw. 99 US-Dollar. Lenovo verkauft auch einen Installationsservice für unerfahrene Anwender. Für 59 US-Dollar beinhaltet dieser Service die Verbindung des Convertibles mit einem Heimnetzwerk und neben anderen Dingen auch die Einrichtung eines Druckers sowie des E-Mail-Accounts.
Eingabegeräte
Tastatur
Die Tastatur verwendet das typische Chiclet-Design (AccuType genannt), welches Lenovo für seine Privatkunden-Geräte verwendet. Wie es aussieht, wurde die Eingabe 1:1 vom Vorgänger Yoga 2 13 übernommen. Damit ist auch der Tastenhub weiterhin etwas kurz, und das Feedback ist beinahe schon schwammig, was durch das deutliche Flexing in der Mitte der Tastatur sogar leider noch verstärkt wird. Auch die Anordnung der Tasten erfordert etwas Eingewöhnung, da die Funktionstasten invertiert sind, und viele Tasten nicht die volle Größe aufweisen (Tab auf der linken Seite; Backspace und Enter auf der rechten Seite zum Beispiel). Obwohl die Tastatur nicht mit den Eingaben der ThinkPad Modelle konkurrieren kann, konnten wir dennoch komfortabel darauf schreiben, und auch die Fehlerrate war gering. Es ist schön, dass Lenovo eine Hintergrundbeleuchtung für die Tastatur integriert hat, denn das ist bei diesem Preis keineswegs selbstverständlich: Die Basiskonfiguration des Asus Transformer Book Flip hat beispielsweise keine beleuchtete Eingabe. Auch wenn man die Beleuchtung nur an- und ausschalten kann, fanden wir die Helligkeit genau richtig. Eine automatische Abschaltung gibt es nicht, die Beleuchtung bleibt also beispielsweise auch an, wenn man den Bildschirm abschaltet.
Touchpad
Das Elan Smart Pad hat eine Diagonale von 105 mm und funktioniert sehr gut; für die vorhandene Displaygröße ist die Eingabe ausreichend dimensioniert. Finger gleiten sehr leicht über die etwas angeraute Oberfläche, und wir hatten keine Probleme mit Multitouch-Gesten; auch Window-8-Gesten wurden anstandslos umgesetzt. Da es sich um ein Clickpad handelt, kann man die gesamte Fläche herunterdrücken, allerdings fanden wir es deutlich einfacher, nur die untere Hälfte für Klicks zu verwenden, da die Rückmeldung in diesem Bereich viel besser ist. Das Feedback der Klicks ist ganz gut und auch hörbar, ohne dabei zu stören.
Touchscreen
Der 10-Finger-Touchscreen spricht ebenfalls gut an, und wir hatten weder Probleme mit der Präzision von Eingaben noch mit irgendwelchen spürbaren Verzögerungen bei der Umsetzung. Der Tent-Modus ist geradezu prädestiniert für Touch-Eingaben, denn die Bildschirmkante liegt dabei auf dem Untergrund auf und es gibt kein Nachwippen des Displays.
Display
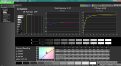
Das Yoga 3 14 verfügt über ein 14 Zoll großes IPS-FHD-LED-Display mit einer Auflösung von 1.920 x 1.080 Pixeln. Andere Displaytypen oder andere Auflösungen werden nicht angeboten. Die Auflösung entspricht dem Vorgänger, und obwohl die Pixeldichte nun etwas geringer ist (156 vs. 166 dpi), glauben wir weiterhin, dass sich diese Auflösung sehr gut für Displays mit 13- oder 14-Zoll-Diagonalen eignet. Mit einer durchschnittlichen Helligkeit von 225 cd/m² ist das Panel aber leider nicht sehr hell, und es ist auch nur unwesentlich heller als das günstige Flex 2 14 (215 cd/m²). Zumindest wird die Helligkeit im Akkubetrieb nicht noch weiter reduziert. Das Asus Transformer Book Flip ist mit 331 cd/m² deutlich heller, und sogar das ältere Yoga 2 13 erzielt ein besseres Ergebnis mit 250 cd/m². Der Schwarzwert von 0,394 cd/m² ergibt ein etwas enttäuschendes Kontrastverhältnis von 595:1 – enttäuschend vor allem, wenn man bedenkt, dass das billigere Flex 2 14 einen Kontrast von über 1.000:1 erreicht. Trotzdem sind weder das Transformer Book Flip noch der Vorgänger Yoga 2 13 viel besser als unser Testgerät. Schwarz ist einigermaßen dunkel, und bei typischen Aufgaben wie dem Betrachten von Videos wird es zu keinen Einschränkungen kommen. Einzig das Screen Bleeding an den Kanten kann ein wenig störend sein, wenn man Filme im Breitbildformat mit den schwarzen Balken oben und unten ansieht.
| |||||||||||||||||||||||||
Ausleuchtung: 82 %
Helligkeit Akku: 234.6 cd/m²
Kontrast: 595:1 (Schwarzwert: 0.394 cd/m²)
ΔE ColorChecker Calman: 5.22 | ∀{0.5-29.43 Ø4.74}
ΔE Greyscale Calman: 3.35 | ∀{0.09-98 Ø4.98}
36.92% AdobeRGB 1998 (Argyll 1.6.3 3D)
Gamma: 2.27
CCT: 6184 K
| Lenovo Yoga 3 14 HD Graphics 5500, 5200U, Samsung SSD PM851 256 GB MZYTE256HMHP | Lenovo Flex 2 14 GeForce 840M, 4010U, Samsung SSD PM851 128 GB MZ7TE128HMGR | Asus Transformer Book Flip TP300LD-C4031H GeForce 820M, 4510U, SanDisk SD6SB1M128G1002 | Lenovo Yoga 2 13 HD Graphics 4400, 4010U, WD Blue UltraSlim WD5000MPCK-22AWHT0 | Lenovo Yoga 2 Pro HD Graphics 4400, 4200U, Samsung SSD PM841 MZMTD128HAFV mSATA | |
|---|---|---|---|---|---|
| Display | |||||
| Display P3 Coverage (%) | 38.81 | 74.4 | 65.5 | 42.03 | |
| sRGB Coverage (%) | 58.2 | 98.9 | 96.2 | 63.3 | |
| AdobeRGB 1998 Coverage (%) | 40.12 | 72.6 | 67.7 | 43.42 | |
| Bildschirm | 15% | 18% | 16% | 15% | |
| Helligkeit Bildmitte (cd/m²) | 234.6 | 216 -8% | 345 47% | 269 15% | 371.5 58% |
| Brightness (cd/m²) | 225 | 215 -4% | 331 47% | 249 11% | 340 51% |
| Brightness Distribution (%) | 82 | 88 7% | 93 13% | 86 5% | 87 6% |
| Schwarzwert * (cd/m²) | 0.394 | 0.21 47% | 0.47 -19% | 0.4 -2% | 0.749 -90% |
| Kontrast (:1) | 595 | 1029 73% | 734 23% | 673 13% | 496 -17% |
| Delta E Colorchecker * | 5.22 | 4.56 13% | 4.82 8% | 2.95 43% | 3.14 40% |
| Delta E Graustufen * | 3.35 | 3.51 -5% | 4.97 -48% | 4.19 -25% | 1.24 63% |
| Gamma | 2.27 97% | 2.53 87% | 2.35 94% | 2.5 88% | 2.44 90% |
| CCT | 6184 105% | 6401 102% | 6435 101% | 6771 96% | 6461 101% |
| Farbraum (Prozent von AdobeRGB 1998) (%) | 36.92 | 37 0% | 64 73% | 62.1 68% | 40.49 10% |
| Durchschnitt gesamt (Programm / Settings) | 15% /
15% | 18% /
18% | 16% /
16% | 15% /
15% |
* ... kleinere Werte sind besser
Für die Analyse der Farbgenauigkeit verwenden wir die CalMAN 5 Software und ein Kolorimeter. Die durchschnittliche Graustufenabweichung ist mit einem DeltaE-Wert von 3,35 tatsächlich sehr gut, die ColorChecker Ergebnisse sind mit 5,22 aber nicht ganz so beeindruckend, vor allem da es mit Blau einen deutlichen Ausreißer gibt (DeltaE über 11). Trotzdem liegt die Farbgenauigkeit auf einem guten Niveau für alltägliche Aufgaben, und die meisten Anwender werden mit den lebendigen Farben des Panels zufrieden sein.
Wie üblich schauen wir uns auch den darstellbaren Farbraum ab, der für professionelle Anwender wichtig ist. Aber selbst der sRGB-Farbraum kann nur zu 53 % abgedeckt werden – kein beeindruckendes Ergebnis. Das ältere Yoga 2 13 schnitt hier deutlich besser ab mit 84 %. Der größere AdobeRGB Farbraum wird nur zu 37 % abgedeckt; das Asus Transformer Book Flip ist mit 64 % deutlich besser. Alles in allem scheint das Display im Vergleich mit dem Vorgänger Yoga 2 13 ein Rückschritt zu sein, und die Qualität ist nun näher am günstigen Flex 2 14. Obwohl die meisten Anwender den geringen Farbraum kaum bemerken werden, sollten sich professionelle Fotografen lieber nach einem anderen Gerät umsehen.
Die Sichtbarkeit des Displays im Freien ist stark eingeschränkt, denn die Helligkeit ist nicht annähernd hoch genug, um die Reflexionen des spiegelnden Displays auszugleichen. Direktes Sonnenlicht sollte unbedingt vermieden werden, und selbst ein bedeckter Himmel kann zu Problemen führen. Lediglich im Schatten und mit einem günstigen Displaywinkel, um Reflexionen zu minimieren, kann man den Bildschirminhalt sehen. Die Verwendung des Yoga 3 14 als Tablet, beispielsweise um ein Buch zu lesen, ist damit nur in geschlossenen Räumen ohne starke Lichtquellen möglich.
Wie erwartet ist die Blickwinkelstabilität des IPS-Displays hervorragend, und selbst sehr flache Winkel sind kein Problem, auch wenn die Helligkeit in dieser Situation etwas abnimmt. Das schützende Glas scheint dicht genug am Panel zu sein und führt zu keinen internen Reflexionen - Texte sind also zu jeder Zeit lesbar. Günstige Convertibles wie das HP Pavilion 13-a000ng x360 mit TN-Panels haben hier deutlich das Nachsehen.
Leistung
Zum Zeitpunkt des Tests bietet Lenovo zwei Prozessoren aus Intels neuer Broadwell Serie an. Unser Testgerät ist mit dem Intel Core i5-5200U ausgerüstet, der mit einem Grundtakt von 2,2 GHz läuft; die High-End-Konfiguration verwendet den Core i7-5500U mit 2,4 GHz. Auch die Größe des Arbeitsspeichers variiert: Während das Einstiegsmodell mit 4 GB auskommen muss, können die anderen Versionen auf 8 GB Single-Channel LPDDR3-RAM (1.600 MHz) zurückgreifen. Bei der Festplatte kann man sich zwischen einer Samsung SSD mit 128 GB (Basismodell) oder 256 GB entscheiden.
Prozessor
Bei dem Intel Core i5-5200U handelt es sich um einen Dual-Core-ULV-Prozessor (Ultra-Low-Voltage) auf Basis der Broadwell Architektur, der mit einem Grundtakt von 2,2 GHz läuft und in einem 14-nm-Prozess gefertigt wird. Hyper-Threading wird natürlich unterstützt, und dank Turbo-Boost kann der Prozessor bei der Auslastung eines Kerns auf bis zu 2,7 GHz und bei beiden Kernen auf bis zu 2,5 GHz übertaktet werden. Mit Cinebench-R11.5-Ergebnissen von 1,25 (Single) und 2,83 Punkten (Multi) befindet sich das Gerät von Lenovo am oberen Ende der Liste von Notebooks, die wir bisher mit diesem Prozessor getestet haben. Leistungsmäßig liegt der neue Chip nur etwa 7-8 % hinter dem alten Intel Core i7-4510U im Asus Transformer Book Flip, der bis zu 2,8 GHz für beide Kerne erreicht. Laut dem Benchmark wPrime ist der i5-5200U rund 14 % schneller als der Core i5-4200U (Haswell), welcher ein sehr beliebter Chip für Mittelklasse-Ultrabooks sowie dünne und leichte Geräte war. Mit einer TDP von 15 Watt verbraucht die CPU deutlich mehr Strom (10,5 Watt, um genau zu sein) als der besonders sparsame Intel Core M-5Y70-SoC in Lenovos High-End-Convertible Yoga 3 Pro, aber anders als bei diesem SoC sollte die Leistung nicht so stark durch der TDP-Begrenzung gedrosselt werden.
System Performance
Für die Bewertung der Systemleistung nutzen wir die Benchmarks der PCMark Serie. Mit 4.659 Punkten im PCMark 7 ist das Yoga 3 14 rund 22 % schneller als das günstigere Flex 2 14, liegt aber hinter dem Asus Transformer Flip. Letzteres verwendet zwar nur einen schwächeren Core-i3-Prozessor, aber dank der Nvidia-GeForce-820M-GPU erreicht es 4.976 Punkte (+ 7 %). Die gefühlte Leistung ist schlicht ausgezeichnet: Das Hoch- und Herunterfahren ist in 6-7 bzw. 2 Sekunden erledigt, und auch Programme starten ohne Verzögerungen. Selbst bei heftigem Multi-Tasking gab es keine nennenswerten Leistungseinbrüche. Verschiedene Tests haben gezeigt, dass sich die Ergebnisse im Akkubetrieb nicht verringern, dem Anwender steht die volle Leistung also zu jeder Zeit zur Verfügung.
| PCMark 7 Score | 4659 Punkte | |
| PCMark 8 Home Score Accelerated v2 | 2795 Punkte | |
| PCMark 8 Creative Score Accelerated v2 | 3756 Punkte | |
| PCMark 8 Work Score Accelerated v2 | 3315 Punkte | |
Hilfe | ||
Massenspeicher
Wie wir zuvor bereits erwähnt haben, handelt es sich bei der SSD um ein 2,5-Zoll-Laufwerk (5 mm) von Samsung. Die PM851 erreicht laut AS SSD sehr gute sequentielle Transferraten von rund 510 MB/s (Lesen) und 260 MB/s (Schreiben). Auch die Leistung bei kleinen 4K-Dateien ist sehr gut. Die 128-GB-SSD von SanDisk im Transformer Book Flip war mit 470 MB/s bzw. 245 MB/s etwas langsamer. Im Vergleich zu der konventionellen Festplatte im Lenovo Yoga 2 13 ist die SSD im Yoga 3 14 beim Lesen etwa 5x und beim Schreiben etwa 2,7x schneller.
* ... kleinere Werte sind besser
Gaming Performance
Der Intel Core i5-5200U verfügt über die integrierte HD-Graphics-5500-Grafikkarte mit 24 Execution Units (EUs) und einem Takt von 300-900 MHz. Obwohl die neue Grafikkarte die alte Haswell GPU HD Graphics 4400 und HD Graphics 5000 übertrifft, sollte man sich nicht zu viel von der Spielleitung erhoffen. Ein synthetischer Benchmark bestätigt, dass die HD 5500 schneller ist als die Vorgänger: Mit 1.013 Punkten ist die HD 5500 etwa 11 % schneller als die HD 4400 im Yoga 2 13. Damit ist das Yoga 3 14 aber bei Weitem noch kein Gaming Notebook: Lediglich ältere und anspruchslose Titel lassen sich flüssig spielen. Aktuellere und komplexere Spiele erfordern die geringste Auflösung und die niedrigsten Details, um überhaupt zu laufen. Natürlich sollte sich die Leistung mit Dual-Channel-Arbeitsspeicher theoretisch erhöhen, aber das Aspire R13 R7, welches dieselbe CPU/GPU-Kombination und Dual-Channel-Arbeitsspeicher verwendet, ist nur minimal schneller.
Das Asus Transformer Book Flip ist dank der dedizierten Grafikkarte Nvidia Geforce 820M besser zum Spielen geeignet. Die synthetischen Benchmarks zeigen, dass der Vorsprung mit 5 bis 30 % allerdings nicht immer sehr groß ist. Nichtsdestotrotz können selbst ein paar Bilder pro Sekunde mehr den Unterschied ausmachen, weshalb das Transformer Flip in dieser Disziplin die Nase vorne hat.
| 3DMark 06 Standard Score | 6041 Punkte | |
| 3DMark Vantage P Result | 4030 Punkte | |
| 3DMark 11 Performance | 1013 Punkte | |
| 3DMark Ice Storm Standard Score | 42707 Punkte | |
| 3DMark Cloud Gate Standard Score | 4537 Punkte | |
| 3DMark Fire Strike Score | 610 Punkte | |
Hilfe | ||
| min. | mittel | hoch | max. | |
|---|---|---|---|---|
| Anno 2070 (2011) | 53.2 | 26.6 | 15.9 | 7.9 |
| Company of Heroes 2 (2013) | 16.5 | 12.8 | 7.8 | 2.8 |
| Fifa 14 (2013) | 97.5 | 67 | 48.3 | 40.3 |
| Thief (2014) | 13 | 9 | 7 | 3.2 |
| GRID: Autosport (2014) | 29.2 | 22.5 | 13.6 | 12.5 |
Emissionen
Geräuschemissionen
Im Leerlauf scheint sich der Lüfter des Yoga 3 14 permanent zu drehen, allerdings ist er mit lediglich 32 dB(A) nicht laut genug, um ihn in einer normalen Umgebung zu hören. Während des Stresstests kletterte der Pegel auf etwas über 37 dB(A). Damit ist das neue Yoga leiser als sein Vorgänger, bei dem wir noch 40 dB(A) messen konnten. Auch das Transformer Book Flip ist mit 43 dB(A) lauter. Leider ist das Geräusch des Lüfters aber sehr hochfrequent und damit schon nach kurzer Zeit recht nervig. Selbstverständlich tritt dieses Verhalten nur bei maximaler Auslastung der CPU und der GPU auf.
Lautstärkediagramm
| Idle |
| 32.2 / 32.5 / 32.6 dB(A) |
| Last |
| 33.6 / 37.2 dB(A) |
![]() | ||
30 dB leise 40 dB(A) deutlich hörbar 50 dB(A) störend |
||
min: | ||
Temperatur
Da Lenovo ein ziemlich aggressives Temperaturmanagement verwendet (siehe auch Kapitel Stresstest weiter unten), liegen die Temperaturen alle in einem erträglichen Rahmen. Im Leerlauf können wir gerade einmal 26 °C messen, was nur 7 °C über der Umgebungstemperatur liegt. Unter Last erreicht das Convertible auf der Unterseite (Mitte) 44 °C, aber auf den beiden Seiten nur etwa 27 °C. Damit kann das Gerät problemlos auf dem Schoß eingesetzt werden. Der Vorgänger erreichte noch 48 °C an der linken Ecke der Unterseite, womit es auf dem Schoß schnell unangenehm wurde. Das Asus Transformer Flip liegt bei maximal 46 °C, es ist also etwas wärmer als das Yoga 3 14.
(+) Die maximale Temperatur auf der Oberseite ist 34.6 °C. Im Vergleich liegt der Klassendurchschnitt bei 35.4 °C (von 19.6 bis 60 °C für die Klasse Convertible).
(±) Auf der Unterseite messen wir eine maximalen Wert von 44.4 °C (im Vergleich zum Durchschnitt von 36.9 °C).
(+) Ohne Last messen wir eine durchschnittliche Temperatur von 22.7 °C auf der Oberseite. Der Klassendurchschnitt erreicht 30.3 °C.
(+) Die Handballen und der Touchpad-Bereich sind mit gemessenen 23.8 °C kühler als die typische Hauttemperatur und fühlen sich dadurch kühl an.
(+) Die durchschnittliche Handballen-Temperatur anderer getesteter Geräte war 28 °C (+4.2 °C).
Stresstest
Um mögliche Probleme mit Throttling oder ungewöhnliches Verhalten des Testgeräts unter Last zu identifizieren, setzen wir das Lenovo Yoga 3 14 einem Stresstest aus. Zunächst verwenden wir nur Prime95, um den Prozessor zu fordern. Zu Beginn laufen beide Kerne mit 2,5 GHz, und abwechselnd springt einer der beiden Kerne auch mal auf 2,7 GHz. Nach etwa 10 Sekunden hat sich die Temperatur von 32 °C auf 60 °C erhöht, aber beide Kerne laufen weiterhin mit 2,5 GHz. Nach etwa 8 Minuten beträgt die Temperatur 63-64 °C, woraufhin der Lüfter seine Drehzahl erhöht; allerdings liegt der Takt weiterhin stabil bei 2,5 GHz. Nach etwa 15 Minuten erreicht die Temperatur 67 °C, und der Lüfter erhöht erneut seine Geschwindigkeit, zudem können wir einen kurzzeitigen Abfall des Taktes auf 800 MHz feststellen. Daraufhin fällt die Temperatur auf 52 °C, und der CPU-Takt springt unmittelbar wieder auf 2,5 GHz. Dieser Vorgang wiederholt sich etwa alle 30 Sekunden. Obwohl es sich also eigentlich um Throttling handelt, liegt der Takt nur extrem kurz bei 800 MHz - wir bezweifeln also, dass es zu einer spürbaren Leistungsreduzierung kommt.
Wir verwenden FurMark, um die GPU zu belasten. Zunächst laufen sowohl der Kern als auch der Speicher der Grafikkarte mit 900 bzw. 800 MHz, aber nach einigen wenigen Minuten reduziert sich der GPU-Takt auf 750 MHz und die Temperatur liegt bei etwa 65 °C. Nach 15 Minuten hat sich der GPU-Takt bei 750 MHz und der Speicher-Takt bei 800 MHz stabilisiert, während die Temperatur 66-67 °C beträgt.
Bei der gleichzeitigen Ausführung von Prime95 und FurMark fallen die CPU-Kerne auf 1,4-1,5 GHz. Die GPU kann den Takt von 750 MHz aufrechterhalten und erreicht eine Temperatur von 65 °C. Selbst nach einigen Stunden ändern sich diese Werte kaum. Insgesamt wählt Lenovo also einen ziemlich konservativen Ansatz, um sicherzugehen, dass Überhitzung kein Problem darstellt. Obwohl der Prozessor also drosselt, müssen wir betonen, dass es sich bei dem getesteten Szenario um einen Extremfall handelt, der nicht den Alltag widerspiegelt.
Lautsprecher
Die Stereo-Lautsprecher befinden sich auf der linken und rechten vorderen Hälfte der Unterseite, wenn man das Convertible im Laptop-Modus verwendet. Obwohl der Sound klar und die maximale Lautstärke hoch und ohne Verzerrungen ist, fehlt es etwas an Mitten und natürlich am Bass. Da die Lautsprecher nach unten gerichtet sind, kann ein fester Untergrund den Klang verbessern. Trotzdem entspricht die Qualität der Lautsprecher den Erwartungen: Für das Ansehen von Filmen reichen sie aus, aber für Musik empfehlen wir externe Lautsprecher oder Kopfhörer.
Akkulaufzeit
Im Inneren des Lenovo Yoga 3 14 steckt ein 45-Wh-Akku – beim Vorgänger kam noch ein 54-Wh-Modul zum Einsatz. Trotz der geringeren Kapazität haben sich die Akkulaufzeiten deutlich verbessert: Bei unserem realitätsnahen WLAN-Test erreichte das Testgerät eine Laufzeit von 7 Stunden und 50 Minuten, was eine deutliche Verbesserung gegenüber den 5 Stunden des Yoga 2 13 darstellt. Das Asus Transformer Book Flip TP300LD-C4031H macht etwa eine Stunde früher schlapp als unser Testgerät. Für den WLAN-Test verwenden wir das Energieprofil "Ausbalanciert", eine Displayhelligkeit von etwa 150 cd/m² und simulieren das Surfen im Internet mit einem automatisierten Skript. Die maximale Laufzeit bestimmen wir mit dem Battery Eater Readers' Test (minimale Bildschirmhelligkeit, Energiesparprofil), und auch dieses Ergebnis ist mit knapp 20 Stunden höher als zuvor. Selbst die minimale Laufzeit im Classic Test ist mit 2 Stunden und 15 Minuten sehr gut. Das alte Lenovo Yoga 2 13 musste schon nach 1 Stunde und 40 Minuten wieder an die Steckdose. Das Flex 2 14, welches nur einen 32,5-Wh-Akku besitzt, hielt nur eine Stunde durch.
Pro
Contra
Fazit
Aktualisierte Hardware, größeres Display, bessere Akkulaufzeiten – was gibt es daran nicht zu mögen? Das Yoga 3 14 wurde gegenüber dem Vorgänger Yoga 2 13 in einigen Bereichen verbessert. Trotz dem größeren 14-Zoll-Bildschirm und dem kleineren Akku ist das neue Modell einerseits schneller, andererseits sind aber auch die Akkulaufzeiten deutlich länger. Die 256-GB-SSD von Samsung ist sehr flott, und die benötigte Zeit beim Hoch- und Herunterfahren sowie dem Start von Anwendungen ist wirklich beeindruckend kurz. Das Convertible bleibt im normalen Betrieb ziemlich ruhig und kommt auch gut mit höherer Auslastung zurecht. Die Eingabegeräte gefallen uns für ein Consumer-Gerät gut, und die Tastatur verfügt zudem über eine Hintergrundbeleuchtung, die sicherlich eine Bereicherung darstellt. Die verschiedenen Betriebsarten funktionieren gut, allerdings können wir den Stand-Modus nicht empfehlen, da die Tastatur in diesem Modus ungeschützt auf dem Untergrund aufliegt.
Leider ist der neue Bildschirm nicht so hell wie beim Vorgänger, der schon nicht besonders leuchtstark war, zudem wird nur etwa die Hälfte des sRGB-Farbraums abgedeckt. Die Nutzbarkeit im Freien ist an hellen Tagen deutlich eingeschränkt. Falls Sie das Convertible also oft draußen verwenden wollen, sollten Sie sich andere Geräte ansehen. Eine Möglichkeit ist das alte Lenovo Yoga 2 Pro mit einem deutlich helleren QHD+-Display (340 cd/m², 3.200 x 1.800 Pixel). Zum Zeitpunkt des Tests verkauft Lenovo die Version mit dem Core i5-4210U, 8 GB Arbeitsspeicher und einer 256-GB-SSD für rund 850 US-Dollar. Auch das Asus Transformer Book Flip hat einen helleren Bildschirm und verfügt sogar über eine kleine dedizierte Grafikkarte, wodurch die Leistung beim Spielen etwas höher ist. Das Acer Aspire R13 R7 ist ebenfalls ein ordentliches Gerät, wenn auch eine sehr unkonventionelle Wahl. Zudem bietet der Hersteller derzeit nur Modelle mit den alten Haswell Prozessoren ab 900 US-Dollar an. Preisbewusste Käufer sollten auch einen Blick auf das Lenovo Flex 2 14 werfen. Dieses unterstützt zwar nur zwei Betriebsarten, verfügt dafür aber trotz dem geringen Preis von 530 US-Dollar über ein IPS-Display.
Lenovo Yoga 3 14
- 16.03.2015 v4 (old)
Sebastian Jentsch





































































