Fazit zum Samsung Galaxy A17 4G
Günstiger als beim Samsung Galaxy A17 4G kommt man kaum an ein Smartphone mit AMOLED-Screen: Keine 200 Euro bezahlt man für das Handy. Dafür muss man auch auf die 5G-Fähigkeit verzichten und mit 4 GB RAM auskommen, zumindest beim Basismodell. Auch die Akkulaufzeiten sind eher mäßig.
Allzu aufwändige Apps wird man auf dem relativ langsamen SoC nicht ausführen wollen. Immerhin: Im Alltag gelingen die meisten Tätigkeiten ohne Ruckeln.
Ungewöhnlich ist auch das flexible Kamerasystem mit Weitwinkel- und Makrokamera, auch wenn die sehr gering auflösen.
Man muss mit PWM-Flackern beim Bildschirm leben und sollte auch keine zu hohen Anforderungen an die WLAN-Geschwindigkeit stellen.
Insgesamt ist das Samsung Galaxy A17 4G aber ein ungewöhnlich gut ausgestattetes Billig-Smartphone, welches durchaus einen Blick wert ist.
Pro
Contra
Preis und Verfügbarkeit
Knapp über 150 Euro beginnen die günstigsten Angebote für das Galaxy A17 4G.
Bei amazon.de bezahlt man etwa 170 Euro.
Inhaltsverzeichnis
- Fazit zum Samsung Galaxy A17 4G
- Spezifikationen
- Gehäuse und Ausstattung – Kunststoff und Gorilla Glass
- Kommunikation und Bedienung – LTE-Phone mit Fingerabdrucksensor
- Software und Nachhaltigkeit – 6 Jahre Updates?
- Kameras – Ungewöhnlich flexibel
- Display – Heller 90-Hz-AMOLED
- Leistung, Emissionen und Akkulaufzeit – Einigermaßen flott
- Notebookcheck Gesamtbewertung
- Mögliche Alternativen im Vergleich
Spezifikationen
Preisvergleich
Gehäuse und Ausstattung – Kunststoff und Gorilla Glass
Das Chassis des Samsung Galaxy A17 4G hat der Hersteller im Vergleich zum Vorgänger überarbeitet, verschlankt und 10 Gramm leichter gemacht.
Das gesamte Gehäuse ist aus Kunststoff gefertigt, wirkt aber stabil und ist sauber verarbeitet. Die Rückseite reflektiert das Umgebungslicht leicht, ist insgesamt aber recht schlicht designt. Die Kameras sind in einem ovalen Modul zusammengefasst. Der Bildschirm wird durch Gorilla Glass Victus geschützt, eine Seltenheit in der Preisklasse.
Unser Testgerät kommt mit 4 GB RAM und 128 GB Massenspeicher. Es gibt auch ein Modell mit 8 GB RAM und 256 GB Massenspeicher, der Preisunterschied beträgt etwa 30 Euro.
Gut gefällt uns, dass NFC, beispielsweise für mobile Bezahldienste vorhanden ist.
Eine eSIM kann man nicht verwenden, dafür sind zwei Nano-SIM-Slots verfügbar. Einer davon kann auch für eine microSD-Karte genutzt werden, diese erweitert den Speicher um bis zu 2 TB. Der Leser arbeitet in unserem Test einigermaßen flott und mit recht stabilen Übertragungsraten.
| SD Card Reader - average JPG Copy Test (av. of 3 runs) | |
| Samsung Galaxy A17 5G (Angelbird V60) | |
| Samsung Galaxy A16 4G (Angelbird V60) | |
| Samsung Galaxy A17 4G | |
| Xiaomi Redmi 15C 5G (Angelbird V60) | |
| Durchschnitt der Klasse Smartphone (5.72 - 58.9, n=56, der letzten 2 Jahre) | |
| Motorola Moto G15 (Angelbird V60) | |
Cross Platform Disk Test (CPDT)
Kommunikation und Bedienung – LTE-Phone mit Fingerabdrucksensor
Auf 5G-Mobilfunk muss man verzichten und auch im LTE-Netz sind nicht allzu viele Frequenzbänder vorhanden.
Der Empfang ist in diversen Stichproben während unseres Tests auch nicht immer optimal, bricht aber nur selten ganz weg.
Im WLAN kann das Phone maximal nach dem Standard WiFi 5 funken. Damit werden Datenraten um die 300 MBit/s recht stabil erreicht.
Der Screen kann bis zu 90 Bilder pro Sekunde darstellen und reagiert damit recht flott auf Eingaben. Der Touchscreen ist exakt zu bedienen.
Im Standbybutton an der rechten Gehäuseseite ist ein Fingerabdrucksensor integriert, welcher das Phone zuverlässig und mit geringer Wartezeit entsperrt. Auch eine biometrische Entsperrung über die Gesichtserkennung ist möglich. Sie funktioniert bei gutem Umgebungslicht ebenfalls recht schnell und exakt.
| Networking | |
| Samsung Galaxy A17 4G | |
| iperf3 transmit AXE11000 | |
| iperf3 receive AXE11000 | |
| Samsung Galaxy A17 5G | |
| iperf3 transmit AXE11000 | |
| iperf3 receive AXE11000 | |
| Xiaomi Redmi 15C 5G | |
| iperf3 transmit AXE11000 | |
| iperf3 receive AXE11000 | |
| Samsung Galaxy A16 4G | |
| iperf3 transmit AXE11000 | |
| iperf3 receive AXE11000 | |
| Motorola Moto G15 | |
| iperf3 transmit AXE11000 | |
| iperf3 receive AXE11000 | |
| Durchschnittliche 802.11 a/b/g/n/ac | |
| iperf3 transmit AXE11000 | |
| iperf3 receive AXE11000 | |
| Durchschnitt der Klasse Smartphone | |
| iperf3 transmit AXE11000 | |
| iperf3 receive AXE11000 | |
Software und Nachhaltigkeit – 6 Jahre Updates?
Android 15 ist auf dem Gerät vorinstalliert, darüber liegt Samsungs OneUI, welche das Betriebssystem recht stark verändert.
Updates soll das Galaxy A17 4G bis 2031 bekommen, also ab Launch für sechs Jahre und so lange soll es auch neue Versionen des Betriebssystems geben. Allerdings schränkt Samsung das auf seiner Website mit dem Zusatz "bis zu" und weiteren rechtlichen Klauseln ein. So ganz verlassen kann man sich auf dieses an sich tolle Versprechen also nicht.
Das Galaxy A17 4G ist lediglich in Papier verpackt. Recycelte Materialien machen nur 1,4% des Produktes aus. Immerhin gibt es eine Selbstreparaturdatenbank, in welcher Samsung Ersatzteile anbietet.
Kameras – Ungewöhnlich flexibel
Bei den Kameras hat sich im Vergleich zum Vorgänger nichts getan, aber schon der war sehr gut ausgestattet: Es gibt neben der 50-Megapixel-Hauptkamera noch eine Weitwinkellinse und ein Makroobjektiv. Beide lösen niedrig auf, dennoch hat man hier ein recht flexibles Kamerasystem.
Die Hauptkamera macht passable Aufnahmen, die etwas kühl wirken. Details sind nicht immer gut erkennbar. Auch das Umgebungsbild wirkt teils etwas unscharf. Bei wenig Licht und starken Kontrasten ist die Aufhellung recht gut und teils kann man auch noch Einzelheiten gut erkennen.
Videos lassen sich maximal mit 1080p und 30 fps aufzeichnen. Der Detailgrad ist ordentlich, der Autofokus aber ab und an zu langsam.
Das Bild aus der Weitwinkelkamera wirkt recht grob. Die Frontkamera macht ordentliche Selfies mit gutem Detailgrad.
Bildervergleich
Wählen Sie eine Szene und navigieren Sie im ersten Bild. Ein Klick ändert die Position bei Touchscreens. Ein Klick auf die vergrößerten Bilder öffnet das Original in einem neuen Fenster. Das erste Bild zeigt das skalierte Foto, welches mit dem Testgerät aufgenommen wurde.
Hauptkamera PflanzeHauptkamera UmgebungHauptkamera LowLightWeitwinkel

Display – Heller 90-Hz-AMOLED
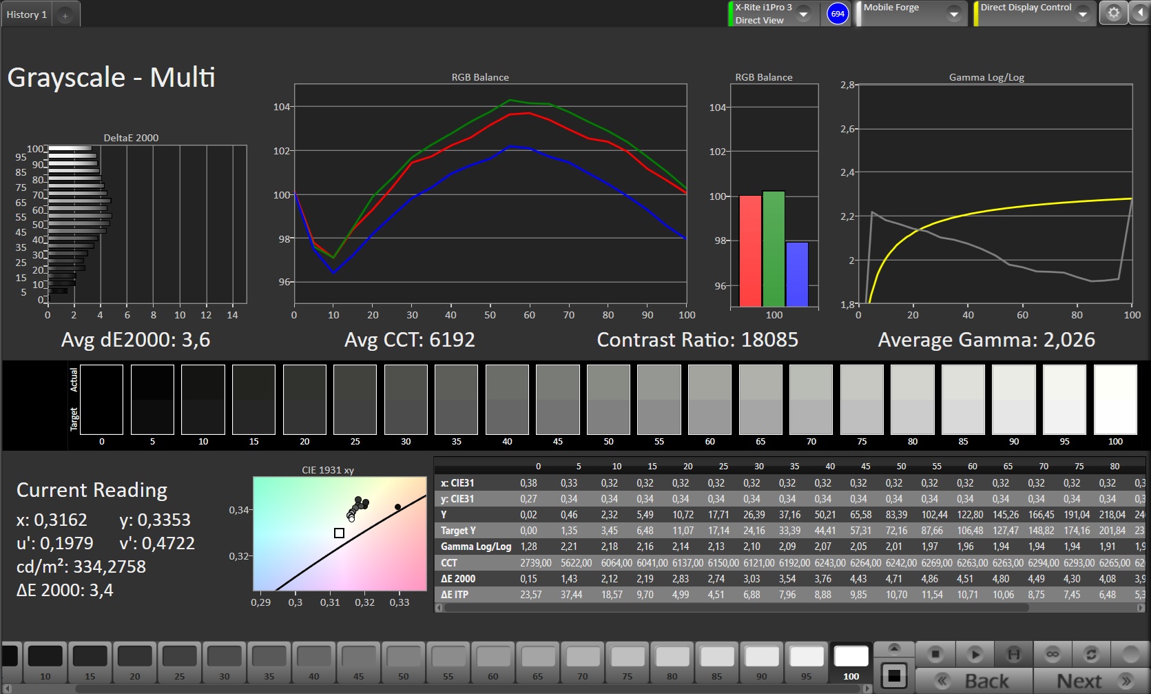
Der AMOLED-Screen des Galaxy A17 ist eine Seltenheit in der Preisklasse unter 200 Euro. Der Screen strahlt recht hell mit bis zu 687 cd/m².
Auch die Farbdarstellung gefällt mit nur geringen Abweichungen, welche man mit bloßem Auge kaum erkennen kann.
Das Bild wirkt recht scharf und die Farbdarstellung kräftig.
Allerdings muss man dafür auch PWM-Flackern bei niedrigen Helligkeiten akzeptieren.
| |||||||||||||||||||||||||
Ausleuchtung: 93 %
Helligkeit Akku: 687 cd/m²
Kontrast: ∞:1 (Schwarzwert: 0 cd/m²)
ΔE ColorChecker Calman: 3.45 | ∀{0.5-29.43 Ø4.73}
ΔE Greyscale Calman: 3.6 | ∀{0.09-98 Ø4.98}
99.8% sRGB (Calman 2D)
Gamma: 2.026
CCT: 6192 K
| Samsung Galaxy A17 4G AMOLED, 2340x1080, 6.7" | Samsung Galaxy A17 5G AMOLED, 2340x1080, 6.7" | Xiaomi Redmi 15C 5G IPS, 1600x720, 6.9" | Samsung Galaxy A16 4G Super AMOLED, 2340x1080, 6.7" | Motorola Moto G15 IPS, 2400x1080, 6.7" | |
|---|---|---|---|---|---|
| Bildschirm | 5% | 1% | 8% | 5% | |
| Helligkeit Bildmitte (cd/m²) | 687 | 691 1% | 591 -14% | 729 6% | 468 -32% |
| Brightness (cd/m²) | 666 | 672 1% | 557 -16% | 716 8% | 452 -32% |
| Brightness Distribution (%) | 93 | 92 -1% | 91 -2% | 95 2% | 86 -8% |
| Schwarzwert * (cd/m²) | 0.51 | 0.3 | |||
| Delta E Colorchecker * | 3.45 | 3.15 9% | 3.25 6% | 3.14 9% | 2.07 40% |
| Colorchecker dE 2000 max. * | 5.49 | 4.41 20% | 6.77 -23% | 4.24 23% | 6.38 -16% |
| Delta E Graustufen * | 3.6 | 3.6 -0% | 1.6 56% | 3.6 -0% | 0.8 78% |
| Gamma | 2.026 109% | 2.041 108% | 2.299 96% | 2.057 107% | 2.202 100% |
| CCT | 6192 105% | 6507 100% | 6967 93% | 6441 101% | 6607 98% |
| Kontrast (:1) | 1159 | 1560 |
* ... kleinere Werte sind besser
Bildschirm-Flackern / PWM (Pulse-Width Modulation)
| Flackern / PWM festgestellt | 367 Hz Amplitude: 16 % | ||
Das Display flackert mit 367 Hz (im schlimmsten Fall, eventuell durch Pulsweitenmodulation PWM) . Die Frequenz von 367 Hz ist relativ hoch und sollte daher auch bei den meisten Personen zu keinen Problemen führen. Empfindliche User sollen laut Berichten aber sogar noch bei 500 Hz und darüber ein Flackern wahrnehmen. Im Vergleich: 52 % aller getesteten Geräte nutzten kein PWM um die Helligkeit zu reduzieren. Wenn PWM eingesetzt wurde, dann bei einer Frequenz von durchschnittlich 7837 (Minimum 5, Maximum 343500) Hz. | |||
Reaktionszeiten (Response Times) des Displays
| ↔ Reaktionszeiten Schwarz zu Weiß | ||
|---|---|---|
| 2.5 ms ... steigend ↗ und fallend ↘ kombiniert | ↗ 1.2 ms steigend | |
| ↘ 1.3 ms fallend | ||
| Die gemessenen Reaktionszeiten sind sehr kurz, wodurch sich der Bildschirm auch für schnelle 3D Spiele eignen sollte. Im Vergleich rangierten die bei uns getesteten Geräte von 0.1 (Minimum) zu 240 (Maximum) ms. » 13 % aller Screens waren schneller als der getestete. Daher sind die gemessenen Reaktionszeiten besser als der Durchschnitt aller vermessenen Geräte (19.9 ms). | ||
| ↔ Reaktionszeiten 50% Grau zu 80% Grau | ||
| 2 ms ... steigend ↗ und fallend ↘ kombiniert | ↗ 1 ms steigend | |
| ↘ 1 ms fallend | ||
| Die gemessenen Reaktionszeiten sind sehr kurz, wodurch sich der Bildschirm auch für schnelle 3D Spiele eignen sollte. Im Vergleich rangierten die bei uns getesteten Geräte von 0.165 (Minimum) zu 636 (Maximum) ms. » 9 % aller Screens waren schneller als der getestete. Daher sind die gemessenen Reaktionszeiten besser als der Durchschnitt aller vermessenen Geräte (31.1 ms). | ||
Leistung, Emissionen und Akkulaufzeit – Einigermaßen flott
Der MediaTek Helio G99 ist als SoC in dieser Preisklase sehr beliebt. Er ermöglicht meist einen ruckelfreien Betrieb, in anspruchsvolleren Situationen kann es aber durchaus mal zu Wartezeiten kommen.
Die Leistung liegt deutlich unter dem 5G-Modell des Galaxy A17, anonsten aber auf Augenhöhe mit ähnlich teuren Modellen. Der UFS-2.2-Speicher arbeitet recht flott, tatsächlich aber langsamer als im Vorgänger, was sich nur durch einen anderen Speichercontroller oder eine Software-Drosselung erklären lässt.
Das Phone erwärmt sich unter längerer Last maximal auf 44,4 °C, was spürbar, aber nicht kritisch ist. Auch drosselt das Phone nach langer Beanspruchung allenfalls minimal.
Der einzelne Speaker an der Unterkante klingt besser als beim Vorgänger, auf maximaler Lautstärke immer noch gut und nicht mehr ganz so höhenlastig. So kann man in Popmusik oder Filmton durchaus mal reinhören. Für externe Audiogeräte stehen USB oder Bluetooth als Anschlussmöglichkeiten zu Verfügung. Für die drahtlose Übertragung gibt es allerdings nur relativ wenige Audiocodecs.
Der 5.000-mAh-Akku ist gegenüber dem Galaxy A16 4G gleich geblieben und auch die Laufzeiten unterscheiden sich nur geringfügig. Etwa 13 Stunden hält das Samsung Galaxy A17 4G durch und offenbart damit tatsächlich eine seiner Schwächen im Vergleich mit anderen Phones.
| Samsung Galaxy A17 4G | Samsung Galaxy A17 5G | Xiaomi Redmi 15C 5G | Samsung Galaxy A16 4G | Motorola Moto G15 | Durchschnittliche 128 GB eMMC Flash | Durchschnitt der Klasse Smartphone | |
|---|---|---|---|---|---|---|---|
| AndroBench 3-5 | -1% | 181% | 179% | -3% | -16% | 502% | |
| Sequential Read 256KB (MB/s) | 518.6 | 528.2 2% | 509.9 -2% | 942.8 82% | 287.7 -45% | 300 ? -42% | 2241 ? 332% |
| Sequential Write 256KB (MB/s) | 172.6 | 170.7 -1% | 512.1 197% | 710.8 312% | 228.5 32% | 195.1 ? 13% | 1923 ? 1014% |
| Random Read 4KB (MB/s) | 141.1 | 134.7 -5% | 196.3 39% | 208.8 48% | 65.2 -54% | 85.9 ? -39% | 307 ? 118% |
| Random Write 4KB (MB/s) | 55.9 | 56.4 1% | 329 489% | 208.1 272% | 87.4 56% | 58.1 ? 4% | 360 ? 544% |
(±) Die maximale Temperatur auf der Oberseite ist 44.4 °C. Im Vergleich liegt der Klassendurchschnitt bei 35.3 °C (von 21.9 bis 247 °C für die Klasse Smartphone).
(±) Auf der Unterseite messen wir eine maximalen Wert von 44.9 °C (im Vergleich zum Durchschnitt von 34 °C).
(+) Ohne Last messen wir eine durchschnittliche Temperatur von 25.3 °C auf der Oberseite. Der Klassendurchschnitt erreicht 32.9 °C.
3DMark Stress Tests
| 3DMark | |
| Wild Life Stress Test Stability | |
| Samsung Galaxy A17 4G | |
| Motorola Moto G15 | |
| Samsung Galaxy A17 5G | |
| Xiaomi Redmi 15C 5G | |
| Samsung Galaxy A16 4G | |
| Wild Life Extreme Stress Test | |
| Motorola Moto G15 | |
| Xiaomi Redmi 15C 5G | |
| Samsung Galaxy A17 4G | |
| Samsung Galaxy A16 4G | |
| Samsung Galaxy A17 5G | |
Samsung Galaxy A17 4G Audio Analyse
(+) | Die Lautsprecher können relativ laut spielen (89 dB)
Bass 100 - 315 Hz
(-) | kaum Bass - 24% niedriger als der Median
(±) | durchschnittlich lineare Bass-Wiedergabe (12.9% Delta zum Vorgänger)
Mitteltöne 400 - 2000 Hz
(±) | zu hohe Mitten, vom Median 6.1% abweichend
(+) | lineare Mitten (5.3% Delta zum Vorgänger)
Hochtöne 2 - 16 kHz
(±) | zu hohe Hochtöne, vom Median nur 6.5% abweichend
(±) | durchschnittlich lineare Hochtöne (9% Delta zum Vorgänger)
Gesamt im hörbaren Bereich 100 - 16.000 Hz
(±) | hörbarer Bereich ist durchschnittlich linear (21.9% Abstand zum Median)
Im Vergleich zu allen Geräten derselben Klasse
» 45% aller getesteten Geräte dieser Klasse waren besser, 8% vergleichbar, 47% schlechter
» Das beste Gerät hat einen Delta-Wert von 11%, durchschnittlich ist 34%, das schlechteste Gerät hat 134%
Im Vergleich zu allen Geräten im Test
» 63% aller getesteten Geräte waren besser, 7% vergleichbar, 31% schlechter
» Das beste Gerät hat einen Delta-Wert von 4%, durchschnittlich ist 24%, das schlechteste Gerät hat 134%
Motorola Moto G15 Audio Analyse
(+) | Die Lautsprecher können relativ laut spielen (84.3 dB)
Bass 100 - 315 Hz
(-) | kaum Bass - 23.7% niedriger als der Median
(±) | durchschnittlich lineare Bass-Wiedergabe (11.9% Delta zum Vorgänger)
Mitteltöne 400 - 2000 Hz
(±) | zu hohe Mitten, vom Median 5.3% abweichend
(+) | lineare Mitten (5.8% Delta zum Vorgänger)
Hochtöne 2 - 16 kHz
(+) | ausgeglichene Hochtöne, vom Median nur 3.3% abweichend
(+) | sehr lineare Hochtöne (5.9% Delta zum Vorgänger)
Gesamt im hörbaren Bereich 100 - 16.000 Hz
(±) | hörbarer Bereich ist durchschnittlich linear (19.9% Abstand zum Median)
Im Vergleich zu allen Geräten derselben Klasse
» 32% aller getesteten Geräte dieser Klasse waren besser, 7% vergleichbar, 60% schlechter
» Das beste Gerät hat einen Delta-Wert von 11%, durchschnittlich ist 34%, das schlechteste Gerät hat 134%
Im Vergleich zu allen Geräten im Test
» 51% aller getesteten Geräte waren besser, 7% vergleichbar, 42% schlechter
» Das beste Gerät hat einen Delta-Wert von 4%, durchschnittlich ist 24%, das schlechteste Gerät hat 134%
| Samsung Galaxy A17 4G 5000 mAh | Samsung Galaxy A17 5G 5000 mAh | Xiaomi Redmi 15C 5G 6000 mAh | Samsung Galaxy A16 4G 5000 mAh | Motorola Moto G15 5200 mAh | |
|---|---|---|---|---|---|
| Akkulaufzeit | 2% | 43% | 16% | 31% | |
| WLAN (h) | 13 | 13.2 2% | 18.6 43% | 15.1 16% | 17 31% |
| Idle (h) | 33.7 | 27.2 | 29.8 | ||
| H.264 (h) | 17.9 | 23.7 | 19.8 | ||
| Last (h) | 4.5 | 5.8 | 5.5 |
Notebookcheck Gesamtbewertung
Das Samsung Galaxy A17 4G ist sehr gut ausgestattet für seine Preisklasse.
Lediglich bei den Laufzeiten und dem wackligen Updateversprechen gibt es Schwachpunkte.

Samsung Galaxy A17 4G
- 24.10.2025 v8
Florian Schmitt
Mögliche Alternativen im Vergleich
Bild | Modell / Test | Preis ab | Gewicht | Laufwerk | Display |
|---|---|---|---|---|---|
| Samsung Galaxy A17 4G Mediatek Helio G99 ⎘ ARM Mali-G57 MP2 ⎘ 4 GB RAM, 128 GB eMMC | Amazon: 155,00 € Bestpreis 146.9€ Alternate 2. 147€ Gomibo.at 3. 148.01€ playox.de | 190 g | 128 GB eMMC Flash | 6.70" 2340x1080 385 PPI AMOLED | |
| Samsung Galaxy A17 5G Samsung Exynos 1330 ⎘ ARM Mali-G68 MP2 ⎘ 4 GB RAM, 128 GB eMMC | Amazon: 158,26 € Bestpreis 149.99€ Universal Versand 2. 149.99€ OTTO Österreich 3. 149.99€ OTTO Österreich Mode | 192 g | 128 GB eMMC Flash | 6.70" 2340x1080 385 PPI AMOLED | |
| Xiaomi Redmi 15C 5G Mediatek Dimensity 6300 ⎘ ARM Mali-G57 MP2 ⎘ 4 GB RAM, 128 GB UFS 2.2 | Amazon: 154,84 € Bestpreis 109.9€ Alternate 2. 110€ Cyberport.de 3. 110€ computeruniverse.net | 211 g | 128 GB UFS 2.2 Flash | 6.90" 1600x720 254 PPI IPS | |
| Samsung Galaxy A16 4G Mediatek Helio G99 ⎘ ARM Mali-G57 MP2 ⎘ 4 GB RAM, 128 GB UFS 2.2 | Amazon: 89,99 € Bestpreis 109.99€ nullprozentshop.de 2. 109.99€ notebooksbilliger.de 3. 109.99€ talk-point-gmbh2 | 200 g | 128 GB UFS 2.2 Flash | 6.70" 2340x1080 385 PPI Super AMOLED | |
| Motorola Moto G15 Mediatek Helio G81 ⎘ ARM Mali-G52 MP2 ⎘ 4 GB RAM, 128 GB eMMC | Amazon: Bestpreis 109.92€ Haushaltsparadies 2. 115.53€ Jacob Elektronik direkt 3. 115.54€ galaxus | 190 g | 128 GB eMMC Flash | 6.72" 2400x1080 392 PPI IPS |
































