Test Acer Aspire V5-471G Notebook

Die Acer-V5-Serie umfasst eine Reihe dünner, preiswerter Notebooks in den gängigen Größen (10 bis 15,6 Zoll). Acer zielt damit auf Kunden ab, die an einem Ultrabook interessiert sind, aber nicht bereit sind, entsprechend hohe Preise zu zahlen. Mit dem Aspire V5-471G-53314G50Mass stellt sich ein 14-Zoll-Vertreter unserem Test. Wir haben bereits das baugleiche Low-Cost-Modell V5-431 (Celeron 887, HD Graphics) auf Herz und Nieren untersucht. Auch zwei 15,6-Zoll-Modelle der Reihe mussten sich mit dem Aspire V5-531 (Pentium 967, HD Graphics) und dem Aspire V5-571G (Core i5-3317U, GeForce GT 620M) bereits unserem Testparcour stellen.
Zur Einordnung des Notebooks ziehen wir die Konkurrenten Lenovo IdeaPad S405 (AMD A8-4555M, Radeon HD 7600G) und Samsung Serie 5 535U3C (AMD A6-4455M, Radeon HD 7500G) heran.
Das Aspire V5-471G besteht komplett aus matt-silbernem Kunststoff. Leider vermittelt dieser Kunststoff einen billigen Eindruck. Die Oberflächen des Gehäuses sind glatt; es wurde auf Verzierungen oder Texturierungen verzichtet. Auch das IdeaPad und das Samsung Notebook bestehen komplett aus Kunststoff. Mit einer Gehäusehöhe von 23 mm liegt das Aspire nur knapp oberhalb der Spezifikation für Ultrabooks (max. 21 mm dick) und zeigt sich entsprechend handlich.
Vereinzelt findet man ungleichmäßige Spaltmaße. So sitzen das Touchpad und die Tastatureinfassung nicht ganz bündig. Die Baseunit zeigt sich einigermaßen robust gefertigt. Links und rechts neben der Tastatur gibt sie auf Druck nach. Die Handballenablage erweist sich hier deutlich stabiler. Greift man die Basiseinheit an den vorderen Ecken, lässt sie sich kaum verwinden. Das haben wir bei dickeren, schwereren Notebooks schon schlimmer gesehen. Stärker lässt sich der Deckel des Aspires verwinden. Er wird von den Scharnieren fest in Position gehalten, wippt aber nach. Eine Ein-Hand-Öffnung des Deckels ist möglich.
Das flache Notebook bietet wenig Platz für Schnittstellen. Trotzdem sind die nötigsten Anschlüsse vorhanden - inklusive USB 3.0. Das IdeaPad und das Serie 5 bieten fast die gleichen Anschlüsse wie das Aspire; Lenovo verzichtet lediglich auf den VGA-Ausgang. Die Steckplätze des V5-471G finden sich alle an der linken Seite im vorderen Bereich und sind somit ungünstig positioniert. Aber das lässt sich bei dem flachen Rechner nicht besser realisieren.
Kommunikation
Das WLAN-Modul des Aspires stammt von Atheros (AR5WBW222) und unterstützt die WLAN-Standards 802.11 b/g/n. Die Empfangsleistung ist sehr gut: Sowohl in direkter Nähe (ca. 3 Meter) als auch zwei Stockwerke unterhalb des Router-Standorts zeigt die Windows-WLAN-Anzeige den vollen Ausschlag. Die Sendeleistung des Routers liegt bei etwa 50 Prozent. Der Gigbabit-Ethernet-Chip (RTL8168/8111) des V5-471G stammt von Realtek. Auch ein Bluetooth-4.0-Chip steckt in dem Notebook. Eine Webcam findet sich im Displayrahmen. Die Webcam produziert keine besonders überzeugenden Bilder. Sie sind leicht verwaschen und pixelig.
Zubehör
Wie heutzutage üblich, liefert Acer kaum Zubehör mit. Neben einem Schnellstartposter, einer Kurzanleitung und Garantieinformationen liegt dem Notebook noch eine Kabelpeitsche bei, die das Aspire um einen VGA-Ausgang und einen Gigabit-Ethernet-Anschluss erweitert. Andere Erweiterungen gibt es für den Steckplatz nicht.
Betriebssystem und Recovery
Das Aspire kommt mit vorinstalliertem Windows 8 (64 Bit) zum Käufer. Eine Installations-DVD liegt nicht bei. Soll Windows 8 durch Windows 7 ersetzt werden, ist das kein großes Problem. Auf der Acer Webseite finden sich auch Treiber für Windows 7.
Sollte Windows 8 einmal nicht mehr rund laufen, kann man das System mit Hilfe der Recovery Partition auf den Auslieferungszustand zurücksetzen. Leider lässt sich das Wiederherstellungsprogramm nicht mehr mit einer Tastenkombination nach dem Einschalten des Notebooks aufrufen, sondern nur innerhalb von Windows. Daher sollte jeder Nutzer eine Windows Recovery-DVD anlegen, mit der sich das Wiederherstellungs auch aufrufen lässt, falls Windows einmal nicht mehr starten sollten. Die Webseite "Intowindows.com" hält eine englischsprachige Anleitung zur Erstellung einer solchen DVD bereit.
Wartung
Auf der Unterseite des Notebooks findet sich eine kleine Wartungsklappe, hinter der die zwei Arbeitsspeicherbänke des Aspires sitzen. Nur eine Bank ist mit einem 4-GB-Modul belegt. Das Notebook unterstützt bis zu 8 Gigabyte Arbeitsspeicher. Ein zusätzliches 4-GB-Modul kostet aktuell etwa 15 bis 20 Euro. Wer die Festplatte austauschen möchte oder den Lüfter reinigen will, muss die Unterseite des Gehäuses demontieren. Wir haben bei unserem Testgerät darauf verzichtet.
Garantie
Acer gewährt dem V5-471G in Deutschland eine 24-monatige Bring-in-Garantie. Im Falle eines Defekts müsste der Käufer das Gerät zu Acer schicken. Auch das IdeaPad und der Samsung Rechner verfügen über diesen Garantieumfang. Die Garantie des Aspires kann auf drei Jahre ausgedehnt werden. Die entsprechende Garantieerweiterung kostet etwa 70 bis 80 Euro. Sie müsste in den ersten 365 Tagen nach dem Notebookkauf erworben und aktiviert werden.
Tastatur
Acer verbaut im Aspire eine beleuchtete Chiclet-Tastatur. Die Haupttasten besitzen eine Größe von 15 x 15 mm. Die Tasten verfügen insgesamt über einen kurzen Hub und einen klar erkennbaren Druckpunkt. Der Tastenwiderstand dürfte etwas knackiger ausfallen. Leider wippt die Tastatur während des Tippens deutlich. Insbesondere im mittleren Bereich der Tastatur ist das sehr ausgeprägt; zu den Rändern hin wird es besser. Positiv stechen die Größe der Enter-, Backspace- sowie der rechten Shift-Taste hervor. Acer hat es geschafft, diese Tasten in der üblichen Größe zu integrieren. Oftmals geraten sie bei kleinen Notebooks etwas zu winzig. Ein wenig (zu) klein geraten sind aber die Pfeiltasten. Trotzdem lassen sie sich aufgrund ihrer Position und des Tastenabstands komfortabel nutzen.
Touchpad
Acer rüstet das Aspire mit einem Clickpad der Firma Elan aus. Hierbei handelt es sich um ein Touchpad, das ohne separate Maustasten auskommt: Das gesamte Pad ist eine Schaltfläche. Anhand der Fingerposition im unteren Bereich des Pads erkennt es, ob die linke bzw. rechte Maustaste gedrückt wird. Das multouchfähige Pad besitzt etwa die Maße 9,7 cm x 6,6 cm und bietet somit ausreichend Platz für Multitouchgesten. Die einzelnen Gesten können im Konfigurationsmenü ein- und ausgeschaltet werden. Die glatte Oberfläche des Pads macht den Fingern das Gleiten sehr einfach. Das Pad besitzt einen kurzen Hubweg und einen klar hör- und fühlbaren Druckpunkt.
Acer stattet das V5-471G mit einem 14-Zoll-Display von AU Optronics aus. Es besitzt eine glänzende Oberfläche und arbeitet mit einer nativen Auflösung von 1.366 x 768 Bildpunkten. Alternativ sind Modelle mit einem Touchscreen erhältlich - bei gleicher Auflösung. Die durchschnittliche Helligkeit des Displays liegt mit 197,4 cd/m² im unteren Mittelfeld. Noch dunkler zeigt sich der Bildschirm des IdeaPads (167,9 cd/m²). Dass es auch besser gehen kann, beweist das Samsung Notebook mit einem Wert von 293,1 cd/m².
| |||||||||||||||||||||||||
Ausleuchtung: 89 %
Helligkeit Akku: 202 cd/m²
Kontrast: 306:1 (Schwarzwert: 0.66 cd/m²)
39.48% AdobeRGB 1998 (Argyll 3D)
56.1% sRGB (Argyll 3D)
38.34% Display P3 (Argyll 3D)
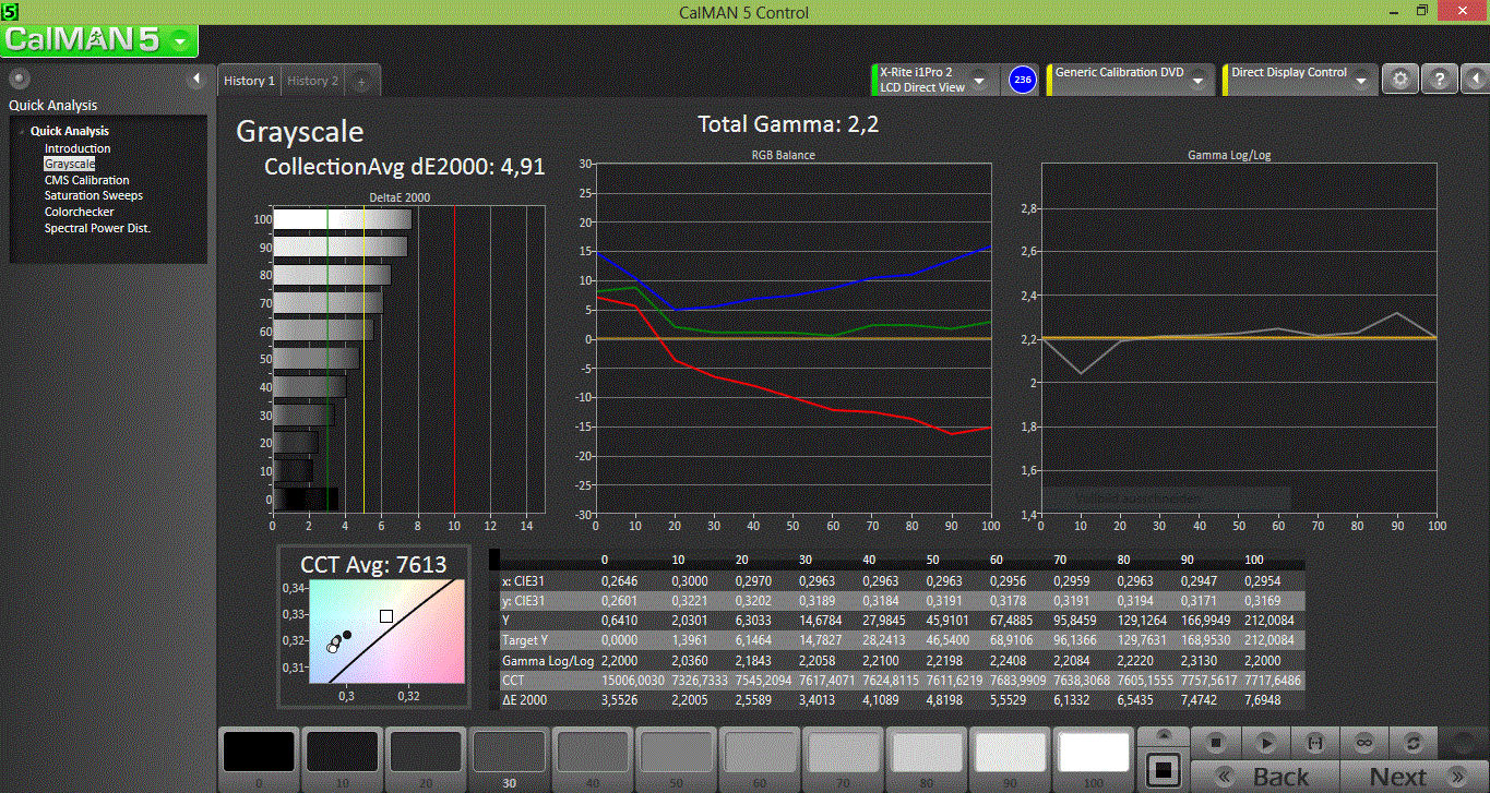
Kontrast (306:1) und Schwarzwert (0,66 cd/m²) des Displays siedeln sich im Mittelfeld an. Die Werte des IdeaPads (0,54 cd/m², 319:1) bewegen sich auf einem ählichen Niveau. Die Werte des Samsung Notebooks (2,24 cd/m², 136:1) sind weniger erfreulich. Den sRGB- und den AdobeRGB-Farbraum kann das AU Optronics-Display nicht abbilden.
Vor der Kalibrierung des Bildschirms (Auslieferungszustand) haben wir diesen vermessen und durchwegs starke DeltaE-2000-Abweichungen festgestellt (Blau DeltaE(2000): 22). Im Auslieferungszustand besitzt das Display einen sichtbaren Blaustich.
Für den Einsatz im Freien leuchtet das Display etwas zu schwach. In Kombination mit der glänzenden Oberfläche erkennt man bei Sonnenschein kaum etwas auf dem Bildschirm. In schattiger Umgebung wird man eher etwas darauf sehen können.
Auch das Aspire kann in Sachen Blickwinkelstabilität nicht positiv hervorstechen und liefert das übliche Bild: Ändert sich der vertikale Blickwinkel auf den Bildschirm, bricht das Bild schnell ein. In horizontaler Richtung ist der Winkel großzügiger bemessen.
Leistung

Das uns zur Verfügung gestellte Testnotebook bietet mehr als genug Leistung, um die Anforderungen der meisten Nutzer zu erfüllen. Textverarbeitung, Videotelefonie, Internetbrowsing oder Videowiedergabe stellen für das Gerät keine großen Herausforderungen dar. Dank der GeForce GPU können auch aktuelle 3D-Spiele gespielt werden. Wem das 14-Zoll-Display eine Spur zu klein ist, der findet im Aspire V5-571G das 15,6-Zoll-Pendant zu unserem Testgerät. Die Ausstattung ist praktisch identisch.
Die V5-471-Serie besteht aus unterschiedliche Modellen, die sich in ihrer Ausstattung unterscheiden. Wer keine GeForce GPU benötigt, greift zu einem entsprechenden Modell (zu erkennen an dem fehlenden "G" in der Modellbezeichnung). Auch hat Acer Varianten im Angebot, die über einen Touchscreen verfügen (in diesem Fall findet sich ein "P" in der Modellbezeichnung: V5-471P). Unser Testgerät ist zu einem Preis von etwa 600 Euro zu haben. Die Preise der übrigen Modelle der Serie liegen zwischen 500 und 700 Euro.
Prozessor
Acer setzt beim V5-471G den Intel Core i5-3317U Zweikernprozessor ein. Hierbei handelt es sich um einen Abkömmling aus Intels Ivy-Bridge-Prozessor-Serie. Die Basisgeschwindigkeit der CPU liegt bei 1,7 GHz. Mittels Turbo kann die Geschwindgkeit auf 2,4 GHz (beide Kerne) bzw. 2,6 GHz (nur ein Kern) erhöht werden. Bei dem verwendeten Core i5 handelt es sich um eine ULV-CPU, die mit einer besonders niedrigen Spannung betrieben werden kann, woraus eine geringe Leistungsaufnahme resultiert.
Die Cinebench Tests absolviert der Prozessor mit voll aktiviertem Turbo. Die Ergebnisse in den CPU Benchmarks liegen auf der Höhe anderer Notebooks mit Core i5-3317U-Prozessor - beispielsweise dem IdeaPad S400 (Core i5-3317U, HD Graphics 4000). Das Samsung-Notebook (AMD A6-4455M, Radeon HD 7500G) und das IdeaPad S405 (AMD A8-4555M, Radeon HD 7600G) werden klar geschlagen. Die AMD CPUs sind dem Core i5 unterlegen. Auch die GL-Tests entscheidet das Aspire dank seiner GeForce GPU für sich.
| Cinebench R11.5 - OpenGL 64Bit (nach Ergebnis sortieren) | |
| Acer Aspire V5-471G | |
| Lenovo IdeaPad S400-MAY8LGE | |
| Lenovo IdeaPad S405 | |
| Lenovo IdeaPad U410-MAH6MGE | |
| Samsung 535U3C | |
| Cinebench R11.5 - CPU Multi 64Bit (nach Ergebnis sortieren) | |
| Acer Aspire V5-471G | |
| Samsung 535U3C | |
| Lenovo IdeaPad S405 | |
| Lenovo IdeaPad U410-MAH6MGE | |
| Lenovo IdeaPad S400-MAY8LGE | |
System Performance
Das System arbeitet flüssig - Verzögerungen konnten wir nicht feststellen. Das Ergebnis im PCMark 7 Benchmark bestätigt den subjektiven Eindruck. Das IdeaPad S405 (AMD A8-4555M, Radeon HD 7600G) und das Samsung Serie 5 535U3C (AMD A6-4455M, Radeon HD 7500G) kommen nicht an den Wert des Aspires heran. Hier machen sich die im Vergleich zur CPU-GPU-Kombination des Aspires schwachen AMD APUs bemerkbar. Das IdeaPad U410 (Core i5-3317U, GeForce 610M) liefert trotz gleicher CPU und schlechterer GPU ein deutlich besseres Ergebnis. Dies ist auf die schnellere Festplatte zurückzuführen, die durch einen SSD-Cache unterstützt wird. Auch das IdeaPad S400 (Core i5-3317U, HD Graphics 4000) liefert ein besseres Ergebnis.
| PCMark 7 Score | 2154 Punkte | |
Hilfe | ||
Massenspeicher
Acer rüstet das Aspire mit einer Festplatte aus Seagates Momentus Thin Reihe aus. Sie besitzt eine Speicherkapazität von 500 GB und arbeitet mit 5.400 Umdrehungen pro Minute. CrystalDiskMark meldet eine Lesegeschwindigkeit von 104,2 MB/s. HD Tune liefert eine durchschnittliche Transferrate von 82,8 MB/s. Hierbei handelt es sich um gute Werte für eine 5.400er-Festplatte. Häufig sind Notebooks dieser Preiskategorie mit langsameren Festplatten (durchschnittliche Transferrate: 60-70 MB/s) ausgestattet.
Grafikkarte
Die Grafikausgabe erledigen die Intel HD Graphics 4000 GPU und die GeForce GT 620M GPU. Beide Grafikkerne unterstützen DirectX 11. Die Intel GPU wird im Alltagsbetrieb genutzt, während die GeForce GPU zur Berechnung aufwändiger Anwendungen wie 3D-Computerspiele eingesetzt wird. Die GT 620M GPU gehört der unteren GPU-Mittelklasse an und arbeitet mit einer Geschwindigkeit von 630 MHz. Acer hat auf die Aktivierung des Turbos (Erhöhung der Geschwindigkeit bis auf 715 MHz) verzichtet - wohl um das Kühlsystem nicht zu überfordern.
Die Ergebnisse in den 3D Mark Benchmarks liegen in der vermuteten Höhe vor. Dank der GeForce GT 620M GPU behauptet sich das Aspire in allen Tests klar und deutlich vor dem IdeaPad S405 (AMD A8-4555M, Radeon HD 7600G) und dem Samsung Serie 5 (AMD A6-4455M, Radeon HD 7500G).
| 3DMark 05 Standard | 13823 Punkte | |
| 3DMark 06 Standard Score | 7465 Punkte | |
| 3DMark Vantage P Result | 4464 Punkte | |
| 3DMark 11 Performance | 1040 Punkte | |
Hilfe | ||
| 3DMark 11 - 1280x720 Performance (nach Ergebnis sortieren) | |
| Acer Aspire V5-471G | |
| Lenovo IdeaPad S400-MAY8LGE | |
| Samsung 535U3C | |
| Lenovo IdeaPad U410-MAH6MGE | |
| Lenovo IdeaPad S405 | |
Gaming Performance
Dank der GeForce GPU meistert das Aspire auch Computerspiele. So ist es möglich, ausgewählte aktuelle 3D-Spiele in mittlerer Qualitätsstufe in der nativen Bildschirmauflösung (1.366 x 768 Bildpunkte) darzustellen. Selbst ein leistunghungriger Titel wie Hitman: Absolution läuft auf niedrigsten Settings noch halbwegs ohne ruckeln. Einzelne Spiele erlauben auch mit höheren Qualitätseinstellungen noch ein flüssiges Spielen - beispielsweise die genügsame Fifa-Reihe. Legt man im bereich Gaming seinen Nutzungsschwerpunkt, sollte man dennoch eher zu performanteren Grafiklösungen, Geforce GT 650M aufwärts, greifen. In vergleichbaren Notebooks kommt häufig eine HD Graphics 4000-GPU zum Einsatz. Im günstigsten Fall erreichen solche Notebooks flüssige Frameraten in niedriger Auflösung und niedrigem Qualitätsniveau. Vereinzelt werden Spiele auch in mittlerer Qualitätsstufe flüssig laufen.
| min. | mittel | hoch | max. | |
|---|---|---|---|---|
| The Elder Scrolls V: Skyrim (2011) | 37.4 | 27.1 | 19.5 | |
| Anno 2070 (2011) | 75.3 | 30.7 | 19.7 | |
| Mass Effect 3 (2012) | 51.1 | 35.9 | 21.8 | |
| F1 2012 (2012) | 59 | 31 | 29 | |
| Fifa 13 (2012) | 195.9 | 137.5 | 101.8 | 61.7 |
| Hitman: Absolution (2012) | 35 | 25.8 | 14.9 |
Geräuschemissionen
Das flache Gehäuse ist mit leistungsfähigen Komponenten gefüllt. Entsprechend gut muss das Notebook gekühlt werden, was sich im Betriebsgeräusch widerspiegelt. So messen wir schon während des Idle-Betriebs eine Lautstärkeentwicklung zwischen 32,5 und 36,9 dB. Hier gehen das IdeaPad S405 (30,3 bis 31,3 dB) und das Samsung Serie 5 (29,8 bis 32,1 dB) deutlich leiser zu Werke. Unter mittlerer (3D Mark 06 läuft) bzw. voller Last (Stresstest, Prime95 und Furmark arbeiten) wird es dann mit 44 dB bzw. 44,9 dB richtig laut. Der Samsung Rechner (39,8 dB bzw. 42,3 dB) erreicht die Lautstärke des Aspires nicht. Das IdeaPad (31,3 dB. bzw. 31,5 dB) arbeitet auch unter Last flüsterleise.
Lautstärkediagramm
| Idle |
| 32.1 / 34.3 / 36.9 dB(A) |
| HDD |
| 32.5 dB(A) |
| DVD |
| 36.8 / dB(A) |
| Last |
| 44 / 44.9 dB(A) |
![]() | ||
30 dB leise 40 dB(A) deutlich hörbar 50 dB(A) störend |
||
min: | ||
Temperatur
Während des Idle-Betriebs messen wir eine moderate Wärmeentwicklung mit Temperaturen zwischen 27,7 und 36 Grad Celsius. Damit liegt es in etwa gleichauf mit dem Samsung Rechner. Das IdeaPad bleibt etwas kühler.
Im praxisfernen Stresstest (Prime 95 und Furmark arbeiten) wird das V5-471G mit Werten zwischen 27,6 und 49,6 Grad Celsius deutlich wärmer. Das Serie-5-Notebook erreicht erneut ähnliche Temperaturwerte wie das Acer Notebook, wird aber punktuell noch wärmer (52,2 Grad Celsius). Nur der Lenovo Rechner entwickelt auch unter Volllast eine relativ geringe Wärme.
Unseren Stresstest (Prime 95 und Furmark arbeiten mindestens eine Stunde lang) bearbeitet die CPU im Netzbetrieb nur für etwa 5 Minuten mit der vollen Geschwindigkeit (2,4 GHz). Danach wird sie auf 1,3 GHz gedrosselt (Throttling). Wird der Stresstest im Akkubetrieb durchgeführt, arbeitet die CPU ebenfalls durchgehend mit 1,3 Ghz. Die GPU hingegen durchläuft den Stresstest sowohl im Netz- als auch im Akkubetrieb mit voller Geschwindigkeit (630 MHz). Direkt nach dem Stresstest im Netzbetrieb haben wir den 3D Mark 06 erneut laufen lassen. Das Ergebnis ist das gleiche wie im kalten Zustand des Notebooks. Die CPU-Temperatur hat sich im Netzbetrieb bei etwa 70 Grad Celsius eingependelt.
(+) Die maximale Temperatur auf der Oberseite ist 39.1 °C. Im Vergleich liegt der Klassendurchschnitt bei 36.9 °C (von 21.1 bis 71 °C für die Klasse Multimedia).
(-) Auf der Unterseite messen wir eine maximalen Wert von 49.6 °C (im Vergleich zum Durchschnitt von 39.2 °C).
(+) Ohne Last messen wir eine durchschnittliche Temperatur von 31.3 °C auf der Oberseite. Der Klassendurchschnitt erreicht 31.3 °C.
(+) Die Handballen und der Touchpad-Bereich erreichen maximal 35.1 °C und damit die typische Hauttemperatur und fühlen sich daher nicht heiß an.
(-) Die durchschnittliche Handballen-Temperatur anderer getesteter Geräte war 28.7 °C (-6.4 °C).
Lautsprecher
Die Stereolautsprecher des V5-471G sitzen auf der Geräteunterseite. Die Aufdrucke "Dolby Advanced Audio" und "Virtual Surround Sound" versprechen ein Klangerlebnis, das nicht eintritt. Die Lautsprecher klingen etwas dünn mit einem Hang ins Blecherne. Sprache ist gut zu verstehen. Wer sich näher mit der vorinstallierten Dolby Advanced Audio Software beschäftigt, kann den Klang noch etwas verbessern. Alternativ schließt man einfach externe Lautsprecher oder Kopfhörer an.
Energieaufnahme
Im Idle-Betrieb macht sich der verbrauchsarme ULV-Prozessor des V5-471G bemerkbar. Wir messen eine Leistungsaufnahme zwischen 7,3 und 11,7 Watt. Das Samsung Notebook (7,7 bis 14,5 Watt) und das IdeaPad (7,2 bis 12 Watt) arbeiten ähnlich verbrauchsarm. Das ist nicht weiter verwunderlich, denn die beiden Rechner sind mit sparsamen AMD APUs ausgestattet. Sobald die GeForce GPU zugeschaltet wird, steigt die Leistungsaufnahme des Acer Rechners deutlich an. Unter mittlerer Last (3D Mark 06 läuft) messen wir eine Leistungsaufnahme von 54,2 Watt. Unter voller Last (Prime95 und Furmark arbeiten) liegt der Wert bei 52,1 Watt. Unter Volllast zeigt sich ein niedrigerer Wert, da die CPU auf 1,3 GHz gedrosselt wird. Das Serie 5 (38,1 Watt bzw. 41,8 Watt) und das IdeaPad (26,9 Watt bzw. 25,7 Watt) arbeiten unter Last deutlich verbrauchsärmer.
| Aus / Standby | |
| Idle | |
| Last |
|
Legende:
min: | |
Akkulaufzeit
Das Aspire erreicht im Idle-Betrieb eine Laufzeit von 5:36 h. Damit liegt es gleichauf mit dem IdeaPad (5:37 h). Das Samsung Notebook (6:59 h) hält deutlich länger durch. Die Laufzeit im Idle-Betrieb wird mit Hilfe des Battery Eater Readers Tests ermittelt. Der Bildschirm läuft dabei mit minimaler Helligkeit, das Energiesparprofil ist aktiviert und die Funkmodule sind abgeschaltet. Den Last-Test beendet das V5-471G nach 1:01 h. Sowohl das S405 (1:21 h) als auch der Samsung Rechner (1:32 h) halten länger durch. Zur Überprüfung der Laufzeit unter Last nutzen wir den Battery Eater Classic Test. Dabei arbeitet der Bildschirm mit voller Helligkeit, das Hochleistungsprofil und die Funkmodule sind aktiviert.
Eine Akkuladung hält den WLAN-Test für 2:26 h am Laufen. Auch in diesem Test ist das Aspire seinen Konkurrenten (S405: 2:55 h, Serie 5: 4:19 h) nicht gewachsen. Beim WLAN-Test werden Webseiten automatisch im 40-Sekunden-Intervall aufgerufen. Das Energiesparprofil ist aktiv und die Displayhelligkeit wird auf etwa 150 cd/m² geregelt. Die DVD-Wiedergabe wird nach 2:44 h beendet. Für die beiden Konkurrenten liegen keine Werte vor. Der DVD-Test wird mit aktiviertem Energiesparprofil (oder ein höheres Profil, falls die DVD nicht flüssig abgespielt wird), voller Bildschirmhelligkeit und deaktivierten Funkmodulen durchgeführt.
Es ist nicht überraschend, dass das Samsung Notebook die längsten Laufzeiten erreicht. Es besitzt den Akku mit der größten Speicherkapazität (Samsung: 45 Wh, Acer: 37 Wh, Lenovo: 32 Wh).
Das Aspire V5-471G bietet eine gute Anwendungsleistung, die für die allermeisten Nutzer mehr als ausreicht. Durch die GeForce GT 620M GPU ist es auch möglich - wenn auch mit Einschränkungen, aktuelle 3D-Spiele auf dem Gerät zu spielen. Doch gibt es ebenso Punkte, die negativ auffallen: Da wären die mäßigen Akkulauzeiten (bedingt durch den kleinen Akku) und das stets präsente Betriebsgeräusch. Zudem verbaut Acer ein kontrastarmes Display mit schlechten Blickwinkeln. Nichtsdestotrotz: Wer ein leichtes, dünnes, preiswertes und noch spielefähiges Notebook sucht, hat zum V5-471G wenig Alternativen.
Das Samsung Serie 5 535U3C bietet sich für Interessenten an, die ein mattes Display bevorzugen. Auch wenn möglichst lange Akkulaufzeiten gefragt sind, kommt das Samsung Notebook zum Zug. Das IdeaPad S405 ist für alle Anwender geeignet, die ein flüsterleises und energiesparendes Notebook ihr Eigen nennen möchten.












































