Fazit
Der Acer Swift Go 16 AI bietet eine überzeugende Mischung aus Leistung und Portabilität. Es überzeugt nicht nur mit seinem hervorragenden OLED-Bildschirm, einer hohen Akkulaufzeit und dem starken AMD Ryzen AI-Prozessor, sondern auch mit seinem Design. Mit einem Gewicht von 1,5 kg ist der Laptop bestens für unterwegs geeignet. Das Gehäuse aus Aluminium verleiht ihm ein modernes, schlankes Erscheinungsbild und ist robust.
Problematisch könnte auf lange Sicht die warme Abluft auf das OLED-Panel sein. Auch die Lüfterlautstärke unter Volllast und die relativ mäßige Lautsprecherqualität dürften anspruchsvollen Nutzern ein Dorn im Auge sein. Die 16 GB des eingebauten Arbeitsspeichers könnten zudem für umfangreiche Sprachmodell-KI-Anwendungen knapp bemessen sein.
Trotz dieser Punkte bleibt das Acer Swift Go AI ein überzeugender Laptop in seiner Klasse, insbesondere wenn man die den Preispunkt unter 1.000 Euro berücksichtigt.
Pro
Contra
Preis und Verfügbarkeit
Das Acer Swift Go 16 AI ist derzeit für unter 1.000 Euro bei Computeruniverse verfügbar. Auf Amazon schwanken die Preise für den Laptop deutlich und liegen meist über den günstigeren Angeboten. Es empfiehlt sich, einen Preisvergleich zu machen.
Spezifikationen
Preisvergleich
Gehäuse & Ausstattung
Schlank, etwas kantig und mit viel Aluminium präsentiert sich das Acer Swift Go. Der Bildschirmdeckel ist hier dekoriert mit feinen Linien und dezentem Branding. Beim einhändigen Öffnen wird der Laptop hinten leicht angehoben, was Ergonomie und Kühlung verbessert. So wirkt der Laptop hochwertig.
Die 2,5-K-Webcam in der kleinen Ausbuchtung am Display erzeugt ein gutes Bild, für stabiles WLAN sorgt ein MediaTek-Modul mit Wi-Fi 7. Auf der linken Seite des Laptops konzentrieren sich die meisten Anschlüsse. Hier befinden sich auch zwei USB-4-Buchsen.

Nachhaltigkeit
Das Gerät ist EPEAT-registriert und bietet mit der Bereitstellung eines PCF-Dokuments eine solide Transparenz bezüglich seiner Umweltauswirkungen. Positiv ist die Wartungsfreundlichkeit: Das Gehäuse lässt sich leicht öffnen, SSD und WLAN-Modul sind tauschbar, und ein zweiter M.2-SSD-Slot ist vorhanden, wenn auch unter dem Flachbandkabel zum Sub-Board versteckt.
Eingabegeräte
Die Tastatur des Swift Go 16 AI bietet ein vollständiges Layout, inklusive eines dedizierten Nummernblocks. Die Tasten zeichnen sich durch angenehme, klar definierte Druckpunkte aus und verfügen über eine Hintergrundbeleuchtung. Das großzügig dimensionierte Touchpad arbeitet präzise. Als Besonderheit signalisiert es über dezente Leuchteffekte, wenn die NPU (Neural Processing Unit) des Prozessors oder andere KI-Funktionen aktiv genutzt werden.
Display
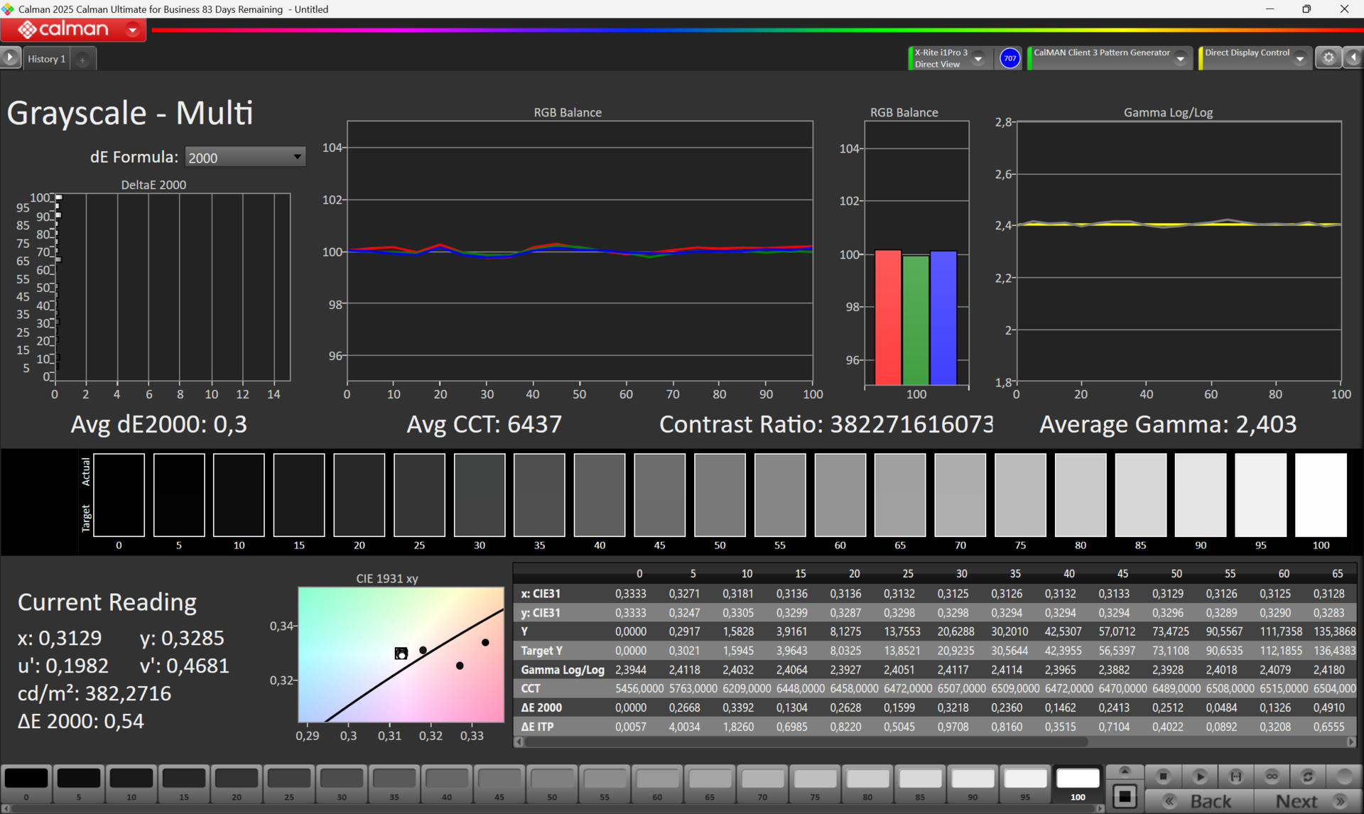
Das Acer Swift Go 16 AI ist mit einem hervorragenden OLED-Display ausgestattet, welches sofort ins Auge sticht. Es liefert die typisch kräftige Darstellung mit perfektem Schwarz und extrem hohen Kontrasten, die man von dieser Panel-Technologie erwartet. Die Auflösung ist mit 2880 x 1800 Pixeln (16:10-Format) zwar leicht ungewöhnlich, bietet aber eine angenehme Schärfe. Für eine besonders flüssige Darstellung sorgt die Bildwiederholfrequenz von 120 Hz.
| |||||||||||||||||||||||||
Ausleuchtung: 98 %
Helligkeit Akku: 391 cd/m²
Kontrast: ∞:1 (Schwarzwert: 0 cd/m²)
ΔE ColorChecker Calman: 2.62 | ∀{0.5-29.43 Ø4.77}
calibrated: 1.54
ΔE Greyscale Calman: 3.3 | ∀{0.09-98 Ø5}
96.87% AdobeRGB 1998 (Argyll 3D)
100% sRGB (Argyll 3D)
99.66% Display P3 (Argyll 3D)
Gamma: 2.205
CCT: 6437 K
| Acer Swift Go 16 AI SFG16-61-R5Y5 ATNA60FV03-0, OLED, 2880x1800, 16", 120 Hz | Lenovo Yoga Pro 9 16IAH G10 RTX 5060 ATNA60HR04-0, OLED, 2880x1800, 16", 120 Hz | Dell 16 Plus AU Optronics B160QAN, IPS, 2560x1600, 16", 120 Hz | LG Gram Pro 16Z90TS-G.AU89G LG DISPLAY LP160WQ2-SPF1, IPS, 2560x1600, 16", 144 Hz | MSI Prestige 16 AI Evo B2HMG B160QAN03_R, IPS, 2560x1600, 16", 60 Hz | Acer Aspire 16 A16-51GM-77G2 N160JCA-EEK (Chi Mei CMN163D), IPS, 1920x1200, 16", 60 Hz | |
|---|---|---|---|---|---|---|
| Display | -3% | -14% | -4% | -5% | -50% | |
| Display P3 Coverage (%) | 99.66 | 99 -1% | 76.6 -23% | 97.96 -2% | 96.4 -3% | 42.3 -58% |
| sRGB Coverage (%) | 100 | 100 0% | 99.8 0% | 100 0% | 99.7 0% | 63.6 -36% |
| AdobeRGB 1998 Coverage (%) | 96.87 | 89.6 -8% | 78.4 -19% | 86.65 -11% | 84.3 -13% | 43.7 -55% |
| Response Times | 54% | -991% | -1454% | -1578% | -943% | |
| Response Time Grey 50% / Grey 80% * (ms) | 1.6 ? | 1.47 ? 8% | 32.8 ? -1950% | 47 ? -2838% | 51.5 ? -3119% | 31.4 ? -1862% |
| Response Time Black / White * (ms) | 17.8 ? | 0.42 ? 98% | 23.4 ? -31% | 30 ? -69% | 24.3 ? -37% | 22 ? -24% |
| PWM Frequency (Hz) | 220 | 1200 ? | ||||
| PWM Amplitude * (%) | 82 | 37 55% | ||||
| Bildschirm | 38% | -33% | 34% | -52% | -62% | |
| Helligkeit Bildmitte (cd/m²) | 393 | 475 21% | 335.6 -15% | 442 12% | 471 20% | 352 -10% |
| Brightness (cd/m²) | 393 | 474 21% | 308 -22% | 406 3% | 455 16% | 324 -18% |
| Brightness Distribution (%) | 98 | 97 -1% | 88 -10% | 86 -12% | 92 -6% | 86 -12% |
| Schwarzwert * (cd/m²) | 0.22 | 0.17 | 0.2 | 0.27 | ||
| Delta E Colorchecker * | 2.62 | 1 62% | 4.15 -58% | 0.84 68% | 5.8 -121% | 4.41 -68% |
| Colorchecker dE 2000 max. * | 5.11 | 2 61% | 9.8 -92% | 1.62 68% | 10.8 -111% | 15.04 -194% |
| Colorchecker dE 2000 calibrated * | 1.54 | 0.44 71% | 0.88 43% | 1.9 -23% | 3.52 -129% | |
| Delta E Graustufen * | 3.3 | 1.3 61% | 6.7 -103% | 1.53 54% | 7.8 -136% | 3.32 -1% |
| Gamma | 2.205 100% | 2.24 98% | 2.25 98% | 2.173 101% | 2.07 106% | 2.44 90% |
| CCT | 6437 101% | 6672 97% | 6260 104% | 6496 100% | 7262 90% | 7122 91% |
| Kontrast (:1) | 1525 | 2600 | 2355 | 1304 | ||
| Durchschnitt gesamt (Programm / Settings) | 30% /
31% | -346% /
-188% | -475% /
-224% | -545% /
-294% | -352% /
-206% |
* ... kleinere Werte sind besser
Für Kreative ist die Farbraumabdeckung entscheidend: Das Display deckt den Display-P3-Farbraum nahezu vollständig ab. Die Farbtreue ab Werk ist bereits bemerkenswert gut, sodass kaum Kalibrierung nötig ist. Ein bauartbedingtes Merkmal von OLED-Panels ist das Flackern bei der Bildaktualisierung. Hier tritt es mit einer Frequenz von 480 Hz auf.
Reaktionszeiten (Response Times) des Displays
| ↔ Reaktionszeiten Schwarz zu Weiß | ||
|---|---|---|
| 17.8 ms ... steigend ↗ und fallend ↘ kombiniert | ↗ 17 ms steigend | |
| ↘ 0.8 ms fallend | ||
| Die gemessenen Reaktionszeiten sind gut, für anspruchsvolle Spieler könnten der Bildschirm jedoch zu langsam sein. Im Vergleich rangierten die bei uns getesteten Geräte von 0.1 (Minimum) zu 240 (Maximum) ms. » 39 % aller Screens waren schneller als der getestete. Daher sind die gemessenen Reaktionszeiten besser als der Durchschnitt aller vermessenen Geräte (20.1 ms). | ||
| ↔ Reaktionszeiten 50% Grau zu 80% Grau | ||
| 1.6 ms ... steigend ↗ und fallend ↘ kombiniert | ↗ 0.8 ms steigend | |
| ↘ 0.8 ms fallend | ||
| Die gemessenen Reaktionszeiten sind sehr kurz, wodurch sich der Bildschirm auch für schnelle 3D Spiele eignen sollte. Im Vergleich rangierten die bei uns getesteten Geräte von 0.165 (Minimum) zu 636 (Maximum) ms. » 7 % aller Screens waren schneller als der getestete. Daher sind die gemessenen Reaktionszeiten besser als der Durchschnitt aller vermessenen Geräte (31.5 ms). | ||
Bildschirm-Flackern / PWM (Pulse-Width Modulation)
| Flackern / PWM festgestellt | 220 Hz Amplitude: 82 % | ||
Das Display flackert mit 220 Hz (im schlimmsten Fall, eventuell durch Pulsweitenmodulation PWM) . Die Frequenz von 220 Hz ist relativ gering und daher sollte es bei sensiblen Personen zu Problemen wie Flackern oder Augenbeschwerden führen. Im Vergleich: 53 % aller getesteten Geräte nutzten kein PWM um die Helligkeit zu reduzieren. Wenn PWM eingesetzt wurde, dann bei einer Frequenz von durchschnittlich 8042 (Minimum 5, Maximum 343500) Hz. | |||
Leistung
Acer hat für das Swift Go AI diverse Konfigurationen auf Lager. In unserem Testgerät steckt der AMD Ryzen AI 7 350. Dazu kommen 16 GB Arbeitsspeicher, die etwas gering für den starken Prozessor erscheinen.
Testbedingungen
Prozessor
Der Ryzen AI 7 liefert eine vergleichsweise hohe CPU-Leistung, die im Alltag für alle Aufgaben mehr als ausreichend ist. Bei einem direkten Vergleich mit Lenovo Yoga Pro 9 und MSI Prestige AI in reinen Rechen-Benchmarks muss er sich allerdings leistungsstärkeren Kontrahenten wie dem Intel Core Ultra 9 285H oder dem Intel Core Ultra 7 255H geschlagen geben. Diese Intel-Chips bieten in der Spitze höhere Taktraten und teils eine stärkere Single-Core-Performance.
Cinebench R15 Multi Dauertest
Cinebench R23: Multi Core | Single Core
Cinebench R20: CPU (Multi Core) | CPU (Single Core)
Cinebench R15: CPU Multi 64Bit | CPU Single 64Bit
Blender: v2.79 BMW27 CPU
7-Zip 18.03: 7z b 4 | 7z b 4 -mmt1
Geekbench 6.5: Multi-Core | Single-Core
Geekbench 5.5: Multi-Core | Single-Core
HWBOT x265 Benchmark v2.2: 4k Preset
LibreOffice : 20 Documents To PDF
R Benchmark 2.5: Overall mean
| CPU Performance Rating | |
| Lenovo Yoga Pro 9 16IAH G10 RTX 5060 | |
| MSI Prestige 16 AI Evo B2HMG | |
| Durchschnittliche AMD Ryzen AI 7 350 | |
| Durchschnitt der Klasse Multimedia | |
| Acer Swift Go 16 AI SFG16-61-R5Y5 | |
| Acer Aspire 16 A16-51GM-77G2 | |
| LG Gram Pro 16Z90TS-G.AU89G | |
| Dell 16 Plus | |
| Cinebench R23 / Multi Core | |
| Lenovo Yoga Pro 9 16IAH G10 RTX 5060 | |
| MSI Prestige 16 AI Evo B2HMG | |
| Durchschnitt der Klasse Multimedia (4861 - 33362, n=78, der letzten 2 Jahre) | |
| Acer Swift Go 16 AI SFG16-61-R5Y5 | |
| Acer Swift Go 16 AI SFG16-61-R5Y5 | |
| Durchschnittliche AMD Ryzen AI 7 350 (12647 - 17899, n=17) | |
| LG Gram Pro 16Z90TS-G.AU89G | |
| LG Gram Pro 16Z90TS-G.AU89G | |
| Dell 16 Plus | |
| Acer Aspire 16 A16-51GM-77G2 | |
| Cinebench R23 / Single Core | |
| MSI Prestige 16 AI Evo B2HMG | |
| Lenovo Yoga Pro 9 16IAH G10 RTX 5060 | |
| Acer Aspire 16 A16-51GM-77G2 | |
| Durchschnittliche AMD Ryzen AI 7 350 (1916 - 2006, n=17) | |
| Acer Swift Go 16 AI SFG16-61-R5Y5 | |
| Acer Swift Go 16 AI SFG16-61-R5Y5 | |
| LG Gram Pro 16Z90TS-G.AU89G | |
| LG Gram Pro 16Z90TS-G.AU89G | |
| Durchschnitt der Klasse Multimedia (1128 - 2459, n=70, der letzten 2 Jahre) | |
| Dell 16 Plus | |
| Cinebench R20 / CPU (Multi Core) | |
| Lenovo Yoga Pro 9 16IAH G10 RTX 5060 | |
| MSI Prestige 16 AI Evo B2HMG | |
| Durchschnitt der Klasse Multimedia (1887 - 12912, n=61, der letzten 2 Jahre) | |
| Acer Swift Go 16 AI SFG16-61-R5Y5 | |
| Durchschnittliche AMD Ryzen AI 7 350 (4897 - 6990, n=15) | |
| LG Gram Pro 16Z90TS-G.AU89G | |
| Dell 16 Plus | |
| Acer Aspire 16 A16-51GM-77G2 | |
| Cinebench R20 / CPU (Single Core) | |
| MSI Prestige 16 AI Evo B2HMG | |
| Lenovo Yoga Pro 9 16IAH G10 RTX 5060 | |
| Acer Aspire 16 A16-51GM-77G2 | |
| Durchschnittliche AMD Ryzen AI 7 350 (751 - 784, n=15) | |
| Acer Swift Go 16 AI SFG16-61-R5Y5 | |
| LG Gram Pro 16Z90TS-G.AU89G | |
| Dell 16 Plus | |
| Durchschnitt der Klasse Multimedia (420 - 853, n=61, der letzten 2 Jahre) | |
| Cinebench R15 / CPU Multi 64Bit | |
| Lenovo Yoga Pro 9 16IAH G10 RTX 5060 | |
| MSI Prestige 16 AI Evo B2HMG | |
| Durchschnitt der Klasse Multimedia (856 - 5224, n=67, der letzten 2 Jahre) | |
| Acer Swift Go 16 AI SFG16-61-R5Y5 | |
| Acer Swift Go 16 AI SFG16-61-R5Y5 | |
| Durchschnittliche AMD Ryzen AI 7 350 (1932 - 2734, n=16) | |
| LG Gram Pro 16Z90TS-G.AU89G | |
| Acer Aspire 16 A16-51GM-77G2 | |
| Dell 16 Plus | |
| Cinebench R15 / CPU Single 64Bit | |
| MSI Prestige 16 AI Evo B2HMG | |
| Lenovo Yoga Pro 9 16IAH G10 RTX 5060 | |
| Acer Aspire 16 A16-51GM-77G2 | |
| Acer Swift Go 16 AI SFG16-61-R5Y5 | |
| Acer Swift Go 16 AI SFG16-61-R5Y5 | |
| LG Gram Pro 16Z90TS-G.AU89G | |
| Dell 16 Plus | |
| Durchschnittliche AMD Ryzen AI 7 350 (204 - 305, n=16) | |
| Durchschnitt der Klasse Multimedia (99.6 - 326, n=64, der letzten 2 Jahre) | |
| Blender / v2.79 BMW27 CPU | |
| Acer Swift Go 16 AI SFG16-61-R5Y5 | |
| Acer Swift Go 16 AI SFG16-61-R5Y5 | |
| Dell 16 Plus | |
| Acer Aspire 16 A16-51GM-77G2 | |
| LG Gram Pro 16Z90TS-G.AU89G | |
| Durchschnitt der Klasse Multimedia (100 - 557, n=62, der letzten 2 Jahre) | |
| Durchschnittliche AMD Ryzen AI 7 350 (182 - 386, n=16) | |
| MSI Prestige 16 AI Evo B2HMG | |
| Lenovo Yoga Pro 9 16IAH G10 RTX 5060 | |
| 7-Zip 18.03 / 7z b 4 | |
| Lenovo Yoga Pro 9 16IAH G10 RTX 5060 | |
| MSI Prestige 16 AI Evo B2HMG | |
| Durchschnitt der Klasse Multimedia (29095 - 130368, n=60, der letzten 2 Jahre) | |
| Acer Swift Go 16 AI SFG16-61-R5Y5 | |
| Durchschnittliche AMD Ryzen AI 7 350 (48124 - 64653, n=15) | |
| Acer Aspire 16 A16-51GM-77G2 | |
| LG Gram Pro 16Z90TS-G.AU89G | |
| Dell 16 Plus | |
| 7-Zip 18.03 / 7z b 4 -mmt1 | |
| Acer Aspire 16 A16-51GM-77G2 | |
| MSI Prestige 16 AI Evo B2HMG | |
| Acer Swift Go 16 AI SFG16-61-R5Y5 | |
| Lenovo Yoga Pro 9 16IAH G10 RTX 5060 | |
| Durchschnittliche AMD Ryzen AI 7 350 (4609 - 6371, n=15) | |
| LG Gram Pro 16Z90TS-G.AU89G | |
| Durchschnitt der Klasse Multimedia (3666 - 7545, n=60, der letzten 2 Jahre) | |
| Dell 16 Plus | |
| Geekbench 6.5 / Multi-Core | |
| MSI Prestige 16 AI Evo B2HMG | |
| Lenovo Yoga Pro 9 16IAH G10 RTX 5060 | |
| Durchschnitt der Klasse Multimedia (4983 - 25760, n=75, der letzten 2 Jahre) | |
| Durchschnittliche AMD Ryzen AI 7 350 (10774 - 14194, n=16) | |
| Acer Swift Go 16 AI SFG16-61-R5Y5 | |
| LG Gram Pro 16Z90TS-G.AU89G | |
| Dell 16 Plus | |
| Acer Aspire 16 A16-51GM-77G2 | |
| Geekbench 6.5 / Single-Core | |
| MSI Prestige 16 AI Evo B2HMG | |
| Lenovo Yoga Pro 9 16IAH G10 RTX 5060 | |
| Acer Swift Go 16 AI SFG16-61-R5Y5 | |
| Acer Aspire 16 A16-51GM-77G2 | |
| Dell 16 Plus | |
| LG Gram Pro 16Z90TS-G.AU89G | |
| Durchschnittliche AMD Ryzen AI 7 350 (1874 - 2942, n=16) | |
| Durchschnitt der Klasse Multimedia (1534 - 4326, n=71, der letzten 2 Jahre) | |
| Geekbench 5.5 / Multi-Core | |
| Lenovo Yoga Pro 9 16IAH G10 RTX 5060 | |
| MSI Prestige 16 AI Evo B2HMG | |
| Durchschnitt der Klasse Multimedia (4652 - 20422, n=61, der letzten 2 Jahre) | |
| Durchschnittliche AMD Ryzen AI 7 350 (6705 - 12968, n=17) | |
| Acer Swift Go 16 AI SFG16-61-R5Y5 | |
| Acer Swift Go 16 AI SFG16-61-R5Y5 | |
| Dell 16 Plus | |
| LG Gram Pro 16Z90TS-G.AU89G | |
| Acer Aspire 16 A16-51GM-77G2 | |
| Geekbench 5.5 / Single-Core | |
| MSI Prestige 16 AI Evo B2HMG | |
| Acer Swift Go 16 AI SFG16-61-R5Y5 | |
| Acer Swift Go 16 AI SFG16-61-R5Y5 | |
| LG Gram Pro 16Z90TS-G.AU89G | |
| Dell 16 Plus | |
| Lenovo Yoga Pro 9 16IAH G10 RTX 5060 | |
| Acer Aspire 16 A16-51GM-77G2 | |
| Durchschnittliche AMD Ryzen AI 7 350 (805 - 2155, n=17) | |
| Durchschnitt der Klasse Multimedia (805 - 2974, n=61, der letzten 2 Jahre) | |
| HWBOT x265 Benchmark v2.2 / 4k Preset | |
| Lenovo Yoga Pro 9 16IAH G10 RTX 5060 | |
| MSI Prestige 16 AI Evo B2HMG | |
| Acer Swift Go 16 AI SFG16-61-R5Y5 | |
| Durchschnittliche AMD Ryzen AI 7 350 (14 - 22.9, n=15) | |
| Durchschnitt der Klasse Multimedia (5.26 - 36.1, n=60, der letzten 2 Jahre) | |
| LG Gram Pro 16Z90TS-G.AU89G | |
| Dell 16 Plus | |
| Acer Aspire 16 A16-51GM-77G2 | |
| LibreOffice / 20 Documents To PDF | |
| Durchschnittliche AMD Ryzen AI 7 350 (43.3 - 88.8, n=15) | |
| Durchschnitt der Klasse Multimedia (23.9 - 146.7, n=61, der letzten 2 Jahre) | |
| LG Gram Pro 16Z90TS-G.AU89G | |
| Dell 16 Plus | |
| MSI Prestige 16 AI Evo B2HMG | |
| Acer Swift Go 16 AI SFG16-61-R5Y5 | |
| Lenovo Yoga Pro 9 16IAH G10 RTX 5060 | |
| Acer Aspire 16 A16-51GM-77G2 | |
| R Benchmark 2.5 / Overall mean | |
| Durchschnitt der Klasse Multimedia (0.3604 - 0.947, n=60, der letzten 2 Jahre) | |
| LG Gram Pro 16Z90TS-G.AU89G | |
| Dell 16 Plus | |
| Acer Aspire 16 A16-51GM-77G2 | |
| Lenovo Yoga Pro 9 16IAH G10 RTX 5060 | |
| MSI Prestige 16 AI Evo B2HMG | |
| Durchschnittliche AMD Ryzen AI 7 350 (0.403 - 0.565, n=15) | |
| Acer Swift Go 16 AI SFG16-61-R5Y5 | |
* ... kleinere Werte sind besser
AIDA64: FP32 Ray-Trace | FPU Julia | CPU SHA3 | CPU Queen | FPU SinJulia | FPU Mandel | CPU AES | CPU ZLib | FP64 Ray-Trace | CPU PhotoWorxx
| Performance Rating | |
| Lenovo Yoga Pro 9 16IAH G10 RTX 5060 | |
| Acer Swift Go 16 AI SFG16-61-R5Y5 | |
| Durchschnittliche AMD Ryzen AI 7 350 | |
| MSI Prestige 16 AI Evo B2HMG | |
| Durchschnitt der Klasse Multimedia | |
| LG Gram Pro 16Z90TS-G.AU89G | |
| Dell 16 Plus | |
| Acer Aspire 16 A16-51GM-77G2 | |
| AIDA64 / FP32 Ray-Trace | |
| Acer Swift Go 16 AI SFG16-61-R5Y5 | |
| Durchschnittliche AMD Ryzen AI 7 350 (20203 - 28112, n=15) | |
| Lenovo Yoga Pro 9 16IAH G10 RTX 5060 | |
| MSI Prestige 16 AI Evo B2HMG | |
| Durchschnitt der Klasse Multimedia (2214 - 50388, n=58, der letzten 2 Jahre) | |
| LG Gram Pro 16Z90TS-G.AU89G | |
| Dell 16 Plus | |
| Acer Aspire 16 A16-51GM-77G2 | |
| AIDA64 / FPU Julia | |
| Lenovo Yoga Pro 9 16IAH G10 RTX 5060 | |
| Durchschnittliche AMD Ryzen AI 7 350 (75098 - 108991, n=15) | |
| Acer Swift Go 16 AI SFG16-61-R5Y5 | |
| MSI Prestige 16 AI Evo B2HMG | |
| Durchschnitt der Klasse Multimedia (12867 - 201874, n=59, der letzten 2 Jahre) | |
| LG Gram Pro 16Z90TS-G.AU89G | |
| Dell 16 Plus | |
| Acer Aspire 16 A16-51GM-77G2 | |
| AIDA64 / CPU SHA3 | |
| Lenovo Yoga Pro 9 16IAH G10 RTX 5060 | |
| MSI Prestige 16 AI Evo B2HMG | |
| Acer Swift Go 16 AI SFG16-61-R5Y5 | |
| Durchschnittliche AMD Ryzen AI 7 350 (3395 - 4399, n=15) | |
| Durchschnitt der Klasse Multimedia (653 - 8623, n=59, der letzten 2 Jahre) | |
| LG Gram Pro 16Z90TS-G.AU89G | |
| Dell 16 Plus | |
| Acer Aspire 16 A16-51GM-77G2 | |
| AIDA64 / CPU Queen | |
| Durchschnitt der Klasse Multimedia (13483 - 181505, n=59, der letzten 2 Jahre) | |
| Durchschnittliche AMD Ryzen AI 7 350 (67317 - 77400, n=15) | |
| Acer Swift Go 16 AI SFG16-61-R5Y5 | |
| Acer Aspire 16 A16-51GM-77G2 | |
| MSI Prestige 16 AI Evo B2HMG | |
| Lenovo Yoga Pro 9 16IAH G10 RTX 5060 | |
| LG Gram Pro 16Z90TS-G.AU89G | |
| Dell 16 Plus | |
| AIDA64 / FPU SinJulia | |
| Acer Swift Go 16 AI SFG16-61-R5Y5 | |
| Durchschnittliche AMD Ryzen AI 7 350 (11916 - 13856, n=15) | |
| Durchschnitt der Klasse Multimedia (1240 - 28794, n=59, der letzten 2 Jahre) | |
| Lenovo Yoga Pro 9 16IAH G10 RTX 5060 | |
| MSI Prestige 16 AI Evo B2HMG | |
| Acer Aspire 16 A16-51GM-77G2 | |
| LG Gram Pro 16Z90TS-G.AU89G | |
| Dell 16 Plus | |
| AIDA64 / FPU Mandel | |
| Lenovo Yoga Pro 9 16IAH G10 RTX 5060 | |
| Durchschnittliche AMD Ryzen AI 7 350 (39456 - 58771, n=14) | |
| Acer Swift Go 16 AI SFG16-61-R5Y5 | |
| MSI Prestige 16 AI Evo B2HMG | |
| Durchschnitt der Klasse Multimedia (6395 - 105740, n=58, der letzten 2 Jahre) | |
| LG Gram Pro 16Z90TS-G.AU89G | |
| Dell 16 Plus | |
| Acer Aspire 16 A16-51GM-77G2 | |
| AIDA64 / CPU AES | |
| Lenovo Yoga Pro 9 16IAH G10 RTX 5060 | |
| Acer Swift Go 16 AI SFG16-61-R5Y5 | |
| Durchschnittliche AMD Ryzen AI 7 350 (56915 - 87670, n=15) | |
| Durchschnitt der Klasse Multimedia (13243 - 152179, n=59, der letzten 2 Jahre) | |
| MSI Prestige 16 AI Evo B2HMG | |
| Acer Aspire 16 A16-51GM-77G2 | |
| Dell 16 Plus | |
| LG Gram Pro 16Z90TS-G.AU89G | |
| AIDA64 / CPU ZLib | |
| Lenovo Yoga Pro 9 16IAH G10 RTX 5060 | |
| Acer Swift Go 16 AI SFG16-61-R5Y5 | |
| MSI Prestige 16 AI Evo B2HMG | |
| Durchschnittliche AMD Ryzen AI 7 350 (663 - 1138, n=15) | |
| Durchschnitt der Klasse Multimedia (167.2 - 2022, n=59, der letzten 2 Jahre) | |
| Acer Aspire 16 A16-51GM-77G2 | |
| LG Gram Pro 16Z90TS-G.AU89G | |
| Dell 16 Plus | |
| AIDA64 / FP64 Ray-Trace | |
| Durchschnittliche AMD Ryzen AI 7 350 (10707 - 15203, n=14) | |
| Acer Swift Go 16 AI SFG16-61-R5Y5 | |
| Lenovo Yoga Pro 9 16IAH G10 RTX 5060 | |
| MSI Prestige 16 AI Evo B2HMG | |
| Durchschnitt der Klasse Multimedia (1014 - 26875, n=59, der letzten 2 Jahre) | |
| LG Gram Pro 16Z90TS-G.AU89G | |
| Dell 16 Plus | |
| Acer Aspire 16 A16-51GM-77G2 | |
| AIDA64 / CPU PhotoWorxx | |
| Lenovo Yoga Pro 9 16IAH G10 RTX 5060 | |
| MSI Prestige 16 AI Evo B2HMG | |
| LG Gram Pro 16Z90TS-G.AU89G | |
| Dell 16 Plus | |
| Durchschnitt der Klasse Multimedia (12860 - 65787, n=59, der letzten 2 Jahre) | |
| Durchschnittliche AMD Ryzen AI 7 350 (25276 - 47405, n=15) | |
| Acer Swift Go 16 AI SFG16-61-R5Y5 | |
| Acer Aspire 16 A16-51GM-77G2 | |
System Performance
Im Gesamtpaket der Systemleistung fällt dieser Abstand jedoch geringer aus. Dies liegt an der hervorragenden Abstimmung der Komponenten. Der schnelle LPDDR5X-Speicher und die leistungsstarke integrierte Grafikeinheit (iGPU) tragen maßgeblich dazu bei, dass das gesamte System durchweg flüssig und reaktionsschnell arbeitet.
PCMark 10: Score | Essentials | Productivity | Digital Content Creation
CrossMark: Overall | Productivity | Creativity | Responsiveness
WebXPRT 3: Overall
WebXPRT 4: Overall
Mozilla Kraken 1.1: Total
| Performance Rating | |
| MSI Prestige 16 AI Evo B2HMG | |
| Lenovo Yoga Pro 9 16IAH G10 RTX 5060 | |
| Acer Aspire 16 A16-51GM-77G2 | |
| Acer Swift Go 16 AI SFG16-61-R5Y5 | |
| Durchschnitt der Klasse Multimedia | |
| Durchschnittliche AMD Ryzen AI 7 350, AMD Radeon 860M | |
| Dell 16 Plus | |
| LG Gram Pro 16Z90TS-G.AU89G | |
| PCMark 10 / Score | |
| MSI Prestige 16 AI Evo B2HMG | |
| Lenovo Yoga Pro 9 16IAH G10 RTX 5060 | |
| Durchschnittliche AMD Ryzen AI 7 350, AMD Radeon 860M (6982 - 8588, n=12) | |
| Acer Swift Go 16 AI SFG16-61-R5Y5 | |
| Dell 16 Plus | |
| Durchschnitt der Klasse Multimedia (4325 - 10386, n=54, der letzten 2 Jahre) | |
| LG Gram Pro 16Z90TS-G.AU89G | |
| Acer Aspire 16 A16-51GM-77G2 | |
| PCMark 10 / Essentials | |
| Durchschnittliche AMD Ryzen AI 7 350, AMD Radeon 860M (10801 - 12383, n=12) | |
| MSI Prestige 16 AI Evo B2HMG | |
| Acer Aspire 16 A16-51GM-77G2 | |
| Acer Swift Go 16 AI SFG16-61-R5Y5 | |
| Lenovo Yoga Pro 9 16IAH G10 RTX 5060 | |
| Dell 16 Plus | |
| Durchschnitt der Klasse Multimedia (8025 - 11664, n=54, der letzten 2 Jahre) | |
| LG Gram Pro 16Z90TS-G.AU89G | |
| PCMark 10 / Productivity | |
| Durchschnittliche AMD Ryzen AI 7 350, AMD Radeon 860M (9674 - 17243, n=12) | |
| Acer Swift Go 16 AI SFG16-61-R5Y5 | |
| Durchschnitt der Klasse Multimedia (7323 - 18233, n=54, der letzten 2 Jahre) | |
| MSI Prestige 16 AI Evo B2HMG | |
| Dell 16 Plus | |
| Acer Aspire 16 A16-51GM-77G2 | |
| Lenovo Yoga Pro 9 16IAH G10 RTX 5060 | |
| LG Gram Pro 16Z90TS-G.AU89G | |
| PCMark 10 / Digital Content Creation | |
| Lenovo Yoga Pro 9 16IAH G10 RTX 5060 | |
| MSI Prestige 16 AI Evo B2HMG | |
| Dell 16 Plus | |
| Durchschnitt der Klasse Multimedia (3651 - 16240, n=54, der letzten 2 Jahre) | |
| Acer Swift Go 16 AI SFG16-61-R5Y5 | |
| LG Gram Pro 16Z90TS-G.AU89G | |
| Durchschnittliche AMD Ryzen AI 7 350, AMD Radeon 860M (8746 - 10028, n=12) | |
| Acer Aspire 16 A16-51GM-77G2 | |
| CrossMark / Overall | |
| MSI Prestige 16 AI Evo B2HMG | |
| Lenovo Yoga Pro 9 16IAH G10 RTX 5060 | |
| Acer Aspire 16 A16-51GM-77G2 | |
| Durchschnitt der Klasse Multimedia (866 - 2426, n=62, der letzten 2 Jahre) | |
| Durchschnittliche AMD Ryzen AI 7 350, AMD Radeon 860M (1301 - 2005, n=12) | |
| Acer Swift Go 16 AI SFG16-61-R5Y5 | |
| Dell 16 Plus | |
| LG Gram Pro 16Z90TS-G.AU89G | |
| CrossMark / Productivity | |
| MSI Prestige 16 AI Evo B2HMG | |
| Acer Aspire 16 A16-51GM-77G2 | |
| Lenovo Yoga Pro 9 16IAH G10 RTX 5060 | |
| Durchschnitt der Klasse Multimedia (913 - 2344, n=62, der letzten 2 Jahre) | |
| Dell 16 Plus | |
| Acer Swift Go 16 AI SFG16-61-R5Y5 | |
| Durchschnittliche AMD Ryzen AI 7 350, AMD Radeon 860M (1199 - 1869, n=12) | |
| LG Gram Pro 16Z90TS-G.AU89G | |
| CrossMark / Creativity | |
| Lenovo Yoga Pro 9 16IAH G10 RTX 5060 | |
| MSI Prestige 16 AI Evo B2HMG | |
| Durchschnitt der Klasse Multimedia (907 - 2820, n=62, der letzten 2 Jahre) | |
| Durchschnittliche AMD Ryzen AI 7 350, AMD Radeon 860M (1514 - 2236, n=12) | |
| Dell 16 Plus | |
| LG Gram Pro 16Z90TS-G.AU89G | |
| Acer Swift Go 16 AI SFG16-61-R5Y5 | |
| Acer Aspire 16 A16-51GM-77G2 | |
| CrossMark / Responsiveness | |
| MSI Prestige 16 AI Evo B2HMG | |
| Acer Aspire 16 A16-51GM-77G2 | |
| Lenovo Yoga Pro 9 16IAH G10 RTX 5060 | |
| Durchschnitt der Klasse Multimedia (605 - 2024, n=62, der letzten 2 Jahre) | |
| Acer Swift Go 16 AI SFG16-61-R5Y5 | |
| Durchschnittliche AMD Ryzen AI 7 350, AMD Radeon 860M (1052 - 1784, n=12) | |
| Dell 16 Plus | |
| LG Gram Pro 16Z90TS-G.AU89G | |
| WebXPRT 3 / Overall | |
| MSI Prestige 16 AI Evo B2HMG | |
| Durchschnitt der Klasse Multimedia (136.4 - 545, n=65, der letzten 2 Jahre) | |
| Acer Swift Go 16 AI SFG16-61-R5Y5 | |
| Lenovo Yoga Pro 9 16IAH G10 RTX 5060 | |
| Acer Aspire 16 A16-51GM-77G2 | |
| Dell 16 Plus | |
| Durchschnittliche AMD Ryzen AI 7 350, AMD Radeon 860M (255 - 328, n=12) | |
| LG Gram Pro 16Z90TS-G.AU89G | |
| WebXPRT 4 / Overall | |
| MSI Prestige 16 AI Evo B2HMG | |
| Lenovo Yoga Pro 9 16IAH G10 RTX 5060 | |
| Dell 16 Plus | |
| LG Gram Pro 16Z90TS-G.AU89G | |
| Acer Aspire 16 A16-51GM-77G2 | |
| Durchschnitt der Klasse Multimedia (167.3 - 384, n=64, der letzten 2 Jahre) | |
| Acer Swift Go 16 AI SFG16-61-R5Y5 | |
| Durchschnittliche AMD Ryzen AI 7 350, AMD Radeon 860M (199.1 - 275, n=12) | |
| Mozilla Kraken 1.1 / Total | |
| Durchschnittliche AMD Ryzen AI 7 350, AMD Radeon 860M (434 - 702, n=12) | |
| LG Gram Pro 16Z90TS-G.AU89G | |
| Durchschnitt der Klasse Multimedia (228 - 835, n=68, der letzten 2 Jahre) | |
| Dell 16 Plus | |
| Acer Aspire 16 A16-51GM-77G2 | |
| Lenovo Yoga Pro 9 16IAH G10 RTX 5060 | |
| Acer Swift Go 16 AI SFG16-61-R5Y5 | |
| MSI Prestige 16 AI Evo B2HMG | |
* ... kleinere Werte sind besser
| PCMark 10 Score | 7494 Punkte | |
Hilfe | ||
| AIDA64 / Memory Copy | |
| Lenovo Yoga Pro 9 16IAH G10 RTX 5060 | |
| LG Gram Pro 16Z90TS-G.AU89G | |
| Dell 16 Plus | |
| MSI Prestige 16 AI Evo B2HMG | |
| Acer Swift Go 16 AI SFG16-61-R5Y5 | |
| Durchschnitt der Klasse Multimedia (21158 - 109252, n=59, der letzten 2 Jahre) | |
| Durchschnittliche AMD Ryzen AI 7 350 (38001 - 106997, n=15) | |
| Acer Aspire 16 A16-51GM-77G2 | |
| AIDA64 / Memory Read | |
| Dell 16 Plus | |
| LG Gram Pro 16Z90TS-G.AU89G | |
| Lenovo Yoga Pro 9 16IAH G10 RTX 5060 | |
| MSI Prestige 16 AI Evo B2HMG | |
| Durchschnitt der Klasse Multimedia (19699 - 125604, n=59, der letzten 2 Jahre) | |
| Acer Swift Go 16 AI SFG16-61-R5Y5 | |
| Acer Aspire 16 A16-51GM-77G2 | |
| Durchschnittliche AMD Ryzen AI 7 350 (44206 - 63650, n=15) | |
| AIDA64 / Memory Write | |
| Dell 16 Plus | |
| Acer Swift Go 16 AI SFG16-61-R5Y5 | |
| LG Gram Pro 16Z90TS-G.AU89G | |
| Durchschnittliche AMD Ryzen AI 7 350 (42604 - 110817, n=15) | |
| Lenovo Yoga Pro 9 16IAH G10 RTX 5060 | |
| Durchschnitt der Klasse Multimedia (17733 - 117933, n=59, der letzten 2 Jahre) | |
| MSI Prestige 16 AI Evo B2HMG | |
| Acer Aspire 16 A16-51GM-77G2 | |
| AIDA64 / Memory Latency | |
| MSI Prestige 16 AI Evo B2HMG | |
| Lenovo Yoga Pro 9 16IAH G10 RTX 5060 | |
| Durchschnitt der Klasse Multimedia (7 - 535, n=59, der letzten 2 Jahre) | |
| Acer Swift Go 16 AI SFG16-61-R5Y5 | |
| Durchschnittliche AMD Ryzen AI 7 350 (87.7 - 109.8, n=15) | |
| Dell 16 Plus | |
| LG Gram Pro 16Z90TS-G.AU89G | |
| Acer Aspire 16 A16-51GM-77G2 | |
* ... kleinere Werte sind besser
DPC-Latenzen
Obwohl das Tool LatencyMon hier potenzielle Probleme anzeigt, konnten in der Praxis keine spürbaren Einschränkungen festgestellt werden. Weder bei der 4K/60Hz-Wiedergabe auf YouTube noch im Betrieb mit anspruchsvollen Audio-Programmen traten Aussetzer oder Störungen auf.
| DPC Latencies / LatencyMon - interrupt to process latency (max), Web, Youtube, Prime95 | |
| Acer Swift Go 16 AI SFG16-61-R5Y5 | |
* ... kleinere Werte sind besser
Massenspeicher
Der Massenspeicher besteht aus einer 1 TB NVMe SSD von Kingston. Die Übertragungsraten sind ordentlich und sorgen im Alltag für schnelle Bootzeiten und kurze Ladevorgänge. Ein Schwachpunkt ist jedoch die temperaturbedingte Leistungsdrosselung bei längeren, anhaltenden Lese- oder Schreibvorgängen. Die SSD kann die hohe Leistung unter starker Dauerlast nicht halten.
* ... kleinere Werte sind besser
Dauerleistung Lesen: DiskSpd Read Loop, Queue Depth 8
GPU Leistung
Die integrierte Grafikeinheit AMD Radeon 860M (iGPU) ist für eine mobile Lösung leistungsstark. Um in modernen Spielen spielbare Bildraten (FPS) zu erzielen, ist es ratsam, die Auflösung auf Full HD zu begrenzen und mittlere Qualitätseinstellungen zu wählen. Höhere Einstellungen führen in aktuellen AAA-Titeln schnell zu einem deutlichen Einbruch der FPS, sodass die Flüssigkeit des Spiels massiv leidet. Für Casual Gaming und ältere Titel bietet die 860M hingegen eine solide Performance.
| 3DMark Performance Rating - Percent | |
| Durchschnitt der Klasse Multimedia | |
| Acer Swift Go 16 AI SFG16-61-R5Y5 | |
| Durchschnittliche AMD Radeon 860M | |
| 3DMark 11 - 1280x720 Performance GPU | |
| Durchschnitt der Klasse Multimedia (3765 - 60002, n=57, der letzten 2 Jahre) | |
| Acer Swift Go 16 AI SFG16-61-R5Y5 | |
| Durchschnittliche AMD Radeon 860M (6901 - 12149, n=17) | |
| 3DMark | |
| 1280x720 Cloud Gate Standard Graphics | |
| Durchschnitt der Klasse Multimedia (16765 - 135848, n=27, der letzten 2 Jahre) | |
| Acer Swift Go 16 AI SFG16-61-R5Y5 | |
| Durchschnittliche AMD Radeon 860M (24614 - 43959, n=8) | |
| 1920x1080 Fire Strike Graphics | |
| Durchschnitt der Klasse Multimedia (2328 - 48907, n=64, der letzten 2 Jahre) | |
| Acer Swift Go 16 AI SFG16-61-R5Y5 | |
| Durchschnittliche AMD Radeon 860M (4376 - 7935, n=17) | |
| 2560x1440 Time Spy Graphics | |
| Durchschnitt der Klasse Multimedia (696 - 19403, n=66, der letzten 2 Jahre) | |
| Durchschnittliche AMD Radeon 860M (1656 - 2987, n=17) | |
| Acer Swift Go 16 AI SFG16-61-R5Y5 | |
| 3DMark 11 Performance | 11710 Punkte | |
| 3DMark Ice Storm Standard Score | 199679 Punkte | |
| 3DMark Cloud Gate Standard Score | 33922 Punkte | |
| 3DMark Fire Strike Score | 6796 Punkte | |
| 3DMark Time Spy Score | 2109 Punkte | |
| 3DMark Steel Nomad Score | 492 Punkte | |
| 3DMark Steel Nomad Light Score | 2001 Punkte | |
Hilfe | ||
* ... kleinere Werte sind besser
Cyberpunk 2077 ultra FPS-Diagramm
| min. | mittel | hoch | max. | QHD | |
|---|---|---|---|---|---|
| GTA V (2015) | 171.8 | 58.1 | 22 | ||
| Dota 2 Reborn (2015) | 153.3 | 130.1 | 87.4 | 77.1 | |
| Final Fantasy XV Benchmark (2018) | 76.7 | 37.1 | 26.3 | 18.4 | |
| X-Plane 11.11 (2018) | 69.5 | 55.6 | 44.5 | ||
| Strange Brigade (2018) | 150.1 | 56.5 | 47.8 | 41.4 | |
| Baldur's Gate 3 (2023) | 18 | ||||
| Cyberpunk 2077 (2023) | 36.1 | 18 | 16.7 | ||
| F1 25 (2025) | 65.4 | 54.2 | 38 | 30.7 |
Emissionen & Energie
Geräuschemissionen
Wer die maximale Leistung nutzen will, muss hier starke Ohren haben. Während das Acer Swift Go im Normalbetrieb kaum hörbar bleibt, wird es im Stresstest bei maximaler Kühlung sehr laut. Wir messen bis zu 53 dB(A) im Abstand von 15 cm.
Lautstärkediagramm
| Idle |
| 25.1 / 25.1 / 25.1 dB(A) |
| Last |
| / 52.3 dB(A) |
![]() | ||
30 dB leise 40 dB(A) deutlich hörbar 50 dB(A) störend |
||
min: | ||
| Acer Swift Go 16 AI SFG16-61-R5Y5 Radeon 860M, Ryzen AI 7 350, Kingston OM8PGP41024Q-A0 | Lenovo Yoga Pro 9 16IAH G10 RTX 5060 GeForce RTX 5060 Laptop, Ultra 7 255H, WD PC SN7100S SDFPMSL-1T00-1101 | Dell 16 Plus Arc 140V, Core Ultra 7 256V, Samsung BM9C1 1024GB | LG Gram Pro 16Z90TS-G.AU89G Arc 140V, Core Ultra 7 256V, Samsung PM9A1a MZVL21T0HDLU | MSI Prestige 16 AI Evo B2HMG Arc 140T, Ultra 9 285H, Micron 2500 1TB MTFDKBA1T0QGN | Acer Aspire 16 A16-51GM-77G2 GeForce RTX 2050 Mobile, Core 7 150U, WD PC SN740 SDDQNQD-1T00-1014 | |
|---|---|---|---|---|---|---|
| Geräuschentwicklung | -1% | 9% | 4% | 9% | 2% | |
| aus / Umgebung * (dB) | 25 | 25.2 -1% | 23.4 6% | 25.2 -1% | 23.6 6% | 23 8% |
| Idle min * (dB) | 25.1 | 25.2 -0% | 23.5 6% | 25.2 -0% | 23.6 6% | 23 8% |
| Idle avg * (dB) | 25.1 | 25.2 -0% | 23.5 6% | 25.2 -0% | 23.6 6% | 23 8% |
| Idle max * (dB) | 25.1 | 26.9 -7% | 23.5 6% | 27.7 -10% | 26.2 -4% | 31 -24% |
| Cyberpunk 2077 ultra * (dB) | 52.4 | 50.2 4% | 42.6 19% | 42.6 19% | 42.1 20% | 50 5% |
| Last max * (dB) | 52.3 | 52.7 -1% | 46.9 10% | 42.7 18% | 42.1 20% | 50 4% |
| Last avg * (dB) | 44.5 | 31.9 | 37.1 | 46.57 |
* ... kleinere Werte sind besser
Temperatur
Die Oberflächentemperaturen des Swift Go sind für den Nutzer größtenteils problemfrei. Tasten, Handballenablagen und Touchpad bleiben auch im Stresstest bei angenehmen Temperaturen. Sorgen macht uns eher die heiße Abluft, welche auf das OLED-Panel trifft. Wir messen über 50 °C am unteren Displayrand. Bei solchen hohen Temperaturen verlieren OLED-Panels in der Regel einen Teil ihrer Lebensdauer.
(±) Die maximale Temperatur auf der Oberseite ist 45 °C. Im Vergleich liegt der Klassendurchschnitt bei 36.9 °C (von 21.1 bis 71 °C für die Klasse Multimedia).
(+) Auf der Unterseite messen wir eine maximalen Wert von 38 °C (im Vergleich zum Durchschnitt von 39.2 °C).
(+) Ohne Last messen wir eine durchschnittliche Temperatur von 28.9 °C auf der Oberseite. Der Klassendurchschnitt erreicht 31.3 °C.
(+) Die Handballen und der Touchpad-Bereich sind mit gemessenen 27 °C kühler als die typische Hauttemperatur und fühlen sich dadurch kühl an.
(±) Die durchschnittliche Handballen-Temperatur anderer getesteter Geräte war 28.7 °C (+1.7 °C).
| Acer Swift Go 16 AI SFG16-61-R5Y5 AMD Ryzen AI 7 350, AMD Radeon 860M | Lenovo Yoga Pro 9 16IAH G10 RTX 5060 Intel Core Ultra 7 255H, NVIDIA GeForce RTX 5060 Laptop | Dell 16 Plus Intel Core Ultra 7 256V, Intel Arc Graphics 140V | LG Gram Pro 16Z90TS-G.AU89G Intel Core Ultra 7 256V, Intel Arc Graphics 140V | MSI Prestige 16 AI Evo B2HMG Intel Core Ultra 9 285H, Intel Arc Graphics 140T | Acer Aspire 16 A16-51GM-77G2 Intel Core 7 150U, NVIDIA GeForce RTX 2050 Mobile | |
|---|---|---|---|---|---|---|
| Hitze | 2% | 8% | 6% | 1% | -7% | |
| Last oben max * (°C) | 45 | 42.9 5% | 40.6 10% | 40.5 10% | 48.1 -7% | 47 -4% |
| Last unten max * (°C) | 38 | 47.4 -25% | 40 -5% | 45 -18% | 51.6 -36% | 50 -32% |
| Idle oben max * (°C) | 32 | 27.6 14% | 29.2 9% | 27.1 15% | 25.9 19% | 31 3% |
| Idle unten max * (°C) | 34 | 29 15% | 28.6 16% | 28.8 15% | 25.2 26% | 32 6% |
* ... kleinere Werte sind besser
Lautsprecher
Die Lautsprecher des Swift Go AI erreichen etwa 83 dB(A) und liefern einen klaren Sound für Sprache und Podcasts. Sie schwächeln etwas bei den Bässen und übersteuern leicht bei den Hochtönen. Ihre Klangdynamik ist somit nicht ideal für Filme und Musik.
Acer Swift Go 16 AI SFG16-61-R5Y5 Audio Analyse
(+) | Die Lautsprecher können relativ laut spielen (83.7 dB)
Bass 100 - 315 Hz
(-) | kaum Bass - 28% niedriger als der Median
(±) | durchschnittlich lineare Bass-Wiedergabe (7.9% Delta zum Vorgänger)
Mitteltöne 400 - 2000 Hz
(±) | zu hohe Mitten, vom Median 5.1% abweichend
(±) | Linearität der Mitten ist durchschnittlich (7% Delta zum Vorgänger)
Hochtöne 2 - 16 kHz
(+) | ausgeglichene Hochtöne, vom Median nur 3.2% abweichend
(+) | sehr lineare Hochtöne (6.2% Delta zum Vorgänger)
Gesamt im hörbaren Bereich 100 - 16.000 Hz
(±) | hörbarer Bereich ist durchschnittlich linear (19.8% Abstand zum Median)
Im Vergleich zu allen Geräten derselben Klasse
» 64% aller getesteten Geräte dieser Klasse waren besser, 7% vergleichbar, 29% schlechter
» Das beste Gerät hat einen Delta-Wert von 5%, durchschnittlich ist 17%, das schlechteste Gerät hat 45%
Im Vergleich zu allen Geräten im Test
» 50% aller getesteten Geräte waren besser, 7% vergleichbar, 43% schlechter
» Das beste Gerät hat einen Delta-Wert von 4%, durchschnittlich ist 24%, das schlechteste Gerät hat 134%
Apple MacBook Pro 16 2021 M1 Pro Audio Analyse
(+) | Die Lautsprecher können relativ laut spielen (84.7 dB)
Bass 100 - 315 Hz
(+) | guter Bass - nur 3.8% Abweichung vom Median
(+) | lineare Bass-Wiedergabe (5.2% Delta zum Vorgänger)
Mitteltöne 400 - 2000 Hz
(+) | ausgeglichene Mitten, vom Median nur 1.3% abweichend
(+) | lineare Mitten (2.1% Delta zum Vorgänger)
Hochtöne 2 - 16 kHz
(+) | ausgeglichene Hochtöne, vom Median nur 1.9% abweichend
(+) | sehr lineare Hochtöne (2.7% Delta zum Vorgänger)
Gesamt im hörbaren Bereich 100 - 16.000 Hz
(+) | hörbarer Bereich ist sehr linear (4.6% Abstand zum Median
Im Vergleich zu allen Geräten derselben Klasse
» 0% aller getesteten Geräte dieser Klasse waren besser, 0% vergleichbar, 100% schlechter
» Das beste Gerät hat einen Delta-Wert von 5%, durchschnittlich ist 17%, das schlechteste Gerät hat 45%
Im Vergleich zu allen Geräten im Test
» 0% aller getesteten Geräte waren besser, 0% vergleichbar, 100% schlechter
» Das beste Gerät hat einen Delta-Wert von 4%, durchschnittlich ist 24%, das schlechteste Gerät hat 134%
Energieaufnahme
Das mitgelieferte 100-Watt-Netzteil reicht hier vollkommen aus – der gemessene Maximalverbrauch liegt kurzzeitig bei 98 Watt. Nach der kurzen Boostphase steht dem Laptop genügend Leistung zur Verfügung um selbst im Stresstest den Akku zu laden.
Im Leerlauf verbraucht das System 6–9 Watt, was auch bei vielen IPS-Panel-Laptops typisch ist. Für einen Laptop mit OLED-Display kann das Swift Go AI somit einen vergleichsweise niedrigen Verbrauch vorweisen.
| Aus / Standby | |
| Idle | |
Legende:
min: | |
Energieaufnahme Cyberpunk / Stresstest
Energieaufnahme mit externem Monitor
Akkulaufzeit
Der Akku hat 75 Wh und ist damit im Durchschnitt für einen Laptop dieser Größe. Bei praxisnahem WiFi-Websurfen reicht der er etwa über 16 Stunden. Das reicht für einen Arbeitstag, ohne dass man sich um ein Netzteil sorgen muss.
| Acer Swift Go 16 AI SFG16-61-R5Y5 Ryzen AI 7 350, Radeon 860M, 75 Wh | Lenovo Yoga Pro 9 16IAH G10 RTX 5060 Ultra 7 255H, GeForce RTX 5060 Laptop, 84 Wh | Dell 16 Plus Core Ultra 7 256V, Arc 140V, 64 Wh | LG Gram Pro 16Z90TS-G.AU89G Core Ultra 7 256V, Arc 140V, 77 Wh | MSI Prestige 16 AI Evo B2HMG Ultra 9 285H, Arc 140T, 99.9 Wh | Acer Aspire 16 A16-51GM-77G2 Core 7 150U, GeForce RTX 2050 Mobile, 48.5 Wh | Durchschnitt der Klasse Multimedia | |
|---|---|---|---|---|---|---|---|
| Akkulaufzeit | -41% | -16% | 17% | -2% | -40% | -33% | |
| WLAN (h) | 16.8 | 9.9 -41% | 14.1 -16% | 19.6 17% | 16.5 -2% | 10.1 -40% | 11.3 ? -33% |
| H.264 (h) | 20.8 | 8.3 | 16 ? | ||||
| Last (h) | 2.4 | 2.2 | 1.667 ? |
Notebookcheck Gesamtbewertung
Acer Swift Go 16 AI SFG16-61-R5Y5
- 25.11.2025 v8
Marc Herter
Mögliche Alternativen im Vergleich
Bild | Modell / Test | Preis ab | Gewicht | Dicke | Display |
|---|---|---|---|---|---|
| Acer Swift Go 16 AI SFG16-61-R5Y5 AMD Ryzen AI 7 350 ⎘ AMD Radeon 860M ⎘ 16 GB RAM, 1024 GB SSD | Amazon: 1.200,89 € Bestpreis 999€ nullprozentshop.de 2. 999€ notebooksbilliger.de 3. 1007.4€ notebooksbilliger.at | 1.5 kg | 17 mm | 16.00" 2880x1800 151 PPI OLED | |
| Lenovo Yoga Pro 9 16IAH G10 RTX 5060 Intel Core Ultra 7 255H ⎘ NVIDIA GeForce RTX 5060 Laptop ⎘ 32 GB RAM, 1024 GB SSD | Amazon: 1. 699,00 € Lenovo Yoga Tab Plus Tablet ... 2. 743,18 € Lenovo Yoga Tab Plus, AI Tab... 3. 579,00 € ASUS Vivobook 16 M1605YA Lap... Bestpreis 2015€ TechnikDeals24 2. 2059€ Media Markt.at 3. 2059€ Cyberport.at | 1.9 kg | 17.9 mm | 16.00" 2880x1800 212 PPI OLED | |
| Dell 16 Plus Intel Core Ultra 7 256V ⎘ Intel Arc Graphics 140V ⎘ 16 GB RAM, 1024 GB SSD | Amazon: 1.157,58 € Geizhals Suche | 1.8 kg | 16.99 mm | 16.00" 2560x1600 189 PPI IPS | |
| LG Gram Pro 16Z90TS-G.AU89G Intel Core Ultra 7 256V ⎘ Intel Arc Graphics 140V ⎘ 16 GB RAM, 1024 GB SSD | Amazon: 1.391,10 € Bestpreis 1399€ LG Electronics DE 2. 1499€ Easynotebooks.de 3. 1499.01€ Notebook.de | 1.2 kg | 13 mm | 16.00" 2560x1600 189 PPI IPS | |
| MSI Prestige 16 AI Evo B2HMG Intel Core Ultra 9 285H ⎘ Intel Arc Graphics 140T ⎘ 32 GB RAM, 1024 GB SSD | 1.6 kg | 18.95 mm | 16.00" 2560x1600 189 PPI IPS | ||
| Acer Aspire 16 A16-51GM-77G2 Intel Core 7 150U ⎘ NVIDIA GeForce RTX 2050 Mobile ⎘ 16 GB RAM, 1024 GB SSD | Amazon: Bestpreis 935.95€ Joybuy | 1.9 kg | 21 mm | 16.00" 1920x1200 142 PPI IPS | |
| Dell 16 Premium DA16250 Intel Core Ultra 7 255H ⎘ NVIDIA GeForce RTX 5070 Laptop ⎘ 32 GB RAM, 1024 GB SSD | Amazon: 2.999,00 € Bestpreis 2786.37€ XITRA.de 2. 2793.7€ Klarsicht IT 3. 2793.72€ MetaComp | 2.3 kg | 18.7 mm | 16.30" 3840x2400 278 PPI OLED | |
| Lenovo IdeaPad Slim 5 16AKP10 AMD Ryzen AI 5 330 ⎘ AMD Radeon 820M ⎘ 16 GB RAM, 512 GB SSD | Amazon: 1.082,72 € Bestpreis 676€ computeruniverse.net 2. 703€ galaxus 3. 703€ Cyberport.de | 1.9 kg | 18.4 mm | 16.00" 1920x1200 142 PPI IPS |
Transparenz
Die Auswahl der zu testenden Geräte erfolgt innerhalb der Redaktion. Das vorliegende Testmuster wurde dem Autor vom Hersteller oder einem Shop zu Testzwecken leihweise zur Verfügung gestellt. Eine Einflussnahme des Leihstellers auf den Testbericht gab es nicht, der Hersteller erhielt keine Version des Reviews vor der Veröffentlichung. Es bestand keine Verpflichtung zur Publikation. Als eigenständiges, unabhängiges Unternehmen unterliegt Notebookcheck keiner Diktion von Herstellern, Shops und Verlagen.
So testet Notebookcheck
Pro Jahr werden von Notebookcheck hunderte Laptops und Smartphones unabhängig in von uns standardisierten technischen Verfahren getestet, um eine Vergleichbarkeit aller Testergebnisse zu gewährleisten. Seit rund 20 Jahren entwickeln wir diese Testmethoden kontinuierlich weiter und setzen damit Branchenstandards. In unseren Testlaboren kommt ausschließlich hochwertiges Messequipment in die Hände erfahrener Techniker und Redakteure. Die Tests unterliegen einer mehrstufigen Kontrolle. Unsere komplexe Gesamtbewertung basiert auf hunderten fundierten Messergebnissen und Benchmarks, womit Ihnen Objektivität garantiert ist. Weitere Informationen zu unseren Testmethoden gibt es hier.























































