Acer Aspire Go 15 im Test: Office-Notebook mit langen Laufzeiten für 429 Euro

Acer hat mit den Aspire-Go-Modellen eine Reihe von Office-Notebooks aus dem unteren Preissegment im Sortiment. Die vorliegende Variante - ausgestattet mit Core i3-N305, 8 GB RAM, FHD-Panel und 512-GB-SSD - schlägt mit einem Preis von 429 Euro zu Buche. Die Konkurrenz bilden Geräte wie das HP 250 G9 und das Lenovo IdeaPad 3 15ABA7.
Mögliche Konkurrenten im Vergleich
Bew. | Datum | Modell | Gewicht | Dicke | Größe | Auflösung | Preis ab |
|---|---|---|---|---|---|---|---|
| 81 % v7 (old) | 04 / 2024 | Acer Aspire Go 15 AG15-31P-34JP i3-N305, UHD Graphics 32EUs | 1.7 kg | 18.9 mm | 15.60" | 1920x1080 | |
| 75.2 % v7 (old) | 12 / 2023 | HP 250 G9 7N029ES i3-1215U, UHD Graphics 64EUs | 1.7 kg | 19.9 mm | 15.60" | 1920x1080 | |
| 82.1 % v7 (old) | 02 / 2023 | Lenovo IdeaPad 3 15ABA7 R5 5625U, Vega 7 | 1.6 kg | 19.9 mm | 15.60" | 1920x1080 |
Gehäuse & Ausstattung - Aspire Go unterstützt Power Delivery
Acer verwendet ein silbergraues Kunststoffgehäuse mit matten, glatten Oberflächen. Die Spaltmaße stimmen, Materialüberstände sind nicht zu spüren. Die Baseunit und der Deckel können verdreht werden, das Ganze bewegt sich noch gerade im Rahmen. Vorsicht bei der Gehäuseöffnung: Der Akku wird durch die Bodenplatte fixiert. Nach deren Entfernung hat er keinen Halt mehr.
Der Rechner bringt zwei USB-A-Anschlüsse (USB 3.2 Gen 1) und einen USB-C-Steckplatz (USB 3.2 Gen 2) mit. Letzterer unterstützt Power Delivery und kann ein Displayport-Signal ausgeben. In Summe verfügt der Laptop über zwei Videoausgänge (1x HDMI, 1x DP). Einen Speicherkartenleser gibt es nicht. Die Webcam (0,9 MP, max. 1.280 x 720 Pixel, keine Abdeckung) liefert Standardkost.
Das Go 15 nutzt einen Intel-WiFi-6-Chip (AX101), der maximale Datenraten von 600 MBit/s erreichen kann. Daher werden selbst unter optimalen Bedingungen (keine WiFi-Geräte im näheren Umfeld, geringer Abstand zwischen Laptop und Server-PC) keine zeitgemäßen WiFi-Datenraten erreicht.

Eingabegeräte - Eine Tastenbeleuchtung hat der Acer Rechner nicht zu bieten
Die ebenen, angerauten Tasten der Chiclet-Tastatur bieten einen kurzen Hub und einen klaren Druckpunkt. Der Tastenwiderstand geht in Ordnung. Während des Tippens wippt die Tastatur leicht. Als übermäßig störend hat es sich nicht erwiesen. Alles in allem liefert Acer hier eine alltagstaugliche Tastatur. Als Mausersatz dient ein multitouchfähiges Clickpad (ca. 12,5 x 7,8 cm) mit kurzem Hub und deutlichem Druckpunkt.
Display - IPS an Bord
| |||||||||||||||||||||||||
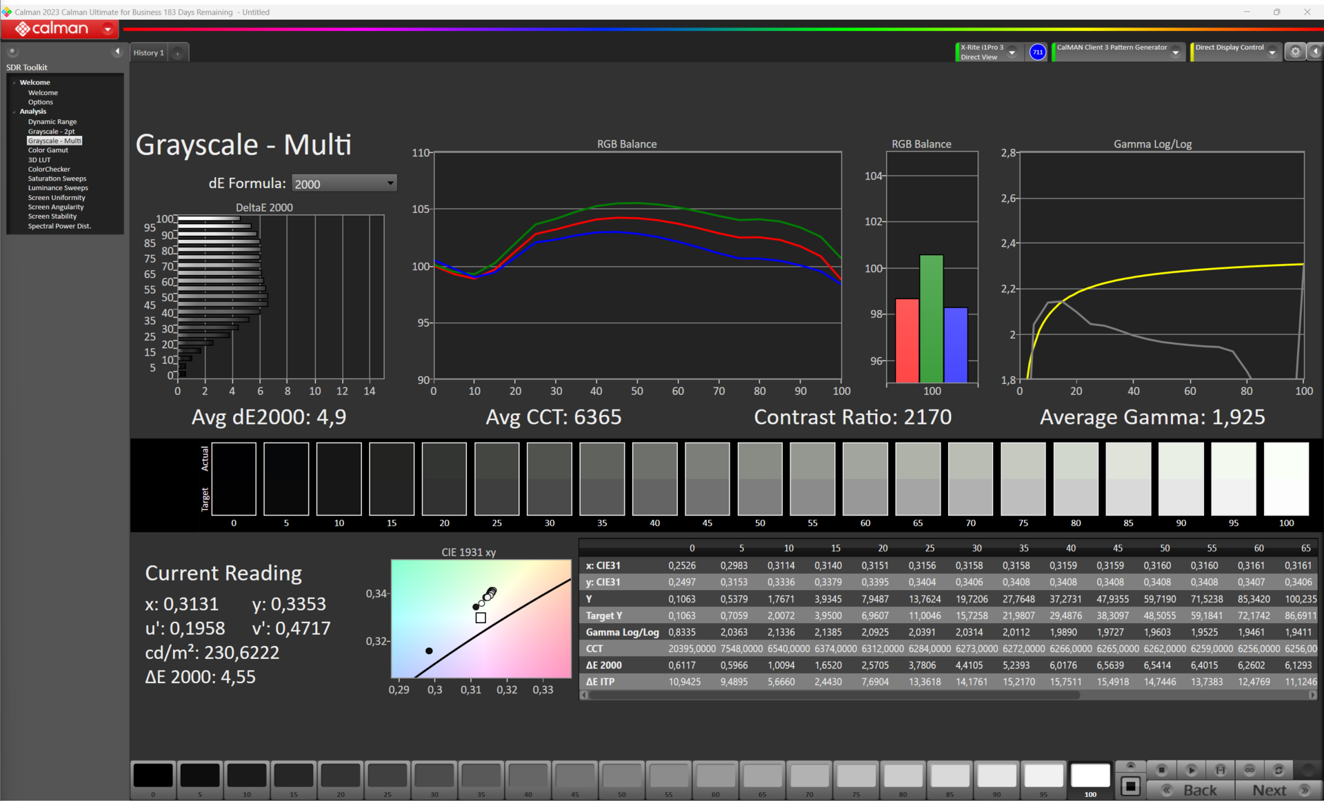
Ausleuchtung: 92 %
Helligkeit Akku: 324 cd/m²
Kontrast: 1580:1 (Schwarzwert: 0.2032 cd/m²)
ΔE ColorChecker Calman: 6.11 | ∀{0.5-29.43 Ø4.73}
calibrated: 3.65
ΔE Greyscale Calman: 4.9 | ∀{0.09-98 Ø4.98}
40.7% AdobeRGB 1998 (Argyll 3D)
58.9% sRGB (Argyll 3D)
39.4% Display P3 (Argyll 3D)
Gamma: 1.925
CCT: 6365 K
| Acer Aspire Go 15 AG15-31P-34JP AU Optronics B156HAN02.1, IPS, 1920x1080, 15.6" | HP 250 G9 7N029ES CMN1538, IPS, 1920x1080, 15.6" | Lenovo IdeaPad 3 15ABA7 Lenovo LEN156FHD, IPS, 1920x1080, 15.6" | |
|---|---|---|---|
| Display | 10% | -3% | |
| Display P3 Coverage (%) | 39.4 | 43.3 10% | 38.2 -3% |
| sRGB Coverage (%) | 58.9 | 64.8 10% | 57.3 -3% |
| AdobeRGB 1998 Coverage (%) | 40.7 | 44.7 10% | 39.5 -3% |
| Response Times | 9% | 33% | |
| Response Time Grey 50% / Grey 80% * (ms) | 32 ? | 31.9 ? -0% | 27 ? 16% |
| Response Time Black / White * (ms) | 26 ? | 21.6 ? 17% | 13 ? 50% |
| PWM Frequency (Hz) | |||
| Bildschirm | -5% | -20% | |
| Helligkeit Bildmitte (cd/m²) | 321 | 281 -12% | 333 4% |
| Brightness (cd/m²) | 320 | 257 -20% | 312 -2% |
| Brightness Distribution (%) | 92 | 82 -11% | 82 -11% |
| Schwarzwert * (cd/m²) | 0.2032 | 0.16 21% | 0.31 -53% |
| Kontrast (:1) | 1580 | 1756 11% | 1074 -32% |
| Delta E Colorchecker * | 6.11 | 4.7 23% | 5.39 12% |
| Colorchecker dE 2000 max. * | 9.93 | 18 -81% | 19.18 -93% |
| Colorchecker dE 2000 calibrated * | 3.65 | 3.7 -1% | 4.77 -31% |
| Delta E Graustufen * | 4.9 | 3.6 27% | 3.56 27% |
| Gamma | 1.925 114% | 2.2 100% | 2.47 89% |
| CCT | 6365 102% | 7267 89% | 6290 103% |
| Durchschnitt gesamt (Programm / Settings) | 5% /
0% | 3% /
-9% |
* ... kleinere Werte sind besser
Der Bildschirm zeigt ab Werk eine akzeptable Farbdarstellung: Mit einer Abweichung von etwa 6,1 wird das Soll (DeltaE < 3) verfehlt. Eine Kalibrierung verringert die Abweichung auf 3,65 und sorgt für ausgewogenere Graustufen. Die gängigen Farbräume (AdobeRGB, sRGB, DCI-P3) kann das Panel nicht wiedergeben.
Reaktionszeiten (Response Times) des Displays
| ↔ Reaktionszeiten Schwarz zu Weiß | ||
|---|---|---|
| 26 ms ... steigend ↗ und fallend ↘ kombiniert | ↗ 13.5 ms steigend | |
| ↘ 12.5 ms fallend | ||
| Die gemessenen Reaktionszeiten sind mittelmäßig und dadurch für Spieler eventuell zu langsam. Im Vergleich rangierten die bei uns getesteten Geräte von 0.1 (Minimum) zu 240 (Maximum) ms. » 62 % aller Screens waren schneller als der getestete. Daher sind die gemessenen Reaktionszeiten schlechter als der Durchschnitt aller vermessenen Geräte (19.9 ms). | ||
| ↔ Reaktionszeiten 50% Grau zu 80% Grau | ||
| 32 ms ... steigend ↗ und fallend ↘ kombiniert | ↗ 15.5 ms steigend | |
| ↘ 16.5 ms fallend | ||
| Die gemessenen Reaktionszeiten sind langsam und dadurch für viele Spieler wahrscheinlich zu langsam. Im Vergleich rangierten die bei uns getesteten Geräte von 0.165 (Minimum) zu 636 (Maximum) ms. » 43 % aller Screens waren schneller als der getestete. Daher sind die gemessenen Reaktionszeiten durchschnittlich (31.1 ms). | ||
Bildschirm-Flackern / PWM (Pulse-Width Modulation)
| Flackern / PWM nicht festgestellt | |||
Im Vergleich: 52 % aller getesteten Geräte nutzten kein PWM um die Helligkeit zu reduzieren. Wenn PWM eingesetzt wurde, dann bei einer Frequenz von durchschnittlich 7837 (Minimum 5, Maximum 343500) Hz. | |||
Leistung - Genug für Office und Internet
Acer führt mit dem Aspire Go 15 ein einfaches 15,6-Zoll-Office-Notebook im Sortiment, das von einem Alder-Lake-N-Prozessor angetrieben wird. Die vorliegende Variante ist für etwa 429 Euro zu bekommen. Andere Ausstattungsvarianten sind zum Testzeitpunkt noch nicht verfügbar.
Testbedingungen
Herstellerspezifische Leistungsprofile bietet das Notebook nicht. Es kamen die Standardprofile von Windows zum Einsatz: "Beste Leistung" (Benchmarks) und "Ausbalanciert" (Akkutest).
Prozessor
Die 8 CPU-Kerne des Core i3-N305 (0P, 8E; Alder Lake) erreichen Maximaltakte von 3,8 GHz. Dauerhafte Multi-Thread-Last (CB15 Loop) lässt den Takt vom ersten zum zweiten Durchlauf etwas sinken. Danach wird ein konstantes Niveau gehalten. Die Benchmarkwerte bewegen sich auf Höhe des CPU-Schnitts.
Das Fehlen von Performance-Kernen macht sich bei der für den Alltagsbetrieb relevanten Single-Thread-Leistung besonders bemerkbar. Hier bleibt der N305 deutlich hinter dem Core i3-1215U (2P, 4E) - ebenfalls eine Alder-Lake-CPU - des HP 255 G9 zurück.
Cinebench R15 Multi Dauertest
| CPU Performance Rating - Percent | |
| Durchschnitt der Klasse Office | |
| Lenovo IdeaPad 3 15ABA7 -2! | |
| HP 250 G9 7N029ES | |
| Acer Aspire Go 15 AG15-31P-34JP | |
| Durchschnittliche Intel Core i3-N305 | |
* ... kleinere Werte sind besser
AIDA64: FP32 Ray-Trace | FPU Julia | CPU SHA3 | CPU Queen | FPU SinJulia | FPU Mandel | CPU AES | CPU ZLib | FP64 Ray-Trace | CPU PhotoWorxx
| Performance Rating | |
| Durchschnitt der Klasse Office | |
| Lenovo IdeaPad 3 15ABA7 | |
| Acer Aspire Go 15 AG15-31P-34JP | |
| Durchschnittliche Intel Core i3-N305 | |
| HP 250 G9 7N029ES | |
| AIDA64 / FP32 Ray-Trace | |
| Durchschnitt der Klasse Office (2083 - 31245, n=81, der letzten 2 Jahre) | |
| Lenovo IdeaPad 3 15ABA7 | |
| Durchschnittliche Intel Core i3-N305 (4127 - 4415, n=3) | |
| HP 250 G9 7N029ES | |
| Acer Aspire Go 15 AG15-31P-34JP | |
| AIDA64 / FPU Julia | |
| Lenovo IdeaPad 3 15ABA7 | |
| Durchschnitt der Klasse Office (8191 - 125394, n=81, der letzten 2 Jahre) | |
| HP 250 G9 7N029ES | |
| Durchschnittliche Intel Core i3-N305 (19828 - 20988, n=3) | |
| Acer Aspire Go 15 AG15-31P-34JP | |
| AIDA64 / CPU SHA3 | |
| Durchschnitt der Klasse Office (433 - 5755, n=81, der letzten 2 Jahre) | |
| Lenovo IdeaPad 3 15ABA7 | |
| Durchschnittliche Intel Core i3-N305 (1275 - 1409, n=3) | |
| Acer Aspire Go 15 AG15-31P-34JP | |
| HP 250 G9 7N029ES | |
| AIDA64 / CPU Queen | |
| Lenovo IdeaPad 3 15ABA7 | |
| Durchschnitt der Klasse Office (22784 - 115197, n=73, der letzten 2 Jahre) | |
| HP 250 G9 7N029ES | |
| Acer Aspire Go 15 AG15-31P-34JP | |
| Durchschnittliche Intel Core i3-N305 (40581 - 41393, n=3) | |
| AIDA64 / FPU SinJulia | |
| Lenovo IdeaPad 3 15ABA7 | |
| Durchschnitt der Klasse Office (1378 - 18321, n=81, der letzten 2 Jahre) | |
| HP 250 G9 7N029ES | |
| Acer Aspire Go 15 AG15-31P-34JP | |
| Durchschnittliche Intel Core i3-N305 (2332 - 2333, n=3) | |
| AIDA64 / FPU Mandel | |
| Lenovo IdeaPad 3 15ABA7 | |
| Durchschnitt der Klasse Office (4601 - 66922, n=81, der letzten 2 Jahre) | |
| HP 250 G9 7N029ES | |
| Durchschnittliche Intel Core i3-N305 (9919 - 10524, n=3) | |
| Acer Aspire Go 15 AG15-31P-34JP | |
| AIDA64 / CPU AES | |
| Lenovo IdeaPad 3 15ABA7 | |
| Durchschnitt der Klasse Office (4854 - 155900, n=81, der letzten 2 Jahre) | |
| Durchschnittliche Intel Core i3-N305 (23892 - 24577, n=3) | |
| Acer Aspire Go 15 AG15-31P-34JP | |
| HP 250 G9 7N029ES | |
| AIDA64 / CPU ZLib | |
| Durchschnitt der Klasse Office (114.6 - 1366, n=81, der letzten 2 Jahre) | |
| Lenovo IdeaPad 3 15ABA7 | |
| Durchschnittliche Intel Core i3-N305 (415 - 448, n=3) | |
| Acer Aspire Go 15 AG15-31P-34JP | |
| HP 250 G9 7N029ES | |
| AIDA64 / FP64 Ray-Trace | |
| Durchschnitt der Klasse Office (1109 - 17834, n=81, der letzten 2 Jahre) | |
| Lenovo IdeaPad 3 15ABA7 | |
| HP 250 G9 7N029ES | |
| Durchschnittliche Intel Core i3-N305 (2042 - 2152, n=3) | |
| Acer Aspire Go 15 AG15-31P-34JP | |
| AIDA64 / CPU PhotoWorxx | |
| Durchschnitt der Klasse Office (11090 - 65229, n=81, der letzten 2 Jahre) | |
| Acer Aspire Go 15 AG15-31P-34JP | |
| Durchschnittliche Intel Core i3-N305 (15143 - 21591, n=3) | |
| Lenovo IdeaPad 3 15ABA7 | |
| HP 250 G9 7N029ES | |
System Performance
Das flüssig laufende System ist auf die Bewältigung von Office- und Internetanwendungen sowie Streamingdiensten ausgelegt. Die Transferraten des Arbeitsspeichers bewegen sich auf einem normalen Niveau für LPDDR5-4800-RAM. Eine zukünftige Erweiterung des Speichers wäre nicht möglich: Er ist fest verlötet, es gibt keine Speicherbänke.
CrossMark: Overall | Productivity | Creativity | Responsiveness
WebXPRT 3: Overall
WebXPRT 4: Overall
Mozilla Kraken 1.1: Total
| PCMark 10 / Score | |
| Durchschnitt der Klasse Office (2601 - 9298, n=65, der letzten 2 Jahre) | |
| Lenovo IdeaPad 3 15ABA7 | |
| HP 250 G9 7N029ES | |
| Acer Aspire Go 15 AG15-31P-34JP | |
| Durchschnittliche Intel Core i3-N305, Intel UHD Graphics 32EUs (Alder Lake) (2929 - 3818, n=3) | |
| PCMark 10 / Essentials | |
| Lenovo IdeaPad 3 15ABA7 | |
| Durchschnitt der Klasse Office (3245 - 11594, n=65, der letzten 2 Jahre) | |
| HP 250 G9 7N029ES | |
| Acer Aspire Go 15 AG15-31P-34JP | |
| Durchschnittliche Intel Core i3-N305, Intel UHD Graphics 32EUs (Alder Lake) (6947 - 7867, n=3) | |
| PCMark 10 / Productivity | |
| Lenovo IdeaPad 3 15ABA7 | |
| Durchschnitt der Klasse Office (5336 - 17243, n=65, der letzten 2 Jahre) | |
| HP 250 G9 7N029ES | |
| Acer Aspire Go 15 AG15-31P-34JP | |
| Durchschnittliche Intel Core i3-N305, Intel UHD Graphics 32EUs (Alder Lake) (3041 - 4866, n=3) | |
| PCMark 10 / Digital Content Creation | |
| Durchschnitt der Klasse Office (2049 - 13541, n=65, der letzten 2 Jahre) | |
| Lenovo IdeaPad 3 15ABA7 | |
| HP 250 G9 7N029ES | |
| Acer Aspire Go 15 AG15-31P-34JP | |
| Durchschnittliche Intel Core i3-N305, Intel UHD Graphics 32EUs (Alder Lake) (3130 - 3945, n=3) | |
| CrossMark / Overall | |
| Durchschnitt der Klasse Office (381 - 2010, n=76, der letzten 2 Jahre) | |
| Lenovo IdeaPad 3 15ABA7 | |
| HP 250 G9 7N029ES | |
| Acer Aspire Go 15 AG15-31P-34JP | |
| Durchschnittliche Intel Core i3-N305, Intel UHD Graphics 32EUs (Alder Lake) (881 - 1027, n=4) | |
| CrossMark / Productivity | |
| Durchschnitt der Klasse Office (464 - 1880, n=76, der letzten 2 Jahre) | |
| Lenovo IdeaPad 3 15ABA7 | |
| HP 250 G9 7N029ES | |
| Acer Aspire Go 15 AG15-31P-34JP | |
| Durchschnittliche Intel Core i3-N305, Intel UHD Graphics 32EUs (Alder Lake) (919 - 1012, n=4) | |
| CrossMark / Creativity | |
| Durchschnitt der Klasse Office (319 - 2361, n=76, der letzten 2 Jahre) | |
| Lenovo IdeaPad 3 15ABA7 | |
| HP 250 G9 7N029ES | |
| Durchschnittliche Intel Core i3-N305, Intel UHD Graphics 32EUs (Alder Lake) (874 - 1050, n=4) | |
| Acer Aspire Go 15 AG15-31P-34JP | |
| CrossMark / Responsiveness | |
| Durchschnitt der Klasse Office (360 - 1690, n=76, der letzten 2 Jahre) | |
| Lenovo IdeaPad 3 15ABA7 | |
| HP 250 G9 7N029ES | |
| Acer Aspire Go 15 AG15-31P-34JP | |
| Durchschnittliche Intel Core i3-N305, Intel UHD Graphics 32EUs (Alder Lake) (764 - 1004, n=4) | |
| WebXPRT 3 / Overall | |
| HP 250 G9 7N029ES | |
| Durchschnitt der Klasse Office (129.9 - 455, n=74, der letzten 2 Jahre) | |
| Lenovo IdeaPad 3 15ABA7 | |
| Durchschnittliche Intel Core i3-N305, Intel UHD Graphics 32EUs (Alder Lake) (179.4 - 190.4, n=3) | |
| Acer Aspire Go 15 AG15-31P-34JP | |
| WebXPRT 4 / Overall | |
| HP 250 G9 7N029ES | |
| Durchschnitt der Klasse Office (104.2 - 313, n=77, der letzten 2 Jahre) | |
| Lenovo IdeaPad 3 15ABA7 | |
| Durchschnittliche Intel Core i3-N305, Intel UHD Graphics 32EUs (Alder Lake) (140.3 - 194, n=4) | |
| Acer Aspire Go 15 AG15-31P-34JP | |
| Mozilla Kraken 1.1 / Total | |
| Acer Aspire Go 15 AG15-31P-34JP | |
| Durchschnittliche Intel Core i3-N305, Intel UHD Graphics 32EUs (Alder Lake) (709 - 993, n=4) | |
| Lenovo IdeaPad 3 15ABA7 | |
| HP 250 G9 7N029ES | |
| Durchschnitt der Klasse Office (391 - 1297, n=78, der letzten 2 Jahre) | |
* ... kleinere Werte sind besser
| PCMark 10 Score | 3818 Punkte | |
Hilfe | ||
| AIDA64 / Memory Copy | |
| Durchschnitt der Klasse Office (20075 - 110930, n=78, der letzten 2 Jahre) | |
| Lenovo IdeaPad 3 15ABA7 | |
| Acer Aspire Go 15 AG15-31P-34JP | |
| Durchschnittliche Intel Core i3-N305 (22655 - 31989, n=3) | |
| HP 250 G9 7N029ES | |
| AIDA64 / Memory Read | |
| Durchschnitt der Klasse Office (10084 - 128030, n=79, der letzten 2 Jahre) | |
| Lenovo IdeaPad 3 15ABA7 | |
| Acer Aspire Go 15 AG15-31P-34JP | |
| Durchschnittliche Intel Core i3-N305 (23286 - 35038, n=3) | |
| HP 250 G9 7N029ES | |
| AIDA64 / Memory Write | |
| Durchschnitt der Klasse Office (20073 - 119858, n=79, der letzten 2 Jahre) | |
| Acer Aspire Go 15 AG15-31P-34JP | |
| Lenovo IdeaPad 3 15ABA7 | |
| Durchschnittliche Intel Core i3-N305 (22849 - 35986, n=3) | |
| HP 250 G9 7N029ES | |
| AIDA64 / Memory Latency | |
| Durchschnitt der Klasse Office (7.6 - 162.9, n=74, der letzten 2 Jahre) | |
| Lenovo IdeaPad 3 15ABA7 | |
| HP 250 G9 7N029ES | |
| Acer Aspire Go 15 AG15-31P-34JP | |
| Durchschnittliche Intel Core i3-N305 (44.3 - 50.1, n=3) | |
* ... kleinere Werte sind besser
DPC-Latenzen
Der standardisierte Latency-Monitor-Test (Websurfen, 4k-Videowiedergabe, Prime95 High-Load) hat Auffälligkeiten offenbart. Das System scheint nicht für Video- und Audiobearbeitung in Echtzeit geeignet zu sein. Zukünftige Software-Updates könnten zu Verbesserungen oder auch Verschlechterungen führen.
| DPC Latencies / LatencyMon - interrupt to process latency (max), Web, Youtube, Prime95 | |
| HP 250 G9 7N029ES | |
| Lenovo IdeaPad 3 15ABA7 | |
| Acer Aspire Go 15 AG15-31P-34JP | |
* ... kleinere Werte sind besser
Massenspeicher
Die PCIe-4-SSD (M.2-2280, 512 GB) der Firma Western Digital liefert grundsätzlich gute Transferraten. Da sie aber in einem PCIe-3-Slot steckt, bleibt sie unter ihren Möglichkeiten. Negativ: Im späteren Verlauf des DiskSpd-Benchmark trat eine thermisch bedingte Drosselung auf. Das Notebook bietet keinen Platz für eine zweite SSD.
| Drive Performance Rating - Percent | |
| Durchschnittliche WD PC SN740 SDDQNQD-512G-1014 | |
| Durchschnitt der Klasse Office | |
| Acer Aspire Go 15 AG15-31P-34JP | |
| Lenovo IdeaPad 3 15ABA7 | |
| HP 250 G9 7N029ES | |
* ... kleinere Werte sind besser
Dauerleistung Lesen: DiskSpd Read Loop, Queue Depth 8
Grafikkarte
Laut Witcher-3-Test kann Intels iGPU dauerhaft mit Maximaltakt (1.250 MHz) arbeiten, bietet aber letztlich nur genug Power für einige genügsame Spiele - bei niedrigen Settings. Benchmarkresultate und Frameraten bewegen sich leicht oberhalb des GPU-Schnitts. Ihre Vorzüge kann die iGPU bei der Nutzung von Streamingdiensten ausspielen: Ein integrierter Decoder entlastet die CPU bei der Wiedergabe gängiger Videoformate.
| 3DMark Performance Rating - Percent | |
| Durchschnitt der Klasse Office | |
| Lenovo IdeaPad 3 15ABA7 | |
| HP 250 G9 7N029ES -1! | |
| Acer Aspire Go 15 AG15-31P-34JP | |
| Durchschnittliche Intel UHD Graphics 32EUs (Alder Lake) | |
| 3DMark 11 Performance | 3037 Punkte | |
| 3DMark Cloud Gate Standard Score | 12397 Punkte | |
| 3DMark Fire Strike Score | 1862 Punkte | |
| 3DMark Time Spy Score | 666 Punkte | |
Hilfe | ||
| Performance Rating - Percent | |
| Durchschnitt der Klasse Office | |
| Lenovo IdeaPad 3 15ABA7 | |
| HP 250 G9 7N029ES -2! | |
| Acer Aspire Go 15 AG15-31P-34JP -1! | |
| Durchschnittliche Intel UHD Graphics 32EUs (Alder Lake) | |
| The Witcher 3 - 1920x1080 Ultra Graphics & Postprocessing (HBAO+) | |
| Durchschnitt der Klasse Office (12.5 - 18.1, n=5, der letzten 2 Jahre) | |
| Lenovo IdeaPad 3 15ABA7 | |
| HP 250 G9 7N029ES | |
| Acer Aspire Go 15 AG15-31P-34JP | |
| Durchschnittliche Intel UHD Graphics 32EUs (Alder Lake) (5.39 - 7, n=3) | |
| GTA V - 1920x1080 Highest AA:4xMSAA + FX AF:16x | |
| Durchschnitt der Klasse Office (5.77 - 45.3, n=66, der letzten 2 Jahre) | |
| Lenovo IdeaPad 3 15ABA7 | |
| Durchschnittliche Intel UHD Graphics 32EUs (Alder Lake) (3.98 - 4.42, n=2) | |
| Acer Aspire Go 15 AG15-31P-34JP | |
| Final Fantasy XV Benchmark - 1920x1080 High Quality | |
| Durchschnitt der Klasse Office (8.09 - 79.5, n=69, der letzten 2 Jahre) | |
| Lenovo IdeaPad 3 15ABA7 | |
| HP 250 G9 7N029ES | |
| Acer Aspire Go 15 AG15-31P-34JP | |
| Durchschnittliche Intel UHD Graphics 32EUs (Alder Lake) (5.34 - 7.81, n=5) | |
| Strange Brigade - 1920x1080 ultra AA:ultra AF:16 | |
| Durchschnitt der Klasse Office (12.9 - 142.1, n=49, der letzten 2 Jahre) | |
| Lenovo IdeaPad 3 15ABA7 | |
| Durchschnittliche Intel UHD Graphics 32EUs (Alder Lake) (n=1) | |
| Dota 2 Reborn - 1920x1080 ultra (3/3) best looking | |
| Durchschnitt der Klasse Office (14.6 - 135, n=75, der letzten 2 Jahre) | |
| Lenovo IdeaPad 3 15ABA7 | |
| HP 250 G9 7N029ES | |
| Acer Aspire Go 15 AG15-31P-34JP | |
| Durchschnittliche Intel UHD Graphics 32EUs (Alder Lake) (22.1 - 32.1, n=5) | |
Witcher 3 FPS-Diagramm
| min. | mittel | hoch | max. | |
|---|---|---|---|---|
| GTA V (2015) | 61.9 | 52.8 | 9.43 | 3.98 |
| The Witcher 3 (2015) | 38.7 | 25.1 | 13 | 7 |
| Dota 2 Reborn (2015) | 66.2 | 51.3 | 31.2 | 28.7 |
| Final Fantasy XV Benchmark (2018) | 20.3 | 10.6 | 7.31 | |
| X-Plane 11.11 (2018) | 23.6 | 17.2 | 15.7 | |
| Strange Brigade (2018) | 44.1 | 17.2 | 13.8 | |
| The Witcher 3 v4 (2023) | 14.1 | 11.2 | ||
| Diablo 4 (2023) | 16.1 | 14.8 | 11.7 | 11.1 |
| Cyberpunk 2077 (2023) | 7.31 | 5.53 | ||
| Counter-Strike 2 (2023) | 11.3 | 6.38 | 5.29 | |
| Total War Pharaoh (2023) | 27.1 | 19.9 | 13 | 11.4 |
| The Finals (2023) | 16.9 | 11.9 | 10.4 | 7.74 |
Emissionen & Energie - Acer Laptop mit sehr guten Laufzeiten
Geräuschemissionen
Sobald der Lüfter arbeitet, gibt er - neben einem Rauschen - ein dezentes, hochfrequentes Pfeifen von sich. Leider läuft er schon im Leerlauf immer wieder an. Das Ganze summiert sich zu einer durchaus störenden Geräuschkulisse, die bei einem einfachen Office-Notebook vom unteren Rand der Leistungsskala nicht auftreten darf.
Einen Grund für das häufige Anlaufen des Lüfters konnten wir nicht finden. Weder erwärmen sich der Rechner im Ganzen noch eine bestimmte Komponente übermäßig stark. Hier muss auf ein BIOS-Update gehofft werden, das sich der Lüftersteuerung annimmt. Auch kann ein Fehler/Defekt unseres Testgeräts nicht ausgeschlossen werden.
Lautstärkediagramm
| Idle |
| 30.5 / 30.5 / 31 dB(A) |
| Last |
| 33.2 / 35.5 dB(A) |
![]() | ||
30 dB leise 40 dB(A) deutlich hörbar 50 dB(A) störend |
||
min: | ||
| Acer Aspire Go 15 AG15-31P-34JP UHD Graphics 32EUs, i3-N305, WD PC SN740 SDDQNQD-512G-1014 | HP 250 G9 7N029ES UHD Graphics 64EUs, i3-1215U, SK hynix HFS512GEJ9X125N | Lenovo IdeaPad 3 15ABA7 Vega 7, R5 5625U, Micron 2450 512GB MTFDKCD512TFK | |
|---|---|---|---|
| Geräuschentwicklung | -2% | -6% | |
| aus / Umgebung * (dB) | 24.8 | 24.3 2% | 26 -5% |
| Idle min * (dB) | 30.5 | 24.3 20% | 26 15% |
| Idle avg * (dB) | 30.5 | 24.3 20% | 26 15% |
| Idle max * (dB) | 31 | 28.2 9% | 26 16% |
| Last avg * (dB) | 33.2 | 45.2 -36% | 46 -39% |
| Last max * (dB) | 35.5 | 45.2 -27% | 47.9 -35% |
| Witcher 3 ultra * (dB) | 45.2 |
* ... kleinere Werte sind besser
Temperatur
Unter Last (Stresstest, Witcher-3-Test) erwärmt sich der Rechner nicht sonderlich stark. Punktuell werden Werte im mittleren 40-Grad-Celsius-Bereich erreicht. Im Alltag (Office, Internet) verbleiben die Werte im grünen Bereich.
Das Extremszenario Stresstest (Prime95 und Furmark im Dauerbetrieb) überprüft die Systemstabilität unter Volllast. Der CPU-Takt sinkt direkt nach dem Start des Tests von 3 GHz auf 1,5 bis 1,6 GHz. Der Grafikkern geht mit recht hohen Geschwindigkeiten zu Werke.
(+) Die maximale Temperatur auf der Oberseite ist 35.8 °C. Im Vergleich liegt der Klassendurchschnitt bei 34.3 °C (von 21.2 bis 62.5 °C für die Klasse Office).
(±) Auf der Unterseite messen wir eine maximalen Wert von 44.5 °C (im Vergleich zum Durchschnitt von 36.9 °C).
(+) Ohne Last messen wir eine durchschnittliche Temperatur von 22.4 °C auf der Oberseite. Der Klassendurchschnitt erreicht 29.5 °C.
(+) Die Handballen und der Touchpad-Bereich sind mit gemessenen 22.3 °C kühler als die typische Hauttemperatur und fühlen sich dadurch kühl an.
(+) Die durchschnittliche Handballen-Temperatur anderer getesteter Geräte war 27.5 °C (+5.2 °C).
| Acer Aspire Go 15 AG15-31P-34JP Intel Core i3-N305, Intel UHD Graphics 32EUs (Alder Lake) | HP 250 G9 7N029ES Intel Core i3-1215U, Intel UHD Graphics 64EUs (Alder Lake 12th Gen) | Lenovo IdeaPad 3 15ABA7 AMD Ryzen 5 5625U, AMD Radeon RX Vega 7 | |
|---|---|---|---|
| Hitze | 1% | -5% | |
| Last oben max * (°C) | 35.8 | 35.1 2% | 41.1 -15% |
| Last unten max * (°C) | 44.5 | 44.8 -1% | 42.3 5% |
| Idle oben max * (°C) | 23.1 | 25.7 -11% | 26.8 -16% |
| Idle unten max * (°C) | 30.1 | 26.5 12% | 28.6 5% |
* ... kleinere Werte sind besser
Lautsprecher
Die Stereolautsprecher produzieren einen ordentlichen Klang, der allerdings kaum Bass vorweisen kann. Für ein besseres Klangerlebnis müsste zu Kopfhörern oder externen Lautsprechern gegriffen werden.
Acer Aspire Go 15 AG15-31P-34JP Audio Analyse
(+) | Die Lautsprecher können relativ laut spielen (84.5 dB)
Bass 100 - 315 Hz
(-) | kaum Bass - 29.5% niedriger als der Median
(±) | durchschnittlich lineare Bass-Wiedergabe (12.3% Delta zum Vorgänger)
Mitteltöne 400 - 2000 Hz
(±) | zu hohe Mitten, vom Median 6.8% abweichend
(±) | Linearität der Mitten ist durchschnittlich (10.9% Delta zum Vorgänger)
Hochtöne 2 - 16 kHz
(±) | zu hohe Hochtöne, vom Median nur 8.8% abweichend
(±) | durchschnittlich lineare Hochtöne (7.6% Delta zum Vorgänger)
Gesamt im hörbaren Bereich 100 - 16.000 Hz
(±) | hörbarer Bereich ist durchschnittlich linear (26.1% Abstand zum Median)
Im Vergleich zu allen Geräten derselben Klasse
» 79% aller getesteten Geräte dieser Klasse waren besser, 7% vergleichbar, 14% schlechter
» Das beste Gerät hat einen Delta-Wert von 7%, durchschnittlich ist 21%, das schlechteste Gerät hat 53%
Im Vergleich zu allen Geräten im Test
» 80% aller getesteten Geräte waren besser, 4% vergleichbar, 16% schlechter
» Das beste Gerät hat einen Delta-Wert von 4%, durchschnittlich ist 24%, das schlechteste Gerät hat 134%
HP 250 G9 7N029ES Audio Analyse
(±) | Mittelmäßig laut spielende Lautsprecher (81.6 dB)
Bass 100 - 315 Hz
(-) | kaum Bass - 21.3% niedriger als der Median
(±) | durchschnittlich lineare Bass-Wiedergabe (10.2% Delta zum Vorgänger)
Mitteltöne 400 - 2000 Hz
(+) | ausgeglichene Mitten, vom Median nur 4.3% abweichend
(+) | lineare Mitten (5.9% Delta zum Vorgänger)
Hochtöne 2 - 16 kHz
(+) | ausgeglichene Hochtöne, vom Median nur 1.5% abweichend
(+) | sehr lineare Hochtöne (4% Delta zum Vorgänger)
Gesamt im hörbaren Bereich 100 - 16.000 Hz
(±) | hörbarer Bereich ist durchschnittlich linear (16% Abstand zum Median)
Im Vergleich zu allen Geräten derselben Klasse
» 18% aller getesteten Geräte dieser Klasse waren besser, 6% vergleichbar, 76% schlechter
» Das beste Gerät hat einen Delta-Wert von 7%, durchschnittlich ist 21%, das schlechteste Gerät hat 53%
Im Vergleich zu allen Geräten im Test
» 25% aller getesteten Geräte waren besser, 5% vergleichbar, 70% schlechter
» Das beste Gerät hat einen Delta-Wert von 4%, durchschnittlich ist 24%, das schlechteste Gerät hat 134%
Energieaufnahme
Der Energiebedarf bewegt sich auf einem normalen Niveau für die hier verbaute Hardware. Wenige Sekunden nach Start des Stresstests sinkt die Leistungsaufnahme deutlich, da der CPU-Takt stark gedrosselt wird. Das Netzteil (65 Watt) ist mehr als ausreichend dimensioniert.
| Aus / Standby | |
| Idle | |
| Last |
|
Legende:
min: | |
Energieaufnahme Witcher 3 / Stresstest
Energieaufnahme mit externem Monitor
Akkulaufzeit
Der 15,6-Zöller erreicht eine Laufzeit von 11:33 h im praxisnahen WLAN-Test (Abbildung der Belastung beim Aufruf von Webseiten mittels eines Skripts) - ein guter Wert. Innerhalb des Vergleichsfeldes liefert das Aspire Go damit die beste Laufzeit.
| Battery Runtime - WiFi Websurfing | |
| Durchschnitt der Klasse Office (3.83 - 31.5, n=77, der letzten 2 Jahre) | |
| Acer Aspire Go 15 AG15-31P-34JP | |
| Lenovo IdeaPad 3 15ABA7 | |
| HP 250 G9 7N029ES | |
Pro
Contra
Fazit - Günstiger Office-Laptop für Schüler, Studenten, Sparfüchse
Schlankes Äußeres, relativ geringes Gewicht (ca. 1,7 kg), praxisnahe Akkulaufzeiten von etwa 11,5 h - das Aspire Go 15 zählt zu den sehr mobilen Notebooks. Positiv: Der Akku kann über das proprietäre Herstellernetzteil oder über ein universelles USB-C-Netzteil mit Energie versorgt werden.
Acer liefert mit Aspire Go 15 ein Office-Notebook für den schmalen Geldbeutel, das einige Schwächen offenbart hat.
Core i3-N305, 8 GB RAM (Dual-Channel-Modus) und eine 512-GB-SSD rüsten das Notebook für den Office- und Internetbetrieb sowie die Nutzung von Streamingdiensten. Dazu gesellt sich ein heller, kontrastreicher Bildschirm (15,6 Zoll, FHD, IPS).
Der Lüfter und seine Steuerung stellen die großen Schwachstellen dar: Sobald der Lüfter läuft, wird eine nicht sonderlich laute, aber doch störende Geräuschkulisse produziert. Es bleibt auf ein BIOS-Updates seitens Acer zu hoffen. Weitere Schwächen stellen der nicht aufrüstbare Arbeitsspeicher sowie die verhältnismäßig niedrigen WiFi-Datenraten dar.
Als Alternative käme das HP 250 G9 in Frage. Es bietet mehr Rechenleistung (Single-Thread, GPU) und erweiterbaren Arbeitsspeicher, hat bei den Akkulaufzeiten aber das Nachsehen. Auf Power Delivery müssten Käufer des HP Rechners verzichten.
Preis und Verfügbarkeit
Das Acer Aspire Go 15 AG15-31P ist zu einem Preis von 429 Euro bei Notebooksbilliger.de zu bekommen.
Acer Aspire Go 15 AG15-31P-34JP
- 11.04.2024 v7 (old)
Sascha Mölck
Transparenz
Die Auswahl der zu testenden Geräte erfolgt innerhalb der Redaktion. Das vorliegende Testmuster wurde dem Autor vom Hersteller oder einem Shop zu Testzwecken leihweise zur Verfügung gestellt. Eine Einflussnahme des Leihstellers auf den Testbericht gab es nicht, der Hersteller erhielt keine Version des Reviews vor der Veröffentlichung. Es bestand keine Verpflichtung zur Publikation. Als eigenständiges, unabhängiges Unternehmen unterliegt Notebookcheck keiner Diktion von Herstellern, Shops und Verlagen.
So testet Notebookcheck
Pro Jahr werden von Notebookcheck hunderte Laptops und Smartphones unabhängig in von uns standardisierten technischen Verfahren getestet, um eine Vergleichbarkeit aller Testergebnisse zu gewährleisten. Seit rund 20 Jahren entwickeln wir diese Testmethoden kontinuierlich weiter und setzen damit Branchenstandards. In unseren Testlaboren kommt ausschließlich hochwertiges Messequipment in die Hände erfahrener Techniker und Redakteure. Die Tests unterliegen einer mehrstufigen Kontrolle. Unsere komplexe Gesamtbewertung basiert auf hunderten fundierten Messergebnissen und Benchmarks, womit Ihnen Objektivität garantiert ist. Weitere Informationen zu unseren Testmethoden gibt es hier.


























































