Test Fujitsu LifeBook T935 Convertible

Mit dem Lifebook T935 liegt uns eine neue Version von Fujitsus 13,3-Zoll-Business-Convertible vor. Äußerlich hat sich gegenüber dem Vorgängermodell Lifebook T904 nichts geändert. Bei den inneren Werten hat sich aber etwas getan: Die Haswell Prozessoren sind CPUs der Broadwell Generation gewichen. Ob das Lifebook von den neuen Prozessoren profitiert, verrät unser Testbericht.
Das Lifebook findet seine Konkurrenten durchaus in diversen Geräteklassen. Da wären zum einen natürlich Convertibles wie das Lenovo ThinkPad Yoga 14, das Dell Latitude 13 7350, das Toshiba Portégé Z20t-B. Ein Tablet wie das Microsoft Surface Pro 3 kann ebenfalls genannt werden. Aber auch herkömmliche 13,3- bzw. 14-Zoll-Notebooks wie das Acer Travelmate P645-S oder das HP Elitebook 840 G2 zählen zur Konkurrenz.
Da das Lifebook T904 und das Lifebook T935 baugleich sind, gehen wir nicht weiter auf das Gehäuse, die Ausstattung, die Eingabegeräte und die Lautsprecher ein. Entsprechende Informationen können dem Testbericht des Lifebook T904 entnommen werden.
Display
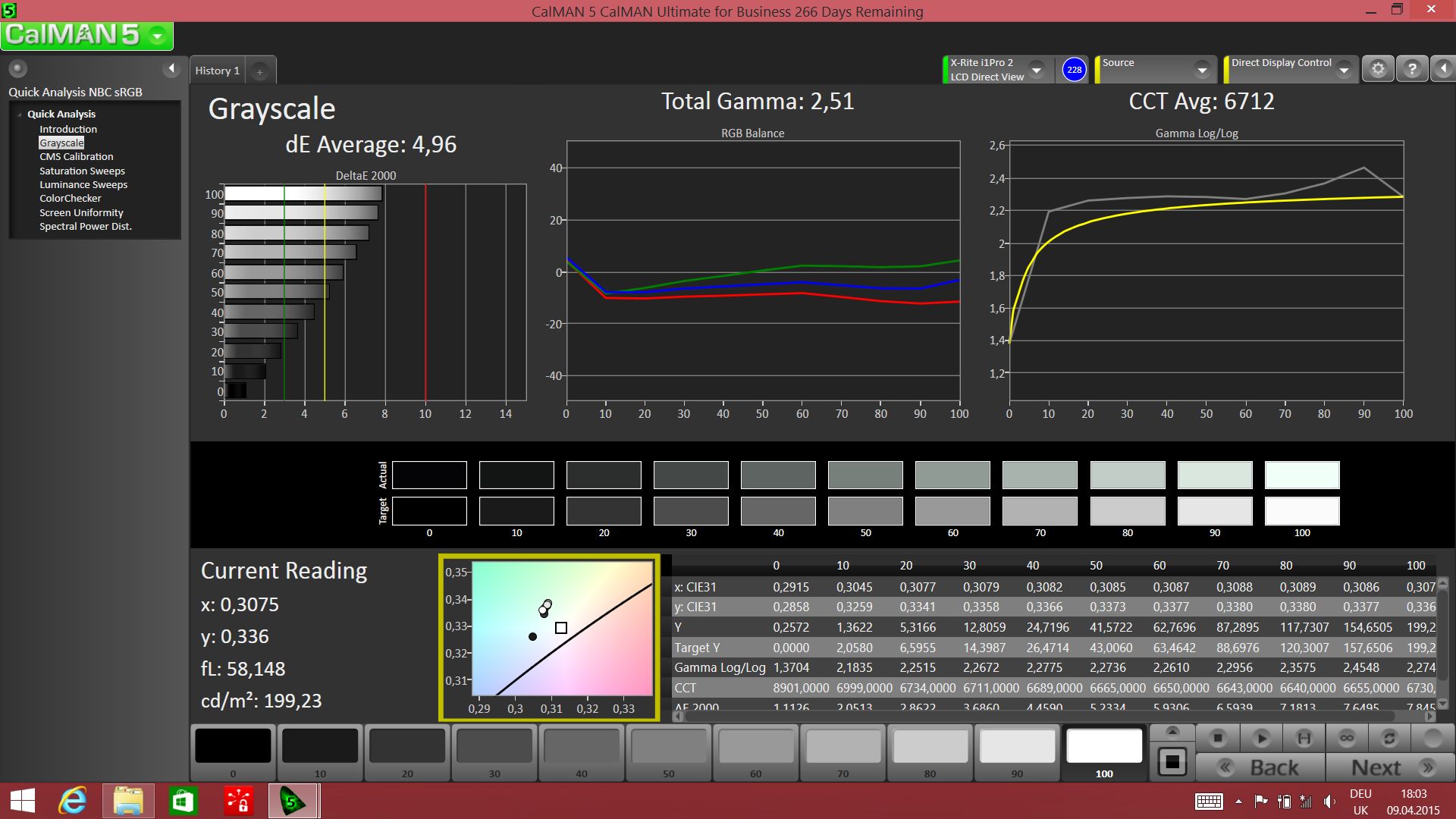
Das Lifebook T935 ist mit einem 13,3-Zoll-Touch-Display ausgestattet. Es arbeitet mit einer nativen Auflösung von 1.920 x 1.080 Bildpunkten. Alternativ ist der Rechner auch mit einem WQHD-Touch-Display (2.560 x 1.440 Bildpunkte) erhältlich. Der Bildschirm des uns zur Verfügung gestellten Testgeräts hat nur eine sehr geringe Helligkeit von 192,8 cd/m² zu bieten. Ein solcher Wert ist für einen mobilen Rechner nicht ausreichend - insbesondere bei einer spiegelnden Displayoberfläche. Hier hätten wir einen Wert von mindestens 300 cd/m² erwartet. Schließlich ist davon auszugehen, dass der Rechner unter verschiedensten Lichtverhältnissen genutzt wird.
| |||||||||||||||||||||||||
Ausleuchtung: 84 %
Helligkeit Akku: 210 cd/m²
Kontrast: 836:1 (Schwarzwert: 0.25 cd/m²)
ΔE ColorChecker Calman: 3.48 | ∀{0.5-29.43 Ø4.74}
ΔE Greyscale Calman: 4.96 | ∀{0.09-98 Ø4.98}
Gamma: 2.51
CCT: 6712 K
Kontrast (836:1) und Schwarzwert (0,25 cd/m²) des Displays geben hingegen keinen Anlass zur Klage. Eine Aussage über die Farbraumabdeckung des Bildschirms können wir nicht treffen, denn die Mess-Software hat die Versuche der Vermessung immer mit Abstürzen quittiert. Die Farbdarstellung des Bildschirms gefällt schon im Auslieferungszustand. Er zeigt eine DeltaE-2000-Abweichung von 3,48 cd/m². Damit schrammt das Display nur knapp am Zielbereich (DeltaE kleiner 3) vorbei. Einen Blaustich besitzt es nicht.
Fujitsu hat das Convertible mit einem IPS-Panel bestückt. Das Kennzeichen dieser Art von Display sind die großen und stabilen Somit ist das Display aus jeder Position heraus ablesbar. Ein Einsatz im Freien ist aufgrund der geringen Displayhelligkeit und der spiegelnden Bildschirmoberfläche nicht wirklich möglich.
| Fujitsu LifeBook T935 IPS 1920x1080 | Fujitsu Lifebook T904 IPS 2560x1440 | Dell Latitude 13 7350 IPS 1920x1080 | Lenovo ThinkPad Yoga 14 IPS 1920x1080 | Acer TravelMate P645-S-58HK IPS 1920x1080 | HP EliteBook 840 G2 TN 1600x900 | Microsoft Surface Pro 3 IPS 2160x1440 | |
|---|---|---|---|---|---|---|---|
| Display | |||||||
| Display P3 Coverage (%) | 64.2 | 66.7 | 38.82 | 63.6 | |||
| sRGB Coverage (%) | 93.9 | 90.8 | 58.4 | 88.8 | |||
| AdobeRGB 1998 Coverage (%) | 65.4 | 66.5 | 40.11 | 65.6 | |||
| Bildschirm | 23% | 32% | -1% | 6% | -96% | 12% | |
| Helligkeit Bildmitte (cd/m²) | 209 | 259 24% | 371 78% | 286 37% | 331 58% | 267 28% | 355.3 70% |
| Brightness (cd/m²) | 193 | 255 32% | 339 76% | 274 42% | 309 60% | 240 24% | 338 75% |
| Brightness Distribution (%) | 84 | 73 -13% | 82 -2% | 90 7% | 82 -2% | 84 0% | 91 8% |
| Schwarzwert * (cd/m²) | 0.25 | 0.16 36% | 0.27 -8% | 0.3 -20% | 0.4 -60% | 0.8 -220% | 0.33 -32% |
| Kontrast (:1) | 836 | 1619 94% | 1374 64% | 953 14% | 828 -1% | 334 -60% | 1077 29% |
| Delta E Colorchecker * | 3.48 | 4.27 -23% | 3.1 11% | 5.62 -61% | 4.07 -17% | 12.71 -265% | 4.72 -36% |
| Delta E Graustufen * | 4.96 | 4.32 13% | 4.65 6% | 6.19 -25% | 4.86 2% | 13.91 -180% | 6.53 -32% |
| Gamma | 2.51 88% | 2.67 82% | 2.47 89% | 2.35 94% | 2.49 88% | 2.35 94% | 2.17 101% |
| CCT | 6712 97% | 6790 96% | 6986 93% | 5606 116% | 6109 106% | 20099 32% | 6707 97% |
| Farbraum (Prozent von AdobeRGB 1998) (%) | 60 | 59 | 37.2 | 59.37 | |||
| Color Space (Percent of sRGB) (%) | 90.6 | ||||||
| Durchschnitt gesamt (Programm / Settings) | 23% /
23% | 32% /
32% | -1% /
-1% | 6% /
6% | -96% /
-96% | 12% /
12% |
* ... kleinere Werte sind besser
Leistung
Fujitsu hat mit dem Lifebook T935 ein Business Convertible im 13,3-Zoll-Format im Sortiment. An Bord befinden sich u. a. ein TPM, ein Dockingport und LTE. Unser Testgerät ist für knapp 2.000 Euro zu haben. Fujitsu hat noch andere Ausstattungsvarianten im Sortiment.
Prozessor
Im Inneren des Lifebook verrichtet ein Intel Core i5-5300U (Broadwell) Zweikernprozessor seinen Dienst. Hierbei handelt es sich um einen sparsamen ULV-Prozessor. Die CPU arbeitet mit einer Basisgeschwindigkeit von 2,3 GHz. Mittels Turbo kann die Geschwindigkeit auf 2,7 GHz (beide Kerne) bzw. 2,9 GHz (nur ein Kern) erhöht werden. Der Turbo findet im Netz- und im Akkubetrieb Verwendung. Die Multi-Thread-Tests werden größtenteils mit 2,2 GHz bearbeitet. Gelegentlich wird der Prozessor auf 2,7 GHz beschleunigt. Allerdings variiert die Turbonutzung von Mal zu Mal. Durch die nicht gleichbleibende Turbointensität fallen die Resultate in den von uns durchgeführten Benchmarks in jedem Durchlauf unterschiedlich aus. So haben wir im Multi-Thread-Test des Cinebench R11.5 Benchmarks Werte zwischen 2,47 und 2,71 registriert. Bei den Single-Thread-Tests sieht es ähnlich aus, diese werden mit 2,7 bis 2,9 GHz bearbeitet. Da der Prozessor seinen Turbo praktisch nie voll ausreizen kann, bleibt er in den von uns durchgeführten CPU-Tests hinter seinen Möglichkeiten zurück. Gleiches konnten wir schon beim Lifebook T904 beobachten.
| Sunspider - 1.0 Total Score (nach Ergebnis sortieren) | |
| Fujitsu LifeBook T935 | |
| Dell Latitude 13 7350 | |
| Lenovo ThinkPad Yoga 14 | |
| Toshiba Portege Z20t-B-10C | |
| Acer TravelMate P645-S-58HK | |
| HP EliteBook 840 G2 | |
| Mozilla Kraken 1.1 - Total (nach Ergebnis sortieren) | |
| Fujitsu LifeBook T935 | |
| Dell Latitude 13 7350 | |
| Toshiba Portege Z20t-B-10C | |
| Acer TravelMate P645-S-58HK | |
| HP EliteBook 840 G2 | |
| Octane V2 - Total Score (nach Ergebnis sortieren) | |
| Fujitsu LifeBook T935 | |
| Dell Latitude 13 7350 | |
| Toshiba Portege Z20t-B-10C | |
| Acer TravelMate P645-S-58HK | |
| HP EliteBook 840 G2 | |
| Peacekeeper - --- (nach Ergebnis sortieren) | |
| Fujitsu LifeBook T935 | |
| Dell Latitude 13 7350 | |
| Toshiba Portege Z20t-B-10C | |
| Acer TravelMate P645-S-58HK | |
| HP EliteBook 840 G2 | |
* ... kleinere Werte sind besser
System Performance
Dank einem kräftigen Prozessor und einer schnellen Solid State Disk arbeitet der Rechner rund und flink. Windows wird schnell gestartet. Problemen sind wir nicht begegnet. Die Resultate in den PC Mark Benchmarks fallen insgesamt gut aus, bleiben aber hinter den Resultaten vergleichbarer Notebooks wie dem Lifebook S935 zurück. Hierfür sehen wir zwei Gründe: Zum einen kann die CPU ihren Turbo nicht voll ausreizen, und zum anderen läuft der Arbeitsspeicher des T935 im Single-Channel-Modus. Beides kann der Besitzer des Rechners nicht ändern. Das Lifebook verfügt über nur eine Arbeitsspeicherbank.
| PCMark 7 Score | 4476 Punkte | |
| PCMark 8 Home Score Accelerated v2 | 2743 Punkte | |
| PCMark 8 Creative Score Accelerated v2 | 3414 Punkte | |
| PCMark 8 Work Score Accelerated v2 | 3905 Punkte | |
Hilfe | ||
| PCMark 8 - Home Score Accelerated v2 (nach Ergebnis sortieren) | |
| Fujitsu LifeBook T935 | |
| Dell Latitude 13 7350 | |
| Toshiba Portege Z20t-B-10C | |
| Acer TravelMate P645-S-58HK | |
| HP EliteBook 840 G2 | |
| HP Elitebook 745 G2 | |
Massenspeicher
Eine schnelle Solid State Disk hat Fujitsu in das Lifebook eingebaut. Die SSD stammt von Samsung und bietet eine Gesamtkapazität von 256 GB. Davon stehen dem Besitzer etwa 200 GB zur freien Verfügung. Der übrige Speicherplatz wird von der Recovery Partition und der Windows Installation belegt. Die SSD kann insgesamt mit guten Transferraten aufwarten. Es handelt sich hierbei um ein Modell im 2,5-Zoll-Format (7 mm Bauhöhe). Ein Tausch der SSD stellt theoretisch kein Problem dar. In der Praxis hat sich das aber als schwierig erwiesen. Da das Lifebook keine Wartungsklappe besitzt, muss die Unterschale der Baseunit entfernt werden, um an die Hardware zu gelangen. Auch nach Entfernung aller Schrauben sitzt die Unterschale auf zwei Seiten sehr fest. Wir haben dann auf eine Öffnung des Gehäuses verzichtet, um es nicht zu beschädigen.
Grafikkarte
Eine dedizierte GPU hat das Lifebook nicht zu bieten. Fujitsu setzt auf Intels integrierten HD Graphics 5500 Grafikkern. Die GPU unterstützt DirectX 11.2 und arbeitet mit Geschwindigkeiten bis zu 900 MHz. Die Ergebnisse in den 3D Mark Benchmarks entsprechen der Leistungsfähigkeit der GPU. Etwas bessere Resultate könnte sie erreichen, wenn der Arbeitsspeicher des Lifebook im Dual-Channel-Modus arbeiten würde. Da aber nur eine Arbeitsspeicherbank vorhanden ist, besteht diese Möglichkeit nicht. Das Schwestermodell Lifebook T904 ist noch mit dem Vorgänger des HD Graphics 5500 Kerns - der HD Graphics 4400 GPU - bestückt. Die neue GPU bietet etwa 10 bis 20 Prozent mehr Grafikleistung als ihre Vorgängerin. Der Grafikkern ist nicht nur für die Grafikdarstellung zuständig, sondern er entlastet den Hauptprozessor auch bei der Wiedergabe von Videos. So liegt die Prozessorlast beim Abspielen eines Full-HD-Videos (H.264-Kodierung) unterhalb von 20 Prozent.
| 3DMark 11 Performance | 986 Punkte | |
| 3DMark Ice Storm Standard Score | 39545 Punkte | |
| 3DMark Cloud Gate Standard Score | 4382 Punkte | |
| 3DMark Fire Strike Score | 541 Punkte | |
Hilfe | ||
Gaming Performance
Da der Arbeitsspeicher des Lifebook nur im Single-Channel-Modus läuft, fallen die Frameraten in Spielen schlechter aus als bei einem vergleichbar ausgestatteten Rechner wie dem Lifebook S935 (Dual-Channel-Modus aktiv). Somit erreichen auch Spiele, die geringe Hardware-Anforderungen stellen, allenfalls bei niedrigen Auflösungen und geringen Qualitätseinstellungen spielbare Frameraten.
| min. | mittel | hoch | max. | |
|---|---|---|---|---|
| Tomb Raider (2013) | 41.9 | 21.9 | 14.5 | 7.3 |
| Thief (2014) | 10.9 | 6.8 | 4.3 | 2.4 |
| GRID: Autosport (2014) | 67 | 22.9 | 13.6 | 12.5 |
Emissionen
Geräuschemissionen
Von Lärm bleiben Nutzer des T935 verschont: Im Idle-Modus steht der Lüfter in der Regel still. Das Convertible arbeitet dann lautlos. Unter Last dreht der Lüfter nur sehr leicht auf. Während des Stresstests messen wir einen Schalldruckpegel von 32,7 dB. Einen solchen Wert erreichen viele andere Notebooks gerade einmal im Idle-Betrieb.
Lautstärkediagramm
| Idle |
| 29.2 / 29.2 / 29.2 dB(A) |
| Last |
| 32.4 / 32.4 dB(A) |
![]() | ||
30 dB leise 40 dB(A) deutlich hörbar 50 dB(A) störend |
||
min: | ||
| Fujitsu LifeBook T935 5500/5300U | Fujitsu Lifebook T904 4400/4600U | Lenovo ThinkPad Yoga 14 840M/5500U | Acer TravelMate P645-S-58HK 5500/5200U | HP EliteBook 840 G2 5500/5200U | Microsoft Surface Pro 3 4400/4300U | |
|---|---|---|---|---|---|---|
| Geräuschentwicklung | -10% | -3% | -5% | -1% | -9% | |
| Idle min * (dB) | 29.2 | 29.6 -1% | 29.6 -1% | 29.6 -1% | 29.1 -0% | 30.1 -3% |
| Idle avg * (dB) | 29.2 | 29.6 -1% | 29.6 -1% | 29.6 -1% | 29.1 -0% | 30.2 -3% |
| Idle max * (dB) | 29.2 | 29.6 -1% | 29.6 -1% | 30.2 -3% | 29.1 -0% | 30.4 -4% |
| Last avg * (dB) | 32.4 | 40.2 -24% | 34.2 -6% | 35.6 -10% | 32.2 1% | 31.9 2% |
| Last max * (dB) | 32.4 | 40.4 -25% | 34.5 -6% | 35.9 -11% | 34.2 -6% | 44.4 -37% |
* ... kleinere Werte sind besser
Temperatur
In der ersten Minute arbeiten die CPU mit 2,3 GHz und die GPU mit 900 MHz. Dann werden sie auf 1,3 bis 1,4 GHz (Prozessor) bzw. 650 bis 700 MHz (Grafikkern) gedrosselt. Diese Werte werden für etwa 30 Minuten gehalten. Anschließend wird die Geschwindigkeit des Grafikkerns auf 500 bis 550 MHz gesenkt. Gleichzeitig wird die CPU auf 2,2 GHz beschleunigt. Bei diesen Werten bleibt es dann. Sonderlich stark erwärmt sich das Lifebook nicht. Lediglich an zwei Gehäusemesspunkten nähern sich die Temperaturen der Vierzig-Grad-Celsius-Marke an.
(+) Die maximale Temperatur auf der Oberseite ist 39.7 °C. Im Vergleich liegt der Klassendurchschnitt bei 35.4 °C (von 19.6 bis 60 °C für die Klasse Convertible).
(+) Auf der Unterseite messen wir eine maximalen Wert von 35.1 °C (im Vergleich zum Durchschnitt von 36.9 °C).
(+) Ohne Last messen wir eine durchschnittliche Temperatur von 27 °C auf der Oberseite. Der Klassendurchschnitt erreicht 30.3 °C.
(+) Die Handballen und der Touchpad-Bereich sind mit gemessenen 31.6 °C kühler als die typische Hauttemperatur und fühlen sich dadurch kühl an.
(-) Die durchschnittliche Handballen-Temperatur anderer getesteter Geräte war 28 °C (-3.6 °C).
| Fujitsu LifeBook T935 5500/5300U | Fujitsu Lifebook T904 4400/4600U | Dell Latitude 13 7350 5300/5Y10 | Lenovo ThinkPad Yoga 14 840M/5500U | Acer TravelMate P645-S-58HK 5500/5200U | HP EliteBook 840 G2 5500/5200U | |
|---|---|---|---|---|---|---|
| Hitze | 5% | -1% | -11% | -8% | -3% | |
| Last oben max * (°C) | 39.7 | 39.1 2% | 38.3 4% | 43.5 -10% | 41.6 -5% | 37.5 6% |
| Last unten max * (°C) | 35.1 | 34.1 3% | 34.2 3% | 47 -34% | 41.7 -19% | 38.4 -9% |
| Idle oben max * (°C) | 28.2 | 26.3 7% | 30.9 -10% | 26.7 5% | 30.6 -9% | 28.7 -2% |
| Idle unten max * (°C) | 27.8 | 25.7 8% | 28 -1% | 28.8 -4% | 27.5 1% | 30.1 -8% |
* ... kleinere Werte sind besser
Energieverwaltung
Energieaufnahme
Das Fujitsu Convertible zeigt im Idle-Betrieb keinen hohen Energiebedarf. Wir messen eine maximale Leistungsaufnahme von 5,6 Watt. Es zeigt sich einen Tick sparsamer als das Schwestermodell T904. Während des Stresstests steigt der Energiebedarf kurzzeitig auf 38 Watt. Da CPU und GPU gedrosselt werden, sinkt die Leistungsaufnahme auf 22,8 Watt. Das Netzteil hätte genügend Reserven nach oben. Es besitzt eine Nennleistung von 65 Watt.
| Aus / Standby | |
| Idle | |
| Last |
|
Legende:
min: | |
| Fujitsu LifeBook T935 5500/5300U | Fujitsu Lifebook T904 4400/4600U | Dell Latitude 13 7350 5300/5Y10 | Lenovo ThinkPad Yoga 14 840M/5500U | Acer TravelMate P645-S-58HK 5500/5200U | HP EliteBook 840 G2 5500/5200U | |
|---|---|---|---|---|---|---|
| Stromverbrauch | -4% | -21% | -36% | -27% | -9% | |
| Idle min * (Watt) | 2.1 | 2.7 -29% | 4.3 -105% | 3.1 -48% | 3.2 -52% | 2.6 -24% |
| Idle avg * (Watt) | 5 | 6 -20% | 6.9 -38% | 7.2 -44% | 6.3 -26% | 5.1 -2% |
| Idle max * (Watt) | 5.6 | 6.2 -11% | 9.1 -63% | 7.7 -38% | 8.6 -54% | 5.8 -4% |
| Last avg * (Watt) | 24.6 | 24 2% | 14.6 41% | 36.2 -47% | 30.3 -23% | 28.7 -17% |
| Last max * (Watt) | 38 | 24 37% | 16.1 58% | 38.5 -1% | 30.4 20% | 36.8 3% |
* ... kleinere Werte sind besser
Akkulaufzeit
Im Idle-Modus erreicht das Lifebook eine Laufzeit von 20:17 h. Ein Konkurrent wie das Lenovo Thinkpad Yoga 14 (12:27 h) macht früher schlapp. Der Idle-Modus wird durch den Battery Eater Reader's Test überprüft: Der Bildschirm läuft auf der geringsten Helligkeitsstufe, das Energiesparprofil ist aktiviert, und die Funkmodule sind abgeschaltet. Unter Last stellt das Lifebook den Betrieb nach 1:40 h ein. Beim Thinkpad haben wir diesen Test nicht durchgeführt. Die Laufzeit unter Last wird mit dem Battery Eater Classic Test ermittelt: Dabei läuft der Bildschirm mit voller Helligkeit, das Hochleistungsprofil und die Funkmodule sind aktiviert.
Den praxisnahen WLAN-Test beendet das T935 nach 6:08 h. Das Thinkpad (5:52 h) liegt gleichauf. Bei diesem Test werden Webseiten automatisch im 40-Sekunden-Intervall aufgerufen. Das Profil "Ausbalanciert" ist aktiv, und die Displayhelligkeit wird auf etwa 150 cd/m² geregelt. Die Videowiedergabedauer testen wir, indem wir den Kurzfilm Big Buck Bunny (H.264-Kodierung, 1.920 x 1.080 Bildpunkte) in einer Dauerschleife laufen lassen. Die Funkmodule sind deaktiviert, und die Displayhelligkeit wird auf etwa 150 cd/m² reguliert. Das Lifebook erreicht eine Laufzeit von 5:35 h. Beim Thinkpad haben wir diesen Test nicht durchgeführt.
Die Laufzeiten des T935 liegen insgesamt in etwa gleichauf mit denen des Schwestermodells Lifebook T904. Mit Ausnahme des Idle-Werts können die Laufzeiten nicht wirklich beeindrucken. Von einem ULV-Convertible im 13,3-Zoll-Format hätten wir etwas mehr erwartet. Zusatzakkus für das T935 hat Fujitsu nicht im Sortiment.
| Fujitsu LifeBook T935 45 Wh | Fujitsu Lifebook T904 45 Wh | Dell Latitude 13 7350 50 Wh | Lenovo ThinkPad Yoga 14 56 Wh | Acer TravelMate P645-S-58HK 54 Wh | HP EliteBook 840 G2 50 Wh | Microsoft Surface Pro 3 42.2 Wh | |
|---|---|---|---|---|---|---|---|
| Akkulaufzeit | 3% | 63% | -38% | 27% | 1% | 7% | |
| Idle (h) | 20.3 | 17.6 -13% | 15.9 -22% | 12.5 -38% | 19.1 -6% | 16 -21% | 18.3 -10% |
| H.264 (h) | 5.6 | 7.9 41% | 8.8 57% | 5.4 -4% | |||
| WLAN (h) | 6.1 | 8.9 46% | 7 15% | ||||
| Last (h) | 1.7 | 2 18% | 4.6 171% | 1.9 12% | 1.9 12% | 2.1 24% | |
| WLAN (alt) (h) | 6.9 | 8.7 | 5.9 | 8.4 |
Fazit
Pro
Contra
Auch wenn die Bezeichnung Lifebook T935 nicht direkt darauf schließen lässt, handelt es sich hierbei um das Broadwell Upgrade des Lifebook T904. Fujitsus 13,3-Zoll-Convertible hat alles an Bord, was von einem Business Notebook erwartet wird: TPM, Dockingport, LTE. Der verbaute Prozessor reicht für die Nutzung im Alltag vollkommen aus. Leider kann er seine volle Leistung nicht entfalten. Dafür arbeitet der Rechner aber weitgehend lautlos und erwärmt sich kaum. Eine schnelle SSD sorgt für ein flink laufendes System. Auch die Eingabegeräte wissen zu gefallen.
Trotz einem Kaufpreis von knapp 2.000 Euro leistet sich Fujitsu durchaus Mängel bei dem Convertible.
Die Akkulaufzeiten in unseren praxisnahen WLAN- und Videotests fallen ordentlich aus, lösen aber keine Begeisterungsstürme aus. Hier hätten wir von einem 13,3-Zoll-ULV-Rechner etwas mehr erwartet. Auch das Display kann nicht vollständig überzeugen. Fujitsu hat zwar einen kontrastreichen IPS-Full-HD-Bildschirm verbaut, allerdings bietet dieser nur eine sehr geringe Helligkeit.
Fujitsu LifeBook T935
- 04.05.2015 v4 (old)
Sascha Mölck




































