Test HP Pavilion x2 10 Convertible

Wie auch bei den meisten anderen Herstellern wird bei HP in letzter Zeit viel Wert auf den Markt der Convertibles gelegt. Anfang des Jahres haben die Stream-x360-Modelle den Chromebooks Konkurrenz gemacht und das Pavilion x360, welches auch mit Core-M-CPUs erhältlich ist, bietet deutlich mehr Rechenleistung als viele passiv gekühlte Rechner (natürlich auf Kosten des Preises sowie der Akkulaufzeit).
Wenn man nun aber ein besonders günstiges Gerät sucht, jedoch nicht mit den Kompromissen von Chrome OS zurechtkommt, dann könnte das Pavilion x2 10 für 299 US-Dollar bzw. rund 270 Euro genau die richtige Lösung sein. Mit 2 GB Arbeitsspeicher, einer Intel-Atom-Z3736F-CPU und 32 GB eMMC-Speicher sind die technischen Daten sicherlich eher mit einem Chromebook als einem Windows Gerät vergleichbar. Aber mit Windows 10 (zumindest als Upgrade) deckt es problemlos die Grundlagen ab. Zudem gibt es ein IPS-Display, tolle Akkulaufzeiten sowie eine für die Größe überraschend gute Tastatur.
Gehäuse
Das Design des Pavilion x2 10-n013dx entspricht im Großen und Ganzen dem deutlich teureren (und größeren) Envy x2 13-j002dx, aber natürlich ohne Metall, wodurch die gesamte Konstruktion leichter wird. Das Konzept ist jedoch identisch: Tablet mit zwei Lautsprechern auf der Vorderseite und eine abnehmbare Tastatur-Sektion. Für die Verbindung stehen starke Magnete zur Verfügung, die das Tablet in Position halten, was in der Praxis auch gut funktioniert. Das Tablet lässt sich in beide Richtungen fixieren. Dieser Ansatz ermöglicht die verschiedenen Betriebsarten (Laptop, Tablet, Tent und Stand), die bereits von Lenovos Yoga-Serie bekannt sind und in diesem Fall kein 360-Grad-Gelenk benötigen. Im Test ist uns allerdings aufgefallen, dass der Bildschirm rund 2 Sekunden braucht, bevor er seine Orientierung ändert. Bei dem Test des Asus Chromebook Flip oder stärkeren Windows Convertibles (wie dem Surface Pro 3) hatten wir dieses "Problem" nicht.
Beide Design-Ansätze (Yoga und Pavilion x2) haben dabei ihre eigenen Vor- und Nachteile. Es ist beispielsweise schön, nicht immer das Gewicht der Tastatur mit herumzuschleppen, wenn man nur das Tablet nutzt, aber dafür ist das Handling des x2 generell etwas schwerfälliger. Aufgrund des hohen Gewichts der Tablet-Sektion kippt das Gerät auf einem flachen Untergrund auch schneller um (ein häufiges Problem bei 2-in-1-Geräten mit abnehmbaren Tablets). Nichtsdestotrotz liegen das Gewicht und die Dimensionen des Testmodells auf dem Niveau von vielen Chromebooks, was das HP x2 zu einem sehr mobilen Gerät macht.
Insgesamt ist die Verarbeitung des x2 auf keinen Fall schlecht, aber die Kunststoff-Konstruktion bleibt hinsichtlich Wertigkeit hinter Geräten wie etwa dem Asus Chromebook Flip C100PA zurück. Dessen Gehäuse besteht aus stabilem Aluminium, obwohl der Preis sogar noch unter dem HP liegt. Sowohl die Baseunit als auch das Tablet unseres Testmodells lassen sich leicht eindrücken und ein wenig verwinden, was auch zu hörbaren Knarzgeräuschen führt. Ein weiterer Schwachpunkt könnte die Verbindung zwischen dem Tablet und der Baseunit sein, da sie scheinbar komplett aus Kunststoff besteht. Zumindest der Bildschirm zeigt sich recht unempfindlich gegenüber Druck von der Rückseite, was wohl die häufigste Belastung darstellt. Wir möchten noch erwähnen, dass das Gelenk ein Nachwippen des Displays beim Tippen oder während Touch-Eingaben verhindert.
Ausstattung
Das x2 bietet die grundlegendsten Anschlüsse und kann mit vielen ähnlich teuren Rivalen nicht mithalten. Mit nur einem USB-2.0-Anschluss benötigt man fast zwangsläufig einen zusätzlichen Hub bzw. einen Adapter für den USB-Typ-C-Anschluss, der zum Laden verwendet wird (das mitgelieferte Netzteil hat kein abnehmbares Kabel und kann daher nur zum Laden genutzt werden). Micro-HDMI ist zwar eine nette Ergänzung, aber nichts Besonders. Der microSD-Schacht kann zur Speichererweiterung genutzt werden.
Mit Ausnahme des kombinierten Klinkensteckers befinden sich alle Anschlüsse praktischerweise auf der rechten Seite des Tablets, wenn man das Gerät als Notebook verwendet.
Kommunikation
Bei dem 802.11ac WLAN-Adapter handelt es sich zwar nur um einen 1x1-Adapter, allerdings ist das zumindest besser als bei den Vorgängern (Wireless-N). Bluetooth 4.0 wird ebenfalls unterstützt, aber ein Netzwerk-Anschluss ist bei dieser Gerätegröße erwartungsgemäß nicht verfügbar. In unserem Netzwerk (Router Asus RT-AC68U) konnten wir keine Probleme feststellen.
Zubehör
Das Netzteil des Pavilion x2 wiegt lediglich 128 Gramm und auch die Größe entspricht einem Netzteil für Smartphones. Abgesehen davon befindet sich in der Verpackung aber kein weiteres Zubehör.
Wartung
Auf den ersten Blick sieht das Pavilion x2 nicht sehr wartungsfreundlich aus, aber mit etwas Vorsicht und den richtigen Werkzeugen (scharfer Gegenstand für das Lösen der Verbindungsclips) ist es gar nicht so schwer. Man muss nur auf die Kabel für den Docking-Anschluss aufpassen, da diese an der Unterseite befestigt sind und leicht brechen können. Abgesehen von dem Akku lässt sich jedoch keine Komponente austauschen.
Eingabegeräte
Tastatur
Angesichts der kompakten Abmessungen des 10 Zoll großen Pavilion x2 musste auch die Tastatur auf 93 % ihrer Standardgröße geschrumpft werden. Nach einer kurzen Eingewöhnungsphase ist die Eingabe aber erfreulicherweise ziemlich praktisch und überzeugt mit einem leisen Tippgeräusch. Gefallen haben uns vor allem der gut dosierte Anschlag und das komfortable Feedback, weshalb wir trotz der Größe schon nach kurzer Zeit ohne Probleme tippen konnten. Dank dem guten Kontrast der weißen Beschriftung auf den schwarzen Tasten ist die Sichtbarkeit auch ohne Hintergrundbeleuchtung in Ordnung.
Touchpad
Beim Touchpad ändert sich der gute Eindruck leider ein wenig. Trotz der recht komfortablen Oberfläche ist das Pad ziemlich klein und die integrierten Tasten lassen zu wünschen übrig. Drag-&-Drop ist auf dem Touchpad des x2 eine Zumutung, aber zumindest Gesten werden ganz gut erkannt. Das Scrollen mit zwei Fingern geht leicht von der Hand, auch wenn die Umsetzung nicht ganz mit der Unmittelbarkeit von Chrome OS und Mac OS X konkurrieren kann. Glücklicherweise gibt es aber noch ein weiteres Eingabegerät, mit dem diese Probleme teilweise gelöst werden können…
Touchscreen
Der Touchscreen funktioniert gewohnt zuverlässig. Präzision, Reaktionsverhalten und die Umsetzung von Gesten (die auch auf dem Touchpad möglich sind) bewegen sich auf einem guten Niveau. Dank der verwendeten IPS-Technologie lässt sich der Touchscreen in allen Betriebsarten des x2 und bei jedem Winkel problemlos nutzen.
Display
Für das Pavilion x2 10-n013dx verwendet HP ein spiegelndes 10,1-Zoll-IPS-Display mit LED-Hintergrundbeleuchtung und Multitouch-Unterstützung. Die native Auflösung liegt bei 1.280 x 800 Pixeln, was zu einer wenig überwältigenden Pixeldichte von 149 PPI führt. Zumindest bestätigt sich auch hier der positive Trend, dass aufgrund der Konkurrenzsituation und den sinkenden Produktionskosten auch in günstigen Geräten vermehrt bessere (IPS-) Displays zum Einsatz kommen.
| |||||||||||||||||||||||||
Ausleuchtung: 85 %
Helligkeit Akku: 316.1 cd/m²
Kontrast: 967:1 (Schwarzwert: 0.327 cd/m²)
ΔE ColorChecker Calman: 6.18 | ∀{0.5-29.43 Ø4.74}
ΔE Greyscale Calman: 5.51 | ∀{0.09-98 Ø4.98}
64% sRGB (Argyll 1.6.3 3D)
40% AdobeRGB 1998 (Argyll 1.6.3 3D)
44.13% AdobeRGB 1998 (Argyll 3D)
64.1% sRGB (Argyll 3D)
42.71% Display P3 (Argyll 3D)
Gamma: 2.01
CCT: 6510 K
| HP Pavilion x2 10-n013dx HD Graphics (Bay Trail), Z3736F | Asus Transformer Book T300 Chi HD Graphics 5300, 5Y71, SanDisk SSD i110 128GB | Microsoft Surface Pro 3 HD Graphics 4400, 4300U, Hynix HFS128G3MNM | Microsoft Surface 3 HD Graphics (Cherry Trail), Z8700, 128 GB eMMC Flash | Dell Venue 10 Pro 5055 HD Graphics (Bay Trail), Z3735F, Hynix HCG8E 64 GB | Apple iPad Air 2 2014 PowerVR GXA6850, A8X, 128 GB eMMC Flash | |
|---|---|---|---|---|---|---|
| Display | 68% | 46% | 58% | |||
| Display P3 Coverage (%) | 42.71 | 77.4 81% | 63.6 49% | 68.8 61% | ||
| sRGB Coverage (%) | 64.1 | 97.5 52% | 88.8 39% | 98.7 54% | ||
| AdobeRGB 1998 Coverage (%) | 44.13 | 75.8 72% | 65.6 49% | 70.4 60% | ||
| Bildschirm | 18% | 12% | 26% | 3% | 25% | |
| Helligkeit Bildmitte (cd/m²) | 316.1 | 368.1 16% | 355.3 12% | 399 26% | 436 38% | 423 34% |
| Brightness (cd/m²) | 294 | 375 28% | 338 15% | 380 29% | 418 42% | 427 45% |
| Brightness Distribution (%) | 85 | 92 8% | 91 7% | 90 6% | 92 8% | 92 8% |
| Schwarzwert * (cd/m²) | 0.327 | 0.458 -40% | 0.33 -1% | 0.49 -50% | 0.58 -77% | 0.61 -87% |
| Kontrast (:1) | 967 | 804 -17% | 1077 11% | 814 -16% | 752 -22% | 693 -28% |
| Delta E Colorchecker * | 6.18 | 4.36 29% | 4.72 24% | 1.66 73% | 5.17 16% | 2.86 54% |
| Delta E Graustufen * | 5.51 | 2.63 52% | 6.53 -19% | 2.75 50% | 4.68 15% | 2.37 57% |
| Gamma | 2.01 109% | 2.08 106% | 2.17 101% | 2.22 99% | 2.31 95% | 2.43 91% |
| CCT | 6510 100% | 6743 96% | 6707 97% | 6358 102% | 6652 98% | 6941 94% |
| Farbraum (Prozent von AdobeRGB 1998) (%) | 40 | 66.94 67% | 59.37 48% | 64.4 61% | 88 120% | |
| Color Space (Percent of sRGB) (%) | 64 | 98.8 54% | ||||
| Colorchecker dE 2000 max. * | 3.24 | |||||
| Durchschnitt gesamt (Programm / Settings) | 43% /
32% | 29% /
21% | 42% /
34% | 3% /
3% | 25% /
25% |
* ... kleinere Werte sind besser
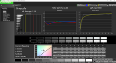
Die durchschnittliche Helligkeit des x2 reicht mit 293,5 cd/m² locker für die Verwendung in geschlossenen Räumen aus und auch die Ausleuchtung von 85 % ist recht gleichmäßig. Dank dem ziemlich niedrigen Schwarzwert von 0,327 cd/m² ergibt sich zudem ein gutes Kontrastverhältnis von 967:1.
Unsere Messungen ermitteln eine mittelmäßige sRGB-Abdeckung von 64 % (40 % AdobeRGB), womit das Display natürlich nicht für Fotografen geeignet ist. Allerdings haben wir für den Preis auch nicht mehr erwartet.
Die Software CalMAN 5 ermittelt setiens Farbdarstellung gute Ergebnisse, die nach einer Kalibrierung sogar noch besser werden: Die durchschnittliche DeltaE-2000-Abweichung der Farben liegt bei 3,68 bzw. 2,19 für die Graustufen und auch der Gammawert sowie die Farbtemperatur sind nah am jeweiligen Idealwert (weitere Details in den Screenshots). Auch im Werkszustand ist die Situation angesichts dieser Preisklasse in Ordung, denn in diesem Fall liegen die Abweichungen bei 5,51 (ColorChecker) und 6,18 (Graustufen; Idealwert 0). Zudem ist der Gammawert mit 2,01 etwas zu niedrig (Idealwert: 2,2). Vereinfacht kann man sagen, dass Abweichungen unter einem DeltaE-Wert von 3 nicht mehr für das menschliche Auge sichtbar sind. Die größten Abweichungen können wir für Blau feststellen, wo der DeltaE-Wert vor der Kalibrierung bei über 11 liegt.
Erwartungsgemäß hat das x2 im Freien und in helleren Umgebungen Probleme wegen dem spiegelnden Display. Die guten Werte für die Helligkeit und den Kontrast können das teilweise kompensieren, aber auch das reicht für eine komfortable Nutzung nicht aus, weshalb man sich nach Möglichkeit einen Platz im Schatten suchen sollte. Die Blickwinkelstabilität ist exzellent (typisch für ein IPS-Display), allerdings gibt es bei extremen Winkeln Einschränkungen durch die Reflexionen des spiegelnden Bildschirms.
Leistung
Niemand erwartet ein Kraftpaket, wenn man sich das HP Pavilion x2 10 zulegt, aber dennoch haben viele passiv gekühlte Windows Geräte einen Nachteil gegenüber den Rechnern mit Chrome OS in Bezug auf die Effizienz und die Leistung. Es bleibt also nur zu hoffen, dass die Intel-Atom-Z3736F-CPU samt 2 GB DDR3-1333 Arbeitsspeicher (Single-Channel) genügend Leistung für grundlegende Aufgaben bereitstellt.
Subjektiv klappt das schon mal ganz gut. Das Gerät wacht schnell aus dem Standby auf (etwa 3 Sekunden) und auch der Browser öffnet sich rasch. Das gilt auch für andere Anwendungen und wir hatten im Test wenig Probleme beim Wechseln zwischen Apps. Das ändert sich natürlich, wenn man das Multitasking exzessiver betreibt. Bei einigen offenen Browser-Tabs, einem Explorer-Fenster und der Wetter-App im Vordergrund lag die Speicherauslastung bei etwa 1,5 von 1,9 GB. Allzu viel Luft nach oben ist also nicht mehr, aber der eMMC-Speicher ist nicht furchtbar langsam (wie wir gleich sehen werden), also zwingt auch die Auslagerungsdatei das System nicht wirklich in die Knie.
Wie üblich wiederholen wir den 3DMark 11 im Akkubetrieb. Mit 203 Punkten (-7 Punkte, 3,4 %) ist das Ergebnis nur unwesentlich geringer als die 210 Punkte im Netzbetrieb, somit sollte die volle Leistung auch abseits der Steckdose zur Verfügung stehen. LatencyMon zeigt mögliche Einschränkungen beim Echtzeit-Streaming von Audio- oder Videodateien; im Alltag sollte das aber nur in seltenen Fällen ein Problem darstellen.
Prozessor
Das Herzstück des Pavilion x2 10-n013dx ist ein Intel-Atom-Z3736F-SoC. Dabei handelt es sich um einen Quad-Core auf Basis der Bay-Trail-T-Plattform, der mit einem Takt zwischen 1,33 und 2,16 GHz betrieben werden kann. Obwohl es sich bei diesem Prozessor um den aktuellsten Chip aus der Serie handelt, wird Hyper-Threading nicht mehr unterstützt, was aber durch die verbesserte pro-MHz-Leistung und das effizientere Design ausgeglichen werden kann. Der gesamte SoC ist sogar nur mit einer SDP von 2,2 Watt spezifiziert, was ungefähr einer TDP von weniger als 4 Watt entspricht. Daher benötigt das x2 auch keinen Lüfter.
Leistungstechnisch bewegt sich der Z3736F im Bereich von Mittelklasse-ARM-SoCs sowie AMDs Kabini APU A4-5000. Obwohl er deutlich schneller ist als die vorherigen Intel-Atom-Chips, sollte man trotzdem keine Wunder erwarten. Abgesehen von normalen Office-Tätigkeiten und dem Surfen im Internet stellt sich der SoC recht schnell als Flaschenhals heraus. Das schließt auch das Installieren von großen Programmen sowie die Bearbeitung von hochauflösenden Fotos ein. Natürlich wurde das Pavilion x2 dafür auch nicht gebaut; stattdessen konkurriert es direkt mit Chromebooks und Tablets. Im direkten Vergleich ist das x2 aber leistungsfähiger, was zum Teil jedoch einfach an dem vollwertigen Windows liegt.
Weitere Informationen zum Z3736F sowie Vergleiche mit ähnlichen CPUs sind in unserer Technik-Sektion verfügbar.
System Performance
Aufgrund von Einschränkungen bei den verfügbaren Benchmark-Tools ist es nicht leicht, die Leistungsfähigkeit plattformübergreifend zu vergleichen. Mit PCMark ist das zumindest für Windows Geräte möglich. PCMark 7 ermittelt 2.348 Punkte, was auf keinen Fall ein schlechtes Ergebnis ist. Damit liegt das x2 auf dem Niveau von Konkurrenten wie dem Acer Aspire Switch 10E (2.350 Punkte; verwendet den sehr ähnlichen Atom Z3735F) sowie dem Dell Venue 10 Pro 5055 (2.351 Punkte). Selbst das aktiv gekühlte Lenovo Miix 2 11 (3.141 Punkte) hat keinen Riesenvorsprung. Das Microsoft Surface 3 mit der Nachfolger-CPU auf Basis der Cherry-Trail-Architektur liegt mit 3.029 Punkten ebenfalls spürbar vorne – ein beeindruckendes Ergebnis für ein passiv gekühltes Gerät.
| PCMark 7 Score | 2348 Punkte | |
Hilfe | ||
Massenspeicher
Im Pavilion x2 10 kommt zwar ein SSD-Speicher zum Einsatz, aber es handelt sich nicht um eine sehr schnelle konventionelle SSD, wie sie z. B. im größeren Surface Pro 3 zum Einsatz kommt. Ähnlich zu anderen Bay-Trail-basierten Geräten verwendet das x2 stattdessen einen eMMC-Speicher, der zwar auch flink ist, mit der Geschwindigkeit einer richtigen SSD aber nicht mithalten kann. Ein Blick auf unsere Benchmark-Ergebnisse zeigt, dass der Speicher im x2 eher mit konventionellen Festplatten vergleichbar ist. Er ist aber nicht langsam und in Verbindung mit der geringen Zugriffszeit sowie dem niedrigen Stromverbrauch ist es eine gute Wahl für ein günstiges Gerät.
Das größte Problem wird sicherlich die Kapazität sein, denn von den 29 GB stehen nach der Installation von Windows 10 und dem Löschen der alten Installation sowie der Setup-Dateien weniger als die Hälfte zur Verfügung. Es gibt zwar einen microSD-Schacht zur Speichererweiterung, aber dieser ist natürlich deutlich langsamer als der interne eMMC-Speicher. Letzterer lässt sich nicht erweitern, denn er wurde direkt auf das Mainboard aufgelötet. Die Speichersituation des x2 ähnelt also einem Chromebook; anstelle des Cloud-Speichers kann man seine Dateien je nach Bedarf auf den OneDrive-Speicher laden.
Ein kurzer Test mit drei verschiedenen 2,5-Zoll-Festplatten zeigte keine Probleme mit der Stromversorgung. Dabei spielte es keine Rolle ob die Tastatur angeschlossen war oder nicht, denn im Tastaturdock des x2 befindet sich kein zusätzlicher Akku.
Grafikkarte
Ein 3DMark-11-Ergebnis von 211 Punkten ist nicht sehr ermutigend, aber das x2 bietet dennoch mehr als genug Leistung für die Spiele aus dem Windows Store. Wir konnten allerdings keine Desktop-Spiele auf dem Pavilion x2 installieren, was aber in erster Linie dem begrenzten Speicherplatz geschuldet war. Im direkten Vergleich erzielt das neue Surface 3 deutlich bessere 562 Punkte im 3DMark 11 – trotzdem reicht die Leistung bei herkömmlichen Spielen allenfalls für die niedrigsten Details aus.
| 3DMark 11 Performance | 210 Punkte | |
Hilfe | ||
Emissionen
Geräuschemissionen
Das Pavilion x2 10 besitzt keinen Lüfter, in Kombination mit dem Flash-Speicher handelt es sich also um ein lautloses Gerät.
Temperatur
Im Leerlauf messen wir durchschnittliche Temperaturen von 31,8 °C und 30,2 °C auf der Ober- bzw. Unterseite. Bei geringer Belastung bleibt das Pavilion x2 10 also recht komfortabel – vorne auf der rechten Seite gibt es allerdings einen Hotspot mit bis zu 35,8 °C. Unter Last wird das Gerät spürbar wärmer: Die Durchschnittswerte steigen auf 36,6 °C sowie 35,3 °C und auf der Rückseite (Mitte) erreicht das Gerät bis zu 45,4 °C, was bei Hautkontakt schon unangenehm ist. Die Durchschnittswerte sind dabei sogar geringer als beim Microsoft Surface 3, aber die Hotspots sind deutlich wärmer. Insgesamt ist die Situation beim Surface 3 komfortabler, was vermutlich durch die bessere Wärmeübertragung des Magnesium-Gehäuses ermöglicht wird.
(±) Die maximale Temperatur auf der Oberseite ist 44.6 °C. Im Vergleich liegt der Klassendurchschnitt bei 35.4 °C (von 19.6 bis 60 °C für die Klasse Convertible).
(-) Auf der Unterseite messen wir eine maximalen Wert von 45.4 °C (im Vergleich zum Durchschnitt von 36.9 °C).
(+) Ohne Last messen wir eine durchschnittliche Temperatur von 31.8 °C auf der Oberseite. Der Klassendurchschnitt erreicht 30.3 °C.
(-) Die Handballen und der Touchpad-Bereich können sehr heiß werden mit maximal 44.6 °C.
(-) Die durchschnittliche Handballen-Temperatur anderer getesteter Geräte war 28 °C (-16.6 °C).
Stresstest
Mit Prime95 belasten wir den Prozessor zu 100 %, was sofort zu einem stabilen Takt von 1,6 GHz bei allen vier Kernen führt (der maximal mögliche Takt von 2,16 GHz wird zu keinem Zeitpunkt erreicht). Die Temperatur beginnt an diesem Punkt natürlich zu steigen, aber während unseres 15-minütigen Tests wurden 62 °C niemals überschritten.
Die volle GPU-Auslastung (mittels FurMark) beginnt mit dem maximalen Takt von 620 MHz, bis die Temperatur 73 °C erreicht. Danach fluktuiert der Takt zwischen 300 – 450 MHz.
Erwartungsgemäß verkraftet das Tablet die gleichzeitige Belastung der CPU und GPU nicht besonders gut. Bei einer Temperatur von 74 °C lagen die Takte nur noch bei 300 MHz (GPU) und 1.333 MHz (CPU).
Lautsprecher
Die beiden Lautsprecher des Pavilion x2 flankieren den Bildschirm (und die eigentlichen Treiber sind sogar in einer unterschiedlichen Höhe angebracht, was man aber nur bei genauerem Hinsehen bemerkt). Obwohl die tiefen Frequenzen natürlich unter der geringen Größe leiden, ist der Klang gar nicht mal schlecht. Die Höhen sind klar und auch bei höheren Pegeln kommt es zu keinen nennenswerten Verzerrungen. Teilweise liegt das an der (simplen, aber effektiven) Software-Verbesserung, die standardmäßig aktiviert ist. Die beiden Funktionen (Audio-Verbesserung und Virtual-Surround) scheinen in normalen Situationen ganz gut zu funktionieren.
Akkulaufzeit
Wie wir zuvor bereits erwähnt haben, sind die Akkulaufzeiten bei Chromebooks in der Regel länger als bei vergleichbaren Windows Geräten. Das liegt zum Teil an dem höheren Strombedarf des komplexeren Betriebssystems, allerdings konnte die Lücke mit Windows 10 verkleinert werden. Neben den weiterhin geringen Systemanforderungen gibt es auch zusätzliche Energiesparmaßnahmen, wenn der Akkustand knapp wird.
Das Pavilion x2 scheint auch von der gesteigerten Effizienz zu profitieren, denn ein Vergleich mit anderen aktuellen Windows Geräten zeigt einige Verbesserungen. Das Acer Aspire Switch 10E SW3 (mit einem 29,7-Wh-Akku) erreichte in unserem WLAN-Test v1.3 beispielsweise 6 Stunden und 30 Minuten, aber das Pavilion x2 schafft mit einem etwas größeren Akku (33 Wh, + 11%) 7 Stunden und 40 Minuten im gleichen Benchmark. Microsofts Surface 3 Tablet hält mit dem 28,4-Wh-Akku 7:17 Stunden durch, während das kürzlich getestete Chromebook Flip mit einem vergleichbaren Akku (31 Wh) nach 7 Stunden und 56 Minuten wieder an die Steckdose muss.
Wir haben das Tablet auch noch mit der minimalen Helligkeit sowie dem aktivierten Flugzeug-Modus getestet (Battery Eater Pro Readers Test), auch wenn das keine sehr realistischen Einstellungen sind. Allerdings erreichte das Tablet hierbei noch nicht einmal 9 Stunden; mit nur 8:29 Stunden fällt es deutlich hinter die meisten Rivalen zurück, inklusive dem zuvor genannten Acer Aspire Switch (15:43), dem Microsoft Surface 3 (13:48) sowie dem Asus Chromebook Flip (15:19). Für die meisten Anwender dürfte das aber kein großes Problem darstellen, solange man nicht extrem lange Zeiträume ohne eine Steckdose überbrücken muss und gleichzeitig mit der extrem geringen Helligkeit klarkommt.
Ein größeres Problem ist allerdings die extrem lange Ladezeit des x2. Bevor das Tablet komplett geladen war (Restkapazität 5 %), vergingen beinahe sechs Stunden.
Pro
Contra
Fazit
Mit der zunehmenden Verbreitung von Chromebooks und billigen Tablets wollen auch vermehrt Convertibles mit Windows einen Teil des günstigen Marktes für sich beanspruchen. Der Preis des HP Pavilion x2 10-n013dx passt auf jeden Fall (UVP 299 US-Dollar), aber das Gerät ist mehr als nur die Summe seiner Teile. Zunächst einmal, was vielleicht sogar am wichtigsten ist, bekommt man alle Features, die man auch von einem vergleichbar teuren Chromebook erwartet – was zum Teil an den Verbesserungen von Windows 10 liegt.
Aber auch das Upgrade auf Windows 10 ist nur ein Teil der Gleichung. Das Pavilion x2 10 verwendet einen ziemlich guten (obgleich niedrig aufgelösten) IPS-LED-Touchscreen mit guten Werten für die Helligkeit und den Kontrast, der von ordentlichen Lautsprechern flankiert wird. Die Tastatur (wenn auch etwas geschrumpft) übersteigt die Erwartungen in dieser Preisklasse. Ausreichend Leistung wird durch den soliden Intel-SoC und die ordentlichen Transferraten des eMMC-Speichers zur Verfügung gestellt, gleichzeitig wirkt sich das aber kaum negativ auf die Akkulaufzeiten aus und die ermittelten Werte sind sehr gut. Zudem gibt es AC-WLAN sowie ein Convertible-Design, welches viele Betriebsarten ermöglicht und dank der abnehmbaren Tastatur kann man das Tablet auch einzeln nutzen. Zu guter Letzt bekommt man im Gegensatz zu vielen Konkurrenten auch noch ein vollwertiges Windows.
Für Nutzer auf der Suche nach einem rudimentären Multimedia-Gerät, die nicht auf die enorme Vielseitigkeit von Windows verzichten möchten, könnte sich ein Blick lohnen. Vorausgesetzt man kann mit den Einschränkungen leben.
Natürlich muss man auch Abstriche in Kauf nehmen. Die Gehäusequalität des x2 wird durch den Kunststoff und die dazugehörigen Knarzgeräusche beeinträchtigt und hat sogar im Vergleich mit einigen aktuellen Chromebooks das Nachsehen. Mit nur einem einzigen USB-2.0-Anschluss sowie dem obligatorischen Micro-HMDI und Klinkenstecker ist das Schnittstellenangebot sehr begrenzt. Aufgrund der geringen Festplattenkapazität lassen sich viele größere Programme erst gar nicht installieren und das Problem dürfte im Laufe der Zeit noch größer werden, selbst wenn man die Situation dank dem microSD-Schacht etwas entschärfen kann.
Und dann wären da natürlich noch die technischen Merkmale, die für normale Aufgaben zwar locker ausreichen, aber schon bei etwas rechenintensiveren Aufgaben kommt man schnell an die Grenzen. Windows bietet zwar prinzipiell viele Möglichkeiten, allerdings können nicht alle auch genutzt werden. Chromebooks haben den Vorteil eines schlankeren Betriebssystems auf Kosten der Funktionalität. Mit Windows 10 gibt es zwar Verbesserungen, aber die Unterschiede machen sich durch ein schlechteres Ansprechverhalten der Bildschirmrotation und dem langsameren Aufwachen aus dem Standby sowie den längeren Boot-Zeiten immer noch deutlich bemerkbar.
Nichtsdestotrotz gibt es mit dem Pavilion x2 10-n013dx eine weitere ordentliche Alternative zu Chromebooks und Android-Tablets aus dem Einsteigersegment.
HP Pavilion x2 10-n013dx
- 16.09.2015 v4 (old)
Sebastian Jentsch











































