Test Lenovo Yoga 900 13ISK Convertible

Lenovo hat sein wachsendes Angebot für Privatkunden etwas gestrafft und führt nun ein neues Namensschema ein, welches die Situation für Kunden vereinfachen soll. Wir haben uns bereits das Lenovo 100 sowie das 500 angesehen, das 700 folgt in Kürze. 100 Ist dabei ein Hinweis auf die Positionierung der Produkte, hier etwa im günstigen Einsteigerbereich, und definiert beispielsweise noch keine Displaydiagonale.
Bei dem Lenovo Yoga 900 handelt es sich um den High-End-Ableger der neuen Produktreihe und es gibt einige wichtige Veränderungen gegenüber dem alten Yoga 3 Pro. Es ist bereits die vierte Generation von Convertibles mit dem Namenszusatz Yoga, welcher mittlerweile zu einem Synonym für die 360-Grad-Gelenke geworden ist. Für weitere Informationen zur Serie stehen unsere vorherigen Testberichte zur Verfügung.
Gehäuse
Auf den ersten Blick gibt es bei den Gehäusen des Yoga 900 und dem Yoga 3 Pro viele Gemeinsamkeiten, einige wichtige Unterschiede gibt es aber dennoch. Das Watchband-Gelenk wurde unverändert übernommen und funktioniert so gut wie zuvor. Es ist so stramm wie "normale" 360-Grad-Gelenke, sieht aber natürlich deutlich ansprechender und luxuriöser aus. Die Handballenauflage ist gummiert, dieses Mal aber ohne die Oberflächenstruktur des Yoga 3 Pro, was zu einem saubereren und lederartigen Aussehen führt. Zum Schutz vor Stößen sind die Kanten und vorderen Ecken ebenfalls gummiert und das Display ist dank des Edge-to-Edge Gorilla Glas nun noch stabiler als zuvor.
Abgesehen von dem Metallgelenk und der gummierten Handballenauflage kommen für die Baseunit und den Bildschirmdeckel glatte und matte Oberflächen zum Einsatz. Lenovo macht allerdings keine Angaben, ob es sich bei den Materialien um Kunststoff oder Aluminium handelt, aber zumindest sind sowohl der Deckel als auch die Baseunit sehr stabil und zeigen sich unempfindlich gegenüber Druck. Das gilt auch für die Tastatur, und auch der Deckel lässt sich bei Druck von hinten nur minimal eindrücken. Die Baseunit zeigt sich außerdem sehr verwindungssteif und der Deckel ist kaum schwächer.
Mit 324 x 225 x 14,9 mm unterscheiden sich die Abmessungen des Yoga 900 leicht von dem Yoga 3 Pro (330 x 228 x 12,8 mm). Dabei ist das neue Gerät rund 2 Millimeter dicker als der Vorgänger, da der ULV-Core-i7 mehr Platz benötigt als der langsamere Core-M. Laut Lenovo handelt es sich aber immer noch um das dünnste Convertible mit einem Intel-Core-i-Prozessor. Mit 1,27 kg ist es zudem etwa 70 Gramm schwerer als das Testgerät des Yoga 3 Pro. Trotzdem ist das Yoga 900 weiterhin sehr leicht und sowohl als Notebook und auch als Tablet angenehm zu benutzen.
Die Behauptung von Lenovo stimmt, denn das Yoga 900 ist dünner als seine 13 Zoll großen Konkurrenten und bietet zudem ein vielseitigeres 360-Grad-Gelenk. Dicht dahinter folgt das Asus UX305, welches lediglich 0,1 mm dicker ausfällt. Dafür ist die Stellfläche des Yoga 900 aber auch deutlich größer als beim Toshiba Kirabook und dem Dell XPS 13, wiegt aber genauso viel wie das XPS 13 (1,27 kg vs. 1,23 kg).
Ausstattung
Die Anschlussausstattung unterscheidet sich nur in einem Punkt von dem Yoga 3 Pro – der Mini-HDMI-Ausgang wurde durch einen USB-C-3.1-Anschluss ersetzt. Es gibt keine Hinweise darauf, dass es sich um einen USB-C-Anschluss der 2. Generation (10 Gbps) mit Thunderbolt-Unterstützung handelt, allerdings gibt Lenovo an, dass er auch zur Videoausgabe genutzt werden kann. Damit zeigt sich das Notebook sehr zukunftssicher, bereits vorhandene Kabel für normale Mini-DisplayPorts oder Mini-HDMI können aber nicht mehr genutzt werden.
Uns gefällt vor allem die Rotationssperre neben dem Lenovo OneKey-Button an der rechten Seite des Notebooks. Diese Lösung ist deutlich komfortabler als die Deaktivierung in Windows, wie es bei vielen anderen Tablets oder Convertibles der Fall ist. Das Yoga 900 lässt sich daher einfacher als Tablet oder für Präsentationen nutzen.
Kommunikation
Um kabellose Netzwerkverbindungen kümmert sich das austauschbare Intel-8260-Modul (M.2 2230). Das Dual-Band-Modul, welches ebenfalls Bluetooth 4.2 unterstützt, erreicht theoretisch bis zu 867 Mbit/s in einem AC-Netzwerk. Zudem steht WiDi zur Verfügung, was aufgrund der fehlenden Videoausgänge wie HDMI, VGA oder DisplayPort eine Überlegung wert ist. Andere WLAN- oder GPS/WWAN-Optionen werden für das Yoga 900 nicht angeboten.
Zubehör
Am Gerät gibt es keinen Docking-Anschluss für spezielles Zubehör. Da die Bildausgabe nur über den USB-C-Anschluss möglich ist, stellen entsprechende Adapter eine sinnvolle Investition dar.
Wartung
Die untere Abdeckung lässt sich mit einem spitzen Gegenstand und einem Schraubenzieher (T4 Hex) recht einfach abnehmen. Der Akku nimmt im Vergleich zum Yoga 3 Pro weniger Platz ein, um Raum für das größere Mainboard und die Kühllösung zu schaffen. Lediglich die PCIe-WLAN-Karte (halbe Größe) und die M.2-SSD lassen sich austauschen, der Prozessor und der Arbeitsspeicher sind auf der Unterseite des Mainboards verlötet.
Garantie
Standardmäßig liegt der Garantiezeitraum bei einem Jahr. Erwartungsgemäß bietet der Hersteller aber umfangreiche Garantieerweiterungen bis hin zu 3 Jahren samt Unfallschutz und vor Ort Reparaturen an.
Eingabegeräte
Tastatur
Das Yoga 3 Pro zeigte sich bei der Tastatur noch recht knauserig, denn es gab keine Funktionstasten. Es ist daher schön zu sehen, dass sich Lenovo der Kritik angenommen hat und das Yoga 900 mit einer richtigen 6-Reihen-Tastatur ausstattet, wodurch das Handling deutlich verbessert wird.
Das eigentliche Tippgefühl hat sich aber kaum verändert. Die Rückmeldung geht in Ordnung, aber der Tastenhub ist sehr begrenzt, wodurch sich die Tasten viel zu leichtgängig anfühlen. Daran muss man sich erst gewöhnen.
Die Hintergrundbeleuchtung bietet zwei verschiedene Helligkeitsstufen und schaltet sich automatisch ab, wenn man das Display um mehr als 190 Grad öffnet. Sowohl die Tasten als auch das Touchpad werden in diesem Fall deaktiviert, aber die Tasten werden nicht abgesenkt.
Touchpad
Das Touchpad gehört mit nur 9 x 6 cm zu den kleineren Eingaben. Der Mausersatz des Kirabook kommt beispielsweise auf 10,5 x 6 cm. Die glatte Oberfläche ist ganz leicht angeraut, um das Plastikgefühl von vielen günstigeren Notebooks zu vermeiden, es gibt also einen leichten Widerstand, wenn die Finger über die Oberfläche gleiten.
Weder bei normalen, noch bei Multitouch-Eingaben konnten wir im Test große Probleme feststellen. Im Synaptics-Treiber lassen sich Eingaben mit bis zu vier Fingern einstellen, aber schon bei zwei Fingern kann die kleine Touchpad-Oberfläche zum Problem werden.
Die integrierten Maustasten haben einen geringen Hub, bieten aber ein ausgezeichnetes Feedback samt akustischer Rückmeldung. Der erforderliche Druck für Klicks ist genau richtig und auch Doppelklicks fühlen sich nicht mühsam an.
Display
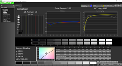
Der spiegelnde QHD-Touchscreen (3.200 x 1.800 Pixeln) des Yoga 900 sieht fantastisch aus. Das Samsung Panel mit der Bezeichnung SDC454A ist bisher noch nicht in unserer Datenbank und wird in diesem Fall von Gorilla Glas 4 geschützt. Die Subpixel-Anordnung zeigt zusätzlich zu dem normalen RGB-Raster einen eigenen weißen Pixel, der zu kräftigeren Farben führen soll. Die durchschnittliche Helligkeit fällt mit über 300 cd/m² besser aus als beim Yoga 3 Pro und unsere Messungen zeigen zudem exzellente Werte bei der Farbgenauigkeit. Wir finden keine Anzeichen von "Fliegengitter"-Effekten, im oberen Bereich des Bildschirms können wir aber ganz leichtes Screen-Bleeding erkennen.
Leider gab es im Vergleich zum alten Modell keine Verbesserungen beim Kontrast. Trotz der guten Farben wirken dunkle und graue Bereiche etwas matschiger als gewünscht, weshalb einige Details verloren gehen. Die meisten Konkurrenten erreichen einen deutlich besseren Schwarzwert als das Yoga 900.
| |||||||||||||||||||||||||
Ausleuchtung: 88 %
Helligkeit Akku: 319.8 cd/m²
Kontrast: 383:1 (Schwarzwert: 0.835 cd/m²)
ΔE ColorChecker Calman: 2.68 | ∀{0.5-29.43 Ø4.74}
ΔE Greyscale Calman: 2.35 | ∀{0.09-98 Ø4.98}
88% sRGB (Argyll 1.6.3 3D)
57% AdobeRGB 1998 (Argyll 1.6.3 3D)
64.9% AdobeRGB 1998 (Argyll 3D)
88.7% sRGB (Argyll 3D)
63.2% Display P3 (Argyll 3D)
Gamma: 2.09
CCT: 6975 K
| Lenovo Yoga 900-13ISK 80MK 3200x1800 | Apple MacBook Air 13 inch 2015-03 1440x900 | Asus Zenbook UX305LA-FC012H 1920x1080 | Microsoft Surface Book Core i5 3000x2000 | Dell XPS 13-9350 1920x1080 | Toshiba KIRA-10D 1920x1080 | HP Spectre 13-4001ng x360 2560x1440 | |
|---|---|---|---|---|---|---|---|
| Display | -35% | 1% | 7% | -28% | 10% | 4% | |
| Display P3 Coverage (%) | 63.2 | 40.1 -37% | 63.9 1% | 67 6% | 44.53 -30% | 69.1 9% | 67.1 6% |
| sRGB Coverage (%) | 88.7 | 59.8 -33% | 91.6 3% | 95.8 8% | 66.8 -25% | 98.2 11% | 91.4 3% |
| AdobeRGB 1998 Coverage (%) | 64.9 | 41.51 -36% | 65 0% | 68.9 6% | 45.97 -29% | 71 9% | 66.8 3% |
| Response Times | -36% | ||||||
| Response Time Grey 50% / Grey 80% * (ms) | 38.8 ? | 48.4 ? -25% | |||||
| Response Time Black / White * (ms) | 22.4 ? | 32.8 ? -46% | |||||
| PWM Frequency (Hz) | 1316 | ||||||
| Bildschirm | 0% | 14% | 60% | 13% | 38% | -31% | |
| Helligkeit Bildmitte (cd/m²) | 319.8 | 329 3% | 349 9% | 430.9 35% | 277.5 -13% | 334 4% | 324 1% |
| Brightness (cd/m²) | 302 | 310 3% | 338 12% | 410 36% | 276 -9% | 316 5% | 315 4% |
| Brightness Distribution (%) | 88 | 82 -7% | 87 -1% | 93 6% | 88 0% | 92 5% | 80 -9% |
| Schwarzwert * (cd/m²) | 0.835 | 0.405 51% | 0.25 70% | 0.254 70% | 0.191 77% | 0.29 65% | 0.59 29% |
| Kontrast (:1) | 383 | 812 112% | 1396 264% | 1696 343% | 1453 279% | 1152 201% | 549 43% |
| Delta E Colorchecker * | 2.68 | 3.96 -48% | 5.49 -105% | 2.06 23% | 4.88 -82% | 2.27 15% | 5.69 -112% |
| Delta E Graustufen * | 2.35 | 3.51 -49% | 5.43 -131% | 2.22 6% | 4.26 -81% | 2.47 -5% | 8.02 -241% |
| Gamma | 2.09 105% | 3.83 57% | 2.17 101% | 2.13 103% | 2.59 85% | 2.36 93% | 2.3 96% |
| CCT | 6975 93% | 6711 97% | 7055 92% | 6520 100% | 6562 99% | 6872 95% | 6398 102% |
| Farbraum (Prozent von AdobeRGB 1998) (%) | 57 | 38.4 -33% | 60 5% | 64 12% | 41.6 -27% | 64 12% | 59 4% |
| Color Space (Percent of sRGB) (%) | 88 | 59.8 -32% | 92 5% | 96 9% | 65.79 -25% | 91 3% | |
| Colorchecker dE 2000 max. * | 7.51 | ||||||
| Durchschnitt gesamt (Programm / Settings) | -18% /
-9% | 8% /
11% | 10% /
35% | -8% /
3% | 24% /
30% | -14% /
-22% |
* ... kleinere Werte sind besser
Die Farbraumabdeckung fällt mit 88 % sRGB und 57 % AdobeRGB sehr gut aus. Damit überholt unser Testgerät das XPS 13 InfinityEdge (1080p), allerdings fallen die Ergebnisse des Toshiba Kira-10D und des Microsoft Surface Book noch etwas besser aus. Insgesamt kann das Yoga 900 also kräftigere und genauere Farben darstellen als viele günstigere Ultrabooks, an die Leistung von vielen deutlich kostspieligeren Workstations kommt es aber erwartungsgemäß nicht heran. Für die meisten Nutzer wird das im Alltag jedoch keine Rolle spielen.
Die weitere Analyse mit einem X-Rite Sprektralfotometer zeigt bereits im Werkszustand genaue Werte für die Farben und die Graustufen. Die Farbgenauigkeit übertrifft sogar das MacBook Air 13 2015 und das Dell XPS 13 InfinityEdge, bevor sie kalibriert wurden. Mit zunehmenden Sättigungsleveln lässt die Farbgenauigkeit nach, was keine perfekte sRGB-Abdeckung suggeriert. Bei Orange und Gelb gibt es die größten Abweichungen.
Die Messungen mit einem Fotosensor zeigen keine Pulsweitenmodulation (PWM) oberhalb einer Helligkeit von 50 Prozent. Darunter wird PWM zur Helligkeitsregelung genutzt. Aber selbst in diesem Fall liegt die Frequenz noch deutlich über der 250-Hz-Marke, weshalb die meisten Anwender auch bei geringeren Helligkeitswerten kein Flimmern feststellen werden.
Reaktionszeiten (Response Times) des Displays
| ↔ Reaktionszeiten Schwarz zu Weiß | ||
|---|---|---|
| 22.4 ms ... steigend ↗ und fallend ↘ kombiniert | ↗ 9.2 ms steigend | |
| ↘ 13.2 ms fallend | ||
| Die gemessenen Reaktionszeiten sind gut, für anspruchsvolle Spieler könnten der Bildschirm jedoch zu langsam sein. Im Vergleich rangierten die bei uns getesteten Geräte von 0.1 (Minimum) zu 240 (Maximum) ms. » 50 % aller Screens waren schneller als der getestete. Daher sind die gemessenen Reaktionszeiten schlechter als der Durchschnitt aller vermessenen Geräte (19.9 ms). | ||
| ↔ Reaktionszeiten 50% Grau zu 80% Grau | ||
| 38.8 ms ... steigend ↗ und fallend ↘ kombiniert | ↗ 18.4 ms steigend | |
| ↘ 20.4 ms fallend | ||
| Die gemessenen Reaktionszeiten sind langsam und dadurch für viele Spieler wahrscheinlich zu langsam. Im Vergleich rangierten die bei uns getesteten Geräte von 0.165 (Minimum) zu 636 (Maximum) ms. » 58 % aller Screens waren schneller als der getestete. Daher sind die gemessenen Reaktionszeiten schlechter als der Durchschnitt aller vermessenen Geräte (31.1 ms). | ||
Bildschirm-Flackern / PWM (Pulse-Width Modulation)
| Flackern / PWM festgestellt | 1316 Hz | ||
Das Display flackert mit 1316 Hz (im schlimmsten Fall, eventuell durch Pulsweitenmodulation PWM) . Die Frequenz von 1316 Hz ist sehr hoch und sollte daher auch bei empfindlichen Personen zu keinen Problemen führen. Im Vergleich: 52 % aller getesteten Geräte nutzten kein PWM um die Helligkeit zu reduzieren. Wenn PWM eingesetzt wurde, dann bei einer Frequenz von durchschnittlich 7854 (Minimum 5, Maximum 343500) Hz. | |||
Die Outdoortauglichkeit profitiert von dem geringen Gewicht, aber die Sichtbarkeit ist dennoch nur durchschnittlich. Die Helligkeit reicht an einem bewölkten Tag nicht aus, um die Reflexionen zu kompensieren und unter direkter Sonneneinstrahlung wird die Situation nicht besser. Falls das Arbeiten im Schatten nicht möglich ist, helfen zumindest die weiten Blickwinkel Reflexionen zu vermeiden.
Dank dem IPS-Panel liegt die Blickwinkelstabilität auf einem sehr guten Niveau. Die Farben verändern sich auch bei extremen Winkeln nicht übermäßig, allerdings lässt der Kontrast etwas nach und schwarze Bereiche erscheinen gräulicher.
Leistung
Unser Yoga 900 ist mit einem Dual-Core i7-6500U samt der integrierten HD 520 Grafikkarte ausgestattet. Aktuell gibt es mit dem Core i5-6200U nur eine langsamere Alternative. Der ULV-Prozessor i7-6500U in unserem Testgerät hat einen Basiskatkt von 2,5 GHz und erreicht je nach Anzahl an aktiven Kernen bis zu 3,0 oder 3,1 GHz via Turbo Boost. Im Leerlauf bzw. Energiesparmodus verringert sich der Takt auf nur noch 500 MHz (CPU) und 300/800 MHz (GPU, Kern/Speicher). Dedizierte Grafikkarten werden für das System nicht angeboten.
Beim Arbeitsspeicher stehen entweder 8 GB oder 16 GB zur Verfügung, die jeweils in einer Dual-Channel-Konfiguration laufen. LatencyMon zeigt Verzögerungen, selbst wenn die WLAN-Verbindung deaktiviert ist. Verantwortlich dafür ist vermutlich eine der vielen vorinstallierten Anwendungen von Lenovo.
Prozessor
In den Cinebench-Benchmarks liegt das Yoga 900 leicht hinter anderen Systemen mit dem i7-6500U-Prozessor. Das identisch ausgestattete Acer Aspire VN7-572G ist im Multi-Core-Test beispielsweise mehr als 10 Prozent schneller. Das deutet auf Throttling bei hoher Auslastung hin, welches wir auch in unserem Stresstest (weiter unten) nachstellen konnten.
Trotz der vergleichsweise geringen Prozessorleistung liegt der i7-6500U im Lenovo immer noch mindestens 10-20 Prozent vor dem Core i5-4300U oder dem i5-4200U, die bei vielen älteren Ultrabooks zum Einsatz kommen. Unser Single-Core-Ergebnis in Cinebench 15 fällt mit 87 Punkten recht gering aus. Das liegt am CPU-Throttling aufgrund der schnellen Abfolge von Benchmarks, bei denen es nicht viele Pausen gibt.
Weitere Informationen und Benchmarks zum Core i7-6500U stehen in unserer Technik-Sektion zur Verfügung.
| Cinebench R11.5 | |
| CPU Single 64Bit (nach Ergebnis sortieren) | |
| Lenovo Yoga 900-13ISK 80MK | |
| Acer Aspire VN7-572G-72L0 | |
| Acer Aspire VN7-791G-79GT | |
| Lenovo E50-80 80JD973CPB | |
| Dell Latitude 14 7414 Rugged Extreme | |
| Lenovo IdeaPad Z40-59422614 | |
| Toshiba Tecra A50-C1510W10 | |
| CPU Multi 64Bit (nach Ergebnis sortieren) | |
| Lenovo Yoga 900-13ISK 80MK | |
| Acer Aspire VN7-572G-72L0 | |
| Acer Aspire VN7-791G-79GT | |
| Lenovo E50-80 80JD973CPB | |
| Dell Latitude 14 7414 Rugged Extreme | |
| Lenovo IdeaPad Z40-59422614 | |
| Toshiba Tecra A50-C1510W10 | |
| Cinebench R15 | |
| CPU Single 64Bit (nach Ergebnis sortieren) | |
| Lenovo Yoga 900-13ISK 80MK | |
| Acer Aspire VN7-572G-72L0 | |
| Acer Aspire VN7-791G-79GT | |
| Lenovo E50-80 80JD973CPB | |
| Dell Latitude 14 7414 Rugged Extreme | |
| Lenovo IdeaPad Z40-59422614 | |
| Toshiba Tecra A50-C1510W10 | |
| CPU Multi 64Bit (nach Ergebnis sortieren) | |
| Lenovo Yoga 900-13ISK 80MK | |
| Acer Aspire VN7-572G-72L0 | |
| Acer Aspire VN7-791G-79GT | |
| Lenovo E50-80 80JD973CPB | |
| Dell Latitude 14 7414 Rugged Extreme | |
| Lenovo IdeaPad Z40-59422614 | |
| Toshiba Tecra A50-C1510W10 | |
| wPrime 2.10 - 1024m (nach Ergebnis sortieren) | |
| Lenovo Yoga 900-13ISK 80MK | |
| Acer Aspire VN7-572G-72L0 | |
| Acer Aspire VN7-791G-79GT | |
| Lenovo E50-80 80JD973CPB | |
| Dell Latitude 14 7414 Rugged Extreme | |
| Lenovo IdeaPad Z40-59422614 | |
| Toshiba Tecra A50-C1510W10 | |
| Super Pi Mod 1.5 XS 32M - 32M (nach Ergebnis sortieren) | |
| Lenovo Yoga 900-13ISK 80MK | |
| Acer Aspire VN7-572G-72L0 | |
| Acer Aspire VN7-791G-79GT | |
| Lenovo E50-80 80JD973CPB | |
| Dell Latitude 14 7414 Rugged Extreme | |
| Lenovo IdeaPad Z40-59422614 | |
| Toshiba Tecra A50-C1510W10 | |
* ... kleinere Werte sind besser
System Performance
PCMark 7 ermittelt mit 5.478 Punkten ein ziemlich hohes Ergebnis für unser Lenovo, welches sich auf dem Niveau von schnellen Systemen wie dem älteren Alienware 17 (5.464 Punkte) oder dem aktuellen 2015er MacBook Pro Retina 15 (5.480 Punkte) befindet. Einen großen Anteil an dem Ergebnis hat die M.2-SSD in unserem Testgerät. Die PCMark-8-Ergebnisse liegen aber auf dem Level von den anderen Vergleichsgeräten.
Subjektiv läuft das System sehr flüssig und es gibt keine großen Verzögerungen. Während des Tests konnten wir auch keine ernsten Software-Probleme feststellen.
| PCMark 7 Score | 5478 Punkte | |
| PCMark 8 Home Score Accelerated v2 | 2837 Punkte | |
| PCMark 8 Creative Score Accelerated v2 | 3709 Punkte | |
| PCMark 8 Work Score Accelerated v2 | 3863 Punkte | |
Hilfe | ||
Massenspeicher
Mit dem M.2-Slot steht nur ein Festplattensteckplatz zur Verfügung. Unser Testmodell verwendet eine 512 GB große SSD von Samsung (MZNLN512HCJH). Die sequentiellen Transferraten sind sehr konstant und liegen auf dem Niveau von anderen High-End-SSDs wie der Samsung SSD 850 EVO. NVMe-SSDs können die doppelte Leistung bieten, wie es beispielsweise beim Surface Book der Fall ist.
Die kleinste Konfiguration des Yoga 900 ist mit einer 256 GB großen SSD ausgestattet, Speicherplatz ist also kein großes Problem und die SSD lässt sich bei Bedarf zudem leicht austauschen.
Für weitere Vergleiche steht unser stetig wachsender SSD/HDD-Vergleich zur Verfügung.
Grafikkarte
Die Grafikleistung liegt laut 3DMark 2013 etwa 20-30 Prozent vor der älteren HD 4000 und HD 4600. Im 3DMark 11 ist der Unterschied mit 50-60 Prozent sogar noch größer. Trotzdem liegen Intels Iris Pro Graphics 5200 und Einsteiger-GPUs von Nvidia, wie die GeForce 930M, deutlich vor dem Yoga 900 (40-60 Prozent).
Weitere Informationen und Benchmarks zur HD Graphics 520 sind hier verfügbar.
| 3DMark 11 Performance | 1535 Punkte | |
| 3DMark Ice Storm Standard Score | 44755 Punkte | |
| 3DMark Cloud Gate Standard Score | 5333 Punkte | |
| 3DMark Fire Strike Score | 814 Punkte | |
| 3DMark Fire Strike Extreme Score | 372 Punkte | |
Hilfe | ||
Gaming Performance
Weniger anspruchsvolle Titel wie Starcraft 2 oder League of Legends lassen sich ordentlich auf mittleren Details spielen, allerdings muss man dabei auf die native Auflösung von 3.200 x 1.800 Pixel verzichten. 1080p ist normalerweise nur mit niedrigen Details möglich, weshalb man für ein möglichst flüssiges Spielerlebnis in 720p spielen sollte. Aktuellere Titel wie Metal Gear Solid V laufen vernünftig mit niedrigen Details.
| min. | mittel | hoch | max. | |
|---|---|---|---|---|
| StarCraft II: Heart of the Swarm (2013) | 175.6 | 58.5 | 33.7 | 18.1 |
| Metal Gear Solid V (2015) | 43.3 | 29.7 | 11.3 |
Stresstest
Wir verwenden synthetische Benchmarks, um die Stabilität des Systems (Throttling) in extremen Situationen zu überprüfen. Die CPU belasten wir mit Prime95 und der Turbo Boost reduziert sich langsam auf 2,7 GHz, was nur 200 MHz über dem Basistakt bzw. 300 MHz unter dem maximalen Turbo Boost von 3,0 GHz liegt. Bei der Belastung durch FurMark bleibt die GPU stabil bei 900 MHz. Bei der gleichzeitigen Belastung von beiden Komponenten (Prime95 und FurMark) liegt die GPU bei 800 MHz, während die CPU in diesem Fall auf 1,4 GHz gedrosselt wird.
In Unigine Heaven kann die GPU einen höheren Takt von 1.000 MHz aufrechterhalten. Die CPU drosselt allerdings auf lediglich 1,6 GHz. Das Yoga 900 favorisiert in Extremsituationen die GPU und es scheint, dass Lenovo die maximale Kerntemperatur auf 70 °C begrenzt hat.
Im Akkubetrieb wird die GPU-Leistung nicht begrenzt, die CPU-Leistung aber umso mehr. Ein 3DMark-11-Durchlauf abseits der Steckdose ergibt 3.493 (Physics) und 1.354 Punkte (Graphics) gegenüber 3.943 bzw. 1.382 Punkte im Netzbetrieb.
| CPU-Takt (GHz) | GPU-Takt (MHz) | Maximale Kerntemperatur (°C) | |
| Last Prime95 | 2,7 | -- | ~70 |
| Last FurMark | -- | 850 - 900 | ~65 |
| Last Prime95 + FurMark | 1,4 | 800 - 850 | ~70 |
| Last Unigine Heaven | 1,6 | 950 - 1.000 | ~60 |
Emissionen
Geräuschemissionen
Im Gegensatz zum Yoga 3 Pro, welches nur einen einzelnen Lüfter und einen Kühlkörper genutzt hat, verwendet das Yoga 900 zwei 35-mm-Lüfter und zwei Kühlkörper. Die Lüftungsschlitze sind an der hinteren Kante clever unter dem Watchband-Gelenk platziert. Die stärkere Kühlung ist aufgrund des Wechsels von dem 1,1 GHz schnellen Core M-5Y70 zu dem deutlich leistungsstärkeren Core i7-6500U (2,5 GHz) nötig. Viele Ultrabooks mit integrierten Grafikkarten haben in der Regel nur einen Systemlüfter. Lenovo bewirbt eine 20 Prozent höhere Kühlleistung gegenüber dem Vorgänger.
Hat sich das auf die Lautstärke ausgewirkt? Das Yoga 900 wird zwar lauter als das Yoga 3 Pro, allerdings nur selten und wenn man den Prozessor richtig fordert. Die Lüfter sind bei der Textverarbeitung oder dem Surfen im Internet mit 30 dB(A) in der Regel nicht zu hören. Im Höchstleistungsmodus fangen die beiden Lüfter jedoch an stärker zu pulsieren und liegen im Bereich von 31 bis 32 dB(A). Beim Spielen pendelt sich die Lautstärke bei 33 bis 34 dB(A) ein, das System ist also auch bei hoher Last fast immer unter 35 dB(A). Unrealistisch hohe Last durch Prime95 oder FurMark kann den Pegel auf bis zu 38 dB(A) erhöhen.
Im Vergleich zu Notebooks wie dem Spectre 13 x360, Apple MacBook Air 13 oder dem Zenbook UX305LA ist das Yoga 900 normalerweise leiser, da das System selbst bei extrem hoher Last niemals 40 dB(A) erreicht. Selbst in leisen Umgebungen sollte es beim Spielen keine Probleme geben.
Lautstärkediagramm
| Idle |
| 29.7 / 29.8 / 30 dB(A) |
| Last |
| 32 / 38.5 dB(A) |
![]() | ||
30 dB leise 40 dB(A) deutlich hörbar 50 dB(A) störend |
||
min: | ||
Temperatur
Das Gerät arbeitet zwar etwas lauter als sein direkter Vorgänger, dafür haben sich aber die Oberflächentemperaturen deutlich verbessert. Im Leerlauf können wir keinen Hotspot ausmachen und das gesamte Gerät ist sehr kühl. Damit liegt das Lenovo auf dem Niveau von konkurrierenden 13-Zoll-Notebooks wie dem MacBook Air 13, ZenBook UX305LA und dem neuen XPS 13 InfinityEdge.
Unter maximaler Last konzentriert sich die Erwärmung hauptsächlich auf den hinteren Teil des Notebooks, wo wir bis zu 37 °C messen können. Die zuvor genannten 13-Zoll-Notebooks erreichen unter den gleichen Bedingungen locker über 40 °C. Auch die Tastatur wird spürbar wärmer, allerdings wird es nicht unangenehm. Insgesamt ist das Yoga 900 als kein sehr warmes Gerät und die Nutzung ist weder auf dem Schreibtisch noch auf den Oberschenkeln beeinträchtigt.
(+) Die maximale Temperatur auf der Oberseite ist 37.4 °C. Im Vergleich liegt der Klassendurchschnitt bei 35.4 °C (von 19.6 bis 60 °C für die Klasse Convertible).
(+) Auf der Unterseite messen wir eine maximalen Wert von 36.4 °C (im Vergleich zum Durchschnitt von 36.9 °C).
(+) Ohne Last messen wir eine durchschnittliche Temperatur von 23.4 °C auf der Oberseite. Der Klassendurchschnitt erreicht 30.3 °C.
(+) Die Handballen und der Touchpad-Bereich sind mit gemessenen 26.6 °C kühler als die typische Hauttemperatur und fühlen sich dadurch kühl an.
(±) Die durchschnittliche Handballen-Temperatur anderer getesteter Geräte war 28 °C (+1.4 °C).
Lautsprecher

Der Klang der beiden Stereolautsprecher ist gut und klar, unabhängig von der Lautstärke. Auch bei der Musikwiedergabe können wir keine störenden Geräusche wahrnehmen. Bass ist nur sehr eingeschränkt vorhanden, die Dynamik ist also recht begrenzt und das Ergebnis dadurch eher blechern. Für die gelegentliche Wiedergabe von Musik oder Videos reichen die Lautsprecher aus, für eine bessere Qualität empfehlen wir aber Kopfhörer.
Akkulaufzeit
Der interne 66-Wh-Akku ist größer als bei vielen 13-Zoll-Konkurrenten. Allerdings macht sich das nicht bei den Laufzeiten bemerkbar. Im WLAN-Test bei 150 cd/m² (75/100) hält unser Testgerät keine 7 Stunden durch, im schlimmsten Fall (maximale Helligkeit, Last-Mix) ist der Akku schon nach zwei Stunden leer. Im Vergleich zum Yoga 3 Pro hat sich die Laufzeit im WLAN-Test um etwa eine Stunde verbessert. Lenovo bewirbt bis zu 9 Stunden Videowiedergabe mit einer Helligkeit von 200 cd/m² und deaktiviertem WLAN.
Ein vollständiger Ladevorgang kann bis zu 5 Stunden in Anspruch nehmen. Der Ladeanschluss dient gleichzeitig als USB-2.0-Anschluss, was die lange Ladezeit erklären kann. Leider ist es nicht möglich, das Yoga 900 über den USB-C-Anschluss aufzuladen.
| Lenovo Yoga 900-13ISK 80MK 66 Wh | Apple MacBook Air 13 inch 2015-03 54 Wh | Asus Zenbook UX305LA-FC012H 56 Wh | Microsoft Surface Book Core i5 69 Wh | Dell XPS 13-9350 56 Wh | Toshiba KIRA-10D 52 Wh | HP Spectre 13-4001ng x360 56 Wh | |
|---|---|---|---|---|---|---|---|
| Akkulaufzeit | 39% | 34% | 17% | 8% | 34% | 34% | |
| Idle (h) | 14.1 | 26.2 86% | 24.5 74% | 17.8 26% | 13 -8% | 23.3 65% | 20.4 45% |
| WLAN (h) | 6.7 | 10.3 54% | 9.5 42% | 6.7 0% | 7.5 12% | 8.6 28% | 9 34% |
| Last (h) | 2.1 | 1.6 -24% | 1.8 -14% | 2.6 24% | 2.5 19% | 2.3 10% | 2.6 24% |
Pro
Contra
Fazit
Ist das neue Yoga 900 besser als das Yoga 3 Pro? Die Antwort ist ganz klar ja, allerdings handelt es sich nicht um den großen Erfolg, den uns der Hersteller verkaufen möchte. Das Convertible ist etwas dicker und schwerer als zuvor und auch das Kontrastverhältnis des Bildschirms hat sich nicht verbessert. Die Akkulaufzeiten sind nichts Besonderes und sowohl an den geringen Tastenhub als auch das kleine Touchpad muss man sich erst gewöhnen. Das Fehlen eines direkten Videoausgangs wird alle Nutzer stören, die oft externe Monitore benutzen. Auch das CPU-Throttling, welches wir beim Yoga 3 Pro beobachten konnten, tritt trotz der verbesserten Kühlung unter hoher Last auch beim Yoga 900 auf.
Aber selbst mit diesen Problemen ist das Yoga 900 immer noch ein tolles Notebook, das Lenovos Position auf dem Markt für Convertibles – nicht Detachables – festigt. Zum Vergleich: Rivalisierende Modelle mit 360-Grad Gelenken, wie beispielsweise das Spectre 13 x360, bieten mehr Anschlüsse bei der selben Displaygröße, sind dafür aber auch deutlich schwerer, womit die Nutzung als Tablet unbequem werden kann.
Das Yoga 900 ist im Vergleich zum Yoga 3 Pro ein kleiner Schritt in die richtige Richtung.
Falls man das Gerät konsequent als Notebook und als Tablet nutzen möchte, ist das Yoga 900 sicherlich einen Blick wert. Andernfalls bieten richtige Ultrabooks wie das Kirabook oder das Zenbook UX305 aber längere Akkulaufzeiten und bessere Kontrastverhältnisse. Wenn man jedoch hauptsächlich ein Tablet benötigt, ist das Surface Pro 4 mit dem Type Cover möglicherweise die komfortablere Alternative.
Lenovo Yoga 900-13ISK 80MK
- 15.03.2016 v5 (old)
Allen Ngo
Erfahren Sie hier mehr über die Änderungen der neuen Bewertung mit Version 5



















































































