Test Samsung Galaxy S6 Edge+ (Plus) Smartphone

Zurzeit bringen viele Hersteller zwei optisch identische Smartphones mit sehr ähnlichen Kernkomponenten und verschiedenen Displaygrößen auf den Markt (z. B. iPhone 6 vs. iPhone 6 Plus, Xiaomi Mi Note vs. Xiaomi Mi Note Plus, HTC One vs. HTC One Max usw.). Monate nach dem Galaxy S6 Edge bringt Samsung nun das Galaxy S6 Edge+ als Alternative zum Galaxy Note 5 auf den Markt.
Das Note 5 und das S6 Edge+ werden praktisch immer zusammen beworben und sind in der Werbung kaum einzeln anzutreffen. Diese beiden Modelle – neben dem Galaxy S6 und Galaxy S6 Edge – verwenden beinahe die gleichen Komponenten, angefangen bei dem Octa-Core-SoC Exynos 7420 bis hin zu dem kompletten Verzicht auf einen MicroSD-Schacht sowie einen austauschbaren Akku.
Die beiden neueren Modelle unterscheiden sich im Hinblick auf das Gehäuse und die Software kaum von den älteren Galaxy Geschwistern, für weitere Informationen empfehlen wir also einen Blick in die entsprechenden Testberichte. Es steht daher auch außer Frage, dass man beim S6 Edge+ sehr gute Komponenten und ein qualitativ hochwertiges Display bekommt. Ist man mit dem Edge+ besser bedient als mit anderen aktuellen Flagship-Modellen wie dem LG Flex 2, dem OnePlus 2 oder sogar dem Galaxy Note 5?
Gehäuse
Rein äußerlich ist das Galaxy S6 Edge+ eine größere Version des 5,1 Zoll großen S6 Edge, das Anfang des Jahres veröffentlicht wurde. Beim Plus-Modell kommt ebenfalls Gorilla Glas 4 auf der Vorder- sowie Rückseite zum Einsatz. Zusammen mit den Ecken und Kanten aus Aluminium entsteht ein ausgesprochen hochwertiger Eindruck, der zum hohen Kaufpreis passt. Nichtdestotrotz ist das Smartphone sehr anfällig für Fingerabdrücke, weshalb manche Nutzer das Aluminium-Finish des HTC One M9 oder Apple iPhone bevorzugen könnten.
Die Stabilität wurde durch die größere Konstruktion nicht beeinträchtigt. Selbst mit Druck auf den mittleren Bereich lässt sich die Oberfläche nicht eindrücken. Trotz der Dicke von lediglich 7 mm lässt es sich auch kaum verwinden. Die Verarbeitung ist exzellent, für Neulinge dürfte sich das Smartphone aber zunächst komisch anfühlen. Im Gegensatz zu den meisten Geräten, bei denen das Display flach und die Rückseite abgerundet ist, ist es in diesem Fall genau andersherum.
Das S6 Edge+ ist dünner als das Galaxy Note 5 (7,6 mm) und das iPhone 6 Plus (7,1 mm). Im Verhältnis zum Gehäuse ist das Display recht groß, weshalb es von der Länge und der Breite auf dem Niveau des 5,5 Zoll großen OnePlus 2 liegt.
Ausstattung
Die Anschlüsse entsprechen dem Galaxy Note 5, was aber leider auch bedeutet, dass man lediglich USB 2.0 anstatt USB 3.0 oder gar USB Typ-C verwenden kann. Zudem gibt es weder MHL noch Miracast, und auch einen Infrarot-Sender sucht man vergebens, wodurch sich die Multimedia-Fähigkeiten weiter reduzieren. USB-OTG für externe Eingabgeräte steht aber weiterhin zur Verfügung.
Software
Das Smartphone läuft mit Google Android 5.1 und Samsungs TouchWiz Oberfläche. Die einzige echte Neuerung ist Samsung Pay. Da das Smartphone keinen Infrarot-Sender mehr beinhaltet, wurde auch die App Smart Remote gestrichen.
Das Gerät unterstützt erneut die Edge spezifischen Merkmale inklusive der Informationsanzeige, der Edge Beleuchtung sowie einer Schnellstartleiste. Außerdem hat Samsung die Funktion der Displaykanten leicht erweitert. Die am häufigsten genutzten Kontakte und Apps lassen sich nun bequem über den Seitenbildschirm aufrufen. Außerdem haben die Kontakte, die über die Kante aufgerufen werden, ein erweitertes Menü erhalten, mit dessen Hilfe die Kommunikation vereinfacht werden soll. Diese Features werden auch per Update auf die kleineren Edge Modelle verteilt.
Samsung nutzt diese Funktionen, damit die Edge Serie nicht nur als Spielerei daherkommt. Es gibt allerdings keinen Grund, warum man diese Funktionen nicht auch bei normalen Smartphones nutzen können sollte, da es sich prinzipiell nur um einfache Benachrichtigungen und Nachrichten-Feeds handelt. Sie sehen auf dem Edge Display vielleicht netter aus, würden aber auch bei jedem anderen Gerät funktionieren.
Kommunikation & GPS
Das eingebaute WLAN-Modul unterstützt die 802.11-Standards a/b/g/n/ac in 2,4-GHz- sowie 5-GHz-Netzen. In einem normalen Heimnetzwerk konnten wir keine unerwarteten Verbindungsabbrüche feststellen. Die Signalqualität war bei einer Entfernung von 10 Metern zum Router noch sehr gut, und selbst bei 30 Metern war die Verbindung noch vorhanden. Wenn wir uns noch weiter entfernen, fällt die Signalqualität auf rund -80 dBm. Während des Tests bestand direkter Sichtkontakt zum Router, um die Einflüsse von Wänden oder anderen Hindernissen zu reduzieren.
Ein kleines Update hat der Bluetooth-Standard erfahren, welcher nun in der Version 4.2 arbeitet. Diese bringt im Vergleich zum Vorgänger Verbesserungen beim Energie-Management und eine bis zu viermal so hohe Übertragungsgeschwindigkeit mit sich. Außerdem wurde der Standard auf die Nutzung von mehreren IoT-Geräten hin optimiert.
Das GPS-Modul findet die Satelliten sehr schnell, und während des Test gab es keine Probleme mit dem Empfang.
Telefonfunktionen & Sprachqualität
Das nordamerikanische Modell unterstützt GSM (850, 900, 1.800 und 1.900 MHz) sowie UMTS (850, 900 und 2.100 MHz); für CDMA-Netzwerke (800 und 1.900 MHz) gibt es eine spezielle Version. LTE-Advanced (Cat. 9) ermöglicht Download-Geschwindigkeiten von bis 450 Mbit/s, falls es vom Netz unterstützt wird. Das Galaxy S6 Edge+ ist damit das erste Smartphone mit LTE Cat. 9 in Europa. Auch wenn der Standard noch von keinem Carrier unterstützt wird, ist ein Besitzer des Smartphones für die kommende Technik gerüstet. Der Einschub für die Nano-SIM-Karte befindet sich an der Kopfseite des Gerätes. Dual-SIM wird nicht unterstützt, dafür aber VoIP-Telefonate.
Bei dem amerikanischen Testmodell handelt es sich um die weniger verbreitete CDMA-Version. Im Netzwerk von Sprint hatten wir mit einer schlechten Gesprächsqualität zu kämpfen. Stimmen hatten Aussetzer, und selbst bei guten Empfangsbedingungen gab es Störgeräusche. Auch die maximale Lautstärke war etwas gering, was aber nicht auf den Lautsprecher zurückzuführen ist. Bei dem Galaxy S6 Edge (ohne +) gab es diese Probleme nicht, weshalb wir von einem Einzelfall in Zusammenhang mit unserer Position sowie dem Netzwerk ausgehen.
Kameras & Multimedia
Die Kameras der Modellreihen Galaxy Note 5 und S6 gehören zu den Besten auf dem Markt. Viele Smartphones nutzen Module mit einer Blende von f/2.2, während Samsung eine größere Blende verwendet (f/1.9). Dadurch nimmt der Sensor mehr Licht auf, sowohl bei Tageslicht als auch in dunkleren Umgebungen. In Hinsicht auf die Qualität und die Funktionen der beiden Kameras (16 MP hinten, 5 MP vorne) gibt es keine Unterschiede zum kleineren S6 Edge oder dem Galaxy Note 5, weshalb wir für weitere Informationen an dieser Stelle auf die entsprechenden Tests verweisen möchten.
Videos werden maximal in der UHD-Auflösung (3.840 x 2.160) und 30 Bildern pro Sekunde aufgenommen. Die Einstellungen bei den Videos beschränken sich leider auf das Nötigste, und es ist nicht möglich mit 60 oder 120 fps bei Auflösungen unter 1080p aufzunehmen; auch das 1080p24-Format wird nicht unterstützt. Zudem sind Funktionen wie HDR, Videostabilisierung und der automatische Autofokus deaktiviert, sobald man mit mehr als 1080p30 aufnimmt. Video-Enthusiasten sind mit dem Lumia 930 vermutlich besser bedient, wenn diese Funktionen erwünscht sind.
Zubehör & Garantie
In der Verpackung des S6 Edge+ befindet sich ein Headset, ein Netzteil, ein Micro-USB-Kabel sowie eine Schnellstartanleitung. Samsung liefert zudem ein "Smart Switch"-Kabel, bei dem es sich um einen USB-Adapter handelt, mit dem man leicht Mäuse, Tastaturen oder Speichersticks mit dem Smartphone verbinden kann. Optionale Zubehörartikel sind die üblichen Flip Cover oder Wrap-Hüllen von Samsung. Das kabellose Aufladen (Qi-Charging) funktioniert auch ohne eine zusätzliche Hülle.
Für Käufer in den USA gibt es standardmäßig eine einjährige eingschränkte Garantie. In Europa besitzt das Smartphone eine 24-monatige Garantie und profitiert außerdem von der Händlergewährleistung.
Eingabegeräte & Handling
Touchscreen
Der Touchscreen unseres Testmodells verhielt sich unauffällig. Auch in den Randbereichen werden Eingaben zuverlässig umgesetzt. Ähnlich wie beim Galaxy Note 5 ist das Display ziemlich empfindlich und registriert selbst leichte Berührungen. Das Handling und die Gleiteigenschaften sind sehr gut, allerdings macht es die Rundung am Display manchmal schwierig, die Tasten am Rand ("Q", "1", "0" oder "P") zu treffen. Gleichzeitig kommt es durch den abgerundeten Bildschirm häufiger zu ungewolltem Auslösen der beiden Touch-Tasten "Tabs" sowie "Zurück".
Der Fingerabdruckscanner arbeitet genauso schnell und zuverlässig wie beim Note 5. In der Regel geht es schneller als die Eingabe des normalen Entsperrmusters, beim ersten oder zweiten Versuch wird der Abdruck aber häufig nicht erkannt.
Display
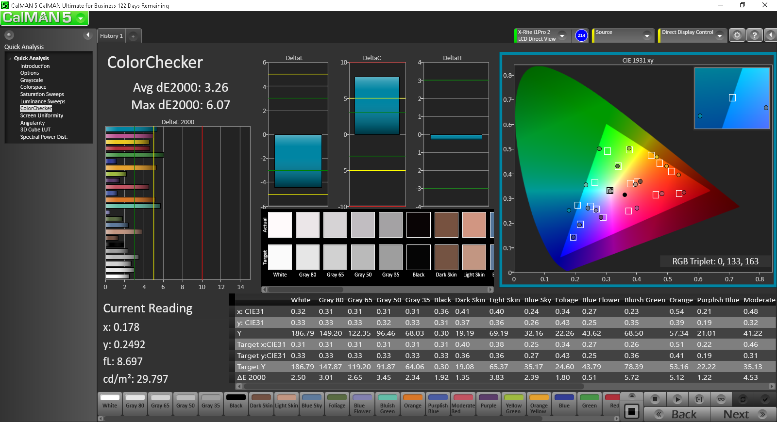
Nachdem wir gerade erst das Galaxy Note 5 mit seinem exzellenten Display getestet haben, hatten wir große Hoffnungen hinsichtlich des Galaxy S6 Edge+. Während es beim Note 5 eine deutliche Helligkeitsverbesserung gegenüber dem direkten Vorgänger Note 4 gab, sind die Werte unseres Testmodells praktisch identisch zum kleineren Galaxy S6 Edge. Es handelt sich auf keinen Fall um ein schlechtes Display, wir hätten uns aber Verbesserungen bei den Farben gewünscht. Aber auch das stellt Kritik auf hohem Niveau dar, da die Abweichungen mit bloßem Auge nicht sichtbar sind. Wenn man vom S6 Edge wechselt, erhält man also lediglich ein größeres Display. Die nachfolgende Tabelle zeigt, dass nur einige Vergleichsgeräte noch etwas heller leuchten. Aber auch hier ist Vorsicht geboten, denn die AMOLED-Displays sind zwar nicht so hell wie ihre IPS-Rivalen, gleichen diesen Umstand aber mühelos durch ihren erstklassigen Kontrast wieder aus.
Im Energiesparmodus wird die maximale Helligkeit um etwa 50 cd/m² reduziert. Zudem scheint der Umgebungslichtsensor in diesem Modus kontinuierlich aktiv zu sein, selbst wenn man die automatische Helligkeitsregelung deaktiviert.
| |||||||||||||||||||||||||
Ausleuchtung: 89 %
Helligkeit Akku: 335.7 cd/m²
Kontrast: ∞:1 (Schwarzwert: 0 cd/m²)
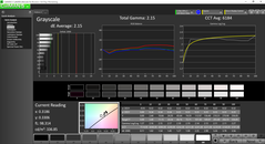
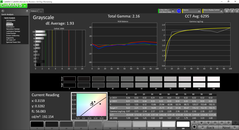
ΔE ColorChecker Calman: 2.33 | ∀{0.5-29.43 Ø4.74}
ΔE Greyscale Calman: 2.15 | ∀{0.09-98 Ø4.98}
Gamma: 2.15
CCT: 6184 K
| Samsung Galaxy S6 Edge+ | Samsung Galaxy Note 5 SM-N920A | Samsung Galaxy S6 Edge | Samsung Galaxy Note Edge | Apple iPhone 6 Plus | LG G Flex 2 | Google Nexus 6 | OnePlus 2 | |
|---|---|---|---|---|---|---|---|---|
| Bildschirm | 17% | 1% | 2% | -6% | -96% | -65% | -16% | |
| Helligkeit Bildmitte (cd/m²) | 335.7 | 394.8 18% | 343 2% | 481 43% | 519 55% | 278 -17% | 274 -18% | 451 34% |
| Brightness (cd/m²) | 332 | 397 20% | 338 2% | 474 43% | 496 49% | 274 -17% | 264 -20% | 446 34% |
| Brightness Distribution (%) | 89 | 91 2% | 94 6% | 94 6% | 90 1% | 97 9% | 89 0% | 90 1% |
| Schwarzwert * (cd/m²) | 0.62 | 0.3 | ||||||
| Delta E Colorchecker * | 2.33 | 1.49 36% | 2.2 6% | 2.24 4% | 3.67 -58% | 8.03 -245% | 6.99 -200% | 3.84 -65% |
| Delta E Graustufen * | 2.15 | 1.98 8% | 2.37 -10% | 4.02 -87% | 3.78 -76% | 6.71 -212% | 4.01 -87% | 3.97 -85% |
| Gamma | 2.15 102% | 2.19 100% | 2.41 91% | 3.07 72% | 2.42 91% | 1.89 116% | 2.03 108% | 2.46 89% |
| CCT | 6184 105% | 6382 102% | 6425 101% | 6476 100% | 7327 89% | 7750 84% | 6329 103% | 7283 89% |
| Farbraum (Prozent von AdobeRGB 1998) (%) | 87.77 | 58.07 | ||||||
| Kontrast (:1) | 837 | 1503 | ||||||
| Color Space (Percent of sRGB) (%) | 90.14 |
* ... kleinere Werte sind besser
Die Farbgenauigkeit des Super-AMOLED-Panels ist sehr hoch. Wie schon beim Galaxy Note 5 sollte man den normalen Farbmodus dem Kino- bzw. Fotomodus vorziehen, wenn man eine möglichst natürliche Farbwiedergabe bevorzugt. Der normale Modus bietet ausgewogenere Farben für das Surfen im Internet und die Nutzung der Kamera. Die Farben sind zwar genauer als beim G Flex 2, dem Nexus 6 und dem OnePlus 2, aber das hellere und noch genauere Panel des Note 5 zeigt, dass es immer noch Verbesserungspotenzial gibt.
Die Outdoor-Tauglichkeit ist genauso gut wie beim Galaxy Note 5, solange der Umgebungslichtsensor aktiviert ist. Im automatischen Modus ist die maximale Helligkeit nämlich viel höher als im manuellen Modus. In diesem Szenario konnten wir beinahe 550 cd/m² messen. Die Nutzung ist im Schatten sehr komfortabel, und selbst unter der Sonne noch akzeptabel, solange man direkte Reflexionen vermeiden kann.
Dank der großzügigen Blickwinkel des Super-AMOLED-Displays sind solche Reflexionen aber glücklicherweise kein großes Problem. Wenn man bereits ein Smartphone mit einem IPS-Panel benutzt hat, sollte man sich sofort heimisch fühlen.
Leistung
Das Herzstück des S6 Edge+ wurde aus dem Galaxy Note 5, Galaxy S6 sowie dem kleineren S6 Edge übernommen. Wir verweisen daher auf die jeweiligen Testberichte sowie unsere Technik-Sektion für weitere Informationen und Benchmarks zum Exynos-7420-SoC.
Mit insgesamt 4 GB RAM verfügt das S6 Edge+ über einen Gigabyte mehr Arbeitsspeicher als das S6 Edge. Der zusätzliche Arbeitsspeicher sollte sich jedoch nur beim Multitasking mit vielen anspruchsvollen Apps oder der Verwendung der Multi-Window-Funktion bemerkbar machen.
Im Energiesparmodus reduziert sich der Takt laut CPU-Z auf 1.500 MHz und 800 MHz für die Cortex-A57- bzw. Cortex-A53-Kerne. Ansonsten können die Kerne aber die vollen 2.100 MHz bzw. 1.500 MHz ausnutzen.
Wir möchten noch erwähnen, dass sich die Benchmark-Ergebnisse von den anderen Samsung Geräten unterscheiden können, trotz der identischen Komponenten. Die Gründe dafür sind Throttling sowie Messtoleranzen. Nichtsdestotrotz liegt das Samsung deutlich vor den Rivalen wie dem LG G4 und Nexus 6. Der aktuelle Snapdragon 810 im OnePlus 2 bietet ungefähr die gleiche Leistung.
| AnTuTu v5 - Total Score (nach Ergebnis sortieren) | |
| Samsung Galaxy S6 Edge+ | |
| Samsung Galaxy S6 Edge | |
| Samsung Galaxy S6 | |
| OnePlus 2 | |
| Samsung Galaxy Note 5 SM-N920A | |
| Google Nexus 6 | |
| Apple iPhone 6 Plus | |
| LG G4 | |
| Geekbench 3 | |
| 32 Bit Multi-Core Score (nach Ergebnis sortieren) | |
| Samsung Galaxy S6 Edge | |
| Samsung Galaxy S6 | |
| OnePlus 2 | |
| Google Nexus 6 | |
| Apple iPhone 6 Plus | |
| LG G4 | |
| 32 Bit Single-Core Score (nach Ergebnis sortieren) | |
| Samsung Galaxy S6 Edge | |
| Samsung Galaxy S6 | |
| OnePlus 2 | |
| Google Nexus 6 | |
| Apple iPhone 6 Plus | |
| LG G4 | |
| 64 Bit Multi-Core Score (nach Ergebnis sortieren) | |
| Samsung Galaxy S6 Edge+ | |
| Samsung Galaxy S6 Edge | |
| OnePlus 2 | |
| Samsung Galaxy Note 5 SM-N920A | |
| LG G4 | |
| 64 Bit Single-Core Score (nach Ergebnis sortieren) | |
| Samsung Galaxy S6 Edge+ | |
| Samsung Galaxy S6 Edge | |
| OnePlus 2 | |
| Samsung Galaxy Note 5 SM-N920A | |
| LG G4 | |
| GFXBench 3.0 | |
| on screen Manhattan Onscreen OGL (nach Ergebnis sortieren) | |
| Samsung Galaxy S6 Edge+ | |
| Samsung Galaxy S6 Edge | |
| Samsung Galaxy S6 | |
| OnePlus 2 | |
| Samsung Galaxy Note 5 SM-N920A | |
| Google Nexus 6 | |
| Apple iPhone 6 Plus | |
| LG G4 | |
| 1920x1080 1080p Manhattan Offscreen (nach Ergebnis sortieren) | |
| Samsung Galaxy S6 Edge+ | |
| Samsung Galaxy S6 Edge | |
| Samsung Galaxy S6 | |
| OnePlus 2 | |
| Samsung Galaxy Note 5 SM-N920A | |
| Google Nexus 6 | |
| Apple iPhone 6 Plus | |
| LG G4 | |
| PCMark for Android - Work performance score (nach Ergebnis sortieren) | |
| Samsung Galaxy S6 Edge+ | |
| Samsung Galaxy S6 Edge | |
| OnePlus 2 | |
| Samsung Galaxy Note 5 SM-N920A | |
| LG G4 | |
Die Browser basierten Benchmarks mit Chrome ermitteln Resultate auf dem Niveau des LG G4 oder OnePlus 2. Der vorinstallierte Samsung Browser ist bei Octane, Sunspider und Browsermark allerdings deutlich schneller. Unabhängig vom Browser werden Webseiten auf dem Edge+ subjektiv aber schnell geöffnet.
| Octane V2 - Total Score (nach Ergebnis sortieren) | |
| Samsung Galaxy S6 Edge+ | |
| Samsung Galaxy S6 Edge | |
| Samsung Galaxy S6 | |
| LG G4 | |
| Samsung Galaxy Note 5 SM-N920A | |
| Apple iPhone 6 Plus | |
| OnePlus 2 | |
| Google Nexus 6 | |
| Browsermark - 2.1 (nach Ergebnis sortieren) | |
| Samsung Galaxy S6 Edge+ | |
| Samsung Galaxy S6 Edge | |
| Samsung Galaxy S6 | |
| LG G4 | |
| Samsung Galaxy Note 5 SM-N920A | |
| OnePlus 2 | |
| WebXPRT 2015 - Overall (nach Ergebnis sortieren) | |
| Samsung Galaxy S6 Edge+ | |
| LG G4 | |
| Samsung Galaxy Note 5 SM-N920A | |
| OnePlus 2 | |
| JetStream 1.1 - 1.1 Total (nach Ergebnis sortieren) | |
| Samsung Galaxy S6 Edge+ | |
| Samsung Galaxy S6 Edge | |
| Samsung Galaxy S6 | |
| LG G4 | |
| Samsung Galaxy Note 5 SM-N920A | |
| OnePlus 2 | |
* ... kleinere Werte sind besser
Massenspeicher
Wie schon beim kleineren Galaxy S6 Edge kann der 32 GB große interne Speicher des Edge+ nicht erweitert werden. Die Transferraten beim Lesen und Schreiben sind aber sehr gut und gehören zu den besten Ergebnissen unter Smartphones. Vor allem die Leseleistung ist sehr gut, während die Schreibleistung auf dem Niveau von anderen Flagship-Modellen liegt.
Gaming Performance
Es ist nun das fünfte Mal, dass wir die High-End-GPU Mali-T760 MP8 in einem Gerät von Samsung testen. Die gute Leistung in Spielen ist daher nicht weiter überraschend. Weitere Informationen und Benchmarks zur GPU sind hier verfügbar.
Stattdessen wollen wir lieber die Stabilität bzw. das Throttling des Smartphones untersuchen. Wie schon beim Galaxy Note 5 und S6 Edge wird die Leistung des S6 Edge+ im GFXBench 3.1 Battery Test nach etwa 20 Minuten begrenzt. Die GPU bricht schon nach etwa 6 Minuten ein, und der Takt fällt zunächst von 650 MHz auf rund 500 MHz, um sich danach bei 300 MHz einzupendeln.
Macht sich dieses Verhalten auch beim Spielen oder im Alltag bemerkbar? Nicht unbedingt, denn die GPU ist so leistungsstark, dass sie die meisten Android Spiele selbst mit dem gedrosselten Takt flüssig darstellen kann. In den Benchmarks ist der Einfluss natürlich deutlicher zu spüren, da diese Programme den SoC an seine Grenzen bringen sollen. Wie wir beim Galaxy Note 5 gesehen haben, können die Endergebnisse geringer ausfallen. Im schlimmsten Fall muss man bei ausgedehnten Gaming-Sessions mit niedrigeren Frame-Raten rechnen.
| Epic Citadel - Ultra High Quality (nach Ergebnis sortieren) | |
| Samsung Galaxy S6 Edge+ | |
| OnePlus 2 | |
| Samsung Galaxy S6 Edge | |
| OnePlus One | |
| LG G Flex 2 | |
| LG G4 | |
| Lightmark - 1920x1080 1080p (nach Ergebnis sortieren) | |
| Samsung Galaxy S6 Edge+ | |
| OnePlus 2 | |
| Samsung Galaxy S6 Edge | |
| OnePlus One | |
| LG G Flex 2 | |
| LG G4 | |
| 3DMark | |
| 2560x1440 Sling Shot Extreme (ES 3.1) Physics (nach Ergebnis sortieren) | |
| Samsung Galaxy S6 Edge+ | |
| OnePlus 2 | |
| Samsung Galaxy S6 Edge | |
| Samsung Galaxy S6 | |
| LG G4 | |
| 2560x1440 Sling Shot Extreme (ES 3.1) Graphics (nach Ergebnis sortieren) | |
| Samsung Galaxy S6 Edge+ | |
| OnePlus 2 | |
| Samsung Galaxy S6 Edge | |
| Samsung Galaxy S6 | |
| LG G4 | |
| 2560x1440 Sling Shot Extreme (ES 3.1) (nach Ergebnis sortieren) | |
| Samsung Galaxy S6 Edge+ | |
| OnePlus 2 | |
| Samsung Galaxy S6 Edge | |
| Samsung Galaxy S6 | |
| LG G4 | |
| 2560x1440 Sling Shot OpenGL ES 3.0 Physics (nach Ergebnis sortieren) | |
| Samsung Galaxy S6 Edge+ | |
| OnePlus 2 | |
| Samsung Galaxy S6 Edge | |
| Samsung Galaxy S6 | |
| LG G4 | |
| 2560x1440 Sling Shot OpenGL ES 3.0 Graphics (nach Ergebnis sortieren) | |
| Samsung Galaxy S6 Edge+ | |
| OnePlus 2 | |
| Samsung Galaxy S6 Edge | |
| Samsung Galaxy S6 | |
| LG G4 | |
| 2560x1440 Sling Shot OpenGL ES 3.0 (nach Ergebnis sortieren) | |
| Samsung Galaxy S6 Edge+ | |
| OnePlus 2 | |
| Samsung Galaxy S6 Edge | |
| Samsung Galaxy S6 | |
| LG G4 | |
Emissionen
Temperatur
Im Leerlauf sind die Oberflächentemperaturen auf beiden Seiten des S6 Edge+ sehr gleichmäßig. Beim Surfen im Internet oder Multitasking kann das Smartphone sehr schnell warm werden, im schlimmsten Fall konnten wir auf beiden Seiten Temperaturen von knapp 40 °C messen. Beim Galaxy Note 5 und Galaxy S6 Edge waren es noch 35 °C bzw. 36 °C. Es ist damit eines der wärmeren Smartphones von Samsung, im Alltag ist das aber sicherlich kein Problem. Wir empfehlen, das Gerät bei der Wiedergabe von langen Videos am unteren Ende (Querformat) zu halten, da die Temperaturen dort am niedrigsten sind.
(±) Die maximale Temperatur auf der Oberseite ist 42.8 °C. Im Vergleich liegt der Klassendurchschnitt bei 35.2 °C (von 21.9 bis 247 °C für die Klasse Smartphone).
(±) Auf der Unterseite messen wir eine maximalen Wert von 43.6 °C (im Vergleich zum Durchschnitt von 34 °C).
(+) Ohne Last messen wir eine durchschnittliche Temperatur von 31 °C auf der Oberseite. Der Klassendurchschnitt erreicht 32.9 °C.
Lautsprecher
Die Klangqualität ist für ein Smartphone ganz gut, für den hohen Preis haben wir allerdings mehr erwartet. Der maximale Pegel ist sehr hoch, was aber auf Kosten der Klarheit und der Balance geht. Die beiden Lautsprechergitter auf der Unterseite werden im Gegensatz zu denen am Galaxy Note Edge mit dem Lautsprecher auf der Rückseite leicht verdeckt, wenn man das Smartphone im Querformat hält.
Neu ist der Ultra-High-Quality-Umwandler, welcher Audiodaten direkt beim Abspielen verbessern soll. Die führt ein Upscaling sowohl bei der Wiedergabe lokaler Daten als auch gestreamter Inhalte durch, sofern die entsprechende App dies unterstützt. Die Nutzung ist über die 3,5-mm-Audioklinke oder Bluetooth möglich.
Akkulaufzeit
Die Laufzeiten liegen etwa auf dem Niveau des Galaxy S6 Edge, denn der größere Akku (2.600 mAh vs. 3.000 mAh) kann den höheren Stromverbrauch des größeren Bildschirms ausgleichen. Demnach kann man mit etwa 8 Stunden Internetnutzung rechnen, wenn die Helligkeit auf 150 cd/m² (rund 50 % der maximalen Helligkeit) eingestellt ist. Im Vergleich mit anderen Flagship Smartphones ist das durchschnittlich, und man sollte damit in der Regel einen normalen Tag überstehen.
Kontinuierliches Spielen bei der maximalen manuellen Helligkeit führt zu einer Laufzeit von knapp über 3,5 Stunden.
| Samsung Galaxy S6 Edge+ 3000 mAh | Samsung Galaxy Note 5 SM-N920A 3000 mAh | Samsung Galaxy S6 Edge 2600 mAh | Samsung Galaxy S6 2550 mAh | Apple iPhone 6 Plus 2915 mAh | LG G Flex 2 3000 mAh | Google Nexus 6 3220 mAh | OnePlus 2 3300 mAh | |
|---|---|---|---|---|---|---|---|---|
| Akkulaufzeit | 18% | -0% | 2% | -7% | -7% | -30% | -11% | |
| Idle (h) | 24.3 | 29.6 22% | 22.5 -7% | 21.7 -11% | 23.9 -2% | 21.2 -13% | 19.2 -21% | 23.2 -5% |
| WLAN (h) | 8.4 | 7.2 -14% | 8.9 6% | 7.9 -6% | 10.7 27% | 5.9 -30% | ||
| Last (h) | 3.7 | 5.4 46% | 3.7 0% | 4.6 24% | 3.3 -11% | 2.4 -35% | 2.3 -38% | 3.8 3% |
| WLAN (alt) (h) | 9.6 | 13 | 10 |
Pro
Contra
Fazit
Wir hätten mit einigen der negativen Aspekte des Galaxy S6 Edge+ besser leben können, wenn es gleichzeitig mit dem Galaxy S6 Edge erschienen wäre. Ein Beispiel hierfür sind beispielsweise das iPhone 6 und 6 Plus, die in den meisten Regionen zur selbenn Zeit erhältlich waren. Samsung hingegen veröffentlicht das größere S6 Edge+ rund ein halbes Jahr nach dem Original und hatte damit die Gelegenheit, einige der Nachteile des S6 Edge zu beseitigen oder zumindest zu verbessern. Das scheint aber leider nicht der Fall zu sein.
Das S6 Edge+ bietet einfach die gleichen Komponenten und Funktionen wie das S6 Edge. Dem Hersteller war es anscheinend nicht besonders wichtig, Dinge wie erweiterbaren Speicher, MHL, USB Typ-C oder ein helleres Display mit genaueren Farben zu implementieren oder auch die Throttling-Probleme des Exynos-7420-SoC zu verringern. Zumindest wurde im S6 Edge+ ein größerer Akku verbaut, um den höheren Strombedarf des größeren Displays zu kompensieren.
Wir können guten Gewissens sagen, dass wir etwas mehr von einem Smartphone erwartet haben, welches im Prinzip sechs Monate zu spät erscheint.
Das heißt aber keinesfalls, dass es sich beim S6 Edge+ um ein schlechtes Gerät handelt. Stattdessen ist es ein exzellentes FlagshipSmartphone, das auch in unsere Top 10 Einzug halten wird. Dennoch können wir guten Gewissens sagen, dass wir etwas mehr von einem Smartphone erwartet haben, welches im Prinzip sechs Monate zu spät erscheint.
Samsung Galaxy S6 Edge+
- 13.04.2016 v5 (old)
Allen Ngo
Erfahren Sie hier mehr über die Änderungen der neuen Bewertung mit Version 5




























































