Test Samsung Galaxy Note 5 (SM-N920A) Smartphone

Kombiniert man das Großartige am Galaxy S6 und Galaxy Note 4 erhält man das Galaxy Note 5. Die Hardware und Spezifikation des Note 5 ähneln sehr dem S6. Dazu gehören der 2.1 GHz Exynos Octa-Core-SoC, die Mali-T760 MP8 GPU und seine 16-MP- und 5-MP-Kamera. Indes behielt das Phablet einige markante Eigenschaften der Note-Serie: einen großen 5,7 Zoll AMOLED 1440p-Bildschirm und den eingebauten S-Pen.
Leider ist das Note 5 aktuell nicht in Europa verfügbar. Aufgrund zahlreicher Leseranfragen wollen wir unseren Test eines US-Gerätes dennoch hier zur Verfügung stellen.
Gehäuse
Das Note 5 ist dünner (7,6 mm vs. 8,5 mm), leichter (171 g vs. 176 g) und sogar marginal weniger lang und breit als der Vorgänger Galaxy Note 4. Das Smartphone behält die Kanten und Ecken aus Metall, die erst letztes Jahr eingeführt wurden, ebenso die vertrauten Home-, Tabs- und Back-Tasten an der Unterseite. Eine bemerkenswerte Veränderung ist die Rückseite, die nun aus Gorilla-Glas anstatt aus Kunstleder gefertigt ist. Während sich diese Veränderung nicht auf die Verarbeitung auswirkt, will die glatte, kunststoff-ähnliche Textur eher weniger zu einem hochwertigen Flaggschiff-Gerät passen.
Da das Note 5 sehr steif ist, gibt es bei Verwindungs- und Druckeinwirkung fast gar nicht nach. Druck gegen die Rückseite führt beispielsweise nicht zu großen Spalten zwischen ihr und dem Akku. Der glatte Metallrahmen ist etwas rutschig, sodass eine Hülle empfehlenswert ist, um Schäden an der Glas-Vorderseite durch Stürze zu verhindern.
Die Rückseite sieht nicht nur bieder aus, sie kann beim Note 5 auch nicht mehr entfernt werden. Zudem ist die Serie anders als einige Sony-Xperia-Modelle weder wasser- noch staubgeschützt.
Ausstattung
Einige Schnittstellen wurden verschoben, um die fixierte Rückseite unterzubringen. Der Nano-SIM-Slot befindet sich nun an der Oberkante und die 3,5-mm-Audiobuchse an der Unterkante. Während OTG für Plug-And-Play von USB-Flash-Laufwerken, Mäusen und Tastaturen immer noch unterstützt wird, wurde sowohl die Unterstützung für MHL als auch MicroSD weggelassen. Ebenso wurde der IR-Blaster gestrichen und Miracast sucht man bei den Optionen vergeblich.
Besonders bei einem Flaggschiff-Modell dieser Klasse hätten wir USB Typ-C dem üblichen Micro-USB-2.0-Port vorgezogen. Es ist schmerzhaft, dass das Note 5 nun weniger Anschlüsse bietet als sein Vorgänger.
Software
Die vorinstallierte Samsung Software ähnelt jener des Note 4 und umfasst S Health, S Voice und Multi Window. Letzteres läuft am Note 5 deutlich flüssiger als beim Note 4. Für mehr Details zu diesem ähnlichen Feature empfehlen wir unseren Note 4 Testbericht.
Einige Features wurden einem optischen Redesign unterzogen, etwa Air Command für den S-Pen, während andere, wie Samsung Pay, vollständig neu sind. Das Note 5 wird eines der ersten Geräte sein, das bei seiner Markteinführung kontaktlose Zahlung unterstützen wird.
Kommunikation & GPS
Die üblichen GSM- (850, 900, 1.800, 1.900 MHz) und UMTS-Bänder (850, 900, 1.900, 2.100 MHz) werden von diesem AT&T SM-N920A Modell unterstützt. Zudem gibt es ein eigenes Modell für Sprint-User, welches das CDMA-Netzwerk nutzt. Wie beim Galaxy S6 wird 4G LTE für Download- bzw. Upload-Transferraten von bis zu 300 Mbps bzw. 50 Mbps unterstützt.
WLAN wird sowohl auf dem 2,4 GHz und 5 GHz Band und bis zu 802.11ac unterstützt. Bestenfalls kann in einer Entfernung von nur 1 Meter von unserer 802.11n-Quelle eine Signalqualität von zirka -30 dBm erreicht werden. Das Signal fällt auf zirka -45 dBm in 10 Meter Entfernung und schließlich auf -70 dBm in 30 Meter Entfernung. Während des Tests wurde eine freie Sichtlinie zur WLAN-Quelle beibehalten.
TTFS für das GPS ist auch bei abgeschalteter WLAN-Unterstützung sehr schnell. Der Funk konnte über längere Zeiträume ohne Signalabschaltung eine bestimmte Position aufrechterhalten. Zudem wird sowohl GLONASS als auch BeiDou zur Positionsbestimmung unterstützt.
Telefon & Sprachqualität
Das Note 5 ist in den USA bei allen wichtigen Anbietern erhältlich. Es handelt sich nicht um ein Dual-SIM-Phone und akzeptiert nur Nano-SIM-Karten. Wichtiger ist möglicherweise, dass das Phablet WiFi-Calling unterstüzt. Daher sind auch ohne Mobilfunkempfang sowohl Anrufe als auch Nachrichten möglich. Bei vielen Standard- und hochwertigen Smartphones fehlt dieses Feature noch immer. Eine aktive SIM-Karte wird allerdings trotzdem benötigt.
Die Anrufqualität ist ausgezeichnet und ähnelt dem Note 4 und Galaxy S6. Unser Gesprächspartner am anderen Ende (LG G2) hatte ebenso keine Probleme. Die Lautstärke ist ausreichend laut und die Freisprecheinrichtung ist im Allgemeinen klar und rauschfrei, obwohl sich die Stimmen höherfrequent als üblich anhören.
Kameras & Multimedia
Die 16-MP-Kamera mit f/1.9-Blende und die 5-MP-Frontkamera sollten Besitzern des Galaxy S6 sofort bekannt vorkommen, da diese im Wesentlichen identisch sind. Es ist ein leichtes Upgrade verglichen mit der 16-MP-Kamera mit f/2.2-Blende im Note 4, wo Bilder wegen der größeren Blende tendenziell überbelichtet werden.
Die Kameraqualität ordnet sich unter den besten Smartphones ein. Die Bilder sind klar und großteils frei von Artefakten, die bei billigeren Sensoren üblich sind, wie etwa violette Farbsäume um dunkle Kanten, schlammige, dunkelgraue Farben und Rauschen. Selbst bei mäßiger Beleuchtung entstehen immer noch gute Bilder, obwohl der eingebaute Blitz noch keineswegs für andere Aufnahmen als Makro-Aufnahmen leistungsstark genug ist. Wir verweisen auf unseren Test des Galaxy S6 für weitere Vergleichsaufnahmen und Details über die Kamera.
Softwareseitig verdienen der Autofokus und die Bildstabilisierung Lob für ihre Reaktionsschnelligkeit und Effizienz. Letztere kann verschwommene Fotos ziemlich gut verhindern, während der Autofokus schnell genug ist, um den gewünschten Bereich zu fokussieren. Diese beiden Merkmale gehören zu den wichtigsten für Alltagsanwendungen. Die Rückkehr des "Pro"-Modus und "RAW"-Bildformats ermöglicht es fortgeschrittenen Nutzern, die Belichtungszeit (von 1/24000 bis 10), ISO (von 50 zu 800) und den manuellen Fokus einzustellen. Der "Live Broadcast"-Modus ist ein neues Feature für das automatische Teilen und Hochladen von Videos auf YouTube.
Zubehör & Garantie
Mitgeliefert werden der übliche Stromadapter, ein Micro-USB-Kabel und Kopfhörer. Wird das Gerät mit Vertrag von AT&T gekauft, erhält der Nutzer auch eine Nano-SIM-Karte. Zum offiziellen, optionalen Zubehör zählen ein Qi Quick-Charging-Wireless-Pad, klare und brieftaschen-ähnliche Schutzhüllen und sogar eine physikalische QWERTY-Tastatur.
Die beschränkte Garantie beträgt wie üblich ein Jahr ab Kaufdatum.
Eingabegeräte & Bedienung
Touchscreen
Der durch Gorilla Glass 4 geschützte 10-Punkt-Touchscreen funktioniert wie erwartet. Der kapazitive Bildschirm ist entlang der Kanten gleichermaßen reaktionsfreudig und genau, wie in der Mitte des Screens. Zudem ist er sehr empfindlich, da sogar das leichteste Tippen bei Texteingabe fast unmittelbar genau registriert wird. Der Unterschied zu preisgünstigen Smartphones, die Eingaben häufiger auslassen, ist offensichtlich.
Das Tastatur-Layout entspricht im Wesentlichen dem Galaxy S6 mit bereits eingebauter Swype-ähnlicher Unterstützung. Das Layout nutzt im Querformat nicht die gesamte Länge des Bildschirms aus. Dies ist wahrscheinlich Absicht, um eine unangenehme Handhaltung zu verhindern, da Tippen entlang der Außenkanten des Bildschirms für größere Hände schwieriger ist.
Der Fingerabdruckleser funktioniert ausreichend gut, um den Nutzer verlässlich zu erkennen und das Gerät zu entsperren. Der Sensor versagt, wenn der Nutzer zu schnell oder zu leicht tippt. Ebenso kann Tippen in einem Winkel den Sensor verwirren. Es wäre wünschenswert, würde er in zukünftigen Ausgaben etwas schneller arbeiten
S-Pen

Wie von einem Druckkugelschreiber gewohnt, kann der S-Pen via Druckknopf ausgefahren und eingezogen werden. Der Mechanismus selbst funktioniert problemlos, wobei es für Nutzer mit großen Händen oder kurzen Fingernägeln schwieriger ist, den aktiven Stylus auszufahren.
Abgesehen vom einzigartigen Druckknopf-Feature funktioniert der S-Pen ähnlich wie beim Note 4. Der Knopf am Stylus ist weiterhin sehr handlich für das Kopieren und Einfügen und kann zum schnellen Starten von Anwendungen konfiguriert werden. Seine Länge (~11,5 cm) ist allerdings ziemlich kurz und wegen des dünnen Formfaktors gestaltet sich längere Verwendung unangenehm. Beim Aufzeichnen schneller Notizen fällt dem Nutzer immer noch eine kurze Verzögerung zwischen der Bewegung des Stifts und der tatsächlichen Anzeige auf dem Bildschirm auf. Zudem müssen Nutzer, die üblicherweise wenig Druck bei handschriftlichen Aufzeichnungen aufwenden, stärker aufdrücken, da der S-Pen in diesem Modus manchmal leichte Eingaben nicht registriert.
Im Netz finden sich bereits Berichte von Nutzern, die sich über ein mögliches versehentliches Beschädigen des Note 5 beim umgekehrten Einschieben des S-Pens beschweren.
Display
Wesentliche Unterschiede zwischen den Bildschirmen des Note 4 und Note 5 sind nur schwer zu finden. Beide Geräte nutzen einen 5,7 Zoll großen Super-AMOLED-Bildschirm mit einer Auflösung von 2.560 x 1.440 Pixeln, der die meisten aktuellen Phablets in puncto Genauigkeit und Kontrast übertrifft. Anstatt Bildschirmgröße oder Auflösung noch weiter zu erhöhen, hat Samsung die maximale Helligkeit beim neuen Modell auf fast 400 cd/m² verglichen mit zirka 330 cd/m² beim Auslaufmodell verbessert. Trotzdem gibt es einige hellere Flaggschiff-Smartphones wie etwa das iPhone 6 Plus, das HTC One M9 und das Sony Xperia Z3.
| |||||||||||||||||||||||||
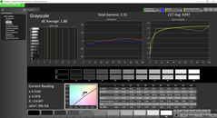
Ausleuchtung: 91 %
Helligkeit Akku: 394.8 cd/m²
Kontrast: ∞:1 (Schwarzwert: 0 cd/m²)
ΔE ColorChecker Calman: 1.49 | ∀{0.5-29.43 Ø4.74}
ΔE Greyscale Calman: 1.98 | ∀{0.09-98 Ø4.99}
Gamma: 2.19
CCT: 6382 K
| Samsung Galaxy Note 5 SM-N920A | Apple iPhone 6 Plus | Google Nexus 6 | Samsung Galaxy Note 4 | LG G Flex 2 | HTC One M9 | |
|---|---|---|---|---|---|---|
| Bildschirm | -36% | -108% | -10% | -146% | -103% | |
| Helligkeit Bildmitte (cd/m²) | 394.8 | 519 31% | 274 -31% | 335 -15% | 278 -30% | 474 20% |
| Brightness (cd/m²) | 397 | 496 25% | 264 -34% | 339 -15% | 274 -31% | 458 15% |
| Brightness Distribution (%) | 91 | 90 -1% | 89 -2% | 92 1% | 97 7% | 85 -7% |
| Schwarzwert * (cd/m²) | 0.62 | 0.4 | ||||
| Delta E Colorchecker * | 1.49 | 3.67 -146% | 6.99 -369% | 1.77 -19% | 8.03 -439% | 6.32 -324% |
| Delta E Graustufen * | 1.98 | 3.78 -91% | 4.01 -103% | 2.06 -4% | 6.71 -239% | 6.36 -221% |
| Gamma | 2.19 100% | 2.42 91% | 2.03 108% | 2.41 91% | 1.89 116% | 2.43 91% |
| CCT | 6382 102% | 7327 89% | 6329 103% | 6424 101% | 7750 84% | 8218 79% |
| Kontrast (:1) | 837 | 1185 | ||||
| Farbraum (Prozent von AdobeRGB 1998) (%) | 99 | 58.81 |
* ... kleinere Werte sind besser
DisplayMate hat das Galaxy Note 5 unlängst zum Smartphone mit dem besten Bildschirm am Markt gekrönt. Unsere eigenen Tests mit einem X-Rite Spektrophotometer unterstützen dieses Ergebnis, dass das Note 5 zu den Phones mit den niedrigsten Graustufen- und Farbabweichungen in unserer Datenbank gehört. Gamma ist mit 2,2 fast perfekt und die Farben sind tatsächlich genauer als bei anderen Flaggschiff-Modellen am Markt. In Kombination mit dem weiten Farbraum und den im Wesentlichen perfekten Kontrast, erhält man einen Bildschirm, der den Titel "Bestes verfügbares Smartphone-Display" wert ist.
Wie die meisten anderen Samsung-Smartphones, inkludiert das Note 5 Farb-Modi wie u.a. Cinema und Photo. Im Cinema-Modus sind die Farben deutlich heller, um Videos und Bilder hervorzuheben. Während dieser Modus für konventionelle Geschäfte perfekt sein mag, sollten Home-User wegen den genauesten Farben und Graustufen beim Basic-Modus bleiben.
Die Outdoor-Tauglichkeit ist wegen des helleren Hintergrundlichts sogar besser als beim Note 4. Solange Spiegelungen vermieden werden können, sind Texte und Bilder im Schatten leichter lesbar.
Ein weiteres einzigartiges Feature hat das Note 5 mit dem Note 4 und neueren Galaxy-Geräten gemein: Schaltet man den Umgebungslichtsensor ein, kann das Hintergrundlicht über die maximale manuelle Helligkeitseinstellung hinaus steigen. Wir messen eine maximale Helligkeit von 550 cd/m², wenn man etwa eine LED-Taschenlampe direkt über dem Sensor platziert. Daher ist es empfehlenswert dieses Feature beim Außeneinsatz zu aktivieren.
Wie von einem AMOLED-Panel zu erwarten, sind die Blickwinkel sehr weit. Ein leichter Regenbogen-Effekt ist bei ungewöhnlich stumpfen Winkeln auf dem Bildschirm erkennbar, doch bei üblicher Verwendung ist dies insignifikant.
Leistung
Samsung hat den Snapdragon 805 des Note 4 zu Gunsten des eigenen 14 nm Exynos 7420 SoC, den man auch im Galaxy S6 antrifft, ersetzt. Daher ist die reine Leistung im Wesentlichen mit dem Galaxy S6 gleichauf, und wir verweisen auf unseren vollständigen Test des S6 für zusätzliche Informationen und Benchmarks dieses Prozessors.
Vier der acht Exynos 7420 Kerne sind Hochleistungskerne, die mit bis zu 2,1 GHz takten können, während die anderen vier mit bis zu 1,5 GHz energieeffizienter sind. Im Idle-Betrieb takten diese Prozessoren laut GPU-Z mit nur 400 bzw. 800 MHz.
Smartphone-basierte Benchmarks sind von jeher weniger konsistent als Benchmarks für Windows-PCs. Daher sind diese Zahlen generell ein ungünstiges Maß für Leistung, wenn man Smartphones für Alltagsaufgaben vergleicht. Nichtsdestotrotz erreicht das Note 5 hohe Ergebnisse im AnTuTu und übertrifft das Note 4 um 20%. Doch die AnTuTu und Geekbench Ergebnisse sind niedriger als beim Galaxy S6, obwohl dieses mit dem gleichen Prozessor ausgestattet ist.
4 GB RAM sollten für Alltagsanforderungen mehr als ausreichen und sollten speziell im Multi-Window-Mode nützlich sein. Natürlich sind unmittelbar nach dem Systemstart weniger als ~1,9 GB RAM frei.
| AnTuTu v5 - Total Score (nach Ergebnis sortieren) | |
| Samsung Galaxy Note 5 SM-N920A | |
| Samsung Galaxy S6 | |
| HTC One M9 | |
| Google Nexus 6 | |
| Apple iPhone 6 Plus | |
| LG G4 | |
| OnePlus One | |
| Samsung Galaxy Note 4 | |
| Geekbench 3 | |
| 32 Bit Multi-Core Score (nach Ergebnis sortieren) | |
| Samsung Galaxy S6 | |
| HTC One M9 | |
| Google Nexus 6 | |
| Apple iPhone 6 Plus | |
| LG G4 | |
| OnePlus One | |
| Samsung Galaxy Note 4 | |
| 32 Bit Single-Core Score (nach Ergebnis sortieren) | |
| Samsung Galaxy S6 | |
| HTC One M9 | |
| Google Nexus 6 | |
| Apple iPhone 6 Plus | |
| LG G4 | |
| OnePlus One | |
| Samsung Galaxy Note 4 | |
| 64 Bit Multi-Core Score (nach Ergebnis sortieren) | |
| Samsung Galaxy Note 5 SM-N920A | |
| HTC One M9 | |
| LG G4 | |
| 64 Bit Single-Core Score (nach Ergebnis sortieren) | |
| Samsung Galaxy Note 5 SM-N920A | |
| HTC One M9 | |
| LG G4 | |
| GFXBench 3.0 | |
| on screen Manhattan Onscreen OGL (nach Ergebnis sortieren) | |
| Samsung Galaxy Note 5 SM-N920A | |
| Samsung Galaxy S6 | |
| HTC One M9 | |
| Google Nexus 6 | |
| Apple iPhone 6 Plus | |
| LG G4 | |
| OnePlus One | |
| Samsung Galaxy Note 4 | |
| 1920x1080 1080p Manhattan Offscreen (nach Ergebnis sortieren) | |
| Samsung Galaxy Note 5 SM-N920A | |
| Samsung Galaxy S6 | |
| HTC One M9 | |
| Google Nexus 6 | |
| Apple iPhone 6 Plus | |
| LG G4 | |
| OnePlus One | |
| Samsung Galaxy Note 4 | |
Browser-basierte Benchmarks wie Octane, Sunspider und Browsermark positionieren das Note 5 verglichen mit dem Note 4 sehr gut. Sein Sunspider-Ergebnis ist allerdings immer noch kein brauchbarer Vergleich für das iPhone mit seinem Safari-Browser.
| Octane V2 - Total Score (nach Ergebnis sortieren) | |
| Samsung Galaxy Note 5 SM-N920A | |
| Samsung Galaxy S6 | |
| LG G4 | |
| Apple iPhone 6 Plus | |
| HTC One M9 | |
| Google Nexus 6 | |
| Samsung Galaxy Note 4 | |
| Browsermark - 2.1 (nach Ergebnis sortieren) | |
| Samsung Galaxy Note 5 SM-N920A | |
| Samsung Galaxy S6 | |
| LG G4 | |
| HTC One M9 | |
| OnePlus One | |
| Samsung Galaxy Note 4 | |
* ... kleinere Werte sind besser
Glücklicherweise hat Samsung die Leistung der internen SSD gegenüber dem originalen Note 4 laut AndroBench 3 wesentlich verbessert. Die sequentiellen Lese- und Schreibraten sind mehr als doppelt und sogar dreifach so hoch wie beim Note 4. Das Speichermedium ist identisch zum Galaxy S6, daher ist die theoretische Leistung ähnlich.
Gaming-Performance
Alle getesteten Spiele aus dem Play-Markt laufen auf unserem Note 5 flüssig. Die leistungsstarke GPU wird laut reinen GPU-Benchmarks nur etwa von den hochwertigen Tegra K1, Adreno 430 und Apple A8X übertroffen. Wir verweisen auf unsere GPU-Spezialseite für weitere technische Informationen und Benchmarks der Mali-T760 MP8.
Intensivere Grafikbenchmarks wie Lightmark zeigen, dass es immer noch viel Raum für Verbesserungen gibt. Aufgrund extremen Throttlings kann die GPU-Leistung des Note 5 fallen, wie man in unserem Epic Citadel Test sieht. Dies kann sogar mit dem GFXBench 3.0 Battery Test reproduziert werden, der einen intensiven Grafikbenchmark einige Male wiederholt, um etwaige Throttling- oder Stabilitätsprobleme aufzuzeigen. Throttling von sowohl CPU als auch GPU kommen in unserem Test nach etwa 20 Minuten vor. Tatsächlich fallen einige Endergebnisse niedriger als üblich für ein Smartphone dieser Klasse aus, wenn man verschiedene Benchmarks hintereinander ablaufen lässt.
| Epic Citadel - Ultra High Quality (nach Ergebnis sortieren) | |
| Samsung Galaxy Note 5 SM-N920A | |
| HTC One M9 | |
| OnePlus One | |
| LG G Flex 2 | |
| LG G4 | |
| Lightmark - 1920x1080 1080p (nach Ergebnis sortieren) | |
| Samsung Galaxy Note 5 SM-N920A | |
| HTC One M9 | |
| OnePlus One | |
| LG G Flex 2 | |
| LG G4 | |
| 3DMark | |
| 2560x1440 Sling Shot Extreme (ES 3.1) Physics (nach Ergebnis sortieren) | |
| Samsung Galaxy Note 5 SM-N920A | |
| HTC One M9 | |
| Samsung Galaxy S6 | |
| LG G4 | |
| 2560x1440 Sling Shot Extreme (ES 3.1) Graphics (nach Ergebnis sortieren) | |
| Samsung Galaxy Note 5 SM-N920A | |
| HTC One M9 | |
| Samsung Galaxy S6 | |
| LG G4 | |
| 2560x1440 Sling Shot Extreme (ES 3.1) (nach Ergebnis sortieren) | |
| Samsung Galaxy Note 5 SM-N920A | |
| HTC One M9 | |
| Samsung Galaxy S6 | |
| LG G4 | |
| 2560x1440 Sling Shot OpenGL ES 3.0 Physics (nach Ergebnis sortieren) | |
| Samsung Galaxy Note 5 SM-N920A | |
| HTC One M9 | |
| Samsung Galaxy S6 | |
| LG G4 | |
| 2560x1440 Sling Shot OpenGL ES 3.0 Graphics (nach Ergebnis sortieren) | |
| Samsung Galaxy Note 5 SM-N920A | |
| HTC One M9 | |
| Samsung Galaxy S6 | |
| LG G4 | |
| 2560x1440 Sling Shot OpenGL ES 3.0 (nach Ergebnis sortieren) | |
| Samsung Galaxy Note 5 SM-N920A | |
| HTC One M9 | |
| Samsung Galaxy S6 | |
| LG G4 | |
Emissionen
Temperatur
Die Oberflächentemperaturen sind mit zirka 31 Grad Celsius an beiden Seiten des Gerätes im Idle-Betrieb warm. Das ist deutlich mehr als beim Note 4, das bei zirka der gleichen Raumtemperatur eine Durchschnittstemperatur von 27 Grad Celsius erreichte.
Hohe, langanhaltende Last erhöht die Temperaturen auf zirka 34 bis 35 Grad Celsius an beiden Seiten des Note 5. Dies ist etwas kühler als das Note 4 unter ähnlichen Bedingungen, jedoch viel wärmer als das dünnere Galaxy S6. Smartphones mit Snapdragon SoC sind tendenziell noch wärmer, beispielsweise das Nexus 6 und das Nokia Lumia 1520. Wie üblich für Smartphones, wird die Oberseite des Geräts viel wärmer als die Unterseite, da sich der Akku üblicherweise unter dem Motherboard befindet.
(+) Die maximale Temperatur auf der Oberseite ist 36.4 °C. Im Vergleich liegt der Klassendurchschnitt bei 35.2 °C (von 21.9 bis 247 °C für die Klasse Smartphone).
(+) Auf der Unterseite messen wir eine maximalen Wert von 37.4 °C (im Vergleich zum Durchschnitt von 34 °C).
(+) Ohne Last messen wir eine durchschnittliche Temperatur von 31.9 °C auf der Oberseite. Der Klassendurchschnitt erreicht 32.9 °C.
Lautsprecher
Der Mono-Lautsprecher wurde, ähnlich wie beim Galaxy S6, von der Rückseite des Geräts auf die Unterkante verschoben.
Die Klangqualität hat sich gegenüber dem Note 4 nicht verbessert. Musik ist bassarm und fühlt sich sogar für ein Smartphone schwach an. Trotzdem ist der Klang klar und ohne Verzerrungen bei höheren Lautstärken.
Akkulaufzeit
Die Akkukapazität ist verglichen mit dem Galaxy Note 4 (3.220 mAh vs. 3.000 mAh) niedriger. Trotzdem sind die Akkulaufzeiten nahezu gleich. Die WiFi-Laufzeit von knapp über 7 Stunden konstanter Nutzung sollte für die meisten Nutzer ausreichen. Wird die Helligkeit erhöht, sinkt die Akkulaufzeit, allerdings nicht signifikant. Das Aktivieren des Stromsparmodus könnte die WiFi-Laufzeit zudem verlängern.
Wir konnten eine maximale Idle-Laufzeit von über 29 Stunden aufzeichnen. Dabei zeigt das Phone im Idle-Betrieb bei Stromsparmodus und bei minimaler Helligkeit bis zum automatischen Shutdown den Home-Screen an.
Man beachte, dass unser WiFi v1.3 und der WiFi v1.0 Test beim Vorgängermodell nicht direkt miteinander vergleichbar sind, da unsere aktuellste Version anspruchsvoller ist und realistisches Web-Surfen besser repräsentiert.
| Samsung Galaxy Note 5 SM-N920A 3000 mAh | Apple iPhone 6 Plus 2915 mAh | Google Nexus 6 3220 mAh | Samsung Galaxy Note 4 3220 mAh | LG G Flex 2 3000 mAh | HTC One M9 2840 mAh | |
|---|---|---|---|---|---|---|
| Akkulaufzeit | -29% | -46% | -3% | -12% | -34% | |
| Idle (h) | 29.6 | 23.9 -19% | 19.2 -35% | 27.8 -6% | 21.2 -28% | 13.4 -55% |
| WLAN (h) | 7.2 | 10.7 49% | 5.8 -19% | |||
| Last (h) | 5.4 | 3.3 -39% | 2.3 -57% | 5.4 0% | 2.4 -56% | 3.9 -28% |
| WLAN (alt) (h) | 13 | 10 | 12.4 | 9.6 |
Pro
Contra
Fazit
Zahlt es sich aus, auf das Galaxy Note 5 upzugraden, wenn man bereits ein Note 4 oder Galaxy S6 besitzt? Der S-Pen mit Drucktaste ist ein Zugewinn, während der hellere und genauere Bildschirm Enthusiasten anziehen kann. Für Note-4-Besitzer fühlt sich das Note 5 allerdings mehr wie ein Seitenschritt denn ein Upgrade an, da es fast so viele Features (MHL, IR-Blaster, entfernbarer Akku, MicroSD) weglässt, wie es hinzufügt (Fingerabdruckleser, S-Pen mit Drucktaste, verbesserter Bildschirm, dünneres Design). Indes würden S6-Besitzer nur zu einem größerem Bildschirm mit im Wesentlichen identischer Hardware im Inneren wechseln. Ein passenderer Name für dieses Modell wäre "Galaxy Note S6" gewesen.
Für alle anderen zahlt sich ein genauer Blick auf das Galaxy Note 5 aus. Besonders sein S-Pen kann den Ausschlag für oder gegen einen Kauf geben, da ihn einige User als unglaublich nützlich für ihre Alltagsaufgaben empfinden werden, während er für andere zu klein ist, um ihn länger komfortabel halten zu können. Der Tester gehört in die letztere Gruppe, doch der überwältigende Bildschirm und die vielversprechenden S-Pen-Features sollten auch nicht übersehen werden.
Samsung Galaxy Note 5 SM-N920A
- 18.04.2016 v5 (old)
Allen Ngo
Erfahren Sie hier mehr über die Änderungen der neuen Bewertung mit Version 5



































































