Test Samsung Galaxy Note20 Ultra - Smartphone mit starker Ausstattung und S-Pen inklusive

Das Samsung Galaxy Note20 Ultra ist der direkte Nachfolger des Galaxy Note10+ und hierzulande nur in der 5G-Version verfügbar. Diese kostet mit 256 GB Speicher 1.266 Euro, wer mehr benötigt, kann zum 512-GB-Modell greifen, für welches 1.364 Euro fällig werden.
Im Vergleich zum Vorgänger hat Samsung viel Feintuning betrieben und insbesondere bei der Kamera kräftig nachgerüstet. Ebenso verspricht das neue Display weitere Bestwerte. Auch der S-Pen soll weiter verbessert worden sein und vor allem kürzere Reaktionszeiten besitzen als noch bei den Note10-Modellen und beim kleineren Note20. Ein Wehrmutstropfen gibt es jedoch für Europäer zu schlucken, denn auch das Note20 Ultra kommt mit dem Exynos 990, welcher im Vergleich zum Snapdragon 865, der in anderen Regionen verbaut wird, weniger Leistung und Akkulaufzeit bedeutet. Samsung will diesen aber weiter optimiert haben.
Beim Note10+ standen vor allem die mittelprächtigen Akkulaufzeiten und das zunächst etwas langsame WLAN im Fokus unserer Kritik, ob es Samsung beim Note20 Ultra besser macht und ob sich ein Umstieg lohnt, erfahren Sie im folgenden Test.
Vergleichsgeräte
Bew. | Datum | Modell | Gewicht | Laufwerk | Größe | Auflösung | Preis ab |
|---|---|---|---|---|---|---|---|
| 89.6 % v7 (old) | 02 / 2021 | Samsung Galaxy Note20 Ultra Exynos 990, Mali-G77 MP11 | 208 g | 256 GB UFS 3.1 Flash | 6.90" | 3088x1440 | |
| 87.5 % v7 (old) | 08 / 2019 | Samsung Galaxy Note10+ Exynos 9825, Mali-G76 MP12 | 196 g | 256 GB UFS 3.0 Flash | 6.80" | 3040x1440 | |
| 89 % v7 (old) | 12 / 2019 | Huawei Mate 30 Pro Kirin 990, Mali-G76 MP16 | 198 g | 256 GB UFS 3.0 Flash | 6.53" | 2400x1176 | |
| 88.2 % v7 (old) | 04 / 2020 | Xiaomi Mi 10 Pro SD 865, Adreno 650 | 208 g | 256 GB UFS 3.0 Flash | 6.67" | 2340x1080 | |
| 87.1 % v7 (old) | 09 / 2019 | Apple iPhone 11 Pro Max A13 Bionic, A13 Bionic GPU | 226 g | 64 GB SSD | 6.50" | 2688x1242 |
Gehäuse - Note20 Ultra mit mattem Glas
Das Samsung Galaxy Note20 Ultra ist den Farben Mystic White, Mystic Black und Mystic Bronze verfügbar. Gegenüber dem Vorgänger hat es 12 Gramm an Gewicht und sowohl in der Bauhöhe als auch der Länge etwas zugelegt. Optisch springt direkt das gewaltige Kameramodul ins Auge, welches sich 2,45 Millimeter von der Rückseite abhebt. Diese ist nun mit einem matten Glas bedeckt, welches optisch wie haptisch ein echtes Highlight ist - Fingerabdrücke sind auch darauf noch sichtbar, jedoch ist dies kein Vergleich zu einem spiegelnden Glas.
Das Galaxy Note20 Ultra ist zudem das erste Smartphone, welches das neue Gorilla Glas Victus nutzt, was sich in vielen Tests bereits bewährt hat. Die Verarbeitung als solche ist hervorragend. Die Spaltmaße sind sehr eng und schließen an allen Kanten sauber ab. Auch Druck und Verwindungsversuche machen dem Smartphone nichts aus.
Die Blende des Kartenschlittens ist in der gleichen Farbe gehalten wie der übrige Metallrahmen und schließt bündig mit diesem ab. Der Schlitten selbst ist aus einem grauen Kunststoff und kann entweder zwei Nano-SIM-Karten oder statt der zweiten SIM eine microSD-Karte aufnahmen. Das Galaxy Note20 Ultra ist zudem gemäß IP68 gegen das Eindringen von Staub und Wasser geschützt.
Ausstattung - Samsung-Handy mit USB 3.2
Wer sich aufgrund der Nennung von USB 3.2 auf neue Features oder mehr Geschwindigkeit für die Schnittstelle gefreut hat, wird enttäuscht, denn Samsung passt einfach nur die Namensgebung an. Es handelt sich genauer gesagt um einen USB 3.2 Gen. 1 Port (vormals USB 3.1 Gen. 1, davor USB 3.0), der eine Datenübertragung von bis zu 5 GBit/s unterstützt, sowie die Bildausgabe an HDMI- beziehungsweise DisplayPort-Eingängen. Samsung DeX steht als Desktopsystem weiterhin zu Verfügung, ist an einem externen Bildschirm jedoch weiterhin auf 1.080p beschränkt. Wer aber das Bild an einem DisplayPort einspeist und das Smartphone nur spiegeln möchte, kann dies auch in Ultra HD (60 FPS) bewerkstelligen.
Der microSD-Slot kann Speichermedien mit bis zu 1 TB verwalten und unterstützt das exFAT-Dateisystem. Apps können zwar teilweise Daten auf den optionalen Speicher auslagern, jedoch nicht direkt dorthin installiert werden.
Bei den übrigen Schnittstellen hat sich im Vergleich zum Vorgänger nichts getan. Auch im Note20 Ultra ist weder ein Radioempfänger noch ein IR-Blaster verbaut. Ebenso verzichtet Samsung weiterhin auf eine Audioklinke und legt auch einen passenden Adapter in den Lieferumfang.
Software - Note20 mit One UI 2.5 und Android 10
Das Samsung Galaxy Note20 Ultra wird mit dem aktuellen Android 10 und der hauseignen One UI 2.5 ausgeliefert. Positiv ist sicherlich, dass die Koreaner mittlerweile drei Major-Updates für seine Flaggschiff-Smartphones versprochen haben (wir berichten), sodass ein Käufer auf dem Note20 Ultra sogar noch mit Android 13 rechnen darf.
Samsung installiert wieder zahlreiche Apps von Drittanbietern vor. Darunter befinden sich Facebook, Netflix, Spotify und zahlreiche Apps von Microsoft. Vor allem die Unterhaltungsanbieter können nicht einfach gelöscht, sondern nur deaktiviert werden. Praktisch ist zudem die Integration von Mein Smartphone, welches es erlaubt Benachrichtigungen direkt auf dem eignen Windows-Computer zu erhalten oder das Smartphone einfach in einem eigenen Fenster zu spiegeln und per Drag & Drop Daten auszutauschen.
Das Note20 Ultra unterstützt zudem den Xbox Game Pass Ultimate, sodass Konsolentitel direkt aus der Cloud auf das Smartphone gestreamt werden können.
Kommunikation und GNSS - Galaxy-Smartphone mit Wi-Fi 6 und 5G
Das Samsung Galaxy Note20 Ultra besitzt ein Wi-Fi-6-WLAN-Modul, welches im Zusammenspiel mit unserem Referenzrouter Netgear Nighthawk AX12 für hohe Übertragungsraten sorgt. Der Empfang der Daten geht sehr stabil vonstatten, beim Senden schwanken die Datenraten etwas, bleiben aber dennoch auf einem hohen Niveau. Auch die Reichweite des WLANs kann im Test überzeugen.
Mobil gelangt das Note20 Ultra mit allen modernen wie alten Mobilfunkstandards ins Internet. Neben LTE Cat. 20 steht dabei auch 5G mit einer breiten Frequenzabdeckung zur Verfügung. Anders als bei den Snapdragon-Versionen muss hier jedoch auf die Unterstützung von mmWave verzichtet werden.
Der Hybrid-SIM-Slot kann zwei Nano-SIM-Karten aufnehmen, von denen eine mit dem 5G-Netz verbunden sein kann. Wer den zweiten Slot mit einer Speicherkarte belegt, kann auch auf die integrierte eSIM zurückgreifen.
Das Samsung Galaxy Note20 Ultra unterstützt die Satellitennetzwerke (GNSS) GPS, Glonass, BeiDou und Galileo, von denen das amerikanische und das europäische GNSS auch im Dual-Band-Modus genutzt werden können. Der Satfix dauert in Gebäuden recht lange und ist auch nicht sonderlich genau, im Freien gelingt dieser aber flott und mit einer hohen Präzision.
Auf unserer obligatorischen Radtour muss sich das Samsung-Phablet dem Vergleich mit dem Garmin Edge 500 stellen. Auf der Gesamtstrecke von fast zwölf Kilometern liegen die beiden gerade mal 80 Meter weit auseinander. Bei der Detailbetrachtung weiß das Note20 Ultra zu überzeugen und ortet sogar etwas genauer als der Fahrrad-Computer.
Telefonfunktionen und Sprachqualität
Die Sprachqualität des Samsung Galaxy Note20 Ultra gefällt uns sehr gut, wenn das Smartphone ans Ohr gehalten wird. Beide Gesprächsteilnehmer sind tadellos zu verstehen und selbst laute Umgebungsgeräusche werden herausgefiltert.
Weniger gut ist jedoch die Leistung im Freisprechermodus. Die Stimme des Nutzers wirkt leicht dumpf und wenn das Smartphone nicht unmittelbar neben einem liegt, wird die Stimme nur sehr leise aufgenommen.
Funktionen wie VoLTE und WLAN-Calling werden vom Galaxy Note20 Ultra unterstützt.
Kameras - Galaxy Note20 mit verbessertem Zoom
Die Frontkamera des Galaxy Note20 Ultra löst mit 10 MP auf und kann auf einen Dual-Pixel-Autofokus zurückgreifen. Damit gelingen bei Tag nicht nur ausgewogene Selfies, sondern auch Videos können aufgezeichnet werden, bestenfalls in 2.160p mit 60 FPS.
Die Triple-Kamera auf der Rückseite besitzt den gleichen 108-MP-Sensor wie schon das Galaxy S20 Ultra, wurde aber vor allem in puncto Autofokus spürbar verbessert. Die Aufnahmen gelingen bei Tageslicht sehr gut, auch bei schwachem Licht, kann die Optik aufgrund einer ausgeklügelten Software überzeugen. Samsung hat sich hier ein Bespiel an Apple genommen und aktiviert einfach den Nachtmodus automatisch, wenn das Licht nicht ausreicht. Wer das nicht wünscht, kann dies auch in den Einstellungen wieder deaktivieren. In unserem Low-Light-Setting bedeutet dies, dass das Note20 Ultra direkt satte drei Sekunden für die Aufnahme benötigt. Entsprechend gut fällt das Ergebnis aus und suggeriert im Vergleich ein besseres Resultat als das Huawei P40 Pro+, doch der Eindruck täuscht, denn das Huawei-Smartphone benötigte nur einen Moment für seine Aufnahme. Gewähren wir dem Note20 Ultra die gleiche Zeit, fällt das Ergebnis wesentlich schlechter aus. Wer statische Motive bei Nacht ablichten möchte, wird das nicht als störend empfinden, bei Personen sind jedoch Verwackler garantiert.
Einen großen Schritt in die richtige Richtung geht Samsung beim Zoom-Objektiv, denn da steckt jetzt eine vollwertige, fünffache optische Vergrößerung drin (digital bis 50-fach), was sich bei den aufgenommen Bildern sehr positiv bemerkbar macht und das Note20 Ultra dicht an die Konkurrenz von Huawei heranbringt. Die Leistung des Ultraweitwinkels ist mit der des S20 Ultra identisch.
Videos können bestenfalls in 8k mit 24 Bildern pro Sekunde aufgezeichnet werden. Wer 60 FPS wünscht, muss Ultra HD oder Full HD nutzen. Außerdem stehen auch wieder Superzeitlupen und zahlreiche andere Funktionen bereit.
Bildervergleich
Wählen Sie eine Szene und navigieren Sie im ersten Bild. Ein Klick ändert die Position bei Touchscreens. Ein Klick auf die vergrößerten Bilder öffnet das Original in einem neuen Fenster. Das erste Bild zeigt das skalierte Foto, welches mit dem Testgerät aufgenommen wurde.
WeitwinkelWeitwinkelLow-LightZoomUltraweitwinkelUnter angepassten Lichtbedingungen zeigt das Galaxy Note20 Ultra einen hohen Detailgrad bei der Abbildung unseres Testschart, was unter guten Lichtbedingung auch auf die hohe Megapixelzahl zurückzuführen ist. Dennoch zeigt die Aufnahme bei feinen Schriften und in den Randbereichen leichte Defizite.
Die Farbdarstellung ist vergleichsweise natürlich und nur leicht übersättigt.


Zubehör und Garantie - S-Pen ohne Ersatzminen
Im Lieferumfang des Samsung Galaxy Note20 Ultra sind neben dem modularen Netzteil (25 Watt), ein USB-Kabel, ein Headset, ein SIM-Werkzeug sowie Dokumentationen enthalten. Nicht mehr enthalten ist das Wechselwerkzeug und Ersatzminen für den S-Pen, was in puncto Nachhaltigkeit sehr fragwürdig ist, zumal diese auch nicht über den Shop angeboten werden und im Netz ebenfalls nur Ersatzstifte zu finden sind. Optional sind zahlreiche Hüllen für das Smartphone verfügbar, welche bei knapp unter 20 Euro starten.
Wer sein Smartphone zwei Jahre gegen Unfallschäden versichern möchte, kann zusätzlich das Care+ Paket buchen, welches einmalig 149 Euro oder monatlich 7 Euro kostet. Davon abgesehen gewährt Samsung generell 24 Monate Garantie auf sein Produkt.
Handyhülle: Gear4 Crystal Palace
Der Zubehörhersteller Zagg war so freundlich, uns ein Exemplar der Schutzhülle Gear4 Crystal Palace (ab 46 Euro bei Amazon) zur Verfügung zu stellen. Die transparente Schutzhülle bietet den Vorteil, das edle Design des Galaxy Note20 Ultra nicht zu verdecken, die Abmessungen des Samsung-Smartphones wachsen jedoch sichtbar an. Haptisch wird für eine stark verbesserte Griffigkeit gesorgt und auch die Rutschigkeit wird leicht reduziert.
Die Smartphone Hülle besteht teilweise aus recyceltem Kunststoff, wie hoch der Anteil ist, verrät der Hersteller jedoch nicht. Kabelloses Laden wird durch die Hülle nicht eingeschränkt und die antibakterielle Behandlung der Oberfläche soll vor anhaftenden Gerüchen und Vergilbung schützen. Tatsächlich ist die Hülle auch nach über einem Monat Nutzung so klar wie am ersten Tag und absolut geruchsneutral.
Das Highlight der Gear4 Crystal Palace ist jedoch der Sturzschutz aus einer Höhe von bis zu vier Metern. Auf eine Überprüfung dieser Angabe haben wir jedoch verzichtet. Dennoch hinterlässt die Handyhülle einen robusten Eindruck, weshalb wir ihr diesen Schutz durchaus zutrauen, sofern das Smartphone nicht direkt auf das Display oder die Kamera fällt.
Eingabegeräte & Bedienung - S-Pen-Power
Der S-Pen ist das Alleinstellungsmerkmal der Galaxy-Note-Serie und auf den ersten Blick sehr ähnlich gegenüber seinem Vorgänger. Er erkennt bis zu 4.096 Druckstufen und hat eine 0,7 Millimeter breite Spitze. Die Eingabelatenz soll von 25 auf 9 Millisekunden verbessert worden sein. Gemäß den Angaben der Samsung-Webseite in den USA ist dies aber vielmehr auf das 120-Hz-Panel zurückzuführen als auf einen veränderten Stift, zumindest konnten wir im direkten Vergleich mit dem Galaxy Note10+ subjektiv keine Veränderung feststellen. Die Stifte lassen sich zudem problemlos zwischen den unterschiedlichen Generationen austauschen. Verbessert wurden auf jeden Fall die Standby-Zeiten des S-Pens, welcher auch mittels Bluetooth mit dem Note20 kommuniziert. Waren es beim Vorgänger noch bis zu 10 Stunden, sind es nun immerhin satte 24. Der Funktionsumfang wurde weder erweitert noch verkleinert. Neben den Offscreen-Notizen können unter anderem wie gewohnt Screenshots direkt beschriftet oder per Handschrifterkennung Texte direkt in Word formatiert werden. Der kleine Stift bietet zahlreiche Möglichkeiten und besitzt weiterhin ein gutes Schreibgefühlt, welches ein wenig härter ausfällt als noch beim Note10.
Der kapazitive Touchscreen erkennt bis zu zehn Berührungen gleichzeitig und sehr zuverlässig. Die Gleiteigenschaften des Corning Gorilla Glas Victus sind ausgezeichnet. Für die biometrische Sicherheit wurde ein Fingerabdruckscanner in das Display integriert, welcher eine hohe Erkennungsrate besitzt und das Smartphone schnell entsperrt. Einfacher und schneller funktioniert es mit der 2D-Gesichtserkennung, welche jedoch auch weniger sicher ist.
Display - Samsung mit superhellem AMOLED
Das Dynamic-AMOLED-Display des Samsung Galaxy Note20 Ultra wächst auf 6,9 Zoll (17,53 cm) an, besitzt jedoch die gleiche technische Tücke wie das S20 Ultra, indem es dem Nutzer die Wahl lässt, entweder die hohe Auflösung in QHD+ zu wählen und nur 60 Hz zu nutzen oder die Auflösung auf Full HD+ zu reduzieren, um dann eine adaptive Bildwiederholrate von bis zu 120 Hz nutzen zu können.
Mit aktiviertem Umgebungslichtsensor erreicht das Panel bei einer reinweißen Darstellung eine enorm hohe Leuchtkraft von durchschnittlich 878 cd/m² und zeigt sich sehr gleichmäßig ausgeleuchtet. Bei einer Messung mit gleichmäßig verteilten hellen und dunklen Flächen (APL50) klettert die Helligkeit sogar auf 1.221 cd/m², bei APL10 sind es 1.350 cd/m². Spitze! Wer auf den Umgebungslichtsensor verzichtet, kann maximal 399 cd/m² zurückgreifen, jedoch greift dieser dennoch ein, wenn es mal sehr hell wird.
Vor dem typischen Flackern eines OLED-Panels ist auch das Galaxy Note20 Ultra nicht gefeit, jedoch bewegt sich dieses zwischen 231,5 und 245,1 Hz und damit in einem recht engen Rahmen, sodass sensitive Personen tendenziell eher weniger Beschwerden haben sollten.
Ansonsten offeriert Samsung ein stark konfigurierbares Always-on-Display sowie einen Blaulichtfilter, um abends die Augen zu schonen. Ebenso werden HDR10 sowie HDR10+ unterstützt.
| |||||||||||||||||||||||||
Ausleuchtung: 96 %
Helligkeit Akku: 860 cd/m²
Kontrast: ∞:1 (Schwarzwert: 0 cd/m²)
ΔE ColorChecker Calman: 4.5 | ∀{0.5-29.43 Ø4.78}
ΔE Greyscale Calman: 2.4 | ∀{0.09-98 Ø5}
96.9% sRGB (Calman 2D)
Gamma: 2
CCT: 6466 K
| Samsung Galaxy Note20 Ultra Dynamic AMOLED, 3088x1440, 6.9" | Samsung Galaxy Note10+ Dynamic AMOLED, 3040x1440, 6.8" | Huawei Mate 30 Pro OLED, 2400x1176, 6.5" | Xiaomi Mi 10 Pro Super AMOLED, 2340x1080, 6.7" | Apple iPhone 11 Pro Max OLED, 2688x1242, 6.5" | |
|---|---|---|---|---|---|
| Bildschirm | 9% | 4% | 30% | 23% | |
| Helligkeit Bildmitte (cd/m²) | 860 | 683 -21% | 592 -31% | 753 -12% | 790 -8% |
| Brightness (cd/m²) | 878 | 694 -21% | 605 -31% | 762 -13% | 790 -10% |
| Brightness Distribution (%) | 96 | 96 0% | 96 0% | 96 0% | 97 1% |
| Schwarzwert * (cd/m²) | |||||
| Delta E Colorchecker * | 4.5 | 2.9 36% | 2.5 44% | 0.9 80% | 1.4 69% |
| Colorchecker dE 2000 max. * | 10.4 | 4.8 54% | 5.5 47% | 1.6 85% | 3.4 67% |
| Delta E Graustufen * | 2.4 | 2.2 8% | 2.6 -8% | 1.5 37% | 1.9 21% |
| Gamma | 2 110% | 2.11 104% | 2.16 102% | 2.24 98% | 2.23 99% |
| CCT | 6466 101% | 6247 104% | 6173 105% | 6415 101% | 6466 101% |
* ... kleinere Werte sind besser
Bildschirm-Flackern / PWM (Pulse-Width Modulation)
| Flackern / PWM festgestellt | 245.1 Hz | ≤ 99 % Helligkeit | |
Das Display flackert mit 245.1 Hz (im schlimmsten Fall, eventuell durch Pulsweitenmodulation PWM) bei einer eingestellten Helligkeit von 99 % und darunter. Darüber sollte es zu keinem Flackern kommen. Die Frequenz von 245.1 Hz ist relativ gering und daher sollte es bei sensiblen Personen zu Problemen wie Flackern oder Augenbeschwerden führen. Im Vergleich: 53 % aller getesteten Geräte nutzten kein PWM um die Helligkeit zu reduzieren. Wenn PWM eingesetzt wurde, dann bei einer Frequenz von durchschnittlich 8121 (Minimum 5, Maximum 343500) Hz. | |||
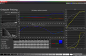
Die Darstellungsanalyse mit CalMAN zeigt ebenfalls, dass das Panel des Galaxy Note20 Ultra sehr gut ist. Doch selbst mit optimalen Einstellungen, gibt es Konkurrenten, die eine exaktere Farbwiedergabe und Graustufenabbildung erreichen als das Samsung-Handy, was jedoch Jammern auf sehr hohem Niveau darstellt.
Reaktionszeiten (Response Times) des Displays
| ↔ Reaktionszeiten Schwarz zu Weiß | ||
|---|---|---|
| 3.2 ms ... steigend ↗ und fallend ↘ kombiniert | ↗ 2 ms steigend | |
| ↘ 1.2 ms fallend | ||
| Die gemessenen Reaktionszeiten sind sehr kurz, wodurch sich der Bildschirm auch für schnelle 3D Spiele eignen sollte. Im Vergleich rangierten die bei uns getesteten Geräte von 0.1 (Minimum) zu 240 (Maximum) ms. » 13 % aller Screens waren schneller als der getestete. Daher sind die gemessenen Reaktionszeiten besser als der Durchschnitt aller vermessenen Geräte (20.2 ms). | ||
| ↔ Reaktionszeiten 50% Grau zu 80% Grau | ||
| 8.8 ms ... steigend ↗ und fallend ↘ kombiniert | ↗ 4.4 ms steigend | |
| ↘ 4.4 ms fallend | ||
| Die gemessenen Reaktionszeiten sind kurz wodurch sich der Bildschirm auch für Spiele gut eignen sollte. Im Vergleich rangierten die bei uns getesteten Geräte von 0.165 (Minimum) zu 636 (Maximum) ms. » 21 % aller Screens waren schneller als der getestete. Daher sind die gemessenen Reaktionszeiten besser als der Durchschnitt aller vermessenen Geräte (31.6 ms). | ||
Leistung - Exynos 990 mit besserer Systemperformance
Das Samsung Galaxy Note20 Ultra ist in der europäischen Variante mit dem hauseigenen Exynos 990 ausgestattet, welcher von 12 GB LPDDR5-Arbeitsspeicher unterstützt wird. Für die Grafikberechnungen steht eine ARM Mali-G77 MP11 bereit. Diese SoC ist bereits ein alter Bekannter aus der Galaxy-S20-Reihe und liefert definitiv eine starke Performance, bleibt jedoch hinter dem aktuellen Spitzen-SoC von Qualcomm zurück. Ärgerlich ist das vor allem, weil in anderen Regionen der Snapdragon 865 Plus verbaut wird, sodass die Leistungslücke noch etwas weiter klafft als noch bei den S20-Modellen.
Das SoC selbst zeigt sich in den Benchmarks auf dem erwarteten Niveau, bei den Systembenchmarks jedoch leicht verbessert. Bei manchen GFXBench-Testläufen fällt der Exynos 990 in den Offscreen-Werten jedoch etwas ab, was auf thermische Defizite zurückzuführen ist.
| AnTuTu v8 - Total Score (nach Ergebnis sortieren) | |
| Samsung Galaxy Note20 Ultra | |
| Huawei Mate 30 Pro | |
| Xiaomi Mi 10 Pro | |
| Apple iPhone 11 Pro Max | |
| Durchschnittliche Samsung Exynos 990 (296746 - 527820, n=5) | |
| Basemark GPU 1.1 | |
| 1920x1080 Vulkan Medium Offscreen (nach Ergebnis sortieren) | |
| Samsung Galaxy Note10+ | |
| Huawei Mate 30 Pro | |
| Durchschnittliche Samsung Exynos 990 (71.4 - 71.6, n=2) | |
| Vulkan Medium Native (nach Ergebnis sortieren) | |
| Samsung Galaxy Note10+ | |
| Huawei Mate 30 Pro | |
| Durchschnittliche Samsung Exynos 990 (42.3 - 63, n=2) | |
| 1920x1080 OpenGL Medium Offscreen (nach Ergebnis sortieren) | |
| Samsung Galaxy Note10+ | |
| Huawei Mate 30 Pro | |
| Durchschnittliche Samsung Exynos 990 (84.1 - 85.6, n=2) | |
| VRMark - Amber Room (nach Ergebnis sortieren) | |
| Samsung Galaxy Note10+ | |
| Huawei Mate 30 Pro | |
| Xiaomi Mi 10 Pro | |
| Durchschnittliche Samsung Exynos 990 (4607 - 4957, n=3) | |
Das Surfen im Web geht mit dem Galaxy Note20 Ultra gefühlt sehr flott von der Hand, in den Benchmarks landet es jedoch nur im Mittelfeld.
| Jetstream 2 - 2.0 Total Score | |
| Durchschnitt der Klasse Smartphone (23.8 - 387, n=152, der letzten 2 Jahre) | |
| Apple iPhone 11 Pro Max (Safari Mobile 13.1) | |
| Huawei Mate 30 Pro (Chrome 78) | |
| Xiaomi Mi 10 Pro (Chrome 81) | |
| Samsung Galaxy Note20 Ultra (Chrome 84) | |
| Durchschnittliche Samsung Exynos 990 (50.6 - 56.8, n=5) | |
| Samsung Galaxy Note10+ (Samung Browser 9.2) | |
| JetStream 1.1 - Total Score | |
| Apple iPhone 11 Pro Max (Safari Mobile 13.1) | |
| Huawei Mate 30 Pro (Chrome 78) | |
| Xiaomi Mi 10 Pro (Chrome 81) | |
| Samsung Galaxy Note20 Ultra (Chrome 84) | |
| Durchschnittliche Samsung Exynos 990 (89.3 - 96.2, n=5) | |
| Samsung Galaxy Note10+ (Samsung Browser 9.2) | |
| Speedometer 2.0 - Result 2.0 | |
| Durchschnitt der Klasse Smartphone (15.2 - 643, n=128, der letzten 2 Jahre) | |
| Apple iPhone 11 Pro Max (Safari Mobile 13.1) | |
| Huawei Mate 30 Pro (Chrome 78) | |
| Xiaomi Mi 10 Pro (Chrome 81) | |
| Durchschnittliche Samsung Exynos 990 (50.8 - 64.4, n=4) | |
| Samsung Galaxy Note10+ (Samsung Browser 9.2) | |
| WebXPRT 3 - Overall | |
| Apple iPhone 11 Pro Max (Safari Mobile 13.1) | |
| Durchschnitt der Klasse Smartphone (38 - 380, n=35, der letzten 2 Jahre) | |
| Huawei Mate 30 Pro (Chrome 78) | |
| Samsung Galaxy Note10+ (Samsung Browser 9.2) | |
| Samsung Galaxy Note20 Ultra (Chrome 84) | |
| Xiaomi Mi 10 Pro (Chrome 81) | |
| Durchschnittliche Samsung Exynos 990 (86 - 102, n=5) | |
| Octane V2 - Total Score | |
| Apple iPhone 11 Pro Max (Safari Mobile 13.1) | |
| Durchschnitt der Klasse Smartphone (2228 - 121337, n=200, der letzten 2 Jahre) | |
| Huawei Mate 30 Pro (Chrome 78) | |
| Xiaomi Mi 10 Pro (Chrome 81) | |
| Samsung Galaxy Note20 Ultra (Chrome 84) | |
| Samsung Galaxy Note10+ (Samsung Browser 9.2) | |
| Durchschnittliche Samsung Exynos 990 (18094 - 20022, n=5) | |
| Mozilla Kraken 1.1 - Total | |
| Samsung Galaxy Note10+ (Samsung Browser 9.2) | |
| Durchschnittliche Samsung Exynos 990 (2294 - 2511, n=5) | |
| Samsung Galaxy Note20 Ultra (Chrome 84) | |
| Xiaomi Mi 10 Pro (Chrome 81) | |
| Huawei Mate 30 Pro (Chrome 78) | |
| Durchschnitt der Klasse Smartphone (257 - 28190, n=155, der letzten 2 Jahre) | |
| Apple iPhone 11 Pro Max (Safari Mobile 13.1) | |
* ... kleinere Werte sind besser
In unserem Testgerät steckt ein 256 GB großer UFS-3.1-Speicher. Optional ist dieser auch mit 512 GB zu haben. Der Unterschiede zu UFS 3.0 sind nicht groß, da die Speicherbandbreite gleich geblieben ist, lediglich die maximalen Schreibraten wurden erheblich gesteigert, was sich bisher bei allen Smartphones, welche wir mit den neuen Speicher getestet haben, noch nicht bemerkbar macht. Dies wird sich sicherlich erst mit den neuen SoCs ändern.
Die Geschwindigkeit des Speichers ist sehr hoch, zeigt jedoch eine etwas schwächere Performance beim Lesen und Schreiben kleiner Datenblöcke. Dies sollte im Alltag aber keine spürbare Rolle spielen.
Der microSD-Kartenslot, welchen wir mit unsrer Referenzkarte Toshiba Exceria Pro M501 überprüft haben, ist vergleichsweise langsam.
| Samsung Galaxy Note20 Ultra | Samsung Galaxy Note10+ | Huawei Mate 30 Pro | Xiaomi Mi 10 Pro | Durchschnittliche 256 GB UFS 3.1 Flash | Durchschnitt der Klasse Smartphone | |
|---|---|---|---|---|---|---|
| AndroBench 3-5 | -7% | 7% | 13% | 29% | 66% | |
| Sequential Read 256KB (MB/s) | 1782 | 1504 -16% | 1781 0% | 1739 -2% | 1757 ? -1% | 2225 ? 25% |
| Sequential Write 256KB (MB/s) | 802 | 588 -27% | 401.8 -50% | 750 -6% | 1204 ? 50% | 1838 ? 129% |
| Random Read 4KB (MB/s) | 186.7 | 196.2 5% | 226.4 21% | 264.9 42% | 287 ? 54% | 295 ? 58% |
| Random Write 4KB (MB/s) | 217.7 | 183.6 -16% | 259.2 19% | 258.5 19% | 318 ? 46% | 334 ? 53% |
| Sequential Read 256KB SDCard (MB/s) | 65.6 ? | 71 ? 8% | 82.5 ? 26% | 75.9 ? 16% | ||
| Sequential Write 256KB SDCard (MB/s) | 55.6 ? | 59.5 ? 7% | 69.2 ? 24% | 61.9 ? 11% |
Spiele - Note20 Ultra ist bestens gerüstet
Das Samsung Galaxy Note20 Ultra bietet ein gutes Gesamtpaket für Spieler. Neben einem großen 120-Hz-Display und guten Lautsprechern besitzt es auch ein potentes SoC. Mit unserem Partner GameBench haben wir uns ein paar Titel näher angeschaut.
Bei PUBG Mobile zieht Samsung eisern eine 40-FPS-Grenze, egal welches Grafiksetting wir wählen. Dafür lässt es sich aber sehr stabil und ohne Framedrops spielen. Bei Dead Trigger 2 lässt sich prima die adaptive Bildwiederholrate beobachten, denn das Smartphone passt die FPS auch während des Spielens kontinuierlich an. Kleiner Haken, die hohen Framezahlen sind nicht bei allen Titeln möglich. So können wir bei Armajet (bis 144 FPS) nur 60 FPS einstellen.
Emissionen - Wenig Leistung unter Last
Temperatur
Die Oberflächentemperaturen sind zu jeder Zeit unbedenklich und selbst unter Last wird das Samsung-Smartphone nicht mal handwarm.
Im Inneren steht das Note20 Ultra jedoch vor größeren Problemen, wie das Manhattan-Szenario des GFXBench-Akkutests zeigt. Dabei wird der entsprechende Benchmark dreißigmal hintereinander durchgeführt und sowohl die Akkuwerte als auch die Framezahlen protokolliert. Bereits nach dem siebten Durchlauf büßt das Note rund ein Drittel seiner ursprünglichen Leistung ein, nach dem zwanzigsten sind es sogar rund 50 Prozent. Andere Smartphones wie das Asus ROG Phone 3 schaffen durchgehend fast die dreifache Framezahl. Kein Wunder also, dass Samsung bei Spielen die Frames direkt entsprechend begrenzt.
(+) Die maximale Temperatur auf der Oberseite ist 33.8 °C. Im Vergleich liegt der Klassendurchschnitt bei 35.2 °C (von 21.9 bis 247 °C für die Klasse Smartphone).
(+) Auf der Unterseite messen wir eine maximalen Wert von 31.1 °C (im Vergleich zum Durchschnitt von 34 °C).
(+) Ohne Last messen wir eine durchschnittliche Temperatur von 25.7 °C auf der Oberseite. Der Klassendurchschnitt erreicht 32.9 °C.
Lautsprecher
Die beiden Lautsprecher des Samsung Galaxy Note20 Ultra sorgen für einen ausgewogenen Klang. Sie sind ausreichend laut, lassen aber erwartungsgemäß den Tiefbassbereich vermissen.
Alternativ kann ein Kopfhörer an den USB-Port angeschlossen oder Bluetooth für kabellose Systeme genutzt werden. Letzteres unterstützt wieder Dual-Audio, sodass zwei Bluetooth-Geräte gleichzeitig mit Audiosignalen versorgt werden können. Mit SBC, AAC, aptX und LDAC werden einige Audiocodecs unterstützt, jedoch muss auf aptX HD oder das neuere aptX Adaptiv verzichtet werden.
Samsung Galaxy Note20 Ultra Audio Analyse
(+) | Die Lautsprecher können relativ laut spielen (88.8 dB)
Bass 100 - 315 Hz
(-) | kaum Bass - 22.2% niedriger als der Median
(±) | durchschnittlich lineare Bass-Wiedergabe (10.7% Delta zum Vorgänger)
Mitteltöne 400 - 2000 Hz
(+) | ausgeglichene Mitten, vom Median nur 4.5% abweichend
(+) | lineare Mitten (3% Delta zum Vorgänger)
Hochtöne 2 - 16 kHz
(+) | ausgeglichene Hochtöne, vom Median nur 3.1% abweichend
(+) | sehr lineare Hochtöne (1.7% Delta zum Vorgänger)
Gesamt im hörbaren Bereich 100 - 16.000 Hz
(+) | hörbarer Bereich ist sehr linear (14.7% Abstand zum Median
Im Vergleich zu allen Geräten derselben Klasse
» 2% aller getesteten Geräte dieser Klasse waren besser, 2% vergleichbar, 96% schlechter
» Das beste Gerät hat einen Delta-Wert von 11%, durchschnittlich ist 35%, das schlechteste Gerät hat 134%
Im Vergleich zu allen Geräten im Test
» 18% aller getesteten Geräte waren besser, 4% vergleichbar, 77% schlechter
» Das beste Gerät hat einen Delta-Wert von 4%, durchschnittlich ist 24%, das schlechteste Gerät hat 134%
Apple iPhone 11 Pro Max Audio Analyse
(+) | Die Lautsprecher können relativ laut spielen (85.8 dB)
Bass 100 - 315 Hz
(-) | kaum Bass - 15.4% niedriger als der Median
(±) | durchschnittlich lineare Bass-Wiedergabe (10.3% Delta zum Vorgänger)
Mitteltöne 400 - 2000 Hz
(±) | zu hohe Mitten, vom Median 5.7% abweichend
(+) | lineare Mitten (5.9% Delta zum Vorgänger)
Hochtöne 2 - 16 kHz
(±) | zu hohe Hochtöne, vom Median nur 8.8% abweichend
(+) | sehr lineare Hochtöne (3.5% Delta zum Vorgänger)
Gesamt im hörbaren Bereich 100 - 16.000 Hz
(±) | hörbarer Bereich ist durchschnittlich linear (19.4% Abstand zum Median)
Im Vergleich zu allen Geräten derselben Klasse
» 27% aller getesteten Geräte dieser Klasse waren besser, 8% vergleichbar, 65% schlechter
» Das beste Gerät hat einen Delta-Wert von 11%, durchschnittlich ist 35%, das schlechteste Gerät hat 134%
Im Vergleich zu allen Geräten im Test
» 47% aller getesteten Geräte waren besser, 7% vergleichbar, 46% schlechter
» Das beste Gerät hat einen Delta-Wert von 4%, durchschnittlich ist 24%, das schlechteste Gerät hat 134%
Akkulaufzeit - Größerer Akku im Note20 Ultra
Energieaufnahme
Die Leistungsaufnahme des Samsung Galaxy Note20 Ultra liegt auf einem guten Niveau und zeigt sich nur unter voller Last als vergleichsweise hoch. Bei den Messungen zeichnet sich jedoch ab, dass die Kommunikationsmodule etwas mehr Energie benötigen.
Neben kabellosem Laden mit bis zu 15 Watt unterstützt das Smartphone auch Wireless PowerShare, um andere Geräte laden zu können. Kabelgebunden wird Schnellladen mit 25 Watt unterstützt, hier hat sich im Vergleich zum Note10+ also nichts geändert.
| Aus / Standby | |
| Idle | |
| Last |
|
Legende:
min: | |
| Samsung Galaxy Note20 Ultra 4500 mAh | Samsung Galaxy Note10+ 4300 mAh | Huawei Mate 30 Pro 4500 mAh | Xiaomi Mi 10 Pro 4500 mAh | Apple iPhone 11 Pro Max 3969 mAh | Durchschnittliche Samsung Exynos 990 | Durchschnitt der Klasse Smartphone | |
|---|---|---|---|---|---|---|---|
| Stromverbrauch | -31% | -13% | 9% | -49% | -22% | -25% | |
| Idle min * (Watt) | 0.65 | 0.7 -8% | 0.87 -34% | 0.61 6% | 0.92 -42% | 0.846 ? -30% | 0.848 ? -30% |
| Idle avg * (Watt) | 1.06 | 1.81 -71% | 1.75 -65% | 1.19 -12% | 2.9 -174% | 1.534 ? -45% | 1.435 ? -35% |
| Idle max * (Watt) | 1.49 | 1.92 -29% | 1.83 -23% | 1.23 17% | 2.94 -97% | 1.858 ? -25% | 1.621 ? -9% |
| Last avg * (Watt) | 4.91 | 7.57 -54% | 3.85 22% | 4.18 15% | 3.65 26% | 5.14 ? -5% | 6.99 ? -42% |
| Last max * (Watt) | 10.29 | 9.34 9% | 6.64 35% | 8.53 17% | 6.18 40% | 10.7 ? -4% | 11.3 ? -10% |
* ... kleinere Werte sind besser
Akkulaufzeit
Der Akku des Galaxy Note20 Ultra wächst auf 4.500 mAh an und ist damit hauptverantwortlich für die etwas besseren Akkulaufzeiten gegenüber dem Vorgänger.
Ansonsten zeichnet sich ein ähnliches Bild wie schon bei den S20-Modellen. Die Akkulaufzeiten sind gut, solange die Kommunikationsmodule nicht involviert sind. In unseren Tests mit aktiviertem WLAN fallen die Ergebnisse zwar ebenfalls noch gut aus, jedoch sind die Laufzeiten wesentlich kürzer als bei den Konkurrenten.
Bei moderater Nutzung ist sicherlich locker ein Tag Nutzung drin. Wer jedoch viel kommuniziert, Fotos macht oder gar online spielt, wird zwischendurch aufladen müssen.
| Samsung Galaxy Note20 Ultra 4500 mAh | Samsung Galaxy Note10+ 4300 mAh | Huawei Mate 30 Pro 4500 mAh | Xiaomi Mi 10 Pro 4500 mAh | Apple iPhone 11 Pro Max 3969 mAh | |
|---|---|---|---|---|---|
| Akkulaufzeit | -1% | 20% | 17% | 53% | |
| Idle (h) | 20.4 | 26.4 29% | 36.2 77% | 35.6 75% | 43.6 114% |
| H.264 (h) | 16.6 | 15.6 -6% | 18.3 10% | 16.2 -2% | 22.4 35% |
| WLAN (h) | 10.7 | 8.9 -17% | 13.7 28% | 14.4 35% | 15.2 42% |
| Last (h) | 5.6 | 5.1 -9% | 3.7 -34% | 3.3 -41% | 6.8 21% |
Pro
Contra
Fazit - Eine schwere Entscheidung
Das Samsung Galaxy Note20 Ultra ist zum Zeitpunkt des Tests eines der besten Smartphones, die es zu kaufen gibt. Das Phablet glänzt im Test mit einem sehr hellen AMOLED-Display, einer hohen Systemgeschwindigkeit, einer guten wie vielseitigen Kamera, ansprechenden Lautsprechern und einem schicken Design. Und dann wäre da noch der S-Pen, ein sehr ausgereiftes Produkt mit vielen tollen Features.
Das Samsung Galaxy Note20 Ultra bietet ein ziemlich komplettes Gesamtpaket und das dreijährige Update-Versprechen gewährt eine lange Nutzungsdauer.
Erst der Blick ins Detail offenbart kleinere Ärgernisse. Allen voran das Dilemma der unterschiedlichen SoCs, welches einfach einen fahlen Beigeschmack hinterlässt. Denn nicht nur die Leistung ist mit dem Exynos schwächer, auch die Energieeffizienz leidet darunter und 5G muss ohne mmWave-Unterstützung auskommen. Ebenso hätte die Kalibrierung des Displays etwas sorgfältiger ausfallen dürfen, was mit dem Auge zwar kaum wahrnehmbar ist, aber eine bessere Wertung verhindert. Von einem Highend-Produkt hätten wir zudem erwartet, dass der 120-Hz-Modus des Panels auch mit QHD+ funktioniert.
Für Note-Liebhaber führt eh kein Weg am Galaxy Note20 Ultra vorbei, doch vor allem Besitzer der Vorjahresversion finden nur wenig Anreize für einen Wechsel, da Samsung manche Details einfach erst gar nicht verbessert hat. Wer den hohen Preis nicht scheut, erhält ein tolles Smartphone.
Samsung Galaxy Note20 Ultra
- 31.08.2022 v7 (old)
Daniel Schmidt

































































































