Acer Nitro 5 AN515-58 im Test: Flottes QHD-Gaming-Notebook

Acer hat mit dem Nitro 5 AN515-58 ein High-End-Gaming-Notebook im Sortiment, das von einem Core-i7-12700H-Prozessor und einer GeForce-RTX-3070-Ti-Laptop-GPU angetrieben wird. Die vorliegende Ausstattungsvariante ist für knapp 2.000 Euro zu haben. Zu den Konkurrenten zählen Geräte wie das HP Omen 16, das MSI Vector GP66 12UGS und das Lenovo Legion 5 Pro 16 G7.
mögliche Konkurrenten im Vergleich
Bew. | Datum | Modell | Gewicht | Dicke | Größe | Auflösung | Preis ab |
|---|---|---|---|---|---|---|---|
| 84 % v7 (old) | 06 / 2022 | Acer Nitro 5 AN515-58-72QR i7-12700H, GeForce RTX 3070 Ti Laptop GPU | 2.5 kg | 26.8 mm | 15.60" | 2560x1440 | |
| 86.9 % v7 (old) | 03 / 2022 | MSI Vector GP66 12UGS i9-12900H, GeForce RTX 3070 Ti Laptop GPU | 2.3 kg | 23.4 mm | 15.60" | 1920x1080 | |
| 85.5 % v7 (old) | 05 / 2022 | HP Omen 16-b1090ng i7-12700H, GeForce RTX 3070 Ti Laptop GPU | 2.3 kg | 23 mm | 16.10" | 2560x1440 | |
| 88 % v7 (old) | 03 / 2022 | Lenovo Legion 5 Pro 16 G7 i7 RTX 3070Ti i7-12700H, GeForce RTX 3070 Ti Laptop GPU | 2.6 kg | 26.6 mm | 16.00" | 2560x1600 |
Gehäuse - Acer setzt auf Kunststoff
Hochwertig anmutende Gehäusematerialien hat das Nitro 5 nicht zu bieten. Das gesamte Chassis ist aus matt-schwarzem Kunststoff gefertigt. Die RGB-Beleuchtung der Tastatur sowie ein paar dünne, bunte Streifen auf der Deckelrückseite bringen etwas Farbe ins Spiel. Die glatten Oberflächen des Chassis zeigen sich recht empfänglich für Fingerabdrücke. Der Akku ist im Gerät verbaut (verschraubt, nicht verklebt). Die Innereien sind nach der Demontage der Unterschale zugänglich.
Verarbeitungsmängel offenbart der Rechner nicht. Die Spaltmaße stimmen, es sind keine Materialüberstände aufzuspüren. Die Baseunit kann in geringem Maße verdreht werden, das Ganze bewegt sich aber im Rahmen. Der Deckel dürfte hingegen steifer ausfallen. Die Scharniere halten den Deckel fest in Position, der maximale Öffnungswinkel beträgt etwa 155 Grad. Eine Ein-Hand-Öffnung des Deckels ist möglich.
In Sachen Gewicht und Abmessungen liegt das Nitro in etwa gleichauf mit dem Lenovo Legion 5 Pro. Innerhalb des Vergleichsfeldes stellt das Omen 16 das kompakteste und leichteste Gerät dar.
Ausstattung - Acer Nitro bietet Thunderbolt 4
Das Nitro wartet mit drei USB-A-Steckplätzen (2x USB 3.2 Gen 2, 1x USB 3.2 Gen 1) und einem USB-C-Anschluss (Thunderbolt 4) auf. Letzterer unterstützt Power Delivery und Displayport per USB-C. Somit verfügt der Rechner zusammen mit dem HDMI-Steckplatz über zwei Videoausgänge. Dazu gesellen sich eine kombinierte Audiobuchse, ein Gigabit-Ethernet-Port und eine Öffnung für ein Kabelschloss. Einen Speicherkartenleser hat der Acer Laptop nicht zu bieten.
Kommunikation
Die unter optimalen Bedingungen (keine weiteren WLAN-Geräte in der näheren Umgebung, geringer Abstand zwischen Notebook und Server-PC) ermittelten WLAN-Transferraten fallen hervorragend aus und entsprechen den Möglichkeiten des WiFi-Chips (Killer AX1650i = Intel AX201; 802.11 ax). Drahtgebundene Netzwerkverbindungen wickelt ein Gigabit-Ethernet-Chip (Killer E2600) ab.
| Networking | |
| iperf3 transmit AXE11000 | |
| Acer Nitro 5 AN515-58-72QR | |
| Durchschnitt der Klasse Gaming (469 - 1862, n=122, der letzten 2 Jahre) | |
| HP Omen 16-b1090ng | |
| iperf3 receive AXE11000 | |
| Acer Nitro 5 AN515-58-72QR | |
| Durchschnitt der Klasse Gaming (680 - 1745, n=122, der letzten 2 Jahre) | |
| HP Omen 16-b1090ng | |
Webcam
Die Webcam (0,9 MP) erzeugt Bilder in einer maximalen Auflösung von 1.280 x 720 Bildpunkten. Es hapert bei der Farbgenauigkeit: Die Farben weichen deutlich vom Soll ab. Eine mechanische Abdeckung bietet die Kamera nicht.

Zubehör
Dem Notebook liegen die üblichen Dokumente bei: Eine Schnellstartanleitung und Garantieinformationen. Zudem findet sich ein kurzes Flachbandkabel samt SATA-Anschluss im Lieferumfang, das zum Einbau eines 2,5-Zoll-Speichermediums benötigt würde. Der zugehörige Einbaurahmen steckt bereits im Inneren des Notebooks.
Wartung
Nach Entfernung aller Schrauben auf der Geräteunterseite kann die Unterschale mit Hilfe eines flachen Spatels abgelöst werden. Hier muss mit Vorsicht vorgegangen werden: Die Unterschale sitzt recht fest. Anschließend besteht Zugriff auf die Arbeitsspeicherbänke (beide belegt), die SSD (PCIe 4), den zweiten M.2-2280-Steckplatz (PCIe 4), den 2,5-Zoll-Einbaurahmen, das WLAN-Modul, die Lüfter, die Lautsprecher und den Akku.
Garantie
Acer gewährt dem 15,6-Zöller in Deutschland eine zweijährige Garantie. Eine Erweiterung auf eine dreijährige Vor-Ort-Garantie schlägt mit knapp 120 Euro zu Buche.
Eingabegeräte - AN515 hat eine Tastatur mit RGB-Beleuchtung an Bord
Tastatur
Die beleuchtete Chiclet-Tastatur setzt sich aus konkaven (Buchstaben, Zahlenreihe) und eben gestalteten Tasten (Funktionstasten, Nummernblock) zusammen. Sie alle bieten einen mittleren Hub und einen klaren Druckpunkt. Der Tastenwiderstand dürfte für unseren Geschmack aber knackiger ausfallen. Während des Tippens gibt die Tastatur etwas nach. Als störend hat sich das nicht erwiesen. Die vierstufige RGB-Beleuchtung wird mittels zweier Funktionstasten gesteuert. Alles in allem liefert Acer hier eine alltagstaugliche Tastatur.
Touchpad
Display - Gaming-Notebook mit QHD-Panel
| |||||||||||||||||||||||||
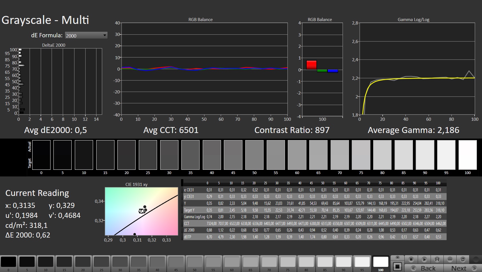
Ausleuchtung: 86 %
Helligkeit Akku: 332 cd/m²
Kontrast: 1145:1 (Schwarzwert: 0.29 cd/m²)
ΔE ColorChecker Calman: 3.61 | ∀{0.5-29.43 Ø4.78}
calibrated: 0.59
ΔE Greyscale Calman: 5.2 | ∀{0.09-98 Ø5}
85.2% AdobeRGB 1998 (Argyll 3D)
99.8% sRGB (Argyll 3D)
95.6% Display P3 (Argyll 3D)
Gamma: 2.155
CCT: 6724 K
| Acer Nitro 5 AN515-58-72QR Chi Mei N156KME-GNA, IPS, 2560x1440, 15.6" | MSI Vector GP66 12UGS BOE NE156FHM-NZ3, IPS, 1920x1080, 15.6" | HP Omen 16-b1090ng BOE09E5, IPS, 2560x1440, 16.1" | Lenovo Legion 5 Pro 16 G7 i7 RTX 3070Ti NE160QDM-NY1, IPS, 2560x1600, 16" | |
|---|---|---|---|---|
| Display | -14% | -14% | -16% | |
| Display P3 Coverage (%) | 95.6 | 70.1 -27% | 71 -26% | 68.7 -28% |
| sRGB Coverage (%) | 99.8 | 99.5 0% | 97.9 -2% | 97.6 -2% |
| AdobeRGB 1998 Coverage (%) | 85.2 | 72.1 -15% | 73.3 -14% | 70.9 -17% |
| Response Times | 35% | 8% | 7% | |
| Response Time Grey 50% / Grey 80% * (ms) | 15.7 ? | 5.8 ? 63% | 14.5 ? 8% | 17.6 ? -12% |
| Response Time Black / White * (ms) | 10.2 ? | 9.6 ? 6% | 9.4 ? 8% | 7.6 ? 25% |
| PWM Frequency (Hz) | ||||
| Bildschirm | -2% | -21% | 10% | |
| Helligkeit Bildmitte (cd/m²) | 332 | 353.1 6% | 335 1% | 502 51% |
| Brightness (cd/m²) | 303 | 325 7% | 319 5% | 491 62% |
| Brightness Distribution (%) | 86 | 85 -1% | 90 5% | 91 6% |
| Schwarzwert * (cd/m²) | 0.29 | 0.38 -31% | 0.28 3% | 0.37 -28% |
| Kontrast (:1) | 1145 | 929 -19% | 1196 4% | 1357 19% |
| Delta E Colorchecker * | 3.61 | 2.24 38% | 4.38 -21% | 2.7 25% |
| Colorchecker dE 2000 max. * | 7.71 | 5 35% | 9.48 -23% | 4.5 42% |
| Colorchecker dE 2000 calibrated * | 0.59 | 1.02 -73% | 1.33 -125% | 1.4 -137% |
| Delta E Graustufen * | 5.2 | 4 23% | 7 -35% | 2.7 48% |
| Gamma | 2.155 102% | 2.24 98% | 2.103 105% | 2.44 90% |
| CCT | 6724 97% | 6864 95% | 6244 104% | 6326 103% |
| Durchschnitt gesamt (Programm / Settings) | 6% /
1% | -9% /
-15% | 0% /
4% |
* ... kleinere Werte sind besser
Der Bildschirm stellt die Farben bereits im Auslieferungszustand recht ordentlich dar. Die geringe Farbabweichung ist nicht wahrnehmbar. Eine Kalibrierung bewirkt deutliche Verbesserungen. Die Farbräume sRGB (99,8 %) und DCI-P3 (96 %) kann das Display nahezu komplett abbilden, der AdobeRGB-Farbraum wird zu 85 Prozent wiedergegeben.
Reaktionszeiten (Response Times) des Displays
| ↔ Reaktionszeiten Schwarz zu Weiß | ||
|---|---|---|
| 10.2 ms ... steigend ↗ und fallend ↘ kombiniert | ↗ 6.1 ms steigend | |
| ↘ 4.1 ms fallend | ||
| Die gemessenen Reaktionszeiten sind gut, für anspruchsvolle Spieler könnten der Bildschirm jedoch zu langsam sein. Im Vergleich rangierten die bei uns getesteten Geräte von 0.1 (Minimum) zu 240 (Maximum) ms. » 27 % aller Screens waren schneller als der getestete. Daher sind die gemessenen Reaktionszeiten besser als der Durchschnitt aller vermessenen Geräte (20.2 ms). | ||
| ↔ Reaktionszeiten 50% Grau zu 80% Grau | ||
| 15.7 ms ... steigend ↗ und fallend ↘ kombiniert | ↗ 7.5 ms steigend | |
| ↘ 8.2 ms fallend | ||
| Die gemessenen Reaktionszeiten sind gut, für anspruchsvolle Spieler könnten der Bildschirm jedoch zu langsam sein. Im Vergleich rangierten die bei uns getesteten Geräte von 0.165 (Minimum) zu 636 (Maximum) ms. » 29 % aller Screens waren schneller als der getestete. Daher sind die gemessenen Reaktionszeiten besser als der Durchschnitt aller vermessenen Geräte (31.6 ms). | ||
Bildschirm-Flackern / PWM (Pulse-Width Modulation)
| Flackern / PWM nicht festgestellt | |||
Im Vergleich: 53 % aller getesteten Geräte nutzten kein PWM um die Helligkeit zu reduzieren. Wenn PWM eingesetzt wurde, dann bei einer Frequenz von durchschnittlich 8098 (Minimum 5, Maximum 343500) Hz. | |||
Leistung - Nitro Laptop mit Ampere und Alder Lake
Acer hat mit dem Nitro 5 ein 15,6-Zoll-Gaming-Notebook im Sortiment, das jedes aktuelle Spiel flüssig auf den Bildschirm bringt.
Testbedingungen
Der Acer Rechner verfügt über drei herstellerspezifische Leistungsprofile ("Leistung", "Standard", "Leise"), zwischen denen per vorinstallierter NitroSense-Software umgeschaltet werden kann. Das "Leistung"-Profil ist nur im Netzbetrieb nutzbar. Die Akkutests wurden bei aktivem Profil "Leise" durchgeführt, die Benchmarks bei aktivem Profil "Standard". Zudem wurde die automatische Lüftersteuerung genutzt.
| Standard | Leistung | Leise | |
|---|---|---|---|
| Power Limit 1 | 80 Watt | 95 Watt | 80 Watt |
| Power Limit 2 | 115 Watt | 115 Watt | 115 Watt |
Prozessor
Der Core-i7-12700H-Prozessor (Alder Lake) setzt sich aus sechs Performancekernen (Hyperthreading, 2,4 bis 4,7 GHz) und acht Effizienzkernen (kein Hyperthreading, 1,8 bis 3,5 GHz) zusammen. In der Summe ergeben sich 20 logische CPU-Kerne.
Der Multi-Thread-Test des Cinebench-R15-Benchmarks wird kurzzeitig mit hohen Taktraten (P-Kerne: 4 bis 4,1 GHz, E-Kerne: 3,2 GHz) bearbeitet, dann sinkt der Takt (P-Kerne: 3,5 bis 3,9 GHz, E-Kerne: 2,9 bis 3,1 GHz) etwas. Der Single-Thread-Test wird mit 2,2 bis 4,7 GHz (P-Kerne) bzw. 1,2 bis 3,5 GHz (E-Kerne) durchlaufen. Im Akkubetrieb liegen die Taktraten deutlich niedriger.
Die Benchmarkresultate fallen in der Summe durchwachsen aus. Das Nitro bleibt auf Seiten der Multi-Thread-Leistung hinter den Werten des ebenfalls mit einem 12700H-Prozessor bestückten Lenovo Legion 5 Pro 16 G7 zurück.
Ob der CPU-Turbo im Netzbetrieb dauerhaft genutzt wird, überprüfen wir, indem wir den Multi-Thread-Test des Cinebench-R15-Benchmarks in einer Schleife laufen lassen. Hohe Taktraten können nur kurzzeitig gehalten werden. Anschließend arbeiten sowohl die P- als auch die E-Kerne mit Geschwindigkeiten im mittleren Turbo-Bereich. Das Profil "Leistung" bewirkt einen leichten Anstieg der Rechenleistung.
Cinebench R15 Multi Dauertest
| CPU Performance Rating - Percent | |
| Durchschnitt der Klasse Gaming | |
| Lenovo Legion 5 Pro 16 G7 i7 RTX 3070Ti | |
| MSI Vector GP66 12UGS | |
| HP Omen 16-b1090ng | |
| Acer Nitro 5 AN515-58-72QR | |
| Acer Nitro 5 AN515-58-72QR | |
| Durchschnittliche Intel Core i7-12700H | |
| Acer Nitro 5 AN515-58-72QR | |
| HP Omen 16-c0077ng -1! | |
| Cinebench R23 | |
| Multi Core | |
| Durchschnitt der Klasse Gaming (5668 - 40970, n=147, der letzten 2 Jahre) | |
| Lenovo Legion 5 Pro 16 G7 i7 RTX 3070Ti | |
| Acer Nitro 5 AN515-58-72QR (Leistung) | |
| MSI Vector GP66 12UGS | |
| Acer Nitro 5 AN515-58-72QR | |
| Acer Nitro 5 AN515-58-72QR (Leise) | |
| HP Omen 16-b1090ng | |
| Durchschnittliche Intel Core i7-12700H (4032 - 19330, n=64) | |
| HP Omen 16-c0077ng | |
| Single Core | |
| Durchschnitt der Klasse Gaming (1136 - 2267, n=147, der letzten 2 Jahre) | |
| MSI Vector GP66 12UGS | |
| Lenovo Legion 5 Pro 16 G7 i7 RTX 3070Ti | |
| Acer Nitro 5 AN515-58-72QR | |
| Acer Nitro 5 AN515-58-72QR (Leise) | |
| HP Omen 16-b1090ng | |
| Acer Nitro 5 AN515-58-72QR (Leistung) | |
| Durchschnittliche Intel Core i7-12700H (778 - 1826, n=63) | |
| HP Omen 16-c0077ng | |
| Cinebench R20 | |
| CPU (Multi Core) | |
| Durchschnitt der Klasse Gaming (2179 - 16108, n=146, der letzten 2 Jahre) | |
| Lenovo Legion 5 Pro 16 G7 i7 RTX 3070Ti | |
| MSI Vector GP66 12UGS | |
| Acer Nitro 5 AN515-58-72QR (Leistung) | |
| Acer Nitro 5 AN515-58-72QR | |
| Acer Nitro 5 AN515-58-72QR (Leise) | |
| Durchschnittliche Intel Core i7-12700H (1576 - 7407, n=64) | |
| HP Omen 16-b1090ng | |
| HP Omen 16-c0077ng | |
| CPU (Single Core) | |
| Durchschnitt der Klasse Gaming (439 - 870, n=146, der letzten 2 Jahre) | |
| MSI Vector GP66 12UGS | |
| Lenovo Legion 5 Pro 16 G7 i7 RTX 3070Ti | |
| HP Omen 16-b1090ng | |
| Acer Nitro 5 AN515-58-72QR | |
| Acer Nitro 5 AN515-58-72QR (Leistung) | |
| Durchschnittliche Intel Core i7-12700H (300 - 704, n=64) | |
| Acer Nitro 5 AN515-58-72QR (Leise) | |
| HP Omen 16-c0077ng | |
| Cinebench R15 | |
| CPU Multi 64Bit | |
| Durchschnitt der Klasse Gaming (1537 - 6271, n=146, der letzten 2 Jahre) | |
| Lenovo Legion 5 Pro 16 G7 i7 RTX 3070Ti | |
| HP Omen 16-b1090ng | |
| Acer Nitro 5 AN515-58-72QR | |
| Acer Nitro 5 AN515-58-72QR (Leise) | |
| Acer Nitro 5 AN515-58-72QR (Leistung) | |
| Durchschnittliche Intel Core i7-12700H (1379 - 2916, n=70) | |
| MSI Vector GP66 12UGS | |
| HP Omen 16-c0077ng | |
| CPU Single 64Bit | |
| Durchschnitt der Klasse Gaming (188.8 - 343, n=145, der letzten 2 Jahre) | |
| MSI Vector GP66 12UGS | |
| Lenovo Legion 5 Pro 16 G7 i7 RTX 3070Ti | |
| Acer Nitro 5 AN515-58-72QR | |
| HP Omen 16-b1090ng | |
| Acer Nitro 5 AN515-58-72QR (Leise) | |
| Acer Nitro 5 AN515-58-72QR (Leistung) | |
| Durchschnittliche Intel Core i7-12700H (113 - 263, n=65) | |
| HP Omen 16-c0077ng | |
| Blender - v2.79 BMW27 CPU | |
| HP Omen 16-c0077ng | |
| Durchschnittliche Intel Core i7-12700H (168 - 732, n=63) | |
| Acer Nitro 5 AN515-58-72QR (Leise) | |
| Acer Nitro 5 AN515-58-72QR | |
| MSI Vector GP66 12UGS | |
| Acer Nitro 5 AN515-58-72QR (Leistung) | |
| HP Omen 16-b1090ng | |
| Lenovo Legion 5 Pro 16 G7 i7 RTX 3070Ti | |
| Durchschnitt der Klasse Gaming (80 - 517, n=142, der letzten 2 Jahre) | |
| 7-Zip 18.03 | |
| 7z b 4 | |
| Durchschnitt der Klasse Gaming (23795 - 148086, n=144, der letzten 2 Jahre) | |
| HP Omen 16-b1090ng | |
| Lenovo Legion 5 Pro 16 G7 i7 RTX 3070Ti | |
| MSI Vector GP66 12UGS | |
| Durchschnittliche Intel Core i7-12700H (22844 - 73067, n=63) | |
| Acer Nitro 5 AN515-58-72QR | |
| Acer Nitro 5 AN515-58-72QR (Leise) | |
| Acer Nitro 5 AN515-58-72QR (Leistung) | |
| 7z b 4 -mmt1 | |
| Durchschnitt der Klasse Gaming (4199 - 7508, n=144, der letzten 2 Jahre) | |
| MSI Vector GP66 12UGS | |
| HP Omen 16-b1090ng | |
| Lenovo Legion 5 Pro 16 G7 i7 RTX 3070Ti | |
| Acer Nitro 5 AN515-58-72QR | |
| Acer Nitro 5 AN515-58-72QR (Leise) | |
| Durchschnittliche Intel Core i7-12700H (2743 - 5972, n=63) | |
| HP Omen 16-c0077ng | |
| Acer Nitro 5 AN515-58-72QR (Leistung) | |
| Geekbench 5.5 | |
| Multi-Core | |
| Durchschnitt der Klasse Gaming (4557 - 27010, n=143, der letzten 2 Jahre) | |
| HP Omen 16-b1090ng | |
| Lenovo Legion 5 Pro 16 G7 i7 RTX 3070Ti | |
| MSI Vector GP66 12UGS | |
| Durchschnittliche Intel Core i7-12700H (5144 - 13745, n=64) | |
| Acer Nitro 5 AN515-58-72QR | |
| Acer Nitro 5 AN515-58-72QR (Leistung) | |
| Acer Nitro 5 AN515-58-72QR (Leise) | |
| HP Omen 16-c0077ng | |
| Single-Core | |
| Durchschnitt der Klasse Gaming (986 - 2423, n=143, der letzten 2 Jahre) | |
| MSI Vector GP66 12UGS | |
| HP Omen 16-b1090ng | |
| Acer Nitro 5 AN515-58-72QR | |
| Lenovo Legion 5 Pro 16 G7 i7 RTX 3070Ti | |
| Durchschnittliche Intel Core i7-12700H (803 - 1851, n=64) | |
| Acer Nitro 5 AN515-58-72QR (Leistung) | |
| Acer Nitro 5 AN515-58-72QR (Leise) | |
| HP Omen 16-c0077ng | |
| HWBOT x265 Benchmark v2.2 - 4k Preset | |
| Durchschnitt der Klasse Gaming (7.7 - 44.3, n=144, der letzten 2 Jahre) | |
| Lenovo Legion 5 Pro 16 G7 i7 RTX 3070Ti | |
| HP Omen 16-b1090ng | |
| MSI Vector GP66 12UGS | |
| Acer Nitro 5 AN515-58-72QR (Leistung) | |
| Acer Nitro 5 AN515-58-72QR | |
| Durchschnittliche Intel Core i7-12700H (4.67 - 21.8, n=64) | |
| Acer Nitro 5 AN515-58-72QR (Leise) | |
| Acer Nitro 5 AN515-58-72QR (Leise) | |
| HP Omen 16-c0077ng | |
| LibreOffice - 20 Documents To PDF | |
| HP Omen 16-c0077ng | |
| Durchschnitt der Klasse Gaming (19 - 88.8, n=143, der letzten 2 Jahre) | |
| Durchschnittliche Intel Core i7-12700H (34.2 - 95.3, n=63) | |
| Acer Nitro 5 AN515-58-72QR (Leistung) | |
| Acer Nitro 5 AN515-58-72QR (Leise) | |
| Lenovo Legion 5 Pro 16 G7 i7 RTX 3070Ti | |
| Acer Nitro 5 AN515-58-72QR | |
| HP Omen 16-b1090ng | |
| MSI Vector GP66 12UGS | |
| R Benchmark 2.5 - Overall mean | |
| HP Omen 16-c0077ng | |
| Acer Nitro 5 AN515-58-72QR (Leistung) | |
| Durchschnittliche Intel Core i7-12700H (0.4441 - 1.052, n=63) | |
| Acer Nitro 5 AN515-58-72QR (Leise) | |
| Acer Nitro 5 AN515-58-72QR | |
| Lenovo Legion 5 Pro 16 G7 i7 RTX 3070Ti | |
| HP Omen 16-b1090ng | |
| Durchschnitt der Klasse Gaming (0.3551 - 0.759, n=145, der letzten 2 Jahre) | |
| MSI Vector GP66 12UGS | |
* ... kleinere Werte sind besser
AIDA64: FP32 Ray-Trace | FPU Julia | CPU SHA3 | CPU Queen | FPU SinJulia | FPU Mandel | CPU AES | CPU ZLib | FP64 Ray-Trace | CPU PhotoWorxx
| Performance Rating | |
| Durchschnitt der Klasse Gaming | |
| HP Omen 16-c0077ng | |
| Lenovo Legion 5 Pro 16 G7 i7 RTX 3070Ti | |
| Durchschnittliche Intel Core i7-12700H | |
| MSI Vector GP66 12UGS | |
| HP Omen 16-b1090ng | |
| Acer Nitro 5 AN515-58-72QR | |
| Acer Nitro 5 AN515-58-72QR | |
| AIDA64 / FP32 Ray-Trace | |
| Durchschnitt der Klasse Gaming (7192 - 85542, n=143, der letzten 2 Jahre) | |
| HP Omen 16-c0077ng (v6.50.5800) | |
| Durchschnittliche Intel Core i7-12700H (2585 - 17957, n=63) | |
| Lenovo Legion 5 Pro 16 G7 i7 RTX 3070Ti (v6.50.5800) | |
| Acer Nitro 5 AN515-58-72QR (v6.50.5800, Leistung) | |
| Acer Nitro 5 AN515-58-72QR (v6.50.5800) | |
| MSI Vector GP66 12UGS (v6.50.5800) | |
| HP Omen 16-b1090ng (v6.50.5800) | |
| AIDA64 / FPU Julia | |
| Durchschnitt der Klasse Gaming (35040 - 238426, n=143, der letzten 2 Jahre) | |
| HP Omen 16-c0077ng (v6.50.5800) | |
| Durchschnittliche Intel Core i7-12700H (12439 - 90760, n=63) | |
| Lenovo Legion 5 Pro 16 G7 i7 RTX 3070Ti (v6.50.5800) | |
| Acer Nitro 5 AN515-58-72QR (v6.50.5800, Leistung) | |
| Acer Nitro 5 AN515-58-72QR (v6.50.5800) | |
| MSI Vector GP66 12UGS (v6.50.5800) | |
| HP Omen 16-b1090ng (v6.50.5800) | |
| AIDA64 / CPU SHA3 | |
| Durchschnitt der Klasse Gaming (1728 - 9817, n=143, der letzten 2 Jahre) | |
| Lenovo Legion 5 Pro 16 G7 i7 RTX 3070Ti (v6.50.5800) | |
| Acer Nitro 5 AN515-58-72QR (v6.50.5800, Leistung) | |
| HP Omen 16-c0077ng (v6.50.5800) | |
| Durchschnittliche Intel Core i7-12700H (833 - 4242, n=63) | |
| MSI Vector GP66 12UGS (v6.50.5800) | |
| Acer Nitro 5 AN515-58-72QR (v6.50.5800) | |
| HP Omen 16-b1090ng (v6.50.5800) | |
| AIDA64 / CPU Queen | |
| Durchschnitt der Klasse Gaming (49785 - 173351, n=143, der letzten 2 Jahre) | |
| MSI Vector GP66 12UGS (v6.50.5800) | |
| HP Omen 16-b1090ng (v6.50.5800) | |
| Lenovo Legion 5 Pro 16 G7 i7 RTX 3070Ti (v6.50.5800) | |
| HP Omen 16-c0077ng (v6.50.5800) | |
| Acer Nitro 5 AN515-58-72QR (v6.50.5800) | |
| Acer Nitro 5 AN515-58-72QR (v6.50.5800, Leistung) | |
| Durchschnittliche Intel Core i7-12700H (57923 - 103202, n=63) | |
| AIDA64 / FPU SinJulia | |
| Durchschnitt der Klasse Gaming (4424 - 33636, n=143, der letzten 2 Jahre) | |
| HP Omen 16-c0077ng (v6.50.5800) | |
| Lenovo Legion 5 Pro 16 G7 i7 RTX 3070Ti (v6.50.5800) | |
| Acer Nitro 5 AN515-58-72QR (v6.50.5800, Leistung) | |
| Acer Nitro 5 AN515-58-72QR (v6.50.5800) | |
| MSI Vector GP66 12UGS (v6.50.5800) | |
| HP Omen 16-b1090ng (v6.50.5800) | |
| Durchschnittliche Intel Core i7-12700H (3249 - 9939, n=63) | |
| AIDA64 / FPU Mandel | |
| Durchschnitt der Klasse Gaming (17585 - 128721, n=143, der letzten 2 Jahre) | |
| HP Omen 16-c0077ng (v6.50.5800) | |
| Durchschnittliche Intel Core i7-12700H (7135 - 44760, n=63) | |
| Lenovo Legion 5 Pro 16 G7 i7 RTX 3070Ti (v6.50.5800) | |
| Acer Nitro 5 AN515-58-72QR (v6.50.5800, Leistung) | |
| Acer Nitro 5 AN515-58-72QR | |
| MSI Vector GP66 12UGS (v6.50.5800) | |
| HP Omen 16-b1090ng (v6.50.5800) | |
| AIDA64 / CPU AES | |
| HP Omen 16-c0077ng (v6.50.5800) | |
| Durchschnitt der Klasse Gaming (19065 - 247074, n=143, der letzten 2 Jahre) | |
| Lenovo Legion 5 Pro 16 G7 i7 RTX 3070Ti (v6.50.5800) | |
| MSI Vector GP66 12UGS (v6.50.5800) | |
| HP Omen 16-b1090ng (v6.50.5800) | |
| Durchschnittliche Intel Core i7-12700H (31839 - 144360, n=63) | |
| Acer Nitro 5 AN515-58-72QR (v6.50.5800, Leistung) | |
| Acer Nitro 5 AN515-58-72QR (v6.50.5800) | |
| AIDA64 / CPU ZLib | |
| Durchschnitt der Klasse Gaming (373 - 2531, n=143, der letzten 2 Jahre) | |
| Lenovo Legion 5 Pro 16 G7 i7 RTX 3070Ti (v6.50.5800) | |
| Acer Nitro 5 AN515-58-72QR (v6.50.5800, Leistung) | |
| MSI Vector GP66 12UGS (v6.50.5800) | |
| Acer Nitro 5 AN515-58-72QR (v6.50.5800) | |
| Durchschnittliche Intel Core i7-12700H (305 - 1171, n=63) | |
| HP Omen 16-b1090ng (v6.50.5800) | |
| HP Omen 16-c0077ng (v6.50.5800) | |
| AIDA64 / FP64 Ray-Trace | |
| Durchschnitt der Klasse Gaming (3856 - 45446, n=143, der letzten 2 Jahre) | |
| HP Omen 16-c0077ng (v6.50.5800) | |
| Durchschnittliche Intel Core i7-12700H (1437 - 9692, n=63) | |
| Lenovo Legion 5 Pro 16 G7 i7 RTX 3070Ti (v6.50.5800) | |
| Acer Nitro 5 AN515-58-72QR (v6.50.5800, Leistung) | |
| Acer Nitro 5 AN515-58-72QR (v6.50.5800) | |
| MSI Vector GP66 12UGS (v6.50.5800) | |
| HP Omen 16-b1090ng (v6.50.5800) | |
| AIDA64 / CPU PhotoWorxx | |
| Durchschnitt der Klasse Gaming (10805 - 62916, n=143, der letzten 2 Jahre) | |
| HP Omen 16-b1090ng (v6.50.5800) | |
| Lenovo Legion 5 Pro 16 G7 i7 RTX 3070Ti (v6.50.5800) | |
| Durchschnittliche Intel Core i7-12700H (12863 - 52207, n=63) | |
| MSI Vector GP66 12UGS (v6.50.5800) | |
| Acer Nitro 5 AN515-58-72QR (v6.50.5800) | |
| HP Omen 16-c0077ng (v6.50.5800) | |
| Acer Nitro 5 AN515-58-72QR (v6.50.5800, Leistung) | |
System Performance
Das System arbeitet rund und flüssig. Die verbaute Hardware liefert mehr als genug Rechenleistung für leistungsfordernde Anwendungsbereiche wie Gaming, Videoschnitt, Bildbearbeitung. Die Transferraten des Arbeitsspeichers bewegen sich auf einem normalen Niveau für DDR4-3200-Speicher. Dazu gesellen sich gute PC-Mark-Resultate.
| PCMark 8 Home Score Accelerated v2 | 5150 Punkte | |
| PCMark 8 Creative Score Accelerated v2 | 6975 Punkte | |
| PCMark 8 Work Score Accelerated v2 | 6035 Punkte | |
| PCMark 10 Score | 6941 Punkte | |
Hilfe | ||
CrossMark: Overall | Productivity | Creativity | Responsiveness
| PCMark 10 / Score | |
| Durchschnitt der Klasse Gaming (5776 - 9647, n=121, der letzten 2 Jahre) | |
| MSI Vector GP66 12UGS | |
| Lenovo Legion 5 Pro 16 G7 i7 RTX 3070Ti | |
| Durchschnittliche Intel Core i7-12700H, NVIDIA GeForce RTX 3070 Ti Laptop GPU (6941 - 7947, n=11) | |
| HP Omen 16-b1090ng | |
| HP Omen 16-c0077ng | |
| Acer Nitro 5 AN515-58-72QR | |
| PCMark 10 / Essentials | |
| MSI Vector GP66 12UGS | |
| Durchschnitt der Klasse Gaming (8810 - 12600, n=125, der letzten 2 Jahre) | |
| Durchschnittliche Intel Core i7-12700H, NVIDIA GeForce RTX 3070 Ti Laptop GPU (9892 - 10935, n=11) | |
| HP Omen 16-c0077ng | |
| HP Omen 16-b1090ng | |
| Lenovo Legion 5 Pro 16 G7 i7 RTX 3070Ti | |
| Acer Nitro 5 AN515-58-72QR | |
| PCMark 10 / Productivity | |
| MSI Vector GP66 12UGS | |
| Lenovo Legion 5 Pro 16 G7 i7 RTX 3070Ti | |
| Durchschnitt der Klasse Gaming (6662 - 14612, n=121, der letzten 2 Jahre) | |
| Durchschnittliche Intel Core i7-12700H, NVIDIA GeForce RTX 3070 Ti Laptop GPU (9024 - 10638, n=11) | |
| HP Omen 16-b1090ng | |
| HP Omen 16-c0077ng | |
| Acer Nitro 5 AN515-58-72QR | |
| PCMark 10 / Digital Content Creation | |
| Durchschnitt der Klasse Gaming (7440 - 19351, n=121, der letzten 2 Jahre) | |
| MSI Vector GP66 12UGS | |
| Lenovo Legion 5 Pro 16 G7 i7 RTX 3070Ti | |
| Durchschnittliche Intel Core i7-12700H, NVIDIA GeForce RTX 3070 Ti Laptop GPU (10165 - 12546, n=11) | |
| HP Omen 16-b1090ng | |
| HP Omen 16-c0077ng | |
| Acer Nitro 5 AN515-58-72QR | |
| CrossMark / Overall | |
| Durchschnitt der Klasse Gaming (1247 - 2344, n=116, der letzten 2 Jahre) | |
| Lenovo Legion 5 Pro 16 G7 i7 RTX 3070Ti | |
| Durchschnittliche Intel Core i7-12700H, NVIDIA GeForce RTX 3070 Ti Laptop GPU (974 - 2000, n=12) | |
| Acer Nitro 5 AN515-58-72QR | |
| CrossMark / Productivity | |
| Lenovo Legion 5 Pro 16 G7 i7 RTX 3070Ti | |
| Durchschnitt der Klasse Gaming (1299 - 2211, n=116, der letzten 2 Jahre) | |
| Durchschnittliche Intel Core i7-12700H, NVIDIA GeForce RTX 3070 Ti Laptop GPU (907 - 1962, n=12) | |
| Acer Nitro 5 AN515-58-72QR | |
| CrossMark / Creativity | |
| Durchschnitt der Klasse Gaming (1275 - 2729, n=116, der letzten 2 Jahre) | |
| Lenovo Legion 5 Pro 16 G7 i7 RTX 3070Ti | |
| Durchschnittliche Intel Core i7-12700H, NVIDIA GeForce RTX 3070 Ti Laptop GPU (1027 - 2057, n=12) | |
| Acer Nitro 5 AN515-58-72QR | |
| CrossMark / Responsiveness | |
| Lenovo Legion 5 Pro 16 G7 i7 RTX 3070Ti | |
| Durchschnittliche Intel Core i7-12700H, NVIDIA GeForce RTX 3070 Ti Laptop GPU (1029 - 2142, n=12) | |
| Durchschnitt der Klasse Gaming (1030 - 2330, n=116, der letzten 2 Jahre) | |
| Acer Nitro 5 AN515-58-72QR | |
| AIDA64 / Memory Copy | |
| Durchschnitt der Klasse Gaming (21750 - 108104, n=143, der letzten 2 Jahre) | |
| HP Omen 16-b1090ng | |
| Durchschnittliche Intel Core i7-12700H (25615 - 80511, n=63) | |
| Lenovo Legion 5 Pro 16 G7 i7 RTX 3070Ti | |
| MSI Vector GP66 12UGS | |
| Acer Nitro 5 AN515-58-72QR | |
| HP Omen 16-c0077ng | |
| AIDA64 / Memory Read | |
| Durchschnitt der Klasse Gaming (22956 - 104349, n=143, der letzten 2 Jahre) | |
| HP Omen 16-b1090ng | |
| Lenovo Legion 5 Pro 16 G7 i7 RTX 3070Ti | |
| Durchschnittliche Intel Core i7-12700H (25586 - 79442, n=63) | |
| MSI Vector GP66 12UGS | |
| HP Omen 16-c0077ng | |
| Acer Nitro 5 AN515-58-72QR | |
| AIDA64 / Memory Write | |
| Durchschnitt der Klasse Gaming (22297 - 133486, n=143, der letzten 2 Jahre) | |
| HP Omen 16-b1090ng | |
| Lenovo Legion 5 Pro 16 G7 i7 RTX 3070Ti | |
| Durchschnittliche Intel Core i7-12700H (23679 - 88660, n=63) | |
| MSI Vector GP66 12UGS | |
| Acer Nitro 5 AN515-58-72QR | |
| HP Omen 16-c0077ng | |
| AIDA64 / Memory Latency | |
| Durchschnitt der Klasse Gaming (59.5 - 259, n=143, der letzten 2 Jahre) | |
| Lenovo Legion 5 Pro 16 G7 i7 RTX 3070Ti | |
| MSI Vector GP66 12UGS | |
| HP Omen 16-b1090ng | |
| HP Omen 16-c0077ng | |
| Durchschnittliche Intel Core i7-12700H (76.2 - 133.9, n=61) | |
| Acer Nitro 5 AN515-58-72QR | |
| Acer Nitro 5 AN515-58-72QR | |
* ... kleinere Werte sind besser
DPC-Latenzen
Der standardisierte Latency-Monitor-Test (Websurfen, 4k-Videowiedergabe, Prime95 High-Load) hat keine Auffälligkeiten bei den DPC-Latenzen offenbart. Das System scheint für Video- und Audiobearbeitung in Echtzeit geeignet zu sein. Zukünftige Software-Updates könnten zu Verbesserungen oder auch Verschlechterungen führen.
| DPC Latencies / LatencyMon - interrupt to process latency (max), Web, Youtube, Prime95 | |
| MSI Vector GP66 12UGS | |
| HP Omen 16-c0077ng | |
| Acer Nitro 5 AN515-58-72QR | |
| Lenovo Legion 5 Pro 16 G7 i7 RTX 3070Ti | |
| HP Omen 16-b1090ng | |
* ... kleinere Werte sind besser
Massenspeicher
Acer stattet das AN515 mit einer 1-TB-SSD (PCIe 4, M.2-2280) der Firma Samsung aus, die sehr gute Transferraten liefert. Das Notebook bietet zusätzlich Platz für eine zweite PCIe-4-SSD sowie ein 2,5-Zoll-Speichermedium (SATA-Steckplatz und Schrauben liegen im Karton, der Einbaurahmen findet sich im Inneren des Notebooks).
* ... kleinere Werte sind besser
Dauerleistung Lesen: DiskSpd Read Loop, Queue Depth 8
Grafikkarte
Die tatsächliche Leistung einer RTX-3000-GPU hängt von einigen Faktoren ab: Kühlung, Speicherbestückung und der maximalen TGP, die ein Notebookhersteller innerhalb der von Nvidia definierten Grenzen wählt. Acer gewährt der verbauten GeForce-RTX-3070-Ti-Laptop-GPU eine maximale TGP von 150 Watt (125 Watt + 25 Watt Dynamic Boost). Die GPU kann auf schnellen GDDR6-Grafikspeicher (8.192 MB) zurückgreifen.
Die Benchmark-Resultate bewegen sich - je nach gewähltem Profil - oberhalb oder unterhalb des bisher ermittelten RTX-3070-Ti-Durchschnitts. Der Dynamic Boost wird bei aktivem "Standard"-Profil nicht ausgereizt, das Profil "Leistung" bewirkt eine intensivere Boost-Nutzung - dies zeigt der Witcher-3-Test.
Es besteht noch Luft nach oben: Das Notebook bietet die Möglichkeit der direkten Bildausgabe per GeForce-GPU. Dazu wird die iGPU deaktiviert - direkt im BIOS oder per NitroSense-Software (auf das Zahnrad klicken). In Kombination mit dem Profil "Leistung" steigt die Grafikleistung spürbar an.
| 3DMark 11 Performance | 27608 Punkte | |
| 3DMark Cloud Gate Standard Score | 42815 Punkte | |
| 3DMark Fire Strike Score | 22252 Punkte | |
| 3DMark Time Spy Score | 10066 Punkte | |
Hilfe | ||
| 3DMark Performance Rating - Percent | |
| Durchschnitt der Klasse Gaming | |
| MSI Vector GP66 12UGS | |
| Lenovo Legion 5 Pro 16 G7 i7 RTX 3070Ti -1! | |
| Acer Nitro 5 AN515-58-72QR | |
| Acer Nitro 5 AN515-58-72QR | |
| Durchschnittliche NVIDIA GeForce RTX 3070 Ti Laptop GPU | |
| Acer Nitro 5 AN515-58-72QR | |
| HP Omen 16-b1090ng | |
| Acer Nitro 5 AN515-58-72QR | |
| HP Omen 16-c0077ng -1! | |
| 3DMark 11 - 1280x720 Performance GPU | |
| Durchschnitt der Klasse Gaming (13523 - 80022, n=138, der letzten 2 Jahre) | |
| MSI Vector GP66 12UGS | |
| Acer Nitro 5 AN515-58-72QR (Leistung) | |
| Acer Nitro 5 AN515-58-72QR (dGPU, Leistung) | |
| Acer Nitro 5 AN515-58-72QR | |
| Durchschnittliche NVIDIA GeForce RTX 3070 Ti Laptop GPU (13799 - 42569, n=36) | |
| HP Omen 16-b1090ng | |
| Acer Nitro 5 AN515-58-72QR (Leise) | |
| HP Omen 16-c0077ng | |
Gaming Performance
Die Hardware bringt alle aktuellen Spiele bei QHD-Auflösung samt hohen bis maximalen Settings flüssig auf den Bildschirm. Die Bildwiederholraten bewegen sich im Standard-Modus unterhalb des RTX-3070-Ti-Durchschnitts. Die direkte Bildausgabe via GeForce-GPU in Kombination mit dem Profil "Leistung" lässt die Bildwiederholraten teils deutlich ansteigen.
| The Witcher 3 - 1920x1080 Ultra Graphics & Postprocessing (HBAO+) | |
| Durchschnitt der Klasse Gaming (18.4 - 240, n=55, der letzten 2 Jahre) | |
| MSI Vector GP66 12UGS | |
| Acer Nitro 5 AN515-58-72QR (Leistung) | |
| Acer Nitro 5 AN515-58-72QR (dGPU, Leistung) | |
| Lenovo Legion 5 Pro 16 G7 i7 RTX 3070Ti | |
| Durchschnittliche NVIDIA GeForce RTX 3070 Ti Laptop GPU (76.8 - 124.1, n=39) | |
| Acer Nitro 5 AN515-58-72QR | |
| HP Omen 16-b1090ng | |
| Acer Nitro 5 AN515-58-72QR (Leise) | |
| HP Omen 16-c0077ng | |
| Dota 2 Reborn - 1920x1080 ultra (3/3) best looking | |
| MSI Vector GP66 12UGS | |
| Durchschnitt der Klasse Gaming (65.1 - 248, n=145, der letzten 2 Jahre) | |
| HP Omen 16-b1090ng | |
| Lenovo Legion 5 Pro 16 G7 i7 RTX 3070Ti | |
| Acer Nitro 5 AN515-58-72QR (dGPU, Leistung) | |
| Durchschnittliche NVIDIA GeForce RTX 3070 Ti Laptop GPU (68.7 - 160.5, n=38) | |
| Acer Nitro 5 AN515-58-72QR | |
| Acer Nitro 5 AN515-58-72QR (Leise) | |
| Acer Nitro 5 AN515-58-72QR (Leistung) | |
| HP Omen 16-c0077ng | |
| X-Plane 11.11 - 1920x1080 high (fps_test=3) | |
| HP Omen 16-b1090ng | |
| MSI Vector GP66 12UGS | |
| Durchschnitt der Klasse Gaming (33.4 - 150.2, n=148, der letzten 2 Jahre) | |
| Acer Nitro 5 AN515-58-72QR (dGPU, Leistung) | |
| Lenovo Legion 5 Pro 16 G7 i7 RTX 3070Ti | |
| Durchschnittliche NVIDIA GeForce RTX 3070 Ti Laptop GPU (51.6 - 116.9, n=37) | |
| Acer Nitro 5 AN515-58-72QR | |
| Acer Nitro 5 AN515-58-72QR (Leistung) | |
| Acer Nitro 5 AN515-58-72QR (Leise) | |
| HP Omen 16-c0077ng | |
| Final Fantasy XV Benchmark | |
| 1920x1080 High Quality | |
| Durchschnitt der Klasse Gaming (19.2 - 215, n=142, der letzten 2 Jahre) | |
| MSI Vector GP66 12UGS (1.3) | |
| Lenovo Legion 5 Pro 16 G7 i7 RTX 3070Ti (1.3) | |
| Acer Nitro 5 AN515-58-72QR (1.3, dGPU, Leistung) | |
| HP Omen 16-b1090ng | |
| Durchschnittliche NVIDIA GeForce RTX 3070 Ti Laptop GPU (49.5 - 122.4, n=35) | |
| Acer Nitro 5 AN515-58-72QR (1.3, Leistung) | |
| Acer Nitro 5 AN515-58-72QR (1.3) | |
| HP Omen 16-c0077ng (1.3) | |
| Acer Nitro 5 AN515-58-72QR (1.3, Leise) | |
| 2560x1440 High Quality | |
| Durchschnitt der Klasse Gaming (32.5 - 184.3, n=115, der letzten 2 Jahre) | |
| Lenovo Legion 5 Pro 16 G7 i7 RTX 3070Ti (1.3) | |
| Acer Nitro 5 AN515-58-72QR (1.3, dGPU, Leistung) | |
| Durchschnittliche NVIDIA GeForce RTX 3070 Ti Laptop GPU (57.9 - 93, n=24) | |
| Acer Nitro 5 AN515-58-72QR (1.3, Leistung) | |
| Acer Nitro 5 AN515-58-72QR (1.3) | |
| Acer Nitro 5 AN515-58-72QR (1.3, Leise) | |
| HP Omen 16-c0077ng (1.3) | |
| GTA V | |
| 2560x1440 Highest AA:4xMSAA + FX AF:16x | |
| Durchschnitt der Klasse Gaming (36.9 - 183.9, n=97, der letzten 2 Jahre) | |
| Lenovo Legion 5 Pro 16 G7 i7 RTX 3070Ti | |
| Acer Nitro 5 AN515-58-72QR (dGPU, Leistung) | |
| Durchschnittliche NVIDIA GeForce RTX 3070 Ti Laptop GPU (72.7 - 108.7, n=22) | |
| Acer Nitro 5 AN515-58-72QR (Leistung) | |
| Acer Nitro 5 AN515-58-72QR | |
| Acer Nitro 5 AN515-58-72QR (Leise) | |
| HP Omen 16-c0077ng | |
| 1920x1080 Highest AA:4xMSAA + FX AF:16x | |
| Durchschnitt der Klasse Gaming (12.1 - 186.9, n=130, der letzten 2 Jahre) | |
| MSI Vector GP66 12UGS | |
| Lenovo Legion 5 Pro 16 G7 i7 RTX 3070Ti | |
| Acer Nitro 5 AN515-58-72QR (dGPU, Leistung) | |
| HP Omen 16-b1090ng | |
| Durchschnittliche NVIDIA GeForce RTX 3070 Ti Laptop GPU (44 - 123.9, n=36) | |
| Acer Nitro 5 AN515-58-72QR | |
| Acer Nitro 5 AN515-58-72QR (Leise) | |
| HP Omen 16-c0077ng | |
| Strange Brigade | |
| 2560x1440 ultra AA:ultra AF:16 | |
| Durchschnitt der Klasse Gaming (52.8 - 350, n=105, der letzten 2 Jahre) | |
| Acer Nitro 5 AN515-58-72QR (1.47.22.14 D3D12, dGPU, Leistung) | |
| Lenovo Legion 5 Pro 16 G7 i7 RTX 3070Ti | |
| Acer Nitro 5 AN515-58-72QR (1.47.22.14 D3D12, Leistung) | |
| Durchschnittliche NVIDIA GeForce RTX 3070 Ti Laptop GPU (110.7 - 160.5, n=21) | |
| Acer Nitro 5 AN515-58-72QR (1.47.22.14 D3D12) | |
| Acer Nitro 5 AN515-58-72QR (1.47.22.14 D3D12, Leise) | |
| HP Omen 16-c0077ng | |
| 1920x1080 ultra AA:ultra AF:16 | |
| Durchschnitt der Klasse Gaming (38.9 - 456, n=130, der letzten 2 Jahre) | |
| MSI Vector GP66 12UGS (1.47.22.14 D3D12) | |
| Acer Nitro 5 AN515-58-72QR (1.47.22.14 D3D12, dGPU, Leistung) | |
| Lenovo Legion 5 Pro 16 G7 i7 RTX 3070Ti | |
| Acer Nitro 5 AN515-58-72QR (1.47.22.14 D3D12, Leistung) | |
| Durchschnittliche NVIDIA GeForce RTX 3070 Ti Laptop GPU (109 - 221, n=37) | |
| Acer Nitro 5 AN515-58-72QR (1.47.22.14 D3D12) | |
| HP Omen 16-c0077ng | |
| Acer Nitro 5 AN515-58-72QR (1.47.22.14 D3D12, Leise) | |
| HP Omen 16-b1090ng (1.47.22.14 D3D12) | |
| F1 2021 | |
| 2560x1440 Ultra High Preset + Raytracing AA:T AF:16x | |
| Lenovo Legion 5 Pro 16 G7 i7 RTX 3070Ti (852849) | |
| Durchschnitt der Klasse Gaming (95.2 - 104.6, n=3, der letzten 2 Jahre) | |
| Acer Nitro 5 AN515-58-72QR (874931, dGPU, Leistung) | |
| Acer Nitro 5 AN515-58-72QR (874931, Leistung) | |
| Durchschnittliche NVIDIA GeForce RTX 3070 Ti Laptop GPU (47.5 - 99.2, n=11) | |
| Acer Nitro 5 AN515-58-72QR (874931) | |
| Acer Nitro 5 AN515-58-72QR (874931, Leise) | |
| 1920x1080 Ultra High Preset + Raytracing AA:T AF:16x | |
| Durchschnitt der Klasse Gaming (123.1 - 146.7, n=3, der letzten 2 Jahre) | |
| Lenovo Legion 5 Pro 16 G7 i7 RTX 3070Ti (852849) | |
| Acer Nitro 5 AN515-58-72QR (874931, dGPU, Leistung) | |
| Acer Nitro 5 AN515-58-72QR (874931, Leistung) | |
| Durchschnittliche NVIDIA GeForce RTX 3070 Ti Laptop GPU (67.3 - 134.2, n=13) | |
| Acer Nitro 5 AN515-58-72QR (874931) | |
| Acer Nitro 5 AN515-58-72QR (874931, Leise) | |
| Far Cry 5 | |
| 2560x1440 Ultra Preset AA:T | |
| Durchschnitt der Klasse Gaming (80 - 171, n=39, der letzten 2 Jahre) | |
| Lenovo Legion 5 Pro 16 G7 i7 RTX 3070Ti | |
| Durchschnittliche NVIDIA GeForce RTX 3070 Ti Laptop GPU (77 - 111, n=15) | |
| Acer Nitro 5 AN515-58-72QR (dGPU, Leistung) | |
| HP Omen 16-c0077ng | |
| Acer Nitro 5 AN515-58-72QR | |
| 1920x1080 Ultra Preset AA:T | |
| MSI Vector GP66 12UGS | |
| Durchschnitt der Klasse Gaming (70 - 174, n=44, der letzten 2 Jahre) | |
| Lenovo Legion 5 Pro 16 G7 i7 RTX 3070Ti | |
| Durchschnittliche NVIDIA GeForce RTX 3070 Ti Laptop GPU (91 - 138, n=25) | |
| Acer Nitro 5 AN515-58-72QR (dGPU, Leistung) | |
| HP Omen 16-c0077ng | |
| Acer Nitro 5 AN515-58-72QR | |
Um zu überprüfen, ob die Bildwiederholraten über einen längeren Zeitraum weitgehend konstant bleiben, lassen wir das Spiel "The Witcher 3" für etwa 60 Minuten mit Full-HD-Auflösung und maximalen Qualitätseinstellungen laufen. Die Spielfigur wird nicht bewegt. Ein Einbruch der Bildwiederholraten ist nicht festzustellen.
Witcher 3 FPS-Diagramm
| min. | mittel | hoch | max. | QHD | |
|---|---|---|---|---|---|
| GTA V (2015) | 180.3 | 176.9 | 152.5 | 95 | 81.8 |
| The Witcher 3 (2015) | 329 | 244 | 162.7 | 99.4 | |
| Dota 2 Reborn (2015) | 161.9 | 145 | 133.3 | 126.8 | |
| Final Fantasy XV Benchmark (2018) | 144.4 | 113.9 | 88.3 | 70.1 | |
| X-Plane 11.11 (2018) | 127.2 | 109.8 | 89.7 | ||
| Far Cry 5 (2018) | 144 | 105 | 99 | 91 | 77 |
| Strange Brigade (2018) | 358 | 231 | 198.2 | 178.3 | 136.7 |
| F1 2021 (2021) | 266 | 208 | 178.3 | 106.2 | 82.6 |
Emissionen - Der Acer Computer produziert viel Lärm unter Last
Geräuschemissionen
Im Alltagsbetrieb (Office, Internet) produzieren die zwei Lüfter kein Übermaß an Lärm. Gelegentlich stehen sie sogar still. Unter Last wird es mit maximalen Schalldruckpegeln von bis zu 53 dB(A) (Stresstest, Witcher-3-Test) laut. Ist das Profil "Leistung" aktiv, arbeiten die Lüfter dauerhaft mit voller Kraft.
Der Unterschied zwischen "Leise"- und "Standard"-Profil fällt unter Last nicht sonderlich groß aus - andere Gaming-Notebooks bieten überzeugendere Leise-Modi. Bei Bedarf könnten die Drehgeschwindigkeiten der Lüfter per NitroSense-Software verringert werden. Ein Anpassung der Lüfterkurven ist nicht möglich.
Lautstärkediagramm
| Idle |
| 26 / 29 / 33 dB(A) |
| Last |
| 47 / 53 dB(A) |
![]() | ||
30 dB leise 40 dB(A) deutlich hörbar 50 dB(A) störend |
||
min: | ||
| Acer Nitro 5 AN515-58-72QR GeForce RTX 3070 Ti Laptop GPU, i7-12700H, Samsung PM9A1 MZVL21T0HCLR | MSI Vector GP66 12UGS GeForce RTX 3070 Ti Laptop GPU, i9-12900H | HP Omen 16-b1090ng GeForce RTX 3070 Ti Laptop GPU, i7-12700H, WDC PC SN810 1TB | Lenovo Legion 5 Pro 16 G7 i7 RTX 3070Ti GeForce RTX 3070 Ti Laptop GPU, i7-12700H, Samsung PM9A1 MZVL21T0HCLR | |
|---|---|---|---|---|
| Geräuschentwicklung | 9% | -5% | 2% | |
| aus / Umgebung * (dB) | 26 | 22.9 12% | 26 -0% | 24.6 5% |
| Idle min * (dB) | 26 | 23.4 10% | 30 -15% | 28.4 -9% |
| Idle avg * (dB) | 29 | 23.4 19% | 31 -7% | 28.4 2% |
| Idle max * (dB) | 33 | 27.4 17% | 33 -0% | 28.4 14% |
| Last avg * (dB) | 47 | 36 23% | 49 -4% | 49.4 -5% |
| Witcher 3 ultra * (dB) | 53 | 58.2 -10% | 53 -0% | 49.4 7% |
| Last max * (dB) | 53 | 58 -9% | 57 -8% | 54.7 -3% |
* ... kleinere Werte sind besser
Temperatur
Im Alltagsbetrieb (Office, Internet) verbleiben die Gehäuse-Temperaturen im grünen Bereich. Unter Last (Stresstest, Witcher-3-Test) erwärmt sich das Notebook spürbar, das Ganze hält sich aber noch in Grenzen. Die CPU-Temperaturen erreichen teilweise den roten Bereich. Entsprechend wird der CPU-Takt im Verlauf des Tests deutlich gesenkt.
(-) Die maximale Temperatur auf der Oberseite ist 48 °C. Im Vergleich liegt der Klassendurchschnitt bei 40.4 °C (von 21.2 bis 68.8 °C für die Klasse Gaming).
(-) Auf der Unterseite messen wir eine maximalen Wert von 51 °C (im Vergleich zum Durchschnitt von 43.2 °C).
(+) Ohne Last messen wir eine durchschnittliche Temperatur von 31.3 °C auf der Oberseite. Der Klassendurchschnitt erreicht 33.9 °C.
(-) Beim längeren Spielen von The Witcher 3 erhitzt sich das Gerät durchschnittlich auf 42.4 °C. Der Durchschnitt der Klasse ist derzeit 33.9 °C.
(±) Die Handballen und der Touchpad-Bereich können sehr heiß werden mit maximal 38 °C.
(-) Die durchschnittliche Handballen-Temperatur anderer getesteter Geräte war 28.9 °C (-9.1 °C).
| Acer Nitro 5 AN515-58-72QR Intel Core i7-12700H, NVIDIA GeForce RTX 3070 Ti Laptop GPU | MSI Vector GP66 12UGS Intel Core i9-12900H, NVIDIA GeForce RTX 3070 Ti Laptop GPU | HP Omen 16-b1090ng Intel Core i7-12700H, NVIDIA GeForce RTX 3070 Ti Laptop GPU | Lenovo Legion 5 Pro 16 G7 i7 RTX 3070Ti Intel Core i7-12700H, NVIDIA GeForce RTX 3070 Ti Laptop GPU | |
|---|---|---|---|---|
| Hitze | 4% | 10% | 2% | |
| Last oben max * (°C) | 48 | 40.2 16% | 41 15% | 45.3 6% |
| Last unten max * (°C) | 51 | 43.8 14% | 62 -22% | 61.2 -20% |
| Idle oben max * (°C) | 34 | 34.8 -2% | 25 26% | 28.6 16% |
| Idle unten max * (°C) | 33 | 37 -12% | 26 21% | 31.4 5% |
* ... kleinere Werte sind besser
Stresstest
Die CPU arbeitet zu Beginn des Stresstests (Prime95 und Furmark laufen für mindestens eine Stunde) mit hohen Taktraten. Im weiteren Verlauf sinken die Werte auf 2,1 GHz (P-Kerne) bzw. 1,9 GHz (E-Kerne). Die GPU arbeitet mit Geschwindigkeiten zwischen 600 und 1.000 MHz. Der Stresstest stellt ein Extremszenario dar. Wir überprüfen mit diesem Test, ob das System bei voller Auslastung stabil läuft.
Lautsprecher
Die Stereolautsprecher produzieren einen akzeptablen Klang, der mehr Bass vertragen könnte. Für ein besseres Klangerlebnis empfiehlt sich die Nutzung von Kopfhörern oder externen Lautsprechern.
Acer Nitro 5 AN515-58-72QR Audio Analyse
(±) | Mittelmäßig laut spielende Lautsprecher (77 dB)
Bass 100 - 315 Hz
(±) | abgesenkter Bass - 14.4% geringer als der Median
(±) | durchschnittlich lineare Bass-Wiedergabe (12.8% Delta zum Vorgänger)
Mitteltöne 400 - 2000 Hz
(+) | ausgeglichene Mitten, vom Median nur 1.2% abweichend
(+) | lineare Mitten (3.2% Delta zum Vorgänger)
Hochtöne 2 - 16 kHz
(±) | zu hohe Hochtöne, vom Median nur 5.4% abweichend
(±) | durchschnittlich lineare Hochtöne (10.4% Delta zum Vorgänger)
Gesamt im hörbaren Bereich 100 - 16.000 Hz
(±) | hörbarer Bereich ist durchschnittlich linear (15.8% Abstand zum Median)
Im Vergleich zu allen Geräten derselben Klasse
» 36% aller getesteten Geräte dieser Klasse waren besser, 7% vergleichbar, 56% schlechter
» Das beste Gerät hat einen Delta-Wert von 6%, durchschnittlich ist 18%, das schlechteste Gerät hat 132%
Im Vergleich zu allen Geräten im Test
» 24% aller getesteten Geräte waren besser, 5% vergleichbar, 71% schlechter
» Das beste Gerät hat einen Delta-Wert von 4%, durchschnittlich ist 24%, das schlechteste Gerät hat 134%
HP Omen 16-b1090ng Audio Analyse
(+) | Die Lautsprecher können relativ laut spielen (83 dB)
Bass 100 - 315 Hz
(-) | kaum Bass - 24.4% niedriger als der Median
(±) | durchschnittlich lineare Bass-Wiedergabe (13.8% Delta zum Vorgänger)
Mitteltöne 400 - 2000 Hz
(+) | ausgeglichene Mitten, vom Median nur 1.9% abweichend
(+) | lineare Mitten (2.8% Delta zum Vorgänger)
Hochtöne 2 - 16 kHz
(+) | ausgeglichene Hochtöne, vom Median nur 2.2% abweichend
(+) | sehr lineare Hochtöne (3.8% Delta zum Vorgänger)
Gesamt im hörbaren Bereich 100 - 16.000 Hz
(±) | hörbarer Bereich ist durchschnittlich linear (15.1% Abstand zum Median)
Im Vergleich zu allen Geräten derselben Klasse
» 32% aller getesteten Geräte dieser Klasse waren besser, 6% vergleichbar, 62% schlechter
» Das beste Gerät hat einen Delta-Wert von 6%, durchschnittlich ist 18%, das schlechteste Gerät hat 132%
Im Vergleich zu allen Geräten im Test
» 20% aller getesteten Geräte waren besser, 4% vergleichbar, 76% schlechter
» Das beste Gerät hat einen Delta-Wert von 4%, durchschnittlich ist 24%, das schlechteste Gerät hat 134%
Energieverwaltung - Die Akkulaufzeiten des AN515-58 lösen keine Begeisterung aus
Energieaufnahme
Auffälligkeiten auf Seiten des Energiebedarfs zeigt das AN515 nicht. Stresstest bzw. Witcher-3-Test lassen die Leistungsaufnahme auf bis zu 220 Watt bzw. durchschnittlich 195 Watt steigen. Während der Witcher-3-Test mit konstanter Energieaufnahme durchlaufen wird, sinkt der Bedarf im Verlauf des Stresstests etwas. Das mitgelieferte Netzteil ist mit einer Nennleistung von 280 Watt ausreichend dimensioniert.
| Aus / Standby | |
| Idle | |
| Last |
|
Legende:
min: | |
| Acer Nitro 5 AN515-58-72QR i7-12700H, GeForce RTX 3070 Ti Laptop GPU | MSI Vector GP66 12UGS i9-12900H, GeForce RTX 3070 Ti Laptop GPU | HP Omen 16-b1090ng i7-12700H, GeForce RTX 3070 Ti Laptop GPU | Lenovo Legion 5 Pro 16 G7 i7 RTX 3070Ti i7-12700H, GeForce RTX 3070 Ti Laptop GPU | Durchschnittliche NVIDIA GeForce RTX 3070 Ti Laptop GPU | Durchschnitt der Klasse Gaming | |
|---|---|---|---|---|---|---|
| Stromverbrauch | -52% | 19% | -9% | -32% | -28% | |
| Idle min * (Watt) | 7 | 17.5 -150% | 4 43% | 8.6 -23% | 14.2 ? -103% | 13.6 ? -94% |
| Idle avg * (Watt) | 15 | 20.1 -34% | 10 33% | 17.6 -17% | 19.9 ? -33% | 19.4 ? -29% |
| Idle max * (Watt) | 24 | 47.3 -97% | 19 21% | 18.5 23% | 26.2 ? -9% | 25.9 ? -8% |
| Last avg * (Watt) | 124 | 107.3 13% | 114 8% | 110 11% | 125.8 ? -1% | 110.4 ? 11% |
| Witcher 3 ultra * (Watt) | 195.1 | 225 -15% | 183.2 6% | 227 -16% | ||
| Last max * (Watt) | 220 | 277.7 -26% | 221 -0% | 294.6 -34% | 248 ? -13% | 261 ? -19% |
* ... kleinere Werte sind besser
Energieaufnahme Witcher 3 / Stresstest
Energieaufnahme mit externem Monitor
Akkulaufzeit
Der 15,6-Zöller erreicht im WLAN-Test (Aufruf von Webseiten mittels eines Skripts) bzw. Videotest (Kurzfilm Big Buck Bunny (H.264-Kodierung, FHD) in einer Schleife) Laufzeiten von 3:54 h bzw. 4:43 h. Während beider Tests sind die Energiesparfunktionen des Notebooks deaktiviert und die Displayhelligkeit wird auf etwa 150 cd/m² geregelt. Zur Durchführung des Videotests werden zudem die Funkmodule abgeschaltet.
Die mauen Laufzeiten sind auf die relativ geringe Akkukapazität (57,5 Wh) zurückzuführen. Auf die Wattstunde herunter gerechnet liefert das Nitro im praxisrelevanten WLAN-Test Ausdauerwerte wie das Omen 16 (83 Wh) und das Legion 5 Pro (80 Wh).
| Acer Nitro 5 AN515-58-72QR i7-12700H, GeForce RTX 3070 Ti Laptop GPU, 57.5 Wh | MSI Vector GP66 12UGS i9-12900H, GeForce RTX 3070 Ti Laptop GPU, 65 Wh | HP Omen 16-b1090ng i7-12700H, GeForce RTX 3070 Ti Laptop GPU, 83 Wh | Lenovo Legion 5 Pro 16 G7 i7 RTX 3070Ti i7-12700H, GeForce RTX 3070 Ti Laptop GPU, 80 Wh | Durchschnitt der Klasse Gaming | |
|---|---|---|---|---|---|
| Akkulaufzeit | 23% | 60% | 7% | 61% | |
| Idle (h) | 5.7 | 7.9 39% | 10.1 77% | 9.99 ? 75% | |
| H.264 (h) | 4.7 | 6.3 34% | 8.1 ? 72% | ||
| WLAN (h) | 3.9 | 5.7 46% | 5.6 44% | 5.4 38% | 6.81 ? 75% |
| Last (h) | 1.2 | 1 -17% | 1.9 58% | 0.6 -50% | 1.435 ? 20% |
Pro
Contra
Fazit - Gelungenes Gaming-Notebook
Für knapp 2.000 Euro ist mit dem Nitro 5 ein ausgewogener Gaming-Laptop zu bekommen. Core-i7-12700H-Prozessor und eine GeForce-RTX-3070-Ti-Laptop-GPU ermöglichen QHD-Gaming bei hohen bis maximalen Settings. Dazu gesellen sich eine flotte PCIe-4-SSD (1 TB) und 16 GB Arbeitsspeicher.
Acer liefert mit dem Nitro 5 AN515-58 ein solides QHD-Gaming-Notebook. Komplett frei von Schwächen ist der Rechner aber nicht.
CPU und GPU können mit konstant hohen Taktraten arbeiten. Der Rechner erwärmt sich unter Last spürbar, aber nicht übermäßig stark. Die Lärmentwicklung bewegt sich auf klassenüblichem Niveau. Allerdings dürfte Acer noch einmal Hand an die Lüftersteuerung anlegen.
Der 15,6-Zoll-Bildschirm (QHD, IPS, 165 Hz) hat insgesamt einen guten Eindruck hinterlassen. Die Akkulaufzeiten überzeugen in der Summe nicht. Immerhin: Der Akku kann über ein universelles USB-C-Netzteil (min. 65 Watt, 20 V) geladen werden - der Thunderbolt-4-Steckplatz unterstützt Power Delivery. So müsste nicht zwingend das wuchtige 280-Watt-Netzteil mitgeführt werden.
Als Alternative zum Nitro 5 käme das Lenovo Legion 5 Pro 16 G7 in Frage. Es erreicht mit der gleichen CPU-GPU-Kombination ein etwas höheres Leistungsniveau, bietet schnelleren DDR5-Arbeitsspeicher und hat einen 16:10-Bildschirm an Bord. Darüber hinaus fallen die Akkulaufzeiten besser aus.
Preis und Verfügbarkeit
Das Acer Nitro 5 AN515-58-72QR (Core i7-12700H, GeForce RTX 3070 Ti, 16 GB RAM, 1 TB SSD) ist aktuell zu einem Preis von 1.999 Euro bei Notebooksbilliger.de verfügbar. Das exakt baugleiche Schwestermodell AN515-58-716G ist bereits für 1.899 Euro zu bekommen - allerdings gehört kein Windows-Betriebssystem zum Lieferumfang.
Acer Nitro 5 AN515-58-72QR
- 02.06.2022 v7 (old)
Sascha Mölck






































































































