Test HP Omen 16 (2022) Laptop: Schicker Gamer mit hochauflösendem 165-Hz-Display

Wer ein potentes Gaming-Notebook im Preisbereich von rund 2.000 Euro sucht, könnte bereits auf das getestete Omen 16-b1090ng aufmerksam geworden sein. HP packt in den hübsch designten 16-Zöller nicht nur einen pfeilschnellen Intel Core i7-12700H, sondern auch eine brandneue GeForce RTX 3070 Ti mit 8 GB VRAM. Passend dazu sind 32 GB DDR5-RAM (2x 16 GB) und eine 1 TB große NVMe-SSD im M.2-Format an Bord. Als Display kommt ein mattes IPS-Panel mit 2.560 x 1.440 Pixeln und 165 Hz zum Einsatz. Beim Betriebssystem hat sich HP für Windows 11 Home entschieden.
Wir erweitern unser News & Magazin-Team und suchen Verstärkung im Bereich E-Mobility und Science.
Details
Zu den Konkurrenten der Testkonfiguration zählen andere RTX-3070-Ti-Laptops wie das Lenovo Legion 5 Pro 16 G7, das MSI Stealth GS66 12UGS und das Aorus 17 XE4. Diese Laptops tauchen ebenso in den Vergleichstabellen auf wie der Vorgänger.
mögliche Konkurrenten im Vergleich
Bew. | Datum | Modell | Gewicht | Dicke | Größe | Auflösung | Preis ab |
|---|---|---|---|---|---|---|---|
| 85.5 % v7 (old) | 05 / 2022 | HP Omen 16-b1090ng i7-12700H, GeForce RTX 3070 Ti Laptop GPU | 2.3 kg | 23 mm | 16.10" | 2560x1440 | |
| 86.6 % v7 (old) | 10 / 2021 | HP Omen 16-b0085ng i7-11800H, GeForce RTX 3070 Laptop GPU | 2.4 kg | 23 mm | 16.10" | 1920x1080 | |
| 88 % v7 (old) | 03 / 2022 | Lenovo Legion 5 Pro 16 G7 i7 RTX 3070Ti i7-12700H, GeForce RTX 3070 Ti Laptop GPU | 2.6 kg | 26.6 mm | 16.00" | 2560x1600 | |
| 84.5 % v7 (old) | 02 / 2022 | MSI Stealth GS66 12UGS i7-12700H, GeForce RTX 3070 Ti Laptop GPU | 2.2 kg | 19.8 mm | 15.60" | 2560x1440 | |
| 85.2 % v7 (old) | 04 / 2022 | Aorus 17 XE4 i7-12700H, GeForce RTX 3070 Ti Laptop GPU | 2.6 kg | 27 mm | 17.30" | 1920x1080 |
Apropos Vorgänger: Da das Gehäuse identisch zur letzten Generation ist, gehen wir in diesem Artikel nicht näher auf das Chassis, die Ausstattung (Schnittstellen etc.) und die Eingabegeräte ein. Sie finden die entsprechenden Informationen beim Testbericht des Omen 16-b0085ng.
SD Card Reader
| SD Card Reader - average JPG Copy Test (av. of 3 runs) | |
| Durchschnitt der Klasse Gaming (20 - 210, n=67, der letzten 2 Jahre) | |
| HP Omen 16-b1090ng (AV PRO microSD 128 GB V60) | |
| HP Omen 16-b0085ng (AV PRO microSD 128 GB V60) | |
Kommunikation
| Networking | |
| iperf3 transmit AXE11000 | |
| Aorus 17 XE4 | |
| Durchschnitt der Klasse Gaming (469 - 1862, n=122, der letzten 2 Jahre) | |
| HP Omen 16-b1090ng | |
| iperf3 receive AXE11000 | |
| Aorus 17 XE4 | |
| MSI Stealth GS66 12UGS | |
| Durchschnitt der Klasse Gaming (680 - 1745, n=122, der letzten 2 Jahre) | |
| HP Omen 16-b1090ng | |
Webcam

Display
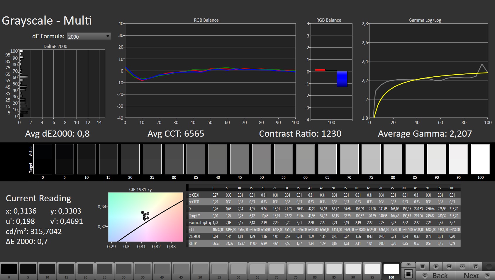
Das verbaute 165-Hz-Panel mit der Kennung BOE09E5 hinterlässt – analog zum 144-Hz-Panel des alten Omen 16 – eine gute Figur. Neben der Helligkeit (durchschnittlich 319 cd/m²) fällt auch der Kontrast (1.196:1) zufriedenstellend aus.
| |||||||||||||||||||||||||
Ausleuchtung: 90 %
Helligkeit Akku: 335 cd/m²
Kontrast: 1196:1 (Schwarzwert: 0.28 cd/m²)
ΔE ColorChecker Calman: 4.38 | ∀{0.5-29.43 Ø4.79}
calibrated: 1.33
ΔE Greyscale Calman: 7 | ∀{0.09-98 Ø5}
73.3% AdobeRGB 1998 (Argyll 3D)
97.9% sRGB (Argyll 3D)
71% Display P3 (Argyll 3D)
Gamma: 2.103
CCT: 6244 K
| HP Omen 16-b1090ng BOE09E5, IPS, 2560x1440, 16.1" | HP Omen 16-b0085ng BOE09BE, IPS, 1920x1080, 16.1" | Lenovo Legion 5 Pro 16 G7 i7 RTX 3070Ti NE160QDM-NY1, IPS, 2560x1600, 16" | MSI Stealth GS66 12UGS Sharp LQ156T1JW04 (SHP153C), IPS-Level, 2560x1440, 15.6" | Aorus 17 XE4 Sharp LQ173M1JW12, IPS, 1920x1080, 17.3" | |
|---|---|---|---|---|---|
| Display | 2% | -2% | 18% | -1% | |
| Display P3 Coverage (%) | 71 | 72.3 2% | 68.7 -3% | 96.4 36% | 69 -3% |
| sRGB Coverage (%) | 97.9 | 99.5 2% | 97.6 0% | 99.7 2% | 99.4 2% |
| AdobeRGB 1998 Coverage (%) | 73.3 | 73.8 1% | 70.9 -3% | 85.6 17% | 71.2 -3% |
| Response Times | 7% | -1% | 35% | -12% | |
| Response Time Grey 50% / Grey 80% * (ms) | 14.5 ? | 8 ? 45% | 17.6 ? -21% | 6 ? 59% | 15.2 ? -5% |
| Response Time Black / White * (ms) | 9.4 ? | 12.4 ? -32% | 7.6 ? 19% | 8.4 ? 11% | 11.2 ? -19% |
| PWM Frequency (Hz) | |||||
| Bildschirm | -11% | 26% | 1% | 17% | |
| Helligkeit Bildmitte (cd/m²) | 335 | 405 21% | 502 50% | 272 -19% | 274 -18% |
| Brightness (cd/m²) | 319 | 378 18% | 491 54% | 253 -21% | 267 -16% |
| Brightness Distribution (%) | 90 | 87 -3% | 91 1% | 87 -3% | 82 -9% |
| Schwarzwert * (cd/m²) | 0.28 | 0.34 -21% | 0.37 -32% | 0.25 11% | 0.25 11% |
| Kontrast (:1) | 1196 | 1191 0% | 1357 13% | 1088 -9% | 1096 -8% |
| Delta E Colorchecker * | 4.38 | 3.7 16% | 2.7 38% | 3.73 15% | 2.07 53% |
| Colorchecker dE 2000 max. * | 9.48 | 7.77 18% | 4.5 53% | 9.43 1% | 4.89 48% |
| Colorchecker dE 2000 calibrated * | 1.33 | 3.49 -162% | 1.4 -5% | 0.98 26% | 0.83 38% |
| Delta E Graustufen * | 7 | 5.88 16% | 2.7 61% | 6.5 7% | 3 57% |
| Gamma | 2.103 105% | 2.57 86% | 2.44 90% | 2.172 101% | 2.207 100% |
| CCT | 6244 104% | 6342 102% | 6326 103% | 6485 100% | 6999 93% |
| Farbraum (Prozent von AdobeRGB 1998) (%) | 73.76 | ||||
| Color Space (Percent of sRGB) (%) | 99.47 | ||||
| Durchschnitt gesamt (Programm / Settings) | -1% /
-6% | 8% /
16% | 18% /
10% | 1% /
9% |
* ... kleinere Werte sind besser
Gleiches gilt für den Farbraum, der knapp 100 % sRGB beträgt. Etwas nachbessern könnte HP bei der Farbgenauigkeit. Im Auslieferungszustand besitzt das Panel einen gewissen Grünstich, der sich allerdings durch eine Kalibrierung beheben lässt (unsere ICC-Datei ist neben der Ausleuchtungsgrafik verlinkt).
Reaktionszeiten (Response Times) des Displays
| ↔ Reaktionszeiten Schwarz zu Weiß | ||
|---|---|---|
| 9.4 ms ... steigend ↗ und fallend ↘ kombiniert | ↗ 4.4 ms steigend | |
| ↘ 5 ms fallend | ||
| Die gemessenen Reaktionszeiten sind kurz wodurch sich der Bildschirm auch für Spiele gut eignen sollte. Im Vergleich rangierten die bei uns getesteten Geräte von 0.1 (Minimum) zu 240 (Maximum) ms. » 25 % aller Screens waren schneller als der getestete. Daher sind die gemessenen Reaktionszeiten besser als der Durchschnitt aller vermessenen Geräte (20.3 ms). | ||
| ↔ Reaktionszeiten 50% Grau zu 80% Grau | ||
| 14.5 ms ... steigend ↗ und fallend ↘ kombiniert | ↗ 7.2 ms steigend | |
| ↘ 7.3 ms fallend | ||
| Die gemessenen Reaktionszeiten sind gut, für anspruchsvolle Spieler könnten der Bildschirm jedoch zu langsam sein. Im Vergleich rangierten die bei uns getesteten Geräte von 0.165 (Minimum) zu 636 (Maximum) ms. » 27 % aller Screens waren schneller als der getestete. Daher sind die gemessenen Reaktionszeiten besser als der Durchschnitt aller vermessenen Geräte (31.7 ms). | ||
Bildschirm-Flackern / PWM (Pulse-Width Modulation)
| Flackern / PWM nicht festgestellt | |||
Im Vergleich: 53 % aller getesteten Geräte nutzten kein PWM um die Helligkeit zu reduzieren. Wenn PWM eingesetzt wurde, dann bei einer Frequenz von durchschnittlich 8152 (Minimum 5, Maximum 343500) Hz. | |||
Leistung
In der vorliegenden Ausstattung gehört das Omen 16 zum High-End-Bereich. Die ausgewogenen Komponenten sollten in den kommenden Jahren genug Power für alle möglichen Anwendungsszenarien bereithalten.
Testbedingungen
Der vorinstallierte Omen Gaming Hub lässt Käufer an diversen Aspekten des Systems herumspielen. Besonders relevant ist dabei das Menü Leistungssteuerung, welches zwei Energiemodi enthält. Abgesehen von den Akkumessungen wurden alle Tests mit dem Profil Leistung durchgeführt (automatische Wärmesteuerung).
Prozessor
Beim Core i7-12700H handelt es sich um einen 14-Kern-Prozessor aus Intels Alder-Lake-Reihe, der 6 Performance-Kerne (inklusive Hyper-Threading) und 8 Effizienzkerne (ohne HT) beherbergt. Außerdem kann das 10-nm-Modell mit 24 MB L3-Cache auftrumpfen.
Gegen den Core i7-11800H des Vorgängers, welcher „nur“ 8 Kerne bietet, hat die neue CPU leichtes Spiel. Laut der Performance-Analyse beläuft sich der Vorsprung auf rund 26 %. Allerdings sinkt die CPU-Performance des i7-12700H nach einer Weile etwas, wie unser Cinebench-Loop zeigt. Insgesamt orientiert sich die CPU-Geschwindigkeit am MSI GS66 Stealth, das mit der gleichen CPU bestückt ist. Das Lenovo Legion 5 Pro schneidet etwas besser ab, das Aorus 17 etwas schlechter.
Cinebench R15 Multi Dauertest
* ... kleinere Werte sind besser
AIDA64: FP32 Ray-Trace | FPU Julia | CPU SHA3 | CPU Queen | FPU SinJulia | FPU Mandel | CPU AES | CPU ZLib | FP64 Ray-Trace | CPU PhotoWorxx
| Performance Rating | |
| Durchschnitt der Klasse Gaming | |
| Lenovo Legion 5 Pro 16 G7 i7 RTX 3070Ti | |
| MSI Stealth GS66 12UGS | |
| Durchschnittliche Intel Core i7-12700H | |
| HP Omen 16-b1090ng | |
| Aorus 17 XE4 | |
| AIDA64 / FP32 Ray-Trace | |
| Durchschnitt der Klasse Gaming (7192 - 85542, n=143, der letzten 2 Jahre) | |
| Durchschnittliche Intel Core i7-12700H (2585 - 17957, n=63) | |
| Lenovo Legion 5 Pro 16 G7 i7 RTX 3070Ti | |
| MSI Stealth GS66 12UGS | |
| HP Omen 16-b1090ng | |
| Aorus 17 XE4 | |
| AIDA64 / FPU Julia | |
| Durchschnitt der Klasse Gaming (35040 - 252486, n=143, der letzten 2 Jahre) | |
| Durchschnittliche Intel Core i7-12700H (12439 - 90760, n=63) | |
| Lenovo Legion 5 Pro 16 G7 i7 RTX 3070Ti | |
| MSI Stealth GS66 12UGS | |
| HP Omen 16-b1090ng | |
| Aorus 17 XE4 | |
| AIDA64 / CPU SHA3 | |
| Durchschnitt der Klasse Gaming (1728 - 10389, n=143, der letzten 2 Jahre) | |
| Lenovo Legion 5 Pro 16 G7 i7 RTX 3070Ti | |
| MSI Stealth GS66 12UGS | |
| Durchschnittliche Intel Core i7-12700H (833 - 4242, n=63) | |
| HP Omen 16-b1090ng | |
| Aorus 17 XE4 | |
| AIDA64 / CPU Queen | |
| Durchschnitt der Klasse Gaming (50699 - 200651, n=143, der letzten 2 Jahre) | |
| HP Omen 16-b1090ng | |
| Aorus 17 XE4 | |
| Lenovo Legion 5 Pro 16 G7 i7 RTX 3070Ti | |
| MSI Stealth GS66 12UGS | |
| Durchschnittliche Intel Core i7-12700H (57923 - 103202, n=63) | |
| AIDA64 / FPU SinJulia | |
| Durchschnitt der Klasse Gaming (5020 - 33636, n=143, der letzten 2 Jahre) | |
| Lenovo Legion 5 Pro 16 G7 i7 RTX 3070Ti | |
| MSI Stealth GS66 12UGS | |
| HP Omen 16-b1090ng | |
| Durchschnittliche Intel Core i7-12700H (3249 - 9939, n=63) | |
| Aorus 17 XE4 | |
| AIDA64 / FPU Mandel | |
| Durchschnitt der Klasse Gaming (17585 - 134044, n=143, der letzten 2 Jahre) | |
| Durchschnittliche Intel Core i7-12700H (7135 - 44760, n=63) | |
| Lenovo Legion 5 Pro 16 G7 i7 RTX 3070Ti | |
| MSI Stealth GS66 12UGS | |
| HP Omen 16-b1090ng | |
| Aorus 17 XE4 | |
| AIDA64 / CPU AES | |
| Durchschnitt der Klasse Gaming (19065 - 247074, n=143, der letzten 2 Jahre) | |
| Lenovo Legion 5 Pro 16 G7 i7 RTX 3070Ti | |
| MSI Stealth GS66 12UGS | |
| HP Omen 16-b1090ng | |
| Durchschnittliche Intel Core i7-12700H (31839 - 144360, n=63) | |
| Aorus 17 XE4 | |
| AIDA64 / CPU ZLib | |
| Durchschnitt der Klasse Gaming (373 - 2531, n=143, der letzten 2 Jahre) | |
| Lenovo Legion 5 Pro 16 G7 i7 RTX 3070Ti | |
| MSI Stealth GS66 12UGS | |
| Durchschnittliche Intel Core i7-12700H (305 - 1171, n=63) | |
| HP Omen 16-b1090ng | |
| Aorus 17 XE4 | |
| AIDA64 / FP64 Ray-Trace | |
| Durchschnitt der Klasse Gaming (3856 - 45446, n=143, der letzten 2 Jahre) | |
| Durchschnittliche Intel Core i7-12700H (1437 - 9692, n=63) | |
| Lenovo Legion 5 Pro 16 G7 i7 RTX 3070Ti | |
| MSI Stealth GS66 12UGS | |
| HP Omen 16-b1090ng | |
| Aorus 17 XE4 | |
| AIDA64 / CPU PhotoWorxx | |
| Durchschnitt der Klasse Gaming (10805 - 62916, n=143, der letzten 2 Jahre) | |
| HP Omen 16-b1090ng | |
| MSI Stealth GS66 12UGS | |
| Lenovo Legion 5 Pro 16 G7 i7 RTX 3070Ti | |
| Durchschnittliche Intel Core i7-12700H (12863 - 52207, n=63) | |
| Aorus 17 XE4 | |
System Performance
Bei der Systemleistung reicht es ebenfalls für einen Platz im mittleren Bereich des Testfelds. 7.322 Punkte im PCMark 10 sind ein überaus guter Wert und zeugen von der Allround-Tauglichkeit des Omen 16.
CrossMark: Overall | Productivity | Creativity | Responsiveness
| PCMark 10 / Score | |
| Durchschnitt der Klasse Gaming (5776 - 9852, n=121, der letzten 2 Jahre) | |
| Aorus 17 XE4 | |
| MSI Stealth GS66 12UGS | |
| Lenovo Legion 5 Pro 16 G7 i7 RTX 3070Ti | |
| HP Omen 16-b1090ng | |
| HP Omen 16-b0085ng | |
| PCMark 10 / Essentials | |
| MSI Stealth GS66 12UGS | |
| Aorus 17 XE4 | |
| Durchschnitt der Klasse Gaming (8840 - 12600, n=125, der letzten 2 Jahre) | |
| HP Omen 16-b0085ng | |
| HP Omen 16-b1090ng | |
| Lenovo Legion 5 Pro 16 G7 i7 RTX 3070Ti | |
| PCMark 10 / Productivity | |
| Lenovo Legion 5 Pro 16 G7 i7 RTX 3070Ti | |
| Aorus 17 XE4 | |
| Durchschnitt der Klasse Gaming (6662 - 14612, n=121, der letzten 2 Jahre) | |
| HP Omen 16-b1090ng | |
| MSI Stealth GS66 12UGS | |
| HP Omen 16-b0085ng | |
| PCMark 10 / Digital Content Creation | |
| Durchschnitt der Klasse Gaming (7440 - 19351, n=121, der letzten 2 Jahre) | |
| Lenovo Legion 5 Pro 16 G7 i7 RTX 3070Ti | |
| Aorus 17 XE4 | |
| MSI Stealth GS66 12UGS | |
| HP Omen 16-b1090ng | |
| HP Omen 16-b0085ng | |
| CrossMark / Overall | |
| Aorus 17 XE4 | |
| Durchschnitt der Klasse Gaming (1247 - 2344, n=116, der letzten 2 Jahre) | |
| Lenovo Legion 5 Pro 16 G7 i7 RTX 3070Ti | |
| CrossMark / Productivity | |
| Aorus 17 XE4 | |
| Lenovo Legion 5 Pro 16 G7 i7 RTX 3070Ti | |
| Durchschnitt der Klasse Gaming (1299 - 2211, n=116, der letzten 2 Jahre) | |
| CrossMark / Creativity | |
| Durchschnitt der Klasse Gaming (1275 - 2729, n=116, der letzten 2 Jahre) | |
| Lenovo Legion 5 Pro 16 G7 i7 RTX 3070Ti | |
| Aorus 17 XE4 | |
| CrossMark / Responsiveness | |
| Aorus 17 XE4 | |
| Lenovo Legion 5 Pro 16 G7 i7 RTX 3070Ti | |
| Durchschnitt der Klasse Gaming (1030 - 2330, n=116, der letzten 2 Jahre) | |
| PCMark 10 Score | 7322 Punkte | |
Hilfe | ||
| AIDA64 / Memory Copy | |
| Durchschnitt der Klasse Gaming (21750 - 104987, n=143, der letzten 2 Jahre) | |
| HP Omen 16-b1090ng | |
| MSI Stealth GS66 12UGS | |
| Lenovo Legion 5 Pro 16 G7 i7 RTX 3070Ti | |
| Aorus 17 XE4 | |
| AIDA64 / Memory Read | |
| Durchschnitt der Klasse Gaming (22956 - 104349, n=143, der letzten 2 Jahre) | |
| HP Omen 16-b1090ng | |
| MSI Stealth GS66 12UGS | |
| Lenovo Legion 5 Pro 16 G7 i7 RTX 3070Ti | |
| Aorus 17 XE4 | |
| AIDA64 / Memory Write | |
| Durchschnitt der Klasse Gaming (22297 - 133486, n=143, der letzten 2 Jahre) | |
| MSI Stealth GS66 12UGS | |
| HP Omen 16-b1090ng | |
| Lenovo Legion 5 Pro 16 G7 i7 RTX 3070Ti | |
| Aorus 17 XE4 | |
| AIDA64 / Memory Latency | |
| Durchschnitt der Klasse Gaming (59.5 - 259, n=143, der letzten 2 Jahre) | |
| Lenovo Legion 5 Pro 16 G7 i7 RTX 3070Ti | |
| MSI Stealth GS66 12UGS | |
| Aorus 17 XE4 | |
| HP Omen 16-b1090ng | |
| HP Omen 16-b0085ng | |
* ... kleinere Werte sind besser
DPC-Latenzen
| DPC Latencies / LatencyMon - interrupt to process latency (max), Web, Youtube, Prime95 | |
| MSI Stealth GS66 12UGS | |
| Aorus 17 XE4 | |
| Lenovo Legion 5 Pro 16 G7 i7 RTX 3070Ti | |
| HP Omen 16-b1090ng | |
| HP Omen 16-b0085ng | |
* ... kleinere Werte sind besser
Massenspeicher
Als Massenspeicher dient eine NVMe-SSD aus dem Hause Western Digital (Modell PC SN810) mit 1 TB Speicherplatz. Das M.2-Drive kann bei den Benchmarks zwar nicht ganz an die SSDs der Konkurrenz heranreichen, gegenüber dem alten Omen 16 ist aber ein großes Geschwindigkeitsplus feststellbar. Schade: Bei längerer Beanspruchung tendiert die Performance der SSD zum Schwanken bzw. bricht ein (siehe Dauerleistungs-Graph).
| Drive Performance Rating - Percent | |
| Lenovo Legion 5 Pro 16 G7 i7 RTX 3070Ti | |
| Aorus 17 XE4 | |
| MSI Stealth GS66 12UGS -8! | |
| Durchschnitt der Klasse Gaming | |
| HP Omen 16-b1090ng | |
| HP Omen 16-b0085ng | |
* ... kleinere Werte sind besser
Dauerleistung Lesen: DiskSpd Read Loop, Queue Depth 8
Grafikkarte
Mit der GeForce RTX 3070 Ti hat Nvidia eine etwas stärkere Version der GeForce RTX 3070 im Gepäck. Das Ampere-Modell bietet erneut 8 GB GDDR6-VRAM, allerdings 5.888 anstelle von 5.120 Shader-Einheiten, was einen gewissen Performance-Schub verspricht. Jedoch hängt die Geschwindigkeit der aktuellen Nvidia-GPUs zu großen Teilen von der Kühlung und der eingestellten TGP ab. Angesichts von 115 Watt wählt HP hier das selbe Level wie bei der RTX 3070 des Vorgängers.
Somit hält sich sich der Leistungsunterschied in Grenzen. Wenn es nach den synthetischen Grafiktests geht, lohnt sich das Upgrade nicht. Die Ergebnisse liegen größtenteils auf dem Niveau des alten Omen 16. Die bisher getesteten RTX-3070-Ti-Laptops waren im Schnitt etwas flotter unterwegs.
| 3DMark 11 Performance | 30414 Punkte | |
| 3DMark Cloud Gate Standard Score | 60228 Punkte | |
| 3DMark Fire Strike Score | 22942 Punkte | |
| 3DMark Time Spy Score | 10306 Punkte | |
Hilfe | ||
Gaming Performance
Ähnlich sieht es bei der Gaming-Performance aus. Auch hier kann sich das neue Omen 16 häufig kaum von seinem Vorgänger absetzen. Grundsätzlich ist die GeForce RTX 3070 Ti schnell genug, um alle modernen Games flüssig in der nativen Auflösung von 2.560 x 1.440 Pixeln mit hohen bis maximalen Details zu befeuern. Eng kann es nur bei sehr anspruchsvollen Titeln wie Dying Light 2 und/oder – falls unterstützt – aktiviertem Ray Tracing werden.
| The Witcher 3 | |
| 1920x1080 High Graphics & Postprocessing (Nvidia HairWorks Off) | |
| Durchschnitt der Klasse Gaming (110 - 424, n=38, der letzten 2 Jahre) | |
| Lenovo Legion 5 Pro 16 G7 i7 RTX 3070Ti | |
| Durchschnittliche NVIDIA GeForce RTX 3070 Ti Laptop GPU (139.7 - 226, n=27) | |
| HP Omen 16-b1090ng | |
| HP Omen 16-b0085ng | |
| Aorus 17 XE4 | |
| MSI Stealth GS66 12UGS | |
| 1920x1080 Ultra Graphics & Postprocessing (HBAO+) | |
| Durchschnitt der Klasse Gaming (18.4 - 240, n=59, der letzten 2 Jahre) | |
| Lenovo Legion 5 Pro 16 G7 i7 RTX 3070Ti | |
| Durchschnittliche NVIDIA GeForce RTX 3070 Ti Laptop GPU (76.8 - 124.1, n=39) | |
| Aorus 17 XE4 | |
| HP Omen 16-b0085ng | |
| HP Omen 16-b1090ng | |
| MSI Stealth GS66 12UGS | |
Im Gegensatz zur CPU- und SSD-Performance bleibt die Leistung der GPU über längere Zeiträume recht stabil. Bei unserem einstündigen Witcher-3-Test gab es keine Auffälligkeiten.
Witcher 3 FPS-Diagramm
| min. | mittel | hoch | max. | QHD | |
|---|---|---|---|---|---|
| GTA V (2015) | 179.5 | 173.9 | 110.2 | ||
| The Witcher 3 (2015) | 308 | 188 | 97.7 | ||
| Dota 2 Reborn (2015) | 180.8 | 161.2 | 149.1 | 145.2 | |
| Final Fantasy XV Benchmark (2018) | 131 | 99.6 | |||
| X-Plane 11.11 (2018) | 151.2 | 141.3 | 112.5 | ||
| Strange Brigade (2018) | 259 | 164.1 | 146.6 | ||
| Outriders (2021) | 147 | 135.6 | 116.1 | 80.8 | |
| Resident Evil Village (2021) | 193.6 | 177.8 | 154.5 | 103.6 | |
| Mass Effect Legendary Edition (2021) | 122.4 | 119.4 | |||
| Days Gone (2021) | 151.7 | 135.1 | 100.8 | 73.6 | |
| Deathloop (2021) | 128.6 | 112.2 | 90.3 | 62.6 | |
| New World (2021) | 100.4 | 93.3 | 85.8 | 70.4 | |
| Back 4 Blood (2021) | 219 | 195.1 | 187.8 | 124.9 | |
| Farming Simulator 22 (2021) | 170.7 | 149.3 | 137.9 | 118.6 | |
| Dying Light 2 (2022) | 81.8 | 69.6 | 50.8 | ||
| Elden Ring (2022) | 59.8 | 59.8 | 59.7 | 59.7 | |
| Ghostwire Tokyo (2022) | 151.3 | 146.2 | 145.1 | 93.1 | |
| Tiny Tina's Wonderlands (2022) | 165 | 115 | 89.8 | 62.4 | |
| Vampire Bloodhunt (2022) | 205 | 196 | 189.9 | 128.4 |
Emissionen
Geräuschemissionen
Während das Omen 16 im Modus Ausgeglichen nicht extrem laut wird, gehen die Lüfter im Leistungsmodus richtig zu Werke. Bereits ohne Last ist der 16-Zöller leicht bis ordentlich hörbar (30 bis 33 dB). 3D-Anwendungen treiben die Geräuschkulisse schnell in sehr präsente bis störend laute Regionen. 49 bis 57 dB(A) sind nicht nur mehr als beim Vorgänger, sondern auch mehr als bei der (teils flotteren) Konkurrenz. Es drängt sich der Verdacht auf, dass HP entweder den Fokus auf die Temperaturen gelegt oder generell nicht unbedingt das beste Kühlsystem entworfen hat.
Lautstärkediagramm
| Idle |
| 30 / 31 / 33 dB(A) |
| Last |
| 49 / 57 dB(A) |
![]() | ||
30 dB leise 40 dB(A) deutlich hörbar 50 dB(A) störend |
||
min: | ||
| HP Omen 16-b1090ng i7-12700H, GeForce RTX 3070 Ti Laptop GPU | HP Omen 16-b0085ng i7-11800H, GeForce RTX 3070 Laptop GPU | Lenovo Legion 5 Pro 16 G7 i7 RTX 3070Ti i7-12700H, GeForce RTX 3070 Ti Laptop GPU | MSI Stealth GS66 12UGS i7-12700H, GeForce RTX 3070 Ti Laptop GPU | Aorus 17 XE4 i7-12700H, GeForce RTX 3070 Ti Laptop GPU | |
|---|---|---|---|---|---|
| Geräuschentwicklung | 13% | 6% | 5% | 5% | |
| aus / Umgebung * (dB) | 26 | 23 12% | 24.6 5% | 24 8% | 24 8% |
| Idle min * (dB) | 30 | 23 23% | 28.4 5% | 31 -3% | 30 -0% |
| Idle avg * (dB) | 31 | 23 26% | 28.4 8% | 32 -3% | 31 -0% |
| Idle max * (dB) | 33 | 34.81 -5% | 28.4 14% | 35 -6% | 34 -3% |
| Last avg * (dB) | 49 | 35.02 29% | 49.4 -1% | 48 2% | 44 10% |
| Witcher 3 ultra * (dB) | 53 | 52 2% | 49.4 7% | 43 19% | 51 4% |
| Last max * (dB) | 57 | 56 2% | 54.7 4% | 48 16% | 49 14% |
* ... kleinere Werte sind besser
Temperatur
Solange man das Gehäuse nicht auf den Schoß stellt, geben die Temperaturen keinen Anlass zur Kritik. Selbst unter Volllast mit den Tools Furmark und Prime95 erwärmte sich die Oberseite nur auf maximal 41 °C – ein moderater Wert. Im Idle-Betrieb bleibt das komplette Chassis angenehm kühl (24 bis 26 °C).
(±) Die maximale Temperatur auf der Oberseite ist 41 °C. Im Vergleich liegt der Klassendurchschnitt bei 40.5 °C (von 21.2 bis 68.8 °C für die Klasse Gaming).
(-) Auf der Unterseite messen wir eine maximalen Wert von 62 °C (im Vergleich zum Durchschnitt von 43.3 °C).
(+) Ohne Last messen wir eine durchschnittliche Temperatur von 24.1 °C auf der Oberseite. Der Klassendurchschnitt erreicht 33.9 °C.
(±) Beim längeren Spielen von The Witcher 3 erhitzt sich das Gerät durchschnittlich auf 36.3 °C. Der Durchschnitt der Klasse ist derzeit 33.9 °C.
(+) Die Handballen und der Touchpad-Bereich erreichen maximal 34 °C und damit die typische Hauttemperatur und fühlen sich daher nicht heiß an.
(-) Die durchschnittliche Handballen-Temperatur anderer getesteter Geräte war 28.9 °C (-5.1 °C).
| HP Omen 16-b1090ng i7-12700H, GeForce RTX 3070 Ti Laptop GPU | HP Omen 16-b0085ng i7-11800H, GeForce RTX 3070 Laptop GPU | Lenovo Legion 5 Pro 16 G7 i7 RTX 3070Ti i7-12700H, GeForce RTX 3070 Ti Laptop GPU | MSI Stealth GS66 12UGS i7-12700H, GeForce RTX 3070 Ti Laptop GPU | Aorus 17 XE4 i7-12700H, GeForce RTX 3070 Ti Laptop GPU | |
|---|---|---|---|---|---|
| Hitze | -22% | -11% | -9% | -15% | |
| Last oben max * (°C) | 41 | 48 -17% | 45.3 -10% | 54 -32% | 50 -22% |
| Last unten max * (°C) | 62 | 55 11% | 61.2 1% | 59 5% | 58 6% |
| Idle oben max * (°C) | 25 | 33 -32% | 28.6 -14% | 26 -4% | 30 -20% |
| Idle unten max * (°C) | 26 | 39 -50% | 31.4 -21% | 27 -4% | 32 -23% |
* ... kleinere Werte sind besser
Lautsprecher
HP Omen 16-b1090ng Audio Analyse
(+) | Die Lautsprecher können relativ laut spielen (83 dB)
Bass 100 - 315 Hz
(-) | kaum Bass - 24.4% niedriger als der Median
(±) | durchschnittlich lineare Bass-Wiedergabe (13.8% Delta zum Vorgänger)
Mitteltöne 400 - 2000 Hz
(+) | ausgeglichene Mitten, vom Median nur 1.9% abweichend
(+) | lineare Mitten (2.8% Delta zum Vorgänger)
Hochtöne 2 - 16 kHz
(+) | ausgeglichene Hochtöne, vom Median nur 2.2% abweichend
(+) | sehr lineare Hochtöne (3.8% Delta zum Vorgänger)
Gesamt im hörbaren Bereich 100 - 16.000 Hz
(±) | hörbarer Bereich ist durchschnittlich linear (15.1% Abstand zum Median)
Im Vergleich zu allen Geräten derselben Klasse
» 32% aller getesteten Geräte dieser Klasse waren besser, 6% vergleichbar, 62% schlechter
» Das beste Gerät hat einen Delta-Wert von 6%, durchschnittlich ist 18%, das schlechteste Gerät hat 132%
Im Vergleich zu allen Geräten im Test
» 20% aller getesteten Geräte waren besser, 4% vergleichbar, 76% schlechter
» Das beste Gerät hat einen Delta-Wert von 4%, durchschnittlich ist 24%, das schlechteste Gerät hat 134%
Lenovo Legion 5 Pro 16 G7 i7 RTX 3070Ti Audio Analyse
(±) | Mittelmäßig laut spielende Lautsprecher (79.1 dB)
Bass 100 - 315 Hz
(-) | kaum Bass - 17.8% niedriger als der Median
(±) | durchschnittlich lineare Bass-Wiedergabe (9.9% Delta zum Vorgänger)
Mitteltöne 400 - 2000 Hz
(+) | ausgeglichene Mitten, vom Median nur 3.7% abweichend
(+) | lineare Mitten (3.3% Delta zum Vorgänger)
Hochtöne 2 - 16 kHz
(+) | ausgeglichene Hochtöne, vom Median nur 2.1% abweichend
(+) | sehr lineare Hochtöne (5.8% Delta zum Vorgänger)
Gesamt im hörbaren Bereich 100 - 16.000 Hz
(+) | hörbarer Bereich ist sehr linear (14.7% Abstand zum Median
Im Vergleich zu allen Geräten derselben Klasse
» 28% aller getesteten Geräte dieser Klasse waren besser, 7% vergleichbar, 64% schlechter
» Das beste Gerät hat einen Delta-Wert von 6%, durchschnittlich ist 18%, das schlechteste Gerät hat 132%
Im Vergleich zu allen Geräten im Test
» 18% aller getesteten Geräte waren besser, 4% vergleichbar, 77% schlechter
» Das beste Gerät hat einen Delta-Wert von 4%, durchschnittlich ist 24%, das schlechteste Gerät hat 134%
Energieverwaltung
Dank der eingebauten Grafikumschaltung (auf Wunsch lässt sich ein dGPU-only-Modus aktivieren) arbeitet das Omen 16 im Idle-Betrieb recht sparsam. 4 bis 19 Watt unterbieten die Werte der Konkurrenz, welche zum Teil über 20 Watt verbraucht. Unter Last verringern sich die prozentualen Abstände. 114 bis 221 Watt sind typisch für ein RTX-3070-Ti-Notebook.
Energieaufnahme
| Aus / Standby | |
| Idle | |
| Last |
|
Legende:
min: | |
| HP Omen 16-b1090ng i7-12700H, GeForce RTX 3070 Ti Laptop GPU | HP Omen 16-b0085ng i7-11800H, GeForce RTX 3070 Laptop GPU | Lenovo Legion 5 Pro 16 G7 i7 RTX 3070Ti i7-12700H, GeForce RTX 3070 Ti Laptop GPU | MSI Stealth GS66 12UGS i7-12700H, GeForce RTX 3070 Ti Laptop GPU | Aorus 17 XE4 i7-12700H, GeForce RTX 3070 Ti Laptop GPU | Durchschnitt der Klasse Gaming | |
|---|---|---|---|---|---|---|
| Stromverbrauch | -41% | -40% | -40% | -101% | -81% | |
| Idle min * (Watt) | 4 | 12 -200% | 8.6 -115% | 11 -175% | 20 -400% | 13.9 ? -248% |
| Idle avg * (Watt) | 10 | 18 -80% | 17.6 -76% | 16 -60% | 23 -130% | 19.9 ? -99% |
| Idle max * (Watt) | 19 | 21 -11% | 18.5 3% | 23 -21% | 28 -47% | 26.9 ? -42% |
| Last avg * (Watt) | 114 | 94 18% | 110 4% | 110 4% | 120 -5% | 111.6 ? 2% |
| Witcher 3 ultra * (Watt) | 183.2 | 147 20% | 227 -24% | 151 18% | 196 -7% | |
| Last max * (Watt) | 221 | 199 10% | 294.6 -33% | 230 -4% | 257 -16% | 263 ? -19% |
* ... kleinere Werte sind besser
Energieaufnahme Witcher 3 / Stresstest
Energieaufnahme mit externem Monitor
Akkulaufzeit
Die Kombination aus Grafikumschaltung und 83-Wh-Akku sorgt für solide Akkulaufzeiten. Während das Omen 16 unter optimalen Bedingungen bis zu 10 Stunden durchhält, kann man beim praxisnahen Internetsurfen mit ca. 5,5 Stunden rechnen.
| HP Omen 16-b1090ng i7-12700H, GeForce RTX 3070 Ti Laptop GPU, 83 Wh | HP Omen 16-b0085ng i7-11800H, GeForce RTX 3070 Laptop GPU, 83 Wh | Lenovo Legion 5 Pro 16 G7 i7 RTX 3070Ti i7-12700H, GeForce RTX 3070 Ti Laptop GPU, 80 Wh | MSI Stealth GS66 12UGS i7-12700H, GeForce RTX 3070 Ti Laptop GPU, 99.9 Wh | Aorus 17 XE4 i7-12700H, GeForce RTX 3070 Ti Laptop GPU, 99 Wh | Durchschnitt der Klasse Gaming | |
|---|---|---|---|---|---|---|
| Akkulaufzeit | 5% | -36% | -14% | -13% | -3% | |
| Idle (h) | 10.1 | 7.8 -23% | 8.6 -15% | 9.79 ? -3% | ||
| WLAN (h) | 5.6 | 7.6 36% | 5.4 -4% | 5.4 -4% | 5.1 -9% | 6.61 ? 18% |
| Last (h) | 1.9 | 1.4 -26% | 0.6 -68% | 1.6 -16% | 1.6 -16% | 1.423 ? -25% |
| H.264 (h) | 5.4 | 6.3 | 6.1 | 7.93 ? |
Pro
Contra
Fazit
Auch wenn es beim Thema GPU-Performance kaum Verbesserungen im Vergleich zum Vorgänger gibt, ist das neue Omen 16 wieder ein gelungenes Notebook für Core-Gamer.
Neben dem schicken und sauber verarbeiteten Gehäuse wären auf der positiven Seite unter anderem die moderne Anschlussausstattung (Thunderbolt 4) und das gute 165-Hz-Panel zu nennen, auf dem alle aktuellen Games flüssig in (sehr) hohen Details dargestellt werden können – meist sogar mit den nativen 2.560 x 1.440 Bildpunkten. Die flottere SSD und die schnellere CPU entpuppen sich ebenfalls als schönes Upgrade.
Allerdings geht die hohe Leistung auf Kosten der Geräuschkulisse. Im Leistungsmodus wird das Omen 16 arg laut und könnte deshalb viele Interessenten abschrecken (wer etwas weniger Power akzeptiert, nutzt einfach das Profil Ausgeglichen).
Nimmt man alle Aspekte zusammen, bewegt sich das Omen 16-b1090ng ungefähr auf dem Level des MSI GS66 Stealth 12UGS bzw. Aorus 17 XE4. Das Lenovo Legion 5 Pro 16 G7 konnte hingegen eine etwas höhere Wertung einheimsen.
Preis und Verfügbarkeit
Das getestete HP Omen 16-b1090ng ist für rund 2.200 Euro bei einigen Online-Shops bestellbar (z. B. Cyberport).
HP Omen 16-b1090ng
- 03.05.2022 v7 (old)
Florian Glaser

















































