Medion Erazer Defender P40 im Test: Preiswertes QHD-Gaming-Notebook mit RTX 4060

Medion führt mit dem Erazer Defender P40 ein QHD-Gaming-Notebook der Mittelklasse im Sortiment, das von einem Core-i7-13700HX-Prozessor und einer GeForce-RTX-4060-Laptop-GPU angetrieben wird. Der Rechner basiert auf einem Barebone (NP70SND) der Firma Clevo und ist für knapp 1.800 Euro zu bekommen. Zu den Konkurrenten zählen Geräte wie das MSI Katana 17, das Acer Predator Helios 300, das Lenovo Legion Pro 5 16IRX8, das Asus TUF Gaming A16 FA617, das Gigabyte G7 KE.
mögliche Konkurrenten im Vergleich
Bew. | Datum | Modell | Gewicht | Dicke | Größe | Auflösung | Preis ab |
|---|---|---|---|---|---|---|---|
| 84.6 % v7 (old) | 05 / 2023 | Medion Erazer Defender P40 i7-13700HX, GeForce RTX 4060 Laptop GPU | 2.9 kg | 33 mm | 17.30" | 2560x1440 | |
| 82.1 % v7 (old) | 02 / 2023 | MSI Katana 17 B13VFK i7-13620H, GeForce RTX 4060 Laptop GPU | 2.8 kg | 25.2 mm | 17.30" | 1920x1080 | |
| 86.5 % v7 (old) | 11 / 2022 | Acer Predator Helios 300 (i7-12700H, RTX 3070 Ti) i7-12700H, GeForce RTX 3070 Ti Laptop GPU | 3 kg | 27.65 mm | 17.30" | 2560x1440 | |
| 87.9 % v7 (old) | 05 / 2023 | Lenovo Legion Pro 5 16IRX8 i7-13700HX, GeForce RTX 4060 Laptop GPU | 2.5 kg | 26.8 mm | 16.00" | 2560x1600 | |
| 86.2 % v7 (old) | 02 / 2023 | Asus TUF Gaming A16 FA617 R7 7735HS, Radeon RX 7600S | 2.2 kg | 27 mm | 16.00" | 1920x1200 | |
| 83.3 % v7 (old) | 01 / 2023 | Gigabyte G7 KE i5-12500H, GeForce RTX 3060 Laptop GPU | 2.6 kg | 25 mm | 17.30" | 1920x1080 |
Gehäuse - P40 mit einem Gewand aus Kunststoff
Medion setzt beim P40 auf ein schwarzes Kunststoffgehäuse samt glatter, matt-reflektierender Oberflächen. Das dezent gezeichnete Notebook hat keine auffälligen Designmerkmale zu bieten. LED-Leuchtelemente gibt es - neben der Tastenbeleuchtung - nicht. Der Akku (verschraubt, nicht verklebt) sowie die übrigen Innereien sind nach der Demontage der Unterschale zugänglich.
Verarbeitungsmängel zeigt das Defender nicht. Die Spaltmaße stimmen, es sind keine scharfen Kanten zu spüren. Baseunit und Deckel können etwas verdreht werden. Das Ganze bewegt sich noch im Rahmen. Die Scharniere halten den Deckel fest in Position, der maximale Öffnungswinkel beträgt ca. 135 Grad. Eine Ein-Hand-Öffnung ist möglich.
Das P40 fällt etwas kompakter aus als das Katana 17, bringt dafür etwa 100 Gramm mehr Gewicht auf die Waage. Beide Geräte werden in jeder Disziplin vom Gigabyte G7 KE unterboten.
Ausstattung - Das Medion Defender bietet Thunderbolt, aber kein Power Delivery
Trotz des 17,3-Zoll-Formats hält der Laptop nur zwei USB-A-Anschlüsse (1x USB 3.2 Gen 1, 1x USB 2.0) bereit - es fehlt uns ein dritter Port auf der rechten Seite. Die zwei USB-C-Buchsen (1x Thunderbolt 4, 1x USB 3.2 Gen 2) bieten keine Unterstützung für Power Delivery, der TB4-Port kann aber ein Displayport-Signal ausgeben. Insgesamt gibt es drei Videoausgänge (2x DP, 1x HDMI). Zwei Audiobuchsen und ein Gigabit-Ethernet-Port runden das Angebot ab.
Zwei Videoausgänge und der Stromanschluss befinden sich auf der Rückseite des Geräts. Entsprechende Kabel würden nach hinten laufen und nicht im Weg liegen. Leider träfe dies nicht auf ein mögliches Ethernet-Kabel zu.
SD Card Reader
Der SD-Speicherkartenleser (Referenzkarte: AV PRO microSD 128 GB V60) zählt mit maximalen Transferraten von 86 MB/s (Übertragung von 250 jpg-Bilddateien mit je rund 5 MB) und 91 MB/s (Kopieren großer Datenblöcke) zu den mittelschnellen Modellen.
| SD Card Reader | |
| average JPG Copy Test (av. of 3 runs) | |
| Durchschnitt der Klasse Gaming (20.9 - 210, n=60, der letzten 2 Jahre) | |
| HP Omen 17-ck1075ng (AV Pro SD microSD 128 GB V60) | |
| Medion Erazer Defender P40 (AV PRO microSD 128 GB V60) | |
| MSI GE78HX 13VH-070US (Angelibird AV Pro V60) | |
| maximum AS SSD Seq Read Test (1GB) | |
| Durchschnitt der Klasse Gaming (25.5 - 261, n=57, der letzten 2 Jahre) | |
| HP Omen 17-ck1075ng (AV Pro SD microSD 128 GB V60) | |
| Medion Erazer Defender P40 (AV PRO microSD 128 GB V60) | |
| Gigabyte G7 KE (AV PRO microSD 128 GB V60) | |
| MSI GE78HX 13VH-070US (Angelibird AV Pro V60) | |
Kommunikation
Unter optimalen Bedingungen (keine WLAN-Geräte in der näheren Umgebung, geringer Abstand zwischen Laptop und Server-PC) werden hervorragende WiFi-Datenraten erreicht. Das Medion Notebook nutzt einen WiFi-6E-Chip (Intel AX211). Drahtgebundene Verbindungen wickelt ebenfalls ein Chip (I219-V; 1 GBit/s) der Firma Intel ab.
Webcam
Eine mechanische Abdeckung hat die Webcam (0,9 MP, max. 1.280 x 720 Pixel) nicht zu bieten. Qualitativ liefert sie eher maue Ergebnisse. Immerhin: Die Bilder zeigen nur eine verhältnismäßig geringe Farbabweichung.

Zubehör
Neben den üblichen Dokumenten (Schnellstartanleitung und Garantieinformationen) liegt dem Notebook kein weiteres Zubehör bei.
Wartung
Nach Entfernung aller Schrauben auf der Geräteunterseite kann die Bodenplatte mit Hilfe eines flachen Spatels oder eines Plektrums abgelöst werden. Es besteht dann Zugriff auf die Speicherbänke (beide belegt), die SSD (PCIe 4, M.2-2280), den zweiten SSD-Steckplatz (PCIe 4, M.2-2280), das WLAN-Modul, die BIOS-Batterie, die Lüfter und den Akku.
Garantie
Eingabegeräte - P40-Tastatur mit RGB-Beleuchtung
Tastatur
Die beleuchtete (vier Stufen) Chiclet-Tastatur (inkl. Nummernblock) setzt sich aus glatten, ebenen Tasten zusammen. Diese verfügen über einen kurzen Hub und einen klaren Druckpunkt. Ihr Widerstand geht in Ordnung. Während des Tippens gibt die Tastatur etwas nach, als störend hat es sich nicht erwiesen. Alles in allem liefert Medion hier eine alltagstaugliche Tastatur.
Touchpad
Display - QHD-Screen mit sRGB-Abdeckung
| |||||||||||||||||||||||||
Ausleuchtung: 86 %
Helligkeit Akku: 364 cd/m²
Kontrast: 1300:1 (Schwarzwert: 0.28 cd/m²)
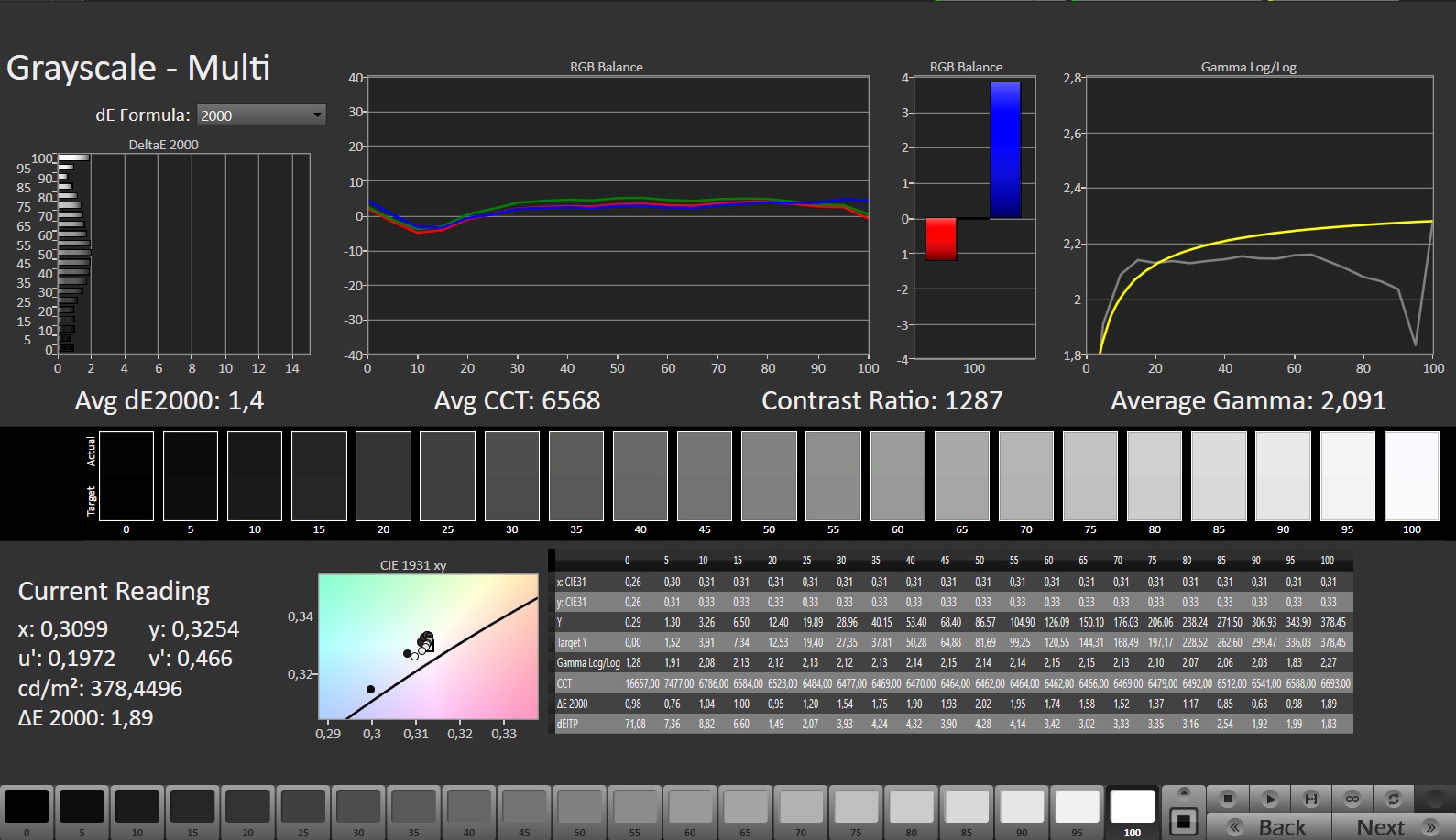
ΔE ColorChecker Calman: 1.67 | ∀{0.5-29.43 Ø4.74}
calibrated: 1.14
ΔE Greyscale Calman: 1.4 | ∀{0.09-98 Ø4.99}
69.8% AdobeRGB 1998 (Argyll 3D)
98.1% sRGB (Argyll 3D)
68.3% Display P3 (Argyll 3D)
Gamma: 2.091
CCT: 6568 K
| Medion Erazer Defender P40 BOE CQ NE173QHM-NZ3, IPS, 2560x1440, 17.3" | MSI Katana 17 B13VFK B173HAN04.9, IPS LED, 1920x1080, 17.3" | Acer Predator Helios 300 (i7-12700H, RTX 3070 Ti) BOE0A1A, IPS, 2560x1440, 17.3" | Lenovo Legion Pro 5 16IRX8 AU Optronics B160QAN03.1, IPS, 2560x1600, 16" | Asus TUF Gaming A16 FA617 NE160WUM-NX2 (BOE0B33), IPS-Level, 1920x1200, 16" | Gigabyte G7 KE AU Optronics B173HAN05.1, IPS, 1920x1080, 17.3" | |
|---|---|---|---|---|---|---|
| Display | -39% | 22% | 3% | 1% | 3% | |
| Display P3 Coverage (%) | 68.3 | 40.8 -40% | 96.8 42% | 71.2 4% | 69.4 2% | 70.4 3% |
| sRGB Coverage (%) | 98.1 | 61 -38% | 99.9 2% | 98.8 1% | 97.8 0% | 99.8 2% |
| AdobeRGB 1998 Coverage (%) | 69.8 | 42.2 -40% | 84.8 21% | 73.3 5% | 70.9 2% | 71.7 3% |
| Response Times | -163% | -21% | -10% | -16% | 36% | |
| Response Time Grey 50% / Grey 80% * (ms) | 14.6 ? | 33 ? -126% | 16.4 ? -12% | 14.5 ? 1% | 17 ? -16% | 5 ? 66% |
| Response Time Black / White * (ms) | 8.7 ? | 26 ? -199% | 11.2 ? -29% | 10.4 ? -20% | 10.1 ? -16% | 8.3 ? 5% |
| PWM Frequency (Hz) | ||||||
| Bildschirm | -126% | -59% | -2% | -5% | -6% | |
| Helligkeit Bildmitte (cd/m²) | 364 | 267 -27% | 366 1% | 405.7 11% | 308 -15% | 307 -16% |
| Brightness (cd/m²) | 343 | 256 -25% | 340 -1% | 368 7% | 293 -15% | 301 -12% |
| Brightness Distribution (%) | 86 | 93 8% | 85 -1% | 87 1% | 90 5% | 93 8% |
| Schwarzwert * (cd/m²) | 0.28 | 0.21 25% | 0.31 -11% | 0.38 -36% | 0.23 18% | 0.2 29% |
| Kontrast (:1) | 1300 | 1271 -2% | 1181 -9% | 1068 -18% | 1339 3% | 1535 18% |
| Delta E Colorchecker * | 1.67 | 4.7 -181% | 3.56 -113% | 1.65 1% | 1.47 12% | 1.32 21% |
| Colorchecker dE 2000 max. * | 2.78 | 20.4 -634% | 5.66 -104% | 4.2 -51% | 2.98 -7% | 4.6 -65% |
| Colorchecker dE 2000 calibrated * | 1.14 | 4.5 -295% | 3.31 -190% | 0.53 54% | 1.02 11% | 1.03 10% |
| Delta E Graustufen * | 1.4 | 1.5 -7% | 2.84 -103% | 1.2 14% | 2.2 -57% | 2.1 -50% |
| Gamma | 2.091 105% | 2.12 104% | 2.29 96% | 2.3 96% | 2.228 99% | 2.247 98% |
| CCT | 6568 99% | 6552 99% | 6835 95% | 6453 101% | 6228 104% | 6815 95% |
| Durchschnitt gesamt (Programm / Settings) | -109% /
-113% | -19% /
-36% | -3% /
-2% | -7% /
-5% | 11% /
2% |
* ... kleinere Werte sind besser
Der Bildschirm zeigt bereits ab Werk eine sehr gute Farbdarstellung: Mit einer Abweichung von knapp 1,7 wird das Soll (DeltaE < 3) klar erfüllt. Eine Kalibrierung verringert die Abweichung auf 1,13 und sorgt für ausgewogenere Graustufen.
Das Panel deckt den sRGB-Farbraum komplett ab, die Farbräume AdobeRGB und DCI P3 nicht. Ähnlich sieht es bei den Bildschirmen der meisten Konkurrenten aus. Lediglich das Display des Acer Predator kann den P3-Raum darstellen.
Reaktionszeiten (Response Times) des Displays
| ↔ Reaktionszeiten Schwarz zu Weiß | ||
|---|---|---|
| 8.7 ms ... steigend ↗ und fallend ↘ kombiniert | ↗ 3.6 ms steigend | |
| ↘ 5.1 ms fallend | ||
| Die gemessenen Reaktionszeiten sind kurz wodurch sich der Bildschirm auch für Spiele gut eignen sollte. Im Vergleich rangierten die bei uns getesteten Geräte von 0.1 (Minimum) zu 240 (Maximum) ms. » 24 % aller Screens waren schneller als der getestete. Daher sind die gemessenen Reaktionszeiten besser als der Durchschnitt aller vermessenen Geräte (20 ms). | ||
| ↔ Reaktionszeiten 50% Grau zu 80% Grau | ||
| 14.6 ms ... steigend ↗ und fallend ↘ kombiniert | ↗ 7.1 ms steigend | |
| ↘ 7.5 ms fallend | ||
| Die gemessenen Reaktionszeiten sind gut, für anspruchsvolle Spieler könnten der Bildschirm jedoch zu langsam sein. Im Vergleich rangierten die bei uns getesteten Geräte von 0.165 (Minimum) zu 636 (Maximum) ms. » 28 % aller Screens waren schneller als der getestete. Daher sind die gemessenen Reaktionszeiten besser als der Durchschnitt aller vermessenen Geräte (31.3 ms). | ||
Bildschirm-Flackern / PWM (Pulse-Width Modulation)
| Flackern / PWM nicht festgestellt | |||
Im Vergleich: 53 % aller getesteten Geräte nutzten kein PWM um die Helligkeit zu reduzieren. Wenn PWM eingesetzt wurde, dann bei einer Frequenz von durchschnittlich 7920 (Minimum 5, Maximum 343500) Hz. | |||
Leistung - Erazer Computer hat Mittelklasse-Hardware an Bord
Medion liefert mit dem Erazer Defender P40 ein QHD-Gaming-Notebook der Mittelklasse. Die nötige Rechenleistung liefern Raptor Lake und Ada Lovelace. Das vorliegende Modell ist für etwa 1.800 Euro zu haben. Andere Ausstattungsvarianten sind nicht verfügbar.
Testbedingungen
Das P40 bietet vier herstellerspezifische Leistungsmodi (siehe Tabelle), zwischen denen per Control-Center-Software (das Kontrollzentrum des Laptops) umgeschaltet werden kann. Es wurden der "Unterhaltungsmodus" (Benchmarks) und der "Stromsparmodus" (Akkutests; deaktiviert die RTX 4060) genutzt. Optimus war aktiv. Die beiden übrigen Modi wurden ebenfalls getestet: Der "Gaming Modus" bringt bei dauerhafter CPU-Last Vorteile, der "Lautlosmodus" ermöglicht Gaming bei geringer Geräuschentwicklung.
Laut HWInfo setzt der "Stromsparmodus" das PL 1 (45 W) der CPU auf ein höheres Niveau als das PL 2 (30 Watt). Hierbei dürfte sich um einen Fehler handeln. Während der Durchführung der CB15-Schleife liegt die Leistungsaufnahme der CPU bei 15 Watt.
| Gaming Modus | Unterhaltungsmodus | Stromsparmodus | Lautlosmodus | |
|---|---|---|---|---|
| CPU PL1 (HWInfo) | 135 Watt | 65 Watt | 45 Watt | 15 Watt |
| CPU PL2 (HWInfo) | 162 Watt | 130 Watt | 30 Watt | 30 Watt |
| Noise (Witcher 3) | 62 dB(A) | 56 dB(A) | - | 36 dB(A) |
| Performance (Witcher 3) | ~102 fps | ~100 fps | - | 30 bis 50 fps |
Prozessor
Der Core-i7-13700HX-Prozessor (Raptor Lake) setzt sich aus acht Effizienzkernen (kein Hyperthreading, 1,5 bis 3,7 GHz) und acht Performancekernen (Hyperthreading, 2,1 bis 5 GHz) zusammen. In der Summe ergeben sich 24 logische CPU-Kerne.
Die Benchmarks liefern Resultate knapp unterhalb des bisherigen Durchschnitts der CPU ("Unterhaltungsmodus"). Der "Gaming Modus" bietet in den meisten Fällen nur ein geringes Leistungsplus, eine Ausnahme stellen die AIDA64-Benchmarks dar. Er kann seine Qualitäten erst bei dauerhafter Last ausspielen. Die relevantere Single-Thread-Leistung (205 Punkte) reduziert sich im Akkubetrieb in geringerem Maße als die Multi-Thread-Leistung (1.619 Punkte).
Der CB15-Schleifentest zeigt: Dauerhafte Multi-Thread-Last lässt den Turbo-Takt vom ersten bis zum vierten Durchlauf sinken. Anschließend wird ein konstantes Niveau gehalten. Der "Gaming Modus" sorgt für einen dauerhaft höheren Takt.
Cinebench R15 Multi Dauertest
* ... kleinere Werte sind besser
AIDA64: FP32 Ray-Trace | FPU Julia | CPU SHA3 | CPU Queen | FPU SinJulia | FPU Mandel | CPU AES | CPU ZLib | FP64 Ray-Trace | CPU PhotoWorxx
| Performance Rating | |
| Durchschnitt der Klasse Gaming | |
| Lenovo Legion Pro 5 16IRX8 | |
| Durchschnittliche Intel Core i7-13700HX | |
| Acer Predator Helios 300 (i7-12700H, RTX 3070 Ti) | |
| Asus TUF Gaming A16 FA617 | |
| Medion Erazer Defender P40 | |
| Gigabyte G7 KE | |
| MSI Katana 17 B13VFK | |
| AIDA64 / FP32 Ray-Trace | |
| Durchschnitt der Klasse Gaming (10227 - 85542, n=122, der letzten 2 Jahre) | |
| Lenovo Legion Pro 5 16IRX8 (v6.85.6300) | |
| Durchschnittliche Intel Core i7-13700HX (14261 - 21999, n=11) | |
| Acer Predator Helios 300 (i7-12700H, RTX 3070 Ti) (v6.75.6100) | |
| Asus TUF Gaming A16 FA617 (v6.85.6300) | |
| Medion Erazer Defender P40 (v6.75.6100) | |
| MSI Katana 17 B13VFK (v6.85.6300) | |
| Gigabyte G7 KE (v6.75.6100) | |
| AIDA64 / FPU Julia | |
| Durchschnitt der Klasse Gaming (51376 - 238426, n=122, der letzten 2 Jahre) | |
| Lenovo Legion Pro 5 16IRX8 (v6.85.6300) | |
| Asus TUF Gaming A16 FA617 (v6.85.6300) | |
| Durchschnittliche Intel Core i7-13700HX (74636 - 109364, n=11) | |
| Acer Predator Helios 300 (i7-12700H, RTX 3070 Ti) (v6.75.6100) | |
| Medion Erazer Defender P40 (v6.75.6100) | |
| MSI Katana 17 B13VFK (v6.85.6300) | |
| Gigabyte G7 KE (v6.75.6100) | |
| AIDA64 / CPU SHA3 | |
| Durchschnitt der Klasse Gaming (2180 - 9817, n=122, der letzten 2 Jahre) | |
| Lenovo Legion Pro 5 16IRX8 (v6.85.6300) | |
| Durchschnittliche Intel Core i7-13700HX (3359 - 5053, n=11) | |
| Acer Predator Helios 300 (i7-12700H, RTX 3070 Ti) (v6.75.6100) | |
| Asus TUF Gaming A16 FA617 (v6.85.6300) | |
| Medion Erazer Defender P40 (v6.75.6100) | |
| Gigabyte G7 KE (v6.75.6100) | |
| MSI Katana 17 B13VFK (v6.85.6300) | |
| AIDA64 / CPU Queen | |
| Durchschnitt der Klasse Gaming (49785 - 173351, n=119, der letzten 2 Jahre) | |
| Lenovo Legion Pro 5 16IRX8 (v6.85.6300) | |
| Medion Erazer Defender P40 (v6.75.6100) | |
| Durchschnittliche Intel Core i7-13700HX (86532 - 114717, n=11) | |
| Asus TUF Gaming A16 FA617 (v6.85.6300) | |
| Acer Predator Helios 300 (i7-12700H, RTX 3070 Ti) (v6.75.6100) | |
| Gigabyte G7 KE (v6.75.6100) | |
| MSI Katana 17 B13VFK | |
| AIDA64 / FPU SinJulia | |
| Durchschnitt der Klasse Gaming (4424 - 33636, n=122, der letzten 2 Jahre) | |
| Lenovo Legion Pro 5 16IRX8 (v6.85.6300) | |
| Asus TUF Gaming A16 FA617 (v6.85.6300) | |
| Durchschnittliche Intel Core i7-13700HX (9290 - 13519, n=11) | |
| Medion Erazer Defender P40 (v6.75.6100) | |
| Acer Predator Helios 300 (i7-12700H, RTX 3070 Ti) (v6.75.6100) | |
| MSI Katana 17 B13VFK | |
| Gigabyte G7 KE (v6.75.6100) | |
| AIDA64 / FPU Mandel | |
| Durchschnitt der Klasse Gaming (25115 - 128721, n=122, der letzten 2 Jahre) | |
| Asus TUF Gaming A16 FA617 (v6.85.6300) | |
| Lenovo Legion Pro 5 16IRX8 (v6.85.6300) | |
| Durchschnittliche Intel Core i7-13700HX (35751 - 53484, n=11) | |
| Acer Predator Helios 300 (i7-12700H, RTX 3070 Ti) (v6.75.6100) | |
| Medion Erazer Defender P40 (v6.75.6100) | |
| MSI Katana 17 B13VFK (v6.85.6300) | |
| Gigabyte G7 KE (v6.75.6100) | |
| AIDA64 / CPU AES | |
| Durchschnittliche Intel Core i7-13700HX (67846 - 182575, n=11) | |
| Gigabyte G7 KE (v6.75.6100) | |
| Durchschnitt der Klasse Gaming (39258 - 247074, n=122, der letzten 2 Jahre) | |
| Lenovo Legion Pro 5 16IRX8 (v6.85.6300) | |
| Acer Predator Helios 300 (i7-12700H, RTX 3070 Ti) (v6.75.6100) | |
| Medion Erazer Defender P40 (v6.75.6100) | |
| Asus TUF Gaming A16 FA617 (v6.85.6300) | |
| MSI Katana 17 B13VFK (v6.85.6300) | |
| AIDA64 / CPU ZLib | |
| Durchschnitt der Klasse Gaming (574 - 2531, n=122, der letzten 2 Jahre) | |
| Lenovo Legion Pro 5 16IRX8 (v6.85.6300) | |
| Durchschnittliche Intel Core i7-13700HX (981 - 1451, n=11) | |
| Acer Predator Helios 300 (i7-12700H, RTX 3070 Ti) (v6.75.6100) | |
| Medion Erazer Defender P40 (v6.75.6100) | |
| Gigabyte G7 KE (v6.75.6100) | |
| Asus TUF Gaming A16 FA617 (v6.85.6300) | |
| MSI Katana 17 B13VFK (v6.85.6300) | |
| AIDA64 / FP64 Ray-Trace | |
| Durchschnitt der Klasse Gaming (5509 - 45446, n=122, der letzten 2 Jahre) | |
| Lenovo Legion Pro 5 16IRX8 (v6.85.6300) | |
| Durchschnittliche Intel Core i7-13700HX (7728 - 11837, n=11) | |
| Acer Predator Helios 300 (i7-12700H, RTX 3070 Ti) (v6.75.6100) | |
| Asus TUF Gaming A16 FA617 (v6.85.6300) | |
| Medion Erazer Defender P40 (v6.75.6100) | |
| MSI Katana 17 B13VFK (v6.85.6300) | |
| Gigabyte G7 KE (v6.75.6100) | |
| AIDA64 / CPU PhotoWorxx | |
| Durchschnitt der Klasse Gaming (12271 - 62916, n=122, der letzten 2 Jahre) | |
| Acer Predator Helios 300 (i7-12700H, RTX 3070 Ti) (v6.75.6100) | |
| Lenovo Legion Pro 5 16IRX8 (v6.85.6300) | |
| Medion Erazer Defender P40 (v6.75.6100) | |
| Durchschnittliche Intel Core i7-13700HX (19678 - 42415, n=11) | |
| MSI Katana 17 B13VFK (v6.85.6300) | |
| Gigabyte G7 KE (v6.75.6100) | |
| Asus TUF Gaming A16 FA617 (v6.85.6300) | |
System Performance
CrossMark: Overall | Productivity | Creativity | Responsiveness
| PCMark 10 / Score | |
| Durchschnitt der Klasse Gaming (5828 - 10060, n=104, der letzten 2 Jahre) | |
| Acer Predator Helios 300 (i7-12700H, RTX 3070 Ti) | |
| Lenovo Legion Pro 5 16IRX8 | |
| Durchschnittliche Intel Core i7-13700HX, NVIDIA GeForce RTX 4060 Laptop GPU (6909 - 7743, n=5) | |
| Asus TUF Gaming A16 FA617 | |
| MSI Katana 17 B13VFK | |
| Medion Erazer Defender P40 | |
| Gigabyte G7 KE | |
| PCMark 10 / Essentials | |
| Lenovo Legion Pro 5 16IRX8 | |
| MSI Katana 17 B13VFK | |
| Acer Predator Helios 300 (i7-12700H, RTX 3070 Ti) | |
| Durchschnitt der Klasse Gaming (8810 - 12600, n=108, der letzten 2 Jahre) | |
| Durchschnittliche Intel Core i7-13700HX, NVIDIA GeForce RTX 4060 Laptop GPU (9760 - 11313, n=5) | |
| Asus TUF Gaming A16 FA617 | |
| Gigabyte G7 KE | |
| Medion Erazer Defender P40 | |
| PCMark 10 / Productivity | |
| Durchschnitt der Klasse Gaming (6662 - 16716, n=106, der letzten 2 Jahre) | |
| Acer Predator Helios 300 (i7-12700H, RTX 3070 Ti) | |
| Medion Erazer Defender P40 | |
| Durchschnittliche Intel Core i7-13700HX, NVIDIA GeForce RTX 4060 Laptop GPU (9131 - 11018, n=5) | |
| Asus TUF Gaming A16 FA617 | |
| MSI Katana 17 B13VFK | |
| Lenovo Legion Pro 5 16IRX8 | |
| Gigabyte G7 KE | |
| PCMark 10 / Digital Content Creation | |
| Durchschnitt der Klasse Gaming (7602 - 19351, n=106, der letzten 2 Jahre) | |
| Acer Predator Helios 300 (i7-12700H, RTX 3070 Ti) | |
| Lenovo Legion Pro 5 16IRX8 | |
| Durchschnittliche Intel Core i7-13700HX, NVIDIA GeForce RTX 4060 Laptop GPU (9393 - 12434, n=5) | |
| Asus TUF Gaming A16 FA617 | |
| MSI Katana 17 B13VFK | |
| Medion Erazer Defender P40 | |
| Gigabyte G7 KE | |
| CrossMark / Overall | |
| Durchschnitt der Klasse Gaming (1366 - 2344, n=106, der letzten 2 Jahre) | |
| Acer Predator Helios 300 (i7-12700H, RTX 3070 Ti) | |
| Durchschnittliche Intel Core i7-13700HX, NVIDIA GeForce RTX 4060 Laptop GPU (1663 - 2105, n=5) | |
| MSI Katana 17 B13VFK | |
| Gigabyte G7 KE | |
| Medion Erazer Defender P40 | |
| Lenovo Legion Pro 5 16IRX8 | |
| CrossMark / Productivity | |
| Durchschnitt der Klasse Gaming (1386 - 2211, n=106, der letzten 2 Jahre) | |
| Gigabyte G7 KE | |
| Acer Predator Helios 300 (i7-12700H, RTX 3070 Ti) | |
| Durchschnittliche Intel Core i7-13700HX, NVIDIA GeForce RTX 4060 Laptop GPU (1618 - 1989, n=5) | |
| MSI Katana 17 B13VFK | |
| Medion Erazer Defender P40 | |
| Lenovo Legion Pro 5 16IRX8 | |
| CrossMark / Creativity | |
| Durchschnitt der Klasse Gaming (1343 - 2729, n=106, der letzten 2 Jahre) | |
| Acer Predator Helios 300 (i7-12700H, RTX 3070 Ti) | |
| Durchschnittliche Intel Core i7-13700HX, NVIDIA GeForce RTX 4060 Laptop GPU (1710 - 2274, n=5) | |
| MSI Katana 17 B13VFK | |
| Medion Erazer Defender P40 | |
| Gigabyte G7 KE | |
| Lenovo Legion Pro 5 16IRX8 | |
| CrossMark / Responsiveness | |
| Gigabyte G7 KE | |
| MSI Katana 17 B13VFK | |
| Acer Predator Helios 300 (i7-12700H, RTX 3070 Ti) | |
| Durchschnitt der Klasse Gaming (1226 - 2330, n=106, der letzten 2 Jahre) | |
| Durchschnittliche Intel Core i7-13700HX, NVIDIA GeForce RTX 4060 Laptop GPU (1269 - 1983, n=5) | |
| Lenovo Legion Pro 5 16IRX8 | |
| Medion Erazer Defender P40 | |
| PCMark 8 Home Score Accelerated v2 | 4659 Punkte | |
| PCMark 8 Work Score Accelerated v2 | 5797 Punkte | |
| PCMark 10 Score | 6909 Punkte | |
Hilfe | ||
| AIDA64 / Memory Copy | |
| Durchschnitt der Klasse Gaming (21750 - 108104, n=122, der letzten 2 Jahre) | |
| Lenovo Legion Pro 5 16IRX8 | |
| Medion Erazer Defender P40 | |
| Acer Predator Helios 300 (i7-12700H, RTX 3070 Ti) | |
| Durchschnittliche Intel Core i7-13700HX (36125 - 63990, n=11) | |
| MSI Katana 17 B13VFK | |
| Asus TUF Gaming A16 FA617 | |
| Gigabyte G7 KE | |
| AIDA64 / Memory Read | |
| Durchschnitt der Klasse Gaming (22956 - 104349, n=122, der letzten 2 Jahre) | |
| Lenovo Legion Pro 5 16IRX8 | |
| Medion Erazer Defender P40 | |
| MSI Katana 17 B13VFK | |
| Durchschnittliche Intel Core i7-13700HX (36510 - 69729, n=11) | |
| Acer Predator Helios 300 (i7-12700H, RTX 3070 Ti) | |
| Asus TUF Gaming A16 FA617 | |
| Gigabyte G7 KE | |
| AIDA64 / Memory Write | |
| Durchschnitt der Klasse Gaming (22297 - 133486, n=122, der letzten 2 Jahre) | |
| Lenovo Legion Pro 5 16IRX8 | |
| Durchschnittliche Intel Core i7-13700HX (33598 - 85675, n=11) | |
| Medion Erazer Defender P40 | |
| Acer Predator Helios 300 (i7-12700H, RTX 3070 Ti) | |
| Asus TUF Gaming A16 FA617 | |
| MSI Katana 17 B13VFK | |
| Gigabyte G7 KE | |
| AIDA64 / Memory Latency | |
| Durchschnitt der Klasse Gaming (75.3 - 259, n=122, der letzten 2 Jahre) | |
| MSI Katana 17 B13VFK | |
| Medion Erazer Defender P40 | |
| Acer Predator Helios 300 (i7-12700H, RTX 3070 Ti) | |
| Gigabyte G7 KE | |
| Durchschnittliche Intel Core i7-13700HX (81.5 - 97.9, n=11) | |
| Asus TUF Gaming A16 FA617 | |
| Lenovo Legion Pro 5 16IRX8 | |
* ... kleinere Werte sind besser
DPC-Latenzen
Der standardisierte Latency-Monitor-Test (Websurfen, 4k-Videowiedergabe, Prime95 High-Load) hat Auffälligkeiten offenbart. Das System scheint nicht für Video- und Audiobearbeitung in Echtzeit geeignet zu sein. Zukünftige Software-Updates könnten zu Verbesserungen oder auch Verschlechterungen führen.
| DPC Latencies / LatencyMon - interrupt to process latency (max), Web, Youtube, Prime95 | |
| Medion Erazer Defender P40 | |
| MSI Katana 17 B13VFK | |
| Gigabyte G7 KE | |
| Acer Predator Helios 300 (i7-12700H, RTX 3070 Ti) | |
| Lenovo Legion Pro 5 16IRX8 | |
| Asus TUF Gaming A16 FA617 | |
* ... kleinere Werte sind besser
Massenspeicher
Medion verbaut eine PCIe-4-SSD (1 TB) im M.2-2280-Format aus dem Hause Phison. Sie liefert sehr gute Transferraten, gehört aber nicht zu den Spitzenmodellen unter den SSDs. Leistungseinbrüche aufgrund thermischer Drosselung treten nicht auf. Das Notebook bietet Platz für eine zweite PCIe-4-SSD.
* ... kleinere Werte sind besser
Dauerleistung Lesen: DiskSpd Read Loop, Queue Depth 8
Grafikkarte
Innerhalb Nvidias aktuellem RTX-4000-Laptop-GPU-Sortiment nimmt der hier zum Einsatz kommende GeForce-RTX-4060-Laptop-Grafikkern die vierte Position ein - und stellt damit ein Modell der Mittelklasse dar. Er bietet 3.072 Shader, einen 128 Bit breiten Bus und schnellen GDDR6-Speicher (8.192 MB). Medion gesteht eine maximale TGP von 140 Watt (115 Watt + 25 Watt Dynamic Boost) zu - mehr ist nicht möglich. Die TGP wird laut Witcher-3-Test nicht voll ausgereizt.
Die Benchmarkresultate bewegen sich oberhalb des bisher ermittelten RTX-4060-Durchschnitts ("Unterhaltungsmodus") - auf Augenhöhe mit den Werten des MSI Katana 17 (RTX 4060, 140 Watt). Weder der "Gaming Modus" noch die direkte Bildausgabe per GeForce-GPU (dGPU-Modus) bewirken einen Leistungszuwachs. Die Umschaltung zwischen Optimus- und dGPU-Modus geschieht im BIOS oder per Control Center. Advanced Optimus wird nicht unterstützt.
| 3DMark 06 Standard Score | 50480 Punkte | |
| 3DMark 11 Performance | 31939 Punkte | |
| 3DMark Cloud Gate Standard Score | 57165 Punkte | |
| 3DMark Fire Strike Score | 25286 Punkte | |
| 3DMark Time Spy Score | 10764 Punkte | |
Hilfe | ||
| V-Ray Benchmark Next 4.10 | |
| GPU | |
| Durchschnitt der Klasse Gaming (85 - 1333, n=116, der letzten 2 Jahre) | |
| MSI Katana 17 B13VFK (v4.10.07 ) | |
| Durchschnittliche NVIDIA GeForce RTX 4060 Laptop GPU (483 - 715, n=46) | |
| Medion Erazer Defender P40 (v4.10.07 ) | |
| Acer Predator Helios 300 (i7-12700H, RTX 3070 Ti) (v4.10.07 ) | |
| Gigabyte G7 KE (v4.10.07 ) | |
| Asus TUF Gaming A16 FA617 (v4.10.07 ) | |
| CPU | |
| Durchschnitt der Klasse Gaming (10048 - 45327, n=115, der letzten 2 Jahre) | |
| Durchschnittliche NVIDIA GeForce RTX 4060 Laptop GPU (12680 - 32360, n=46) | |
| Medion Erazer Defender P40 (v4.10.07 ) | |
| Acer Predator Helios 300 (i7-12700H, RTX 3070 Ti) (v4.10.07 ) | |
| MSI Katana 17 B13VFK (v4.10.07 ) | |
| Asus TUF Gaming A16 FA617 (v4.10.07 ) | |
| Gigabyte G7 KE (v4.10.07 ) | |
* ... kleinere Werte sind besser
Gaming Performance
Das Medion Defender ist auf QHD-Gaming bei hohen bis maximalen Settings ausgelegt. Höhere Auflösungen wären bei Anschluss eines entsprechenden Bildschirms nutzbar - bei teilweise reduzierten Settings. Es werden Bildwiederholraten oberhalb des RTX-4060-Durchschnitts erreicht. Der dGPU-Modus kann - je nach Spiel - zu einem minimalen Anstieg der Frameraten führen.
Der "Lautlosmodus" ermöglicht Gaming bei niedrigem Betriebsgeräusch. Spielbare Frameraten werden aber in der Regel nur bei reduzierten Settings erreicht, da die Rechenleistung der Hardware deutlich gemindert wird.
| Final Fantasy XV Benchmark - 1920x1080 High Quality | |
| Durchschnitt der Klasse Gaming (41 - 215, n=116, der letzten 2 Jahre) | |
| Acer Predator Helios 300 (i7-12700H, RTX 3070 Ti) (1.3) | |
| Lenovo Legion Pro 5 16IRX8 (1.3) | |
| Medion Erazer Defender P40 (1.3) | |
| Durchschnittliche NVIDIA GeForce RTX 4060 Laptop GPU (75.1 - 109.8, n=51) | |
| MSI Katana 17 B13VFK (1.3) | |
| Gigabyte G7 KE (1.3) | |
| Asus TUF Gaming A16 FA617 (1.3) | |
| Strange Brigade - 1920x1080 ultra AA:ultra AF:16 | |
| Durchschnitt der Klasse Gaming (76.3 - 456, n=106, der letzten 2 Jahre) | |
| Acer Predator Helios 300 (i7-12700H, RTX 3070 Ti) (1.47.22.14 D3D12) | |
| Medion Erazer Defender P40 (1.47.22.14 D3D12) | |
| MSI Katana 17 B13VFK (1.47.22.14 D3D12) | |
| Durchschnittliche NVIDIA GeForce RTX 4060 Laptop GPU (135.3 - 210, n=50) | |
| Asus TUF Gaming A16 FA617 (1.47.22.14 D3D12) | |
| Gigabyte G7 KE (1.47.22.14 D3D12) | |
| The Witcher 3 v4 | |
| 1920x1080 Ultra Preset / On AA:FX | |
| Asus TUF Gaming A16 FA617 | |
| Gigabyte G7 KE | |
| Durchschnitt der Klasse Gaming (n=1der letzten 2 Jahre) | |
| Medion Erazer Defender P40 | |
| MSI Katana 17 B13VFK | |
| Durchschnittliche NVIDIA GeForce RTX 4060 Laptop GPU (50.3 - 72.8, n=3) | |
| 2560x1440 Ultra Preset / On AA:FX | |
| Asus TUF Gaming A16 FA617 | |
| Medion Erazer Defender P40 | |
| Durchschnittliche NVIDIA GeForce RTX 4060 Laptop GPU (40.5 - 44.8, n=2) | |
| MSI Katana 17 B13VFK | |
| Resident Evil 4 Remake | |
| 1920x1080 Max Preset | |
| Medion Erazer Defender P40 | |
| Durchschnittliche NVIDIA GeForce RTX 4060 Laptop GPU (50.9 - 72.7, n=3) | |
| Durchschnitt der Klasse Gaming (n=1der letzten 2 Jahre) | |
| 2560x1440 Max Preset | |
| Durchschnittliche NVIDIA GeForce RTX 4060 Laptop GPU (52.1 - 55.1, n=2) | |
| Medion Erazer Defender P40 | |
| Durchschnitt der Klasse Gaming (n=1der letzten 2 Jahre) | |
| Dead Island 2 | |
| 1920x1080 Ultra Preset AA:High T | |
| XMG Pro 15 E23 | |
| Durchschnittliche NVIDIA GeForce RTX 4060 Laptop GPU (148.5 - 158.8, n=2) | |
| Medion Erazer Defender P40 | |
| 2560x1440 Ultra Preset AA:High T | |
| XMG Pro 15 E23 | |
| Durchschnittliche NVIDIA GeForce RTX 4060 Laptop GPU (98 - 101.9, n=2) | |
| Medion Erazer Defender P40 | |
| Star Wars Jedi Survivor | |
| 1920x1080 Epic Preset | |
| XMG Pro 15 E23 | |
| Medion Erazer Defender P40 | |
| Durchschnittliche NVIDIA GeForce RTX 4060 Laptop GPU (45.5 - 66.7, n=10) | |
| 2560x1440 Epic Preset | |
| XMG Pro 15 E23 | |
| Medion Erazer Defender P40 | |
| Durchschnittliche NVIDIA GeForce RTX 4060 Laptop GPU (30.3 - 41.7, n=10) | |
Um zu überprüfen, ob die Bildwiederholraten über einen längeren Zeitraum weitgehend konstant bleiben, lassen wir das Spiel "The Witcher 3" für etwa 60 Minuten mit Full-HD-Auflösung und maximalen Qualitätseinstellungen laufen. Die Spielfigur wird nicht bewegt. Ein Rückgang der Bildwiederholraten tritt nur bei aktivem "Lautlosmodus" ein.
Witcher 3 FPS-Diagramm
| min. | mittel | hoch | max. | QHD | |
|---|---|---|---|---|---|
| GTA V (2015) | 186.3 | 183.1 | 176 | 113.9 | 83.1 |
| The Witcher 3 (2015) | 459.5 | 318.2 | 195.9 | 103 | |
| Dota 2 Reborn (2015) | 178.7 | 163.1 | 151.3 | 144.3 | |
| Final Fantasy XV Benchmark (2018) | 188.5 | 141.9 | 100.8 | 74 | |
| X-Plane 11.11 (2018) | 159.8 | 139.1 | 109.3 | ||
| Far Cry 5 (2018) | 167 | 142 | 136 | 128 | 102 |
| Strange Brigade (2018) | 473 | 279 | 221 | 188.3 | 126.4 |
| F1 22 (2022) | 243 | 232 | 178 | 65.7 | 42 |
| The Witcher 3 v4 (2023) | 210 | 171.6 | 85.4 | 72.8 | 44.8 |
| Dead Space Remake (2023) | 88.5 | 83.2 | 71.1 | 70.4 | 44.5 |
| Resident Evil 4 Remake (2023) | 141.5 | 107.2 | 97.3 | 72.7 | 52.1 |
| Dead Island 2 (2023) | 189.9 | 181.7 | 153.5 | 148.5 | 98 |
| Star Wars Jedi Survivor (2023) | 77.2 | 69.1 | 64.8 | 61.7 | 38.5 |
Emissionen - Medion Laptop mit moderater Erwärmung
Geräuschemissionen
Das Erazer Defender kann unter Last viel Lärm produzieren. Der "Gaming Modus" lässt den Schalldruckpegel im Gaming-Betrieb auf bis zu 62 dB(A) steigen, bei aktivem "Unterhaltungsmodus" wird ein Maximum von immer noch sehr lauten 56 dB(A) erreicht.
Die zwei übrigen Modi dämmen die Geräuschkulisse auf Kosten der Rechenleistung stark ein und dürften somit die erste Wahl für den Alltagsbetrieb sein. Der "Lautlosmodus" hält aber nicht, was der Name verspricht. Gleichwohl: Er ermöglicht Gaming bei geringer Betriebslautstärke (Witcher 3: 36 dB(A)).
| HD Low | FHD Low | FHD Medium | FHD High | FHD Ultra | |
|---|---|---|---|---|---|
| Dota 2 Reborn | 85,8 fps | - | - | 51,7 fps | 45,1 fps |
| X-Plane 11.11 | 52,1 fps | - | 41,2 fps | 35,9 fps | - |
| Strange Brigade | - | - | - | - | 60 fps |
Im Leerlauf sowie im Alltagsbetrieb (Office, Internet) arbeitet das Notebook oftmals leise, manchmal lautlos. Allerdings: Gelegentlich drehen die Lüfter unnötigerweise auf (ein typisches Phänomen bei Clevo Barebones).
Lautstärkediagramm
| Idle |
| 26 / 27 / 32 dB(A) |
| Last |
| 53 / 64 dB(A) |
![]() | ||
30 dB leise 40 dB(A) deutlich hörbar 50 dB(A) störend |
||
min: | ||
| Medion Erazer Defender P40 GeForce RTX 4060 Laptop GPU, i7-13700HX, Phison PS5021-E21 1TB | MSI Katana 17 B13VFK GeForce RTX 4060 Laptop GPU, i7-13620H, Micron 2400 MTFDKBA1T0QFM | Acer Predator Helios 300 (i7-12700H, RTX 3070 Ti) GeForce RTX 3070 Ti Laptop GPU, i7-12700H, Samsung PM9A1 MZVL21T0HCLR | Lenovo Legion Pro 5 16IRX8 GeForce RTX 4060 Laptop GPU, i7-13700HX, SK hynix PC801 HFS512GEJ9X115N | Asus TUF Gaming A16 FA617 Radeon RX 7600S, R7 7735HS, Micron 2400 MTFDKBA1T0QFM | Gigabyte G7 KE GeForce RTX 3060 Laptop GPU, i5-12500H, Gigabyte AG470S1TB-SI B10 | |
|---|---|---|---|---|---|---|
| Geräuschentwicklung | 1% | 1% | 16% | 12% | -7% | |
| aus / Umgebung * (dB) | 25 | 24.5 2% | 23 8% | 23 8% | 24 4% | 27 -8% |
| Idle min * (dB) | 26 | 24.5 6% | 23 12% | 23.1 11% | 24 8% | 27 -4% |
| Idle avg * (dB) | 27 | 24.5 9% | 25.92 4% | 23.1 14% | 25 7% | 35 -30% |
| Idle max * (dB) | 32 | 40 -25% | 40.67 -27% | 26.6 17% | 28 12% | 38 -19% |
| Last avg * (dB) | 53 | 48.3 9% | 42.7 19% | 34.7 35% | 42 21% | 52 2% |
| Witcher 3 ultra * (dB) | 56 | 56 -0% | 62.48 -12% | 47.6 15% | 50 11% | 56 -0% |
| Last max * (dB) | 64 | 59.1 8% | 62.67 2% | 54.8 14% | 50 22% | 59 8% |
* ... kleinere Werte sind besser
Temperatur
Das Notebook erwärmt sich nicht sonderlich stark. An allen Messpunkten werden Temperaturen deutlich unterhalb von 50°C registriert. Im Alltagsbetrieb bewegen sich die Werte im grünen Bereich.
(±) Die maximale Temperatur auf der Oberseite ist 42 °C. Im Vergleich liegt der Klassendurchschnitt bei 40.4 °C (von 21.2 bis 68.8 °C für die Klasse Gaming).
(±) Auf der Unterseite messen wir eine maximalen Wert von 45 °C (im Vergleich zum Durchschnitt von 43.3 °C).
(+) Ohne Last messen wir eine durchschnittliche Temperatur von 26.6 °C auf der Oberseite. Der Klassendurchschnitt erreicht 33.9 °C.
(±) Beim längeren Spielen von The Witcher 3 erhitzt sich das Gerät durchschnittlich auf 37.1 °C. Der Durchschnitt der Klasse ist derzeit 33.9 °C.
(+) Die Handballen und der Touchpad-Bereich sind mit gemessenen 31 °C kühler als die typische Hauttemperatur und fühlen sich dadurch kühl an.
(-) Die durchschnittliche Handballen-Temperatur anderer getesteter Geräte war 28.8 °C (-2.2 °C).
| Medion Erazer Defender P40 Intel Core i7-13700HX, NVIDIA GeForce RTX 4060 Laptop GPU | MSI Katana 17 B13VFK Intel Core i7-13620H, NVIDIA GeForce RTX 4060 Laptop GPU | Acer Predator Helios 300 (i7-12700H, RTX 3070 Ti) Intel Core i7-12700H, NVIDIA GeForce RTX 3070 Ti Laptop GPU | Lenovo Legion Pro 5 16IRX8 Intel Core i7-13700HX, NVIDIA GeForce RTX 4060 Laptop GPU | Asus TUF Gaming A16 FA617 AMD Ryzen 7 7735HS, AMD Radeon RX 7600S | Gigabyte G7 KE Intel Core i5-12500H, NVIDIA GeForce RTX 3060 Laptop GPU | |
|---|---|---|---|---|---|---|
| Hitze | -7% | -5% | -8% | -27% | -13% | |
| Last oben max * (°C) | 42 | 41.6 1% | 35 17% | 42.8 -2% | 54 -29% | 52 -24% |
| Last unten max * (°C) | 45 | 43.1 4% | 53 -18% | 50 -11% | 47 -4% | 54 -20% |
| Idle oben max * (°C) | 28 | 32 -14% | 29 -4% | 29.6 -6% | 40 -43% | 28 -0% |
| Idle unten max * (°C) | 30 | 35.8 -19% | 34 -13% | 34 -13% | 40 -33% | 32 -7% |
* ... kleinere Werte sind besser
Stresstest
Der Stresstest (Prime95 und Furmark im Dauerbetrieb) stellt ein Extremszenario zur Überprüfung der Systemstabilität unter Volllast dar. Die CPU beginnt den Test mit hohen Taktraten (P: 3,5 bis 3,8 GHz, E: 3,1 bis 3,2 GHz), die GPU geht mit 2,4 bis 2,5 GHz zu Werke. Während der CPU-Takt schon nach knapp einer Minute reduziert wird, arbeitet die GPU durchgehend mit voller Kraft.
Lautsprecher
Die Stereolautsprecher produzieren einen ordentlichen Klang, der kaum Bass zu bieten hat. Ein besseres Klangerlebnis wäre durch Kopfhörer oder externe Lautsprecher erreichbar.
Medion Erazer Defender P40 Audio Analyse
(±) | Mittelmäßig laut spielende Lautsprecher (81 dB)
Bass 100 - 315 Hz
(-) | kaum Bass - 29.9% niedriger als der Median
(±) | durchschnittlich lineare Bass-Wiedergabe (12.4% Delta zum Vorgänger)
Mitteltöne 400 - 2000 Hz
(±) | zu hohe Mitten, vom Median 6.4% abweichend
(±) | Linearität der Mitten ist durchschnittlich (8.1% Delta zum Vorgänger)
Hochtöne 2 - 16 kHz
(+) | ausgeglichene Hochtöne, vom Median nur 2.4% abweichend
(+) | sehr lineare Hochtöne (3.6% Delta zum Vorgänger)
Gesamt im hörbaren Bereich 100 - 16.000 Hz
(±) | hörbarer Bereich ist durchschnittlich linear (22.4% Abstand zum Median)
Im Vergleich zu allen Geräten derselben Klasse
» 80% aller getesteten Geräte dieser Klasse waren besser, 6% vergleichbar, 14% schlechter
» Das beste Gerät hat einen Delta-Wert von 6%, durchschnittlich ist 18%, das schlechteste Gerät hat 132%
Im Vergleich zu allen Geräten im Test
» 65% aller getesteten Geräte waren besser, 6% vergleichbar, 29% schlechter
» Das beste Gerät hat einen Delta-Wert von 4%, durchschnittlich ist 24%, das schlechteste Gerät hat 134%
MSI Katana 17 B13VFK Audio Analyse
(±) | Mittelmäßig laut spielende Lautsprecher (78.5 dB)
Bass 100 - 315 Hz
(-) | kaum Bass - 17.7% niedriger als der Median
(±) | durchschnittlich lineare Bass-Wiedergabe (11.7% Delta zum Vorgänger)
Mitteltöne 400 - 2000 Hz
(±) | zu hohe Mitten, vom Median 6.8% abweichend
(+) | lineare Mitten (6.7% Delta zum Vorgänger)
Hochtöne 2 - 16 kHz
(+) | ausgeglichene Hochtöne, vom Median nur 3.2% abweichend
(±) | durchschnittlich lineare Hochtöne (7.2% Delta zum Vorgänger)
Gesamt im hörbaren Bereich 100 - 16.000 Hz
(±) | hörbarer Bereich ist durchschnittlich linear (19.4% Abstand zum Median)
Im Vergleich zu allen Geräten derselben Klasse
» 66% aller getesteten Geräte dieser Klasse waren besser, 7% vergleichbar, 26% schlechter
» Das beste Gerät hat einen Delta-Wert von 6%, durchschnittlich ist 18%, das schlechteste Gerät hat 132%
Im Vergleich zu allen Geräten im Test
» 47% aller getesteten Geräte waren besser, 8% vergleichbar, 45% schlechter
» Das beste Gerät hat einen Delta-Wert von 4%, durchschnittlich ist 24%, das schlechteste Gerät hat 134%
Energieverwaltung - Gaming Notebook erreicht ordentliche Ausdauerwerte
Energieaufnahme
Der Energiebedarf des Medion Laptops bewegt sich auf einem normalen Niveau für die verbaute Hardware. Witcher-3-Test bzw. Stresstest werden mit konstanter bzw. relativ konstanter Leistungsaufnahme durchlaufen. Das Netzteil (280 Watt) ist ausreichend dimensioniert.
| Aus / Standby | |
| Idle | |
| Last |
|
Legende:
min: | |
| Medion Erazer Defender P40 i7-13700HX, GeForce RTX 4060 Laptop GPU, Phison PS5021-E21 1TB, IPS, 2560x1440, 17.3" | MSI Katana 17 B13VFK i7-13620H, GeForce RTX 4060 Laptop GPU, Micron 2400 MTFDKBA1T0QFM, IPS LED, 1920x1080, 17.3" | Acer Predator Helios 300 (i7-12700H, RTX 3070 Ti) i7-12700H, GeForce RTX 3070 Ti Laptop GPU, Samsung PM9A1 MZVL21T0HCLR, IPS, 2560x1440, 17.3" | Lenovo Legion Pro 5 16IRX8 i7-13700HX, GeForce RTX 4060 Laptop GPU, SK hynix PC801 HFS512GEJ9X115N, IPS, 2560x1600, 16" | Asus TUF Gaming A16 FA617 R7 7735HS, Radeon RX 7600S, Micron 2400 MTFDKBA1T0QFM, IPS-Level, 1920x1200, 16" | Gigabyte G7 KE i5-12500H, GeForce RTX 3060 Laptop GPU, Gigabyte AG470S1TB-SI B10, IPS, 1920x1080, 17.3" | Durchschnittliche NVIDIA GeForce RTX 4060 Laptop GPU | Durchschnitt der Klasse Gaming | |
|---|---|---|---|---|---|---|---|---|
| Stromverbrauch | -1% | -40% | -71% | 13% | -24% | -11% | -32% | |
| Idle min * (Watt) | 8 | 12.2 -53% | 15 -88% | 24.5 -206% | 8 -0% | 15 -88% | 11.5 ? -44% | 13.5 ? -69% |
| Idle avg * (Watt) | 12 | 14.9 -24% | 20 -67% | 29.2 -143% | 11 8% | 17 -42% | 16 ? -33% | 19.2 ? -60% |
| Idle max * (Watt) | 18 | 15.8 12% | 22.3 -24% | 34.3 -91% | 16 11% | 24 -33% | 20.3 ? -13% | 24.6 ? -37% |
| Last avg * (Watt) | 101 | 85.22 16% | 133 -32% | 98.7 2% | 97 4% | 111 -10% | 92.9 ? 8% | 108.4 ? -7% |
| Witcher 3 ultra * (Watt) | 180.8 | 151.1 16% | 231 -28% | 178.6 1% | 161.5 11% | 174.1 4% | ||
| Last max * (Watt) | 284 | 212.8 25% | 290 -2% | 249.6 12% | 168 41% | 208 27% | 210 ? 26% | 254 ? 11% |
* ... kleinere Werte sind besser
Energieaufnahme Witcher 3 / Stresstest
Energieaufnahme mit externem Monitor
Akkulaufzeit
Der 17,3-Zöller erreicht im WLAN-Test (Aufruf von Webseiten mittels eines Skripts) bzw. Videotest (Kurzfilm Big Buck Bunny (H.264-Kodierung, FHD) in einer Schleife) Laufzeiten von 6:13 h bzw. 5:39 h. Während beider Tests sind die Energiesparfunktionen des Notebooks deaktiviert und die Displayhelligkeit wird auf etwa 150 cd/m² geregelt. Zur Durchführung des Videotests werden zudem die Funkmodule abgeschaltet.
Alles in allem erreicht das P40 sehr ordentliche Ausdauerwerte. Es ordnet sich unter den Vergleichsgeräten im Mittelfeld ein. An die hervorragenden Laufzeiten des Asus TUF Gaming A16 reicht keiner der Rechner heran. Letzteres profitiert von der Kombination aus genügsamer APU und großer Akkukapazität.
| Medion Erazer Defender P40 i7-13700HX, GeForce RTX 4060 Laptop GPU, 73 Wh | MSI Katana 17 B13VFK i7-13620H, GeForce RTX 4060 Laptop GPU, 53.5 Wh | Acer Predator Helios 300 (i7-12700H, RTX 3070 Ti) i7-12700H, GeForce RTX 3070 Ti Laptop GPU, 90 Wh | Lenovo Legion Pro 5 16IRX8 i7-13700HX, GeForce RTX 4060 Laptop GPU, 80 Wh | Asus TUF Gaming A16 FA617 R7 7735HS, Radeon RX 7600S, 90 Wh | Gigabyte G7 KE i5-12500H, GeForce RTX 3060 Laptop GPU, 54 Wh | Durchschnitt der Klasse Gaming | |
|---|---|---|---|---|---|---|---|
| Akkulaufzeit | -38% | 13% | -38% | 80% | -24% | 18% | |
| Idle (h) | 8.8 | 6.7 -24% | 20.2 130% | 7.1 -19% | 9.1 ? 3% | ||
| H.264 (h) | 5.7 | 5.9 4% | 2.2 -61% | 8.02 ? 41% | |||
| WLAN (h) | 6.2 | 2.9 -53% | 6 -3% | 3.4 -45% | 12.1 95% | 5.3 -15% | 6.83 ? 10% |
| Last (h) | 1.3 | 1 -23% | 1.8 38% | 0.7 -46% | 1.5 15% | 1.3 0% | 1.512 ? 16% |
Pro
Contra
Fazit - Eine runde Angelegenheit
Das P40 ist auf QHD-Gaming bei hohen bis maximalen Settings ausgelegt, dürfte aber auch in anderen Bereichen (Videoschnitt, Rendering) reüssieren - Core i7-13700HX und GeForce RTX 4060 machen es möglich. CPU und GPU können mit konstant hohen Taktraten arbeiten. Eine schnelle PCIe-4-SSD (1 TB) sorgt für kurze Ladezeiten.
Medion liefert mit dem Erazer Defender P40 ein gut ausgestattetes QHD-Gaming-Notebook der Mittelklasse.
Der Laptop erwärmt sich unter Last nicht sonderlich stark, kann aber sehr viel Lärm produzieren. Abhilfe schafft ein "Lautlosmodus"- auf Kosten der Rechenleistung. Er erlaubt Gaming bei geringem Geräuschpegel (keine Lautlosigkeit).
Eine Akkuladung (73 Wh) genügt für praxisnahe Laufzeiten von etwa 5,5 bis 6,5 Stunden - ordentliche Werte. Der Akku kann nicht per USB-C-Ladegerät mit Energie versorgt werden. Es müsste das wuchtige Netzteil mitgeführt werden. Der matte 17,3-Zoll-Bildschirm (QHD, IPS, 240 Hz, sRGB) hat insgesamt einen guten Eindruck hinterlassen.
Das MSI Katana 17 käme als Alternative zum P40 in Frage. Vergleichbarer Rechenleistung stünden deutlich kürzere Akkulaufzeiten entgegen. Sparpotential böte das Gigabyte G7 KE: Bei einem Preis von 1.049 Euro (ohne Windows-Betriebssystem) ermöglicht es FHD-Gaming bei hohen bis maximalen Settings.
Preis und Verfügbarkeit
Das Medion Erazer Defender P40 kann im Medion Onlineshop zu einem Preis von knapp 1.800 Euro erworben werden.
Medion Erazer Defender P40
- 24.05.2023 v7 (old)
Sascha Mölck
Transparenz
Die Auswahl der zu testenden Geräte erfolgt innerhalb der Redaktion. Das vorliegende Testmuster wurde dem Autor vom Hersteller oder einem Shop zu Testzwecken leihweise zur Verfügung gestellt. Eine Einflussnahme des Leihstellers auf den Testbericht gab es nicht, der Hersteller erhielt keine Version des Reviews vor der Veröffentlichung. Es bestand keine Verpflichtung zur Publikation. Als eigenständiges, unabhängiges Unternehmen unterliegt Notebookcheck keiner Diktion von Herstellern, Shops und Verlagen.
So testet Notebookcheck
Pro Jahr werden von Notebookcheck hunderte Laptops und Smartphones unabhängig in von uns standardisierten technischen Verfahren getestet, um eine Vergleichbarkeit aller Testergebnisse zu gewährleisten. Seit rund 20 Jahren entwickeln wir diese Testmethoden kontinuierlich weiter und setzen damit Branchenstandards. In unseren Testlaboren kommt ausschließlich hochwertiges Messequipment in die Hände erfahrener Techniker und Redakteure. Die Tests unterliegen einer mehrstufigen Kontrolle. Unsere komplexe Gesamtbewertung basiert auf hunderten fundierten Messergebnissen und Benchmarks, womit Ihnen Objektivität garantiert ist. Weitere Informationen zu unseren Testmethoden gibt es hier.























































































