Test LG Gram 14 (2022) Laptop: Schick, leicht & ausdauernd
Vergangenes Jahr konnte die 2021er-Edition auf Basis des Core i7-1165G7 eine sehr gute Wertung von 88 % einheimsen. Nun schickt LG den vielversprechenden Nachfolger ins Rennen. Zu den Hauptunterschieden bzw. Verbesserungen gehört das reflexionsarme Display, welches weiterhin im 16:10-Format mit 1.920 x 1.200 Pixeln daherkommt (wiederum nur 60 Hz). Auf dem Papier macht auch der Prozessor einen großen Sprung. Statt eines vierkernigen Tiger-Lake-Modells gibt es 2022 den zwölfkernigen Core i5-1240P aus Intels Alder-Lake-Generation. Die restlichen Spezifikationen des Gram 14Z90Q fallen eher unspektakulär aus. 16 GB RAM sind im Preissegment um 1.000 Euro (das Gerät ist ab ca. 1.100 Euro erhältlich) ebenso Standard wie eine 512 GB große NVMe-SSD. Beim Betriebssystem hat sich LG für Windows 11 Home entschieden.
Zu den Konkurrenten des Gram 14 zählen andere 14-Zoll-Notebooks, die weniger als 1,5 kg wiegen, wie das Dell Latitude 7420 und die Lenovo-Laptops Yoga Slim 7i Pro 14 und IdeaPad 5 Pro 14. Der Vorgänger taucht ebenfalls in den Tabellen als Vergleichsgerät auf.
mögliche Konkurrenten im Vergleich
Bew. | Datum | Modell | Gewicht | Dicke | Größe | Auflösung | Preis ab |
|---|---|---|---|---|---|---|---|
| 86.6 % v7 (old) | 10 / 2022 | LG Gram 14Z90Q i5-1240P, Iris Xe G7 80EUs | 980 g | 16.8 mm | 14.00" | 1920x1200 | |
| 87.6 % v7 (old) | 06 / 2022 | Lenovo Yoga Slim 7i Pro 14IAP G7 i5-1240P, Iris Xe G7 80EUs | 1.3 kg | 14.6 mm | 14.00" | 2880x1800 | |
| 90.1 % v7 (old) | 04 / 2022 | Dell Latitude 7420 JW6MH i5-1145G7, Iris Xe G7 80EUs | 1.3 kg | 17.3 mm | 14.00" | 1920x1080 | |
| 83.8 % v7 (old) | 08 / 2022 | Lenovo IdeaPad 5 Pro 14ITL6 i5-1135G7, Iris Xe G7 80EUs | 1.4 kg | 16 mm | 14.00" | 2880x1800 | |
| 88.3 % v7 (old) | 05 / 2021 | LG Gram 14Z90P-G.AA79G i7-1165G7, Iris Xe G7 96EUs | 967 g | 16.8 mm | 14.00" | 1920x1200 |
Gehäuse
Beim Gehäuse hat sich optisch kaum etwas getan. LG verwendet jetzt zum Beispiel eine feinere Tastenbeschriftung und im hinteren Bereich des Gehäusebodens eine Gummileiste anstelle von runden Gummifüßen, was der Stabilität zugutekommen sollte. Qualitativ macht das neue Chassis eine prima Figur. Zwar fühlen sich die Oberflächen, welche laut Hersteller aus einer Magnesiumlegierung bestehen, zum Teil eher nach Kunststoff als nach Metall an, nichtsdestotrotz wirkt das Gram 14 recht wertig.
Eine hohe Festigkeit darf man vom 14-Zöller jedoch nicht erwarten. Sowohl in der Mitte der Tastatur als auch auf Höhe des Touchpads gibt das Gehäuse bei kräftigerem Druck spürbar nach. Der Deckel ist ebenfalls nicht besonders verwindungssteif. Für ein derart flaches Notebook geht die Stabilität in unseren Augen aber noch in Ordnung, solange man diesbezüglich keine hohen Ansprüche stellt. Das Design des Gram 14 ist über jeden Zweifel erhaben. Der schlanke Auftritt (nur 16,8 mm Bauhöhe), die schmalen Displayränder, die klare Linienführung und die weiße Farbgebung verleihen dem 14-Zöller eine sehr attraktive Optik.
Als größtes Highlight entpuppt sich jedoch das geringe Gewicht. 980 gr sind äußerst wenig und lassen die Konkurrenz, welche zwischen 1,3 und 1,4 kg wiegt, alt bzw. schwer aussehen. Kaum ein Notebook kann derart angenehm transportiert werden wie das Gram 14.
Ausstattung
Schnittstellen
Die Anschlussausstattung orientiert sich am Vorgänger. Während die linke Seite eine Audio-Buchse, einen (nicht näher spezifizierten) HDMI-Port und zwei USB-C-4-Ports mit Power Delivery sowie DisplayPort- bzw. Thunderbolt-4-Funktionalität beherbergt, finden sich auf der rechten Seite ein Micro-SD-Kartenleser, zwei klassische USB-A-3.2-Ports und eine Öffnung für Kensington Locks. Da sich alle Schnittstellen in der hinteren Hälfte der beiden Seitenflächen tummeln, muss man bei der Nutzung einer Maus keine großen Bewegungseinschränkungen fürchten.
SD Card Reader
Die Leistung des Cardreaders siedelt sich im Mittelfeld an. Knapp 70 MB/s beim Übertragen von Fotos könnten auch vom Lenovo IdeaPad 5 Pro 14 stammen. Lediglich das Dell Latitude 7420 kann in dieser Kategorie so richtig auftrumpfen (knapp 200 MB/s).
| SD Card Reader | |
| average JPG Copy Test (av. of 3 runs) | |
| Dell Latitude 7420 JW6MH (AV Pro V60) | |
| LG Gram 14Z90P-G.AA79G (Toshiba Exceria Pro M501 microSDXC 64GB) | |
| Lenovo IdeaPad 5 Pro 14ITL6 (AV PRO microSD 128 GB V60) | |
| LG Gram 14Z90Q (AV PRO microSD 128 GB V60) | |
| Durchschnitt der Klasse Office (22.4 - 198.5, n=23, der letzten 2 Jahre) | |
| maximum AS SSD Seq Read Test (1GB) | |
| Dell Latitude 7420 JW6MH (AV Pro V60) | |
| LG Gram 14Z90P-G.AA79G (Toshiba Exceria Pro M501 microSDXC 64GB) | |
| LG Gram 14Z90Q (AV PRO microSD 128 GB V60) | |
| Durchschnitt der Klasse Office (27.4 - 249, n=21, der letzten 2 Jahre) | |
Kommunikation
Die drahtlose Kommunikation erfolgt durch ein Intel-Modul. Das Wi-Fi 6E AX211 liefert in unserem Reichweitentest mit dem neuen Referenzrouter von Asus (deshalb fehlen die Werte der Konkurrenz) eine sehr gute Vorstellung ab. Rund 1.700 Mbit/s beim Empfang aus 1 m Abstand müssen sich keinerlei Kritik anhören.
| Networking - iperf3 receive AXE11000 6GHz | |
| LG Gram 14Z90Q | |
| Durchschnitt der Klasse Office (508 - 2328, n=45, der letzten 2 Jahre) | |
| Durchschnittliche Intel Wi-Fi 6E AX211 (700 - 1857, n=226) | |
Webcam
Nicht ganz so toll sieht es im Hinblick auf die Webcam aus. Ja, dank der Full-HD-Auflösung sind Aufnahmen etwas schärfer als bei vielen Konkurrenten, so richtig überzeugen kann die Bildqualität dennoch nicht (Farbgenauigkeit etc.).

Zubehör
Neben ein paar Infoheften liegt dem Notebook ein 65-Watt-Netzteil bei, das nicht nur sehr kompakt (ca. 9,5 x 6 x 2,5 cm), leicht (ca. 230 gr) und schön abgerundet ist, sondern passend zum Chassis auch in weiß erstrahlt.
Wartung
Da sich die Schrauben der Bodenplatte hinter (verklebten) Gummiabdeckungen verbergen, haben wir von einer Öffnung des Gehäuses abgesehen (Shopgerät). Wie es im Inneren eines Gram 14 aussieht, kann man z. B. mittels Teardown-Videos auf Youtube nachvollziehen.
Eingabegeräte
Tastatur
In Relation zur flachen Bauweise ist die Tastatur überraschend gut. Druckpunkt und Anschlag sind vergleichen mit anderen 14-Zoll-Notebooks recht knackig und klar, wobei das Keyboard beim Tippen dafür relativ laut wird. Bei normaler Tippintensität biegt sich die Tastatur auch kaum durch. Vielschreiber, die nicht unbedingt in leisen Umgebungen wie Bibliotheken arbeiten, dürften mit dem Gram 14 zufrieden sein. Etwas nachbessern könnte LG beim Thema Layout. Neben dem einzeiligen Enter und dem dicht gedrängten Shift /><| haben uns aus deutscher Sicht (DE-Layout) auch die kombinierte Einfg-Entf-Taste und der in den Hauptblock eingearbeitete Power-Button nur bedingt gefallen. Mit winzigen Richtungspfeilen muss man leider bei sehr vielen Laptops leben.
Natürlich besitzt das Gram 14 auch eine Beleuchtung, die sich in zwei Stufen regeln lässt. Die Kombination aus weißem Licht und weißer Tastenfläche sorgt allerdings manchmal (je nach Tageszeit, Blickwinkel und Umgebungslicht) für eine schlechte Lesbarkeit. Hier wären schwarze Tasten oder eine bunte Beleuchtung tendenziell besser gewesen.
Touchpad
Die Touchpadqualität gibt sich unauffällig im positiven Sinne. Rund 11 x 7 cm sind für 14-Zoll-Verhältnisse ausreichend. Dank der glatten Oberfläche punktet der Mausersatz mit sehr guten Gleiteigenschaften, wodurch alle Befehle prima von der Hand gehen. Die Klickbereiche am unteren Rand bieten ein mittelstarkes haptisches Feedback. Analog zur Tastatur sind Eingaben allerdings ordentlich zu hören. Für unseren Geschmack könnten die Eckbereiche zudem noch fester sein und sich weniger tief ins Gehäuse pressen lassen. Die unterstützten Multi-Touch-Gesten funktionieren meist zuverlässig. An der Präzision hapert es ebenfalls nicht.
Display
Beim Display greift LG erneut auf ein hauseigenes Modell zurück. Dass jetzt allerdings ein mattes und kein spiegelndes Panel mehr zum Einsatz kommt, ist nicht nur für professionelle Anwender, sondern auch für Outdoor-Fans eine sehr gute Nachricht.
| |||||||||||||||||||||||||
Ausleuchtung: 87 %
Helligkeit Akku: 341 cd/m²
Kontrast: 1312:1 (Schwarzwert: 0.26 cd/m²)
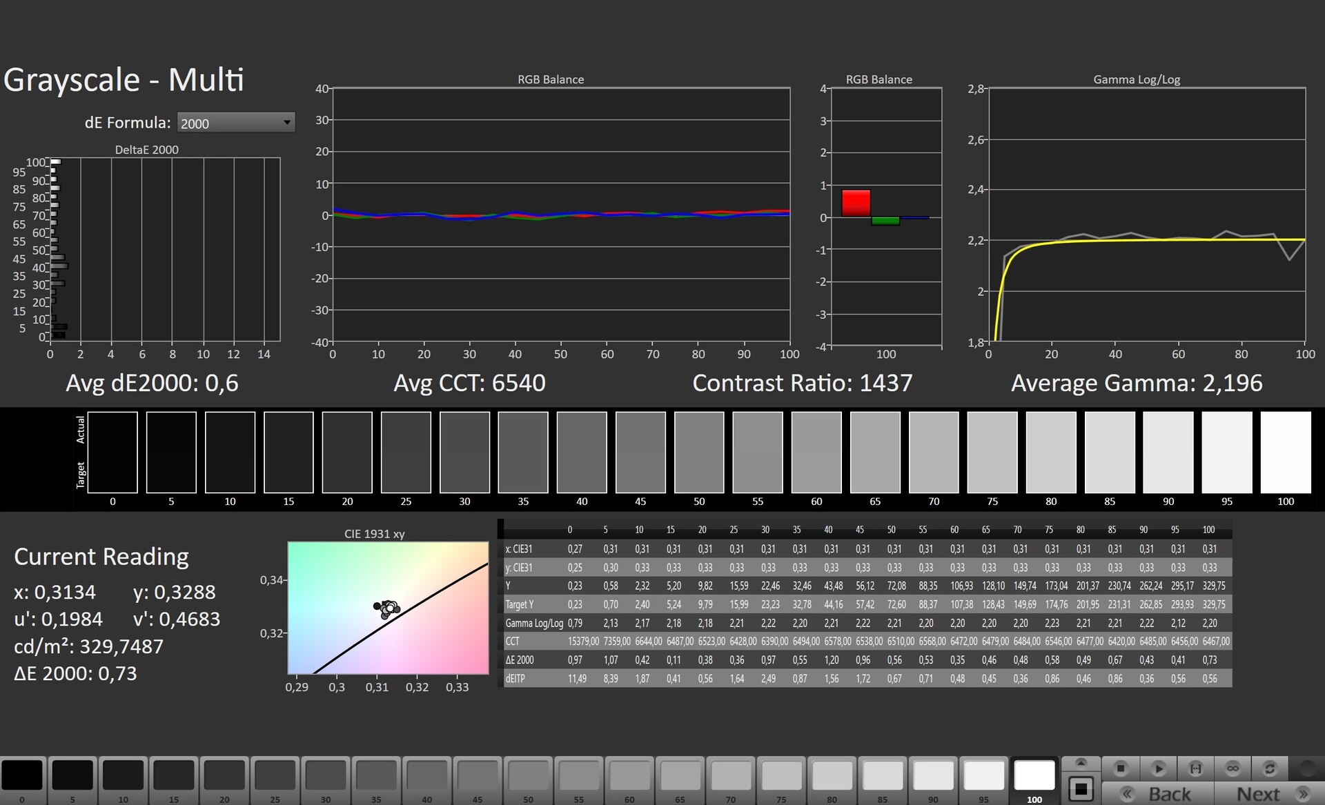
ΔE ColorChecker Calman: 3.11 | ∀{0.5-29.43 Ø4.73}
calibrated: 0.83
ΔE Greyscale Calman: 5.3 | ∀{0.09-98 Ø4.98}
85.9% AdobeRGB 1998 (Argyll 3D)
99.9% sRGB (Argyll 3D)
98.4% Display P3 (Argyll 3D)
Gamma: 2.037
CCT: 7571 K
| LG Gram 14Z90Q LG LP140WU1-SPF1, IPS, 1920x1200, 14" | Lenovo Yoga Slim 7i Pro 14IAP G7 LEN140WQ+, IPS, 2880x1800, 14" | Dell Latitude 7420 JW6MH Chi Mei CMN1416 CHF07 140HCG, IPS, 1920x1080, 14" | Lenovo IdeaPad 5 Pro 14ITL6 IPS, 2880x1800, 14" | LG Gram 14Z90P-G.AA79G LG Display LP140WU1-SPA1, IPS, 1920x1200, 14" | |
|---|---|---|---|---|---|
| Display | -10% | -17% | -13% | -1% | |
| Display P3 Coverage (%) | 98.4 | 77.7 -21% | 68 -31% | 74 -25% | 97.6 -1% |
| sRGB Coverage (%) | 99.9 | 100 0% | 99 -1% | 99.4 -1% | 99.9 0% |
| AdobeRGB 1998 Coverage (%) | 85.9 | 78.4 -9% | 70 -19% | 75 -13% | 85.3 -1% |
| Response Times | 27% | -11% | 43% | 6% | |
| Response Time Grey 50% / Grey 80% * (ms) | 47.5 ? | 35.2 ? 26% | 55 ? -16% | 29.4 ? 38% | 45 ? 5% |
| Response Time Black / White * (ms) | 24.5 ? | 17.6 ? 28% | 26 ? -6% | 13.1 ? 47% | 23 ? 6% |
| PWM Frequency (Hz) | |||||
| Bildschirm | 6% | 28% | 0% | -17% | |
| Helligkeit Bildmitte (cd/m²) | 341 | 469 38% | 408 20% | 403 18% | 352 3% |
| Brightness (cd/m²) | 305 | 445 46% | 378 24% | 372 22% | 332 9% |
| Brightness Distribution (%) | 87 | 90 3% | 86 -1% | 84 -3% | 91 5% |
| Schwarzwert * (cd/m²) | 0.26 | 0.22 15% | 0.3 -15% | 0.22 15% | |
| Kontrast (:1) | 1312 | 1855 41% | 1343 2% | 1600 22% | |
| Delta E Colorchecker * | 3.11 | 3.5 -13% | 1.54 50% | 2.74 12% | 2.89 7% |
| Colorchecker dE 2000 max. * | 8.29 | 5.3 36% | 2.72 67% | 4.49 46% | 4.66 44% |
| Colorchecker dE 2000 calibrated * | 0.83 | 1.7 -105% | 1.08 -30% | 1.77 -113% | 2.7 -225% |
| Delta E Graustufen * | 5.3 | 3.3 38% | 1.95 63% | 3.6 32% | 6.9 -30% |
| Gamma | 2.037 108% | 1.97 112% | 2.33 94% | 2.199 100% | 2.34 94% |
| CCT | 7571 86% | 6512 100% | 6806 96% | 6547 99% | 7904 82% |
| Farbraum (Prozent von AdobeRGB 1998) (%) | 76 | ||||
| Color Space (Percent of sRGB) (%) | 100 | ||||
| Durchschnitt gesamt (Programm / Settings) | 8% /
6% | 0% /
13% | 10% /
3% | -4% /
-10% |
* ... kleinere Werte sind besser
Zwar fällt die durchschnittliche Leuchtkraft laut unseren Messungen mit 305 zu 332 cd/m² etwas geringer als beim Vorgänger aus, dennoch lässt sich der Bildschirminhalt in vielen Situationen deutlich besser erkennen und die Augen werden weniger belastet. Den etwas schwächeren Kontrast (1.312:1 vs 1.600:1) und den minimal höheren Schwarzwert (0,26 vs 0,22 cd/m²) werden die meisten Käufer zugunsten der reflexionsarmen Oberfläche auch verschmerzen können.
In den restlichen Disziplinen schneiden die beiden Panels, welche bis auf die Endung gleich heißen (LP140WU1), recht ähnlich ab. Fast 100 % DCI-P3-Abdeckung verdienen ebenso Lob wie die gute Farbdarstellung, wenn man den dezenten Blaustich im Auslieferungszustand ausklammert (unsere kalibrierte ICC-Datei lässt sich rechts neben der Ausleuchtungsgrafik herunterladen).
Etwas zurückstecken muss das Display bei der Reaktionszeit. Knapp 25 bis 48 ms sind eher bescheiden, wobei das Notebook auch nicht für Spiele konzipiert wurde. Dennoch schlagen sich andere 14-Zöller hier besser (z. B. die Lenovos). Für den Nachfolger würden wir uns zudem ein helleres Display mit 400 Nits oder mehr wünschen, wie es die Konkurrenz zum Teil vormacht. Die Blickwinkel des LG Gram 14 bewegen sich indes auf dem typisch guten IPS-Niveau. Flackern durch PWM oder dergleichen konnten wir nicht feststellen.
Reaktionszeiten (Response Times) des Displays
| ↔ Reaktionszeiten Schwarz zu Weiß | ||
|---|---|---|
| 24.5 ms ... steigend ↗ und fallend ↘ kombiniert | ↗ 10.3 ms steigend | |
| ↘ 14.2 ms fallend | ||
| Die gemessenen Reaktionszeiten sind gut, für anspruchsvolle Spieler könnten der Bildschirm jedoch zu langsam sein. Im Vergleich rangierten die bei uns getesteten Geräte von 0.1 (Minimum) zu 240 (Maximum) ms. » 58 % aller Screens waren schneller als der getestete. Daher sind die gemessenen Reaktionszeiten schlechter als der Durchschnitt aller vermessenen Geräte (19.9 ms). | ||
| ↔ Reaktionszeiten 50% Grau zu 80% Grau | ||
| 47.5 ms ... steigend ↗ und fallend ↘ kombiniert | ↗ 21.3 ms steigend | |
| ↘ 26.2 ms fallend | ||
| Die gemessenen Reaktionszeiten sind langsam und dadurch für viele Spieler wahrscheinlich zu langsam. Im Vergleich rangierten die bei uns getesteten Geräte von 0.165 (Minimum) zu 636 (Maximum) ms. » 82 % aller Screens waren schneller als der getestete. Daher sind die gemessenen Reaktionszeiten schlechter als der Durchschnitt aller vermessenen Geräte (31.1 ms). | ||
Bildschirm-Flackern / PWM (Pulse-Width Modulation)
| Flackern / PWM nicht festgestellt | |||
Im Vergleich: 52 % aller getesteten Geräte nutzten kein PWM um die Helligkeit zu reduzieren. Wenn PWM eingesetzt wurde, dann bei einer Frequenz von durchschnittlich 7837 (Minimum 5, Maximum 343500) Hz. | |||
Leistung
Das LG Gram 14 macht es sich leistungstechnisch in der Mittelklasse bequem. Der Hersteller verwendet ausgewogene Komponenten, die – mit Ausnahme von Gaming und sonstigen 3D-Anwendungen – recht vielseitig sind.
Testbedingungen
Im vorinstallierten und sehr aufgeräumten bzw. übersichtlichen Smart Assistant kann man diverse Einstellungen am System vornehmen. Die wichtigsten Features tummeln sich bereits im ersten Menü. Der Kühlmodus hat große Auswirkungen auf die Leistung und die Geräuschentwicklung. Sofern nicht anders erwähnt, basieren all unsere Messungen auf dem Standard-Setting Normal.
| Kühlmodus | Lautlos | Niedrig | Normal | Hoch |
| CPU PL1 (HWiNFO) | 8 Watt | 12 Watt | 24 Watt | 28 Watt |
| CPU PL2 (HWiNFO) | 43 Watt | 43 Watt | 43 Watt | 43 Watt |
Prozessor
Die CPU-Performance fällt im Normal-Modus ernüchternd aus. Obwohl der Core i5-1240P theoretisch deutlich mehr Power als der alte Core i5-1165G7 liefert, sind die Benchmark-Ergebnisse nur geringfügig besser als beim Vorgänger. Das ist sehr überraschend, da das Alder-Lake-Modell 16 statt 8 Threads, also doppelt so viel, gleichzeitig bearbeiten kann (die 4 enthaltenen Performance-Kerne beherrschen Hyperthreading).
Damit sich das neue Gram 14 spürbar absetzt, muss man zum Kühlmodus Hoch greifen, der die Leistung merklich anhebt. Rund 1.500 statt 950 Punkte im Multi-Core-Test des Cinebench R15 entsprechen einer Steigerung von knapp 60 %. Damit ist das Gram 14 aber immer noch langsamer als das Lenovo Yoga Slim 7i Pro mit identischer CPU. Es macht den Anschein, dass das Kühlsystem des Gram 14 beim Core i5-1240P an seine Grenzen gerät.
Cinebench R15 Multi Dauertest
* ... kleinere Werte sind besser
AIDA64: FP32 Ray-Trace | FPU Julia | CPU SHA3 | CPU Queen | FPU SinJulia | FPU Mandel | CPU AES | CPU ZLib | FP64 Ray-Trace | CPU PhotoWorxx
| Performance Rating | |
| Durchschnitt der Klasse Office | |
| Lenovo Yoga Slim 7i Pro 14IAP G7 | |
| Dell Latitude 7420 JW6MH | |
| Lenovo IdeaPad 5 Pro 14ITL6 | |
| Durchschnittliche Intel Core i5-1240P | |
| LG Gram 14Z90P-G.AA79G | |
| LG Gram 14Z90Q | |
| AIDA64 / FP32 Ray-Trace | |
| Durchschnitt der Klasse Office (2083 - 31245, n=81, der letzten 2 Jahre) | |
| Lenovo IdeaPad 5 Pro 14ITL6 | |
| Dell Latitude 7420 JW6MH | |
| Durchschnittliche Intel Core i5-1240P (2405 - 9694, n=16) | |
| Lenovo Yoga Slim 7i Pro 14IAP G7 | |
| LG Gram 14Z90Q | |
| LG Gram 14Z90P-G.AA79G | |
| AIDA64 / FPU Julia | |
| Durchschnitt der Klasse Office (8191 - 125394, n=81, der letzten 2 Jahre) | |
| Lenovo IdeaPad 5 Pro 14ITL6 | |
| Durchschnittliche Intel Core i5-1240P (7407 - 49934, n=16) | |
| Lenovo Yoga Slim 7i Pro 14IAP G7 | |
| Dell Latitude 7420 JW6MH | |
| LG Gram 14Z90P-G.AA79G | |
| LG Gram 14Z90Q | |
| AIDA64 / CPU SHA3 | |
| Durchschnitt der Klasse Office (433 - 5755, n=81, der letzten 2 Jahre) | |
| Lenovo IdeaPad 5 Pro 14ITL6 | |
| Lenovo Yoga Slim 7i Pro 14IAP G7 | |
| Dell Latitude 7420 JW6MH | |
| Durchschnittliche Intel Core i5-1240P (415 - 2462, n=16) | |
| LG Gram 14Z90P-G.AA79G | |
| LG Gram 14Z90Q | |
| AIDA64 / CPU Queen | |
| Lenovo Yoga Slim 7i Pro 14IAP G7 | |
| LG Gram 14Z90Q | |
| Durchschnittliche Intel Core i5-1240P (29405 - 76736, n=16) | |
| Durchschnitt der Klasse Office (22784 - 115197, n=73, der letzten 2 Jahre) | |
| LG Gram 14Z90P-G.AA79G | |
| Dell Latitude 7420 JW6MH | |
| Lenovo IdeaPad 5 Pro 14ITL6 | |
| AIDA64 / FPU SinJulia | |
| Durchschnitt der Klasse Office (1378 - 18321, n=81, der letzten 2 Jahre) | |
| Lenovo Yoga Slim 7i Pro 14IAP G7 | |
| Durchschnittliche Intel Core i5-1240P (2135 - 6540, n=16) | |
| Dell Latitude 7420 JW6MH | |
| Lenovo IdeaPad 5 Pro 14ITL6 | |
| LG Gram 14Z90Q | |
| LG Gram 14Z90P-G.AA79G | |
| AIDA64 / FPU Mandel | |
| Durchschnitt der Klasse Office (4601 - 66922, n=81, der letzten 2 Jahre) | |
| Lenovo IdeaPad 5 Pro 14ITL6 | |
| Dell Latitude 7420 JW6MH | |
| Lenovo Yoga Slim 7i Pro 14IAP G7 | |
| Durchschnittliche Intel Core i5-1240P (5113 - 23992, n=16) | |
| LG Gram 14Z90P-G.AA79G | |
| LG Gram 14Z90Q | |
| AIDA64 / CPU AES | |
| Lenovo IdeaPad 5 Pro 14ITL6 | |
| Dell Latitude 7420 JW6MH | |
| LG Gram 14Z90P-G.AA79G | |
| Durchschnitt der Klasse Office (4854 - 155900, n=81, der letzten 2 Jahre) | |
| Lenovo Yoga Slim 7i Pro 14IAP G7 | |
| Durchschnittliche Intel Core i5-1240P (8849 - 90370, n=16) | |
| LG Gram 14Z90Q | |
| AIDA64 / CPU ZLib | |
| Lenovo Yoga Slim 7i Pro 14IAP G7 | |
| Durchschnitt der Klasse Office (114.6 - 1366, n=81, der letzten 2 Jahre) | |
| Durchschnittliche Intel Core i5-1240P (101.6 - 812, n=16) | |
| Lenovo IdeaPad 5 Pro 14ITL6 | |
| Dell Latitude 7420 JW6MH | |
| LG Gram 14Z90Q | |
| LG Gram 14Z90P-G.AA79G | |
| AIDA64 / FP64 Ray-Trace | |
| Durchschnitt der Klasse Office (1109 - 17834, n=81, der letzten 2 Jahre) | |
| Lenovo IdeaPad 5 Pro 14ITL6 | |
| Dell Latitude 7420 JW6MH | |
| Lenovo Yoga Slim 7i Pro 14IAP G7 | |
| Durchschnittliche Intel Core i5-1240P (1154 - 5258, n=16) | |
| LG Gram 14Z90Q | |
| LG Gram 14Z90P-G.AA79G | |
| AIDA64 / CPU PhotoWorxx | |
| LG Gram 14Z90P-G.AA79G | |
| Lenovo Yoga Slim 7i Pro 14IAP G7 | |
| Durchschnitt der Klasse Office (11090 - 65229, n=81, der letzten 2 Jahre) | |
| Dell Latitude 7420 JW6MH | |
| Durchschnittliche Intel Core i5-1240P (11873 - 43661, n=16) | |
| LG Gram 14Z90Q | |
| Lenovo IdeaPad 5 Pro 14ITL6 | |
System Performance
Die reine System-Performance lässt die magere CPU-Leistung kaum erkennen. 5.049 Punkte im PCMark 10 bedeuten den zweiten Platz knapp hinter dem Yoga Slim. Hier spielt allerdings auch die Geschwindigkeit des Massenspeichers eine große Rolle.
CrossMark: Overall | Productivity | Creativity | Responsiveness
| PCMark 10 / Score | |
| Durchschnitt der Klasse Office (2601 - 9298, n=65, der letzten 2 Jahre) | |
| Lenovo Yoga Slim 7i Pro 14IAP G7 | |
| Durchschnittliche Intel Core i5-1240P, Intel Iris Xe Graphics G7 80EUs (4881 - 5345, n=11) | |
| LG Gram 14Z90Q | |
| Dell Latitude 7420 JW6MH | |
| LG Gram 14Z90P-G.AA79G | |
| Lenovo IdeaPad 5 Pro 14ITL6 | |
| PCMark 10 / Essentials | |
| LG Gram 14Z90P-G.AA79G | |
| Durchschnitt der Klasse Office (3245 - 11594, n=65, der letzten 2 Jahre) | |
| Lenovo Yoga Slim 7i Pro 14IAP G7 | |
| Dell Latitude 7420 JW6MH | |
| Durchschnittliche Intel Core i5-1240P, Intel Iris Xe Graphics G7 80EUs (8890 - 10652, n=11) | |
| LG Gram 14Z90Q | |
| Lenovo IdeaPad 5 Pro 14ITL6 | |
| PCMark 10 / Productivity | |
| Durchschnitt der Klasse Office (5336 - 17243, n=65, der letzten 2 Jahre) | |
| LG Gram 14Z90P-G.AA79G | |
| Dell Latitude 7420 JW6MH | |
| Durchschnittliche Intel Core i5-1240P, Intel Iris Xe Graphics G7 80EUs (6118 - 7058, n=11) | |
| LG Gram 14Z90Q | |
| Lenovo Yoga Slim 7i Pro 14IAP G7 | |
| Lenovo IdeaPad 5 Pro 14ITL6 | |
| PCMark 10 / Digital Content Creation | |
| Durchschnitt der Klasse Office (2049 - 13541, n=65, der letzten 2 Jahre) | |
| Lenovo Yoga Slim 7i Pro 14IAP G7 | |
| LG Gram 14Z90Q | |
| Durchschnittliche Intel Core i5-1240P, Intel Iris Xe Graphics G7 80EUs (5169 - 6213, n=11) | |
| Dell Latitude 7420 JW6MH | |
| Lenovo IdeaPad 5 Pro 14ITL6 | |
| LG Gram 14Z90P-G.AA79G | |
| CrossMark / Overall | |
| Lenovo Yoga Slim 7i Pro 14IAP G7 | |
| Durchschnittliche Intel Core i5-1240P, Intel Iris Xe Graphics G7 80EUs (1392 - 1553, n=7) | |
| Durchschnitt der Klasse Office (381 - 2010, n=76, der letzten 2 Jahre) | |
| Dell Latitude 7420 JW6MH | |
| CrossMark / Productivity | |
| Durchschnittliche Intel Core i5-1240P, Intel Iris Xe Graphics G7 80EUs (1393 - 1524, n=7) | |
| Lenovo Yoga Slim 7i Pro 14IAP G7 | |
| Durchschnitt der Klasse Office (464 - 1880, n=76, der letzten 2 Jahre) | |
| Dell Latitude 7420 JW6MH | |
| CrossMark / Creativity | |
| Lenovo Yoga Slim 7i Pro 14IAP G7 | |
| Durchschnitt der Klasse Office (319 - 2361, n=76, der letzten 2 Jahre) | |
| Durchschnittliche Intel Core i5-1240P, Intel Iris Xe Graphics G7 80EUs (1426 - 1647, n=7) | |
| Dell Latitude 7420 JW6MH | |
| CrossMark / Responsiveness | |
| Durchschnittliche Intel Core i5-1240P, Intel Iris Xe Graphics G7 80EUs (1267 - 1545, n=7) | |
| Lenovo Yoga Slim 7i Pro 14IAP G7 | |
| Durchschnitt der Klasse Office (360 - 1690, n=76, der letzten 2 Jahre) | |
| Dell Latitude 7420 JW6MH | |
| PCMark 10 Score | 5049 Punkte | |
Hilfe | ||
| AIDA64 / Memory Copy | |
| LG Gram 14Z90P-G.AA79G | |
| Durchschnitt der Klasse Office (20075 - 110930, n=78, der letzten 2 Jahre) | |
| Lenovo Yoga Slim 7i Pro 14IAP G7 | |
| Dell Latitude 7420 JW6MH | |
| Durchschnittliche Intel Core i5-1240P (23312 - 70537, n=16) | |
| LG Gram 14Z90Q | |
| Lenovo IdeaPad 5 Pro 14ITL6 | |
| AIDA64 / Memory Read | |
| LG Gram 14Z90Q | |
| Durchschnitt der Klasse Office (10084 - 128030, n=79, der letzten 2 Jahre) | |
| Lenovo Yoga Slim 7i Pro 14IAP G7 | |
| LG Gram 14Z90P-G.AA79G | |
| Durchschnittliche Intel Core i5-1240P (18989 - 70553, n=16) | |
| Dell Latitude 7420 JW6MH | |
| Lenovo IdeaPad 5 Pro 14ITL6 | |
| AIDA64 / Memory Write | |
| LG Gram 14Z90P-G.AA79G | |
| Durchschnitt der Klasse Office (20073 - 119858, n=79, der letzten 2 Jahre) | |
| LG Gram 14Z90Q | |
| Dell Latitude 7420 JW6MH | |
| Lenovo Yoga Slim 7i Pro 14IAP G7 | |
| Durchschnittliche Intel Core i5-1240P (23454 - 62496, n=16) | |
| Lenovo IdeaPad 5 Pro 14ITL6 | |
| AIDA64 / Memory Latency | |
| LG Gram 14Z90Q | |
| Durchschnittliche Intel Core i5-1240P (85.1 - 188.3, n=11) | |
| Durchschnitt der Klasse Office (7.6 - 162.9, n=74, der letzten 2 Jahre) | |
| Dell Latitude 7420 JW6MH | |
| LG Gram 14Z90P-G.AA79G | |
| Lenovo IdeaPad 5 Pro 14ITL6 | |
* ... kleinere Werte sind besser
DPC-Latenzen
| DPC Latencies / LatencyMon - interrupt to process latency (max), Web, Youtube, Prime95 | |
| Lenovo IdeaPad 5 Pro 14ITL6 | |
| LG Gram 14Z90P-G.AA79G | |
| LG Gram 14Z90Q | |
| Dell Latitude 7420 JW6MH | |
| Lenovo Yoga Slim 7i Pro 14IAP G7 | |
* ... kleinere Werte sind besser
Massenspeicher
Sofern die SSD nicht länger gefordert wird (im Dauertest traten starke Leistungsschwankungen auf), macht das verbaute 512-GB-Drive von Samsung einen guten Eindruck. Laut unserem Performance-Rating setzt sich das LG Gram 14 an die Spitze des Testfelds. Die SK Hynix-SSD des Vorgängers zieht im DiskSpd-Benchmark deutlich den Kürzeren.
* ... kleinere Werte sind besser
Dauerleistung Lesen: DiskSpd Read Loop, Queue Depth 8
Grafikkarte
Der 14-Zöller muss ohne dGPU auskommen. Die im Core i5-1240P integrierte Iris Xe Graphics G7 ist angesichts von 80 EUs etwas schwächer aufgestellt als die Iris Xe des alten Core i5-1165G7 (96 EUs), was man sehr schön anhand der GPU-Benchmarks erkennt. Bei den 3DMark liefert der Vorgänger im Schnitt knapp 40 % mehr GPU-Power. Das Lenovo Yoga Slim 7i Pro ist trotz gleicher EU-Anzahl ebenfalls schneller unterwegs (ca. 15 %), was wiederum gegen das Kühlsystem bzw. die Leistungssteuerung des Gram 14 spricht.
| 3DMark 11 Performance | 4423 Punkte | |
| 3DMark Ice Storm Standard Score | 85803 Punkte | |
| 3DMark Cloud Gate Standard Score | 17819 Punkte | |
| 3DMark Fire Strike Score | 3338 Punkte | |
| 3DMark Time Spy Score | 1542 Punkte | |
Hilfe | ||
Gaming Performance
Ähnlich verhält es sich im Gaming-Parcours. Auch hier verliert der 14-Zoll-Spross gegen den Vorgänger und das Lenovo-Pendant, zumal die 3D-Performance schwankt, wie unser Dauertest mit The Witcher 3 belegt (siehe Graph). Generell kann die 80-EU-Version der Iris Xe Graphics G7 nur ältere und/oder anspruchslosere Games mit reduzierten Settings bzw. Auflösungen flüssig darstellen. Moderne Titel sind in den nativen 1.920 x 1.200 Pixeln nur selten spielbar – selbst bei minimalen bis mittleren Optionen.
Witcher 3 FPS-Diagramm
| min. | mittel | hoch | max. | |
|---|---|---|---|---|
| GTA V (2015) | 66.6 | 57.9 | 14.5 | |
| The Witcher 3 (2015) | 46.8 | 30.4 | 23.6 | 12.4 |
| Dota 2 Reborn (2015) | 104 | 67.6 | 33.3 | 30.7 |
| Final Fantasy XV Benchmark (2018) | 31.9 | 16.6 | 16.4 | |
| X-Plane 11.11 (2018) | 38.4 | 25.2 | 24.5 | |
| Far Cry 5 (2018) | 24 | 18 | 14 | |
| Strange Brigade (2018) | 68.6 | 23.3 | 20.4 | |
| F1 22 (2022) | 21 | 20 | 17 |
Emissionen
Geräuschemissionen
Die Geräuschentwicklung hinterlässt gemischte Gefühle. Während das Gram 14 im Kühlmodus Niedrig meist angenehm leise bleibt, kann sich der Lüfter in den Modi Normal (dessen Werte eingetragen sind) und Hoch durchaus bemerkbar machen bzw. tourt schon bei simplen Tätigkeiten wie Video und Web manchmal unnötig auf. 35 bis 36 dB(A) unter Last sind ordentlich hörbar (zumal das Lüftergeräusch relativ hochfrequent ist) und weitaus mehr als beim Vorgänger, der maximal 31 dB(A) erreichte.
Für geräuschempfindliche Nutzer wäre eigentlich der Lautlos-Modus ideal, der seinem Namen alle Ehre macht und die Bezeichnung wirklich verdient. Allerdings sinkt die Performance in diesem Setting derart stark (der Prozessor drosselt nach einer Weile auf 400 MHz), dass das System zum Teil sekundenlang nicht mehr richtig reagiert und beispielsweise Videos einfach zwischendrin stehenbleiben bzw. ruckeln. Hier sollte LG unbedingt noch nachjustieren. Der unbrauchbare Lautlos-Modus ist mithin unser größter Kritikpunkt am Gerät. Ansonsten wäre das Gram 14 eine gute Option für Silent-Fans.
Lautstärkediagramm
| Idle |
| 26 / 27 / 28 dB(A) |
| Last |
| 35 / 36 dB(A) |
![]() | ||
30 dB leise 40 dB(A) deutlich hörbar 50 dB(A) störend |
||
min: | ||
| LG Gram 14Z90Q i5-1240P, Iris Xe G7 80EUs | Lenovo Yoga Slim 7i Pro 14IAP G7 i5-1240P, Iris Xe G7 80EUs | Dell Latitude 7420 JW6MH i5-1145G7, Iris Xe G7 80EUs | Lenovo IdeaPad 5 Pro 14ITL6 i5-1135G7, Iris Xe G7 80EUs | LG Gram 14Z90P-G.AA79G i7-1165G7, Iris Xe G7 96EUs | |
|---|---|---|---|---|---|
| Geräuschentwicklung | 1% | -6% | -5% | 6% | |
| aus / Umgebung * (dB) | 25 | 23.7 5% | 25.3 -1% | 25 -0% | 26 -4% |
| Idle min * (dB) | 26 | 23.7 9% | 25.3 3% | 25 4% | 26 -0% |
| Idle avg * (dB) | 27 | 25.1 7% | 25.3 6% | 27 -0% | 26 4% |
| Idle max * (dB) | 28 | 25.1 10% | 25.3 10% | 29 -4% | 26 7% |
| Last avg * (dB) | 35 | 38.4 -10% | 44.9 -28% | 39 -11% | 30.5 13% |
| Witcher 3 ultra * (dB) | 36 | 38.4 -7% | 38 -6% | ||
| Last max * (dB) | 36 | 39.4 -9% | 44.9 -25% | 42 -17% | 30.5 15% |
* ... kleinere Werte sind besser
Temperatur
Die Temperaturentwicklung würden wir als moderat bezeichnen. Im Idle-Modus verweilt das komplette Chassis unterhalb der 30-°C-Marke, ist also erfreulich kühl. Dass sich einige Stellen im 3D-Betrieb auf mehr als 40 °C erwärmen, ist noch vertretbar bzw. akzeptabel.
(±) Die maximale Temperatur auf der Oberseite ist 43 °C. Im Vergleich liegt der Klassendurchschnitt bei 34.3 °C (von 21.2 bis 62.5 °C für die Klasse Office).
(±) Auf der Unterseite messen wir eine maximalen Wert von 45 °C (im Vergleich zum Durchschnitt von 36.9 °C).
(+) Ohne Last messen wir eine durchschnittliche Temperatur von 25 °C auf der Oberseite. Der Klassendurchschnitt erreicht 29.5 °C.
(±) Beim längeren Spielen von The Witcher 3 erhitzt sich das Gerät durchschnittlich auf 35.9 °C. Der Durchschnitt der Klasse ist derzeit 29.5 °C.
(+) Die Handballen und der Touchpad-Bereich sind mit gemessenen 29 °C kühler als die typische Hauttemperatur und fühlen sich dadurch kühl an.
(±) Die durchschnittliche Handballen-Temperatur anderer getesteter Geräte war 27.5 °C (-1.5 °C).
| LG Gram 14Z90Q i5-1240P, Iris Xe G7 80EUs | Lenovo Yoga Slim 7i Pro 14IAP G7 i5-1240P, Iris Xe G7 80EUs | Dell Latitude 7420 JW6MH i5-1145G7, Iris Xe G7 80EUs | Lenovo IdeaPad 5 Pro 14ITL6 i5-1135G7, Iris Xe G7 80EUs | LG Gram 14Z90P-G.AA79G i7-1165G7, Iris Xe G7 96EUs | |
|---|---|---|---|---|---|
| Hitze | -5% | 7% | -8% | 5% | |
| Last oben max * (°C) | 43 | 42.3 2% | 37.1 14% | 42 2% | 47.2 -10% |
| Last unten max * (°C) | 45 | 52.8 -17% | 38.7 14% | 45 -0% | 45.8 -2% |
| Idle oben max * (°C) | 27 | 27.1 -0% | 27.3 -1% | 34 -26% | 23.8 12% |
| Idle unten max * (°C) | 28 | 29.1 -4% | 28.1 -0% | 30 -7% | 22.9 18% |
* ... kleinere Werte sind besser
Stresstest
Lautsprecher
Das 2.0-System erzeugt einen soliden Klang, der sogar besser als bei den meisten Notebooks ist – egal in welcher Klasse und Größe. Schwächen offenbaren sich wie so häufig beim Bass. Dafür besticht der 14-Zöller durch eine gute Maximallautstärke von 85 dB(A).
LG Gram 14Z90Q Audio Analyse
(+) | Die Lautsprecher können relativ laut spielen (85 dB)
Bass 100 - 315 Hz
(-) | kaum Bass - 22.9% niedriger als der Median
(±) | durchschnittlich lineare Bass-Wiedergabe (11.3% Delta zum Vorgänger)
Mitteltöne 400 - 2000 Hz
(+) | ausgeglichene Mitten, vom Median nur 2.3% abweichend
(+) | lineare Mitten (4.2% Delta zum Vorgänger)
Hochtöne 2 - 16 kHz
(±) | verringerte Hochtöne, 5.7% geringer als der Median
(±) | durchschnittlich lineare Hochtöne (7% Delta zum Vorgänger)
Gesamt im hörbaren Bereich 100 - 16.000 Hz
(±) | hörbarer Bereich ist durchschnittlich linear (15% Abstand zum Median)
Im Vergleich zu allen Geräten derselben Klasse
» 13% aller getesteten Geräte dieser Klasse waren besser, 4% vergleichbar, 83% schlechter
» Das beste Gerät hat einen Delta-Wert von 7%, durchschnittlich ist 21%, das schlechteste Gerät hat 53%
Im Vergleich zu allen Geräten im Test
» 20% aller getesteten Geräte waren besser, 4% vergleichbar, 76% schlechter
» Das beste Gerät hat einen Delta-Wert von 4%, durchschnittlich ist 24%, das schlechteste Gerät hat 134%
Lenovo Yoga Slim 7i Pro 14IAP G7 Audio Analyse
(±) | Mittelmäßig laut spielende Lautsprecher (75.6 dB)
Bass 100 - 315 Hz
(-) | kaum Bass - 19.3% niedriger als der Median
(±) | durchschnittlich lineare Bass-Wiedergabe (10.9% Delta zum Vorgänger)
Mitteltöne 400 - 2000 Hz
(+) | ausgeglichene Mitten, vom Median nur 4.1% abweichend
(+) | lineare Mitten (6.4% Delta zum Vorgänger)
Hochtöne 2 - 16 kHz
(+) | ausgeglichene Hochtöne, vom Median nur 2.3% abweichend
(+) | sehr lineare Hochtöne (6.3% Delta zum Vorgänger)
Gesamt im hörbaren Bereich 100 - 16.000 Hz
(±) | hörbarer Bereich ist durchschnittlich linear (16.9% Abstand zum Median)
Im Vergleich zu allen Geräten derselben Klasse
» 43% aller getesteten Geräte dieser Klasse waren besser, 8% vergleichbar, 49% schlechter
» Das beste Gerät hat einen Delta-Wert von 5%, durchschnittlich ist 18%, das schlechteste Gerät hat 53%
Im Vergleich zu allen Geräten im Test
» 30% aller getesteten Geräte waren besser, 8% vergleichbar, 62% schlechter
» Das beste Gerät hat einen Delta-Wert von 4%, durchschnittlich ist 24%, das schlechteste Gerät hat 134%
Energieverwaltung
Energieaufnahme
Das Gram 14 agiert sehr sparsam. Durchschnittlich 6 Watt Idle-Verbrauch können sich definitiv sehen lassen und unterbieten das Yoga Slim 7i Pro, das sich auch unter Last mehr Energie genehmigt (im Gegenzug ist die Leistung besser).
| Aus / Standby | |
| Idle | |
| Last |
|
Legende:
min: | |
| LG Gram 14Z90Q i5-1240P, Iris Xe G7 80EUs | Lenovo Yoga Slim 7i Pro 14IAP G7 i5-1240P, Iris Xe G7 80EUs | Dell Latitude 7420 JW6MH i5-1145G7, Iris Xe G7 80EUs | Lenovo IdeaPad 5 Pro 14ITL6 i5-1135G7, Iris Xe G7 80EUs | LG Gram 14Z90P-G.AA79G i7-1165G7, Iris Xe G7 96EUs | Durchschnitt der Klasse Office | |
|---|---|---|---|---|---|---|
| Stromverbrauch | -26% | 10% | -19% | 23% | -9% | |
| Idle min * (Watt) | 3 | 5.6 -87% | 2.7 10% | 5 -67% | 2.5 17% | 4.34 ? -45% |
| Idle avg * (Watt) | 6 | 9.3 -55% | 6 -0% | 7 -17% | 5.3 12% | 7.32 ? -22% |
| Idle max * (Watt) | 12 | 9.6 20% | 7.6 37% | 13 -8% | 9.5 21% | 8.56 ? 29% |
| Last avg * (Watt) | 40 | 49 -23% | 37 7% | 41 -2% | 26.2 34% | 42.2 ? -6% |
| Witcher 3 ultra * (Watt) | 36.5 | 38.2 -5% | 33.2 9% | 40.1 -10% | ||
| Last max * (Watt) | 63 | 65.2 -3% | 65 -3% | 68 -8% | 42.8 32% | 64.3 ? -2% |
* ... kleinere Werte sind besser
Energieaufnahme Witcher 3 / Stresstest
Energieaufnahme mit externem Monitor
Akkulaufzeit
Auf der Plus-Seite wäre neben dem geringen Gewicht vor allem die hohe Akkulaufzeit zu nennen. Zwar hält das neue Gram 14 nicht mehr ganz so lange wie der Vorgänger durch, maximal 29 Stunden unter idealen Bedingungen (minimale Leuchtkraft, WLAN deaktiviert, keine Last), sind trotzdem ein herausragender Wert. Selbst wenn man bei mittlerer Helligkeit im Internet surft, schafft der 14-Zöller noch sehr respektable 12 Stunden.
| LG Gram 14Z90Q i5-1240P, Iris Xe G7 80EUs, 72 Wh | Lenovo Yoga Slim 7i Pro 14IAP G7 i5-1240P, Iris Xe G7 80EUs, 61 Wh | Dell Latitude 7420 JW6MH i5-1145G7, Iris Xe G7 80EUs, 63 Wh | Lenovo IdeaPad 5 Pro 14ITL6 i5-1135G7, Iris Xe G7 80EUs, 56.5 Wh | LG Gram 14Z90P-G.AA79G i7-1165G7, Iris Xe G7 96EUs, 72 Wh | Durchschnitt der Klasse Office | |
|---|---|---|---|---|---|---|
| Akkulaufzeit | -46% | -3% | -38% | 40% | -16% | |
| Idle (h) | 28.9 | 23.5 -19% | 48.8 69% | 22.9 ? -21% | ||
| WLAN (h) | 11.9 | 8.6 -28% | 14.1 18% | 7.4 -38% | 14.2 19% | 12.9 ? 8% |
| Last (h) | 2.8 | 1 -64% | 2.6 -7% | 3.7 32% | 1.795 ? -36% | |
| H.264 (h) | 10.7 | 19.2 | 15 ? |
Pro
Contra
Fazit
Bei der 2022er-Edition des Gram 14 handelt es wieder um ein gelungenes 14-Zoll-Notebook.
In den meisten Kategorien ergattert das Leichtgewicht eine gute bis sehr gute Note – seien es nun das Gehäuse, die Eingabegeräte, der Sound oder die Emissionen. Speziell der Non-Glare-Bildschirm, auf den viele Nutzer gewartet haben, stellt trotz ähnlicher Messwerte eine Verbesserung dar.
Einen Schritt zurück geht LG dagegen bei der GPU-Leistung und der Geräuschentwicklung. Obwohl das neue Gram 14 kaum flotter und zum Teil sogar langsamer als der Vorgänger ist (der Core i5-1240P kann sein Potenzial nur bedingt ausspielen), macht der Lüfter stärker auf sich aufmerksam. Der optionale Lautlos-Modus ist aufgrund extremer Leistungseinbrüche leider völlig misslungen.
Das mag sich jetzt nach einiger Kritik anhören, im Vergleich zur Konkurrenz schlägt sich das Gram 14 dennoch sehr wacker. Kaum ein Gerät verbindet so viel Akkulaufzeit mit einem derart transportablen Chassis.
Wer mehr Wert auf Ausdauer als auf Leistung legt, ist hier richtig.
Als Alternative bietet sich das Yoga Slim 7i Pro 14 von Lenovo an.
Preis und Verfügbarkeit
Das LG Gram 14Z90Q ist bei diversen Online-Shops ab rund 1.100 Euro verfügbar.
LG Gram 14Z90Q
- 24.12.2022 v7 (old)
Florian Glaser














































