Test Lenovo IdeaPad 5 Pro 14ITL6 Laptop: Scharfer 14-Zöller

Das IdeaPad 5 Pro wird sowohl mit AMD- als auch mit Intel-Prozessoren verkauft. Während das 2021 getestete Modell 14ACN6 auf einen Ryzen 5 5600U zurückgreift, kommt beim vorliegenden Modell 14ITL6 ein Core i5-1135G7 mit 4 statt 6 Kernen zum Einsatz. Als weitere Ausstattungsmerkmale wären 16 GB DDR4-RAM (verlötet) und eine 512 GB M.2-SSD (austauschbar) zu nennen. Spannend wird es beim Display: Ein 16:10-Monitor mit üppigen 2.880 x 1.800 Pixeln ist im 14-Zoll-Segment sehr ungewöhnlich, zumal Lenovo 100 % sRGB und 400 cd/m² Leuchtkraft verspricht. Ob diese Angaben stimmen, werden wir gleich näher untersuchen. Preislich startet das IdeaPad 5 Pro 14ITL6 ab 800 Euro.
Wir erweitern unser News & Magazin-Team und suchen Verstärkung im Bereich E-Mobility und Science.
Details
Zu den Konkurrenten des Lenovo-Laptops gehören andere 14-Zoll-Geräte, die weniger als 1.000 Euro kosten und höchstens 1,5 kg wiegen, wie beispielsweise das HP Envy 14-eb0252ng oder das Asus ZenBook 14 UM425U. Letztere tauchen jeweils in den Tabellen als Vergleichsnotebooks auf.
mögliche Konkurrenten im Vergleich
Bew. | Datum | Modell | Gewicht | Dicke | Größe | Auflösung | Preis ab |
|---|---|---|---|---|---|---|---|
| 83.8 % v7 (old) | 08 / 2022 | Lenovo IdeaPad 5 Pro 14ITL6 i5-1135G7, Iris Xe G7 80EUs | 1.4 kg | 16 mm | 14.00" | 2880x1800 | |
| 85.5 % v7 (old) | 12 / 2021 | Lenovo IdeaPad 5 Pro 14ACN6 R5 5600U, Vega 7 | 1.5 kg | 17.9 mm | 14.00" | 2240x1400 | |
| 85.6 % v7 (old) | 08 / 2022 | HP Envy 14-eb0252ng i5-1135G7, Iris Xe G7 80EUs | 1.5 kg | 17.9 mm | 14.00" | 1920x1200 | |
| 82.6 % v7 (old) | 08 / 2022 | Asus ZenBook 14 UM425U R7 5700U, Vega 8 | 1.2 kg | 15.3 mm | 14.00" | 1920x1080 |
Da das Chassis äußerlich weitgehend identisch zum bereits getesteten Modell ist, gehen wir in diesem Artikel nicht erneut auf das Gehäuse, die Schnittstellen und die Eingabegeräte ein. Sie können die entsprechenden Infos im Testbericht des IdeaPad 5 Pro 14ACN6 nachlesen.
SD Card Reader
| SD Card Reader - average JPG Copy Test (av. of 3 runs) | |
| Lenovo IdeaPad 5 Pro 14ACN6 (AV PRO V60) | |
| Lenovo IdeaPad 5 Pro 14ITL6 (AV PRO microSD 128 GB V60) | |
| Asus ZenBook 14 UM425U (AV PRO microSD 128 GB V60) | |
| HP Envy 14-eb0252ng | |
| Durchschnitt der Klasse Office (22.4 - 198.5, n=31, der letzten 2 Jahre) | |
Kommunikation
Webcam

Display
Im Gegensatz zum AMD-Bruder bietet die getestete Intel-Variante kein 2,2K-Touch-Panel mit 2.240 x 1.400 Pixeln , sondern ein noch schärferes Display ohne Touch-Funktion mit einer matten und daher deutlich weniger spiegelnden Oberfläche. 2.880 x 1.800 Pixel sind für ein 14-Zoll-Notebook äußerst viel, manche würden sogar sagen zu viel.
| |||||||||||||||||||||||||
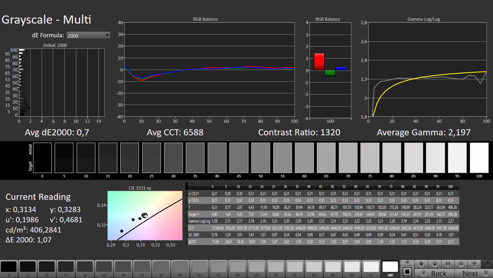
Ausleuchtung: 84 %
Helligkeit Akku: 403 cd/m²
Kontrast: 1343:1 (Schwarzwert: 0.3 cd/m²)
ΔE ColorChecker Calman: 2.74 | ∀{0.5-29.43 Ø4.79}
calibrated: 1.77
ΔE Greyscale Calman: 3.6 | ∀{0.09-98 Ø5}
75% AdobeRGB 1998 (Argyll 3D)
99.4% sRGB (Argyll 3D)
74% Display P3 (Argyll 3D)
Gamma: 2.199
CCT: 6547 K
| Lenovo IdeaPad 5 Pro 14ITL6 IPS, 2880x1800, 14" | Lenovo IdeaPad 5 Pro 14ACN6 LEN140WUXGA+, IPS, 2240x1400, 14" | HP Envy 14-eb0252ng BOE0929, IPS, 1920x1200, 14" | Asus ZenBook 14 UM425U CMN N140HCE-EN2, IPS, 1920x1080, 14" | |
|---|---|---|---|---|
| Display | -1% | -4% | -10% | |
| Display P3 Coverage (%) | 74 | 72.2 -2% | 69.3 -6% | 63.8 -14% |
| sRGB Coverage (%) | 99.4 | 99.5 0% | 98.5 -1% | 96.1 -3% |
| AdobeRGB 1998 Coverage (%) | 75 | 74.3 -1% | 70.4 -6% | 65.9 -12% |
| Response Times | -112% | -49% | -15% | |
| Response Time Grey 50% / Grey 80% * (ms) | 29.4 ? | 45.2 ? -54% | 44.9 ? -53% | 32.9 ? -12% |
| Response Time Black / White * (ms) | 13.1 ? | 35.2 ? -169% | 18.9 ? -44% | 15.4 ? -18% |
| PWM Frequency (Hz) | ||||
| Bildschirm | -4% | 10% | -5% | |
| Helligkeit Bildmitte (cd/m²) | 403 | 310.6 -23% | 451 12% | 466 16% |
| Brightness (cd/m²) | 372 | 302 -19% | 439 18% | 434 17% |
| Brightness Distribution (%) | 84 | 92 10% | 92 10% | 86 2% |
| Schwarzwert * (cd/m²) | 0.3 | 0.22 27% | 0.31 -3% | 0.39 -30% |
| Kontrast (:1) | 1343 | 1412 5% | 1455 8% | 1195 -11% |
| Delta E Colorchecker * | 2.74 | 2.67 3% | 2.46 10% | 2.76 -1% |
| Colorchecker dE 2000 max. * | 4.49 | 4.54 -1% | 4.24 6% | 7.97 -78% |
| Colorchecker dE 2000 calibrated * | 1.77 | 2.33 -32% | 1.32 25% | 0.56 68% |
| Delta E Graustufen * | 3.6 | 3.7 -3% | 3.5 3% | 4.7 -31% |
| Gamma | 2.199 100% | 2.12 104% | 2.24 98% | 2.128 103% |
| CCT | 6547 99% | 6398 102% | 7289 89% | 7284 89% |
| Durchschnitt gesamt (Programm / Settings) | -39% /
-19% | -14% /
-2% | -10% /
-8% |
* ... kleinere Werte sind besser
Doch Pixeldichte hin oder her. Die Messwerte des 16:10-Screens wissen größtenteils zu überzeugen. Angefangen mit der Leuchtkraft, die zwar nicht ganz die angekündigten 400 cd/m² erreicht, mit durchschnittlich 372 cd/m² aber dennoch an den meisten 14-Zoll-Laptops vorbeizieht und das Touch-Pendant klar schlägt (nur 302 cd/m²). Auch beim Thema Reaktionszeit hat die Non-Touch-Version merklich die Nase vorn (13 bis 29 ms anstelle von 35 bis 45 ms).
Die Kontrast-Unterschiede halten sich derweil in Grenzen. Aufgrund des höheren Schwarzwerts (0,3 vs. 0,22 cd/m²) fällt die Intel-Version hier etwas zurück, wobei 1.343:1 aus IPS-Sicht immer noch respektabel sind. Lob gibt es speziell für die Farbgenauigkeit: Bereits im Auslieferungszustand bewegen sich die entsprechenden Werte im Idealbereich. Am Farbraum können wir auch kaum etwas bemängeln. 99 % sRGB, 75 % AdobeRGB und 74 % P3 dürften die meisten Käufer zufriedenstellen.
Reaktionszeiten (Response Times) des Displays
| ↔ Reaktionszeiten Schwarz zu Weiß | ||
|---|---|---|
| 13.1 ms ... steigend ↗ und fallend ↘ kombiniert | ↗ 4.5 ms steigend | |
| ↘ 8.6 ms fallend | ||
| Die gemessenen Reaktionszeiten sind gut, für anspruchsvolle Spieler könnten der Bildschirm jedoch zu langsam sein. Im Vergleich rangierten die bei uns getesteten Geräte von 0.1 (Minimum) zu 240 (Maximum) ms. » 33 % aller Screens waren schneller als der getestete. Daher sind die gemessenen Reaktionszeiten besser als der Durchschnitt aller vermessenen Geräte (20.3 ms). | ||
| ↔ Reaktionszeiten 50% Grau zu 80% Grau | ||
| 29.4 ms ... steigend ↗ und fallend ↘ kombiniert | ↗ 13.6 ms steigend | |
| ↘ 15.8 ms fallend | ||
| Die gemessenen Reaktionszeiten sind mittelmäßig und dadurch für Spieler eventuell zu langsam. Im Vergleich rangierten die bei uns getesteten Geräte von 0.165 (Minimum) zu 636 (Maximum) ms. » 38 % aller Screens waren schneller als der getestete. Daher sind die gemessenen Reaktionszeiten durchschnittlich (31.7 ms). | ||
Bildschirm-Flackern / PWM (Pulse-Width Modulation)
| Flackern / PWM nicht festgestellt | |||
Im Vergleich: 53 % aller getesteten Geräte nutzten kein PWM um die Helligkeit zu reduzieren. Wenn PWM eingesetzt wurde, dann bei einer Frequenz von durchschnittlich 8152 (Minimum 5, Maximum 343500) Hz. | |||
Leistung
Mit 16 GB RAM, einer NVMe-SSD und einem Quad-Core-Prozessor ist das IdeaPad 5 Pro zur (unteren) Mittelklasse der Allround-Notebooks zu zählen. Eng wird es vor allem bei 3D-Anwendungen, da eine dedizierte Grafikkarte fehlt und der in der CPU integrierten Iris Xe Graphics G7 mit 80 EUs schnell die Puste ausgeht.
Testbedingungen
Die vorinstallierte Software Lenovo Vantage gibt Nutzern die Möglichkeit, an mehreren Stellschrauben zu drehen und so das System zu beeinflussen. Beim Menüpunkt „Energie und Leistung“ (siehe Screenshot) kann man zwischen drei Profilen wählen. Unsere Tests wurden mit dem standardmäßig aktiven Modus „Intelligente Kühlung“ durchgeführt. Wer mehr Power möchte, greift zum Setting „Höchstleistung“, wer es leiser respektive mobiler mag, verwendet den „Akkumodus“.
Prozessor
Der Core i5-1135G7 ist ein extrem beliebtes Vierkern-Modell aus Intels Tiger-Lake-Generation, der sich für besonders schlanke und leichte Notebooks eignet und per Hyper-Threading bis zu 8 Threads parallel bearbeiten kann. Im Vergleich zum Ryzen 5 5600U des AMD-Pendants tut sich der Intel-Spross allerdings sehr schwer. Laut unserem Performance-Rating liegt der Ryzen 5 insgesamt rund 30 % vorn – kein Wunder, muss der i5-1135G7 doch auch mit weniger Kernen vorliebnehmen. Wie sich das System bei längerer Belastung verhält, haben wir anhand des Cinebench R15 überprüft. Hier gab es abseits kleinerer Leistungsschwankungen keine Auffälligkeiten.
Cinebench R15 Multi Dauertest
* ... kleinere Werte sind besser
AIDA64: FP32 Ray-Trace | FPU Julia | CPU SHA3 | CPU Queen | FPU SinJulia | FPU Mandel | CPU AES | CPU ZLib | FP64 Ray-Trace | CPU PhotoWorxx
| Performance Rating | |
| Lenovo IdeaPad 5 Pro 14ACN6 | |
| Durchschnitt der Klasse Office | |
| Asus ZenBook 14 UM425U | |
| Lenovo IdeaPad 5 Pro 14ITL6 | |
| Durchschnittliche Intel Core i5-1135G7 | |
| HP Envy 14-eb0252ng | |
| AIDA64 / FP32 Ray-Trace | |
| Durchschnitt der Klasse Office (1685 - 31245, n=78, der letzten 2 Jahre) | |
| Lenovo IdeaPad 5 Pro 14ACN6 | |
| Asus ZenBook 14 UM425U | |
| Lenovo IdeaPad 5 Pro 14ITL6 | |
| HP Envy 14-eb0252ng | |
| Durchschnittliche Intel Core i5-1135G7 (4313 - 7952, n=45) | |
| AIDA64 / FPU Julia | |
| Lenovo IdeaPad 5 Pro 14ACN6 | |
| Asus ZenBook 14 UM425U | |
| Durchschnitt der Klasse Office (8977 - 125394, n=78, der letzten 2 Jahre) | |
| Lenovo IdeaPad 5 Pro 14ITL6 | |
| HP Envy 14-eb0252ng | |
| Durchschnittliche Intel Core i5-1135G7 (19402 - 32283, n=45) | |
| AIDA64 / CPU SHA3 | |
| Durchschnitt der Klasse Office (590 - 5755, n=78, der letzten 2 Jahre) | |
| Lenovo IdeaPad 5 Pro 14ACN6 | |
| Lenovo IdeaPad 5 Pro 14ITL6 | |
| Asus ZenBook 14 UM425U | |
| HP Envy 14-eb0252ng | |
| Durchschnittliche Intel Core i5-1135G7 (1316 - 2172, n=45) | |
| AIDA64 / CPU Queen | |
| Asus ZenBook 14 UM425U | |
| Lenovo IdeaPad 5 Pro 14ACN6 | |
| Durchschnitt der Klasse Office (20636 - 115197, n=78, der letzten 2 Jahre) | |
| Lenovo IdeaPad 5 Pro 14ITL6 | |
| Durchschnittliche Intel Core i5-1135G7 (39000 - 46951, n=45) | |
| HP Envy 14-eb0252ng | |
| AIDA64 / FPU SinJulia | |
| Asus ZenBook 14 UM425U | |
| Lenovo IdeaPad 5 Pro 14ACN6 | |
| Durchschnitt der Klasse Office (1064 - 18321, n=78, der letzten 2 Jahre) | |
| Lenovo IdeaPad 5 Pro 14ITL6 | |
| Durchschnittliche Intel Core i5-1135G7 (3497 - 4445, n=45) | |
| HP Envy 14-eb0252ng | |
| AIDA64 / FPU Mandel | |
| Lenovo IdeaPad 5 Pro 14ACN6 | |
| Asus ZenBook 14 UM425U | |
| Durchschnitt der Klasse Office (4415 - 66922, n=78, der letzten 2 Jahre) | |
| Lenovo IdeaPad 5 Pro 14ITL6 | |
| HP Envy 14-eb0252ng | |
| Durchschnittliche Intel Core i5-1135G7 (12569 - 19635, n=45) | |
| AIDA64 / CPU AES | |
| Lenovo IdeaPad 5 Pro 14ACN6 | |
| Lenovo IdeaPad 5 Pro 14ITL6 | |
| Durchschnittliche Intel Core i5-1135G7 (28988 - 67977, n=45) | |
| Asus ZenBook 14 UM425U | |
| Durchschnitt der Klasse Office (7254 - 155900, n=78, der letzten 2 Jahre) | |
| HP Envy 14-eb0252ng | |
| AIDA64 / CPU ZLib | |
| Durchschnitt der Klasse Office (138.6 - 1366, n=78, der letzten 2 Jahre) | |
| Asus ZenBook 14 UM425U | |
| Lenovo IdeaPad 5 Pro 14ACN6 | |
| Lenovo IdeaPad 5 Pro 14ITL6 | |
| HP Envy 14-eb0252ng | |
| Durchschnittliche Intel Core i5-1135G7 (265 - 373, n=51) | |
| AIDA64 / FP64 Ray-Trace | |
| Durchschnitt der Klasse Office (859 - 17834, n=78, der letzten 2 Jahre) | |
| Asus ZenBook 14 UM425U | |
| Lenovo IdeaPad 5 Pro 14ACN6 | |
| Lenovo IdeaPad 5 Pro 14ITL6 | |
| HP Envy 14-eb0252ng | |
| Durchschnittliche Intel Core i5-1135G7 (2226 - 4291, n=45) | |
| AIDA64 / CPU PhotoWorxx | |
| Durchschnitt der Klasse Office (11090 - 65229, n=78, der letzten 2 Jahre) | |
| Durchschnittliche Intel Core i5-1135G7 (9004 - 45366, n=45) | |
| Asus ZenBook 14 UM425U | |
| Lenovo IdeaPad 5 Pro 14ITL6 | |
| HP Envy 14-eb0252ng | |
| Lenovo IdeaPad 5 Pro 14ACN6 | |
System Performance
Auch die Systemleistung entpuppt sich als recht unspektakulär. 4.705 Punkte beim PCMark 10 sorgen für einen mittleren Platz im Testfeld. Subjektiv reagiert der Rechner so flott, wie man es von einem aktuellen Gerät erwartet.
| PCMark 10 / Score | |
| Durchschnitt der Klasse Office (2823 - 7735, n=65, der letzten 2 Jahre) | |
| Lenovo IdeaPad 5 Pro 14ACN6 | |
| Asus ZenBook 14 UM425U | |
| Lenovo IdeaPad 5 Pro 14ITL6 | |
| HP Envy 14-eb0252ng | |
| Durchschnittliche Intel Core i5-1135G7, Intel Iris Xe Graphics G7 80EUs (4026 - 4952, n=53) | |
| PCMark 10 / Essentials | |
| Lenovo IdeaPad 5 Pro 14ACN6 | |
| Durchschnitt der Klasse Office (6567 - 11594, n=65, der letzten 2 Jahre) | |
| Durchschnittliche Intel Core i5-1135G7, Intel Iris Xe Graphics G7 80EUs (8149 - 9917, n=53) | |
| Asus ZenBook 14 UM425U | |
| HP Envy 14-eb0252ng | |
| Lenovo IdeaPad 5 Pro 14ITL6 | |
| PCMark 10 / Productivity | |
| Durchschnitt der Klasse Office (3041 - 10925, n=65, der letzten 2 Jahre) | |
| Asus ZenBook 14 UM425U | |
| Lenovo IdeaPad 5 Pro 14ACN6 | |
| Lenovo IdeaPad 5 Pro 14ITL6 | |
| Durchschnittliche Intel Core i5-1135G7, Intel Iris Xe Graphics G7 80EUs (5040 - 6619, n=53) | |
| HP Envy 14-eb0252ng | |
| PCMark 10 / Digital Content Creation | |
| Durchschnitt der Klasse Office (2049 - 12660, n=65, der letzten 2 Jahre) | |
| Lenovo IdeaPad 5 Pro 14ACN6 | |
| Asus ZenBook 14 UM425U | |
| Lenovo IdeaPad 5 Pro 14ITL6 | |
| HP Envy 14-eb0252ng | |
| Durchschnittliche Intel Core i5-1135G7, Intel Iris Xe Graphics G7 80EUs (3548 - 5255, n=53) | |
| PCMark 10 Score | 4705 Punkte | |
Hilfe | ||
| AIDA64 / Memory Copy | |
| Durchschnitt der Klasse Office (20075 - 109192, n=78, der letzten 2 Jahre) | |
| Durchschnittliche Intel Core i5-1135G7 (17443 - 63889, n=45) | |
| Asus ZenBook 14 UM425U | |
| Lenovo IdeaPad 5 Pro 14ACN6 | |
| Lenovo IdeaPad 5 Pro 14ITL6 | |
| HP Envy 14-eb0252ng | |
| AIDA64 / Memory Read | |
| Durchschnitt der Klasse Office (10084 - 128030, n=78, der letzten 2 Jahre) | |
| Asus ZenBook 14 UM425U | |
| Lenovo IdeaPad 5 Pro 14ITL6 | |
| Durchschnittliche Intel Core i5-1135G7 (19716 - 63705, n=45) | |
| Lenovo IdeaPad 5 Pro 14ACN6 | |
| HP Envy 14-eb0252ng | |
| AIDA64 / Memory Write | |
| Durchschnitt der Klasse Office (20073 - 117989, n=78, der letzten 2 Jahre) | |
| Lenovo IdeaPad 5 Pro 14ITL6 | |
| Durchschnittliche Intel Core i5-1135G7 (18722 - 66778, n=45) | |
| HP Envy 14-eb0252ng | |
| Asus ZenBook 14 UM425U | |
| Lenovo IdeaPad 5 Pro 14ACN6 | |
| AIDA64 / Memory Latency | |
| Asus ZenBook 14 UM425U | |
| Durchschnitt der Klasse Office (7.6 - 162.9, n=74, der letzten 2 Jahre) | |
| Lenovo IdeaPad 5 Pro 14ACN6 | |
| Lenovo IdeaPad 5 Pro 14ITL6 | |
| HP Envy 14-eb0252ng | |
| Durchschnittliche Intel Core i5-1135G7 (68.3 - 107, n=51) | |
* ... kleinere Werte sind besser
DPC-Latenzen
| DPC Latencies / LatencyMon - interrupt to process latency (max), Web, Youtube, Prime95 | |
| HP Envy 14-eb0252ng | |
| Lenovo IdeaPad 5 Pro 14ITL6 | |
| Asus ZenBook 14 UM425U | |
| Lenovo IdeaPad 5 Pro 14ACN6 | |
* ... kleinere Werte sind besser
Massenspeicher
Als Massenspeicher verbaut Lenovo eine 512-GB-SSD von WDC. Die SN730 kann es dabei locker mit den SK Hynix- bzw. Toshiba-Drives der Konkurrenz aufnehmen. Allerdings zeigte sich im Dauertest mit Diskspd, dass die Performance nach einer Weile größeren Schwankungen unterliegt. Das sollte im Optimalfall nicht passieren.
* ... kleinere Werte sind besser
Dauerleistung Lesen: DiskSpd Read Loop, Queue Depth 8
Grafikkarte
Während die 96-EU-Version der Iris Xe Graphics G7 (ist zum Teil bei stärkeren Tiger-Lake-Modellen an Bord) für Gelegenheitsspieler durchaus reichen kann, bringt die 80-EU-Variante des Core i5-1135G7 keine besonders gute Leistung auf das Parkett. Im GPU-Parcours liefert sowohl die RX Vega 7 als auch die RX Vega 8 von AMD etwas mehr Performance.
| 3DMark 11 Performance | 5194 Punkte | |
| 3DMark Ice Storm Standard Score | 59420 Punkte | |
| 3DMark Cloud Gate Standard Score | 14436 Punkte | |
| 3DMark Fire Strike Score | 2927 Punkte | |
| 3DMark Time Spy Score | 1258 Punkte | |
Hilfe | ||
Gaming Performance
Die magere Grafikleistung wird speziell bei den Gaming-Tests deutlich. Zwar sind ältere Titel spielbar, jedoch meist nicht in der nativen Auflösung (höchstens Full-HD) und nicht mit (sehr) hohen Settings. Aktuelle Titel erzeugen oft unabhängig von der Auflösung und der Detailstufe kein flüssiges Bild (z. B. Tiny Tina's Wonderlands & The Quarry). Als Gaming-Plattform wurde das IdeaPad 5 Pro allerdings auch nicht konzipiert.
| The Witcher 3 | |
| 1024x768 Low Graphics & Postprocessing | |
| Durchschnitt der Klasse Office (16 - 177, n=20, der letzten 2 Jahre) | |
| Lenovo IdeaPad 5 Pro 14ACN6 | |
| HP Envy 14-eb0252ng | |
| Durchschnittliche Intel Iris Xe Graphics G7 80EUs (30.2 - 97.4, n=101) | |
| Asus ZenBook 14 UM425U | |
| Lenovo IdeaPad 5 Pro 14ITL6 | |
| 1366x768 Medium Graphics & Postprocessing | |
| Durchschnitt der Klasse Office (12 - 106.3, n=20, der letzten 2 Jahre) | |
| Durchschnittliche Intel Iris Xe Graphics G7 80EUs (21.8 - 56.9, n=103) | |
| HP Envy 14-eb0252ng | |
| Asus ZenBook 14 UM425U | |
| Lenovo IdeaPad 5 Pro 14ITL6 | |
| 1920x1080 High Graphics & Postprocessing (Nvidia HairWorks Off) | |
| Durchschnitt der Klasse Office (8.38 - 57.7, n=19, der letzten 2 Jahre) | |
| Lenovo IdeaPad 5 Pro 14ACN6 | |
| Durchschnittliche Intel Iris Xe Graphics G7 80EUs (9.3 - 33.5, n=101) | |
| HP Envy 14-eb0252ng | |
| Asus ZenBook 14 UM425U | |
| Lenovo IdeaPad 5 Pro 14ITL6 | |
Im 60-Minuten-Test mit The Witcher 3 traten wie erwartet keine Performance-Einbrüche oder ähnliches auf.
Witcher 3 FPS-Diagramm
| min. | mittel | hoch | max. | |
|---|---|---|---|---|
| GTA V (2015) | 64.4 | 52.2 | 15.2 | |
| The Witcher 3 (2015) | 58.3 | 37.6 | 17.6 | 10.4 |
| Dota 2 Reborn (2015) | 102.5 | 63.1 | 42.2 | 38.3 |
| Final Fantasy XV Benchmark (2018) | 27.9 | 14.4 | 9.9 | |
| X-Plane 11.11 (2018) | 36.9 | 30.4 | 27.3 | |
| Strange Brigade (2018) | 60.8 | 24 | 20.3 | |
| Tiny Tina's Wonderlands (2022) | 19.8 | 16.1 | 10.5 | |
| Vampire Bloodhunt (2022) | 39.4 | 24.4 | 23 | |
| The Quarry (2022) | 11.9 | 8.9 | 7.1 |
Emissionen
Geräuschemissionen
Kritik muss der 14-Zöller vor allem für die Lüftersteuerung einstecken. Selbst wenn man den Akkumodus wählt, ist der Lüfter im Idle-Betrieb und bei simplen Tätigkeiten wie Office, Video und Web häufig aktiv, was manche Nutzer stören könnte, zumal die Kühlung stellenweise unnötig auftourt. Unter Last wird das Gerät generell deutlich hörbar. 38 bis 42 dB(A) sind etwas mehr, als man es sonst von Notebooks mit diesem Prozessor kennt.
Lautstärkediagramm
| Idle |
| 25 / 27 / 29 dB(A) |
| Last |
| 39 / 42 dB(A) |
![]() | ||
30 dB leise 40 dB(A) deutlich hörbar 50 dB(A) störend |
||
min: | ||
| Lenovo IdeaPad 5 Pro 14ITL6 i5-1135G7, Iris Xe G7 80EUs | Lenovo IdeaPad 5 Pro 14ACN6 R5 5600U, Vega 7 | HP Envy 14-eb0252ng i5-1135G7, Iris Xe G7 80EUs | Asus ZenBook 14 UM425U R7 5700U, Vega 8 | |
|---|---|---|---|---|
| Geräuschentwicklung | 8% | 4% | -8% | |
| aus / Umgebung * (dB) | 25 | 24.6 2% | 26 -4% | 26 -4% |
| Idle min * (dB) | 25 | 24.6 2% | 26 -4% | 26 -4% |
| Idle avg * (dB) | 27 | 24.6 9% | 27 -0% | 27 -0% |
| Idle max * (dB) | 29 | 25.1 13% | 31 -7% | 32 -10% |
| Last avg * (dB) | 39 | 29.6 24% | 32 18% | 45 -15% |
| Witcher 3 ultra * (dB) | 38 | 31.9 16% | 33 13% | 43 -13% |
| Last max * (dB) | 42 | 45.5 -8% | 36 14% | 47 -12% |
* ... kleinere Werte sind besser
Temperatur
Wenig zu meckern gibt es bei den Temperaturen. Nach einer Stunde Stresstest mit den Tools Furmark und Prime95 erwärmte sich die Oberseite des Chassis auf maximal 42 °C und die Unterseite auf maximal 45 °C – diese Werte würden wir als akzeptabel bezeichnen. Im Idle-Modus bleibt ein Großteil des Chassis kühler als 30 °C.
(±) Die maximale Temperatur auf der Oberseite ist 42 °C. Im Vergleich liegt der Klassendurchschnitt bei 34.3 °C (von 21.2 bis 62.5 °C für die Klasse Office).
(±) Auf der Unterseite messen wir eine maximalen Wert von 45 °C (im Vergleich zum Durchschnitt von 36.8 °C).
(+) Ohne Last messen wir eine durchschnittliche Temperatur von 29.4 °C auf der Oberseite. Der Klassendurchschnitt erreicht 29.5 °C.
(±) Beim längeren Spielen von The Witcher 3 erhitzt sich das Gerät durchschnittlich auf 37.9 °C. Der Durchschnitt der Klasse ist derzeit 29.5 °C.
(+) Die Handballen und der Touchpad-Bereich erreichen maximal 35 °C und damit die typische Hauttemperatur und fühlen sich daher nicht heiß an.
(-) Die durchschnittliche Handballen-Temperatur anderer getesteter Geräte war 27.6 °C (-7.4 °C).
| Lenovo IdeaPad 5 Pro 14ITL6 i5-1135G7, Iris Xe G7 80EUs | Lenovo IdeaPad 5 Pro 14ACN6 R5 5600U, Vega 7 | HP Envy 14-eb0252ng i5-1135G7, Iris Xe G7 80EUs | Asus ZenBook 14 UM425U R7 5700U, Vega 8 | |
|---|---|---|---|---|
| Hitze | 15% | 5% | -1% | |
| Last oben max * (°C) | 42 | 35.8 15% | 41 2% | 46 -10% |
| Last unten max * (°C) | 45 | 42.8 5% | 43 4% | 49 -9% |
| Idle oben max * (°C) | 34 | 25 26% | 29 15% | 30 12% |
| Idle unten max * (°C) | 30 | 26.2 13% | 30 -0% | 29 3% |
* ... kleinere Werte sind besser
Stresstest
Lautsprecher
Lenovo IdeaPad 5 Pro 14ITL6 Audio Analyse
(±) | Mittelmäßig laut spielende Lautsprecher (80 dB)
Bass 100 - 315 Hz
(-) | kaum Bass - 18.2% niedriger als der Median
(±) | durchschnittlich lineare Bass-Wiedergabe (10% Delta zum Vorgänger)
Mitteltöne 400 - 2000 Hz
(±) | zu hohe Mitten, vom Median 6% abweichend
(+) | lineare Mitten (3.8% Delta zum Vorgänger)
Hochtöne 2 - 16 kHz
(+) | ausgeglichene Hochtöne, vom Median nur 2.2% abweichend
(+) | sehr lineare Hochtöne (4.7% Delta zum Vorgänger)
Gesamt im hörbaren Bereich 100 - 16.000 Hz
(±) | hörbarer Bereich ist durchschnittlich linear (18.2% Abstand zum Median)
Im Vergleich zu allen Geräten derselben Klasse
» 30% aller getesteten Geräte dieser Klasse waren besser, 6% vergleichbar, 63% schlechter
» Das beste Gerät hat einen Delta-Wert von 7%, durchschnittlich ist 21%, das schlechteste Gerät hat 53%
Im Vergleich zu allen Geräten im Test
» 38% aller getesteten Geräte waren besser, 8% vergleichbar, 55% schlechter
» Das beste Gerät hat einen Delta-Wert von 4%, durchschnittlich ist 24%, das schlechteste Gerät hat 134%
HP Envy 14-eb0252ng Audio Analyse
(+) | Die Lautsprecher können relativ laut spielen (84 dB)
Bass 100 - 315 Hz
(±) | abgesenkter Bass - 13.9% geringer als der Median
(±) | durchschnittlich lineare Bass-Wiedergabe (12.1% Delta zum Vorgänger)
Mitteltöne 400 - 2000 Hz
(±) | zu hohe Mitten, vom Median 6.8% abweichend
(+) | lineare Mitten (2.9% Delta zum Vorgänger)
Hochtöne 2 - 16 kHz
(+) | ausgeglichene Hochtöne, vom Median nur 3.5% abweichend
(+) | sehr lineare Hochtöne (3.8% Delta zum Vorgänger)
Gesamt im hörbaren Bereich 100 - 16.000 Hz
(+) | hörbarer Bereich ist sehr linear (14.7% Abstand zum Median
Im Vergleich zu allen Geräten derselben Klasse
» 32% aller getesteten Geräte dieser Klasse waren besser, 4% vergleichbar, 64% schlechter
» Das beste Gerät hat einen Delta-Wert von 5%, durchschnittlich ist 17%, das schlechteste Gerät hat 45%
Im Vergleich zu allen Geräten im Test
» 18% aller getesteten Geräte waren besser, 4% vergleichbar, 77% schlechter
» Das beste Gerät hat einen Delta-Wert von 4%, durchschnittlich ist 24%, das schlechteste Gerät hat 134%
Energieverwaltung
Energieaufnahme
Trotz der üppigen Displayauflösung geht das IdeaPad 5 Pro recht sparsam mit Energie um. Rund 7 Watt Idle-Verbrauch entsprechen dem bisher ermittelten Durchschnitt für den Core i5-1135G7 bzw. die Iris Xe Graphics G7 80 EU. Unter Last genehmigt sich der 14-Zöller bis zu 68 Watt, was ebenfalls noch im Rahmen liegt (das mitgelieferte Netzteil ist 65 Watt stark).
| Aus / Standby | |
| Idle | |
| Last |
|
Legende:
min: | |
| Lenovo IdeaPad 5 Pro 14ITL6 i5-1135G7, Iris Xe G7 80EUs | Lenovo IdeaPad 5 Pro 14ACN6 R5 5600U, Vega 7 | HP Envy 14-eb0252ng i5-1135G7, Iris Xe G7 80EUs | Asus ZenBook 14 UM425U R7 5700U, Vega 8 | Durchschnittliche Intel Iris Xe Graphics G7 80EUs | Durchschnitt der Klasse Office | |
|---|---|---|---|---|---|---|
| Stromverbrauch | 10% | 12% | 0% | 11% | 8% | |
| Idle min * (Watt) | 5 | 3.8 24% | 4 20% | 6 -20% | 4.47 ? 11% | 4.54 ? 9% |
| Idle avg * (Watt) | 7 | 6.9 1% | 5 29% | 8 -14% | 7.37 ? -5% | 7.44 ? -6% |
| Idle max * (Watt) | 13 | 8.8 32% | 9 31% | 10 23% | 9.24 ? 29% | 8.84 ? 32% |
| Last avg * (Watt) | 41 | 42.2 -3% | 35 15% | 41 -0% | 36.6 ? 11% | 41.3 ? -1% |
| Witcher 3 ultra * (Watt) | 40.1 | 37.7 6% | 38.7 3% | 43.6 -9% | ||
| Last max * (Watt) | 68 | 68.4 -1% | 87 -28% | 53 22% | 61.7 ? 9% | 62.5 ? 8% |
* ... kleinere Werte sind besser
Energieaufnahme Witcher 3 / Stresstest
Energieaufnahme mit externem Monitor
Akkulaufzeit
Nicht ganz so toll sieht es bei der Akkulaufzeit aus. Zwar sind knapp 7,5 Stunden Internetsurfen per WLAN (Displayhelligkeit auf 150 cd/m²) definitiv kein schlechter Wert, allerdings schaffen das HP Envy 14 und das Asus ZenBook 14 deutlich mehr. Das hängt unter anderem mit deren größeren Akkus zusammen. Statt 56,5 Wh bieten letztere Notebooks 63,3 respektive 67 Wh. Hier sollte Lenovo noch nachlegen.
| Lenovo IdeaPad 5 Pro 14ITL6 i5-1135G7, Iris Xe G7 80EUs, 56.5 Wh | Lenovo IdeaPad 5 Pro 14ACN6 R5 5600U, Vega 7, 57 Wh | HP Envy 14-eb0252ng i5-1135G7, Iris Xe G7 80EUs, 63.3 Wh | Asus ZenBook 14 UM425U R7 5700U, Vega 8, 67 Wh | Durchschnitt der Klasse Office | |
|---|---|---|---|---|---|
| Akkulaufzeit | 24% | 78% | 97% | 66% | |
| WLAN (h) | 7.4 | 9.2 24% | 13.2 78% | 14.6 97% | 12.3 ? 66% |
| Idle (h) | 21.6 | 22.3 ? | |||
| Last (h) | 1 | 1.851 ? |
Pro
Contra
Fazit
Wenn man die bescheidene Webcam, das relativ klapprige Touchpad und das suboptimale Lüfterverhalten (die Kühlung ist über weite Strecken hörbar) ausklammert, macht das IdeaPad 5 Pro 14ITL6 eine gute Figur.
Als Alleinstellungsmerkmal erweist sich vor allem das hochauflösende 16:10-Display mit 2.880 x 1.800 Pixeln.
Aufgrund der geringen Abmessungen und des passablen Gewichts ist der 14-Zöller zudem sehr transportabel und eignet sich fast perfekt als mobiler Begleiter.
Jedoch gibt es im Preisbereich unter 1.000 Euro inzwischen auch jede Menge Konkurrenz, die ähnlich gut oder sogar noch besser abschneidet. Das kürzlich getestete HP Envy 14-eb0252ng, das ebenfalls einen Core i5-1135G7 enthält, punktet zum Beispiel mit einer höheren Akkulaufzeit, einer angenehmeren Lüftersteuerung und noch mehr Displayleuchtkraft.
Wer es besonders leicht bzw. flach mag, sollte sich indes das Asus ZenBook 14 einmal näher ansehen. Alle drei Notebooks sind für Nutzer gedacht, die – abseits der 3D-Leistung – ein allround-taugliches Gerät mit kleinem Formfaktor suchen.
Preis und Verfügbarkeit
Das IdeaPad 5 Pro 14ITL6 mit Core i5-1135G7, 16 GB RAM und 512 GB SSD ist ab 799 Euro bei einigen Online-Shops verfügbar.
Lenovo IdeaPad 5 Pro 14ITL6
- 28.08.2022 v7 (old)
Florian Glaser



















































