Test Asus ZenBook 14 UM425U Laptop: Duell AMD gegen Intel

Nachdem wir das ZenBook 14 vor einiger Zeit schon mit dem Core i7-1165G7 aus Intels Tiger-Lake-Generation unter die Lupe genommen haben, stand jetzt eine Version auf Basis des vielversprechenden Ryzen 7 5700U von AMD auf dem Prüfstand. Die getestete Version UM425UA, welche aktuell etwas mehr als 600 Euro kostet, verfügt zwar nur über 8 GB RAM, 8 CPU-Kerne können sich bei einem derart kompakten Chassis aber definitiv sehen lassen. Zu den weiteren Merkmalen gehören eine 512 GB große NVMe-SSD und ein mattes Full-HD-Panel.
Als Konkurrenten drängen sich andere 14-Zoll-Notebooks im Preisbereich unter 1.000 Euro wie das HP Envy 14-eb0252ng und das Lenovo IdeaPad 5 Pro 14ACN6 auf, die allerdings ein 16:10- und kein 16:9-Panel enthalten.
mögliche Konkurrenten im Vergleich
Bew. | Datum | Modell | Gewicht | Dicke | Größe | Auflösung | Preis ab |
|---|---|---|---|---|---|---|---|
| 82.6 % v7 (old) | 08 / 2022 | Asus ZenBook 14 UM425U R7 5700U, Vega 8 | 1.2 kg | 15.3 mm | 14.00" | 1920x1080 | |
| 84.2 % v7 (old) | 09 / 2020 | Asus ZenBook 14 UX425EA i7-1165G7, Iris Xe G7 96EUs | 1.2 kg | 13.9 mm | 14.00" | 1920x1080 | |
| 85.6 % v7 (old) | 08 / 2022 | HP Envy 14-eb0252ng i5-1135G7, Iris Xe G7 80EUs | 1.5 kg | 17.9 mm | 14.00" | 1920x1200 | |
| 85.5 % v7 (old) | 12 / 2021 | Lenovo IdeaPad 5 Pro 14ACN6 R5 5600U, Vega 7 | 1.5 kg | 17.9 mm | 14.00" | 2240x1400 |
Da das Gehäuse abseits der Schnittstellen (die AMD-Variante muss ohne Thunderbolt auskommen), der „Innenfarbe“ und der Tastatursprache baugleich zum bereits überprüften ZenBook 14 UX425EA ist, gehen wir in diesem Artikel nicht näher auf das Chassis, die Anschlüsse und die Eingabegeräte ein. Sie finden die entsprechenden Informationen beim verlinkten Testbericht.
SD Card Reader
| SD Card Reader | |
| average JPG Copy Test (av. of 3 runs) | |
| Durchschnitt der Klasse Multimedia (21.1 - 531, n=45, der letzten 2 Jahre) | |
| Asus ZenBook 14 UX425EA (Toshiba Exceria Pro M501 64 GB UHS-II) | |
| Lenovo IdeaPad 5 Pro 14ACN6 (AV PRO V60) | |
| Asus ZenBook 14 UM425U (AV PRO microSD 128 GB V60) | |
| HP Envy 14-eb0252ng | |
| maximum AS SSD Seq Read Test (1GB) | |
| Durchschnitt der Klasse Multimedia (27.4 - 1455, n=45, der letzten 2 Jahre) | |
| Asus ZenBook 14 UM425U (AV PRO microSD 128 GB V60) | |
| Asus ZenBook 14 UX425EA (Toshiba Exceria Pro M501 64 GB UHS-II) | |
| Lenovo IdeaPad 5 Pro 14ACN6 (AV PRO V60) | |
| HP Envy 14-eb0252ng (AV PRO microSD 128 GB V60) | |
Kommunikation
Webcam

Display
Analog zum Intel-Modell kommt bei der AMD-Edition ein mattes 60-Hz-Panel mit 1.920 x 1.080 Pixeln zum Einsatz. Wie unsere Messungen zeigen, kann das vorliegende Testgerät mit einer deutlich höheren Helligkeit auftrumpfen. Statt durchschnittlich 371 cd/m² erreicht der AMD-Spross rund 434 cd/m², was einen überaus guten Wert für ein IPS-Panel darstellt und dem ZenBook 14 eine prima Outdoor-Tauglichkeit attestiert.
| |||||||||||||||||||||||||
Ausleuchtung: 86 %
Helligkeit Akku: 466 cd/m²
Kontrast: 1195:1 (Schwarzwert: 0.39 cd/m²)
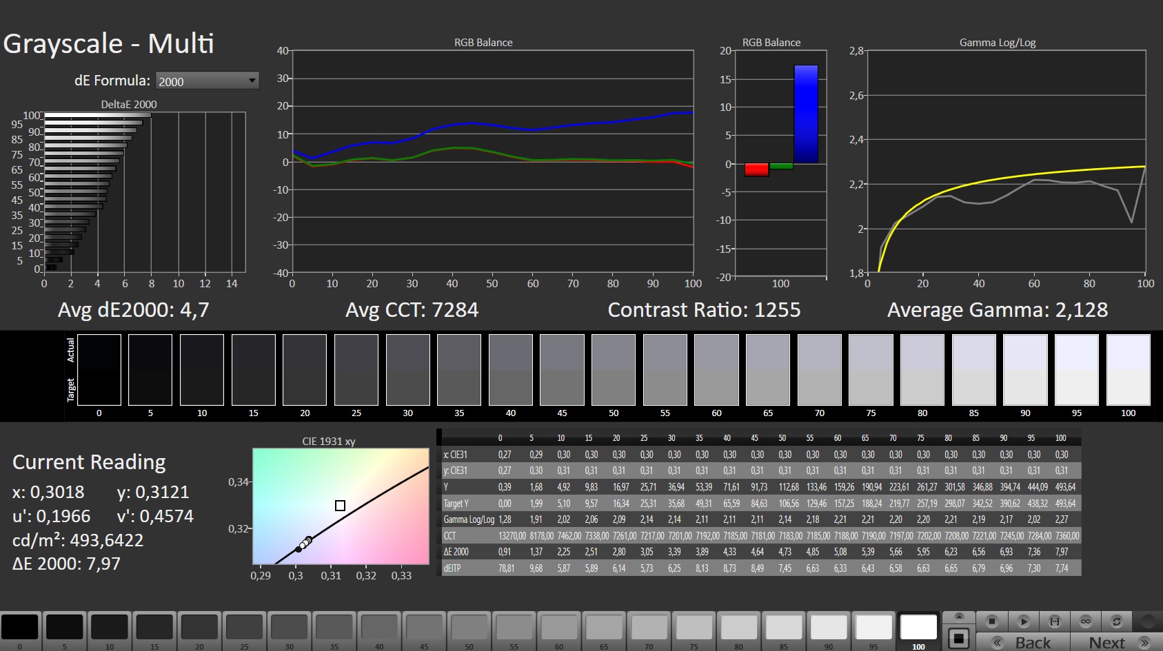
ΔE ColorChecker Calman: 2.76 | ∀{0.5-29.43 Ø4.77}
calibrated: 0.56
ΔE Greyscale Calman: 4.7 | ∀{0.09-98 Ø5}
65.9% AdobeRGB 1998 (Argyll 3D)
96.1% sRGB (Argyll 3D)
63.8% Display P3 (Argyll 3D)
Gamma: 2.128
CCT: 7284 K
| Asus ZenBook 14 UM425U CMN N140HCE-EN2, IPS, 1920x1080, 14" | Asus ZenBook 14 UX425EA AU Optronics B140HAN06.8, IPS, 1920x1080, 14" | HP Envy 14-eb0252ng BOE0929, IPS, 1920x1200, 14" | Lenovo IdeaPad 5 Pro 14ACN6 LEN140WUXGA+, IPS, 2240x1400, 14" | |
|---|---|---|---|---|
| Display | 5% | 6% | 10% | |
| Display P3 Coverage (%) | 63.8 | 68.6 8% | 69.3 9% | 72.2 13% |
| sRGB Coverage (%) | 96.1 | 98.3 2% | 98.5 2% | 99.5 4% |
| AdobeRGB 1998 Coverage (%) | 65.9 | 69.8 6% | 70.4 7% | 74.3 13% |
| Response Times | -61% | -30% | -83% | |
| Response Time Grey 50% / Grey 80% * (ms) | 32.9 ? | 49.6 ? -51% | 44.9 ? -36% | 45.2 ? -37% |
| Response Time Black / White * (ms) | 15.4 ? | 26.4 ? -71% | 18.9 ? -23% | 35.2 ? -129% |
| PWM Frequency (Hz) | ||||
| Bildschirm | -11% | -0% | -27% | |
| Helligkeit Bildmitte (cd/m²) | 466 | 375.1 -20% | 451 -3% | 310.6 -33% |
| Brightness (cd/m²) | 434 | 371 -15% | 439 1% | 302 -30% |
| Brightness Distribution (%) | 86 | 91 6% | 92 7% | 92 7% |
| Schwarzwert * (cd/m²) | 0.39 | 0.34 13% | 0.31 21% | 0.22 44% |
| Kontrast (:1) | 1195 | 1103 -8% | 1455 22% | 1412 18% |
| Delta E Colorchecker * | 2.76 | 1.79 35% | 2.46 11% | 2.67 3% |
| Colorchecker dE 2000 max. * | 7.97 | 3.05 62% | 4.24 47% | 4.54 43% |
| Colorchecker dE 2000 calibrated * | 0.56 | 1.79 -220% | 1.32 -136% | 2.33 -316% |
| Delta E Graustufen * | 4.7 | 2.3 51% | 3.5 26% | 3.7 21% |
| Gamma | 2.128 103% | 2.29 96% | 2.24 98% | 2.12 104% |
| CCT | 7284 89% | 6405 101% | 7289 89% | 6398 102% |
| Farbraum (Prozent von AdobeRGB 1998) (%) | 63.9 | |||
| Color Space (Percent of sRGB) (%) | 98.8 | |||
| Durchschnitt gesamt (Programm / Settings) | -22% /
-14% | -8% /
-3% | -33% /
-27% |
* ... kleinere Werte sind besser
Die Reaktionszeit fällt ebenso besser als beim Intel-Bruder aus, wobei man hier keine Topwerte erwarten sollte. Der Kontrast bewegt sich aufgrund des etwas schlechteren Schwarzwerts (0,39 vs. 0,34 cd/m²) hingegen auf einem sehr ähnlichen Level, knapp 1.200:1 sind dem Preis angemessen. Gleiches gilt für den Farbraum: Beide Familienmitglieder decken sRGB zu fast 100 % ab.
Reaktionszeiten (Response Times) des Displays
| ↔ Reaktionszeiten Schwarz zu Weiß | ||
|---|---|---|
| 15.4 ms ... steigend ↗ und fallend ↘ kombiniert | ↗ 5.5 ms steigend | |
| ↘ 9.9 ms fallend | ||
| Die gemessenen Reaktionszeiten sind gut, für anspruchsvolle Spieler könnten der Bildschirm jedoch zu langsam sein. Im Vergleich rangierten die bei uns getesteten Geräte von 0.1 (Minimum) zu 240 (Maximum) ms. » 36 % aller Screens waren schneller als der getestete. Daher sind die gemessenen Reaktionszeiten besser als der Durchschnitt aller vermessenen Geräte (20.1 ms). | ||
| ↔ Reaktionszeiten 50% Grau zu 80% Grau | ||
| 32.9 ms ... steigend ↗ und fallend ↘ kombiniert | ↗ 15.3 ms steigend | |
| ↘ 17.6 ms fallend | ||
| Die gemessenen Reaktionszeiten sind langsam und dadurch für viele Spieler wahrscheinlich zu langsam. Im Vergleich rangierten die bei uns getesteten Geräte von 0.165 (Minimum) zu 636 (Maximum) ms. » 44 % aller Screens waren schneller als der getestete. Daher sind die gemessenen Reaktionszeiten durchschnittlich (31.5 ms). | ||
Bildschirm-Flackern / PWM (Pulse-Width Modulation)
| Flackern / PWM nicht festgestellt | |||
Im Vergleich: 53 % aller getesteten Geräte nutzten kein PWM um die Helligkeit zu reduzieren. Wenn PWM eingesetzt wurde, dann bei einer Frequenz von durchschnittlich 8042 (Minimum 5, Maximum 343500) Hz. | |||
Leistung
Aufgrund der kernreichen CPU siedelt sich die getestete Ausstattung trotz geringer TDP in der Mittelklasse an. Somit eignet sich das ZenBook 14 ideal als Allround-Gerät für diverse Einsatzzwecke, solange man keine hohen Ansprüche an die GPU-Leistung stellt und sich mit 8 GB RAM begnügt (der leider verlötet ist und nicht erweitert werden kann).
Testbedingungen
Das vorinstallierte Programm MyAsus lässt Käufer diverse Einstellungen am System vornehmen. Dazu zählen das Batterieverhalten, die Lüftersteuerung, Mikrofon- bzw. Lautsprecher-Settings und die Bildwiedergabe. Unsere Messungen wurden größtenteils ohne Anpassungen durchgeführt. Lediglich beim Lüftermodus wechselten wir auf das Leistungsprofil, da manche 3D-Anwendungen im Standardprofil zu Abstürzen neigten (beim Witcher-3-Test schaltete sich das Gerät nach ein paar Minuten einfach ab).
Prozessor
Wie eingangs erwähnt, handelt es sich beim Ryzen 7 5700U um ein Octacore-Modell, das dank SMT bis zu 16 Threads parallel bearbeiten kann. Zum Vergleich: Der Core i7-1165G7 muss sich mit 4 Kernen und 8 Threads zufriedengeben – und das bei minimal höherer TDP (Standard: 28 vs 25 Watt). Entsprechend gut schneidet die AMD-Version im Benchmark-Parcours ab. So wird das ZenBook 14 mit Intel-CPU beim Cinebench-R15-Loop spürbar abgehängt. Auch der Core i5-1135G7 des HP Envy 14 muss sich eindeutig geschlagen geben. Dass im Falle des Ryzen 7 5700U sogar noch mehr Leistung möglich gewesen wäre, offenbart der Vergleich mit dem Ryzen 5 5600U, der im Lenovo IdeaPad 5 Pro seine Muskeln spielen lässt. Nimmt man alle Werte zusammen, orientiert sich das AMD-ZenBook jedoch am bisher ermittelten 5700U-Schnitt.
Cinebench R15 Multi Dauertest
| CPU Performance Rating - Percent | |
| Durchschnitt der Klasse Multimedia | |
| Lenovo IdeaPad 5 Pro 14ACN6 -2! | |
| Asus ZenBook 14 UM425U | |
| Durchschnittliche AMD Ryzen 7 5700U | |
| Asus ZenBook 14 UX425EA -2! | |
| HP Envy 14-eb0252ng | |
* ... kleinere Werte sind besser
AIDA64: FP32 Ray-Trace | FPU Julia | CPU SHA3 | CPU Queen | FPU SinJulia | FPU Mandel | CPU AES | CPU ZLib | FP64 Ray-Trace | CPU PhotoWorxx
| Performance Rating | |
| Durchschnitt der Klasse Multimedia | |
| Lenovo IdeaPad 5 Pro 14ACN6 | |
| Asus ZenBook 14 UM425U | |
| Durchschnittliche AMD Ryzen 7 5700U | |
| HP Envy 14-eb0252ng | |
| AIDA64 / FP32 Ray-Trace | |
| Durchschnitt der Klasse Multimedia (2214 - 50388, n=58, der letzten 2 Jahre) | |
| Lenovo IdeaPad 5 Pro 14ACN6 | |
| Asus ZenBook 14 UM425U | |
| Durchschnittliche AMD Ryzen 7 5700U (5679 - 12346, n=20) | |
| HP Envy 14-eb0252ng | |
| AIDA64 / FPU Julia | |
| Durchschnitt der Klasse Multimedia (12867 - 201874, n=59, der letzten 2 Jahre) | |
| Lenovo IdeaPad 5 Pro 14ACN6 | |
| Asus ZenBook 14 UM425U | |
| Durchschnittliche AMD Ryzen 7 5700U (39042 - 69580, n=20) | |
| HP Envy 14-eb0252ng | |
| AIDA64 / CPU SHA3 | |
| Durchschnitt der Klasse Multimedia (653 - 8623, n=59, der letzten 2 Jahre) | |
| Lenovo IdeaPad 5 Pro 14ACN6 | |
| Asus ZenBook 14 UM425U | |
| HP Envy 14-eb0252ng | |
| Durchschnittliche AMD Ryzen 7 5700U (1103 - 2231, n=20) | |
| AIDA64 / CPU Queen | |
| Durchschnittliche AMD Ryzen 7 5700U (57016 - 99178, n=20) | |
| Asus ZenBook 14 UM425U | |
| Durchschnitt der Klasse Multimedia (13483 - 181505, n=59, der letzten 2 Jahre) | |
| Lenovo IdeaPad 5 Pro 14ACN6 | |
| HP Envy 14-eb0252ng | |
| AIDA64 / FPU SinJulia | |
| Asus ZenBook 14 UM425U | |
| Durchschnittliche AMD Ryzen 7 5700U (6837 - 14169, n=20) | |
| Durchschnitt der Klasse Multimedia (1240 - 28794, n=59, der letzten 2 Jahre) | |
| Lenovo IdeaPad 5 Pro 14ACN6 | |
| HP Envy 14-eb0252ng | |
| AIDA64 / FPU Mandel | |
| Durchschnitt der Klasse Multimedia (6395 - 105740, n=58, der letzten 2 Jahre) | |
| Lenovo IdeaPad 5 Pro 14ACN6 | |
| Asus ZenBook 14 UM425U | |
| Durchschnittliche AMD Ryzen 7 5700U (20179 - 36523, n=20) | |
| HP Envy 14-eb0252ng | |
| AIDA64 / CPU AES | |
| Lenovo IdeaPad 5 Pro 14ACN6 | |
| Durchschnitt der Klasse Multimedia (13243 - 152179, n=59, der letzten 2 Jahre) | |
| Asus ZenBook 14 UM425U | |
| Durchschnittliche AMD Ryzen 7 5700U (26066 - 64646, n=20) | |
| HP Envy 14-eb0252ng | |
| AIDA64 / CPU ZLib | |
| Durchschnitt der Klasse Multimedia (167.2 - 2022, n=59, der letzten 2 Jahre) | |
| Asus ZenBook 14 UM425U | |
| Durchschnittliche AMD Ryzen 7 5700U (440 - 776, n=20) | |
| Lenovo IdeaPad 5 Pro 14ACN6 | |
| HP Envy 14-eb0252ng | |
| AIDA64 / FP64 Ray-Trace | |
| Durchschnitt der Klasse Multimedia (1014 - 26875, n=59, der letzten 2 Jahre) | |
| Asus ZenBook 14 UM425U | |
| Lenovo IdeaPad 5 Pro 14ACN6 | |
| Durchschnittliche AMD Ryzen 7 5700U (2985 - 6784, n=20) | |
| HP Envy 14-eb0252ng | |
| AIDA64 / CPU PhotoWorxx | |
| Durchschnitt der Klasse Multimedia (12860 - 65787, n=59, der letzten 2 Jahre) | |
| Asus ZenBook 14 UM425U | |
| HP Envy 14-eb0252ng | |
| Durchschnittliche AMD Ryzen 7 5700U (6903 - 25066, n=20) | |
| Lenovo IdeaPad 5 Pro 14ACN6 | |
System Performance
Bei der Systemleistung macht es sich der Asus-Rechner im Mittelfeld der Vergleichsgeräte bequem. 5.370 Punkte im PCMark 10 sind ein überaus solider Wert für ein kompaktes 14-Zoll-Notebook. Auch subjektiv arbeitet das System flüssig und reaktionsschnell.
| PCMark 10 / Score | |
| Durchschnitt der Klasse Multimedia (4325 - 10386, n=54, der letzten 2 Jahre) | |
| Lenovo IdeaPad 5 Pro 14ACN6 | |
| Asus ZenBook 14 UM425U | |
| Durchschnittliche AMD Ryzen 7 5700U, AMD Radeon RX Vega 8 (Ryzen 4000/5000) (4325 - 5518, n=15) | |
| Asus ZenBook 14 UX425EA | |
| HP Envy 14-eb0252ng | |
| PCMark 10 / Essentials | |
| Durchschnitt der Klasse Multimedia (8025 - 11664, n=54, der letzten 2 Jahre) | |
| Lenovo IdeaPad 5 Pro 14ACN6 | |
| Asus ZenBook 14 UX425EA | |
| Asus ZenBook 14 UM425U | |
| HP Envy 14-eb0252ng | |
| Durchschnittliche AMD Ryzen 7 5700U, AMD Radeon RX Vega 8 (Ryzen 4000/5000) (8025 - 10091, n=15) | |
| PCMark 10 / Productivity | |
| Durchschnitt der Klasse Multimedia (7323 - 18233, n=54, der letzten 2 Jahre) | |
| Asus ZenBook 14 UM425U | |
| Lenovo IdeaPad 5 Pro 14ACN6 | |
| Durchschnittliche AMD Ryzen 7 5700U, AMD Radeon RX Vega 8 (Ryzen 4000/5000) (7001 - 8457, n=15) | |
| Asus ZenBook 14 UX425EA | |
| HP Envy 14-eb0252ng | |
| PCMark 10 / Digital Content Creation | |
| Durchschnitt der Klasse Multimedia (3651 - 16240, n=54, der letzten 2 Jahre) | |
| Lenovo IdeaPad 5 Pro 14ACN6 | |
| Asus ZenBook 14 UM425U | |
| Durchschnittliche AMD Ryzen 7 5700U, AMD Radeon RX Vega 8 (Ryzen 4000/5000) (3738 - 5964, n=15) | |
| HP Envy 14-eb0252ng | |
| Asus ZenBook 14 UX425EA | |
| PCMark 10 Score | 5370 Punkte | |
Hilfe | ||
| AIDA64 / Memory Copy | |
| Durchschnitt der Klasse Multimedia (21158 - 109252, n=59, der letzten 2 Jahre) | |
| Asus ZenBook 14 UM425U | |
| Lenovo IdeaPad 5 Pro 14ACN6 | |
| Durchschnittliche AMD Ryzen 7 5700U (15867 - 39326, n=20) | |
| HP Envy 14-eb0252ng | |
| AIDA64 / Memory Read | |
| Durchschnitt der Klasse Multimedia (19699 - 125604, n=59, der letzten 2 Jahre) | |
| Asus ZenBook 14 UM425U | |
| Lenovo IdeaPad 5 Pro 14ACN6 | |
| Durchschnittliche AMD Ryzen 7 5700U (17632 - 47190, n=20) | |
| HP Envy 14-eb0252ng | |
| AIDA64 / Memory Write | |
| Durchschnitt der Klasse Multimedia (17733 - 117933, n=59, der letzten 2 Jahre) | |
| HP Envy 14-eb0252ng | |
| Durchschnittliche AMD Ryzen 7 5700U (11554 - 47048, n=20) | |
| Asus ZenBook 14 UM425U | |
| Lenovo IdeaPad 5 Pro 14ACN6 | |
| AIDA64 / Memory Latency | |
| Durchschnitt der Klasse Multimedia (7 - 535, n=59, der letzten 2 Jahre) | |
| Asus ZenBook 14 UM425U | |
| Durchschnittliche AMD Ryzen 7 5700U (84.9 - 113, n=20) | |
| Lenovo IdeaPad 5 Pro 14ACN6 | |
| HP Envy 14-eb0252ng | |
* ... kleinere Werte sind besser
DPC-Latenzen
| DPC Latencies / LatencyMon - interrupt to process latency (max), Web, Youtube, Prime95 | |
| HP Envy 14-eb0252ng | |
| Asus ZenBook 14 UM425U | |
| Lenovo IdeaPad 5 Pro 14ACN6 | |
| Asus ZenBook 14 UX425EA | |
* ... kleinere Werte sind besser
Massenspeicher
Keinerlei Probleme konnten wir beim Massenspeicher beobachten. Auch wenn die verbaute 512-GB-SSD der Marke SK Hynix nicht zu den allerschnellsten NVMe-Modellen zählt, schlägt sich sich das ZenBook 14 im Bezug auf die Massenspeicher-Benchmarks sehr wacker und lässt die SSDs der Konkurrenz meist hinter sich.
* ... kleinere Werte sind besser
Dauerleistung Lesen: DiskSpd Read Loop, Queue Depth 8
Grafikkarte
Um die Bildwiedergabe kümmert sich die im Prozessor integrierte Radeon RX Vega 8. Das DirectX-12-Modell bietet 512 Shader und ordnet sich laut unseren GPU-Benchmarks zwischen der Intel Iris Xe Graphics G7 mit 80 bzw. 96 EUs ein. Genau wie bei der CPU liegt auch die Leistung der GPU auf dem zu erwartenden Durchschnitts-Level.
| 3DMark 11 Performance | 6025 Punkte | |
| 3DMark Ice Storm Standard Score | 106622 Punkte | |
| 3DMark Cloud Gate Standard Score | 21698 Punkte | |
| 3DMark Fire Strike Score | 3356 Punkte | |
| 3DMark Time Spy Score | 1292 Punkte | |
Hilfe | ||
Gaming Performance
Für anspruchsvolle 3D-Anwendungen ist das ZenBook 14 nicht gedacht. Während die RX Vega 8 ältere Games oftmals mit mittleren oder hohen Settings packt, muss man sich bei moderneren Games häufig mit minimalen Details abfinden, sofern sie in der nativen Auflösung von 1.920 x 1.080 überhaupt noch flüssige Bildraten produziert.
| The Witcher 3 | |
| 1366x768 Medium Graphics & Postprocessing | |
| Durchschnitt der Klasse Multimedia (41 - 327, n=11, der letzten 2 Jahre) | |
| Asus ZenBook 14 UX425EA | |
| Durchschnittliche AMD Radeon RX Vega 8 (Ryzen 4000/5000) (19.6 - 55.2, n=35) | |
| HP Envy 14-eb0252ng | |
| Asus ZenBook 14 UM425U | |
| 1920x1080 High Graphics & Postprocessing (Nvidia HairWorks Off) | |
| Durchschnitt der Klasse Multimedia (22 - 242, n=24, der letzten 2 Jahre) | |
| Asus ZenBook 14 UX425EA | |
| Lenovo IdeaPad 5 Pro 14ACN6 | |
| Durchschnittliche AMD Radeon RX Vega 8 (Ryzen 4000/5000) (8.7 - 26.8, n=46) | |
| HP Envy 14-eb0252ng | |
| Asus ZenBook 14 UM425U | |
| 1920x1080 Ultra Graphics & Postprocessing (HBAO+) | |
| Durchschnitt der Klasse Multimedia (11 - 121, n=25, der letzten 2 Jahre) | |
| Lenovo IdeaPad 5 Pro 14ACN6 | |
| Durchschnittliche AMD Radeon RX Vega 8 (Ryzen 4000/5000) (7.07 - 17.6, n=49) | |
| Asus ZenBook 14 UM425U | |
| Asus ZenBook 14 UX425EA | |
| HP Envy 14-eb0252ng | |
Im 60-minütigen Dauertest mit The Witcher 3 gab es keine Performance-Einbrüche oder dergleichen, die Framerate blieb recht stabil.
Witcher 3 FPS-Diagramm
| min. | mittel | hoch | max. | |
|---|---|---|---|---|
| GTA V (2015) | 93.6 | 82.5 | 25.6 | |
| The Witcher 3 (2015) | 59.8 | 39.6 | 18.1 | 13.2 |
| Dota 2 Reborn (2015) | 95.5 | 76 | 47.8 | 44.7 |
| Final Fantasy XV Benchmark (2018) | 32.2 | 15.6 | 9.6 | |
| X-Plane 11.11 (2018) | 36.9 | 31.4 | 26.6 | |
| Strange Brigade (2018) | 75.8 | 30.3 | 25.5 | |
| Vampire Bloodhunt (2022) | 42.3 | 27 | 24 | |
| The Quarry (2022) | 19.3 | 12.8 | 9.8 |
Emissionen
Geräuschemissionen
Eine der größten Schwächen des ZenBook 14 ist die Lüftersteuerung respektive das Lüfterverhalten. Zwar agiert der 14-Zöller im Optimalfall lautlos, hin und wieder tourt die Kühlung jedoch schon im Idle-Betrieb und bei harmlosen Tätigkeiten wie Office, Video und Web unnötig auf – und das nicht nur im Leistungsmodus, sondern bisweilen auch im Standard- bzw. Flüstermodus. Unter Last wird der Asus-Spross mit maximal 47 dB(A) ebenfalls lauter als das restliche Testfeld. Geräuschempfindliche Nutzer sollten sich also lieber nach einem anderen Gerät umsehen.
Lautstärkediagramm
| Idle |
| 26 / 27 / 32 dB(A) |
| Last |
| 45 / 47 dB(A) |
![]() | ||
30 dB leise 40 dB(A) deutlich hörbar 50 dB(A) störend |
||
min: | ||
| Asus ZenBook 14 UM425U R7 5700U, Vega 8 | Asus ZenBook 14 UX425EA i7-1165G7, Iris Xe G7 96EUs | HP Envy 14-eb0252ng i5-1135G7, Iris Xe G7 80EUs | Lenovo IdeaPad 5 Pro 14ACN6 R5 5600U, Vega 7 | |
|---|---|---|---|---|
| Geräuschentwicklung | 1% | 11% | 15% | |
| aus / Umgebung * (dB) | 26 | 29.8 -15% | 26 -0% | 24.6 5% |
| Idle min * (dB) | 26 | 29.9 -15% | 26 -0% | 24.6 5% |
| Idle avg * (dB) | 27 | 31 -15% | 27 -0% | 24.6 9% |
| Idle max * (dB) | 32 | 31 3% | 31 3% | 25.1 22% |
| Last avg * (dB) | 45 | 35.6 21% | 32 29% | 29.6 34% |
| Witcher 3 ultra * (dB) | 43 | 37.4 13% | 33 23% | 31.9 26% |
| Last max * (dB) | 47 | 40.8 13% | 36 23% | 45.5 3% |
* ... kleinere Werte sind besser
Temperatur
Bezüglich der Temperatur belegt das AMD-ZenBook ebenfalls den letzten Platz, wobei sich die Unterschiede hier weniger bemerkbar machen und der Handballenbereich nie unangenehm warm wird. Im Idle-Modus bleibt das gesamte Chassis mit 27 bis 30 °C angenehm kühl.
(-) Die maximale Temperatur auf der Oberseite ist 46 °C. Im Vergleich liegt der Klassendurchschnitt bei 36.9 °C (von 21.1 bis 71 °C für die Klasse Multimedia).
(-) Auf der Unterseite messen wir eine maximalen Wert von 49 °C (im Vergleich zum Durchschnitt von 39.2 °C).
(+) Ohne Last messen wir eine durchschnittliche Temperatur von 28 °C auf der Oberseite. Der Klassendurchschnitt erreicht 31.3 °C.
(-) Beim längeren Spielen von The Witcher 3 erhitzt sich das Gerät durchschnittlich auf 38.9 °C. Der Durchschnitt der Klasse ist derzeit 31.3 °C.
(+) Die Handballen und der Touchpad-Bereich erreichen maximal 33 °C und damit die typische Hauttemperatur und fühlen sich daher nicht heiß an.
(-) Die durchschnittliche Handballen-Temperatur anderer getesteter Geräte war 28.7 °C (-4.3 °C).
| Asus ZenBook 14 UM425U R7 5700U, Vega 8 | Asus ZenBook 14 UX425EA i7-1165G7, Iris Xe G7 96EUs | HP Envy 14-eb0252ng i5-1135G7, Iris Xe G7 80EUs | Lenovo IdeaPad 5 Pro 14ACN6 R5 5600U, Vega 7 | |
|---|---|---|---|---|
| Hitze | 6% | 6% | 16% | |
| Last oben max * (°C) | 46 | 41 11% | 41 11% | 35.8 22% |
| Last unten max * (°C) | 49 | 44.4 9% | 43 12% | 42.8 13% |
| Idle oben max * (°C) | 30 | 28 7% | 29 3% | 25 17% |
| Idle unten max * (°C) | 29 | 29.8 -3% | 30 -3% | 26.2 10% |
* ... kleinere Werte sind besser
Stresstest
Wenn man das System vollständig auslastet, erreicht der Ryzen 7 5700U laut dem Tool HWMonitor maximal 78 °C und im Schnitt 60 bis 70 °C – absolut unkritische Werte. Etwas schade ist hingegen, dass die CPU im Witcher-3-Test auf rund 1,4 GHz drosselte.
Lautsprecher
Asus ZenBook 14 UM425U Audio Analyse
(+) | Die Lautsprecher können relativ laut spielen (83 dB)
Bass 100 - 315 Hz
(±) | abgesenkter Bass - 14.6% geringer als der Median
(±) | durchschnittlich lineare Bass-Wiedergabe (12.7% Delta zum Vorgänger)
Mitteltöne 400 - 2000 Hz
(±) | zu hohe Mitten, vom Median 5.9% abweichend
(+) | lineare Mitten (2.7% Delta zum Vorgänger)
Hochtöne 2 - 16 kHz
(+) | ausgeglichene Hochtöne, vom Median nur 1.8% abweichend
(+) | sehr lineare Hochtöne (4.8% Delta zum Vorgänger)
Gesamt im hörbaren Bereich 100 - 16.000 Hz
(+) | hörbarer Bereich ist sehr linear (13.4% Abstand zum Median
Im Vergleich zu allen Geräten derselben Klasse
» 25% aller getesteten Geräte dieser Klasse waren besser, 5% vergleichbar, 70% schlechter
» Das beste Gerät hat einen Delta-Wert von 5%, durchschnittlich ist 17%, das schlechteste Gerät hat 45%
Im Vergleich zu allen Geräten im Test
» 13% aller getesteten Geräte waren besser, 4% vergleichbar, 83% schlechter
» Das beste Gerät hat einen Delta-Wert von 4%, durchschnittlich ist 24%, das schlechteste Gerät hat 134%
HP Envy 14-eb0252ng Audio Analyse
(+) | Die Lautsprecher können relativ laut spielen (84 dB)
Bass 100 - 315 Hz
(±) | abgesenkter Bass - 13.9% geringer als der Median
(±) | durchschnittlich lineare Bass-Wiedergabe (12.1% Delta zum Vorgänger)
Mitteltöne 400 - 2000 Hz
(±) | zu hohe Mitten, vom Median 6.8% abweichend
(+) | lineare Mitten (2.9% Delta zum Vorgänger)
Hochtöne 2 - 16 kHz
(+) | ausgeglichene Hochtöne, vom Median nur 3.5% abweichend
(+) | sehr lineare Hochtöne (3.8% Delta zum Vorgänger)
Gesamt im hörbaren Bereich 100 - 16.000 Hz
(+) | hörbarer Bereich ist sehr linear (14.7% Abstand zum Median
Im Vergleich zu allen Geräten derselben Klasse
» 33% aller getesteten Geräte dieser Klasse waren besser, 4% vergleichbar, 63% schlechter
» Das beste Gerät hat einen Delta-Wert von 5%, durchschnittlich ist 17%, das schlechteste Gerät hat 45%
Im Vergleich zu allen Geräten im Test
» 19% aller getesteten Geräte waren besser, 4% vergleichbar, 77% schlechter
» Das beste Gerät hat einen Delta-Wert von 4%, durchschnittlich ist 24%, das schlechteste Gerät hat 134%
Energieverwaltung
Energieaufnahme
Im Netzbetrieb inklusive Leistungsmodus ist der Stromverbrauch meist etwas höher als bei der Konkurrenz. 6 bis 10 Watt Idle-Bedarf sind für ein Allround-Notebook dennoch recht wenig und versprechen gute Akkulaufzeiten. Das erfreulich kleine 65-Watt-Netzteil ist angesichts von maximal 53 Watt unter Last ausreichend dimensioniert.
| Aus / Standby | |
| Idle | |
| Last |
|
Legende:
min: | |
| Asus ZenBook 14 UM425U R7 5700U, Vega 8 | Asus ZenBook 14 UX425EA i7-1165G7, Iris Xe G7 96EUs | HP Envy 14-eb0252ng i5-1135G7, Iris Xe G7 80EUs | Lenovo IdeaPad 5 Pro 14ACN6 R5 5600U, Vega 7 | Durchschnitt der Klasse Multimedia | |
|---|---|---|---|---|---|
| Stromverbrauch | 19% | 7% | 8% | -49% | |
| Idle min * (Watt) | 6 | 4.8 20% | 4 33% | 3.8 37% | 6.09 ? -1% |
| Idle avg * (Watt) | 8 | 6.5 19% | 5 37% | 6.9 14% | 10.6 ? -33% |
| Idle max * (Watt) | 10 | 7.7 23% | 9 10% | 8.8 12% | 12.6 ? -26% |
| Last avg * (Watt) | 41 | 29.6 28% | 35 15% | 42.2 -3% | 69.2 ? -69% |
| Witcher 3 ultra * (Watt) | 43.6 | 28.6 34% | 38.7 11% | 37.7 14% | |
| Last max * (Watt) | 53 | 57.8 -9% | 87 -64% | 68.4 -29% | 115.8 ? -118% |
* ... kleinere Werte sind besser
Energieaufnahme Witcher 3 / Stresstest
Energieaufnahme mit externem Monitor
Akkulaufzeit
Als absolutes Highlight des ZenBook 14 erweist sich die hohe Laufzeit. So hält der 67-Wh-Akku im Wi-Fi-Test mit auf 150 cd/m² reduzierter Leuchtkraft und dem Lüfterprofil Standard knapp 14,5 Stunden durch – ein hervorragendes Ergebnis, das kein Konkurrent aus dem Vergleichsfeld toppen kann.
| Asus ZenBook 14 UM425U R7 5700U, Vega 8, 67 Wh | Asus ZenBook 14 UX425EA i7-1165G7, Iris Xe G7 96EUs, 67 Wh | HP Envy 14-eb0252ng i5-1135G7, Iris Xe G7 80EUs, 63.3 Wh | Lenovo IdeaPad 5 Pro 14ACN6 R5 5600U, Vega 7, 57 Wh | Durchschnitt der Klasse Multimedia | |
|---|---|---|---|---|---|
| Akkulaufzeit | -10% | -10% | -37% | -23% | |
| WLAN (h) | 14.6 | 13.1 -10% | 13.2 -10% | 9.2 -37% | 11.3 ? -23% |
| Idle (h) | 25.9 | 21.6 | 25.2 ? | ||
| Last (h) | 3.2 | 1 | 1.667 ? |
Pro
Contra
Fazit
Wer häufig unterwegs ist und entsprechend ein transportables Notebook sucht, ist beim Asus ZenBook 14 genau an der richtigen Adresse.
Das schicke Gehäuse wiegt extrem wenig (1,2 kg) und fällt erstaunlich dünn aus (1,5 cm). Outdoor-Einsätze machen dank des leuchtstarken Full-HD-Displays ebenfalls Freude, was man sonst nur selten von Laptops mit TN- oder IPS-Panel behaupten kann. Dazu passt auch die erstklassige Akkulaufzeit.
Längere Ausflüge sind mit dem ZenBook 14 kein Problem.
Weiterer Pluspunkt ist der performante Ryzen 7 5700U, welcher der Intel-Konkurrenz aufgrund der üppigen Kernzahl oftmals das Fürchten lehrt.
Allerdings geht die Kombination aus dünnem Chassis und potenter CPU auf Kosten der Emissionen. Temperatur- und Geräuschentwicklung fallen speziell unter Last recht hoch aus. Die magere Anschlussausstattung und die eingeschränkten Aufrüstmöglichkeiten (RAM verlötet) verwehren dem ZenBook 14 ebenfalls eine bessere Wertung.
Die getesteten Alternativ-Notebooks HP Envy 14-eb0252ng und Lenovo IdeaPad 5 Pro 14ACN6 sind zwar schwerer, im Gegenzug aber leiser und kühler.
Preis und Verfügbarkeit
In der vorliegenden Variante mit Ryzen 7 5700U, 8 GB RAM und 512 GB SSD war das ZenBook 14 zum Testzeitpunkt nur beim Online-Shop Coolblue für 635 Euro erhältlich.
Asus ZenBook 14 UM425U
- 23.08.2022 v7 (old)
Florian Glaser














































