Asus ExpertBook B9 OLED (2023) im Test: Schlankes Business-Notebook für Anspruchsvolle

Ein Business-Notebook der gehobenen Klasse ist das Asus ExpertBook B9 OLED. Es setzt auf einen schnellen wie sparsamen Intel Core i7-1355U, zeigt die Inhalte auf einem kontraststarken und fein aufgelösten OLED-Display mit praktikablen 14 Zoll in der Diagonale und wiegt dabei nur 1 kg. Für besondere Anforderungen stehen zudem die beiden CPUs Intel Core i5-1345U vPro und i7-1365 vPro zur Verfügung, die eine verbesserte Fernwartung und Diagnose erlauben.
Konkurrenten auf ähnlich hohem Niveau sind zum Beispiel das ThinkPad X13 G4 oder auch ein Dell XPS 13 Plus 9320. Bei Gewicht und Größe liegt ein LG Gram Style 14 auf Augenhöhe.
Mögliche Konkurrenten im Vergleich
Bew. | Datum | Modell | Gewicht | Dicke | Größe | Auflösung | Preis ab |
|---|---|---|---|---|---|---|---|
| 91.5 % v7 (old) | 11 / 2023 | Asus ExpertBook B9 B9403CVA-KM0153X i7-1355U, Iris Xe G7 96EUs | 1 kg | 17.6 mm | 14.00" | 2880x1800 | |
| 90 % v7 (old) | 08 / 2023 | LG Gram Style 14Z90RS-G.AD7AG i7-1360P, Iris Xe G7 96EUs | 987 g | 16.5 mm | 14.00" | 2880x1800 | |
| 89.7 % v7 (old) | 09 / 2023 | Lenovo ThinkPad X13 G4 21EX004QGE i7-1355U, Iris Xe G7 96EUs | 1.2 kg | 15.95 mm | 13.30" | 2880x1800 | |
| 87.4 % v7 (old) | 07 / 2023 | Dell XPS 13 Plus 9320 Core i7-1360P i7-1360P, Iris Xe G7 96EUs | 1.3 kg | 15.3 mm | 13.40" | 3456x2160 | |
| 85.4 % v7 (old) | 04 / 2023 | Asus ZenBook S13 OLED UX5304 i7-1355U, Iris Xe G7 96EUs | 1 kg | 11.8 mm | 13.30" | 2880x1800 | |
| 85.3 % v7 (old) | 06 / 2023 | Asus ZenBook 14 UM3402Y R7 7730U, Vega 8 | 1.4 kg | 16.9 mm | 14.00" | 2880x1800 |
Gehäuse - Kleines, festes, einfaches Business-Notebook
Besonders innovativ gibt sich Asus beim Design nicht. Dafür zeigt sich die matte, fast schwarze und leicht angeraute Oberfläche im typischen Business-Look. Tastaturrahmen und Displaydeckel bestehen aus einer Magnesium-Lithium-Legierung. Der Unterschied zu einfachem Kunststoff ist dabei nicht nur fühlbar. Das ExpertBook B9 ist extrem fest und lässt sich im Grunde nicht verwinden, was aufgrund des geringen Gewichts seltsam anmutet - auf positive Art. Auch sonst wirkt der Aufbau absolut hochwertig. Alle Kanten und Fugen sind perfekt gerade. Lediglich die Bodenplatte und der Displayrahmen aus Kunststoff schmälern den starken Eindruck ein wenig.
Der Bildschirm selbst ist überraschend steif konstruiert, angesichts einer Dicke von gerade einmal 4 mm. Das einhändige Öffnen gelingt problemlos. Die Scharniere präsentieren sich somit nicht besonders straff, was sich auch in einem deutlichen Nachschwingen zeigt. Der maximale Öffnungswinkel beträgt 180 Grad.
Für einen 14-Zöller ist das Asus ExpertBook bemerkenswert leicht geraten. Mit ziemlich genau 1 kg liegt es auf einer Stufe mit dem LG Gram Style 14, welches jedoch wesentlich zerbrechlicher anmutet. Die Abmessungen entsprechen den Werten der Konkurrenz auf ähnlichem Niveau. Die Dicke des Gehäuses erscheint mit 18 mm etwas hoch, dürfte aber keinen sonderlichen Einfluss auf die Mobilität nehmen. Zudem erklärt sie sich beim Öffnen des Laptops, in dem die Lüftung mit zwei Rotoren sitzt und ihren Platz benötigt. Mehr dazu im Abschnitt "Emissionen".
Ausstattung - Alles dran am ExpertBook B9
Auswahl und Anzahl der Anschlüsse gehen vollkommen in Ordnung, gerade in Hinblick auf die kompakten Abmessungen. Mit HDMI und zweimal Thunderbolt sind drei Video-Ausgänge vorhanden. TB 4 ist zudem stets prädestiniert für den Anschluss einer Dockingstation, wodurch die Anschlussauswahl erheblich anwächst. Dazu gibt es den typischen Headset-Anschluss via Klinke und einen einzelnen USB-A-Anschluss, der immerhin mit 10 Gbit/s übertragen kann.
Asus hat den Einschalter für das ExpertBook auf die Seite verlagert, in dem sich zusätzlich der Fingerabdrucksensor verbirgt. Sogar ein LAN-Anschluss, leider nur mit 1 Gigabit, ist in Form eines Mini-Anschlusses vorhanden. Das spart natürlich Platz für einen am Notebook eher selten gefragten Anschluss. So muss zwar stets auf den beiliegenden Adapter zurückgegriffen werden, aber immerhin hätte man dann unterwegs dennoch die Möglichkeit, direkt ein LAN-Kabel zu verbinden. Einen Kartenleser gibt es nicht.
Kommunikation
Das WLAN-Modul Intel AX211 kommt in unserem Test bei 6 GHz (WiFi 6E) auf die gewünschte Bandbreite im Bereich von 1.600 Mbit/s. Mit einem WiFi-6-Router liegen die Messwerte aus nächster Nähe nur bei etwa 1.000 Mbit/s, was immer noch einer Netzwerkverbindung mit Gigabit-LAN entspricht.
Mit der passenden Infrastruktur gelingt ein schneller Datenaustausch, der zum Beispiel umfangreiche Backups und ähnliches in kurzer Zeit erlaubt.
Webcam
Die Ausstattung der Webcam lässt keine Wünsche offen. Mit 2 Megapixeln ergeben sich wesentlich detailliertere Aufnahmen als bei einer HD-Kamera. Es gibt eine mechanische Abdeckung, um die Linse sicher zu blockieren. Zudem ist die Kamera geeignet für die Anmeldung mittels Gesichtserkennung.
Zusätzlich befinden sich Bewegungssensoren über dem Display, die das ExpertBook bei Inaktivität in den Energiesparmodus schicken. Eine erkannte Bewegung weckt das Notebook auf und wird bei erfolgreicher Gesichtsregistrierung sofort wieder entsperrt. Das ist äußerst praktisch, wenn auch am Anfang etwas ungewohnt. Per Software wird zudem das Gesicht während eines Videogesprächs verfolgt. Nicht ganz überzeugen konnte uns die Bildqualität bei schwachem Licht. Bereits eine Schreibtischlampe statt der normalen Zimmerbeleuchtung sorgte für deutliches Bildrauschen.
Das Mikrofon verdient sich gute Noten. Die Stimmenaufzeichnung klingt natürlich. Die Lautstärke bleibt unabhängig von der Entfernung zum Mikrofon und der Sprechrichtung annähernd gleich.

Sicherheit
Eine Option für einen SmartCard-Slot gibt es nicht. Ansonsten sind zahlreichen Sicherungsmöglichkeiten verbaut. Das Kensington-Lock sorgt für Diebstahlschutz.
Die Anmeldung wiederum kann per Gesichtserkennung, über den Fingerabdrucksensor oder per NFC im Touchpad erfolgen.
Zubehör
Lob verdient sich die Verpackung des Asus ExpertBook B9. Es wird durchgehend Recyclingpapier genutzt. Kunststoff oder farbige Aufdrucke wurden bewusst weggelassen. Das gilt aber scheinbar nicht für den LAN-Adapter. Der trübt das Öko-Gesamtbild, weil er in PE-Folie liegt und zudem ein zusätzliches Gerät mit Kabel, Gehäuse etc. ist.
Wirklich durchdacht wirkt die Umverpackung des Netzteils. Sie ist so konstruiert, dass sie sich mit wenigen Handgriffen in einen stabilen, wenn auch nicht gerade eleganten Laptopständer verwandelt. So erfüllt die Verpackung auch im Nachhinein noch einen Zweck. Das Arbeiten damit gelingt gut, mit angenehmem Winkel für die Tastatur und guter Belüftung der Unterseite des Laptops.
Wartung
Zwölf identische Schrauben (TX5) müssen gelöst werden. Anschließend ist es zwar nicht ganz einfach, einen Ansatzpunkt zu finden, aber an der Kante auf der Rückseite lässt sich die Bodenplatte schlussendlich abklicken. Das gelingt ohne größere Kraftanstrengung oder übermäßiges Verbiegen.
Getauscht werden kann die SSD ganz problemlos. Der Akku ist verschraubt und kann ebenfalls gewechselt werden. RAM oder WLAN-Modul dagegen sind fest verlötet. Auffällig sind zudem die sehr zarten Scharniere, die jeweils vierfach verschraubt sind, aber auf sehr kleinen Grundplatten sitzen. Das leichte und dünnen Display erzeugt allerdings auch keine größeren Hebelkräfte, schwingt aber etwas nach.
Garantie
Asus bietet für das ExpertBook 36 Monate Garantie. Das geht aus dem Aufdruck "36M" auf der Rückseite des Laptops hervor. Der Hersteller verweist aber darauf, dass die Laufzeit für den Akku je nach Produktlinie abweichen kann, jedoch mindestens 12 Monate beträgt.
Eingabegeräte - Präzise gebaut und vielseitig
Für ein nur 17,6 mm dickes und derart leichtes Business-Notebook schneidet die Tastatur sehr gut ab. Es lässt sich auch mit Kraft nur ein geringes Nachgeben des Tastaturrahmens beobachten. Die Tasten selbst besitzen einen angenehmen Gegendruck und sorgen mit 1,5 mm Hub (unsere Messung) für ein gutes Schreibgefühl.
Das Touchpad lässt sich präzise bedienen. Es reagiert zuverlässig auf schnelle Eingaben und die Bedienung mit mehreren Fingern. Bei 13 mal 8 cm Größe bietet es viel Fläche. Kleines Highlight ist das einblendbare Nummernfeld, das überall dort aktiv ist, wo Tastatureingaben erlaubt sind. Die Steuerung der Maus gelingt dabei weiterhin.
Die Tastaturbeleuchtung besitzt nur eine Helligkeitsstufe. Das Licht wirkt durchweg gleichmäßig, wobei die Tasten von "1" bis "4" besonders hervorgehoben sind. Hier lassen sich mit der installierten Software "Asus ExpertWidget" zusätzliche Befehle hinterlegen, die nahezu frei programmierbar sind.
Display - ExpertBook mit starken Bildwerten
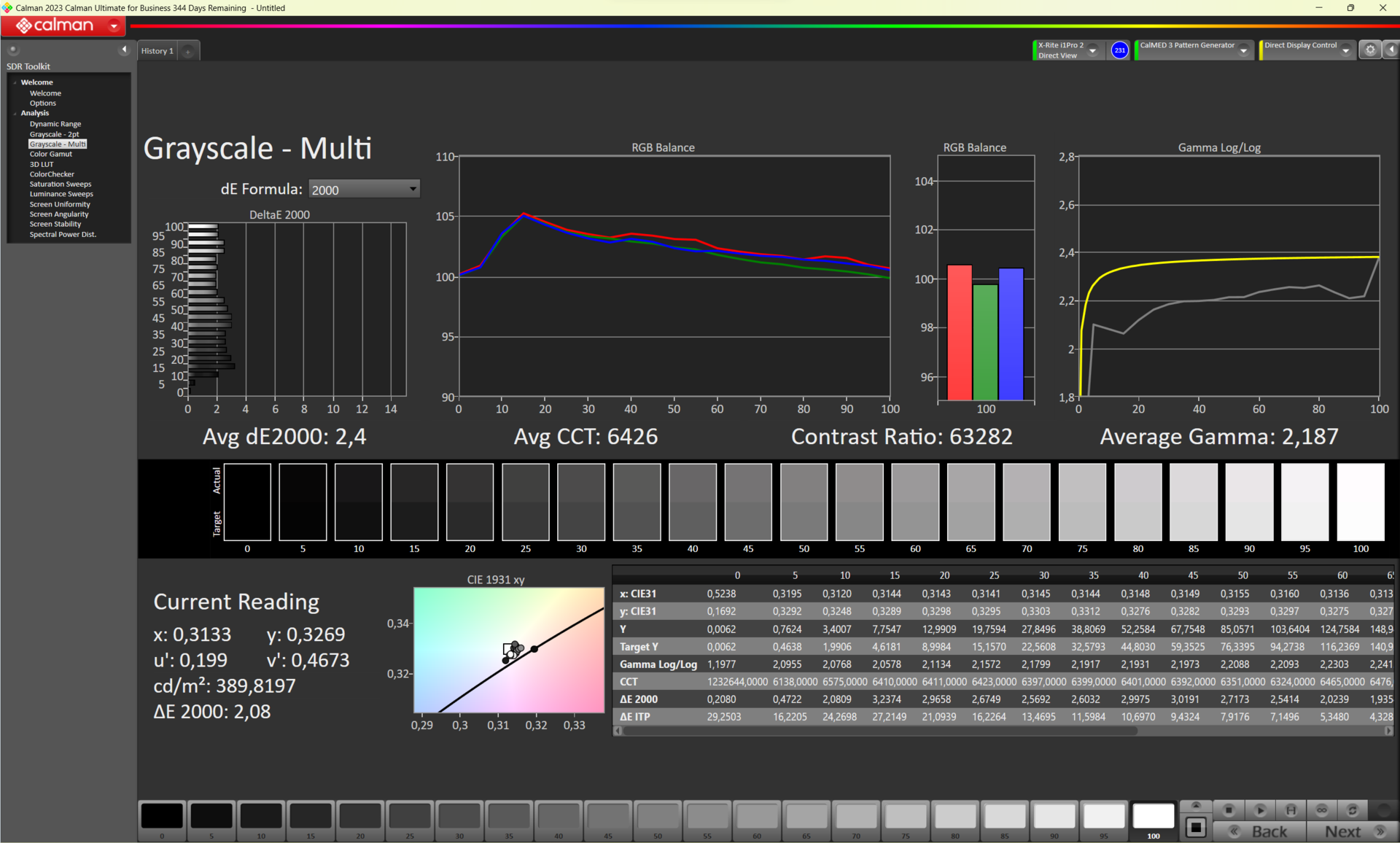
Das auch bei vielen Konkurrenten genutzte OLED-Panel von Samsung macht im Asus ExpertBook eine ausgezeichnete Figur. Es bietet starke Kontraste, weil das Schwarz nahezu perfekt ist und die Helligkeit mit 390 cd/m² zwar unter den Herstellerangaben bleibt, aber dennoch auf gutem Niveau liegt. Hinzu kommen die gleichmäßige Ausleuchtung und eine sehr naturgetreue Farbwiedergabe. Screen-Bleeding gibt es nicht. Der Bildschirm schaltet schwarze Bereiche aus, sodass Lichthöfe gar nicht entstehen können.
Die 3K-Auflösung, genauer 2.880 mal 1.800 Pixel, erlaubt die Darstellung hochauflösender Fotos. Auf nur 14 Zoll lässt sich Schrift hingegen in Originalgröße kaum bis gar nicht erkennen. Selbst 150 % Vergrößerung wirken noch zu klein. Weil aufgrund der Subpixelanordnung Kanten leicht ungleichmäßig aussehen können, ist die Schriftvergrößerung durchaus sinnvoll, während Grafiken und Bilder vor allem aus nächster Nähe sehr detailliert angezeigt werden können.
Für diese herausragenden Bildwerte müssen ein paar Unannehmlichkeiten in Kauf genommen werden. Es gibt ein PWM-Flackern, wenn auch äußerst moderat und nicht vergleichbar mit der Abschaltung ganzer Bereich bei einem TN-Panel. Zudem sollte die Taskleiste ausgeblendet werden. Weiterhin verschiebt die Software von Asus fast unmerklich Pixel leicht nach links und anschließend nach rechts. Mit all diesen Vorgehensweisen soll ein Einbrennen verhindert werden, das bei statischen Bildern eintreten könnte und das OLED-Display entsprechend unbrauchbar machen würde.
| |||||||||||||||||||||||||
Ausleuchtung: 99 %
Helligkeit Akku: 385.5 cd/m²
Kontrast: 7845:1 (Schwarzwert: 0.0497 cd/m²)
ΔE ColorChecker Calman: 2.22 | ∀{0.5-29.43 Ø4.74}
ΔE Greyscale Calman: 2.4 | ∀{0.09-98 Ø4.98}
93.6% AdobeRGB 1998 (Argyll 3D)
100% sRGB (Argyll 3D)
99.9% Display P3 (Argyll 3D)
Gamma: 2.187
CCT: 6426 K
| Asus ExpertBook B9 B9403CVA-KM0153X ATNA40YK07-1 SDC4171, OLED, 2880x1800, 14" | Lenovo ThinkPad X13 G4 21EX004QGE ATNA33AA02-0, OLED, 2880x1800, 13.3" | Asus ZenBook S13 OLED UX5304 SDC417B, OLED, 2880x1800, 13.3" | LG Gram Style 14Z90RS-G.AD7AG Samsung SDC417F ATNA40YK10-1, OLED, 2880x1800, 14" | Dell XPS 13 Plus 9320 Core i7-1360P Samsung 134XK04, OLED, 3456x2160, 13.4" | Asus ZenBook 14 UM3402Y Samsung ATNA40YK07-1, OLED, 2880x1800, 14" | |
|---|---|---|---|---|---|---|
| Display | 1% | 1% | 0% | 1% | 2% | |
| Display P3 Coverage (%) | 99.9 | 99.9 0% | 99.7 0% | 99.92 0% | 99.7 0% | 99.9 0% |
| sRGB Coverage (%) | 100 | 100 0% | 100 0% | 100 0% | 100 0% | 100 0% |
| AdobeRGB 1998 Coverage (%) | 93.6 | 96.2 3% | 96.9 4% | 94.71 1% | 96.8 3% | 98.3 5% |
| Response Times | -5% | 10% | 0% | -7% | 30% | |
| Response Time Grey 50% / Grey 80% * (ms) | 2 ? | 1.8 ? 10% | 2 ? -0% | 2 ? -0% | 2.18 ? -9% | 1.19 ? 40% |
| Response Time Black / White * (ms) | 2 ? | 2.4 ? -20% | 1.6 ? 20% | 2 ? -0% | 2.08 ? -4% | 1.62 ? 19% |
| PWM Frequency (Hz) | 360 ? | 60 ? | 240 ? | 350 | 238.6 ? | 362.3 ? |
| Bildschirm | -38% | 22% | -7% | -43% | 16% | |
| Helligkeit Bildmitte (cd/m²) | 389.9 | 383 -2% | 361 -7% | 384 -2% | 361.7 -7% | 336.6 -14% |
| Brightness (cd/m²) | 390 | 386 -1% | 365 -6% | 388 -1% | 367 -6% | 339 -13% |
| Brightness Distribution (%) | 99 | 98 -1% | 98 -1% | 97 -2% | 96 -3% | 98 -1% |
| Schwarzwert * (cd/m²) | 0.0497 | 0.054 -9% | ||||
| Kontrast (:1) | 7845 | 7111 -9% | ||||
| Delta E Colorchecker * | 2.22 | 4.7 -112% | 1.2 46% | 2.47 -11% | 4.83 -118% | 0.84 62% |
| Colorchecker dE 2000 max. * | 3.75 | 9.4 -151% | 1.9 49% | 4.33 -15% | 9.34 -149% | 3.1 17% |
| Delta E Graustufen * | 2.4 | 1.5 37% | 1.2 50% | 2.63 -10% | 1.8 25% | 1.4 42% |
| Gamma | 2.187 101% | 2.18 101% | 2.27 97% | 2.18 101% | 2.33 94% | 2.24 98% |
| CCT | 6426 101% | 6328 103% | 6486 100% | 6279 104% | 6438 101% | 6439 101% |
| Colorchecker dE 2000 calibrated * | 4.6 | 2.81 | 3.97 | |||
| Durchschnitt gesamt (Programm / Settings) | -14% /
-22% | 11% /
14% | -2% /
-4% | -16% /
-24% | 16% /
14% |
* ... kleinere Werte sind besser
Perfekt für grafisch anspruchsvolle Aufgaben gibt sich die Farbraumabdeckung. Der in den allermeisten Fällen genutzte sRGB-Farbraum wird ebenso wie Display-P3 komplett abgedeckt. Foto- und Videobearbeitung sind somit auf hohem Niveau möglich.
Allenfalls professionelle Bildbearbeitung würde nach einer kompletten Abdeckung von AdobeRGB verlangen, ist aber auf einem 14 Zoll große Business-Notebook eher selten gefragt.
Die Farbwiedergabe ist sehr genau. Die durchschnittliche Abweichung liegt mit einem DeltaE von 2,2 unterhalb der Wahrnehmbarkeit. Lediglich bei einigen Rot- und Gelbtönen könnten geübte Augen Ungenauigkeiten entdecken. Ansonsten ist das Display ab Werk sehr gut eingestellt. Eine von uns durchgeführte Kalibrierung sorgte nicht für eine Verbesserung, im Gegenteil.
Reaktionszeiten (Response Times) des Displays
| ↔ Reaktionszeiten Schwarz zu Weiß | ||
|---|---|---|
| 2 ms ... steigend ↗ und fallend ↘ kombiniert | ↗ 1 ms steigend | |
| ↘ 1 ms fallend | ||
| Die gemessenen Reaktionszeiten sind sehr kurz, wodurch sich der Bildschirm auch für schnelle 3D Spiele eignen sollte. Im Vergleich rangierten die bei uns getesteten Geräte von 0.1 (Minimum) zu 240 (Maximum) ms. » 11 % aller Screens waren schneller als der getestete. Daher sind die gemessenen Reaktionszeiten besser als der Durchschnitt aller vermessenen Geräte (19.9 ms). | ||
| ↔ Reaktionszeiten 50% Grau zu 80% Grau | ||
| 2 ms ... steigend ↗ und fallend ↘ kombiniert | ↗ 1 ms steigend | |
| ↘ 1 ms fallend | ||
| Die gemessenen Reaktionszeiten sind sehr kurz, wodurch sich der Bildschirm auch für schnelle 3D Spiele eignen sollte. Im Vergleich rangierten die bei uns getesteten Geräte von 0.165 (Minimum) zu 636 (Maximum) ms. » 9 % aller Screens waren schneller als der getestete. Daher sind die gemessenen Reaktionszeiten besser als der Durchschnitt aller vermessenen Geräte (31.2 ms). | ||
Bildschirm-Flackern / PWM (Pulse-Width Modulation)
| Flackern / PWM festgestellt | 360 Hz | ≤ 100 % Helligkeit | |
Das Display flackert mit 360 Hz (im schlimmsten Fall, eventuell durch Pulsweitenmodulation PWM) bei einer eingestellten Helligkeit von 100 % und darunter. Darüber sollte es zu keinem Flackern kommen. Die Frequenz von 360 Hz ist relativ hoch und sollte daher auch bei den meisten Personen zu keinen Problemen führen. Empfindliche User sollen laut Berichten aber sogar noch bei 500 Hz und darüber ein Flackern wahrnehmen. Im Vergleich: 52 % aller getesteten Geräte nutzten kein PWM um die Helligkeit zu reduzieren. Wenn PWM eingesetzt wurde, dann bei einer Frequenz von durchschnittlich 7867 (Minimum 5, Maximum 343500) Hz. | |||
Trotz guter Kontraste und Helligkeitswerte schränkt das spiegelnde Display die Verwendung im Freien deutlich ein. Auf dem Balkon oder an einem schattigen Platz im Garten lassen sich die Inhalte weiterhin gut erkennen. Sobald sich wolkenloser Himmel im Hintergrund befindet, macht die Spiegelung eine Nutzung des ExpertBooks B9 sehr schwierig.
Farbveränderungen oder eine deutliche Helligkeitsreduzierung sind aus verschiedenen Blickwinkeln nicht auszumachen. Ob steil nach hinten geklappt oder schräg betrachtet, Inhalte bleiben farbecht und kontrastreich. Erst bei circa 80 Grad treten die für OLED-Displays typischen Effekte mit grellen Abweichungen auf.
Leistung - Sparsamer Intel Core gut gekühlt
Im Asus ExpertBook B9 OLED arbeitet ein Intel Core i7-1355U, der mit bis zu 5,0 GHz bei typischerweise 15 W Verbrauch für anspruchsvolle, aber auch für mobile Anwendungen konzipiert ist. Die beiden vPro-Prozessoren, die ebenfalls zur Verfügung stehen, richten sich an Firmenkunden und sind von der Leistungsfähigkeit her vergleichbar. Mit 16 beziehungsweise 32 GB LPDDR5-RAM mit 5.200 MHz ist für schnellen Datenaustausch gesorgt.
Die Rechenleistung liegt auf hohem Niveau. Multitasking, besonders anspruchsvolle Anwendungen und auch Bildbearbeitung bereiten gar keine Probleme. Nur mit 3D-Anwendungen zeigt sich das System überfordert, weil die iGPU im Intel-Prozessor zu schwach ist. Für einfachere grafische Aufgaben und sogar ein paar betagte Spiele genügt sie trotzdem. Gleichzeitig bleibt der Stromverbrauch selbst bei voller Auslastung moderat, sodass die Verwendung unterwegs einen kompletten Arbeitstag möglich sein sollte.
Testbedingungen
Die Software "MyAsus" bietet einige Einstellmöglichkeiten. Neben der Anpassung der Tastenbelegung und vieler schützender Vorkehrungen gegen das Einbrennen des OLED-Displays lassen sich drei Lüfterprofile wählen, auch per Tastenkombination "Fn" + "F".
Dabei ändert sich nicht nur das Lüftergeräusch, sondern auch die Stromversorgung zum Prozessor erfährt deutliche Anpassungen. Die Werte finden sich unterhalb. Für unsere Benchmarks kam der Modus "Leistung" zum Einsatz.
| Lüfterprofil | Leistung | Standard | Flüstern |
|---|---|---|---|
| CPU PL2 | 64 Watt | 55 Watt | 25 Watt |
| CPU PL1 | 28 Watt | 20 Watt | 15 Watt |
Prozessor
Zehn Kerne, zwölf Threads, 5,0 GHz maximal und gleichzeitig eine TDP von nur 15 Watt deuten den mobilen Charakter des Intel Core i7-1355U bereits an. Damit kombiniert er Sparsamkeit im Betrieb mit hoher Leistungsfähigkeit. So liegt zum Beispiel der etwas ausgebremste Intel Core i7-1360P im LG Gram Style 14 über alle Benchmarks hinweg sogar leicht zurück. Der Intel Core i7-1165G7 von vor zwei CPU-Generationen wird im damaligen Asus ExpertBook um mehr als 30 % übertroffen.
Interessantes offenbart der Cinebench-R15-Loop, in dem sich das ExpertBook B9 OLED sehr gut schlägt. Das Lenovo ThinkPad X13 G4 und das Asus ZenBook S13 OLED mit identischer CPU starten beim gleichen Wert, verlieren mit der Zeit aber an Boden und liegen am Ende des Durchlaufs 15 beziehungsweise 25 % zurück. Das Business-Notebook von Asus kann mit Dauerbelastung somit besser umgehen.
Die Unterschiede in den Leistungsmodi sind deutlich geringer als es die PL-Werte erahnen lassen. Selbst im Flüstermodus sind die Leistungsunterschiede nicht größer als 20 % und der Lüfter bleibt zumindest minimal hörbar. Der Standardmodus fällt kaum schlechter aus als der Leistungsmodus, reduziert aber das Lüftergeräusch spürbar.
Im Akkubetrieb wird die Rechenleistung auf den Flüstermodus begrenzt, ist aber weiterhin beachtlich.
Weitere Benchmarks und zusätzlichen Informationen finden sich in unserer CPU-Benchmarkliste.
Cinebench R15 Multi Dauertest
Cinebench R23: Multi Core | Single Core
Cinebench R20: CPU (Multi Core) | CPU (Single Core)
Cinebench R15: CPU Multi 64Bit | CPU Single 64Bit
Blender: v2.79 BMW27 CPU
7-Zip 18.03: 7z b 4 | 7z b 4 -mmt1
Geekbench 5.5: Multi-Core | Single-Core
HWBOT x265 Benchmark v2.2: 4k Preset
LibreOffice : 20 Documents To PDF
R Benchmark 2.5: Overall mean
| CPU Performance Rating | |
| Asus VivoBook 14X K3405 | |
| Dell XPS 13 Plus 9320 Core i7-1360P | |
| Durchschnitt der Klasse Subnotebook | |
| Asus ZenBook 14 UM3402Y -1! | |
| Lenovo ThinkPad T16 G2 21HH003AGE | |
| Durchschnittliche Intel Core i7-1355U | |
| Lenovo ThinkPad X13 G4 21EX004QGE | |
| Asus ZenBook S13 OLED UX5304 | |
| Asus ExpertBook B9 B9403CVA-KM0153X | |
| LG Gram Style 14Z90RS-G.AD7AG | |
| LG Gram 16Z90Q | |
| Asus ExpertBook B9 B9400CE-KC0166R | |
| Cinebench R23 / Multi Core | |
| Asus VivoBook 14X K3405 | |
| Durchschnitt der Klasse Subnotebook (1555 - 21812, n=65, der letzten 2 Jahre) | |
| Dell XPS 13 Plus 9320 Core i7-1360P | |
| Asus ZenBook 14 UM3402Y | |
| Lenovo ThinkPad T16 G2 21HH003AGE | |
| Durchschnittliche Intel Core i7-1355U (6936 - 10252, n=18) | |
| LG Gram Style 14Z90RS-G.AD7AG | |
| Lenovo ThinkPad X13 G4 21EX004QGE | |
| LG Gram 16Z90Q | |
| Asus ExpertBook B9 B9403CVA-KM0153X | |
| Asus ZenBook S13 OLED UX5304 | |
| Asus ExpertBook B9 B9400CE-KC0166R | |
| Cinebench R23 / Single Core | |
| Lenovo ThinkPad T16 G2 21HH003AGE | |
| Dell XPS 13 Plus 9320 Core i7-1360P | |
| Durchschnittliche Intel Core i7-1355U (1687 - 1889, n=18) | |
| Lenovo ThinkPad X13 G4 21EX004QGE | |
| Asus ZenBook S13 OLED UX5304 | |
| Asus VivoBook 14X K3405 | |
| Durchschnitt der Klasse Subnotebook (358 - 2165, n=66, der letzten 2 Jahre) | |
| Asus ExpertBook B9 B9403CVA-KM0153X | |
| LG Gram Style 14Z90RS-G.AD7AG | |
| LG Gram 16Z90Q | |
| Asus ZenBook 14 UM3402Y | |
| Asus ExpertBook B9 B9400CE-KC0166R | |
| Cinebench R20 / CPU (Multi Core) | |
| Asus VivoBook 14X K3405 | |
| Durchschnitt der Klasse Subnotebook (579 - 8541, n=62, der letzten 2 Jahre) | |
| Dell XPS 13 Plus 9320 Core i7-1360P | |
| Asus ZenBook 14 UM3402Y | |
| Lenovo ThinkPad T16 G2 21HH003AGE | |
| Durchschnittliche Intel Core i7-1355U (2849 - 3907, n=18) | |
| Lenovo ThinkPad X13 G4 21EX004QGE | |
| LG Gram Style 14Z90RS-G.AD7AG | |
| LG Gram 16Z90Q | |
| Asus ExpertBook B9 B9403CVA-KM0153X | |
| Asus ZenBook S13 OLED UX5304 | |
| Asus ExpertBook B9 B9400CE-KC0166R | |
| Cinebench R20 / CPU (Single Core) | |
| Lenovo ThinkPad T16 G2 21HH003AGE | |
| Dell XPS 13 Plus 9320 Core i7-1360P | |
| Durchschnittliche Intel Core i7-1355U (654 - 725, n=18) | |
| Asus ZenBook S13 OLED UX5304 | |
| Lenovo ThinkPad X13 G4 21EX004QGE | |
| Asus VivoBook 14X K3405 | |
| Asus ExpertBook B9 B9403CVA-KM0153X | |
| Durchschnitt der Klasse Subnotebook (128 - 826, n=62, der letzten 2 Jahre) | |
| LG Gram Style 14Z90RS-G.AD7AG | |
| LG Gram 16Z90Q | |
| Asus ZenBook 14 UM3402Y | |
| Asus ExpertBook B9 B9400CE-KC0166R | |
| Cinebench R15 / CPU Multi 64Bit | |
| Asus VivoBook 14X K3405 | |
| Durchschnitt der Klasse Subnotebook (327 - 3345, n=62, der letzten 2 Jahre) | |
| Dell XPS 13 Plus 9320 Core i7-1360P | |
| Asus ZenBook 14 UM3402Y | |
| Lenovo ThinkPad T16 G2 21HH003AGE | |
| LG Gram 16Z90Q | |
| LG Gram Style 14Z90RS-G.AD7AG | |
| Durchschnittliche Intel Core i7-1355U (1206 - 1735, n=18) | |
| Asus ZenBook S13 OLED UX5304 | |
| Asus ExpertBook B9 B9403CVA-KM0153X | |
| Lenovo ThinkPad X13 G4 21EX004QGE | |
| Asus ExpertBook B9 B9400CE-KC0166R | |
| Cinebench R15 / CPU Single 64Bit | |
| Dell XPS 13 Plus 9320 Core i7-1360P | |
| Durchschnitt der Klasse Subnotebook (72.4 - 322, n=62, der letzten 2 Jahre) | |
| Lenovo ThinkPad T16 G2 21HH003AGE | |
| Durchschnittliche Intel Core i7-1355U (237 - 267, n=18) | |
| Asus VivoBook 14X K3405 | |
| Asus ZenBook S13 OLED UX5304 | |
| Asus ExpertBook B9 B9403CVA-KM0153X | |
| Lenovo ThinkPad X13 G4 21EX004QGE | |
| Asus ZenBook 14 UM3402Y | |
| LG Gram 16Z90Q | |
| Asus ExpertBook B9 B9400CE-KC0166R | |
| LG Gram Style 14Z90RS-G.AD7AG | |
| Blender / v2.79 BMW27 CPU | |
| Asus ExpertBook B9 B9400CE-KC0166R | |
| Lenovo ThinkPad X13 G4 21EX004QGE | |
| LG Gram 16Z90Q | |
| Asus ZenBook S13 OLED UX5304 | |
| Asus ZenBook S13 OLED UX5304 | |
| Lenovo ThinkPad T16 G2 21HH003AGE | |
| Durchschnittliche Intel Core i7-1355U (328 - 503, n=18) | |
| Asus ExpertBook B9 B9403CVA-KM0153X | |
| LG Gram Style 14Z90RS-G.AD7AG | |
| Durchschnitt der Klasse Subnotebook (159 - 2271, n=63, der letzten 2 Jahre) | |
| Dell XPS 13 Plus 9320 Core i7-1360P | |
| Asus VivoBook 14X K3405 | |
| 7-Zip 18.03 / 7z b 4 | |
| Asus ZenBook 14 UM3402Y | |
| Asus VivoBook 14X K3405 | |
| Dell XPS 13 Plus 9320 Core i7-1360P | |
| Durchschnitt der Klasse Subnotebook (11668 - 77867, n=62, der letzten 2 Jahre) | |
| Lenovo ThinkPad T16 G2 21HH003AGE | |
| LG Gram Style 14Z90RS-G.AD7AG | |
| Durchschnittliche Intel Core i7-1355U (30255 - 42092, n=18) | |
| Asus ExpertBook B9 B9403CVA-KM0153X | |
| Asus ZenBook S13 OLED UX5304 | |
| Lenovo ThinkPad X13 G4 21EX004QGE | |
| LG Gram 16Z90Q | |
| Asus ExpertBook B9 B9400CE-KC0166R | |
| 7-Zip 18.03 / 7z b 4 -mmt1 | |
| Lenovo ThinkPad T16 G2 21HH003AGE | |
| Asus ZenBook S13 OLED UX5304 | |
| Asus VivoBook 14X K3405 | |
| Durchschnittliche Intel Core i7-1355U (5301 - 5911, n=18) | |
| Dell XPS 13 Plus 9320 Core i7-1360P | |
| Lenovo ThinkPad X13 G4 21EX004QGE | |
| Durchschnitt der Klasse Subnotebook (2643 - 6442, n=64, der letzten 2 Jahre) | |
| Asus ExpertBook B9 B9403CVA-KM0153X | |
| Asus ZenBook 14 UM3402Y | |
| Asus ExpertBook B9 B9400CE-KC0166R | |
| LG Gram 16Z90Q | |
| LG Gram Style 14Z90RS-G.AD7AG | |
| Geekbench 5.5 / Multi-Core | |
| Dell XPS 13 Plus 9320 Core i7-1360P | |
| Durchschnitt der Klasse Subnotebook (2557 - 17218, n=54, der letzten 2 Jahre) | |
| Asus VivoBook 14X K3405 | |
| LG Gram 16Z90Q | |
| LG Gram Style 14Z90RS-G.AD7AG | |
| Asus ZenBook 14 UM3402Y | |
| Durchschnittliche Intel Core i7-1355U (7507 - 9328, n=18) | |
| Asus ZenBook S13 OLED UX5304 | |
| Lenovo ThinkPad X13 G4 21EX004QGE | |
| Lenovo ThinkPad T16 G2 21HH003AGE | |
| Asus ExpertBook B9 B9403CVA-KM0153X | |
| Asus ExpertBook B9 B9400CE-KC0166R | |
| Geekbench 5.5 / Single-Core | |
| Durchschnitt der Klasse Subnotebook (726 - 2191, n=54, der letzten 2 Jahre) | |
| Lenovo ThinkPad T16 G2 21HH003AGE | |
| Dell XPS 13 Plus 9320 Core i7-1360P | |
| Durchschnittliche Intel Core i7-1355U (1678 - 1872, n=18) | |
| Asus ZenBook S13 OLED UX5304 | |
| Lenovo ThinkPad X13 G4 21EX004QGE | |
| Asus ExpertBook B9 B9403CVA-KM0153X | |
| Asus VivoBook 14X K3405 | |
| LG Gram 16Z90Q | |
| Asus ZenBook 14 UM3402Y | |
| LG Gram Style 14Z90RS-G.AD7AG | |
| Asus ExpertBook B9 B9400CE-KC0166R | |
| HWBOT x265 Benchmark v2.2 / 4k Preset | |
| Asus VivoBook 14X K3405 | |
| Asus ZenBook 14 UM3402Y | |
| Dell XPS 13 Plus 9320 Core i7-1360P | |
| Durchschnitt der Klasse Subnotebook (0.97 - 25.1, n=62, der letzten 2 Jahre) | |
| Lenovo ThinkPad T16 G2 21HH003AGE | |
| LG Gram Style 14Z90RS-G.AD7AG | |
| Durchschnittliche Intel Core i7-1355U (7.83 - 11.4, n=18) | |
| Lenovo ThinkPad X13 G4 21EX004QGE | |
| Asus ExpertBook B9 B9403CVA-KM0153X | |
| LG Gram 16Z90Q | |
| Asus ZenBook S13 OLED UX5304 | |
| Asus ExpertBook B9 B9400CE-KC0166R | |
| LibreOffice / 20 Documents To PDF | |
| Durchschnitt der Klasse Subnotebook (38.5 - 220, n=61, der letzten 2 Jahre) | |
| LG Gram 16Z90Q | |
| Asus ExpertBook B9 B9403CVA-KM0153X | |
| Durchschnittliche Intel Core i7-1355U (41.1 - 108.6, n=18) | |
| Asus ZenBook 14 UM3402Y | |
| Lenovo ThinkPad X13 G4 21EX004QGE | |
| LG Gram Style 14Z90RS-G.AD7AG | |
| Asus ExpertBook B9 B9400CE-KC0166R | |
| Asus VivoBook 14X K3405 | |
| Asus ZenBook S13 OLED UX5304 | |
| Dell XPS 13 Plus 9320 Core i7-1360P | |
| Lenovo ThinkPad T16 G2 21HH003AGE | |
| R Benchmark 2.5 / Overall mean | |
| Asus ExpertBook B9 B9400CE-KC0166R | |
| LG Gram Style 14Z90RS-G.AD7AG | |
| LG Gram 16Z90Q | |
| Durchschnitt der Klasse Subnotebook (0.4024 - 1.456, n=63, der letzten 2 Jahre) | |
| Asus ZenBook 14 UM3402Y | |
| Durchschnittliche Intel Core i7-1355U (0.4481 - 0.832, n=18) | |
| Asus VivoBook 14X K3405 | |
| Asus ExpertBook B9 B9403CVA-KM0153X | |
| Lenovo ThinkPad T16 G2 21HH003AGE | |
| Lenovo ThinkPad X13 G4 21EX004QGE | |
| Asus ZenBook S13 OLED UX5304 | |
| Dell XPS 13 Plus 9320 Core i7-1360P | |
* ... kleinere Werte sind besser
AIDA64: FP32 Ray-Trace | FPU Julia | CPU SHA3 | CPU Queen | FPU SinJulia | FPU Mandel | CPU AES | CPU ZLib | FP64 Ray-Trace | CPU PhotoWorxx
| Performance Rating | |
| Asus ZenBook 14 UM3402Y | |
| Durchschnitt der Klasse Subnotebook | |
| Dell XPS 13 Plus 9320 Core i7-1360P | |
| LG Gram Style 14Z90RS-G.AD7AG | |
| Durchschnittliche Intel Core i7-1355U | |
| Lenovo ThinkPad X13 G4 21EX004QGE | |
| Asus ExpertBook B9 B9403CVA-KM0153X | |
| Asus ZenBook S13 OLED UX5304 | |
| AIDA64 / FP32 Ray-Trace | |
| Durchschnitt der Klasse Subnotebook (1135 - 32888, n=63, der letzten 2 Jahre) | |
| Asus ZenBook 14 UM3402Y | |
| Dell XPS 13 Plus 9320 Core i7-1360P | |
| LG Gram Style 14Z90RS-G.AD7AG | |
| Durchschnittliche Intel Core i7-1355U (5673 - 8424, n=18) | |
| Asus ExpertBook B9 B9403CVA-KM0153X | |
| Lenovo ThinkPad X13 G4 21EX004QGE | |
| Asus ZenBook S13 OLED UX5304 | |
| AIDA64 / FPU Julia | |
| Asus ZenBook 14 UM3402Y | |
| Durchschnitt der Klasse Subnotebook (5218 - 123315, n=63, der letzten 2 Jahre) | |
| Dell XPS 13 Plus 9320 Core i7-1360P | |
| LG Gram Style 14Z90RS-G.AD7AG | |
| Durchschnittliche Intel Core i7-1355U (29580 - 42706, n=18) | |
| Lenovo ThinkPad X13 G4 21EX004QGE | |
| Asus ExpertBook B9 B9403CVA-KM0153X | |
| Asus ZenBook S13 OLED UX5304 | |
| AIDA64 / CPU SHA3 | |
| Durchschnitt der Klasse Subnotebook (444 - 5287, n=63, der letzten 2 Jahre) | |
| Asus ZenBook 14 UM3402Y | |
| Dell XPS 13 Plus 9320 Core i7-1360P | |
| LG Gram Style 14Z90RS-G.AD7AG | |
| Durchschnittliche Intel Core i7-1355U (1529 - 2200, n=18) | |
| Asus ExpertBook B9 B9403CVA-KM0153X | |
| Lenovo ThinkPad X13 G4 21EX004QGE | |
| Asus ZenBook S13 OLED UX5304 | |
| AIDA64 / CPU Queen | |
| Asus ZenBook 14 UM3402Y | |
| Dell XPS 13 Plus 9320 Core i7-1360P | |
| LG Gram Style 14Z90RS-G.AD7AG | |
| Asus ZenBook S13 OLED UX5304 | |
| Lenovo ThinkPad X13 G4 21EX004QGE | |
| Durchschnitt der Klasse Subnotebook (10579 - 115682, n=59, der letzten 2 Jahre) | |
| Durchschnittliche Intel Core i7-1355U (21547 - 66907, n=18) | |
| Asus ExpertBook B9 B9403CVA-KM0153X | |
| AIDA64 / FPU SinJulia | |
| Asus ZenBook 14 UM3402Y | |
| Durchschnitt der Klasse Subnotebook (744 - 18418, n=63, der letzten 2 Jahre) | |
| Dell XPS 13 Plus 9320 Core i7-1360P | |
| LG Gram Style 14Z90RS-G.AD7AG | |
| Durchschnittliche Intel Core i7-1355U (4045 - 5426, n=18) | |
| Lenovo ThinkPad X13 G4 21EX004QGE | |
| Asus ExpertBook B9 B9403CVA-KM0153X | |
| Asus ZenBook S13 OLED UX5304 | |
| AIDA64 / FPU Mandel | |
| Asus ZenBook 14 UM3402Y | |
| Durchschnitt der Klasse Subnotebook (3341 - 65433, n=63, der letzten 2 Jahre) | |
| Dell XPS 13 Plus 9320 Core i7-1360P | |
| LG Gram Style 14Z90RS-G.AD7AG | |
| Durchschnittliche Intel Core i7-1355U (14596 - 21627, n=18) | |
| Asus ExpertBook B9 B9403CVA-KM0153X | |
| Lenovo ThinkPad X13 G4 21EX004QGE | |
| Asus ZenBook S13 OLED UX5304 | |
| AIDA64 / CPU AES | |
| Asus ZenBook 14 UM3402Y | |
| Durchschnitt der Klasse Subnotebook (638 - 124284, n=63, der letzten 2 Jahre) | |
| Dell XPS 13 Plus 9320 Core i7-1360P | |
| Durchschnittliche Intel Core i7-1355U (31432 - 75408, n=18) | |
| LG Gram Style 14Z90RS-G.AD7AG | |
| Lenovo ThinkPad X13 G4 21EX004QGE | |
| Asus ExpertBook B9 B9403CVA-KM0153X | |
| Asus ZenBook S13 OLED UX5304 | |
| AIDA64 / CPU ZLib | |
| Durchschnitt der Klasse Subnotebook (164.9 - 1379, n=63, der letzten 2 Jahre) | |
| Dell XPS 13 Plus 9320 Core i7-1360P | |
| Asus ZenBook 14 UM3402Y | |
| Durchschnittliche Intel Core i7-1355U (454 - 684, n=18) | |
| Lenovo ThinkPad X13 G4 21EX004QGE | |
| LG Gram Style 14Z90RS-G.AD7AG | |
| Asus ExpertBook B9 B9403CVA-KM0153X | |
| Asus ZenBook S13 OLED UX5304 | |
| AIDA64 / FP64 Ray-Trace | |
| Durchschnitt der Klasse Subnotebook (610 - 17495, n=63, der letzten 2 Jahre) | |
| Asus ZenBook 14 UM3402Y | |
| Dell XPS 13 Plus 9320 Core i7-1360P | |
| LG Gram Style 14Z90RS-G.AD7AG | |
| Asus ExpertBook B9 B9403CVA-KM0153X | |
| Durchschnittliche Intel Core i7-1355U (2991 - 4453, n=18) | |
| Lenovo ThinkPad X13 G4 21EX004QGE | |
| Asus ZenBook S13 OLED UX5304 | |
| AIDA64 / CPU PhotoWorxx | |
| Dell XPS 13 Plus 9320 Core i7-1360P | |
| Durchschnitt der Klasse Subnotebook (6569 - 64588, n=63, der letzten 2 Jahre) | |
| LG Gram Style 14Z90RS-G.AD7AG | |
| Asus ZenBook S13 OLED UX5304 | |
| Lenovo ThinkPad X13 G4 21EX004QGE | |
| Asus ExpertBook B9 B9403CVA-KM0153X | |
| Durchschnittliche Intel Core i7-1355U (21800 - 46154, n=18) | |
| Asus ZenBook 14 UM3402Y | |
* ... kleinere Werte sind besser
System Performance
Insgesamt zeigt sich der Laptop von Asus schnell. Das gilt für den Startprozess, für das Aufrufen von Programmen, für Installations- und Deinstallationsprozesse. Auch eine Vielzahl geöffneter Programme verändert die hohe Reaktionsfähigkeit des Systems kaum bis gar nicht. Arbeiten, Surfen und mehr stellen das ExpertBook vor keinerlei Probleme.
Der Intel Core i7-1355U, der hier gut gekühlt seine Leistung ausschöpfen kann, ist mit alltäglichen Aufgaben nie überfordert und wird auch von komplexen Programmen vor keine zu großen Probleme gestellt. Für ein schnelles Business-Notebook ist die Systemleistung absolut angemessen.
CrossMark: Overall | Productivity | Creativity | Responsiveness
| PCMark 10 / Score | |
| Durchschnitt der Klasse Subnotebook (4920 - 8612, n=49, der letzten 2 Jahre) | |
| Asus ZenBook 14 UM3402Y | |
| Dell XPS 13 Plus 9320 Core i7-1360P | |
| Asus ExpertBook B9 B9403CVA-KM0153X | |
| Durchschnittliche Intel Core i7-1355U, Intel Iris Xe Graphics G7 96EUs (5455 - 5933, n=15) | |
| LG Gram Style 14Z90RS-G.AD7AG | |
| Asus ZenBook S13 OLED UX5304 | |
| Lenovo ThinkPad X13 G4 21EX004QGE | |
| PCMark 10 / Essentials | |
| Dell XPS 13 Plus 9320 Core i7-1360P | |
| Durchschnittliche Intel Core i7-1355U, Intel Iris Xe Graphics G7 96EUs (10203 - 11822, n=15) | |
| Asus ExpertBook B9 B9403CVA-KM0153X | |
| Lenovo ThinkPad X13 G4 21EX004QGE | |
| LG Gram Style 14Z90RS-G.AD7AG | |
| Asus ZenBook S13 OLED UX5304 | |
| Asus ZenBook 14 UM3402Y | |
| Durchschnitt der Klasse Subnotebook (8552 - 11457, n=49, der letzten 2 Jahre) | |
| PCMark 10 / Productivity | |
| Asus ZenBook 14 UM3402Y | |
| Durchschnitt der Klasse Subnotebook (5435 - 16132, n=49, der letzten 2 Jahre) | |
| Asus ExpertBook B9 B9403CVA-KM0153X | |
| Lenovo ThinkPad X13 G4 21EX004QGE | |
| Dell XPS 13 Plus 9320 Core i7-1360P | |
| LG Gram Style 14Z90RS-G.AD7AG | |
| Durchschnittliche Intel Core i7-1355U, Intel Iris Xe Graphics G7 96EUs (6763 - 7536, n=15) | |
| Asus ZenBook S13 OLED UX5304 | |
| PCMark 10 / Digital Content Creation | |
| Durchschnitt der Klasse Subnotebook (5722 - 12442, n=49, der letzten 2 Jahre) | |
| Dell XPS 13 Plus 9320 Core i7-1360P | |
| Durchschnittliche Intel Core i7-1355U, Intel Iris Xe Graphics G7 96EUs (5723 - 6712, n=15) | |
| LG Gram Style 14Z90RS-G.AD7AG | |
| Asus ZenBook S13 OLED UX5304 | |
| Asus ZenBook 14 UM3402Y | |
| Lenovo ThinkPad X13 G4 21EX004QGE | |
| Asus ExpertBook B9 B9403CVA-KM0153X | |
| CrossMark / Overall | |
| Dell XPS 13 Plus 9320 Core i7-1360P | |
| LG Gram Style 14Z90RS-G.AD7AG | |
| Durchschnitt der Klasse Subnotebook (365 - 2356, n=65, der letzten 2 Jahre) | |
| Asus ZenBook S13 OLED UX5304 | |
| Durchschnittliche Intel Core i7-1355U, Intel Iris Xe Graphics G7 96EUs (1478 - 1643, n=15) | |
| Lenovo ThinkPad X13 G4 21EX004QGE | |
| Asus ExpertBook B9 B9403CVA-KM0153X | |
| Asus ZenBook 14 UM3402Y | |
| CrossMark / Productivity | |
| Dell XPS 13 Plus 9320 Core i7-1360P | |
| LG Gram Style 14Z90RS-G.AD7AG | |
| Asus ZenBook S13 OLED UX5304 | |
| Durchschnittliche Intel Core i7-1355U, Intel Iris Xe Graphics G7 96EUs (1444 - 1665, n=15) | |
| Durchschnitt der Klasse Subnotebook (364 - 2277, n=65, der letzten 2 Jahre) | |
| Lenovo ThinkPad X13 G4 21EX004QGE | |
| Asus ExpertBook B9 B9403CVA-KM0153X | |
| Asus ZenBook 14 UM3402Y | |
| CrossMark / Creativity | |
| Dell XPS 13 Plus 9320 Core i7-1360P | |
| LG Gram Style 14Z90RS-G.AD7AG | |
| Durchschnitt der Klasse Subnotebook (372 - 2743, n=65, der letzten 2 Jahre) | |
| Asus ZenBook S13 OLED UX5304 | |
| Asus ExpertBook B9 B9403CVA-KM0153X | |
| Durchschnittliche Intel Core i7-1355U, Intel Iris Xe Graphics G7 96EUs (1563 - 1732, n=15) | |
| Lenovo ThinkPad X13 G4 21EX004QGE | |
| Asus ZenBook 14 UM3402Y | |
| CrossMark / Responsiveness | |
| Dell XPS 13 Plus 9320 Core i7-1360P | |
| LG Gram Style 14Z90RS-G.AD7AG | |
| Asus ZenBook S13 OLED UX5304 | |
| Durchschnittliche Intel Core i7-1355U, Intel Iris Xe Graphics G7 96EUs (1217 - 1681, n=15) | |
| Durchschnitt der Klasse Subnotebook (312 - 1889, n=65, der letzten 2 Jahre) | |
| Lenovo ThinkPad X13 G4 21EX004QGE | |
| Asus ExpertBook B9 B9403CVA-KM0153X | |
| Asus ZenBook 14 UM3402Y | |
| PCMark 10 Score | 5723 Punkte | |
Hilfe | ||
| AIDA64 / Memory Copy | |
| Durchschnitt der Klasse Subnotebook (14554 - 109734, n=63, der letzten 2 Jahre) | |
| Dell XPS 13 Plus 9320 Core i7-1360P | |
| LG Gram Style 14Z90RS-G.AD7AG | |
| Asus ExpertBook B9 B9403CVA-KM0153X | |
| Asus ZenBook S13 OLED UX5304 | |
| Lenovo ThinkPad X13 G4 21EX004QGE | |
| Durchschnittliche Intel Core i7-1355U (35017 - 71600, n=18) | |
| Asus ZenBook 14 UM3402Y | |
| AIDA64 / Memory Read | |
| Durchschnitt der Klasse Subnotebook (15948 - 127174, n=63, der letzten 2 Jahre) | |
| Dell XPS 13 Plus 9320 Core i7-1360P | |
| LG Gram Style 14Z90RS-G.AD7AG | |
| Lenovo ThinkPad X13 G4 21EX004QGE | |
| Durchschnittliche Intel Core i7-1355U (38551 - 73377, n=18) | |
| Asus ZenBook S13 OLED UX5304 | |
| Asus ExpertBook B9 B9403CVA-KM0153X | |
| Asus ZenBook 14 UM3402Y | |
| AIDA64 / Memory Write | |
| Dell XPS 13 Plus 9320 Core i7-1360P | |
| Durchschnitt der Klasse Subnotebook (15709 - 118935, n=63, der letzten 2 Jahre) | |
| LG Gram Style 14Z90RS-G.AD7AG | |
| Asus ExpertBook B9 B9403CVA-KM0153X | |
| Asus ZenBook S13 OLED UX5304 | |
| Lenovo ThinkPad X13 G4 21EX004QGE | |
| Durchschnittliche Intel Core i7-1355U (35910 - 93342, n=18) | |
| Asus ZenBook 14 UM3402Y | |
| AIDA64 / Memory Latency | |
| Durchschnittliche Intel Core i7-1355U (72.2 - 346, n=18) | |
| Lenovo ThinkPad X13 G4 21EX004QGE | |
| Asus ZenBook 14 UM3402Y | |
| Durchschnitt der Klasse Subnotebook (6.8 - 187.8, n=61, der letzten 2 Jahre) | |
| Dell XPS 13 Plus 9320 Core i7-1360P | |
| LG Gram Style 14Z90RS-G.AD7AG | |
| Asus ExpertBook B9 B9403CVA-KM0153X | |
| Asus ZenBook S13 OLED UX5304 | |
* ... kleinere Werte sind besser
DPC-Latenzen
Unmittelbar nach dem Start unserer Routine mit LatencyMon aus Surfen, Video-Streaming und maximaler CPU-Auslastung steigt die Latenz zu hoch, um noch Echt-Audiobearbeitung durchzuführen, was mit einem mobilen Business-Laptop aber kaum gefragt sein dürfte. Insgesamt fällt die Messung allerdings zufriedenstellend aus. Technisch vergleichbare Notebooks aus unserer Datenbank schneiden noch schlechter ab. Ein Update von Treibern könnte den Wert jedoch wesentlich verändern.
Nicht überzeugend verlief der Test mit 4K-Videostreaming. Insgesamt 70 Zwischenbilder wurden ausgelassen, also fast 2 %. Sämtliche Treiber von Asus waren zum Testzeitpunkt auf dem aktuellen Stand. Ein zukünftiges Update schafft hoffentlich Abhilfe.
| DPC Latencies / LatencyMon - interrupt to process latency (max), Web, Youtube, Prime95 | |
| Dell XPS 13 Plus 9320 Core i7-1360P | |
| Lenovo ThinkPad X13 G4 21EX004QGE | |
| Asus ZenBook 14 UM3402Y | |
| LG Gram Style 14Z90RS-G.AD7AG | |
| Asus ZenBook S13 OLED UX5304 | |
| Asus ExpertBook B9 B9403CVA-KM0153X | |
* ... kleinere Werte sind besser
Massenspeicher
Die SSD von Samsung mit PCIe-4.0-Anbindung arbeitet nicht schneller und auch nicht langsamer als die Speicher in ähnlich leistungsstarken Notebooks. Mit bis zu 6.600 MB/s kann sie die Kapazität die Anschlusses annähernd ausreizen. Zudem bleibt sie im Dauertest auf stabil hohem Leistungsniveau. Die komplette Ummantelung mit wärmeleitender Folie scheint Früchte zu tragen.
* ... kleinere Werte sind besser
Dauerleistung Lesen: DiskSpd Read Loop, Queue Depth 8
Grafikkarte
Bei der Grafikkarte Intel Iris Xe handelt es sich um eine im Prozessor verbaute iGPU, die sich größere Teile der Infrastruktur mit diesem teilt. Mit bis zu 1,3 GHz Taktfrequenz und 96 EUs bringt sie für alle erwartbaren Aufgaben genügend Rechenleistung mit. Auch Video- und Fotobearbeitung können in Angriff genommen werden, benötigen aber mehr Wartezeit als bei einer separaten GPU. Schon eines der kleinsten Modelle wie die Nvidia GeForce RTX 3050 bietet knapp die doppelte Leistung.
Viele Benchmarks und Vergleichswerte finden sich in unserer GPU-Benchmarkliste.
| 3DMark 11 Performance | 6903 Punkte | |
| 3DMark Cloud Gate Standard Score | 21984 Punkte | |
| 3DMark Fire Strike Score | 4916 Punkte | |
| 3DMark Time Spy Score | 1774 Punkte | |
Hilfe | ||
Gaming Performance
Das Asus ExpertBook B9 OLED ist nicht zum Spielen gedacht. Sobald die Details auf ein höheres Niveau gestellt werden, bricht die Bildrate regelmäßig auf unter 30 FPS ein. Spielbar sind die Titel dann nicht mehr.
Nicht mehr aktuelle Spiele lassen sich mit deutlich eingeschränkter Grafik und im besten Fall bei FullHD-Auflösung oder weniger trotzdem spielen. Die Grafikleistung bleibt selbst im Flüstermodus und im Akkubetrieb auf akzeptablem Niveau und liegt zumindest im Time-Spy-Bench nicht einmal 20 % unter dem besten von uns erfassten Wert.
| The Witcher 3 - 1920x1080 Ultra Graphics & Postprocessing (HBAO+) | |
| Durchschnitt der Klasse Subnotebook (13.9 - 34.6, n=19, der letzten 2 Jahre) | |
| Dell XPS 13 Plus 9320 Core i7-1360P | |
| Asus ZenBook 14 UM3402Y | |
| Asus ExpertBook B9 B9403CVA-KM0153X | |
| Asus ZenBook S13 OLED UX5304 | |
| Lenovo ThinkPad X13 G4 21EX004QGE | |
| LG Gram Style 14Z90RS-G.AD7AG | |
Im Dauertest mit Witcher 3 zeigt sich das ExpertBook auf niedrigem Niveau mit stabiler Leistung. Permanent pendelt der Wert um 12 FPS. Ganz anders sieht dies zum Beispiel beim LG Gram Style 14 aus. Hier messen wir anfangs 14 FPS, zwischendurch aber nur noch 8 bis 9. Es kommt deutlich schlechter mit einer dauerhaften Beanspruchung zurecht als der Laptop von Asus.
Witcher 3 FPS-Diagramm
| min. | mittel | hoch | max. | 4K DLSS | |
|---|---|---|---|---|---|
| GTA V (2015) | 106.9 | 89 | 24.7 | 10.1 | |
| The Witcher 3 (2015) | 81 | 52 | 29 | 13.5 | |
| Dota 2 Reborn (2015) | 105.2 | 77 | 64.6 | 54.9 | |
| Final Fantasy XV Benchmark (2018) | 43.6 | 22.9 | 16.5 | ||
| X-Plane 11.11 (2018) | 40.8 | 30.7 | 25.5 | ||
| Far Cry 5 (2018) | 48 | 27 | 26 | 23 | |
| Strange Brigade (2018) | 91.2 | 38.8 | 30.4 | 24.3 | |
| F1 23 (2023) | 40 | 36 | 25.1 | 18.8 | 7.7 |
Emissionen - Starke Lüftung im ExpertBook
Geräuschemissionen
Nur im Extremfall drängen sich die Lüfter unangenehm auf. Typischerweise messen wir selbst bei höherer Belastung 33 dB. Schon leise Hintergrundmusik kann diese Lautstärke mühelos übertönen. Minimal hörbar sind die Lüfter allerdings immer, selbst im "Flüstermodus".
Lautstärkediagramm
| Idle |
| 24.9 / 24.9 / 24.9 dB(A) |
| Last |
| 33 / 45 dB(A) |
![]() | ||
30 dB leise 40 dB(A) deutlich hörbar 50 dB(A) störend |
||
min: | ||
| Asus ExpertBook B9 B9403CVA-KM0153X Iris Xe G7 96EUs, i7-1355U, Samsung PM9A1 MZVL21T0HCLR | Lenovo ThinkPad X13 G4 21EX004QGE Iris Xe G7 96EUs, i7-1355U, Kioxia XG8 KXG8AZNV1T02 | Asus ZenBook S13 OLED UX5304 Iris Xe G7 96EUs, i7-1355U, Samsung PM9A1 MZVL21T0HCLR | LG Gram Style 14Z90RS-G.AD7AG Iris Xe G7 96EUs, i7-1360P, SK hynix PC801 HFS001TEJ9X101N | Dell XPS 13 Plus 9320 Core i7-1360P Iris Xe G7 96EUs, i7-1360P, Samsung PM9A1 MZVL2512HCJQ | Asus ZenBook 14 UM3402Y Vega 8, R7 7730U, Micron 2400 MTFDKBA512QFM | |
|---|---|---|---|---|---|---|
| Geräuschentwicklung | 1% | 4% | -0% | 2% | -1% | |
| aus / Umgebung * (dB) | 24.9 | 23.2 7% | 23.3 6% | 25 -0% | 23.7 5% | 22.6 9% |
| Idle min * (dB) | 24.9 | 23.2 7% | 23.3 6% | 25 -0% | 24 4% | 22.6 9% |
| Idle avg * (dB) | 24.9 | 23.2 7% | 23.3 6% | 25 -0% | 24 4% | 22.6 9% |
| Idle max * (dB) | 24.9 | 27.4 -10% | 23.3 6% | 25 -0% | 24.4 2% | 22.6 9% |
| Last avg * (dB) | 33 | 38.1 -15% | 37.7 -14% | 37 -12% | 37 -12% | 40.7 -23% |
| Last max * (dB) | 45 | 41.5 8% | 40.1 11% | 40.62 10% | 42 7% | 52.5 -17% |
| Witcher 3 ultra * (dB) | 41.4 | 40.1 | 37 | 42.1 | 46.6 |
* ... kleinere Werte sind besser
Temperatur
Eine spürbare Erwärmung ist fast immer registrierbar. Aufgrund der kompakten Bauweise und des potenten Prozessors verwundert das nicht. Hinzu kommt das zu großen Teilen aus Metall gefertigte Gehäuse, welches die Wärme aus dem Inneren ebenfalls effektiv abführt.
Entsprechend hoch fallen die Messwerte im Stresstest aus und liegen auf der Bodenplatte direkt über dem SoC bei fast 60 °C. Wobei dieses Szenario kaum dem typischen Anwendungsfall entspricht. In diesem zeigt sich, etwa in unseren Dauertests beim Schreiben der SSD, der mehrfachen Ausführung anspruchsvoller Benchmarks oder mit dem Spiel Witcher 3, dass das ExpertBook B9 stabil sein Leistungsniveau hält. Die Wärme wird also zuverlässig nach außen abgeführt.
(-) Die maximale Temperatur auf der Oberseite ist 48.8 °C. Im Vergleich liegt der Klassendurchschnitt bei 35.9 °C (von 21.4 bis 59 °C für die Klasse Subnotebook).
(-) Auf der Unterseite messen wir eine maximalen Wert von 56.5 °C (im Vergleich zum Durchschnitt von 39.2 °C).
(+) Ohne Last messen wir eine durchschnittliche Temperatur von 31.7 °C auf der Oberseite. Der Klassendurchschnitt erreicht 30.8 °C.
(±) Die Handballen und der Touchpad-Bereich können sehr heiß werden mit maximal 36.1 °C.
(-) Die durchschnittliche Handballen-Temperatur anderer getesteter Geräte war 28.2 °C (-7.9 °C).
| Asus ExpertBook B9 B9403CVA-KM0153X Intel Core i7-1355U, Intel Iris Xe Graphics G7 96EUs | Lenovo ThinkPad X13 G4 21EX004QGE Intel Core i7-1355U, Intel Iris Xe Graphics G7 96EUs | Asus ZenBook S13 OLED UX5304 Intel Core i7-1355U, Intel Iris Xe Graphics G7 96EUs | LG Gram Style 14Z90RS-G.AD7AG Intel Core i7-1360P, Intel Iris Xe Graphics G7 96EUs | Dell XPS 13 Plus 9320 Core i7-1360P Intel Core i7-1360P, Intel Iris Xe Graphics G7 96EUs | Asus ZenBook 14 UM3402Y AMD Ryzen 7 7730U, AMD Radeon RX Vega 8 (Ryzen 4000/5000) | |
|---|---|---|---|---|---|---|
| Hitze | 5% | 18% | 24% | 22% | 18% | |
| Last oben max * (°C) | 48.8 | 47.3 3% | 43.1 12% | 36.3 26% | 43.8 10% | 39.4 19% |
| Last unten max * (°C) | 56.5 | 44.8 21% | 45 20% | 36.8 35% | 44.4 21% | 43.2 24% |
| Idle oben max * (°C) | 33.3 | 35 -5% | 27.3 18% | 29.2 12% | 24 28% | 28.6 14% |
| Idle unten max * (°C) | 35 | 34.3 2% | 27.8 21% | 27.4 22% | 25.2 28% | 30.6 13% |
* ... kleinere Werte sind besser
Stresstest
Wie schon aus mehreren Leistungstests zu erahnen war, bereitet dem Business-Notebook von Asus ein hohe beziehungsweise maximale Beanspruchung kaum Probleme. Die effektive Taktrate des Prozessors verbleibt insbesondere bei den Standardeinstellungen auf stabil hohem Niveau. Lediglich im Leistungsmodus sind minimale Einbrüche zu beobachten.
Dass die CPU zuverlässig mit 15 Watt Leistungsaufnahme umgehen kann, sieht man dagegen bei Standardeinstellungen und im Akkubetrieb. Die effektive Taktrate und die Temperatur des Intel Core i7-1355U bleiben durchweg konstant.
Lautsprecher
Eine hohe Lautstärke darf man von den Lautsprechern im ExpertBook nicht erwarten. Auch zeigen sie sich im Bereich der mittleren Bässe etwas zu zurückhaltend.
Dafür können die kompletten Mitten und Höhen überzeugen. Das lässt sich insbesondere bei Musik sehr gut heraushören. Auch komplexe Musikstücke klingen gut, vor allem Stimmen werden mit hoher Qualität wiedergegeben. Für Notebook-Lautsprecher ist das ein respektables Ergebnis und die schwachen Bässe sind aufgrund der Größe der Treiber nicht anders zu erwarten gewesen.
Asus ExpertBook B9 B9403CVA-KM0153X Audio Analyse
(-) | Nicht sonderlich laut spielende Lautsprecher (70.45 dB)
Bass 100 - 315 Hz
(±) | abgesenkter Bass - 12.4% geringer als der Median
(±) | durchschnittlich lineare Bass-Wiedergabe (12.1% Delta zum Vorgänger)
Mitteltöne 400 - 2000 Hz
(+) | ausgeglichene Mitten, vom Median nur 2.1% abweichend
(+) | lineare Mitten (4.9% Delta zum Vorgänger)
Hochtöne 2 - 16 kHz
(+) | ausgeglichene Hochtöne, vom Median nur 3.2% abweichend
(+) | sehr lineare Hochtöne (5.6% Delta zum Vorgänger)
Gesamt im hörbaren Bereich 100 - 16.000 Hz
(+) | hörbarer Bereich ist sehr linear (12.9% Abstand zum Median
Im Vergleich zu allen Geräten derselben Klasse
» 19% aller getesteten Geräte dieser Klasse waren besser, 5% vergleichbar, 76% schlechter
» Das beste Gerät hat einen Delta-Wert von 5%, durchschnittlich ist 18%, das schlechteste Gerät hat 53%
Im Vergleich zu allen Geräten im Test
» 12% aller getesteten Geräte waren besser, 3% vergleichbar, 85% schlechter
» Das beste Gerät hat einen Delta-Wert von 4%, durchschnittlich ist 24%, das schlechteste Gerät hat 134%
Apple MacBook Pro 16 2021 M1 Pro Audio Analyse
(+) | Die Lautsprecher können relativ laut spielen (84.7 dB)
Bass 100 - 315 Hz
(+) | guter Bass - nur 3.8% Abweichung vom Median
(+) | lineare Bass-Wiedergabe (5.2% Delta zum Vorgänger)
Mitteltöne 400 - 2000 Hz
(+) | ausgeglichene Mitten, vom Median nur 1.3% abweichend
(+) | lineare Mitten (2.1% Delta zum Vorgänger)
Hochtöne 2 - 16 kHz
(+) | ausgeglichene Hochtöne, vom Median nur 1.9% abweichend
(+) | sehr lineare Hochtöne (2.7% Delta zum Vorgänger)
Gesamt im hörbaren Bereich 100 - 16.000 Hz
(+) | hörbarer Bereich ist sehr linear (4.6% Abstand zum Median
Im Vergleich zu allen Geräten derselben Klasse
» 0% aller getesteten Geräte dieser Klasse waren besser, 0% vergleichbar, 100% schlechter
» Das beste Gerät hat einen Delta-Wert von 5%, durchschnittlich ist 17%, das schlechteste Gerät hat 45%
Im Vergleich zu allen Geräten im Test
» 0% aller getesteten Geräte waren besser, 0% vergleichbar, 100% schlechter
» Das beste Gerät hat einen Delta-Wert von 4%, durchschnittlich ist 24%, das schlechteste Gerät hat 134%
Energieverwaltung - ExpertBook könnte sparsamer sein
Energieaufnahme
4,9 Watt sind ein solider Minimalwert für ein Business-Notebook, aber das LG Gram Style 14 zeigt mit größerem Prozessor und fast identischem Display, dass es noch ein bisschen besser geht. Beim durchschnittlichen Verbrauch mit leichter Beanspruchung liegt das ExpertBook schließlich deutlich über ausgewählten und gut vergleichbaren Konkurrenten, die mindestens ein Drittel sparsamer sind.
In der Spitze registrieren wir kurzfristig bis zu 69 Watt. Das liegt schon etwas über den Möglichkeiten des beiliegenden 65-Watt-Netzteils. Weil es sich dabei nur um Messspitzen handelt, ist die Stromversorgung mit parallelem Aufladen insgesamt sichergestellt.
| Aus / Standby | |
| Idle | |
| Last |
|
Legende:
min: | |
| Asus ExpertBook B9 B9403CVA-KM0153X i7-1355U, Iris Xe G7 96EUs, Samsung PM9A1 MZVL21T0HCLR, OLED, 2880x1800, 14" | Lenovo ThinkPad X13 G4 21EX004QGE i7-1355U, Iris Xe G7 96EUs, Kioxia XG8 KXG8AZNV1T02, OLED, 2880x1800, 13.3" | Asus ZenBook S13 OLED UX5304 i7-1355U, Iris Xe G7 96EUs, Samsung PM9A1 MZVL21T0HCLR, OLED, 2880x1800, 13.3" | LG Gram Style 14Z90RS-G.AD7AG i7-1360P, Iris Xe G7 96EUs, SK hynix PC801 HFS001TEJ9X101N, OLED, 2880x1800, 14" | Dell XPS 13 Plus 9320 Core i7-1360P i7-1360P, Iris Xe G7 96EUs, Samsung PM9A1 MZVL2512HCJQ, OLED, 3456x2160, 13.4" | Asus ZenBook 14 UM3402Y R7 7730U, Vega 8, Micron 2400 MTFDKBA512QFM, OLED, 2880x1800, 14" | Durchschnittliche Intel Iris Xe Graphics G7 96EUs | Durchschnitt der Klasse Subnotebook | |
|---|---|---|---|---|---|---|---|---|
| Stromverbrauch | 26% | 21% | 22% | 2% | -5% | 10% | 25% | |
| Idle min * (Watt) | 4.9 | 4.8 2% | 5.8 -18% | 3.58 27% | 6.9 -41% | 7.9 -61% | 5.51 ? -12% | 3.94 ? 20% |
| Idle avg * (Watt) | 12.5 | 6.2 50% | 8.5 32% | 7.125 43% | 7.4 41% | 8.8 30% | 8.66 ? 31% | 6.86 ? 45% |
| Idle max * (Watt) | 16.8 | 7.1 58% | 8.8 48% | 12.1 28% | 13.6 19% | 14.7 13% | 10.9 ? 35% | 8.18 ? 51% |
| Last avg * (Watt) | 43.8 | 33.1 24% | 35.1 20% | 40.67 7% | 43.5 1% | 46.9 -7% | 45.6 ? -4% | 42.5 ? 3% |
| Witcher 3 ultra * (Watt) | 41.2 | 35.8 13% | 27.6 33% | 48 -17% | 44.9 -9% | |||
| Last max * (Watt) | 68.1 | 62.8 8% | 59.5 13% | 64.2 6% | 63.3 7% | 65.2 4% | 67.8 ? -0% | 65.6 ? 4% |
* ... kleinere Werte sind besser
Energieaufnahme Witcher 3 / Stresstest
Energieaufnahme mit externem Monitor
Akkulaufzeit
Wegen des relativ große 63-Wh-Akkus fallen die Messungen der Akkulaufzeit sehr erfreulich aus. Begrenzt auf 150 cd/m² bleibt das Notebook in unserem WLAN-Test über 10 h aktiv. Auch die Videowiedergabe erzielte ähnliche Werte. Einen sehr großen Einfluss auf die Laufzeit hat der Bildschirm. Mit voller Helligkeit erreichen wir weniger als 8 h. Nutzt man hingegen konsequent den "dark mode" in Windows und beim Surfen, lässt sich Laufzeit um 1 bis 2 h verlängern.
Etwas lang zog sich das Aufladen hin. Deutlich über 2 h vergingen regelmäßig, bis der Akku wieder bei 100 % war. Nach etwas mehr als 1 h waren es aber meist bereits 80 %.
| Asus ExpertBook B9 B9403CVA-KM0153X i7-1355U, Iris Xe G7 96EUs, 63 Wh | Lenovo ThinkPad X13 G4 21EX004QGE i7-1355U, Iris Xe G7 96EUs, 54.7 Wh | Asus ZenBook S13 OLED UX5304 i7-1355U, Iris Xe G7 96EUs, 63 Wh | LG Gram Style 14Z90RS-G.AD7AG i7-1360P, Iris Xe G7 96EUs, 72 Wh | Dell XPS 13 Plus 9320 Core i7-1360P i7-1360P, Iris Xe G7 96EUs, 55 Wh | Asus ZenBook 14 UM3402Y R7 7730U, Vega 8, 75 Wh | Durchschnitt der Klasse Subnotebook | |
|---|---|---|---|---|---|---|---|
| Akkulaufzeit | -23% | 17% | 6% | -28% | 34% | 24% | |
| H.264 (h) | 10.1 | 13.8 37% | 10.1 0% | 15.7 ? 55% | |||
| WLAN (h) | 10.2 | 7.3 -28% | 11.3 11% | 11.7 15% | 7.3 -28% | 12.1 19% | 13.7 ? 34% |
| Last (h) | 2.3 | 1.9 -17% | 2.4 4% | 2.4 4% | 3.4 48% | 1.922 ? -16% |
Pro
Contra
Fazit - Überragende Leistung, überragender Preis
Viel besser geht es nicht, zumindest im Segment der kompakten Business-Notebooks. Das Asus ExpertBook B9 (2023) bietet viel Leistung aus dem mobilen i7-1355U und hält diese zuverlässig, wenn nötig. Das Display überzeugt mit starken Kontrasten, sauberer Farbwiedergabe und einer hohen Auflösung, die auch Digitalfotos gerecht wird.
Dazu kommt das stabile und dennoch nur 1 kg schwere Gehäuse. Es wirkt ein wenig bieder, was im Business-Bereich sicher kein Nachteil ist. Und die hohe Stabilität strahlt auf die Bedienung ab, weil die Tastatur nicht unnötig nachgibt, alles präzise und fest wirkt.
Echte Kritik gibt es nicht. Das ExpertBook ist schnell, leicht, meist leise - und teuer.
Nach Schwachstellen muss länger gesucht werden. Selbst Kamera und Lautsprecher, an denen nicht selten gespart wird, erledigen ihre Aufgaben gut. Etwas zu heiß wird vor allem die Bodenplatte im Stresstest. Auch die integrierte Grafik könnte schneller sein, was aber eher in Intels Verantwortung liegt. Und da wäre der Preis, der mit fast 2.400 Euro deutlich über der Konkurrenz angesiedelt ist. Aber zugegeben: Dafür gibt es ein schlankes, leichtes, voll ausgestattetes Kraftpaket.
Darf es ein bisschen weniger sein, wäre das ThinkPad X13 G4 eine gute Alternative. Der identische Prozessor arbeitet etwas langsamer, das Display ist weniger detailliert und der Akku hält kürzer - allerdings für 1.800 Euro. Bei der Leistung auf Augenhöhe (mit stärkerer CPU) ist das Dell XPS 13 Plus 9320. Für eine schwächere Webcam und weniger Akkulaufzeit werden knapp 1.700 Euro fällig.
Preis und Verfügbarkeit
Asus ExpertBook B9 B9403CVA-KM0153X
- 03.11.2023 v7 (old)
Mario Petzold
Transparenz
Die Auswahl der zu testenden Geräte erfolgt innerhalb der Redaktion. Das vorliegende Testmuster wurde dem Autor vom Hersteller oder einem Shop zu Testzwecken leihweise zur Verfügung gestellt. Eine Einflussnahme des Leihstellers auf den Testbericht gab es nicht, der Hersteller erhielt keine Version des Reviews vor der Veröffentlichung. Es bestand keine Verpflichtung zur Publikation. Als eigenständiges, unabhängiges Unternehmen unterliegt Notebookcheck keiner Diktion von Herstellern, Shops und Verlagen.
So testet Notebookcheck
Pro Jahr werden von Notebookcheck hunderte Laptops und Smartphones unabhängig in von uns standardisierten technischen Verfahren getestet, um eine Vergleichbarkeit aller Testergebnisse zu gewährleisten. Seit rund 20 Jahren entwickeln wir diese Testmethoden kontinuierlich weiter und setzen damit Branchenstandards. In unseren Testlaboren kommt ausschließlich hochwertiges Messequipment in die Hände erfahrener Techniker und Redakteure. Die Tests unterliegen einer mehrstufigen Kontrolle. Unsere komplexe Gesamtbewertung basiert auf hunderten fundierten Messergebnissen und Benchmarks, womit Ihnen Objektivität garantiert ist. Weitere Informationen zu unseren Testmethoden gibt es hier.
















































































