Test Schenker XMG Pro 17 E22: Gaming-Laptop mit RTX 3080 Ti liefert ab

Auf den ersten Blick hat Schenker mit dem XMG Pro 17 E22 ein reinrassiges Gaming-Notebook aufgesetzt. Das Gehäuse gewinnt sicher keinen Design-Preis, dafür leuchtet die Tastatur in allen gewünschten Farben. Große Lüftungsschlitze und ein recht dickes Gehäuse erlauben für die Intel-Alder-Lake-Prozessoren und die Nvidia GeForce RTX 3070 Ti oder 3080 Ti ausreichend Kühlung, um die hohe Stromzufuhr für entsprechend hervorragende Leistungswerte zu gewährleisten. Für etwa 2.500 bis 3.500 Euro lässt sich in diesem Gewand ein ambitionierter Mittelklasse-Laptop oder gern auch ein recht überragendes High-End-Notebook konfigurieren, wie es uns mit Intel Core i9-12900H, Nvidia GeForce RTX 3080 Ti, 32 GB RAM und 1 TB großer SSD vorliegt.
Aber es geht mehr. Statt des typischen sRGB-Displays mit angemessener QHD-Auflösung lässt sich auch ein vorkalibriertes 4K-Display mit Abdeckung des AdobeRGB-Farbraums auswählen. Dann bewegt sich der Preis jedoch in Richtung 4.000 Euro. Nicht wenige Desktopsysteme dürften bei der Video- und Bildbearbeitung oder dem Rendering das Nachsehen haben.
Dementsprechend zählen zur Konkurrenz neben Gaming-Notebooks wie dem Acer Predator Triton 500SE, Asus ROG Zephyrus Duo 16 oder Alienware x17 R2 auch ein MSI Raider GE77, das sich ebenfalls an Kreative richtet.
mögliche Konkurrenten im Vergleich
Bew. | Datum | Modell | Gewicht | Dicke | Größe | Auflösung | Preis ab |
|---|---|---|---|---|---|---|---|
| 85.4 % v7 (old) | 07 / 2022 | Schenker XMG Pro 17 E22 i9-12900H, GeForce RTX 3080 Ti Laptop GPU | 2.8 kg | 27 mm | 17.30" | 2560x1440 | |
| 86.8 % v7 (old) | 07 / 2022 | MSI Raider GE77 HX 12UHS i9-12900HX, GeForce RTX 3080 Ti Laptop GPU | 3.1 kg | 25.9 mm | 17.30" | 3840x2160 | |
| 87.2 % v7 (old) | 06 / 2022 | Acer Predator Triton 500 SE PT516-52s-70KX i7-12700H, GeForce RTX 3080 Ti Laptop GPU | 2.3 kg | 19.9 mm | 16.00" | 2560x1600 | |
| 84.7 % v7 (old) | 01 / 2022 | Schenker XMG Pro 17 (Late 2021, RTX 3080) i7-11800H, GeForce RTX 3080 Laptop GPU | 2.4 kg | 19.9 mm | 17.30" | 3840x2160 | |
| 88.2 % v7 (old) | 05 / 2022 | Asus ROG Zephyrus Duo 16 GX650RX R9 6900HX, GeForce RTX 3080 Ti Laptop GPU | 2.6 kg | 20.5 mm | 16.00" | 3840x2400 | |
| 80.3 % v7 (old) | 05 / 2022 | MSI Katana GF66 12UGS i7-12700H, GeForce RTX 3070 Ti Laptop GPU | 2.3 kg | 27.5 mm | 15.60" | 1920x1080 | |
| 89.2 % v7 (old) | 05 / 2022 | Alienware x17 R2 P48E i9-12900HK, GeForce RTX 3080 Ti Laptop GPU | 3.1 kg | 20.9 mm | 17.30" | 1920x1080 |
Gehäuse - Viel Schwarz am schlichten Gamer
Wenig elegant, dafür sehr pragmatisch wirkt das schwarze Gehäuse, dessen unterer Teil komplett aus Kunststoff gefertigt ist. Lediglich die Rückseite des Displays ist mit einer Abdeckung aus Aluminium - ebenfalls in Schwarz - stabilisiert. Angesichts der Diagonale von 17,3 Zoll wäre alles andere aber auch verwunderlich gewesen. Die Oberflächen zeigen sich leider allesamt sehr empfänglich für Fingerabdrücke.
Der Bildschirm lässt sich bequem mit einer Hand öffnen, schwingt dann zwar ein wenig nach, macht aber insgesamt einen stabilen Eindruck und lässt sich kaum verwinden. Das gilt noch mehr für den unteren Teil. Trotz eines stets zu spürenden Gewichts bleibt das Gehäuse gehalten an einer einzelnen Ecke nahezu gerade. Das gelingt auch Modellen mit einem höheren Anteil an Metallkomponenten nicht besser.
Auffällig sind im Grunde nur die großen und sich um das komplette Notebook ziehenden Lüftungsöffnungen. Zudem erlaubt die Bodenplatte fast auf der Hälfte ihrer Fläche den Luftaustausch mit der Umgebung. Damit herrscht auch Klarheit bezüglich des Aufstellortes: eine flache Tischplatte mit ausreichend Platz zu beiden Seiten und nach hinten.
Sehr viel schwerer und größer lässt sich ein Laptop nicht konstruieren. Das liegt natürlich am großen Bildschirm und an den leistungsstarken Komponenten. Gleichzeitig wird diesen innerhalb des Gehäuses ausreichend Platz für Wärmeableitung und Lüftung zur Verfügung gestellt. Aber wirklich mobil und tragbar ist das XMG Pro 17 E22 nur bedingt. Eine ausreichend große und auch stabile Tasche ist Voraussetzung für den Transport der ca. 3,5 kg inklusive Netzteil.
Zu bedenken ist außerdem, dass zur Dicke von 27 mm noch 5 mm hohe Füße kommen, die für ausreichend Bodenfreiheit zur Kühlung sorgen.
Ausstattung - Gaming auf fünf Displays
Am großen Gehäuse mit ausreichend Platz fehlt es an fast nichts. Vom Kartenleser über den LAN-Port bis zu viermal USB und vier Video-Ausgängen bleiben keine Wünsche offen.
Durch die Anordnung von Stromanschluss und drei der Video-Anschlüsse auf der Rückseite ergibt sich ein aufgeräumter Arbeitsplatz. Vor allem bei der Nutzung als Workstation könnten die variablen Monitor-Anschlüsse, die jeweils bis zu 8K unterstützen, von Vorteil sein. Beim Gaming dagegen würde auch ein einzelner davon sicherlich ausreichen.
Nicht ganz perfekt fällt die Anordnung aus. Beide USB-A-Anschlüsse befinden sich links und sind zudem nur 6 mm auseinander verbaut. Das reicht fast immer, aber USB-Sticks könnten sich blockieren. Ein weitere USB-Port rechts hätte den Gesamteindruck verbessert. Auch die Entscheidung für microSD erschließt sich nicht. Der Platz für einen vollwertigen Kartenslot wäre verfügbar gewesen.
SD Card Reader
Weit weg von ihren Möglichkeiten bleibt unsere Referenzkarte AV PRO microSD 128 GB V60. Sowohl der Abstand zur Spitze als auch zum Mittelwert unter den Gaming-Notebooks ist deutlich. Andere Laptops wie ein Alienware x17 R2 P48E können Daten dreimal so schnell kopieren, auslesen und überschreiben.
| SD Card Reader | |
| average JPG Copy Test (av. of 3 runs) | |
| Alienware x17 R2 P48E (AV Pro V60) | |
| Asus ROG Zephyrus Duo 16 GX650RX (AV PRO microSD 128 GB V60) | |
| Durchschnitt der Klasse Gaming (20 - 210, n=64, der letzten 2 Jahre) | |
| Acer Predator Triton 500 SE PT516-52s-70KX (AV PRO microSD 128 GB V60) | |
| Schenker XMG Pro 17 E22 (AV PRO microSD 128 GB V60) | |
| MSI Raider GE77 HX 12UHS (AV PRO microSD 128 GB V60) | |
| maximum AS SSD Seq Read Test (1GB) | |
| Alienware x17 R2 P48E (AV Pro V60) | |
| Asus ROG Zephyrus Duo 16 GX650RX (AV PRO microSD 128 GB V60) | |
| Durchschnitt der Klasse Gaming (25.5 - 261, n=61, der letzten 2 Jahre) | |
| Schenker XMG Pro 17 E22 (AV PRO microSD 128 GB V60) | |
| Acer Predator Triton 500 SE PT516-52s-70KX (AV PRO microSD 128 GB V60) | |
Kommunikation
Gar keinen Grund zur Klage bereitet das WLAN-Modul. Dessen Übertragungsraten bleiben im Test absolut konstant und befinden sich im Bereich des gerade noch technisch Möglichen.
Webcam
Dank Full-HD-Auflösung, aber leider nur mit 30 fps, ergibt sich eine akzeptable Bildqualität. Auch die Farbabweichungen sind vertretbar und führen zu keinen sofort sichtbaren Verfälschungen. Speziell für Videotelefonie präsentiert sich die Webcam damit ordentlich aufgestellt.
Auch das Mikrofon erledigt seine Aufgabe brauchbar. Wird nicht direkt in seine Richtung gesprochen, leidet die Qualität etwas, aber derart räumliche Aufnahmefähigkeiten sind im Grunde nur bei Business-Notebooks wichtig.

Wartung
Für spätere Aufrüstungen oder die Reinigung der Lüfter sind keinerlei Hürden aufgebaut. Zwar müssen immerhin 16 Schrauben entfernt werden, welche allerdings allesamt offen zugänglich sind und gleich lang ausfallen. Der komplette Boden wird anschließlich ohne größeren Kraftaufwand abgezogen. Es empfiehlt sich, im Bereich der Scharniere zu beginnen.
Der doppelte Lüfter liegt anschließend frei. Auch der Akku kann unkompliziert getauscht werden. Das gilt noch mehr für RAM und M.2-SSDs. Hier stehen jeweils zwei Schnittstellen zur Verfügung, die entweder bereits beim Kauf belegt werden oder sich nachträglich aufrüsten lassen.
Ungewöhnlich positioniert ist das WLAN-Modul, welches direkt unter der SSD steckt. Wechselbar ist auch dieses. Es fällt insgesamt auf, dass auf Wärme ableitende Elemente sowohl bei der SSD als auch beim Arbeitsspeicher verzichtet wird. Aufgrund der leistungsbedingten Erwärmung im Inneren nicht die allerbeste Entscheidung.
Eingabegeräte - Würdige Gaming-Tastatur am XMG Pro 17
Das Schenker XMG Pro 17 E22 verfügt selbstverständlich über eine RGB-Tastatur. Neben ein paar fließenden, pulsierenden und teils irritierenden Farbverläufen lässt sich jede Taste oder ein bestimmter Bereich individuell gestalten. Gelobt werden darf der Hub von 1,5 mm. Dieser ist somit deutlich höher als bei Standard-Tastaturen für Notebooks. Es schreibt und tippt sich entsprechend angenehm, auch weil der Gegendruck stimmig wirkt. Nur der leicht nachgebende Tastaturrahmen hätte stabiler gestaltet werden dürfen.
Das 15 mal 9 cm große Touchpad reagiert präzise und lässt sich gut bedienen. Fast das Gegenteil muss zu den beiden Tasten gesagt werden, die unsichtbar unter dem Touchpad verbaut sind. Der Druckpunkt wirkt schwammig und teilweise passiert erst bei stärkerem Aufdrücken etwas. Da an einem Gaming-Notebook oder einer Workstation aber fast immer eine Maus zum Einsatz kommen wird, dürften sich die Wenigsten daran stören.
Display - Solide Werte für Schenkers Gaming-Laptop
Im von uns getesteten XMG Pro 17 E22 findet sich ein fast klassisches Gaming-Display. Mit der Auflösung QHD, einer Bildwiederholfrequenz von 165 Hz und dem Farbraum sRGB sind die wichtigsten Punkte abgehakt. Dazu wirken 17,3 Zoll aus der kurzen Entfernung immer recht eindrucksvoll.
Ebenfalls überzeugend wirkt der Kontrast mit etwa 1100:1. Das spricht für einen guten Schwarzwert, weil die maximale Helligkeit eher bescheiden ausfällt. Knapp 300 cd/m² reichen kaum, um auch im Freien noch etwas zu erkennen oder auch die großen Kontrastunterschiede von HDR-Inhalten anzeigen zu können. Beides jedoch ist beim Gaming nicht unbedingt gefordert.
Des Weiteren kombiniert das Display G-Sync und Nvidia Advanced Optimus. Auf diese Weise stehen variable Bildraten zur Verfügung, was die möglichen FPS in Spielen deutlich anheben kann. Auch die Latenz fällt geringer aus als beim Vorgänger Optimus (ohne "Advanced"), weil die Grafikkarte direkt mit dem Bildschirm verbunden ist. Das Zusammenspiel der beiden Systeme sorgt dafür, dass die gute Grafikleistung auch tatsächlich auf dem Display zu sehen ist.
Für professionelle Medienbearbeitung steht außerdem ein 4K-Display mit AdobeRGB und 400 cd/m² zur Auswahl. Für anspruchsvolle Aufgaben auch unterwegs ist das sicherlich eine Option. Ansonsten stehen so viele Video-Anschlüsse zur Verfügung, dass sich auch nachträglich noch die passenden Monitore verbinden lassen.
Ein Flackern durch PWM bei unterschiedlichen Helligkeitsstufen konnten wir nicht feststellen.
| |||||||||||||||||||||||||
Ausleuchtung: 83 %
Helligkeit Akku: 349 cd/m²
Kontrast: 1091:1 (Schwarzwert: 0.32 cd/m²)
ΔE ColorChecker Calman: 2.5 | ∀{0.5-29.43 Ø4.76}
calibrated: 0.64
ΔE Greyscale Calman: 3.9 | ∀{0.09-98 Ø5}
85.2% AdobeRGB 1998 (Argyll 3D)
99.9% sRGB (Argyll 3D)
97.5% Display P3 (Argyll 3D)
Gamma: 2.09
CCT: 7192 K
| Schenker XMG Pro 17 E22 BOE099D, IPS, 2560x1440, 17.3" | MSI Raider GE77 HX 12UHS AU Optronics B173ZAN06.1, IPS, 3840x2160, 17.3" | Acer Predator Triton 500 SE PT516-52s-70KX NE160QDM-NZ2, IPS LED, 2560x1600, 16" | Schenker XMG Pro 17 (Late 2021, RTX 3080) AUO B173ZAN3.0 (AUO309B), IPS, 3840x2160, 17.3" | Asus ROG Zephyrus Duo 16 GX650RX BOE NE160QAM-NX1, IPS-Level, 3840x2400, 16" | MSI Katana GF66 12UGS AU Optronics AUOAF90, IPS, 1920x1080, 15.6" | Alienware x17 R2 P48E AU Optronics B173HAN, IPS, 1920x1080, 17.3" | |
|---|---|---|---|---|---|---|---|
| Display | 0% | 0% | 2% | 1% | -52% | -9% | |
| Display P3 Coverage (%) | 97.5 | 96.6 -1% | 97.3 0% | 87.1 -11% | 98 1% | 39.1 -60% | 79.2 -19% |
| sRGB Coverage (%) | 99.9 | 99.8 0% | 100 0% | 100 0% | 99.9 0% | 58.3 -42% | 99.8 0% |
| AdobeRGB 1998 Coverage (%) | 85.2 | 85.8 1% | 84.9 0% | 100 17% | 86.3 1% | 40.4 -53% | 79.6 -7% |
| Response Times | 6% | -75% | -573% | -76% | -480% | -83% | |
| Response Time Grey 50% / Grey 80% * (ms) | 5.4 ? | 5.8 ? -7% | 13.8 ? -156% | 46.8 ? -767% | 14.6 ? -170% | 40 ? -641% | 12.4 ? -130% |
| Response Time Black / White * (ms) | 6.8 ? | 5.6 ? 18% | 6.4 ? 6% | 32.6 ? -379% | 5.6 ? 18% | 28.4 ? -318% | 9.2 ? -35% |
| PWM Frequency (Hz) | |||||||
| Bildschirm | -61% | 21% | -66% | -10% | -79% | -2% | |
| Helligkeit Bildmitte (cd/m²) | 349 | 381 9% | 498 43% | 475 36% | 459 32% | 227 -35% | 365.4 5% |
| Brightness (cd/m²) | 319 | 371 16% | 468 47% | 451 41% | 434 36% | 225 -29% | 344 8% |
| Brightness Distribution (%) | 83 | 84 1% | 80 -4% | 84 1% | 88 6% | 90 8% | 85 2% |
| Schwarzwert * (cd/m²) | 0.32 | 0.52 -63% | 0.36 -13% | 0.34 -6% | 0.44 -38% | 0.21 34% | 0.29 9% |
| Kontrast (:1) | 1091 | 733 -33% | 1383 27% | 1397 28% | 1043 -4% | 1081 -1% | 1260 15% |
| Delta E Colorchecker * | 2.5 | 1.77 29% | 5.84 -134% | 2.97 -19% | 4.19 -68% | 3.17 -27% | |
| Colorchecker dE 2000 max. * | 6.87 | 5.24 24% | 9.97 -45% | 8.13 -18% | 17.45 -154% | 7.69 -12% | |
| Colorchecker dE 2000 calibrated * | 0.64 | 2.53 -295% | 0.63 2% | 3.51 -448% | 1.03 -61% | 3.81 -495% | 0.51 20% |
| Delta E Graustufen * | 3.9 | 2.4 38% | 6.56 -68% | 4.9 -26% | 2.7 31% | 5.3 -36% | |
| Gamma | 2.09 105% | 2.14 103% | 2.42 91% | 2.235 98% | 2.208 100% | 2.18 101% | |
| CCT | 7192 90% | 7046 92% | 6376 102% | 6775 96% | 6176 105% | 5879 111% | |
| Durchschnitt gesamt (Programm / Settings) | -18% /
-32% | -18% /
3% | -212% /
-124% | -28% /
-17% | -204% /
-130% | -31% /
-15% |
* ... kleinere Werte sind besser
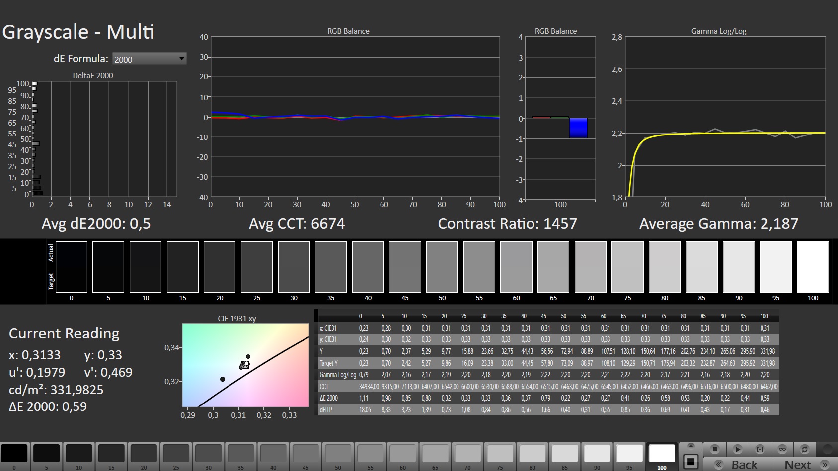
Wie von Schenker versprochen, messen wir beim Display des XMG Pro 17 E22 eine annähernd vollständige Abdeckung des sRGB-Farbraums. Auch DCI-P3, der beispielsweise bei Kinoproduktionen zum Einsatz kommt, wird annähernd geschafft. AdobeRGB mit größeren Grün- und Blaubereichen wird noch immer zu über 80 Prozent abgedeckt. Das Display zeigt sich in jedem Fall farbintensiv.
Und es ist sehr genau eingestellt. Bereits vor der Kalibrierung messen wir ein DeltaE von 2,5. Eine Farbabweichung von unter 3 gilt als mit bloßem Auge nicht mehr wahrnehmbar. Dass der Wert anschließend nur noch bei 0,6 liegt, spricht ganz klar für das Panel. Das zugehörige Farbprofil steht in der Box mit den Displaydetails zum Download bereit.
Reaktionszeiten (Response Times) des Displays
| ↔ Reaktionszeiten Schwarz zu Weiß | ||
|---|---|---|
| 6.8 ms ... steigend ↗ und fallend ↘ kombiniert | ↗ 2.9 ms steigend | |
| ↘ 3.9 ms fallend | ||
| Die gemessenen Reaktionszeiten sind sehr kurz, wodurch sich der Bildschirm auch für schnelle 3D Spiele eignen sollte. Im Vergleich rangierten die bei uns getesteten Geräte von 0.1 (Minimum) zu 240 (Maximum) ms. » 20 % aller Screens waren schneller als der getestete. Daher sind die gemessenen Reaktionszeiten besser als der Durchschnitt aller vermessenen Geräte (20.1 ms). | ||
| ↔ Reaktionszeiten 50% Grau zu 80% Grau | ||
| 5.4 ms ... steigend ↗ und fallend ↘ kombiniert | ↗ 2.3 ms steigend | |
| ↘ 3.1 ms fallend | ||
| Die gemessenen Reaktionszeiten sind sehr kurz, wodurch sich der Bildschirm auch für schnelle 3D Spiele eignen sollte. Im Vergleich rangierten die bei uns getesteten Geräte von 0.165 (Minimum) zu 636 (Maximum) ms. » 17 % aller Screens waren schneller als der getestete. Daher sind die gemessenen Reaktionszeiten besser als der Durchschnitt aller vermessenen Geräte (31.5 ms). | ||
Bildschirm-Flackern / PWM (Pulse-Width Modulation)
| Flackern / PWM nicht festgestellt | |||
Im Vergleich: 53 % aller getesteten Geräte nutzten kein PWM um die Helligkeit zu reduzieren. Wenn PWM eingesetzt wurde, dann bei einer Frequenz von durchschnittlich 8039 (Minimum 5, Maximum 343500) Hz. | |||
Wirklich mobil ist der Gaming-Laptop von Schenker nicht unbedingt, weshalb auch die Einsatzfähigkeit des Displays im Sonnenlicht nur selten gefragt ist. Trotz eher geringer Spitzenhelligkeit bleiben vor allem Texte gut erkennbar.
Farben dagegen verblassen in einer zu hellen Umgebung. Auf einem schattigen Balkon sollten aber keine nennenswerten Probleme auftreten, zumal das leicht matte Display störende Reflexionen gut verhindert.
Leistung - i9 und RTX 3080 Ti mit viel Luft
An Leistungsreserven mangelt es dem Schenker XMG Pro 17 E22 sicherlich nicht. Mit dem Intel-Alder-Lake-Prozessor i9-12900H und der Nvidia GeForce RTX 3080 Ti setzt das System auf erwiesenermaßen schnelle und selbst für hochkomplexe Programme bestens gerüstete Hardware.
Sowohl am Prozessor ließe sich mit dem i7-12700H als auch an der Grafikkarte mit einer RTX 3070 Ti noch sparen. Diese Einstiegsvariante wäre immer noch mehr als ausreichend für aktuelle Spiele, auch wenn manche Titel nicht mit allen Details gespielt werden könnten. Steht Gaming im Mittelpunkt, erscheint aber zumindest der Griff zur RTX 3080 Ti ganz sinnvoll, während der etwas kleiner Prozessor keine Probleme bereiten dürfte.
Soll das XMG Pro 17 E22 Workstation und Spielelaptop in einem sein, ist die Maximalausstattung empfehlenswert, am besten mit wenigstens 32 GB RAM kombiniert.
Testbedingungen
Das großzügige Gehäuse erlaubt eine hohe Leistungsaufnahme, da genügend Platz zur Kühlung vorhanden ist. Dann stehen dem Prozessor kurzzeitig 125 W zur Verfügung. Die Grafikkarte genehmigt sich bis zu 155 W, wobei 25 W als "Dynamic Boost" von der CPU umgeleitet werden können.
Um diese Leistung an das jeweilige Vorhaben oder auch die Arbeitsumgebung anzupassen, stehen vier Modi zur Auswahl. Für unsere Benchmarks wurde stets der Leistungsmodus eingestellt. Daneben finden sich ein leicht reduzierter Unterhaltungsmodus, ein erstaunlich effizienter Lautlosmodus (der Name ist keineswegs zutreffend) und ein Stromsparmodus, der im Akkubetrieb noch einmal knapp 10 % Laufzeit bringen kann.
Interessanterweise ist die Stromzufuhr im Lautlosmodus noch geringer eingestellt als beim Stromsparen. Entsprechend kühl und leise, aber mit stets hörbaren Lüftern, lässt sich in diesem Modus arbeiten, ohne bei alltäglichen Aufgaben eklatante Leistungseinbußen hinnehmen zu müssen.
| Profil | PL1 | PL2 |
|---|---|---|
| Leistungsmodus | 115 W | 125 W |
| Unterhaltungsmodus | 65 W | 115 W |
| Lautlosmodus | 35 W | 65 W |
| Stromsparmodus | 45 W | 65 W |
Prozessor
Mit insgesamt 14 Kernen und 20 Threads bringt den Intel Core i9-12900H nicht viel aus der Fassung. Auch die maximale Taktfrequenz von 5 GHz spricht für die Leistungsfähigkeit des Prozessors. Insbesondere die Intel-CPUs der vorangegangenen Generation können die "Alder-Lake"-Modelle ganz klar hinter sich lassen. Auch AMD hat das Nachsehen mit Blick auf unseren Cinebench-R15-Dauertest. Die komplette Übersicht zu den Leistungswerten der verschiedenen Prozessoren liefert unsere CPU-Benchmark-Seite.
Weil Schenker beim XMG Pro 17 E22 allerdings "nur" 125 W in der Spitze und 115 W über längere Zeit zulässt, können auch Notebooks mit i7-12700H gleichziehen. Andere Gaming-Laptops mit identischer CPU wie ein Asus ROG Strix Scar 15 G533ZW erlauben schlicht eine höhere Stromzufuhr, was die rohe Prozessorleistung natürlich verbessert. In konkreten Fall sorgen 15 % mehr Strom für ein 10 % besseres Ergebnis. Inwieweit der erhöhte Kühlungsbedarf Einfluss auf die Grafikleistung hat, steht aber auf einem anderen Blatt.
Stark reduziert zeigt sich die Rechenleistung im Akkubetrieb. Nur noch knapp 25 W werden dem Prozessor zugestanden. Auch die gemessenen Taktraten fallen von 3,5 auf 1,5 GHz. Die Werte im Cinebench R15 fallen dadurch auf ungefähr die Hälfte im Vergleich zur Maximalleistung.
Cinebench R15 Multi Dauertest
Cinebench R23: Multi Core | Single Core
Cinebench R20: CPU (Multi Core) | CPU (Single Core)
Cinebench R15: CPU Multi 64Bit | CPU Single 64Bit
Blender: v2.79 BMW27 CPU
7-Zip 18.03: 7z b 4 | 7z b 4 -mmt1
Geekbench 5.5: Multi-Core | Single-Core
HWBOT x265 Benchmark v2.2: 4k Preset
LibreOffice : 20 Documents To PDF
R Benchmark 2.5: Overall mean
| CPU Performance Rating | |
| Durchschnitt der Klasse Gaming | |
| MSI Raider GE77 HX 12UHS | |
| Alienware x17 R2 P48E | |
| Schenker XMG Pro 17 E22 | |
| Acer Predator Triton 500 SE PT516-52s-70KX | |
| Durchschnittliche Intel Core i9-12900H | |
| MSI Katana GF66 12UGS | |
| Asus ROG Zephyrus Duo 16 GX650RX | |
| Schenker XMG Pro 17 (Late 2021, RTX 3080) | |
| Cinebench R23 / Multi Core | |
| Durchschnitt der Klasse Gaming (5668 - 40970, n=136, der letzten 2 Jahre) | |
| MSI Raider GE77 HX 12UHS | |
| Alienware x17 R2 P48E | |
| MSI Katana GF66 12UGS | |
| Schenker XMG Pro 17 E22 | |
| Acer Predator Triton 500 SE PT516-52s-70KX | |
| Durchschnittliche Intel Core i9-12900H (7359 - 19648, n=28) | |
| Asus ROG Zephyrus Duo 16 GX650RX | |
| Schenker XMG Pro 17 (Late 2021, RTX 3080) | |
| Cinebench R23 / Single Core | |
| Durchschnitt der Klasse Gaming (1136 - 2267, n=136, der letzten 2 Jahre) | |
| Schenker XMG Pro 17 E22 | |
| MSI Raider GE77 HX 12UHS | |
| Alienware x17 R2 P48E | |
| Durchschnittliche Intel Core i9-12900H (1634 - 1930, n=28) | |
| MSI Katana GF66 12UGS | |
| Acer Predator Triton 500 SE PT516-52s-70KX | |
| Asus ROG Zephyrus Duo 16 GX650RX | |
| Schenker XMG Pro 17 (Late 2021, RTX 3080) | |
| Cinebench R20 / CPU (Multi Core) | |
| Durchschnitt der Klasse Gaming (2179 - 16108, n=135, der letzten 2 Jahre) | |
| MSI Raider GE77 HX 12UHS | |
| Alienware x17 R2 P48E | |
| Schenker XMG Pro 17 E22 | |
| MSI Katana GF66 12UGS | |
| Acer Predator Triton 500 SE PT516-52s-70KX | |
| Durchschnittliche Intel Core i9-12900H (2681 - 7471, n=28) | |
| Asus ROG Zephyrus Duo 16 GX650RX | |
| Schenker XMG Pro 17 (Late 2021, RTX 3080) | |
| Cinebench R20 / CPU (Single Core) | |
| Durchschnitt der Klasse Gaming (439 - 870, n=135, der letzten 2 Jahre) | |
| MSI Raider GE77 HX 12UHS | |
| Schenker XMG Pro 17 E22 | |
| Alienware x17 R2 P48E | |
| Durchschnittliche Intel Core i9-12900H (624 - 738, n=28) | |
| MSI Katana GF66 12UGS | |
| Acer Predator Triton 500 SE PT516-52s-70KX | |
| Asus ROG Zephyrus Duo 16 GX650RX | |
| Schenker XMG Pro 17 (Late 2021, RTX 3080) | |
| Cinebench R15 / CPU Multi 64Bit | |
| Durchschnitt der Klasse Gaming (1537 - 6271, n=135, der letzten 2 Jahre) | |
| MSI Raider GE77 HX 12UHS | |
| Alienware x17 R2 P48E | |
| MSI Katana GF66 12UGS | |
| MSI Katana GF66 12UGS | |
| Schenker XMG Pro 17 E22 | |
| Acer Predator Triton 500 SE PT516-52s-70KX | |
| Durchschnittliche Intel Core i9-12900H (1395 - 3077, n=28) | |
| Asus ROG Zephyrus Duo 16 GX650RX | |
| Schenker XMG Pro 17 (Late 2021, RTX 3080) | |
| Cinebench R15 / CPU Single 64Bit | |
| Durchschnitt der Klasse Gaming (188.8 - 343, n=134, der letzten 2 Jahre) | |
| MSI Raider GE77 HX 12UHS | |
| Schenker XMG Pro 17 E22 | |
| Alienware x17 R2 P48E | |
| MSI Katana GF66 12UGS | |
| MSI Katana GF66 12UGS | |
| Durchschnittliche Intel Core i9-12900H (235 - 277, n=29) | |
| Asus ROG Zephyrus Duo 16 GX650RX | |
| Acer Predator Triton 500 SE PT516-52s-70KX | |
| Schenker XMG Pro 17 (Late 2021, RTX 3080) | |
| Blender / v2.79 BMW27 CPU | |
| MSI Katana GF66 12UGS | |
| Schenker XMG Pro 17 (Late 2021, RTX 3080) | |
| Durchschnittliche Intel Core i9-12900H (160 - 451, n=28) | |
| Asus ROG Zephyrus Duo 16 GX650RX | |
| Acer Predator Triton 500 SE PT516-52s-70KX | |
| Schenker XMG Pro 17 E22 | |
| Alienware x17 R2 P48E | |
| Durchschnitt der Klasse Gaming (80 - 517, n=131, der letzten 2 Jahre) | |
| MSI Raider GE77 HX 12UHS | |
| 7-Zip 18.03 / 7z b 4 | |
| Durchschnitt der Klasse Gaming (23795 - 148086, n=133, der letzten 2 Jahre) | |
| MSI Raider GE77 HX 12UHS | |
| Alienware x17 R2 P48E | |
| Schenker XMG Pro 17 E22 | |
| Acer Predator Triton 500 SE PT516-52s-70KX | |
| Asus ROG Zephyrus Duo 16 GX650RX | |
| Durchschnittliche Intel Core i9-12900H (34684 - 76677, n=28) | |
| MSI Katana GF66 12UGS | |
| Schenker XMG Pro 17 (Late 2021, RTX 3080) | |
| 7-Zip 18.03 / 7z b 4 -mmt1 | |
| Durchschnitt der Klasse Gaming (4199 - 7508, n=133, der letzten 2 Jahre) | |
| MSI Raider GE77 HX 12UHS | |
| Schenker XMG Pro 17 E22 | |
| MSI Katana GF66 12UGS | |
| Durchschnittliche Intel Core i9-12900H (5302 - 6289, n=28) | |
| Alienware x17 R2 P48E | |
| Asus ROG Zephyrus Duo 16 GX650RX | |
| Schenker XMG Pro 17 (Late 2021, RTX 3080) | |
| Acer Predator Triton 500 SE PT516-52s-70KX | |
| Geekbench 5.5 / Multi-Core | |
| Durchschnitt der Klasse Gaming (4557 - 27010, n=133, der letzten 2 Jahre) | |
| MSI Raider GE77 HX 12UHS | |
| Alienware x17 R2 P48E | |
| Acer Predator Triton 500 SE PT516-52s-70KX | |
| Schenker XMG Pro 17 E22 | |
| Durchschnittliche Intel Core i9-12900H (8519 - 14376, n=31) | |
| MSI Katana GF66 12UGS | |
| Asus ROG Zephyrus Duo 16 GX650RX | |
| Schenker XMG Pro 17 (Late 2021, RTX 3080) | |
| Geekbench 5.5 / Single-Core | |
| Durchschnitt der Klasse Gaming (986 - 2474, n=133, der letzten 2 Jahre) | |
| MSI Raider GE77 HX 12UHS | |
| Alienware x17 R2 P48E | |
| Schenker XMG Pro 17 E22 | |
| Durchschnittliche Intel Core i9-12900H (1631 - 1897, n=31) | |
| MSI Katana GF66 12UGS | |
| Acer Predator Triton 500 SE PT516-52s-70KX | |
| Schenker XMG Pro 17 (Late 2021, RTX 3080) | |
| Asus ROG Zephyrus Duo 16 GX650RX | |
| HWBOT x265 Benchmark v2.2 / 4k Preset | |
| Durchschnitt der Klasse Gaming (7.7 - 44.3, n=133, der letzten 2 Jahre) | |
| MSI Raider GE77 HX 12UHS | |
| Alienware x17 R2 P48E | |
| Schenker XMG Pro 17 E22 | |
| Acer Predator Triton 500 SE PT516-52s-70KX | |
| Asus ROG Zephyrus Duo 16 GX650RX | |
| Durchschnittliche Intel Core i9-12900H (8.05 - 22.5, n=28) | |
| Schenker XMG Pro 17 (Late 2021, RTX 3080) | |
| MSI Katana GF66 12UGS | |
| LibreOffice / 20 Documents To PDF | |
| Schenker XMG Pro 17 (Late 2021, RTX 3080) | |
| Durchschnitt der Klasse Gaming (19 - 88.8, n=133, der letzten 2 Jahre) | |
| Asus ROG Zephyrus Duo 16 GX650RX | |
| MSI Raider GE77 HX 12UHS | |
| Durchschnittliche Intel Core i9-12900H (36.8 - 59.8, n=28) | |
| Acer Predator Triton 500 SE PT516-52s-70KX | |
| Alienware x17 R2 P48E | |
| Schenker XMG Pro 17 E22 | |
| MSI Katana GF66 12UGS | |
| R Benchmark 2.5 / Overall mean | |
| Schenker XMG Pro 17 (Late 2021, RTX 3080) | |
| Asus ROG Zephyrus Duo 16 GX650RX | |
| Acer Predator Triton 500 SE PT516-52s-70KX | |
| Durchschnittliche Intel Core i9-12900H (0.4218 - 0.506, n=28) | |
| MSI Katana GF66 12UGS | |
| Schenker XMG Pro 17 E22 | |
| Alienware x17 R2 P48E | |
| Durchschnitt der Klasse Gaming (0.3439 - 0.759, n=134, der letzten 2 Jahre) | |
| MSI Raider GE77 HX 12UHS | |
* ... kleinere Werte sind besser
AIDA64: FP32 Ray-Trace | FPU Julia | CPU SHA3 | CPU Queen | FPU SinJulia | FPU Mandel | CPU AES | CPU ZLib | FP64 Ray-Trace | CPU PhotoWorxx
| Performance Rating | |
| Durchschnitt der Klasse Gaming | |
| MSI Raider GE77 HX 12UHS | |
| Asus ROG Zephyrus Duo 16 GX650RX | |
| Schenker XMG Pro 17 (Late 2021, RTX 3080) | |
| Alienware x17 R2 P48E | |
| Acer Predator Triton 500 SE PT516-52s-70KX | |
| Durchschnittliche Intel Core i9-12900H | |
| Schenker XMG Pro 17 E22 | |
| MSI Katana GF66 12UGS | |
| AIDA64 / FP32 Ray-Trace | |
| Durchschnitt der Klasse Gaming (7192 - 85542, n=133, der letzten 2 Jahre) | |
| MSI Raider GE77 HX 12UHS | |
| Asus ROG Zephyrus Duo 16 GX650RX | |
| Schenker XMG Pro 17 (Late 2021, RTX 3080) | |
| Durchschnittliche Intel Core i9-12900H (4074 - 18289, n=28) | |
| Alienware x17 R2 P48E | |
| Acer Predator Triton 500 SE PT516-52s-70KX | |
| MSI Katana GF66 12UGS | |
| Schenker XMG Pro 17 E22 | |
| AIDA64 / FPU Julia | |
| Durchschnitt der Klasse Gaming (35040 - 238426, n=133, der letzten 2 Jahre) | |
| MSI Raider GE77 HX 12UHS | |
| Asus ROG Zephyrus Duo 16 GX650RX | |
| Schenker XMG Pro 17 (Late 2021, RTX 3080) | |
| Durchschnittliche Intel Core i9-12900H (22307 - 93236, n=28) | |
| Alienware x17 R2 P48E | |
| Acer Predator Triton 500 SE PT516-52s-70KX | |
| MSI Katana GF66 12UGS | |
| Schenker XMG Pro 17 E22 | |
| AIDA64 / CPU SHA3 | |
| Durchschnitt der Klasse Gaming (1728 - 9817, n=133, der letzten 2 Jahre) | |
| MSI Raider GE77 HX 12UHS | |
| Schenker XMG Pro 17 (Late 2021, RTX 3080) | |
| Asus ROG Zephyrus Duo 16 GX650RX | |
| Alienware x17 R2 P48E | |
| Acer Predator Triton 500 SE PT516-52s-70KX | |
| Durchschnittliche Intel Core i9-12900H (1378 - 4215, n=28) | |
| Schenker XMG Pro 17 E22 | |
| MSI Katana GF66 12UGS | |
| AIDA64 / CPU Queen | |
| Durchschnitt der Klasse Gaming (49785 - 173351, n=133, der letzten 2 Jahre) | |
| Alienware x17 R2 P48E | |
| Schenker XMG Pro 17 E22 | |
| Asus ROG Zephyrus Duo 16 GX650RX | |
| MSI Raider GE77 HX 12UHS | |
| Durchschnittliche Intel Core i9-12900H (78172 - 111241, n=28) | |
| MSI Katana GF66 12UGS | |
| Acer Predator Triton 500 SE PT516-52s-70KX | |
| Schenker XMG Pro 17 (Late 2021, RTX 3080) | |
| AIDA64 / FPU SinJulia | |
| Durchschnitt der Klasse Gaming (4424 - 33636, n=133, der letzten 2 Jahre) | |
| Asus ROG Zephyrus Duo 16 GX650RX | |
| MSI Raider GE77 HX 12UHS | |
| Alienware x17 R2 P48E | |
| Acer Predator Triton 500 SE PT516-52s-70KX | |
| Schenker XMG Pro 17 (Late 2021, RTX 3080) | |
| MSI Katana GF66 12UGS | |
| Schenker XMG Pro 17 E22 | |
| Durchschnittliche Intel Core i9-12900H (5709 - 10410, n=28) | |
| AIDA64 / FPU Mandel | |
| Durchschnitt der Klasse Gaming (17585 - 128721, n=133, der letzten 2 Jahre) | |
| Asus ROG Zephyrus Duo 16 GX650RX | |
| MSI Raider GE77 HX 12UHS | |
| Schenker XMG Pro 17 (Late 2021, RTX 3080) | |
| Durchschnittliche Intel Core i9-12900H (11257 - 45581, n=28) | |
| Alienware x17 R2 P48E | |
| Acer Predator Triton 500 SE PT516-52s-70KX | |
| MSI Katana GF66 12UGS | |
| Schenker XMG Pro 17 E22 | |
| AIDA64 / CPU AES | |
| MSI Raider GE77 HX 12UHS | |
| Schenker XMG Pro 17 (Late 2021, RTX 3080) | |
| Asus ROG Zephyrus Duo 16 GX650RX | |
| Durchschnitt der Klasse Gaming (19065 - 247074, n=133, der letzten 2 Jahre) | |
| Alienware x17 R2 P48E | |
| Acer Predator Triton 500 SE PT516-52s-70KX | |
| Schenker XMG Pro 17 E22 | |
| MSI Katana GF66 12UGS | |
| Durchschnittliche Intel Core i9-12900H (31935 - 151546, n=28) | |
| AIDA64 / CPU ZLib | |
| Durchschnitt der Klasse Gaming (373 - 2531, n=133, der letzten 2 Jahre) | |
| MSI Raider GE77 HX 12UHS | |
| Alienware x17 R2 P48E | |
| Acer Predator Triton 500 SE PT516-52s-70KX | |
| Schenker XMG Pro 17 E22 | |
| MSI Katana GF66 12UGS | |
| Durchschnittliche Intel Core i9-12900H (449 - 1193, n=28) | |
| Asus ROG Zephyrus Duo 16 GX650RX | |
| Schenker XMG Pro 17 (Late 2021, RTX 3080) | |
| AIDA64 / FP64 Ray-Trace | |
| Durchschnitt der Klasse Gaming (3856 - 45446, n=133, der letzten 2 Jahre) | |
| MSI Raider GE77 HX 12UHS | |
| Asus ROG Zephyrus Duo 16 GX650RX | |
| Schenker XMG Pro 17 (Late 2021, RTX 3080) | |
| Durchschnittliche Intel Core i9-12900H (2235 - 10511, n=28) | |
| Alienware x17 R2 P48E | |
| Acer Predator Triton 500 SE PT516-52s-70KX | |
| MSI Katana GF66 12UGS | |
| Schenker XMG Pro 17 E22 | |
| AIDA64 / CPU PhotoWorxx | |
| MSI Raider GE77 HX 12UHS | |
| Durchschnitt der Klasse Gaming (10805 - 62916, n=133, der letzten 2 Jahre) | |
| Durchschnittliche Intel Core i9-12900H (20960 - 48269, n=29) | |
| Acer Predator Triton 500 SE PT516-52s-70KX | |
| Alienware x17 R2 P48E | |
| Asus ROG Zephyrus Duo 16 GX650RX | |
| Schenker XMG Pro 17 E22 | |
| MSI Katana GF66 12UGS | |
| Schenker XMG Pro 17 (Late 2021, RTX 3080) | |
System Performance
Weit oben sortiert sich das XMG Pro 17 beim PCMark 10 ein. Im recht realitätsnahen Test liegt es knapp über dem Durchschnitt der Modelle mit identischer Ausstattung. Ein MSI Raider GE77, das auf dem Papier noch leistungsstärker einzuordnen ist, liegt 12 % darunter.
Dieses Ergebnis lässt sich beim Umgang mit dem Laptop nachvollziehen. Es spielt fast keine Rolle, wie viele Programme parallel geöffnet sind. Stets steht genügend Leistung abrufbereit.
Am bemerkenswertesten allerdings ist die Tatsache, dass die Werte im Lautlosmodus für die gleiche Platzierung gereicht hätten. Es müssen also weder ein lauter Lüfter noch ein allzu warmes Gehäuse in Kauf genommen zu werden, um flüssig mit dem Notebook zu agieren. Im Übrigen sinken auch die Spiele-FPS nur um etwa 10 bis 20 Prozent in diesem Modus.
Ein wenig Einfluss auf die Systemleistung hat die Entscheidung von Schenker, auf DDR5-RAM zu verzichten. Erklärt wird dies vor allem mit den günstigeren Preisen für die Module, während die zu erwartende Verbesserung verglichen mit DDR4 im Bereich weniger Prozentpunkte liegt.
CrossMark: Overall | Productivity | Creativity | Responsiveness
| PCMark 10 / Score | |
| Alienware x17 R2 P48E | |
| Durchschnitt der Klasse Gaming (5776 - 10060, n=112, der letzten 2 Jahre) | |
| Schenker XMG Pro 17 E22 | |
| Durchschnittliche Intel Core i9-12900H, NVIDIA GeForce RTX 3080 Ti Laptop GPU (7139 - 8083, n=6) | |
| Acer Predator Triton 500 SE PT516-52s-70KX | |
| MSI Katana GF66 12UGS | |
| Schenker XMG Pro 17 (Late 2021, RTX 3080) | |
| MSI Raider GE77 HX 12UHS | |
| Asus ROG Zephyrus Duo 16 GX650RX | |
| PCMark 10 / Essentials | |
| Alienware x17 R2 P48E | |
| Schenker XMG Pro 17 E22 | |
| Durchschnittliche Intel Core i9-12900H, NVIDIA GeForce RTX 3080 Ti Laptop GPU (10254 - 11178, n=6) | |
| Durchschnitt der Klasse Gaming (8810 - 12600, n=116, der letzten 2 Jahre) | |
| Acer Predator Triton 500 SE PT516-52s-70KX | |
| MSI Katana GF66 12UGS | |
| Schenker XMG Pro 17 (Late 2021, RTX 3080) | |
| MSI Raider GE77 HX 12UHS | |
| Asus ROG Zephyrus Duo 16 GX650RX | |
| PCMark 10 / Productivity | |
| Schenker XMG Pro 17 E22 | |
| Alienware x17 R2 P48E | |
| Durchschnittliche Intel Core i9-12900H, NVIDIA GeForce RTX 3080 Ti Laptop GPU (9102 - 11186, n=6) | |
| Durchschnitt der Klasse Gaming (6662 - 16716, n=114, der letzten 2 Jahre) | |
| MSI Katana GF66 12UGS | |
| MSI Raider GE77 HX 12UHS | |
| Acer Predator Triton 500 SE PT516-52s-70KX | |
| Schenker XMG Pro 17 (Late 2021, RTX 3080) | |
| Asus ROG Zephyrus Duo 16 GX650RX | |
| PCMark 10 / Digital Content Creation | |
| Durchschnitt der Klasse Gaming (7440 - 19351, n=114, der letzten 2 Jahre) | |
| Alienware x17 R2 P48E | |
| Schenker XMG Pro 17 E22 | |
| Durchschnittliche Intel Core i9-12900H, NVIDIA GeForce RTX 3080 Ti Laptop GPU (9847 - 12627, n=6) | |
| Acer Predator Triton 500 SE PT516-52s-70KX | |
| MSI Katana GF66 12UGS | |
| Schenker XMG Pro 17 (Late 2021, RTX 3080) | |
| MSI Raider GE77 HX 12UHS | |
| Asus ROG Zephyrus Duo 16 GX650RX | |
| CrossMark / Overall | |
| MSI Raider GE77 HX 12UHS | |
| Durchschnitt der Klasse Gaming (1247 - 2344, n=112, der letzten 2 Jahre) | |
| MSI Katana GF66 12UGS | |
| Alienware x17 R2 P48E | |
| Acer Predator Triton 500 SE PT516-52s-70KX | |
| Durchschnittliche Intel Core i9-12900H, NVIDIA GeForce RTX 3080 Ti Laptop GPU (1696 - 1965, n=3) | |
| Asus ROG Zephyrus Duo 16 GX650RX | |
| CrossMark / Productivity | |
| MSI Raider GE77 HX 12UHS | |
| MSI Katana GF66 12UGS | |
| Durchschnitt der Klasse Gaming (1299 - 2211, n=112, der letzten 2 Jahre) | |
| Alienware x17 R2 P48E | |
| Acer Predator Triton 500 SE PT516-52s-70KX | |
| Durchschnittliche Intel Core i9-12900H, NVIDIA GeForce RTX 3080 Ti Laptop GPU (1622 - 1870, n=3) | |
| Asus ROG Zephyrus Duo 16 GX650RX | |
| CrossMark / Creativity | |
| MSI Raider GE77 HX 12UHS | |
| Durchschnitt der Klasse Gaming (1275 - 2729, n=112, der letzten 2 Jahre) | |
| Alienware x17 R2 P48E | |
| Durchschnittliche Intel Core i9-12900H, NVIDIA GeForce RTX 3080 Ti Laptop GPU (1855 - 2135, n=3) | |
| Acer Predator Triton 500 SE PT516-52s-70KX | |
| MSI Katana GF66 12UGS | |
| Asus ROG Zephyrus Duo 16 GX650RX | |
| CrossMark / Responsiveness | |
| MSI Katana GF66 12UGS | |
| MSI Raider GE77 HX 12UHS | |
| Acer Predator Triton 500 SE PT516-52s-70KX | |
| Asus ROG Zephyrus Duo 16 GX650RX | |
| Durchschnitt der Klasse Gaming (1030 - 2330, n=112, der letzten 2 Jahre) | |
| Alienware x17 R2 P48E | |
| Durchschnittliche Intel Core i9-12900H, NVIDIA GeForce RTX 3080 Ti Laptop GPU (1483 - 1777, n=3) | |
| PCMark 10 Score | 7812 Punkte | |
Hilfe | ||
| AIDA64 / Memory Copy | |
| Durchschnitt der Klasse Gaming (21750 - 108104, n=133, der letzten 2 Jahre) | |
| MSI Raider GE77 HX 12UHS | |
| Acer Predator Triton 500 SE PT516-52s-70KX | |
| Durchschnittliche Intel Core i9-12900H (34438 - 74264, n=28) | |
| Alienware x17 R2 P48E | |
| Asus ROG Zephyrus Duo 16 GX650RX | |
| Schenker XMG Pro 17 (Late 2021, RTX 3080) | |
| Schenker XMG Pro 17 E22 | |
| MSI Katana GF66 12UGS | |
| AIDA64 / Memory Read | |
| Durchschnitt der Klasse Gaming (22956 - 104349, n=133, der letzten 2 Jahre) | |
| MSI Raider GE77 HX 12UHS | |
| Acer Predator Triton 500 SE PT516-52s-70KX | |
| Durchschnittliche Intel Core i9-12900H (36365 - 74642, n=28) | |
| Alienware x17 R2 P48E | |
| Asus ROG Zephyrus Duo 16 GX650RX | |
| Schenker XMG Pro 17 (Late 2021, RTX 3080) | |
| MSI Katana GF66 12UGS | |
| Schenker XMG Pro 17 E22 | |
| AIDA64 / Memory Write | |
| Durchschnitt der Klasse Gaming (22297 - 133486, n=133, der letzten 2 Jahre) | |
| MSI Raider GE77 HX 12UHS | |
| Durchschnittliche Intel Core i9-12900H (32276 - 67858, n=28) | |
| Asus ROG Zephyrus Duo 16 GX650RX | |
| Alienware x17 R2 P48E | |
| Acer Predator Triton 500 SE PT516-52s-70KX | |
| MSI Katana GF66 12UGS | |
| Schenker XMG Pro 17 E22 | |
| Schenker XMG Pro 17 (Late 2021, RTX 3080) | |
| AIDA64 / Memory Latency | |
| Acer Predator Triton 500 SE PT516-52s-70KX | |
| Durchschnitt der Klasse Gaming (59.5 - 259, n=133, der letzten 2 Jahre) | |
| Alienware x17 R2 P48E | |
| MSI Katana GF66 12UGS | |
| Schenker XMG Pro 17 (Late 2021, RTX 3080) | |
| Asus ROG Zephyrus Duo 16 GX650RX | |
| Schenker XMG Pro 17 E22 | |
| Durchschnittliche Intel Core i9-12900H (74.7 - 118.1, n=27) | |
| MSI Raider GE77 HX 12UHS | |
* ... kleinere Werte sind besser
DPC-Latenzen
Im Vergleich zur Konkurrenz schneidet das Schenker XMG Pro 17 E22 bezüglich der DPC-Latenzen recht passabel ab. Das genügt aber nicht, um beispielsweise Live-Audio-Bearbeitungen durchzuführen, auch wenn der Wert der höchsten Unterbrechung unterhalb einer Tausendstelsekunde bleibt. Die Treiber für Energieverwaltung und DirectX verursachen die längsten Pausen.
Auch die 4K-Video-Wiedergabe bei Youtube war nicht ganz perfekt. Die 9 ausgelassenen Einzelbilder - wie im Screenshot zu sehen - sind nicht viel. Eine Gaming-Workstation sollte das aber noch besser können.
| DPC Latencies / LatencyMon - interrupt to process latency (max), Web, Youtube, Prime95 | |
| Acer Predator Triton 500 SE PT516-52s-70KX | |
| MSI Raider GE77 HX 12UHS | |
| Schenker XMG Pro 17 (Late 2021, RTX 3080) | |
| Alienware x17 R2 P48E | |
| Schenker XMG Pro 17 E22 | |
| MSI Katana GF66 12UGS | |
| Asus ROG Zephyrus Duo 16 GX650RX | |
* ... kleinere Werte sind besser
Massenspeicher
Die eingesetzte Samsung SSD 980 Pro liefert die erwarteten Werte. Sie erreicht zumindest beim sequenziellen Lesen die Übertragungsraten, die PCIe 4.0 zulässt. Bei dauerhafter Beanspruchung macht sich aber die fehlende Wärmeableitung bemerkbar. Eine entscheidende Rolle spielt das höchstens beim Überspielen sehr großer Datenmengen und kaum im alltäglichen Umgang.
Trotzdem zeigt beispielsweise das Acer Predator Triton 500 SE, dass die Leistung der SSD nicht zwangsläufig einbrechen muss.
| Schenker XMG Pro 17 E22 Samsung SSD 980 Pro 1TB MZ-V8P1T0BW | MSI Raider GE77 HX 12UHS Samsung PM9A1 MZVL22T0HBLB | Acer Predator Triton 500 SE PT516-52s-70KX Micron 3400 1TB MTFDKBA1T0TFH | Schenker XMG Pro 17 (Late 2021, RTX 3080) Samsung SSD 980 Pro 1TB MZ-V8P1T0BW | Asus ROG Zephyrus Duo 16 GX650RX 2x Samsung SSD 980 Pro 2TB MZ-V8P2T0 (RAID 0) | MSI Katana GF66 12UGS Micron 2450 1TB MTFDKBA1T0TFK | Alienware x17 R2 P48E 2x Samsung PM9A1 1TB (RAID 0) | Durchschnittliche Samsung SSD 980 Pro 1TB MZ-V8P1T0BW | Durchschnitt der Klasse Gaming | |
|---|---|---|---|---|---|---|---|---|---|
| Drive Performance Rating | |||||||||
| Percent (pt) | 73.4 | 78.5 7% | 67.3 -8% | 76.7 4% | 75.9 3% | 60 -18% | 60.8 -17% | 67.1 -9% | 63.5 -13% |
| DiskSpd | 5% | -5% | 3% | 34% | -20% | 9% | -5% | -9% | |
| seq read (MB/s) | 3141 | 3713 18% | 3595 14% | 4285 36% | 4903 56% | 2031 -35% | 4931 57% | 3877 ? 23% | 3444 ? 10% |
| seq write (MB/s) | 3391 | 3706 9% | 4599 36% | 4325 28% | 7889 133% | 3365 -1% | 4819 42% | 3893 ? 15% | 3942 ? 16% |
| seq q8 t1 read (MB/s) | 6766 | 6695 -1% | 6499 -4% | 6666 -1% | 10557 56% | 3372 -50% | 13195 95% | 6544 ? -3% | 7053 ? 4% |
| seq q8 t1 write (MB/s) | 4993 | 4959 -1% | 4765 -5% | 5006 0% | 9830 97% | 3390 -32% | 8227 65% | 4879 ? -2% | 5679 ? 14% |
| 4k q1 t1 read (MB/s) | 67.2 | 83 24% | 70.3 5% | 93.6 39% | 73.1 9% | 70.9 6% | 79.3 18% | 79.9 ? 19% | 69.5 ? 3% |
| 4k q1 t1 write (MB/s) | 279 | 286 3% | 222 -20% | 248 -11% | 359 29% | 403 44% | 170.2 -39% | 217 ? -22% | 203 ? -27% |
| 4k q32 t16 read (MB/s) | 4260 | 4075 -4% | 2750 -35% | 4198 -1% | 2390 -44% | 1849 -57% | 874 -79% | 3197 ? -25% | 2452 ? -42% |
| 4k q32 t16 write (MB/s) | 3961 | 3503 -12% | 2786 -30% | 1225 -69% | 1542 -61% | 2571 -35% | 461 -88% | 2341 ? -41% | 2004 ? -49% |
| AS SSD | 9% | -14% | 8% | 5% | -85% | -39% | -14% | -17% | |
| Score Total (Points) | 9047 | 8951 -1% | 7009 -23% | 9011 0% | 6635 -27% | 7793 -14% | 4941 -45% | 7334 ? -19% | 6924 ? -23% |
| Score Read (Points) | 3276 | 3399 4% | 2709 -17% | 3372 3% | 2619 -20% | 2741 -16% | 1948 -41% | 2811 ? -14% | 2325 ? -29% |
| Score Write (Points) | 4151 | 3882 -6% | 2930 -29% | 3980 -4% | 2556 -38% | 3640 -12% | 2137 -49% | 3159 ? -24% | 3474 ? -16% |
| Seq Read (MB/s) | 4559 | 5053.82 11% | 4531.51 -1% | 5315 17% | 5344.88 17% | 3061.5 -33% | 6561.69 44% | 4838 ? 6% | 5350 ? 17% |
| Seq Write (MB/s) | 3548 | 3628.78 2% | 4186.78 18% | 3920 10% | 7663.27 116% | 3002.92 -15% | 3480.87 -2% | 3490 ? -2% | 3926 ? 11% |
| 4K Read (MB/s) | 63.1 | 82.47 31% | 64.38 2% | 86.2 37% | 68.93 9% | 89.53 42% | 69.21 10% | 72 ? 14% | 69.3 ? 10% |
| 4K Write (MB/s) | 254.1 | 247.61 -3% | 212.27 -16% | 220.6 -13% | 328.69 29% | 339.58 34% | 184.49 -27% | 188.8 ? -26% | 216 ? -15% |
| 4K-64 Read (MB/s) | 2757 | 2811.14 2% | 2191.95 -20% | 2754 0% | 2015.68 -27% | 2345.25 -15% | 1223.07 -56% | 2234 ? -19% | 1722 ? -38% |
| 4K-64 Write (MB/s) | 3543 | 3271.86 -8% | 2298.82 -35% | 3367 -5% | 1460.96 -59% | 2999.99 -15% | 1604.89 -55% | 2622 ? -26% | 2866 ? -19% |
| Access Time Read * (ms) | 0.073 | 0.03 59% | 0.034 53% | 0.053 27% | 0.07 4% | 0.03 59% | 0.04075 ? 44% | 0.05956 ? 18% | |
| Access Time Write * (ms) | 0.018 | 0.017 6% | 0.022 -22% | 0.019 -6% | 0.013 28% | 0.18 -900% | 0.066 -267% | 0.03363 ? -87% | 0.03718 ? -107% |
| Durchschnitt gesamt (Programm / Settings) | 7% /
7% | -9% /
-10% | 5% /
6% | 14% /
17% | -41% /
-56% | -16% /
-19% | -9% /
-10% | -13% /
-14% |
* ... kleinere Werte sind besser
Dauerleistung Lesen: DiskSpd Read Loop, Queue Depth 8
Grafikkarte
Im von uns getesteten Schenker XMG Pro 17 E22 arbeitet die Nvidia GeForce RTX 3080 Ti mit 16 GB VRAM. Sie ist die ideale Wahl für eine möglichst hohe Grafikleistung. Auch aktuelle Spiele auf einem externen Monitor mit höherer Auflösung als QHD dürften ihr keine Probleme bereiten.
Wobei die zugestandene Stromaufnahme entscheidend für die Leistungsentfaltung ist, welche wiederum mit der Kühlfähigkeit des Notebooks zusammenhängt. 155 W (inklusive 25 W Boost) sind mindestens ein überdurchschnittlicher Wert, der das XMG Pro in unserer Rangliste weit nach oben katapultiert. Stärker schneiden in den Benchmarks von 3DMark zwar das MSI Raider GE77 und das Alienware x17 R2 P48E ab, aber hier werden jeweils maximal 175 W verbraucht. Der Abstand nach Punkten dagegen bleibt deutlich geringer, sodass das Schenker durchaus mehr Leistung aus seinem Stromverbrauch ziehen kann.
Eine Übersicht zur Leistungsfähigkeit verschiedener Grafikkarten liefert unsere GPU-Benchmark-Seite.
| 3DMark 11 Performance | 32392 Punkte | |
| 3DMark Cloud Gate Standard Score | 55629 Punkte | |
| 3DMark Fire Strike Score | 26009 Punkte | |
| 3DMark Time Spy Score | 12314 Punkte | |
Hilfe | ||
Gaming Performance
Neue, anspruchsvolle Spiele lassen sich dank der hohen Grafikleistung und der guten Kühlung in der Regel ohne Verzicht auf Details flüssig spielen. Denkbar ist zudem der Anschluss eines 4K-Monitors. Mit dem großen Videospeicher stellt eine Auflösung auch oberhalb von QHD kein Problem dar.
Ein Blick auf die getesteten Spiele zeigt außerdem, dass das XMG Pro 17 sich teils deutlich über dem Durchschnitt der Notebooks mit identischer Grafikkarte einsortiert. Neben der hohen Stromzufuhr ist auch die starke, wenn auch laute Lüftung hierfür verantwortlich.
| Forza Horizon 5 | |
| 1920x1080 High Preset | |
| Schenker XMG Pro 17 E22 | |
| Durchschnittliche NVIDIA GeForce RTX 3080 Ti Laptop GPU (66 - 144, n=5) | |
| 1920x1080 Extreme Preset | |
| Schenker XMG Pro 17 E22 | |
| Durchschnittliche NVIDIA GeForce RTX 3080 Ti Laptop GPU (48 - 95, n=5) | |
| 2560x1440 Extreme Preset | |
| Schenker XMG Pro 17 E22 | |
| Durchschnittliche NVIDIA GeForce RTX 3080 Ti Laptop GPU (40 - 82, n=5) | |
| Elex 2 | |
| 1920x1080 High / On AA:FX AF:16x | |
| Schenker XMG Pro 17 E22 | |
| Durchschnittliche NVIDIA GeForce RTX 3080 Ti Laptop GPU (43 - 96, n=3) | |
| 1920x1080 Ultra / On AA:SM AF:16x | |
| Schenker XMG Pro 17 E22 | |
| Durchschnittliche NVIDIA GeForce RTX 3080 Ti Laptop GPU (31 - 91, n=3) | |
| 2560x1440 Ultra / On AA:SM AF:16x | |
| Schenker XMG Pro 17 E22 | |
| Durchschnittliche NVIDIA GeForce RTX 3080 Ti Laptop GPU (31 - 93, n=3) | |
Die Systemleistung bleibt auf Dauer stabil, weil die beiden Lüfter im Inneren und zahlreiche Lufteinlässe passend dimensioniert sind. Die Schwankungen im Dauertest mit Witcher 3 auf maximaler Detailstufe liegen im Bereich von wenigen Prozenten. Ein stärkerer Abfall der Bildrate ist auch auf längere Sicht nicht zu erkennen.
Witcher 3 FPS-Diagramm
| min. | mittel | hoch | max. | QHD | |
|---|---|---|---|---|---|
| GTA V (2015) | 177.5 | 116.6 | 93.5 | ||
| The Witcher 3 (2015) | 210 | 112 | |||
| Dota 2 Reborn (2015) | 164.5 | 155.8 | |||
| Final Fantasy XV Benchmark (2018) | 120.2 | 91.1 | |||
| X-Plane 11.11 (2018) | 115.5 | ||||
| Far Cry 5 (2018) | 153 | 136 | 120 | ||
| Strange Brigade (2018) | 238 | 207 | 149.1 | ||
| Forza Horizon 5 (2021) | 144 | 91 | 79 | ||
| Elex 2 (2022) | 96 | 91 | 93 |
Emissionen - Klug eingestelltes Gaming-Notebook
Geräuschemissionen
Ganz lautlos ist der Laptop von Schenker eher selten. Ein sanftes, aber angenehm gleichmäßiges Lüftergeräusch bleibt fast immer hintergründig zu hören. Mit durchschnittlich 34 dB kann dieses aber meist vernachlässigt werden und stört auch auf Dauer kaum.
Anders sieht die Sache aus, wenn wirklich Leistung gefragt ist. Allem voran wird dies bei Spielen der Fall sein. Die beiden Lüfter müssen dann zeigen, was sie zu leisten imstande sind, und verursachen ein nicht mehr zu überhörendes Rauschen, das bei offener Tür auch im nächsten Zimmer deutlich wahrnehmbar ist. Bei über 50 dB empfiehlt sich dann fast zwangsläufig die Verwendung von Kopfhörern. Aber auch bei hoher Drehzahl sind nie nervige Wechsel der Drehzahl oder gar ein deutliches Hochdrehen zu vernehmen.
Ein Lob verdient der Lautlosmodus. Der Name ist zwar völlig irreführend, aber die reduzierte Leistungsaufnahme führt zu einem sehr angenehmen Lüfterverhalten. Die Systemleistung bleibt überraschend gut und das Notebook von Schenker kann auf diese Weise auch in Umgebungen eingesetzt werden, in denen Ruhe verlangt wird. Gerade in einem Büro, im Home-Office oder überall sonst, wo Konzentration gefragt ist, dürfte sich dieser Modus etablieren, der einer Workstation würdig ist. Dass eine Videobearbeitung dann ein paar Minuten länger rechnet, wird nur selten stören.
Lautstärkediagramm
| Idle |
| 26 / 34 / 42 dB(A) |
| Last |
| 58 / 58 dB(A) |
![]() | ||
30 dB leise 40 dB(A) deutlich hörbar 50 dB(A) störend |
||
min: | ||
| Schenker XMG Pro 17 E22 i9-12900H, GeForce RTX 3080 Ti Laptop GPU | MSI Raider GE77 HX 12UHS i9-12900HX, GeForce RTX 3080 Ti Laptop GPU | Acer Predator Triton 500 SE PT516-52s-70KX i7-12700H, GeForce RTX 3080 Ti Laptop GPU | Schenker XMG Pro 17 (Late 2021, RTX 3080) i7-11800H, GeForce RTX 3080 Laptop GPU | Asus ROG Zephyrus Duo 16 GX650RX R9 6900HX, GeForce RTX 3080 Ti Laptop GPU | MSI Katana GF66 12UGS i7-12700H, GeForce RTX 3070 Ti Laptop GPU | Alienware x17 R2 P48E i9-12900HK, GeForce RTX 3080 Ti Laptop GPU | |
|---|---|---|---|---|---|---|---|
| Geräuschentwicklung | 1% | 8% | 9% | 16% | 16% | 23% | |
| aus / Umgebung * (dB) | 26 | 26 -0% | 26 -0% | 24 8% | 26 -0% | 26 -0% | 22.7 13% |
| Idle min * (dB) | 26 | 26 -0% | 26 -0% | 24 8% | 26 -0% | 27 -4% | 23.1 11% |
| Idle avg * (dB) | 34 | 34 -0% | 29 15% | 31.26 8% | 27 21% | 28 18% | 23.1 32% |
| Idle max * (dB) | 42 | 46 -10% | 34 19% | 38.64 8% | 29 31% | 31 26% | 23.1 45% |
| Last avg * (dB) | 58 | 50 14% | 50 14% | 48.11 17% | 41 29% | 44 24% | 31.9 45% |
| Witcher 3 ultra * (dB) | 57 | 55 4% | 53 7% | 51.5 10% | 48 16% | 44 23% | 52.5 8% |
| Last max * (dB) | 58 | 57 2% | 56 3% | 56.74 2% | 50 14% | 45 22% | 52.5 9% |
* ... kleinere Werte sind besser
Temperatur
Alltägliche Aufgaben sorgen bereits für eine leichte Erwärmung im oberen Bereich der Tastatur. Das Gehäuse des Schenker XMG überschreitet dann die 30-Grad-Marke, was aber kaum ins Gewicht fällt. Die Handballenauflagen dagegen bleiben komplett kühl. Darunter befindet allerdings auch keine verbaute Hardware.
Steigen die Anforderungen, wird das Gehäuse warm, bleibt aber unterhalb der Schwelle, an welcher es wirklich unangenehm für die Finger beim Tippen wird. Auf der Unterseite dagegen steigt die Temperatur teils auf 60 °C. Das erklärt zum Beispiel die ungewöhnlich hohen Gummifüße. Ein glatter Untergrund ist somit stets zwingend erforderlich.
(-) Die maximale Temperatur auf der Oberseite ist 56 °C. Im Vergleich liegt der Klassendurchschnitt bei 40.4 °C (von 21.2 bis 68.8 °C für die Klasse Gaming).
(-) Auf der Unterseite messen wir eine maximalen Wert von 60 °C (im Vergleich zum Durchschnitt von 43.3 °C).
(+) Ohne Last messen wir eine durchschnittliche Temperatur von 30.3 °C auf der Oberseite. Der Klassendurchschnitt erreicht 33.9 °C.
(-) Beim längeren Spielen von The Witcher 3 erhitzt sich das Gerät durchschnittlich auf 44.9 °C. Der Durchschnitt der Klasse ist derzeit 33.9 °C.
(+) Die Handballen und der Touchpad-Bereich erreichen maximal 33 °C und damit die typische Hauttemperatur und fühlen sich daher nicht heiß an.
(-) Die durchschnittliche Handballen-Temperatur anderer getesteter Geräte war 28.8 °C (-4.2 °C).
| Schenker XMG Pro 17 E22 Intel Core i9-12900H, NVIDIA GeForce RTX 3080 Ti Laptop GPU | MSI Raider GE77 HX 12UHS Intel Core i9-12900HX, NVIDIA GeForce RTX 3080 Ti Laptop GPU | Acer Predator Triton 500 SE PT516-52s-70KX Intel Core i7-12700H, NVIDIA GeForce RTX 3080 Ti Laptop GPU | Schenker XMG Pro 17 (Late 2021, RTX 3080) Intel Core i7-11800H, NVIDIA GeForce RTX 3080 Laptop GPU | Asus ROG Zephyrus Duo 16 GX650RX AMD Ryzen 9 6900HX, NVIDIA GeForce RTX 3080 Ti Laptop GPU | MSI Katana GF66 12UGS Intel Core i7-12700H, NVIDIA GeForce RTX 3070 Ti Laptop GPU | Alienware x17 R2 P48E Intel Core i9-12900HK, NVIDIA GeForce RTX 3080 Ti Laptop GPU | |
|---|---|---|---|---|---|---|---|
| Hitze | -6% | 14% | 9% | 12% | -8% | 16% | |
| Last oben max * (°C) | 56 | 53 5% | 47 16% | 53 5% | 45 20% | 61 -9% | 49.6 11% |
| Last unten max * (°C) | 60 | 58 3% | 49 18% | 68 -13% | 50 17% | 55 8% | 42.4 29% |
| Idle oben max * (°C) | 34 | 38 -12% | 31 9% | 27 21% | 33 3% | 43 -26% | 29.2 14% |
| Idle unten max * (°C) | 36 | 43 -19% | 32 11% | 28 22% | 33 8% | 38 -6% | 32 11% |
* ... kleinere Werte sind besser
Stresstest
Bei hoher Auslastung ist die maximale Temperatur des Prozessors schnell erreicht. Bei 95 °C beginnt das System damit, die Leistungsaufnahme zu reduzieren. Von den kurzfristig zur Verfügung stehenden 125 W bleiben bei reiner Belastung der CPU noch etwa 50 W übrig.
Wird außerdem die Grafikkarte beansprucht, sinkt die Stromaufnahme des Prozessors sogar auf knapp 25 W. Die GPU dagegen darf sich auch auf lange Sicht fast 140 W genehmigen. Dann bläst die Lüftung zwar wie eine kleine Turbine, schafft es aber, dass sämtliche Sensoren deutlich unterhalb von 100 °C verbleiben. Das System läuft mit stets konstanter Leistung stabil und hält seine Temperatur.
Lautsprecher
Auf dem Bild des geöffneten Laptops ist recht gut zu erkennen, dass die Lautsprecher vergleichsweise groß ausfallen. Dies spiegelt sich in der maximalen Lautstärke wider. Die genügt auch in einer lauten Umgebung und vor allem bleibt der Klang auf Maximum ohne jegliche Verzerrungen.
Insgesamt kann sich die Qualität der Wiedergabe aber nicht mit den besten Notebooks wie etwa dem Apple MacBook Pro 16 messen. Etwas schwachbrüstig fällt der Bereich der tieferen Töne aus. Für den Einsatz beim Gaming ist das jedoch ausreichend. Auch Musik lässt sich hören, dann aber nicht mit zu hohen Ansprüchen.
Schenker XMG Pro 17 E22 Audio Analyse
(±) | Mittelmäßig laut spielende Lautsprecher (77 dB)
Bass 100 - 315 Hz
(±) | abgesenkter Bass - 14.2% geringer als der Median
(±) | durchschnittlich lineare Bass-Wiedergabe (13.7% Delta zum Vorgänger)
Mitteltöne 400 - 2000 Hz
(+) | ausgeglichene Mitten, vom Median nur 3.3% abweichend
(+) | lineare Mitten (2.8% Delta zum Vorgänger)
Hochtöne 2 - 16 kHz
(+) | ausgeglichene Hochtöne, vom Median nur 3.7% abweichend
(+) | sehr lineare Hochtöne (5.4% Delta zum Vorgänger)
Gesamt im hörbaren Bereich 100 - 16.000 Hz
(±) | hörbarer Bereich ist durchschnittlich linear (17% Abstand zum Median)
Im Vergleich zu allen Geräten derselben Klasse
» 44% aller getesteten Geräte dieser Klasse waren besser, 12% vergleichbar, 44% schlechter
» Das beste Gerät hat einen Delta-Wert von 6%, durchschnittlich ist 18%, das schlechteste Gerät hat 132%
Im Vergleich zu allen Geräten im Test
» 30% aller getesteten Geräte waren besser, 8% vergleichbar, 62% schlechter
» Das beste Gerät hat einen Delta-Wert von 4%, durchschnittlich ist 24%, das schlechteste Gerät hat 134%
Apple MacBook Pro 16 2021 M1 Pro Audio Analyse
(+) | Die Lautsprecher können relativ laut spielen (84.7 dB)
Bass 100 - 315 Hz
(+) | guter Bass - nur 3.8% Abweichung vom Median
(+) | lineare Bass-Wiedergabe (5.2% Delta zum Vorgänger)
Mitteltöne 400 - 2000 Hz
(+) | ausgeglichene Mitten, vom Median nur 1.3% abweichend
(+) | lineare Mitten (2.1% Delta zum Vorgänger)
Hochtöne 2 - 16 kHz
(+) | ausgeglichene Hochtöne, vom Median nur 1.9% abweichend
(+) | sehr lineare Hochtöne (2.7% Delta zum Vorgänger)
Gesamt im hörbaren Bereich 100 - 16.000 Hz
(+) | hörbarer Bereich ist sehr linear (4.6% Abstand zum Median
Im Vergleich zu allen Geräten derselben Klasse
» 0% aller getesteten Geräte dieser Klasse waren besser, 0% vergleichbar, 100% schlechter
» Das beste Gerät hat einen Delta-Wert von 5%, durchschnittlich ist 17%, das schlechteste Gerät hat 45%
Im Vergleich zu allen Geräten im Test
» 0% aller getesteten Geräte waren besser, 0% vergleichbar, 100% schlechter
» Das beste Gerät hat einen Delta-Wert von 4%, durchschnittlich ist 24%, das schlechteste Gerät hat 134%
Energieverwaltung - XMG Pro 17 mit großen Stromhunger
Energieaufnahme
Zumindest für ein Gaming-Notebook mit derart potenter Ausstattung bleibt das XMG Pro 17 E22 ohne Last recht sparsam. Knapp 17 W liegen deutlich unterhalb des Durchschnitts mit RX 3080 Ti. Andere Laptops mit Alder-Lake-Prozessor können allerdings fast mithalten.
Bei maximaler Beanspruchung werden allerdings 266 W benötigt. Das verwundert kaum, wenn allein Prozessor und Grafikkarte zumindest 80 s lang 115 beziehungsweise 130 W verbrauchen dürfen. Die zusätzlichen 25 W Boost werden lediglich von der CPU zur GPU verschoben.
| Aus / Standby | |
| Idle | |
| Last |
|
Legende:
min: | |
| Schenker XMG Pro 17 E22 i9-12900H, GeForce RTX 3080 Ti Laptop GPU | MSI Raider GE77 HX 12UHS i9-12900HX, GeForce RTX 3080 Ti Laptop GPU | Acer Predator Triton 500 SE PT516-52s-70KX i7-12700H, GeForce RTX 3080 Ti Laptop GPU | Schenker XMG Pro 17 (Late 2021, RTX 3080) i7-11800H, GeForce RTX 3080 Laptop GPU | Asus ROG Zephyrus Duo 16 GX650RX R9 6900HX, GeForce RTX 3080 Ti Laptop GPU | Alienware x17 R2 P48E i9-12900HK, GeForce RTX 3080 Ti Laptop GPU | Durchschnittliche NVIDIA GeForce RTX 3080 Ti Laptop GPU | Durchschnitt der Klasse Gaming | |
|---|---|---|---|---|---|---|---|---|
| Stromverbrauch | -15% | 12% | 3% | -12% | -55% | -18% | -2% | |
| Idle min * (Watt) | 13 | 13 -0% | 7 46% | 13.6 -5% | 19 -46% | 24.1 -85% | 17.2 ? -32% | 13.8 ? -6% |
| Idle avg * (Watt) | 17 | 19 -12% | 19 -12% | 19.4 -14% | 24 -41% | 28.5 -68% | 23.3 ? -37% | 19.6 ? -15% |
| Idle max * (Watt) | 26 | 29 -12% | 28 -8% | 27.7 -7% | 31 -19% | 60 -131% | 30.8 ? -18% | 25.8 ? 1% |
| Last avg * (Watt) | 120 | 143 -19% | 114 5% | 110 8% | 104 13% | 128.7 -7% | 121.2 ? -1% | 110.5 ? 8% |
| Witcher 3 ultra * (Watt) | 221 | 247 -12% | 159 28% | 170 23% | 186.5 16% | 254 -15% | ||
| Last max * (Watt) | 266 | 352 -32% | 227 15% | 227 15% | 256 4% | 323 -21% | 276 ? -4% | 258 ? 3% |
* ... kleinere Werte sind besser
Energieaufnahme Witcher 3 / Stresstest
Energieaufnahme mit externem Monitor
Akkulaufzeit
Angesichts der hohen Systemleistung kann auch der 80-Wh-Akku nicht durch Ausdauer glänzen. Nur 4,5 h im Video-Test sind ähnlich unterdurchschnittlich wie 90 min bei voller Beanspruchung. Im Wi-Fi-Test waren es immerhin fast 7 h.
Anders war der Gesamteindruck des Akkus aber nicht zu erwarten gewesen. Gaming-Notebooks und Workstations sollen tendenziell eher von Steckdose zu Steckdose transportiert werden, aber keinen Ausdauerlauf gewinnen können. Ein wenig enttäuscht hat allerdings der Stromsparmodus. Der Unterschied liegt gerade einmal bei knapp 10 %, was diesen fast überflüssig macht.
Dazu kommt eine sehr lange Ladedauer. Erst nach etwa 2 h ist der leere Akku bei 80 % seiner maximalen Kapazität. Bis zum vollständigen Aufladen können fast 4 h vergehen.
| Schenker XMG Pro 17 E22 i9-12900H, GeForce RTX 3080 Ti Laptop GPU, 80 Wh | MSI Raider GE77 HX 12UHS i9-12900HX, GeForce RTX 3080 Ti Laptop GPU, 99.99 Wh | Acer Predator Triton 500 SE PT516-52s-70KX i7-12700H, GeForce RTX 3080 Ti Laptop GPU, 99.98 Wh | Schenker XMG Pro 17 (Late 2021, RTX 3080) i7-11800H, GeForce RTX 3080 Laptop GPU, 73 Wh | Asus ROG Zephyrus Duo 16 GX650RX R9 6900HX, GeForce RTX 3080 Ti Laptop GPU, 90 Wh | Alienware x17 R2 P48E i9-12900HK, GeForce RTX 3080 Ti Laptop GPU, 87 Wh | Durchschnitt der Klasse Gaming | |
|---|---|---|---|---|---|---|---|
| Akkulaufzeit | 18% | 36% | 6% | 28% | -59% | 23% | |
| H.264 (h) | 4.6 | 6.5 41% | 8.2 78% | 5.2 13% | 9.3 102% | 7.93 ? 72% | |
| WLAN (h) | 6.8 | 5.4 -21% | 5.7 -16% | 5.7 -16% | 7.8 15% | 2 -71% | 6.71 ? -1% |
| Last (h) | 1.5 | 2 33% | 2.2 47% | 1.8 20% | 1 -33% | 0.8 -47% | 1.472 ? -2% |
Pro
Contra
Fazit - Gespart, aber nicht an Leistung
Der Blick auf die Leistungswerte, der entscheidende Faktor bei einem Gaming-Notebook, stimmt zufrieden. Sowohl bei der Maximalleistung als auch bei der dauerhaften Beanspruchung zeigt das Schenker XMG Pro 17, dass es bestens eingestellt ist.
Es reicht zwar nicht für die Platzierung an der absoluten Spitze, aber die vergleichsweise hohe Stromaufnahme und die gut hörbare Lüftung erlauben es der hervorragenden Hardware, ihr Potential zu entfalten. Aktuelle und die meisten zukünftigen Spiele werden damit in jedem Fall zufrieden sein. Wer einen 4K-Monitor oder den passenden Fernseher anschließen will, muss auch dann keine Abstriche in Kauf nehmen.
Das Schenker XMG Pro 17 E22 konzentriert sich voll auf die Leistungsfähigkeit, während Akku, Display und auch Design allenfalls durchschnittlich zu bewerten sind.
Zudem kann die Ausstattung mit Anschlüssen überzeugen. Allem voran erlauben die vielen Video-Ausgänge die Integration in einen umfangreichen Arbeitsplatz. Ein vollwertiger Kartenslot hätte es aber schon sein können.
Diese Sparsamkeit zieht sich auch darüber hinaus wie ein roter Faden durch den Aufbau des Gaming-Laptops. Die Displayhelligkeit ist gering, reicht aber natürlich für jeden Schreibtisch aus. Beim Arbeitsspeicher wurde noch auf DDR4 gesetzt, was zumindest ein paar kleine Prozentpunkte bei der Spieleleistung kostet. Dazu kommt die begrenzte Mobilität, die in diesem Segment aber kaum eine Rolle spielt. Dennoch zählt das Notebook von Schenker zu den schwersten und dicksten Modellen, dessen Ausdauer ebenfalls begrenzt ist.
Die vielen kleinen Schwächen trüben den Gesamteindruck, aber sicherlich nicht den Eindruck, den der Laptop beim Spielen und Arbeiten hinterlässt. Es gibt schnellere Spielgeräte wie das MSI Raider GE77, aber schon mit dem Asus ROG Zephyrus Duo 16 kann das XMG Pro 17 E22 mithalten - zu einem wesentlich attraktiveren Preis. Ebenbürtig ist auch das Acer Predator Triton 500 SE, das aber bei fast allen Benchmark ein wenig zurückliegt.
Das Notebook von Schenker mag ziemlich groß und nicht gerade schick sein, erbringt dafür erstaunlich solide Leistungsdaten, die einer Gaming-Workstation würdig sind.
Preis und Verfügbarkeit
Die Grundversion mit Intel Core i7-12700H und der Nvidia GeForce RTX 3070 Ti startet bei 2.500 Euro, dann aber ohne Betriebssystem. Für die maximale Ausstattung mit 4K-Display und AdobeRGB sowie dem i9-12900H und der RTX 3080 Ti müssen mindestens 3.500 Euro aufgewendet werden. Je nach Ausstattung wächst dieser Preis natürlich weiter an. Die Wunschkonfiguration lässt sich bei Bestware auswählen.
Schenker XMG Pro 17 E22
- 18.07.2022 v7 (old)
Mario Petzold

































































