Asus ROG Zephyrus Duo 16 im Test: Ungewöhnliches Gaming-Notebook mit guten Akkulaufzeiten

Asus legt mit dem Zephyrus Duo 16 ein Notebook für Gamer, Streamer und Content Creator vor, dessen auffälligstes Merkmal sofort ins Auge sticht: Oberhalb der Tastatur sitzt ein Zweitdisplay samt Touchscreen (Screenpad Plus). Zu den Konkurrenten zählen Geräte wie das Razer Blade 15 Advanced Model, das Gigabyte Aero 16 YE5, das MSI GE76 Raider, das Medion Erazer Beast X30 und das Apple MacBook Pro 16 2021.
mögliche Konkurrenten im Vergleich
Bew. | Datum | Modell | Gewicht | Dicke | Größe | Auflösung | Preis ab |
|---|---|---|---|---|---|---|---|
| 88.2 % v7 (old) | 05 / 2022 | Asus ROG Zephyrus Duo 16 GX650RX R9 6900HX, GeForce RTX 3080 Ti Laptop GPU | 2.6 kg | 20.5 mm | 16.00" | 3840x2400 | |
| 92.5 % v7 (old) | 11 / 2021 | Apple MacBook Pro 16 2021 M1 Max M1 Max, M1 Max 32-Core GPU | 2.2 kg | 16.8 mm | 16.20" | 3456x2234 | |
| 88.3 % v7 (old) | 05 / 2022 | Razer Blade 15 Advanced Model Early 2022 i7-12800H, GeForce RTX 3080 Ti Laptop GPU | 2.1 kg | 16.99 mm | 15.60" | 1920x1080 | |
| 87.5 % v7 (old) | 01 / 2022 | MSI GE76 Raider i9-12900HK, GeForce RTX 3080 Ti Laptop GPU | 3 kg | 26 mm | 17.30" | 1920x1080 | |
| 86.7 % v7 (old) | 05 / 2022 | Medion Erazer Beast X30 i9-12900HK, GeForce RTX 3080 Ti Laptop GPU | 2.2 kg | 23 mm | 17.30" | 2560x1440 | |
| 84.7 % v7 (old) | 03 / 2022 | Gigabyte Aero 16 YE5 i9-12900HK, GeForce RTX 3080 Ti Laptop GPU | 2.3 kg | 22.4 mm | 16.00" | 3840x2400 |
Gehäuse - GX650 mit stabilem Metallgehäuse
Das matt-schwarze Metallgehäuse darf sich einer guten Verarbeitung rühmen. Die Spaltmaße stimmen, scharfe Kanten sind nicht zu spüren. Positiv: Die Baseunit kann nicht verdreht werden. Der Deckel vertrüge hingegen ein größeres Maß an Steifigkeit. Die Scharniere halten den Deckel fest in Position. Der maximale Öffnungswinkel beträgt etwa 130 Grad. Eine Ein-Hand-Öffnung des Deckels ist möglich.
Wird der Notebookdeckel geöffnet, stellt sich das Screenpad (Zweitdisplay samt Touchscreen) zum Benutzer hin auf (fixer Winkel, etwa 15 Grad). Zudem wird es etwa 2 cm in Richtung Hauptbildschirm verschoben. In dem entstehenden Spalt ist eine transparente Kunststoffplatte zu sehen, die an einigen Stellen einen Blick ins Gehäuseinnere gewährt. Das Aufstellen des Screenpads hat nicht nur ergonomische Gründe. Unter dem Bildschirm befinden sich Öffnungen zur Frischluftzufuhr ins Gehäuseinnere.
Das Zephyrus zählt innerhalb des Vergleichsfeldes zu den schwereren Notebooks. Es wird nur vom MSI GE76 Raider überboten. Die Abmessungen fallen zudem etwas größer aus als bei einem vergleichbaren 16-Zoll-Notebook wie dem MacBook Pro 16.
Ausstattung - Thunderbolt 4 hat das Zephyrus nicht zu bieten
Alle vier USB-Anschlüsse (2x USB-A, 2x USB-C) arbeiten nach dem USB-3.2-Gen-2-Standard. Einer der zwei USB-C-Steckplätze bietet Power Delivery, beide Steckplätze unterstützen Displayport per USB-C. Somit verfügt der Rechner zusammen mit dem HDMI-2.1-Steckplatz über drei Videoausgänge. Das Schnittstellenangebot wird mit einer Audiobuchse und einem Gigabit-Ethernet-Steckplatz abgerundet.
SD Card Reader
Der MicroSD-Speicherkartenleser (Referenzkarte: AV PRO microSD 128 GB V60) zählt mit maximalen Transferraten von 155 MB/s (Übertragung von 250 jpg-Bilddateien mit je rund 5 MB) und 185 MB/s (Kopieren großer Datenblöcke) zu den schnellen Modellen.
| SD Card Reader | |
| average JPG Copy Test (av. of 3 runs) | |
| Razer Blade 15 Advanced Model Early 2022 (AV PRO microSD 128 GB V60) | |
| Asus ROG Zephyrus Duo 16 GX650RX (AV PRO microSD 128 GB V60) | |
| Durchschnitt der Klasse Gaming (20 - 210, n=65, der letzten 2 Jahre) | |
| MSI GE76 Raider (AV PRO microSD 128 GB V60) | |
| Medion Erazer Beast X30 (AV PRO microSD 128 GB V60) | |
| maximum AS SSD Seq Read Test (1GB) | |
| Asus ROG Zephyrus Duo 16 GX650RX (AV PRO microSD 128 GB V60) | |
| Durchschnitt der Klasse Gaming (25.5 - 261, n=62, der letzten 2 Jahre) | |
| Medion Erazer Beast X30 (AV PRO microSD 128 GB V60) | |
Kommunikation
Die unter optimalen Bedingungen (keine weiteren WLAN-Geräte in der näheren Umgebung, geringer Abstand zwischen Notebook und Server-PC) ermittelten WLAN-Transferraten fallen hervorragend aus und entsprechen den Möglichkeiten des WiFi-Chips (Mediatek MT7922; 802.11 ax, WiFi 6E). Drahtgebundene Netzwerkverbindungen wickelt ein Gigabit-Ethernet-Chip (RTL8125) der Firma Realtek ab.
Webcam
Die Webcam (0,9 MP) des Zephyrus erzeugt Bilder in einer maximalen Auflösung von 1.280 x 720 Bildpunkten. Es hapert bei der Farbgenauigkeit: Die Farben weichen deutlich vom Soll ab. Eine mechanische Abdeckung bietet die Kamera nicht.

Zubehör
Neben den üblichen Dokumenten (Schnellstartanleitung und Garantieinformationen) liegt dem Notebook eine Handballenablage aus Gummi bei.
Wartung
Die Demontage der Unterschale erfordert das Lösen aller Schrauben auf der Unterseite. Achtung: In der Mitte der Unterschale findet sich eine mit einem Gummiplättchen überdeckte Schraube. Im hinteren Bereich wird die Schale zusätzlich von Klammern gehalten, die durch vorsichtiges Ruckeln oder mit Hilfe eines flachen Spatels gelöst werden können. Es besteht dann Zugriff auf die Arbeitsspeicherbänke (beide belegt), die 2 SSDs (PCIe 4), die Lüfter und den Akku.
Garantie
Asus gewährt dem Zephyrus eine zweijährige Garantie. Eine Erweiterung auf drei Jahre schlägt mit etwa 129 Euro zu Buche.
Eingabegeräte - Ein zweites Display für den Asus Computer
Tastatur
Komfortables Tippen erlaubt die Tastatur erst bei Verwendung der mitgelieferten Handballenablage aus Gummi (etwa 5,5 cm tief, angewinkelt). Sie meistert ihre Aufgabe recht gut; das Ganze funktioniert aber nur auf einer festen Unterlage. Die glatten Tasten der beleuchteten Chiclet-Tastatur verfügen über einen kurzen Hub und einen klaren Druckpunkt. Der Tastenwiderstand geht in Ordnung. Während des Tippens gibt die Tastatur nicht nach. Die dreistufige Beleuchtung (RGB) wird mittels einer Funktionstaste gesteuert. Alles ins allem liefert Asus hier eine alltagstaugliche Tastatur.
Touchpad
Als Mausersatz dient ein multitouchfähiges Clickpad (etwa 5,8 x 9,6 cm) in hochkanter Ausrichtung, dessen glatte Oberfläche den Fingern das Gleiten leicht macht. Das Pad bietet einen kurzen Hub und einen klaren Druckpunkt. Ein Tippen auf das abgebildete Symbol blendet einen Nummerblock ein.
Asus Screenpad Plus
Eine weitere Eingabemöglichkeit stellt das Screenpad Plus (14 Zoll, 3.840 x 1.100 Bildpunkte, matt) dar - ein Zweitdisplay samt Touchscreen (Unterstützung für aktive Eingabestifte). Es verhält sich wie jedes andere angestöpselte, externe Display. Über eine separate Taste kann es ein- und ausgeschaltet werden.
Das Screenpad bietet die Möglichkeit, Anwendungen bzw. deren Bedienelemente auf den Touchscreen zu verschieben. Letzteres hängt davon ab, ob eine Anwendung dies unterstützt. So könnte beispielsweise das Chatfenster auf das Screenpad verschoben werden, während auf dem Hauptbildschirm ein Spiel läuft.
Einige kleine, vorinstallierte Anwendungen liefern einen Eindruck über die Möglichkeiten des Screenpads. Es stehen ein Taschenrechner und ein Feld zur handschriftlichen Eingabe zur Verfügung. Die Quick-Key-Anwendung bündelt häufig verwendete Funktionen (Ausschneiden, Kopieren, Einfügen).
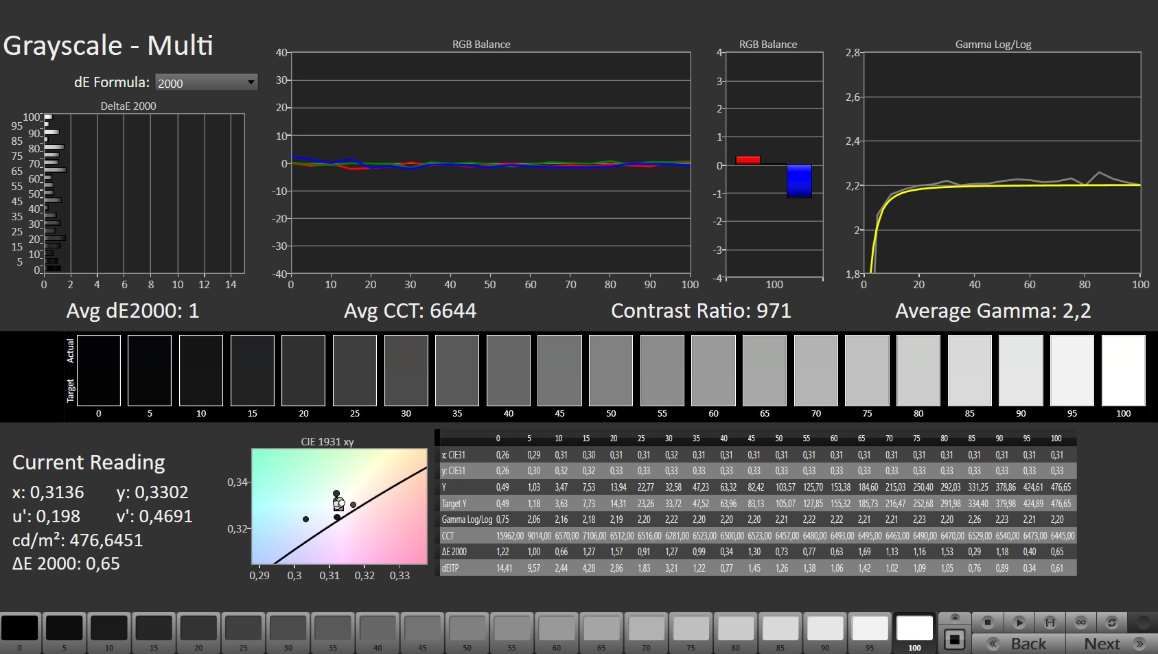
Display - Gute Farbdarstellung
Helligkeit (433,9 cd/m²) und Kontrast (1.043:1) des matten 16-Zoll-Bildschirms (3.840 x 2.400 Bildpunkte) erfüllen das jeweilige Soll. Positiv: Er bietet kurze Reaktionszeiten und zeigt kein PWM-Flimmern.
Das Display unterstützt AMDs FreeSync-Technologie. Hierdurch werden die Bildwiederholraten von Display und GPU dynamisch aneinander angepasst. So soll - insbesondere bei Computerspielen - ein möglichst flüssiges Bild erzeugt werden.
| |||||||||||||||||||||||||
Ausleuchtung: 88 %
Helligkeit Akku: 459 cd/m²
Kontrast: 1043:1 (Schwarzwert: 0.44 cd/m²)
ΔE ColorChecker Calman: 2.97 | ∀{0.5-29.43 Ø4.76}
calibrated: 1.03
ΔE Greyscale Calman: 4.9 | ∀{0.09-98 Ø5}
86.3% AdobeRGB 1998 (Argyll 3D)
99.9% sRGB (Argyll 3D)
98% Display P3 (Argyll 3D)
Gamma: 2.235
CCT: 6775 K
| Asus ROG Zephyrus Duo 16 GX650RX BOE NE160QAM-NX1, IPS-Level, 3840x2400, 16" | Apple MacBook Pro 16 2021 M1 Max Mini-LED, 3456x2234, 16.2" | Razer Blade 15 Advanced Model Early 2022 TL156VDXP02-0, IPS, 1920x1080, 15.6" | MSI GE76 Raider AU Optronics B173HAN05.4 (AUOE295), IPS-Level, 1920x1080, 17.3" | Medion Erazer Beast X30 BOE CQ NE173QHM-NZ3, IPS, 2560x1440, 17.3" | Gigabyte Aero 16 YE5 Samsung SDC416B, AMOLED, 3840x2400, 16" | |
|---|---|---|---|---|---|---|
| Display | -23% | -22% | -18% | |||
| Display P3 Coverage (%) | 98 | 65.3 -33% | 63.1 -36% | 67.7 -31% | ||
| sRGB Coverage (%) | 99.9 | 85.1 -15% | 94 -6% | 97.6 -2% | ||
| AdobeRGB 1998 Coverage (%) | 86.3 | 67.4 -22% | 65.2 -24% | 69.2 -20% | ||
| Response Times | -9% | -5% | -26% | 74% | ||
| Response Time Grey 50% / Grey 80% * (ms) | 14.6 ? | 4.3 ? 71% | 5.6 ? 62% | 14.7 ? -1% | 2.4 ? 84% | |
| Response Time Black / White * (ms) | 5.6 ? | 10.5 ? -88% | 9.6 ? -71% | 8.4 ? -50% | 2 ? 64% | |
| PWM Frequency (Hz) | 60 ? | |||||
| Bildschirm | 329% | 27% | 20% | 3% | 456% | |
| Helligkeit Bildmitte (cd/m²) | 459 | 507 10% | 330 -28% | 290 -37% | 377 -18% | 368 -20% |
| Brightness (cd/m²) | 434 | 494 14% | 315 -27% | 290 -33% | 352 -19% | 368 -15% |
| Brightness Distribution (%) | 88 | 96 9% | 89 1% | 96 9% | 86 -2% | 93 6% |
| Schwarzwert * (cd/m²) | 0.44 | 0.02 95% | 0.24 45% | 0.23 48% | 0.32 27% | 0.01 98% |
| Kontrast (:1) | 1043 | 25350 2330% | 1375 32% | 1261 21% | 1178 13% | 36800 3428% |
| Delta E Colorchecker * | 2.97 | 1.4 53% | 1.47 51% | 1.59 46% | 2.91 2% | 2.33 22% |
| Colorchecker dE 2000 max. * | 8.13 | 2.8 66% | 2.73 66% | 3.17 61% | 6.78 17% | 4.34 47% |
| Colorchecker dE 2000 calibrated * | 1.03 | 0.63 39% | 0.87 16% | 1.3 -26% | ||
| Delta E Graustufen * | 4.9 | 2.3 53% | 1.8 63% | 2.5 49% | 3.4 31% | 0.8 84% |
| Gamma | 2.235 98% | 2.27 97% | 2.282 96% | 2.253 98% | 2.109 104% | 2.119 104% |
| CCT | 6775 96% | 6792 96% | 6499 100% | 6640 98% | 7273 89% | 6569 99% |
| Durchschnitt gesamt (Programm / Settings) | 329% /
329% | -2% /
11% | -2% /
8% | -14% /
-6% | 265% /
380% |
* ... kleinere Werte sind besser
Die X-Rite-Pantone-Zertifizierung des Bildschirms gewährleistet eine sehr natürliche Farbdarstellung. Entsprechend stellt er die Farben bereits im Auslieferungszustand recht gut dar. Die Farbabweichung bewegt sich innerhalb des Solls. Eine Kalibrierung bewirkt deutliche Verbesserungen. Die Farbräume sRGB (99,9 %) und DCI-P3 (98 %) kann das Display nahezu komplett abbilden, der AdobeRGB-Farbraum wird zu 86 Prozent wiedergegeben.
Reaktionszeiten (Response Times) des Displays
| ↔ Reaktionszeiten Schwarz zu Weiß | ||
|---|---|---|
| 5.6 ms ... steigend ↗ und fallend ↘ kombiniert | ↗ 2 ms steigend | |
| ↘ 3.6 ms fallend | ||
| Die gemessenen Reaktionszeiten sind sehr kurz, wodurch sich der Bildschirm auch für schnelle 3D Spiele eignen sollte. Im Vergleich rangierten die bei uns getesteten Geräte von 0.1 (Minimum) zu 240 (Maximum) ms. » 17 % aller Screens waren schneller als der getestete. Daher sind die gemessenen Reaktionszeiten besser als der Durchschnitt aller vermessenen Geräte (20.1 ms). | ||
| ↔ Reaktionszeiten 50% Grau zu 80% Grau | ||
| 14.6 ms ... steigend ↗ und fallend ↘ kombiniert | ↗ 6.7 ms steigend | |
| ↘ 7.9 ms fallend | ||
| Die gemessenen Reaktionszeiten sind gut, für anspruchsvolle Spieler könnten der Bildschirm jedoch zu langsam sein. Im Vergleich rangierten die bei uns getesteten Geräte von 0.165 (Minimum) zu 636 (Maximum) ms. » 28 % aller Screens waren schneller als der getestete. Daher sind die gemessenen Reaktionszeiten besser als der Durchschnitt aller vermessenen Geräte (31.5 ms). | ||
Bildschirm-Flackern / PWM (Pulse-Width Modulation)
| Flackern / PWM nicht festgestellt | |||
Im Vergleich: 53 % aller getesteten Geräte nutzten kein PWM um die Helligkeit zu reduzieren. Wenn PWM eingesetzt wurde, dann bei einer Frequenz von durchschnittlich 8039 (Minimum 5, Maximum 343500) Hz. | |||
Leistung - Rembrandt trifft auf Ampere
Asus hat mit dem Zephyrus Duo 16 GX650RX ein 16-Zoll-Notebook im Sortiment, das primär als Gaming-Notebook positioniert wird. Das Gerät zielt aber auch auf Streamer und Kreativ-Arbeiter ab.
Testbedingungen
Das Notebook verfügt über drei herstellerspezifische Leistungsprofile ("Leise", "Leistung", "Turbo"), zwischen denen über die Tastenkombination "Fn" + "F5" gewechselt werden kann. Das "Turbo"-Profil ist nur im Netzbetrieb nutzbar. Die Akkutests wurden bei aktivem Profil "Leise" durchgeführt, die Benchmarks bei aktivem Profil "Leistung".
| Leistung | Turbo | Leise | |
|---|---|---|---|
| Power Limit 1 | 80 Watt | 100 Watt | 70 Watt |
| Power Limit 2 | 80 Watt | 125 Watt | 70 Watt |
Die vorinstallierte Armoury-Crate-Software erlaubt das Anlegen eigener Profile ("Manuell"). So könnten die Power Limits der CPU und der Dynamic Boost der GPU individuell festgelegt werden. Auch wäre eine Übertaktung des Grafikspeichers möglich.
Prozessor
Der CPU-Teil der Ryzen-9-6900HX-APU (Rembrandt) besteht aus einem Achtkernprozessor, der mit einem Basistakt von 3,3 GHz arbeitet. Mittels Turbo ist eine Steigerung auf bis zu 4,9 GHz möglich. Simultaneous Multithreading (zwei Threads pro Kern) wird unterstützt.
Der Multi-Thread-Test des Cinebench-R15-Benchmarks wird kurzzeitig mit 4 bis 4,4 GHz bearbeitet, der Single-Thread-Test mit 3,1 bis 4,7 GHz. Im Akkubetrieb geht die CPU mit 3 bis 4,1 GHz (Multi-Thread) bzw. 2 bis 4,7 GHz (Single-Thread) zu Werke.
Ob der CPU-Turbo im Netzbetrieb dauerhaft genutzt wird, überprüfen wir, indem wir den Multi-Thread-Test des Cinebench-R15-Benchmarks für mindestens 30 Minuten in einer Schleife laufen lassen. Der Turbo kommt auf hohem Niveau zum Einsatz. Die Nutzung des Leistungsprofils "Turbo" lässt den Takt noch etwas ansteigen.
Cinebench R15 Multi Dauertest
| CPU Performance Rating - Percent | |
| Durchschnitt der Klasse Gaming | |
| MSI GE76 Raider | |
| Gigabyte Aero 16 YE5 | |
| Medion Erazer Beast X30 | |
| Asus ROG Zephyrus Duo 16 GX650RX | |
| Asus ROG Zephyrus Duo 16 GX650RX | |
| Asus ROG Zephyrus Duo 16 GX650RX | |
| Apple MacBook Pro 16 2021 M1 Max -5! | |
| Durchschnittliche AMD Ryzen 9 6900HX | |
| Razer Blade 15 Advanced Model Early 2022 | |
| Cinebench R23 | |
| Multi Core | |
| Durchschnitt der Klasse Gaming (5668 - 40970, n=138, der letzten 2 Jahre) | |
| Medion Erazer Beast X30 | |
| MSI GE76 Raider | |
| Gigabyte Aero 16 YE5 | |
| Asus ROG Zephyrus Duo 16 GX650RX (Turbo) | |
| Asus ROG Zephyrus Duo 16 GX650RX | |
| Asus ROG Zephyrus Duo 16 GX650RX (Leise) | |
| Durchschnittliche AMD Ryzen 9 6900HX (9709 - 15100, n=19) | |
| Apple MacBook Pro 16 2021 M1 Max | |
| Razer Blade 15 Advanced Model Early 2022 | |
| Single Core | |
| Durchschnitt der Klasse Gaming (1136 - 2267, n=138, der letzten 2 Jahre) | |
| Gigabyte Aero 16 YE5 | |
| MSI GE76 Raider | |
| Razer Blade 15 Advanced Model Early 2022 | |
| Medion Erazer Beast X30 | |
| Asus ROG Zephyrus Duo 16 GX650RX (Leise) | |
| Asus ROG Zephyrus Duo 16 GX650RX (Turbo) | |
| Asus ROG Zephyrus Duo 16 GX650RX | |
| Durchschnittliche AMD Ryzen 9 6900HX (1516 - 1616, n=19) | |
| Apple MacBook Pro 16 2021 M1 Max | |
| Cinebench R20 | |
| CPU (Multi Core) | |
| Durchschnitt der Klasse Gaming (2179 - 16108, n=137, der letzten 2 Jahre) | |
| Medion Erazer Beast X30 | |
| Gigabyte Aero 16 YE5 | |
| MSI GE76 Raider | |
| Asus ROG Zephyrus Duo 16 GX650RX (Turbo) | |
| Asus ROG Zephyrus Duo 16 GX650RX | |
| Asus ROG Zephyrus Duo 16 GX650RX (Leise) | |
| Durchschnittliche AMD Ryzen 9 6900HX (3742 - 5813, n=19) | |
| Razer Blade 15 Advanced Model Early 2022 | |
| Apple MacBook Pro 16 2021 M1 Max | |
| CPU (Single Core) | |
| Durchschnitt der Klasse Gaming (439 - 870, n=137, der letzten 2 Jahre) | |
| MSI GE76 Raider | |
| Razer Blade 15 Advanced Model Early 2022 | |
| Gigabyte Aero 16 YE5 | |
| Asus ROG Zephyrus Duo 16 GX650RX (Turbo) | |
| Asus ROG Zephyrus Duo 16 GX650RX (Leise) | |
| Durchschnittliche AMD Ryzen 9 6900HX (595 - 631, n=19) | |
| Medion Erazer Beast X30 | |
| Asus ROG Zephyrus Duo 16 GX650RX | |
| Apple MacBook Pro 16 2021 M1 Max | |
| Cinebench R15 | |
| CPU Multi 64Bit | |
| Durchschnitt der Klasse Gaming (1537 - 6271, n=137, der letzten 2 Jahre) | |
| MSI GE76 Raider | |
| Medion Erazer Beast X30 | |
| Gigabyte Aero 16 YE5 | |
| Asus ROG Zephyrus Duo 16 GX650RX (Turbo) | |
| Asus ROG Zephyrus Duo 16 GX650RX | |
| Asus ROG Zephyrus Duo 16 GX650RX (Leise) | |
| Durchschnittliche AMD Ryzen 9 6900HX (1588 - 2411, n=19) | |
| Apple MacBook Pro 16 2021 M1 Max (Rosetta 2) | |
| Razer Blade 15 Advanced Model Early 2022 | |
| CPU Single 64Bit | |
| Durchschnitt der Klasse Gaming (188.8 - 343, n=136, der letzten 2 Jahre) | |
| Gigabyte Aero 16 YE5 | |
| MSI GE76 Raider | |
| Asus ROG Zephyrus Duo 16 GX650RX (Turbo) | |
| Durchschnittliche AMD Ryzen 9 6900HX (241 - 261, n=19) | |
| Asus ROG Zephyrus Duo 16 GX650RX | |
| Asus ROG Zephyrus Duo 16 GX650RX (Leise) | |
| Razer Blade 15 Advanced Model Early 2022 | |
| Medion Erazer Beast X30 | |
| Apple MacBook Pro 16 2021 M1 Max (Rosetta 2) | |
| Blender - v2.79 BMW27 CPU | |
| Razer Blade 15 Advanced Model Early 2022 | |
| Asus ROG Zephyrus Duo 16 GX650RX (Leise) | |
| Durchschnittliche AMD Ryzen 9 6900HX (212 - 357, n=21) | |
| Asus ROG Zephyrus Duo 16 GX650RX | |
| Asus ROG Zephyrus Duo 16 GX650RX (Turbo) | |
| Gigabyte Aero 16 YE5 | |
| Apple MacBook Pro 16 2021 M1 Max (Blender 3.0 beta for mac) | |
| MSI GE76 Raider | |
| Medion Erazer Beast X30 | |
| Durchschnitt der Klasse Gaming (80 - 517, n=133, der letzten 2 Jahre) | |
| 7-Zip 18.03 | |
| 7z b 4 | |
| Durchschnitt der Klasse Gaming (23795 - 148086, n=135, der letzten 2 Jahre) | |
| Medion Erazer Beast X30 | |
| MSI GE76 Raider | |
| Gigabyte Aero 16 YE5 | |
| Asus ROG Zephyrus Duo 16 GX650RX (Turbo) | |
| Asus ROG Zephyrus Duo 16 GX650RX | |
| Asus ROG Zephyrus Duo 16 GX650RX (Leise) | |
| Durchschnittliche AMD Ryzen 9 6900HX (49526 - 65336, n=20) | |
| Razer Blade 15 Advanced Model Early 2022 | |
| 7z b 4 -mmt1 | |
| Durchschnitt der Klasse Gaming (4199 - 7508, n=135, der letzten 2 Jahre) | |
| Gigabyte Aero 16 YE5 | |
| MSI GE76 Raider | |
| Asus ROG Zephyrus Duo 16 GX650RX (Turbo) | |
| Razer Blade 15 Advanced Model Early 2022 | |
| Asus ROG Zephyrus Duo 16 GX650RX (Leise) | |
| Durchschnittliche AMD Ryzen 9 6900HX (5090 - 6070, n=20) | |
| Asus ROG Zephyrus Duo 16 GX650RX | |
| Medion Erazer Beast X30 | |
| Geekbench 5.5 | |
| Multi-Core | |
| Durchschnitt der Klasse Gaming (4557 - 27010, n=135, der letzten 2 Jahre) | |
| Gigabyte Aero 16 YE5 | |
| MSI GE76 Raider | |
| Apple MacBook Pro 16 2021 M1 Max | |
| Medion Erazer Beast X30 | |
| Asus ROG Zephyrus Duo 16 GX650RX (Turbo) | |
| Asus ROG Zephyrus Duo 16 GX650RX | |
| Asus ROG Zephyrus Duo 16 GX650RX (Leise) | |
| Durchschnittliche AMD Ryzen 9 6900HX (8313 - 10490, n=21) | |
| Razer Blade 15 Advanced Model Early 2022 | |
| Single-Core | |
| Durchschnitt der Klasse Gaming (986 - 2474, n=135, der letzten 2 Jahre) | |
| MSI GE76 Raider | |
| Gigabyte Aero 16 YE5 | |
| Razer Blade 15 Advanced Model Early 2022 | |
| Apple MacBook Pro 16 2021 M1 Max | |
| Asus ROG Zephyrus Duo 16 GX650RX (Turbo) | |
| Medion Erazer Beast X30 | |
| Asus ROG Zephyrus Duo 16 GX650RX | |
| Durchschnittliche AMD Ryzen 9 6900HX (1523 - 1652, n=21) | |
| Asus ROG Zephyrus Duo 16 GX650RX (Leise) | |
| HWBOT x265 Benchmark v2.2 - 4k Preset | |
| Durchschnitt der Klasse Gaming (7.7 - 44.3, n=135, der letzten 2 Jahre) | |
| Medion Erazer Beast X30 | |
| MSI GE76 Raider | |
| Asus ROG Zephyrus Duo 16 GX650RX (Turbo) | |
| Gigabyte Aero 16 YE5 | |
| Asus ROG Zephyrus Duo 16 GX650RX | |
| Asus ROG Zephyrus Duo 16 GX650RX (Leise) | |
| Durchschnittliche AMD Ryzen 9 6900HX (12.6 - 18.7, n=20) | |
| Razer Blade 15 Advanced Model Early 2022 | |
| LibreOffice - 20 Documents To PDF | |
| Durchschnittliche AMD Ryzen 9 6900HX (44.8 - 81.7, n=20) | |
| Medion Erazer Beast X30 | |
| Durchschnitt der Klasse Gaming (19 - 88.8, n=134, der letzten 2 Jahre) | |
| Asus ROG Zephyrus Duo 16 GX650RX (Leise) | |
| Asus ROG Zephyrus Duo 16 GX650RX | |
| Asus ROG Zephyrus Duo 16 GX650RX (Turbo) | |
| Razer Blade 15 Advanced Model Early 2022 | |
| Gigabyte Aero 16 YE5 | |
| MSI GE76 Raider | |
| R Benchmark 2.5 - Overall mean | |
| Medion Erazer Beast X30 | |
| Durchschnittliche AMD Ryzen 9 6900HX (0.4627 - 0.4974, n=20) | |
| Asus ROG Zephyrus Duo 16 GX650RX (Leise) | |
| Asus ROG Zephyrus Duo 16 GX650RX | |
| Asus ROG Zephyrus Duo 16 GX650RX (Turbo) | |
| Razer Blade 15 Advanced Model Early 2022 | |
| Durchschnitt der Klasse Gaming (0.3439 - 0.759, n=135, der letzten 2 Jahre) | |
| MSI GE76 Raider | |
| Gigabyte Aero 16 YE5 | |
* ... kleinere Werte sind besser
| Performance Rating - Percent | |
| Durchschnitt der Klasse Gaming | |
| Asus ROG Zephyrus Duo 16 GX650RX | |
| Asus ROG Zephyrus Duo 16 GX650RX | |
| Asus ROG Zephyrus Duo 16 GX650RX | |
| Durchschnittliche AMD Ryzen 9 6900HX | |
| MSI GE76 Raider | |
| Medion Erazer Beast X30 | |
| Gigabyte Aero 16 YE5 | |
| Razer Blade 15 Advanced Model Early 2022 | |
System Performance
Das flüssig arbeitende System bietet über die nächsten Jahre genug Rechenleistung für Gaming, Videoschnitt, Bildbearbeitung und Rendering. Die Transferraten des verbauten Arbeitsspeichers bleiben unterhalb der Werte vergleichbarer Notebooks, die mit DDR5-4800-Speicher bestückt sind. Dazu gesellen sich sehr gute PC-Mark-Resultate.
| PCMark 8 Home Score Accelerated v2 | 4418 Punkte | |
| PCMark 8 Creative Score Accelerated v2 | 5798 Punkte | |
| PCMark 8 Work Score Accelerated v2 | 4622 Punkte | |
| PCMark 10 Score | 6351 Punkte | |
Hilfe | ||
CrossMark: Overall | Productivity | Creativity | Responsiveness
| PCMark 10 / Score | |
| Durchschnitt der Klasse Gaming (5776 - 10060, n=113, der letzten 2 Jahre) | |
| MSI GE76 Raider | |
| Gigabyte Aero 16 YE5 | |
| Razer Blade 15 Advanced Model Early 2022 | |
| Medion Erazer Beast X30 | |
| Asus ROG Zephyrus Duo 16 GX650RX | |
| PCMark 10 / Essentials | |
| Gigabyte Aero 16 YE5 | |
| Durchschnitt der Klasse Gaming (8810 - 12600, n=117, der letzten 2 Jahre) | |
| MSI GE76 Raider | |
| Razer Blade 15 Advanced Model Early 2022 | |
| Medion Erazer Beast X30 | |
| Asus ROG Zephyrus Duo 16 GX650RX | |
| PCMark 10 / Productivity | |
| MSI GE76 Raider | |
| Gigabyte Aero 16 YE5 | |
| Durchschnitt der Klasse Gaming (6662 - 16716, n=115, der letzten 2 Jahre) | |
| Razer Blade 15 Advanced Model Early 2022 | |
| Medion Erazer Beast X30 | |
| Asus ROG Zephyrus Duo 16 GX650RX | |
| PCMark 10 / Digital Content Creation | |
| Durchschnitt der Klasse Gaming (7440 - 19351, n=115, der letzten 2 Jahre) | |
| MSI GE76 Raider | |
| Gigabyte Aero 16 YE5 | |
| Medion Erazer Beast X30 | |
| Razer Blade 15 Advanced Model Early 2022 | |
| Asus ROG Zephyrus Duo 16 GX650RX | |
| CrossMark / Overall | |
| Gigabyte Aero 16 YE5 | |
| Durchschnitt der Klasse Gaming (1247 - 2344, n=113, der letzten 2 Jahre) | |
| Razer Blade 15 Advanced Model Early 2022 | |
| Medion Erazer Beast X30 | |
| Asus ROG Zephyrus Duo 16 GX650RX | |
| Apple MacBook Pro 16 2021 M1 Max | |
| CrossMark / Productivity | |
| Gigabyte Aero 16 YE5 | |
| Durchschnitt der Klasse Gaming (1299 - 2211, n=113, der letzten 2 Jahre) | |
| Razer Blade 15 Advanced Model Early 2022 | |
| Asus ROG Zephyrus Duo 16 GX650RX | |
| Medion Erazer Beast X30 | |
| Apple MacBook Pro 16 2021 M1 Max | |
| CrossMark / Creativity | |
| Durchschnitt der Klasse Gaming (1275 - 2729, n=113, der letzten 2 Jahre) | |
| Gigabyte Aero 16 YE5 | |
| Apple MacBook Pro 16 2021 M1 Max | |
| Medion Erazer Beast X30 | |
| Razer Blade 15 Advanced Model Early 2022 | |
| Asus ROG Zephyrus Duo 16 GX650RX | |
| CrossMark / Responsiveness | |
| Gigabyte Aero 16 YE5 | |
| Asus ROG Zephyrus Duo 16 GX650RX | |
| Durchschnitt der Klasse Gaming (1030 - 2330, n=113, der letzten 2 Jahre) | |
| Razer Blade 15 Advanced Model Early 2022 | |
| Medion Erazer Beast X30 | |
| Apple MacBook Pro 16 2021 M1 Max | |
| AIDA64 / Memory Copy | |
| Durchschnitt der Klasse Gaming (21750 - 108104, n=134, der letzten 2 Jahre) | |
| MSI GE76 Raider (v6.50.5800) | |
| Gigabyte Aero 16 YE5 (v6.50.5800) | |
| Razer Blade 15 Advanced Model Early 2022 (v6.50.5800) | |
| Medion Erazer Beast X30 (v6.50.5800) | |
| Asus ROG Zephyrus Duo 16 GX650RX | |
| Durchschnittliche AMD Ryzen 9 6900HX (47938 - 53345, n=20) | |
| AIDA64 / Memory Read | |
| Durchschnitt der Klasse Gaming (22956 - 104349, n=134, der letzten 2 Jahre) | |
| Medion Erazer Beast X30 (v6.50.5800) | |
| Gigabyte Aero 16 YE5 (v6.50.5800) | |
| MSI GE76 Raider (v6.50.5800) | |
| Razer Blade 15 Advanced Model Early 2022 (v6.50.5800) | |
| Asus ROG Zephyrus Duo 16 GX650RX (v6.50.5800) | |
| Durchschnittliche AMD Ryzen 9 6900HX (43892 - 53321, n=20) | |
| AIDA64 / Memory Write | |
| Durchschnitt der Klasse Gaming (22297 - 133486, n=134, der letzten 2 Jahre) | |
| Razer Blade 15 Advanced Model Early 2022 (v6.50.5800) | |
| Medion Erazer Beast X30 (v6.50.5800) | |
| MSI GE76 Raider (v6.50.5800) | |
| Gigabyte Aero 16 YE5 (v6.50.5800) | |
| Asus ROG Zephyrus Duo 16 GX650RX (v6.50.5800) | |
| Durchschnittliche AMD Ryzen 9 6900HX (51085 - 57202, n=20) | |
| AIDA64 / Memory Latency | |
| Durchschnitt der Klasse Gaming (59.5 - 259, n=134, der letzten 2 Jahre) | |
| Razer Blade 15 Advanced Model Early 2022 (v6.50.5800) | |
| MSI GE76 Raider (v6.50.5800) | |
| Asus ROG Zephyrus Duo 16 GX650RX (v6.50.5800) | |
| Gigabyte Aero 16 YE5 (v6.50.5800) | |
| Durchschnittliche AMD Ryzen 9 6900HX (80.7 - 120.6, n=20) | |
| Medion Erazer Beast X30 (v6.50.5800) | |
* ... kleinere Werte sind besser
DPC-Latenzen
Der standardisierte Latency-Monitor-Test (Websurfen, 4k-Videowiedergabe, Prime95 High-Load) hat Auffälligkeiten bei den DPC-Latenzen offenbart. Das System scheint nicht für Video- und Audiobearbeitung in Echtzeit geeignet zu sein. Zukünftige Software-Updates könnten zu Verbesserungen oder auch Verschlechterungen führen.
| DPC Latencies / LatencyMon - interrupt to process latency (max), Web, Youtube, Prime95 | |
| Razer Blade 15 Advanced Model Early 2022 | |
| MSI GE76 Raider | |
| Medion Erazer Beast X30 | |
| Gigabyte Aero 16 YE5 | |
| Asus ROG Zephyrus Duo 16 GX650RX | |
* ... kleinere Werte sind besser
Massenspeicher
Zwei PCIe-4-SSDs (M.2-2280) mit einer Speicherkapazität von jeweils 2 TB bilden einen RAID-0-Verbund: Für das Betriebssystem erscheinen die zwei SSDs als eine 4-TB-SSD. Alle zu speichernden Daten werden auf beide SSDs verteilt. Daraus resultieren hohe Durchsatzraten und kurze Ladezeiten - optimal für Spiele.
| Drive Performance Rating - Percent | |
| Gigabyte Aero 16 YE5 | |
| Asus ROG Zephyrus Duo 16 GX650RX | |
| MSI GE76 Raider | |
| Razer Blade 15 Advanced Model Early 2022 | |
| Medion Erazer Beast X30 | |
| Durchschnitt der Klasse Gaming | |
* ... kleinere Werte sind besser
Dauerleistung Lesen: DiskSpd Read Loop, Queue Depth 8
Grafikkarte
Die tatsächliche Leistung einer RTX-3000-GPU hängt von einigen Faktoren ab: Kühlung, Speicherbestückung und der maximalen TGP, die ein Notebookhersteller innerhalb der von Nvidia definierten Grenzen wählt. Asus gewährt der verbauten GeForce-RTX-3080-Ti-Laptop-GPU eine maximale TGP von 165 Watt (140 Watt + 25 Watt Dynamic Boost). Die GPU kann auf schnellen GDDR6-Grafikspeicher (16.384 MB) zurückgreifen.
Laut Asus steht der Dynamic Boost (max. 10 Watt) nur im "Turbo"-Profil zur Verfügung - der Witcher-3-Test bestätigt es. Das Maximum (25 Watt) müsste innerhalb der Armoury-Crate-Software (Profil "Manuell") freigeschaltet werden. Die Benchmark-Resultate bewegen sich knapp oberhalb des bisher ermittelten RTX-3080-Ti-Durchschnitts.
Das Ende der Fahnenstange ist noch nicht erreicht: Es besteht die Möglichkeit der direkten Bildausgabe per GeForce-GPU (Armoury Crate, MUX-Switch: separate GPU). In Kombination mit einer manuellen Erhöhung des Dynamic Boost auf 25 Watt steigt die Grafikleistung spürbar an.
| 3DMark 11 Performance | 31771 Punkte | |
| 3DMark Cloud Gate Standard Score | 47119 Punkte | |
| 3DMark Fire Strike Score | 24278 Punkte | |
Hilfe | ||
| 3DMark Performance Rating - Percent | |
| MSI GE76 Raider -25! | |
| Asus ROG Zephyrus Duo 16 GX650RX -25! | |
| Durchschnitt der Klasse Gaming -1! | |
| Medion Erazer Beast X30 -25! | |
| Durchschnittliche NVIDIA GeForce RTX 3080 Ti Laptop GPU | |
| Asus ROG Zephyrus Duo 16 GX650RX -2! | |
| Asus ROG Zephyrus Duo 16 GX650RX -25! | |
| Gigabyte Aero 16 YE5 -1! | |
| Razer Blade 15 Advanced Model Early 2022 -25! | |
| Asus ROG Zephyrus Duo 16 GX650RX -25! | |
| 3DMark 11 - 1280x720 Performance GPU | |
| Durchschnitt der Klasse Gaming (13523 - 80022, n=130, der letzten 2 Jahre) | |
| MSI GE76 Raider | |
| Asus ROG Zephyrus Duo 16 GX650RX (Turbo) | |
| Asus ROG Zephyrus Duo 16 GX650RX (sep. GPU, 25W) | |
| Medion Erazer Beast X30 | |
| Asus ROG Zephyrus Duo 16 GX650RX | |
| Durchschnittliche NVIDIA GeForce RTX 3080 Ti Laptop GPU (13920 - 45841, n=45) | |
| Gigabyte Aero 16 YE5 | |
| Razer Blade 15 Advanced Model Early 2022 | |
| Asus ROG Zephyrus Duo 16 GX650RX (Leise) | |
Gaming Performance
Die Hardware bringt alle aktuellen Spiele bei FHD- bis QHD-Auflösung samt maximalen Settings flüssig auf den Bildschirm. Die Nutzung der vollen Bildschirmauflösung (3.840 x 2.400 Bildpunkte) erfordert teilweise reduzierte Settings. Die Bildwiederholraten bewegen sich um den RTX-3080-Ti-Durchschnitt herum. Die direkte Bildausgabe via GeForce-GPU (MUX-Switch: separate GPU) in Kombination mit einer Erhöhung des Dynamic Boost auf 25 Watt lässt die Bildwiederholraten etwas ansteigen.
Die niedrigen Bildwiederholraten bei aktivem Profil "Leise" verantwortet der "Whispermode 2.0" (Flüstermodus 2.0) der GeForce-GPU. Dieser soll ein möglichst niedriges Lärmniveau durch ein für ein Spiel ausreichendes Bildwiederholratenniveau (mind. 30 bis 60 fps) erreichen. Die GPU muss nicht mit voller Kraft arbeiten, produziert weniger Wärme und die Lüfter können es langsamer angehen lassen.
| The Witcher 3 | |
| 1920x1080 Ultra Graphics & Postprocessing (HBAO+) | |
| Durchschnitt der Klasse Gaming (29.6 - 240, n=39, der letzten 2 Jahre) | |
| MSI GE76 Raider | |
| Asus ROG Zephyrus Duo 16 GX650RX (sep. GPU, 25W) | |
| Asus ROG Zephyrus Duo 16 GX650RX (Turbo) | |
| Medion Erazer Beast X30 | |
| Durchschnittliche NVIDIA GeForce RTX 3080 Ti Laptop GPU (30 - 130.6, n=43) | |
| Asus ROG Zephyrus Duo 16 GX650RX | |
| Gigabyte Aero 16 YE5 | |
| Razer Blade 15 Advanced Model Early 2022 | |
| Asus ROG Zephyrus Duo 16 GX650RX (Leise) | |
| 3840x2160 Ultra Graphics & Postprocessing (HBAO+) | |
| Durchschnitt der Klasse Gaming (48.4 - 112.4, n=2, der letzten 2 Jahre) | |
| Durchschnittliche NVIDIA GeForce RTX 3080 Ti Laptop GPU (44.8 - 62.7, n=5) | |
| Asus ROG Zephyrus Duo 16 GX650RX | |
| Gigabyte Aero 16 YE5 | |
| Dota 2 Reborn | |
| 1920x1080 ultra (3/3) best looking | |
| Gigabyte Aero 16 YE5 | |
| MSI GE76 Raider | |
| Durchschnitt der Klasse Gaming (65.1 - 248, n=135, der letzten 2 Jahre) | |
| Medion Erazer Beast X30 | |
| Durchschnittliche NVIDIA GeForce RTX 3080 Ti Laptop GPU (29.9 - 170.5, n=45) | |
| Asus ROG Zephyrus Duo 16 GX650RX (sep. GPU, 25W) | |
| Asus ROG Zephyrus Duo 16 GX650RX (Turbo) | |
| Asus ROG Zephyrus Duo 16 GX650RX | |
| Razer Blade 15 Advanced Model Early 2022 | |
| Asus ROG Zephyrus Duo 16 GX650RX (Leise) | |
| 3840x2160 ultra (3/3) best looking | |
| Durchschnitt der Klasse Gaming (105.2 - 199.2, n=39, der letzten 2 Jahre) | |
| Durchschnittliche NVIDIA GeForce RTX 3080 Ti Laptop GPU (70.8 - 155.6, n=19) | |
| Gigabyte Aero 16 YE5 | |
| Asus ROG Zephyrus Duo 16 GX650RX (Leise) | |
| Asus ROG Zephyrus Duo 16 GX650RX (Turbo) | |
| Asus ROG Zephyrus Duo 16 GX650RX | |
| X-Plane 11.11 | |
| 3840x2160 high (fps_test=3) | |
| Durchschnitt der Klasse Gaming (60 - 126.7, n=39, der letzten 2 Jahre) | |
| Durchschnittliche NVIDIA GeForce RTX 3080 Ti Laptop GPU (32.9 - 109.5, n=20) | |
| Gigabyte Aero 16 YE5 | |
| Asus ROG Zephyrus Duo 16 GX650RX (Turbo) | |
| Asus ROG Zephyrus Duo 16 GX650RX | |
| Asus ROG Zephyrus Duo 16 GX650RX (Leise) | |
| 1920x1080 high (fps_test=3) | |
| MSI GE76 Raider | |
| Gigabyte Aero 16 YE5 | |
| Durchschnitt der Klasse Gaming (33.4 - 150.2, n=138, der letzten 2 Jahre) | |
| Durchschnittliche NVIDIA GeForce RTX 3080 Ti Laptop GPU (32.6 - 127, n=45) | |
| Medion Erazer Beast X30 | |
| Razer Blade 15 Advanced Model Early 2022 | |
| Asus ROG Zephyrus Duo 16 GX650RX (sep. GPU, 25W) | |
| Asus ROG Zephyrus Duo 16 GX650RX (Turbo) | |
| Asus ROG Zephyrus Duo 16 GX650RX | |
| Asus ROG Zephyrus Duo 16 GX650RX (Leise) | |
| Final Fantasy XV Benchmark | |
| 3840x2160 High Quality | |
| Durchschnitt der Klasse Gaming (32.6 - 111.8, n=38, der letzten 2 Jahre) | |
| Asus ROG Zephyrus Duo 16 GX650RX (1.3, sep. GPU, 25W) | |
| Asus ROG Zephyrus Duo 16 GX650RX (1.3, Turbo) | |
| Durchschnittliche NVIDIA GeForce RTX 3080 Ti Laptop GPU (35.1 - 61.2, n=18) | |
| Asus ROG Zephyrus Duo 16 GX650RX (1.3) | |
| Asus ROG Zephyrus Duo 16 GX650RX (1.3, Leise) | |
| Gigabyte Aero 16 YE5 (1.3) | |
| 1920x1080 High Quality | |
| Durchschnitt der Klasse Gaming (28.2 - 215, n=129, der letzten 2 Jahre) | |
| MSI GE76 Raider | |
| Asus ROG Zephyrus Duo 16 GX650RX (1.3, sep. GPU, 25W) | |
| Asus ROG Zephyrus Duo 16 GX650RX (1.3, Turbo) | |
| Durchschnittliche NVIDIA GeForce RTX 3080 Ti Laptop GPU (30.7 - 140.6, n=42) | |
| Asus ROG Zephyrus Duo 16 GX650RX (1.3) | |
| Razer Blade 15 Advanced Model Early 2022 (1.3) | |
| Medion Erazer Beast X30 (1.3) | |
| Gigabyte Aero 16 YE5 (1.3) | |
| GTA V | |
| 3840x2160 Highest AA:4xMSAA + FX AF:16x | |
| Durchschnitt der Klasse Gaming (33.6 - 116.7, n=27, der letzten 2 Jahre) | |
| Asus ROG Zephyrus Duo 16 GX650RX (Turbo) | |
| Asus ROG Zephyrus Duo 16 GX650RX | |
| Durchschnittliche NVIDIA GeForce RTX 3080 Ti Laptop GPU (37.7 - 67.2, n=14) | |
| Gigabyte Aero 16 YE5 | |
| 1920x1080 Highest AA:4xMSAA + FX AF:16x | |
| Durchschnitt der Klasse Gaming (26.8 - 186.9, n=120, der letzten 2 Jahre) | |
| MSI GE76 Raider | |
| Gigabyte Aero 16 YE5 | |
| Durchschnittliche NVIDIA GeForce RTX 3080 Ti Laptop GPU (30 - 139.2, n=42) | |
| Medion Erazer Beast X30 | |
| Asus ROG Zephyrus Duo 16 GX650RX (sep. GPU, 25W) | |
| Asus ROG Zephyrus Duo 16 GX650RX (Turbo) | |
| Asus ROG Zephyrus Duo 16 GX650RX | |
| Razer Blade 15 Advanced Model Early 2022 | |
| Asus ROG Zephyrus Duo 16 GX650RX (Leise) | |
| F1 2021 | |
| 3840x2160 Ultra High Preset + Raytracing AA:T AF:16x | |
| MSI GE76 Raider | |
| Asus ROG Zephyrus Duo 16 GX650RX (874931, sep. GPU, 25W) | |
| Asus ROG Zephyrus Duo 16 GX650RX (874931, Turbo) | |
| Durchschnittliche NVIDIA GeForce RTX 3080 Ti Laptop GPU (41.1 - 70.2, n=18) | |
| Asus ROG Zephyrus Duo 16 GX650RX (874931) | |
| Asus ROG Zephyrus Duo 16 GX650RX (874931, Leise) | |
| Gigabyte Aero 16 YE5 (852849) | |
| 1920x1080 Ultra High Preset + Raytracing AA:T AF:16x | |
| MSI GE76 Raider | |
| Asus ROG Zephyrus Duo 16 GX650RX (874931, sep. GPU, 25W) | |
| Asus ROG Zephyrus Duo 16 GX650RX (874931, Turbo) | |
| Asus ROG Zephyrus Duo 16 GX650RX (874931) | |
| Durchschnitt der Klasse Gaming (n=1der letzten 2 Jahre) | |
| Medion Erazer Beast X30 (874931) | |
| Durchschnittliche NVIDIA GeForce RTX 3080 Ti Laptop GPU (30.2 - 160.6, n=30) | |
| Gigabyte Aero 16 YE5 (852849) | |
| Asus ROG Zephyrus Duo 16 GX650RX (874931, Leise) | |
| Strange Brigade | |
| 3840x2160 ultra AA:ultra AF:16 | |
| Durchschnitt der Klasse Gaming (54.5 - 187.2, n=38, der letzten 2 Jahre) | |
| Asus ROG Zephyrus Duo 16 GX650RX (1.47.22.14 D3D12, Turbo) | |
| Durchschnittliche NVIDIA GeForce RTX 3080 Ti Laptop GPU (61.7 - 100.7, n=15) | |
| Asus ROG Zephyrus Duo 16 GX650RX (1.47.22.14 D3D12) | |
| Gigabyte Aero 16 YE5 (1.47.22.14 D3D12) | |
| 1920x1080 ultra AA:ultra AF:16 | |
| Durchschnitt der Klasse Gaming (46.6 - 456, n=119, der letzten 2 Jahre) | |
| MSI GE76 Raider (1.47.22.14 D3D12) | |
| Asus ROG Zephyrus Duo 16 GX650RX (1.47.22.14 D3D12, sep. GPU, 25W) | |
| Medion Erazer Beast X30 (1.47.22.14 D3D12) | |
| Asus ROG Zephyrus Duo 16 GX650RX (1.47.22.14 D3D12, Turbo) | |
| Durchschnittliche NVIDIA GeForce RTX 3080 Ti Laptop GPU (42.3 - 224, n=41) | |
| Asus ROG Zephyrus Duo 16 GX650RX (1.47.22.14 D3D12) | |
| Gigabyte Aero 16 YE5 (1.47.22.14 D3D12) | |
| Razer Blade 15 Advanced Model Early 2022 (1.47.22.14 D3D12) | |
| Asus ROG Zephyrus Duo 16 GX650RX (1.47.22.14 D3D12, Leise) | |
| Cyberpunk 2077 1.6 | |
| 1920x1080 Ray Tracing Ultra Preset (DLSS off) | |
| Gigabyte Aero 16 YE5 | |
| Durchschnittliche NVIDIA GeForce RTX 3080 Ti Laptop GPU (39.2 - 49.9, n=7) | |
| Asus ROG Zephyrus Duo 16 GX650RX | |
| 3840x2160 Ultra Preset | |
| Durchschnittliche NVIDIA GeForce RTX 3080 Ti Laptop GPU (19.6 - 32.4, n=6) | |
| Asus ROG Zephyrus Duo 16 GX650RX | |
| Gigabyte Aero 16 YE5 | |
| 1920x1080 Ultra Preset | |
| Asus ROG Zephyrus Duo 16 GX650RX | |
| Durchschnittliche NVIDIA GeForce RTX 3080 Ti Laptop GPU (54 - 144.1, n=16) | |
| Gigabyte Aero 16 YE5 | |
| Far Cry 6 | |
| 1920x1080 Ultra Graphics Quality + HD Textures AA:T | |
| Durchschnitt der Klasse Gaming (96.3 - 156, n=4, der letzten 2 Jahre) | |
| MSI GE76 Raider | |
| Durchschnittliche NVIDIA GeForce RTX 3080 Ti Laptop GPU (71.3 - 114, n=6) | |
| Asus ROG Zephyrus Duo 16 GX650RX | |
| Asus ROG Zephyrus Duo 16 GX650RX | |
| 3840x2160 Ultra Graphics Quality + HD Textures AA:T | |
| MSI GE76 Raider | |
| Durchschnittliche NVIDIA GeForce RTX 3080 Ti Laptop GPU (46.2 - 57, n=4) | |
| Asus ROG Zephyrus Duo 16 GX650RX | |
| Durchschnitt der Klasse Gaming (n=1der letzten 2 Jahre) | |
| 1920x1080 Ultra Graphics Quality + HD Textures + DXR AA:T | |
| Durchschnitt der Klasse Gaming (n=1der letzten 2 Jahre) | |
| Durchschnittliche NVIDIA GeForce RTX 3080 Ti Laptop GPU (91 - 92, n=3) | |
| MSI GE76 Raider | |
| Rainbow Six Extraction | |
| 1920x1080 Ultra Preset (with Fixed Resolution Quality) | |
| Asus ROG Zephyrus Duo 16 GX650RX | |
| Medion Erazer Beast X30 | |
| Durchschnittliche NVIDIA GeForce RTX 3080 Ti Laptop GPU (128 - 169, n=3) | |
| Gigabyte Aero 16 YE5 | |
| 3840x2160 Ultra Preset (with Fixed Resolution Quality) | |
| Asus ROG Zephyrus Duo 16 GX650RX | |
| Durchschnittliche NVIDIA GeForce RTX 3080 Ti Laptop GPU (44 - 57, n=2) | |
| Gigabyte Aero 16 YE5 | |
| Ghostwire Tokyo | |
| 1920x1080 Highest Settings | |
| Asus ROG Zephyrus Duo 16 GX650RX | |
| Durchschnittliche NVIDIA GeForce RTX 3080 Ti Laptop GPU (125 - 143.3, n=2) | |
| Medion Erazer Beast X30 | |
| 3840x2160 Highest Settings | |
| Asus ROG Zephyrus Duo 16 GX650RX | |
| Durchschnittliche NVIDIA GeForce RTX 3080 Ti Laptop GPU (n=1) | |
| 1920x1080 Highest Settings + Maximum Ray Tracing | |
| Medion Erazer Beast X30 | |
| Durchschnittliche NVIDIA GeForce RTX 3080 Ti Laptop GPU (66.1 - 68.3, n=2) | |
| Asus ROG Zephyrus Duo 16 GX650RX | |
| Tiny Tina's Wonderlands | |
| 1920x1080 Badass Preset (DX12) | |
| Durchschnitt der Klasse Gaming (55 - 187.5, n=11, der letzten 2 Jahre) | |
| Durchschnittliche NVIDIA GeForce RTX 3080 Ti Laptop GPU (100.7 - 110.5, n=4) | |
| Asus ROG Zephyrus Duo 16 GX650RX | |
| Medion Erazer Beast X30 | |
| 3840x2160 Badass Preset (DX12) | |
| Durchschnitt der Klasse Gaming (21.9 - 71.2, n=6, der letzten 2 Jahre) | |
| Durchschnittliche NVIDIA GeForce RTX 3080 Ti Laptop GPU (40.1 - 43.9, n=2) | |
| Asus ROG Zephyrus Duo 16 GX650RX | |
| Guardians of the Galaxy | |
| 1920x1080 Ultra Preset | |
| MSI GE76 Raider | |
| Durchschnittliche NVIDIA GeForce RTX 3080 Ti Laptop GPU (112 - 155, n=3) | |
| Asus ROG Zephyrus Duo 16 GX650RX | |
| Durchschnitt der Klasse Gaming (n=1der letzten 2 Jahre) | |
| 3840x2160 Ultra Preset | |
| MSI GE76 Raider | |
| Durchschnittliche NVIDIA GeForce RTX 3080 Ti Laptop GPU (60 - 75, n=2) | |
| Asus ROG Zephyrus Duo 16 GX650RX | |
| 1920x1080 Ultra Preset + Ultra Ray-Tracing | |
| MSI GE76 Raider | |
| Durchschnittliche NVIDIA GeForce RTX 3080 Ti Laptop GPU (82 - 104, n=2) | |
| Asus ROG Zephyrus Duo 16 GX650RX | |
| Alan Wake Remastered | |
| 3840x2160 High Preset | |
| MSI GE76 Raider | |
| Durchschnittliche NVIDIA GeForce RTX 3080 Ti Laptop GPU (71.6 - 89, n=2) | |
| Asus ROG Zephyrus Duo 16 GX650RX | |
| 1920x1080 High Preset | |
| MSI GE76 Raider | |
| Durchschnittliche NVIDIA GeForce RTX 3080 Ti Laptop GPU (118.8 - 155, n=2) | |
| Asus ROG Zephyrus Duo 16 GX650RX | |
| Dying Light 2 | |
| 1920x1080 High Quality Raytracing | |
| Asus ROG Zephyrus Duo 16 GX650RX | |
| Durchschnittliche NVIDIA GeForce RTX 3080 Ti Laptop GPU (33.4 - 42.3, n=5) | |
| Gigabyte Aero 16 YE5 | |
| 3840x2160 High Quality | |
| Asus ROG Zephyrus Duo 16 GX650RX | |
| Durchschnittliche NVIDIA GeForce RTX 3080 Ti Laptop GPU (27.3 - 31, n=2) | |
| Gigabyte Aero 16 YE5 | |
| 1920x1080 High Quality | |
| Durchschnittliche NVIDIA GeForce RTX 3080 Ti Laptop GPU (69.2 - 88.4, n=5) | |
| Asus ROG Zephyrus Duo 16 GX650RX | |
| Gigabyte Aero 16 YE5 | |
Um zu überprüfen, ob die Bildwiederholraten über einen längeren Zeitraum weitgehend konstant bleiben, lassen wir das Spiel "The Witcher 3" für etwa 60 Minuten mit Full-HD-Auflösung und maximalen Qualitätseinstellungen laufen. Die Spielfigur wird nicht bewegt. Ein Einbruch der Bildwiederholraten ist nicht festzustellen.
Witcher 3 FPS-Diagramm
| min. | mittel | hoch | max. | QHD | 4K | |
|---|---|---|---|---|---|---|
| GTA V (2015) | 180.4 | 175.4 | 158.9 | 101.5 | 92.2 | 101.5 |
| The Witcher 3 (2015) | 345 | 298 | 197.9 | 111.1 | 80.5 | |
| Dota 2 Reborn (2015) | 133.8 | 122.2 | 114.8 | 111.3 | 89.2 | |
| Final Fantasy XV Benchmark (2018) | 177.8 | 138.7 | 108 | 84.6 | 51.4 | |
| X-Plane 11.11 (2018) | 112.9 | 95.1 | 78.2 | 66.1 | ||
| Far Cry 5 (2018) | 146 | 124 | 120 | 111 | 104 | 60 |
| Strange Brigade (2018) | 359 | 229 | 198.8 | 182.4 | 140.2 | 84.5 |
| F1 2021 (2021) | 330 | 275 | 225 | 130.2 | 102.5 | 60 |
| Alan Wake Remastered (2021) | 142.4 | 123.4 | 118.8 | 114.4 | 71.6 | |
| Far Cry 6 (2021) | 116.2 | 100.3 | 90.9 | 71.3 | 75.2 | 46.2 |
| Guardians of the Galaxy (2021) | 118 | 113 | 112 | 112 | 103 | 60 |
| Rainbow Six Extraction (2022) | 243 | 207 | 202 | 169 | 113 | 57 |
| Dying Light 2 (2022) | 106.9 | 88.4 | 77.6 | 55.8 | 31 | |
| Cyberpunk 2077 1.6 (2022) | 136.3 | 119.6 | 98.3 | 99.1 | 53.7 | 25.2 |
| Ghostwire Tokyo (2022) | 148.1 | 146.8 | 143.8 | 143.3 | 110.6 | 59.9 |
| Tiny Tina's Wonderlands (2022) | 192.7 | 167.3 | 128.9 | 104.3 | 73.5 | 40.1 |
Emissionen - Asus ROG 16 mit akzeptabler Lärm- und Wärmeentwicklung
Geräuschemissionen
Die zwei Lüfter lassen es im Alltagsbetrieb (Office, Internet) gemächlich angehen und produzieren nur sehr wenig Lärm. Gelegentlich stehen sie sogar still. Unter Volllast wird es mit maximalen Schalldruckpegeln von 50 dB(A) (Stresstest) bzw. 48 dB(A) (Witcher-3-Test) laut. Die Lärmentwicklung unter Last kann durch Nutzung des Profils "Leise" verringert werden - auf Kosten der Rechenleistung.
Lautstärkediagramm
| Idle |
| 26 / 27 / 29 dB(A) |
| Last |
| 41 / 50 dB(A) |
![]() | ||
30 dB leise 40 dB(A) deutlich hörbar 50 dB(A) störend |
||
min: | ||
| Asus ROG Zephyrus Duo 16 GX650RX R9 6900HX, GeForce RTX 3080 Ti Laptop GPU | Apple MacBook Pro 16 2021 M1 Max M1 Max, M1 Max 32-Core GPU | Razer Blade 15 Advanced Model Early 2022 i7-12800H, GeForce RTX 3080 Ti Laptop GPU | MSI GE76 Raider i9-12900HK, GeForce RTX 3080 Ti Laptop GPU | Medion Erazer Beast X30 i9-12900HK, GeForce RTX 3080 Ti Laptop GPU | Gigabyte Aero 16 YE5 i9-12900HK, GeForce RTX 3080 Ti Laptop GPU | |
|---|---|---|---|---|---|---|
| Geräuschentwicklung | 10% | 4% | -11% | -8% | -9% | |
| aus / Umgebung * (dB) | 26 | 24.2 7% | 26 -0% | 26 -0% | 26 -0% | 25 4% |
| Idle min * (dB) | 26 | 24.2 7% | 26 -0% | 26 -0% | 27 -4% | 30 -15% |
| Idle avg * (dB) | 27 | 24.2 10% | 27 -0% | 27 -0% | 29 -7% | 32 -19% |
| Idle max * (dB) | 29 | 24.2 17% | 29 -0% | 40 -38% | 34 -17% | 33 -14% |
| Last avg * (dB) | 41 | 42.9 -5% | 37 10% | 50 -22% | 48 -17% | 45 -10% |
| Witcher 3 ultra * (dB) | 48 | 39.5 18% | 44 8% | 53 -10% | 51 -6% | 50 -4% |
| Last max * (dB) | 50 | 42.9 14% | 45 10% | 53 -6% | 53 -6% | 52 -4% |
* ... kleinere Werte sind besser
Temperatur
Im Alltagsbetrieb (Office, Internet) verbleiben die Gehäuse-Temperaturen im grünen Bereich. Unter Last (Stresstest, Witcher-3-Test) erwärmt sich das Notebook spürbar, aber nicht übermäßig stark. Die CPU-Temperaturen bewegen sich auf akzeptablem Niveau.
(±) Die maximale Temperatur auf der Oberseite ist 45 °C. Im Vergleich liegt der Klassendurchschnitt bei 40.4 °C (von 21.2 bis 68.8 °C für die Klasse Gaming).
(-) Auf der Unterseite messen wir eine maximalen Wert von 50 °C (im Vergleich zum Durchschnitt von 43.3 °C).
(+) Ohne Last messen wir eine durchschnittliche Temperatur von 29.8 °C auf der Oberseite. Der Klassendurchschnitt erreicht 33.9 °C.
(-) Beim längeren Spielen von The Witcher 3 erhitzt sich das Gerät durchschnittlich auf 40.1 °C. Der Durchschnitt der Klasse ist derzeit 33.9 °C.
(-) Die Handballen und der Touchpad-Bereich können sehr heiß werden mit maximal 42 °C.
(-) Die durchschnittliche Handballen-Temperatur anderer getesteter Geräte war 28.8 °C (-13.2 °C).
| Asus ROG Zephyrus Duo 16 GX650RX AMD Ryzen 9 6900HX, NVIDIA GeForce RTX 3080 Ti Laptop GPU | Apple MacBook Pro 16 2021 M1 Max Apple M1 Max, Apple M1 Max 32-Core GPU | Razer Blade 15 Advanced Model Early 2022 Intel Core i7-12800H, NVIDIA GeForce RTX 3080 Ti Laptop GPU | MSI GE76 Raider Intel Core i9-12900HK, NVIDIA GeForce RTX 3080 Ti Laptop GPU | Medion Erazer Beast X30 Intel Core i9-12900HK, NVIDIA GeForce RTX 3080 Ti Laptop GPU | Gigabyte Aero 16 YE5 Intel Core i9-12900HK, NVIDIA GeForce RTX 3080 Ti Laptop GPU | |
|---|---|---|---|---|---|---|
| Hitze | 20% | -12% | -1% | -13% | -5% | |
| Last oben max * (°C) | 45 | 42.3 6% | 53 -18% | 43 4% | 55 -22% | 49 -9% |
| Last unten max * (°C) | 50 | 41.7 17% | 53 -6% | 47 6% | 62 -24% | 55 -10% |
| Idle oben max * (°C) | 33 | 23.9 28% | 36 -9% | 33 -0% | 32 3% | 33 -0% |
| Idle unten max * (°C) | 33 | 23.9 28% | 38 -15% | 37 -12% | 36 -9% | 33 -0% |
* ... kleinere Werte sind besser
Stresstest
CPU (4 bis 4,1 GHz) und GPU (1.000 bis 1.600 MHz) arbeiten zu Beginn des Stresstests (Prime95 und Furmark laufen für mindestens eine Stunde) mit hohen Taktraten. Im weiteren Verlauf sinken die Werte auf 3 bis 3,1 GHz (CPU) bzw. 850 bis 900 MHz (GPU). Der Stresstest stellt ein Extremszenario dar. Wir überprüfen mit diesem Test, ob das System bei voller Auslastung stabil läuft.
Lautsprecher
Die Stereolautsprecher produzieren einen ordentlichen Klang, der aber mehr Bass vertragen könnte. Für ein besseres Klangerlebnis empfehlen sich Kopfhörer oder externe Lautsprecher.
Asus ROG Zephyrus Duo 16 GX650RX Audio Analyse
(±) | Mittelmäßig laut spielende Lautsprecher (80 dB)
Bass 100 - 315 Hz
(±) | abgesenkter Bass - 8.9% geringer als der Median
(±) | durchschnittlich lineare Bass-Wiedergabe (12.4% Delta zum Vorgänger)
Mitteltöne 400 - 2000 Hz
(±) | zu hohe Mitten, vom Median 6.8% abweichend
(+) | lineare Mitten (4.3% Delta zum Vorgänger)
Hochtöne 2 - 16 kHz
(±) | verringerte Hochtöne, 6% geringer als der Median
(±) | durchschnittlich lineare Hochtöne (7.3% Delta zum Vorgänger)
Gesamt im hörbaren Bereich 100 - 16.000 Hz
(±) | hörbarer Bereich ist durchschnittlich linear (16.5% Abstand zum Median)
Im Vergleich zu allen Geräten derselben Klasse
» 42% aller getesteten Geräte dieser Klasse waren besser, 7% vergleichbar, 52% schlechter
» Das beste Gerät hat einen Delta-Wert von 6%, durchschnittlich ist 18%, das schlechteste Gerät hat 132%
Im Vergleich zu allen Geräten im Test
» 27% aller getesteten Geräte waren besser, 6% vergleichbar, 67% schlechter
» Das beste Gerät hat einen Delta-Wert von 4%, durchschnittlich ist 24%, das schlechteste Gerät hat 134%
Energieverwaltung - Das Zephyrus Duo bietet gute Akkulaufzeiten
Energieaufnahme
Im Leerlauf zeigt das GX650 einen etwas höheren Energiebedarf als die meisten Windows-Konkurrenten. An die niedrigen Werte des MacBook Pro 16 reicht keiner der Konkurrenten heran. Stresstest bzw. Witcher-3-Test lassen den Bedarf des Zephyrus auf bis zu 256 Watt bzw. durchschnittlich 186,5 Watt steigen - normale Werte für die hier verbaute Hardware. Während der Witcher-3-Test mit konstanter Energieaufnahme durchlaufen wird, sinkt der Bedarf im Verlauf des Stresstests etwas. Das mitgelieferte Netzteil ist mit einer Nennleistung von 280 Watt ausreichend dimensioniert.
| Aus / Standby | |
| Idle | |
| Last |
|
Legende:
min: | |
| Asus ROG Zephyrus Duo 16 GX650RX R9 6900HX, GeForce RTX 3080 Ti Laptop GPU | Apple MacBook Pro 16 2021 M1 Max M1 Max, M1 Max 32-Core GPU | Razer Blade 15 Advanced Model Early 2022 i7-12800H, GeForce RTX 3080 Ti Laptop GPU | MSI GE76 Raider i9-12900HK, GeForce RTX 3080 Ti Laptop GPU | Medion Erazer Beast X30 i9-12900HK, GeForce RTX 3080 Ti Laptop GPU | Gigabyte Aero 16 YE5 i9-12900HK, GeForce RTX 3080 Ti Laptop GPU | Durchschnitt der Klasse Gaming | |
|---|---|---|---|---|---|---|---|
| Stromverbrauch | 42% | 16% | 4% | 9% | -15% | 12% | |
| Idle min * (Watt) | 19 | 5.4 72% | 17 11% | 12 37% | 12 37% | 26 -37% | 13.7 ? 28% |
| Idle avg * (Watt) | 24 | 16.4 32% | 19 21% | 17 29% | 16 33% | 30 -25% | 19.5 ? 19% |
| Idle max * (Watt) | 31 | 16.7 46% | 25 19% | 28 10% | 22 29% | 37 -19% | 25.7 ? 17% |
| Last avg * (Watt) | 104 | 94 10% | 108 -4% | 118 -13% | 118 -13% | 127 -22% | 110.2 ? -6% |
| Witcher 3 ultra * (Watt) | 186.5 | 104 44% | 150 20% | 252 -35% | 223 -20% | 176 6% | |
| Last max * (Watt) | 256 | 135 47% | 179 30% | 272 -6% | 290 -13% | 236 8% | 257 ? -0% |
* ... kleinere Werte sind besser
Energieaufnahme Witcher 3 / Stresstest
Energieaufnahme mit externem Monitor
Akkulaufzeit
Der 16-Zöller erreicht im WLAN-Test (Aufruf von Webseiten mittels eines Skripts) bzw. Videotest (Kurzfilm Big Buck Bunny (H.264-Kodierung, FHD) in einer Schleife) Laufzeiten von 7:49 h bzw. 9:19 h. Während beider Tests sind die Energiesparfunktionen des Notebooks deaktiviert und die Displayhelligkeit wird auf etwa 150 cd/m² geregelt. Zur Durchführung des Videotests werden zudem die Funkmodule abgeschaltet.
| Asus ROG Zephyrus Duo 16 GX650RX R9 6900HX, GeForce RTX 3080 Ti Laptop GPU, 90 Wh | Apple MacBook Pro 16 2021 M1 Max M1 Max, M1 Max 32-Core GPU, 99.6 Wh | Razer Blade 15 Advanced Model Early 2022 i7-12800H, GeForce RTX 3080 Ti Laptop GPU, 80 Wh | MSI GE76 Raider i9-12900HK, GeForce RTX 3080 Ti Laptop GPU, 99.99 Wh | Medion Erazer Beast X30 i9-12900HK, GeForce RTX 3080 Ti Laptop GPU, 91.2 Wh | Gigabyte Aero 16 YE5 i9-12900HK, GeForce RTX 3080 Ti Laptop GPU, 99 Wh | Durchschnitt der Klasse Gaming | |
|---|---|---|---|---|---|---|---|
| Akkulaufzeit | 61% | -2% | -35% | 11% | -2% | -2% | |
| Idle (h) | 12.5 | 8.1 -35% | 7.7 -38% | 8.9 -29% | 9.23 ? -26% | ||
| H.264 (h) | 9.3 | 17 83% | 5.9 -37% | 6.4 -31% | 7.5 -19% | 8.05 ? -13% | |
| WLAN (h) | 7.8 | 14.9 91% | 4.9 -37% | 5.1 -35% | 5.7 -27% | 6.4 -18% | 6.73 ? -14% |
| Last (h) | 1 | 1.1 10% | 2 100% | 2.4 140% | 1.6 60% | 1.464 ? 46% |
Pro
Contra
Fazit - Leistungsstarkes Notebook für den Kreativ-Bereich
Asus bewirbt das Zephyrus in erster Linie als Gaming-Notebook, das Konzept des Rechners zielt aber auch auf Content Creator: Video- und Bildbearbeitung, Rendering und natürlich Gaming zählen zu den Kerndisziplinen. 4k-Gaming ist bei hohen bis maximalen Settings möglich.
Das Screenpad Plus dürfte in einigen Anwendungsszenarien einen gewissen Mehrwert besitzen, schraubt aber Gewicht, Kaufpreis und Abmessungen des Rechners nach oben.
Eine Ryzen-9-6900HX-APU und eine GeForce-RTX-3080-Ti-Laptop-GPU liefern die nötige Rechenleistung - beide Komponenten arbeiten mit konstant hohem Takt. Zwei PCIe-4-SSDs (RAID 0) sorgen für kurze Ladezeiten und viel Speicherplatz (4 TB). Das Ganze wird mit 64 GB Arbeitsspeicher abgerundet.
Lärm- und Wärmeentwicklung unter Last bewegen sich auf klassenüblichem Niveau, im Alltagsbetrieb arbeitet der Rechner aber sehr geräuscharm. Der gelungene 16-Zoll-Bildschirm im 16:10-Format punktet mit toller Farbdarstellung (Pantone-Zertifizierung) und deckt den DCI-P3-Farbraum komplett ab.
Trotz hoher Rechenleistung muss nicht auf gute Akkulaufzeiten verzichtet werden: Eine Akkuladung (90 Wh) genügt für eine WLAN-Laufzeit von knapp 8 Stunden. Positiv: Der Akku kann über ein universelles USB-C-Netzteil (min. 45 Watt) geladen werden - der linke USB-C-Gen-2-Steckplatz unterstützt Power Delivery. So müsste nicht zwingend das wuchtige 280-Watt-Netzteil mitgeführt werden.
Eine Alternative zum Zephyrus wäre das Gigabyte Aero 16. Es bietet mehr CPU-Leistung und einen Thunderbolt-4-Steckplatz. Die Nachteile: Schlechtere Akkulaufzeiten, ein spiegelnder Bildschirm und stärkere Erwärmung. Sind eine hohe Rechenleistung und möglichst lange Akkulaufzeiten gefragt, führt kaum ein Weg am Apple MacBook Pro 16 vorbei. Allerdings: Weder SSD noch Arbeitsspeicher könnten getauscht bzw. erweitert werden. Zudem hat auch das MacBook einen spiegelnden Bildschirm an Bord.
Preis und Verfügbarkeit
Die getestete Variante des Zephyrus ist zum Testzeitpunkt in keinem bekannten Onlineshop bzw. in keiner Preissuchmaschine auffindbar. Eine etwas abgespeckte Variante (Ryzen 9 6900HX, GeForce RTX 3080 Ti, 64 RAM, 2 TB SSD, WQXGA) hält Notebooksbilliger.de zu einem Preis von 4.499 Euro bereit. Eine leistungsschwächere Variante (Ryzen 9 6980HX, GeForce RTX 3060, 16 GB RAM, 1 TB SSD, WQXGA) ist bei Amazon.de zu einem Preis von 2.999 Euro gelistet - aktuell aber nicht lieferbar.
Asus ROG Zephyrus Duo 16 GX650RX
- 23.05.2022 v7 (old)
Sascha Mölck





















































































































