Medion Erazer Beast X30 im Test: Schlankes, leistungsstarkes QHD-Gaming-Notebook

Das Medion Erazer Beast X30 zählt zu den schlanken Gaming-Notebooks im 17,3-Zoll-Format. Trotz kompakter Abmessungen steckt mit dem Core-i9-12900HK-Prozessor und der GeForce-RTX-3080-Ti-Laptop-GPU potente Hardware in dem Notebook. Der Rechner basiert auf einem Barebone (GM7AG8P) der Firma Tongfang. Zu den Konkurrenten zählen Geräte wie das MSI Stealth GS77 12UHS, das Uniwill Technology GM7AG8P und das Razer Blade 17 (2022).
Hinweis: Bei unserem Testgerät handelte es sich um ein Presample. Die Ausstattung muss nicht 1:1 dem finalen Produkt entsprechen.
mögliche Konkurrenten im Vergleich
Bew. | Datum | Modell | Gewicht | Dicke | Größe | Auflösung | Preis ab |
|---|---|---|---|---|---|---|---|
| 86.7 % v7 (old) | 05 / 2022 | Medion Erazer Beast X30 i9-12900HK, GeForce RTX 3080 Ti Laptop GPU | 2.2 kg | 23 mm | 17.30" | 2560x1440 | |
| 87.2 % v7 (old) | 04 / 2022 | MSI Stealth GS77 12UHS-083US i7-12700H, GeForce RTX 3080 Ti Laptop GPU | 2.9 kg | 20.8 mm | 17.30" | 2560x1440 | |
| 91.2 % v7 (old) | 04 / 2022 | Razer Blade 17 RTX 3080 Ti i7-12800H, GeForce RTX 3080 Ti Laptop GPU | 2.7 kg | 19.9 mm | 17.30" | 2560x1440 | |
| 86.9 % v7 (old) | 02 / 2022 | Schenker Uniwill Technology GM7AG8P i9-12900H, GeForce RTX 3080 Ti Laptop GPU | 2.3 kg | 20 mm | 17.30" | 2560x1440 |
Gehäuse - Medion setzt beim Erazer auf ein Metallgehäuse
Das schlanke, matt-schwarze Metallgehäuse ist bereits von den Vorgängermodellen bekannt. Medion setzt hier auf ein unauffälliges Design. Das Gerät verfügt größtenteils über matte Oberflächen, lediglich die Oberfläche der Unterschale ist angeraut. Für etwas Farbe sorgt ein frei konfigurierbares LED-Band (RGB) an der zum Nutzer gerichteten Gehäuseseite. Der Akku ist im Gerät verbaut (verschraubt, nicht verklebt). Die Innereien sind nach der Demontage der Unterschale zugänglich.
Die Spaltmaße des gut verarbeiteten Gehäuses stimmen, es sind keine Materialüberstände und/oder scharfe Kanten zu spüren. Positiv: Die Baseunit kann praktisch nicht verdreht werden, der Deckel in geringem Maße. Letzteres bewegt sich aber völlig im Rahmen. Die Scharniere halten den Deckel fest in Position, wippen aber etwas nach. Der maximale Öffnungswinkel liegt bei etwa 130 Grad. Eine Ein-Hand-Öffnung des Deckels ist möglich.
Innerhalb unseres Vergleichsfeldes stellt das Erazer das leichteste Gerät dar. Bezüglich der Abmessungen liegt es auf einem Niveau mit dem Blade 17 und dem Uniwill Notebook.
Ausstattung - Das X30 bietet Thunderbolt 4
Das X30 wartet mit drei USB-A-Steckplätzen (2x USB 3.2 Gen 1, 1x USB 3.2 Gen 2) und einem USB-C-Anschluss (Thunderbolt 4) auf. Letzterer unterstützt Displayport per USB-C. Somit verfügt der Rechner zusammen mit dem HDMI-2.1-Steckplatz über zwei Videoausgänge. Dazu gesellen sich zwei Audiobuchsen (Kopfhörerausgang, Mikrofoneingang), einen Gigabit-Ethernet-Port und eine Öffnung für ein Kabelschloss.
SD Card Reader
Der MicroSD-Speicherkartenleser (Referenzkarte: AV PRO microSD 128 GB V60) zählt mit maximalen Transferraten von 66 MB/s (Übertragung von 250 jpg-Bilddateien mit je rund 5 MB) und 83 MB/s (Kopieren großer Datenblöcke) zu den mittelschnellen Modellen.
| SD Card Reader | |
| average JPG Copy Test (av. of 3 runs) | |
| Razer Blade 17 RTX 3080 Ti (AV Pro V60) | |
| Durchschnitt der Klasse Gaming (20.9 - 210, n=61, der letzten 2 Jahre) | |
| MSI Stealth GS77 12UHS-083US (AV Pro V60) | |
| Schenker Uniwill Technology GM7AG8P (AV Pro V60) | |
| Medion Erazer Beast X30 (AV PRO microSD 128 GB V60) | |
| maximum AS SSD Seq Read Test (1GB) | |
| Razer Blade 17 RTX 3080 Ti (AV Pro V60) | |
| Durchschnitt der Klasse Gaming (25.5 - 261, n=58, der letzten 2 Jahre) | |
| Medion Erazer Beast X30 (AV PRO microSD 128 GB V60) | |
| MSI Stealth GS77 12UHS-083US (AV Pro V60) | |
| Schenker Uniwill Technology GM7AG8P (AV Pro V60) | |
Kommunikation
Die unter optimalen Bedingungen (keine weiteren WLAN-Geräte in der näheren Umgebung, geringer Abstand zwischen Notebook und Server-PC) ermittelten WLAN-Transferraten fallen hervorragend aus und entsprechen den Möglichkeiten des verbauten WiFi-Chips (Intel AX201; 802.11 ax). Drahtgebundene Netzwerkverbindungen wickelt ein Gigabit-Ethernet-Chip (RTL8125) der Firma Realtek ab.
| Networking | |
| iperf3 transmit AXE11000 | |
| Medion Erazer Beast X30 | |
| Durchschnitt der Klasse Gaming (560 - 1862, n=108, der letzten 2 Jahre) | |
| iperf3 receive AXE11000 | |
| Medion Erazer Beast X30 | |
| Durchschnitt der Klasse Gaming (680 - 1745, n=108, der letzten 2 Jahre) | |
Webcam
Neuigkeiten bestehen bezüglich der Webcam: Das X30 bringt eine 2,1-MP-Kamera (Vorgänger: 0,9 MP) mit, die Bilder in einer maximalen Auflösung von 1.920 x 1.080 Bildpunkten erzeugt. Es hapert bei der Farbgenauigkeit: Die Farben weichen deutlich vom Soll ab. Eine mechanische Abdeckung bietet die Kamera nicht.

Zubehör
Dem Notebook liegen die üblichen Dokumente bei: eine Schnellstartanleitung und Garantieinformationen.
Wartung
Nach Entfernung aller Schrauben auf der Geräteunterseite kann die Unterschale recht problemlos abgenommen werden. Eventuell wird ein flacher Spatel benötigt, um die Unterschale abzulösen. Anschließend besteht Zugriff auf die Arbeitsspeicherbänke (beide belegt), die SSD (PCIe 4), den zweiten M.2-2280-Steckplatz (PCIe 4), das WLAN-Modul, die Lüfter, die BIOS-Batterie und den Akku.
Garantie
Medion gewährt dem Erazer eine zweijährige Garantie. Eine Erweiterung der Garantie um ein bis zwei Jahre ist möglich. Die Kosten konnten der zuständigen Medion-Webseite nicht entlockt werden.
Eingabegeräte - Die Tastatur bietet eine RGB-Beleuchtung
Tastatur
Die konkav gewölbten Tasten der beleuchten Chiclet-Tastatur bieten einen kurzen Hub und einen klaren Druckpunkt. Der Tastenwiderstand geht in Ordnung. Gut: Während des Tippens gibt die Tastatur nicht nach. Die vierstufige Tastenbeleuchtung (RGB) wird mittels zweier Funktionstasten gesteuert. Alles in allem liefert Medion hier eine alltagstaugliche Tastatur.
Touchpad
Die glatte Oberfläche des multitouchfähigen Clickpads (ca. 13,2 x 7,5 cm) macht den Fingern das Gleiten leicht. Es bietet einen kurzen Hub und einen deutlichen Druckpunkt. In der linken oberen Ecke des Pads befindet sich eine LED, die Auskunft über den Pad-Status (ein-/ausgeschaltet) gibt. In diesem Bereich reagiert das Pad nicht auf Eingaben.
Display - Medion Notebook mit reaktionsschnellem IPS-Panel
Helligkeit (352,1 cd/m²) und Kontrast (1.178:1) des matten 17,3-Zoll-Bildschirms (2.560 x 1.440 Bildpunkte) erfüllen das jeweilige Soll. Gut: Das im Testgerät verbaute 240-Hz-Panel wartet mit kurzen Reaktionszeiten auf und zeigt kein PWM-Flimmern (die bisher verkauften Konfigurationen besitzen allerdings nur ein 165-Hz-Panel).
| |||||||||||||||||||||||||
Ausleuchtung: 86 %
Helligkeit Akku: 377 cd/m²
Kontrast: 1178:1 (Schwarzwert: 0.32 cd/m²)
ΔE ColorChecker Calman: 2.91 | ∀{0.5-29.43 Ø4.75}
calibrated: 1.3
ΔE Greyscale Calman: 3.4 | ∀{0.09-98 Ø5}
69.2% AdobeRGB 1998 (Argyll 3D)
97.6% sRGB (Argyll 3D)
67.7% Display P3 (Argyll 3D)
Gamma: 2.109
CCT: 7273 K
| Medion Erazer Beast X30 BOE CQ NE173QHM-NZ3, IPS, 2560x1440, 17.3" | MSI Stealth GS77 12UHS-083US BOE NE173QHM-NZ1, IPS, 2560x1440, 17.3" | Razer Blade 17 RTX 3080 Ti BOE NE173QHM-NZ1, IPS, 2560x1440, 17.3" | Schenker Uniwill Technology GM7AG8P BOE NE173QHM-NY2, IPS, 2560x1440, 17.3" | |
|---|---|---|---|---|
| Display | 23% | 24% | 1% | |
| Display P3 Coverage (%) | 67.7 | 96.2 42% | 98.7 46% | 68.9 2% |
| sRGB Coverage (%) | 97.6 | 99.7 2% | 99.9 2% | 97.8 0% |
| AdobeRGB 1998 Coverage (%) | 69.2 | 85.8 24% | 86.2 25% | 70.7 2% |
| Response Times | -36% | -28% | -32% | |
| Response Time Grey 50% / Grey 80% * (ms) | 14.7 ? | 17.6 ? -20% | 17.6 ? -20% | 14.8 ? -1% |
| Response Time Black / White * (ms) | 8.4 ? | 12.8 ? -52% | 11.4 ? -36% | 13.6 ? -62% |
| PWM Frequency (Hz) | ||||
| Bildschirm | -21% | -1% | -21% | |
| Helligkeit Bildmitte (cd/m²) | 377 | 334.8 -11% | 335.9 -11% | 387.1 3% |
| Brightness (cd/m²) | 352 | 305 -13% | 294 -16% | 361 3% |
| Brightness Distribution (%) | 86 | 79 -8% | 75 -13% | 86 0% |
| Schwarzwert * (cd/m²) | 0.32 | 0.34 -6% | 0.38 -19% | 0.32 -0% |
| Kontrast (:1) | 1178 | 985 -16% | 884 -25% | 1210 3% |
| Delta E Colorchecker * | 2.91 | 4.1 -41% | 2.82 3% | 4.32 -48% |
| Colorchecker dE 2000 max. * | 6.78 | 7.28 -7% | 5.04 26% | 8.58 -27% |
| Colorchecker dE 2000 calibrated * | 1.3 | 1.67 -28% | ||
| Delta E Graustufen * | 3.4 | 5.6 -65% | 1.7 50% | 6.6 -94% |
| Gamma | 2.109 104% | 2.16 102% | 2.14 103% | 2.24 98% |
| CCT | 7273 89% | 6314 103% | 6382 102% | 6114 106% |
| Durchschnitt gesamt (Programm / Settings) | -11% /
-13% | -2% /
1% | -17% /
-18% |
* ... kleinere Werte sind besser
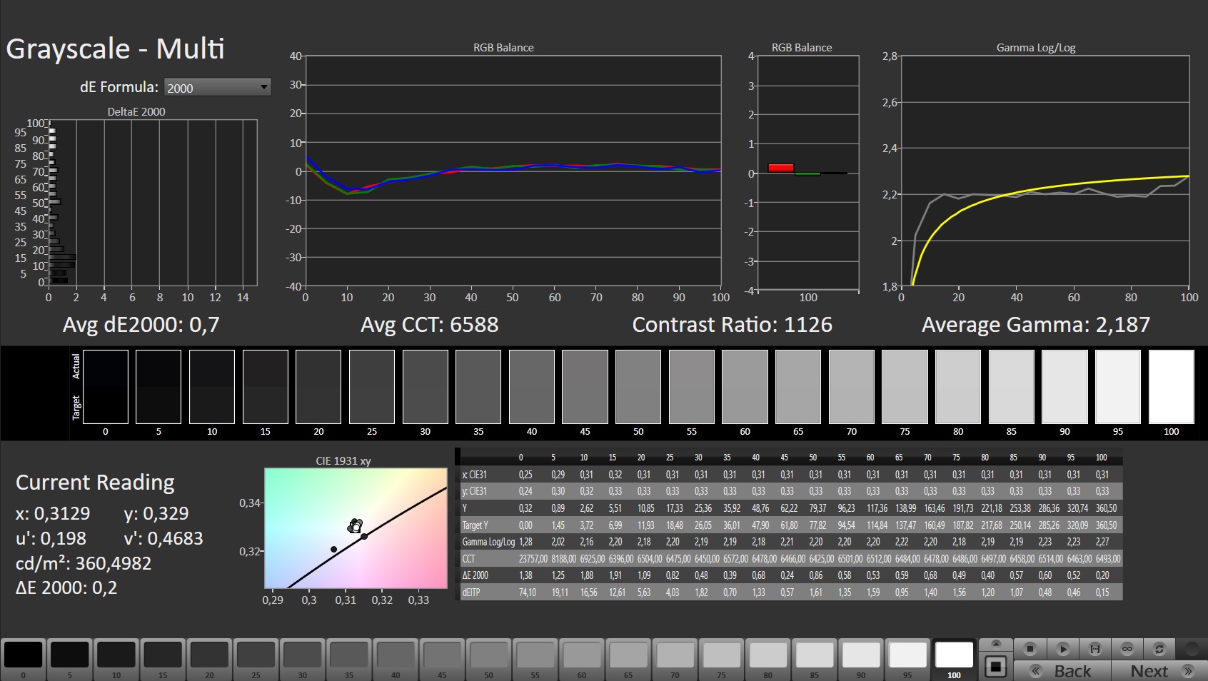
Der Bildschirm stellt die Farben bereits im Auslieferungszustand recht gut dar. Die Farbabweichung bewegt sich innerhalb des Solls. Eine Kalibrierung bewirkt deutliche Verbesserungen. Die Farbräume AdobeRGB (69 %) und DCI-P3 (68 %) kann das Display nicht abbilden, der sRGB-Farbraum wird zu 98 Prozent wiedergegeben.
Reaktionszeiten (Response Times) des Displays
| ↔ Reaktionszeiten Schwarz zu Weiß | ||
|---|---|---|
| 8.4 ms ... steigend ↗ und fallend ↘ kombiniert | ↗ 3.2 ms steigend | |
| ↘ 5.2 ms fallend | ||
| Die gemessenen Reaktionszeiten sind kurz wodurch sich der Bildschirm auch für Spiele gut eignen sollte. Im Vergleich rangierten die bei uns getesteten Geräte von 0.1 (Minimum) zu 240 (Maximum) ms. » 23 % aller Screens waren schneller als der getestete. Daher sind die gemessenen Reaktionszeiten besser als der Durchschnitt aller vermessenen Geräte (20 ms). | ||
| ↔ Reaktionszeiten 50% Grau zu 80% Grau | ||
| 14.7 ms ... steigend ↗ und fallend ↘ kombiniert | ↗ 7 ms steigend | |
| ↘ 7.7 ms fallend | ||
| Die gemessenen Reaktionszeiten sind gut, für anspruchsvolle Spieler könnten der Bildschirm jedoch zu langsam sein. Im Vergleich rangierten die bei uns getesteten Geräte von 0.165 (Minimum) zu 636 (Maximum) ms. » 28 % aller Screens waren schneller als der getestete. Daher sind die gemessenen Reaktionszeiten besser als der Durchschnitt aller vermessenen Geräte (31.3 ms). | ||
Bildschirm-Flackern / PWM (Pulse-Width Modulation)
| Flackern / PWM nicht festgestellt | |||
Im Vergleich: 53 % aller getesteten Geräte nutzten kein PWM um die Helligkeit zu reduzieren. Wenn PWM eingesetzt wurde, dann bei einer Frequenz von durchschnittlich 7946 (Minimum 5, Maximum 343500) Hz. | |||
Leistung - Genug für die nächsten Jahre
Medion hat mit dem Erazer Beast X30 ein 17,3-Zoll-Gaming-Notebook im Sortiment, das jedes aktuelle Spiel flüssig auf den Bildschirm bringt.
Testbedingungen
Das X30 verfügt über drei herstellerspezifische Leistungsprofile ("Office Mode", "Game Mode", "Turbo Mode"), zwischen denen über eine separate Taste (neben dem Einschaltknopf) umgeschaltet werden kann. Die Akkutests wurden bei aktivem "Office Mode" durchgeführt, die Benchmarks bei aktivem Standard-Profil "Game Mode". Einige Benchmarks wurden zusätzlich unter den übrigen Profilen laufen gelassen. Alle Ergebnisse finden sich in den Vergleichsdiagrammen.
Das vorinstallierte Control Center erlaubt eine Anpassung der Profile. So ließen sich u.a. die Power Limits der CPU, die TGP der GPU und/oder die Temperatur-Obergrenzen ändern. Pro Profil könnten zudem bis zu fünf Unterprofile angelegt werden, um bestimmte Anwendungs- bzw. Nutzungsszenarien abzubilden.
| Turbo Mode | Game Mode | Office Mode | |
|---|---|---|---|
| Power Limit 1 | 120 Watt | 120 Watt | 35 Watt |
| Power Limit 2 | 120 Watt | 120 Watt | 35 Watt |
Prozessor
Der verbaute Core-i9-12900HK-Prozessor (Alder Lake) setzt sich aus sechs Performancekernen (Hyperthreading, 2,5 bis 5 GHz) und acht Effizienzkernen (kein Hyperthreading, 1,8 bis 3,8 GHz) zusammen. In der Summe ergeben sich 20 logische CPU-Kerne. Dank eines freien Multiplikators stünde einer Übertaktung der CPU nichts im Wege.
Sowohl der Multi-Thread-Test (P-Kerne: 4,1 bis 4,2 GHz, E-Kerne: 3,1 bis 3,2 GHz) als auch der Single-Thread-Test (P-Kerne: 1,4 bis 4,3 GHz, E-Kerne: 1,5 bis 3,7 GHz) des Cinbench-R15-Benchmarks werden mit hohen Taktraten durchlaufen.
Die CPU liefert eine für 12900HK-Verhältnisse nur unterdurchschnittliche Single-Thread-Leistung. Der Grund: Sie arbeitet nicht mit Maximaltakt (P: 4,3 bis 5 GHz; E: 3,8 GHz). Eventuell kann/muss Medion hier mit einem BIOS-Update nachbessern. Das auf dem gleichen Barebone wie das X30 basierende Uniwill Notebook holt aus der Core-i9-12900H-CPU (entspricht dem 12900HK nur ohne freien Multiplikator) eine um 10 bis 15 Prozent höhere Single-Thread-Leistung heraus - bei deutlich geringeren Power Limits.
Ob der CPU-Turbo im Netzbetrieb dauerhaft genutzt wird, überprüfen wir, indem wir den Multi-Thread-Test des Cinebench-R15-Benchmarks in einer Schleife laufen lassen. Hohe Taktraten können dauerhaft gehalten werden. Der Turbo Mode bewirkt keine Verbesserungen. Eine Erhöhung der Powerlimits (1 und 2) auf 140 Watt sorgt für einen minimalen Anstieg der Rechenleistung.
Cinebench R15 Multi Dauertest
| CPU Performance Rating - Percent | |
| Durchschnitt der Klasse Gaming | |
| Schenker Uniwill Technology GM7AG8P | |
| Medion Erazer Beast X30 | |
| Medion Erazer Beast X30 | |
| MSI Stealth GS77 12UHS-083US | |
| Medion Erazer Beast X30 | |
| Razer Blade 17 RTX 3080 Ti | |
| Durchschnittliche Intel Core i9-12900HK | |
| Medion Erazer Beast X30 | |
| Cinebench R23 | |
| Multi Core | |
| Durchschnitt der Klasse Gaming (10488 - 40970, n=126, der letzten 2 Jahre) | |
| Medion Erazer Beast X30 (PL 140W) | |
| Medion Erazer Beast X30 (Turbo Mode) | |
| Medion Erazer Beast X30 | |
| Schenker Uniwill Technology GM7AG8P | |
| MSI Stealth GS77 12UHS-083US | |
| Durchschnittliche Intel Core i9-12900HK (4796 - 19282, n=14) | |
| Razer Blade 17 RTX 3080 Ti | |
| Medion Erazer Beast X30 (Office Mode) | |
| Single Core | |
| Durchschnitt der Klasse Gaming (1166 - 2267, n=126, der letzten 2 Jahre) | |
| Schenker Uniwill Technology GM7AG8P | |
| Razer Blade 17 RTX 3080 Ti | |
| MSI Stealth GS77 12UHS-083US | |
| Medion Erazer Beast X30 (Turbo Mode) | |
| Medion Erazer Beast X30 (PL 140W) | |
| Medion Erazer Beast X30 (Office Mode) | |
| Medion Erazer Beast X30 | |
| Durchschnittliche Intel Core i9-12900HK (819 - 1940, n=15) | |
| Cinebench R20 | |
| CPU (Multi Core) | |
| Durchschnitt der Klasse Gaming (4029 - 16108, n=125, der letzten 2 Jahre) | |
| Medion Erazer Beast X30 (PL 140W) | |
| Medion Erazer Beast X30 (Turbo Mode) | |
| Medion Erazer Beast X30 | |
| Schenker Uniwill Technology GM7AG8P | |
| MSI Stealth GS77 12UHS-083US | |
| Durchschnittliche Intel Core i9-12900HK (1828 - 7366, n=14) | |
| Razer Blade 17 RTX 3080 Ti | |
| Medion Erazer Beast X30 (Office Mode) | |
| CPU (Single Core) | |
| Durchschnitt der Klasse Gaming (442 - 870, n=125, der letzten 2 Jahre) | |
| Schenker Uniwill Technology GM7AG8P | |
| Razer Blade 17 RTX 3080 Ti | |
| MSI Stealth GS77 12UHS-083US | |
| Medion Erazer Beast X30 (Turbo Mode) | |
| Medion Erazer Beast X30 (Office Mode) | |
| Medion Erazer Beast X30 (PL 140W) | |
| Durchschnittliche Intel Core i9-12900HK (316 - 739, n=14) | |
| Medion Erazer Beast X30 | |
| Cinebench R15 | |
| CPU Multi 64Bit | |
| Durchschnitt der Klasse Gaming (1578 - 6271, n=126, der letzten 2 Jahre) | |
| Medion Erazer Beast X30 (PL 140W) | |
| Medion Erazer Beast X30 | |
| Medion Erazer Beast X30 (Turbo Mode) | |
| Schenker Uniwill Technology GM7AG8P | |
| MSI Stealth GS77 12UHS-083US | |
| Durchschnittliche Intel Core i9-12900HK (965 - 2944, n=14) | |
| Razer Blade 17 RTX 3080 Ti | |
| Medion Erazer Beast X30 (Office Mode) | |
| CPU Single 64Bit | |
| Durchschnitt der Klasse Gaming (188.8 - 343, n=125, der letzten 2 Jahre) | |
| Schenker Uniwill Technology GM7AG8P | |
| Razer Blade 17 RTX 3080 Ti | |
| MSI Stealth GS77 12UHS-083US | |
| Medion Erazer Beast X30 (Turbo Mode) | |
| Medion Erazer Beast X30 (PL 140W) | |
| Medion Erazer Beast X30 | |
| Durchschnittliche Intel Core i9-12900HK (119 - 279, n=14) | |
| Medion Erazer Beast X30 (Office Mode) | |
| Blender - v2.79 BMW27 CPU | |
| Medion Erazer Beast X30 (Office Mode) | |
| Durchschnittliche Intel Core i9-12900HK (172.5 - 483, n=13) | |
| Razer Blade 17 RTX 3080 Ti | |
| MSI Stealth GS77 12UHS-083US | |
| Schenker Uniwill Technology GM7AG8P | |
| Medion Erazer Beast X30 | |
| Medion Erazer Beast X30 (Turbo Mode) | |
| Medion Erazer Beast X30 (PL 140W) | |
| Durchschnitt der Klasse Gaming (80 - 330, n=122, der letzten 2 Jahre) | |
| 7-Zip 18.03 | |
| 7z b 4 | |
| Durchschnitt der Klasse Gaming (33491 - 148086, n=123, der letzten 2 Jahre) | |
| Medion Erazer Beast X30 (PL 140W) | |
| Medion Erazer Beast X30 (Turbo Mode) | |
| Medion Erazer Beast X30 | |
| MSI Stealth GS77 12UHS-083US | |
| Schenker Uniwill Technology GM7AG8P | |
| Razer Blade 17 RTX 3080 Ti | |
| Durchschnittliche Intel Core i9-12900HK (25736 - 75564, n=14) | |
| Medion Erazer Beast X30 (Office Mode) | |
| 7z b 4 -mmt1 | |
| Durchschnitt der Klasse Gaming (4199 - 7508, n=123, der letzten 2 Jahre) | |
| Schenker Uniwill Technology GM7AG8P | |
| Razer Blade 17 RTX 3080 Ti | |
| MSI Stealth GS77 12UHS-083US | |
| Medion Erazer Beast X30 (Turbo Mode) | |
| Medion Erazer Beast X30 (PL 140W) | |
| Durchschnittliche Intel Core i9-12900HK (2898 - 6186, n=14) | |
| Medion Erazer Beast X30 (Office Mode) | |
| Medion Erazer Beast X30 | |
| Geekbench 5.5 | |
| Multi-Core | |
| Durchschnitt der Klasse Gaming (6460 - 27010, n=123, der letzten 2 Jahre) | |
| Medion Erazer Beast X30 (PL 140W) | |
| MSI Stealth GS77 12UHS-083US | |
| Medion Erazer Beast X30 (Turbo Mode) | |
| Razer Blade 17 RTX 3080 Ti | |
| Schenker Uniwill Technology GM7AG8P | |
| Medion Erazer Beast X30 | |
| Durchschnittliche Intel Core i9-12900HK (5869 - 14294, n=13) | |
| Medion Erazer Beast X30 (Office Mode) | |
| Single-Core | |
| Durchschnitt der Klasse Gaming (986 - 2474, n=123, der letzten 2 Jahre) | |
| Schenker Uniwill Technology GM7AG8P | |
| Razer Blade 17 RTX 3080 Ti | |
| MSI Stealth GS77 12UHS-083US | |
| Medion Erazer Beast X30 (Turbo Mode) | |
| Durchschnittliche Intel Core i9-12900HK (843 - 1918, n=13) | |
| Medion Erazer Beast X30 (PL 140W) | |
| Medion Erazer Beast X30 (Office Mode) | |
| Medion Erazer Beast X30 | |
| HWBOT x265 Benchmark v2.2 - 4k Preset | |
| Durchschnitt der Klasse Gaming (11.5 - 44.3, n=123, der letzten 2 Jahre) | |
| Medion Erazer Beast X30 (PL 140W) | |
| Medion Erazer Beast X30 (Turbo Mode) | |
| Medion Erazer Beast X30 | |
| Schenker Uniwill Technology GM7AG8P | |
| MSI Stealth GS77 12UHS-083US | |
| Durchschnittliche Intel Core i9-12900HK (5.33 - 21.6, n=14) | |
| Razer Blade 17 RTX 3080 Ti | |
| Medion Erazer Beast X30 (Office Mode) | |
| LibreOffice - 20 Documents To PDF | |
| Medion Erazer Beast X30 (PL 140W) | |
| Medion Erazer Beast X30 | |
| Durchschnitt der Klasse Gaming (19 - 88.8, n=123, der letzten 2 Jahre) | |
| Durchschnittliche Intel Core i9-12900HK (34.8 - 89.1, n=14) | |
| Razer Blade 17 RTX 3080 Ti | |
| Schenker Uniwill Technology GM7AG8P | |
| MSI Stealth GS77 12UHS-083US | |
| Medion Erazer Beast X30 (Office Mode) | |
| Medion Erazer Beast X30 (Turbo Mode) | |
| R Benchmark 2.5 - Overall mean | |
| Durchschnittliche Intel Core i9-12900HK (0.4155 - 0.994, n=14) | |
| Medion Erazer Beast X30 | |
| Medion Erazer Beast X30 (Office Mode) | |
| Medion Erazer Beast X30 (Turbo Mode) | |
| Medion Erazer Beast X30 (PL 140W) | |
| MSI Stealth GS77 12UHS-083US | |
| Razer Blade 17 RTX 3080 Ti | |
| Durchschnitt der Klasse Gaming (0.3439 - 0.759, n=124, der letzten 2 Jahre) | |
| Schenker Uniwill Technology GM7AG8P | |
* ... kleinere Werte sind besser
AIDA64: FP32 Ray-Trace | FPU Julia | CPU SHA3 | CPU Queen | FPU SinJulia | FPU Mandel | CPU AES | CPU ZLib | FP64 Ray-Trace | CPU PhotoWorxx
| Performance Rating | |
| Durchschnitt der Klasse Gaming | |
| Medion Erazer Beast X30 | |
| Medion Erazer Beast X30 | |
| Medion Erazer Beast X30 | |
| MSI Stealth GS77 12UHS-083US | |
| Durchschnittliche Intel Core i9-12900HK | |
| Schenker Uniwill Technology GM7AG8P | |
| Razer Blade 17 RTX 3080 Ti | |
| Medion Erazer Beast X30 | |
| AIDA64 / FP32 Ray-Trace | |
| Durchschnitt der Klasse Gaming (10227 - 85542, n=123, der letzten 2 Jahre) | |
| Durchschnittliche Intel Core i9-12900HK (2677 - 13948, n=15) | |
| Medion Erazer Beast X30 (v6.50.5800, PL 140W) | |
| Medion Erazer Beast X30 (v6.50.5800, Turbo Mode) | |
| Medion Erazer Beast X30 (v6.50.5800) | |
| MSI Stealth GS77 12UHS-083US (v6.50.5800) | |
| Schenker Uniwill Technology GM7AG8P (v6.50.5800) | |
| Razer Blade 17 RTX 3080 Ti (v6.50.5800) | |
| Medion Erazer Beast X30 (v6.50.5800, Office Mode) | |
| AIDA64 / FPU Julia | |
| Durchschnitt der Klasse Gaming (51376 - 238426, n=123, der letzten 2 Jahre) | |
| Durchschnittliche Intel Core i9-12900HK (12762 - 70764, n=15) | |
| Medion Erazer Beast X30 (v6.50.5800, PL 140W) | |
| Medion Erazer Beast X30 (v6.50.5800, Turbo Mode) | |
| Medion Erazer Beast X30 (v6.50.5800) | |
| Schenker Uniwill Technology GM7AG8P (v6.50.5800) | |
| MSI Stealth GS77 12UHS-083US (v6.50.5800) | |
| Razer Blade 17 RTX 3080 Ti (v6.50.5800) | |
| Medion Erazer Beast X30 (v6.50.5800, Office Mode) | |
| AIDA64 / CPU SHA3 | |
| Durchschnitt der Klasse Gaming (2180 - 9817, n=123, der letzten 2 Jahre) | |
| Medion Erazer Beast X30 (v6.50.5800, PL 140W) | |
| Medion Erazer Beast X30 (v6.50.5800, Turbo Mode) | |
| Medion Erazer Beast X30 (v6.50.5800) | |
| MSI Stealth GS77 12UHS-083US (v6.50.5800) | |
| Schenker Uniwill Technology GM7AG8P (v6.50.5800) | |
| Durchschnittliche Intel Core i9-12900HK (841 - 3504, n=15) | |
| Razer Blade 17 RTX 3080 Ti (v6.50.5800) | |
| Medion Erazer Beast X30 (v6.50.5800, Office Mode) | |
| AIDA64 / CPU Queen | |
| Durchschnitt der Klasse Gaming (49785 - 173351, n=120, der letzten 2 Jahre) | |
| Medion Erazer Beast X30 (v6.50.5800, Turbo Mode) | |
| Medion Erazer Beast X30 (v6.50.5800, PL 140W) | |
| Medion Erazer Beast X30 (v6.50.5800) | |
| Razer Blade 17 RTX 3080 Ti (v6.50.5800) | |
| Schenker Uniwill Technology GM7AG8P (v6.50.5800) | |
| MSI Stealth GS77 12UHS-083US (v6.50.5800) | |
| Durchschnittliche Intel Core i9-12900HK (60202 - 107161, n=15) | |
| Medion Erazer Beast X30 (v6.50.5800, Office Mode) | |
| AIDA64 / FPU SinJulia | |
| Durchschnitt der Klasse Gaming (4424 - 33636, n=123, der letzten 2 Jahre) | |
| Medion Erazer Beast X30 (v6.50.5800, PL 140W) | |
| Medion Erazer Beast X30 (v6.50.5800, Turbo Mode) | |
| Medion Erazer Beast X30 (v6.50.5800) | |
| Schenker Uniwill Technology GM7AG8P (v6.50.5800) | |
| MSI Stealth GS77 12UHS-083US (v6.50.5800) | |
| Razer Blade 17 RTX 3080 Ti (v6.50.5800) | |
| Durchschnittliche Intel Core i9-12900HK (3225 - 10402, n=15) | |
| Medion Erazer Beast X30 (v6.50.5800, Office Mode) | |
| AIDA64 / FPU Mandel | |
| Durchschnitt der Klasse Gaming (25115 - 128721, n=123, der letzten 2 Jahre) | |
| Medion Erazer Beast X30 (v6.50.5800, Turbo Mode) | |
| Medion Erazer Beast X30 (v6.50.5800) | |
| Medion Erazer Beast X30 (v6.50.5800, PL 140W) | |
| Durchschnittliche Intel Core i9-12900HK (7417 - 34233, n=15) | |
| MSI Stealth GS77 12UHS-083US (v6.50.5800) | |
| Schenker Uniwill Technology GM7AG8P (v6.50.5800) | |
| Razer Blade 17 RTX 3080 Ti (v6.50.5800) | |
| Medion Erazer Beast X30 (v6.50.5800, Office Mode) | |
| AIDA64 / CPU AES | |
| Durchschnitt der Klasse Gaming (39258 - 247074, n=123, der letzten 2 Jahre) | |
| MSI Stealth GS77 12UHS-083US (v6.50.5800) | |
| Durchschnittliche Intel Core i9-12900HK (32382 - 112498, n=15) | |
| Medion Erazer Beast X30 (v6.50.5800, PL 140W) | |
| Medion Erazer Beast X30 (v6.50.5800) | |
| Medion Erazer Beast X30 (v6.50.5800, Turbo Mode) | |
| Schenker Uniwill Technology GM7AG8P (v6.50.5800) | |
| Razer Blade 17 RTX 3080 Ti (v6.50.5800) | |
| Medion Erazer Beast X30 (v6.50.5800, Office Mode) | |
| AIDA64 / CPU ZLib | |
| Durchschnitt der Klasse Gaming (574 - 2531, n=123, der letzten 2 Jahre) | |
| Medion Erazer Beast X30 (v6.50.5800, PL 140W) | |
| Medion Erazer Beast X30 (v6.50.5800) | |
| Medion Erazer Beast X30 (v6.50.5800, Turbo Mode) | |
| MSI Stealth GS77 12UHS-083US (v6.50.5800) | |
| Schenker Uniwill Technology GM7AG8P (v6.50.5800) | |
| Durchschnittliche Intel Core i9-12900HK (314 - 1209, n=15) | |
| Razer Blade 17 RTX 3080 Ti (v6.50.5800) | |
| Medion Erazer Beast X30 (v6.50.5800, Office Mode) | |
| AIDA64 / FP64 Ray-Trace | |
| Durchschnitt der Klasse Gaming (5509 - 45446, n=123, der letzten 2 Jahre) | |
| Medion Erazer Beast X30 (v6.50.5800, PL 140W) | |
| Medion Erazer Beast X30 (v6.50.5800, Turbo Mode) | |
| Medion Erazer Beast X30 (v6.50.5800) | |
| Durchschnittliche Intel Core i9-12900HK (1501 - 7616, n=15) | |
| MSI Stealth GS77 12UHS-083US (v6.50.5800) | |
| Schenker Uniwill Technology GM7AG8P (v6.50.5800) | |
| Razer Blade 17 RTX 3080 Ti (v6.50.5800) | |
| Medion Erazer Beast X30 (v6.50.5800, Office Mode) | |
| AIDA64 / CPU PhotoWorxx | |
| Durchschnitt der Klasse Gaming (12271 - 62916, n=123, der letzten 2 Jahre) | |
| Razer Blade 17 RTX 3080 Ti (v6.50.5800) | |
| Schenker Uniwill Technology GM7AG8P (v6.50.5800) | |
| Medion Erazer Beast X30 (v6.50.5800, PL 140W) | |
| Medion Erazer Beast X30 (v6.50.5800, Turbo Mode) | |
| Medion Erazer Beast X30 (v6.50.5800) | |
| MSI Stealth GS77 12UHS-083US (v6.50.5800) | |
| Medion Erazer Beast X30 (v6.50.5800, Office Mode) | |
| Durchschnittliche Intel Core i9-12900HK (24446 - 42462, n=15) | |
System Performance
Das System arbeitet rund und flüssig. Die verbaute Hardware stellt mehr als genug Rechenleistung für fordernde Anwendungsbereiche wie Gaming, Bild- und Videobearbeitung sowie Rendering bereit. Dazu gesellen sich gute PC-Mark-Resultate. Die Transferraten des Arbeitsspeichers bewegen sich auf einem normalen Niveau für DDR5-4800-Speicher.
CrossMark: Overall | Productivity | Creativity | Responsiveness
| PCMark 10 / Score | |
| Durchschnitt der Klasse Gaming (5828 - 10060, n=105, der letzten 2 Jahre) | |
| Schenker Uniwill Technology GM7AG8P | |
| Durchschnittliche Intel Core i9-12900HK, NVIDIA GeForce RTX 3080 Ti Laptop GPU (7149 - 8186, n=5) | |
| Razer Blade 17 RTX 3080 Ti | |
| MSI Stealth GS77 12UHS-083US | |
| Medion Erazer Beast X30 | |
| PCMark 10 / Essentials | |
| Schenker Uniwill Technology GM7AG8P | |
| Razer Blade 17 RTX 3080 Ti | |
| Durchschnittliche Intel Core i9-12900HK, NVIDIA GeForce RTX 3080 Ti Laptop GPU (9870 - 11205, n=5) | |
| Durchschnitt der Klasse Gaming (8810 - 12600, n=109, der letzten 2 Jahre) | |
| MSI Stealth GS77 12UHS-083US | |
| Medion Erazer Beast X30 | |
| PCMark 10 / Productivity | |
| Durchschnitt der Klasse Gaming (6662 - 16716, n=107, der letzten 2 Jahre) | |
| Durchschnittliche Intel Core i9-12900HK, NVIDIA GeForce RTX 3080 Ti Laptop GPU (9173 - 10422, n=5) | |
| Schenker Uniwill Technology GM7AG8P | |
| MSI Stealth GS77 12UHS-083US | |
| Razer Blade 17 RTX 3080 Ti | |
| Medion Erazer Beast X30 | |
| PCMark 10 / Digital Content Creation | |
| Durchschnitt der Klasse Gaming (7602 - 19351, n=107, der letzten 2 Jahre) | |
| Schenker Uniwill Technology GM7AG8P | |
| Durchschnittliche Intel Core i9-12900HK, NVIDIA GeForce RTX 3080 Ti Laptop GPU (10951 - 13098, n=5) | |
| Razer Blade 17 RTX 3080 Ti | |
| MSI Stealth GS77 12UHS-083US | |
| Medion Erazer Beast X30 | |
| CrossMark / Overall | |
| Durchschnitt der Klasse Gaming (1366 - 2344, n=107, der letzten 2 Jahre) | |
| Durchschnittliche Intel Core i9-12900HK, NVIDIA GeForce RTX 3080 Ti Laptop GPU (970 - 2138, n=5) | |
| Medion Erazer Beast X30 | |
| CrossMark / Productivity | |
| Durchschnitt der Klasse Gaming (1386 - 2211, n=107, der letzten 2 Jahre) | |
| Durchschnittliche Intel Core i9-12900HK, NVIDIA GeForce RTX 3080 Ti Laptop GPU (921 - 2038, n=5) | |
| Medion Erazer Beast X30 | |
| CrossMark / Creativity | |
| Durchschnitt der Klasse Gaming (1343 - 2729, n=107, der letzten 2 Jahre) | |
| Medion Erazer Beast X30 | |
| Durchschnittliche Intel Core i9-12900HK, NVIDIA GeForce RTX 3080 Ti Laptop GPU (1007 - 2210, n=5) | |
| CrossMark / Responsiveness | |
| Durchschnittliche Intel Core i9-12900HK, NVIDIA GeForce RTX 3080 Ti Laptop GPU (1012 - 2234, n=5) | |
| Durchschnitt der Klasse Gaming (1226 - 2330, n=107, der letzten 2 Jahre) | |
| Medion Erazer Beast X30 | |
| PCMark 8 Home Score Accelerated v2 | 5294 Punkte | |
| PCMark 8 Creative Score Accelerated v2 | 6923 Punkte | |
| PCMark 8 Work Score Accelerated v2 | 5987 Punkte | |
| PCMark 10 Score | 7149 Punkte | |
Hilfe | ||
| AIDA64 / Memory Copy | |
| Durchschnitt der Klasse Gaming (21750 - 108104, n=123, der letzten 2 Jahre) | |
| Razer Blade 17 RTX 3080 Ti | |
| MSI Stealth GS77 12UHS-083US | |
| Medion Erazer Beast X30 | |
| Schenker Uniwill Technology GM7AG8P | |
| Durchschnittliche Intel Core i9-12900HK (42967 - 62959, n=15) | |
| AIDA64 / Memory Read | |
| Durchschnitt der Klasse Gaming (22956 - 104349, n=123, der letzten 2 Jahre) | |
| Razer Blade 17 RTX 3080 Ti | |
| Medion Erazer Beast X30 | |
| Schenker Uniwill Technology GM7AG8P | |
| MSI Stealth GS77 12UHS-083US | |
| Durchschnittliche Intel Core i9-12900HK (44419 - 66989, n=15) | |
| AIDA64 / Memory Write | |
| Durchschnitt der Klasse Gaming (22297 - 133486, n=123, der letzten 2 Jahre) | |
| Razer Blade 17 RTX 3080 Ti | |
| Schenker Uniwill Technology GM7AG8P | |
| MSI Stealth GS77 12UHS-083US | |
| Medion Erazer Beast X30 | |
| Durchschnittliche Intel Core i9-12900HK (42144 - 65268, n=15) | |
| AIDA64 / Memory Latency | |
| Durchschnitt der Klasse Gaming (75.3 - 259, n=123, der letzten 2 Jahre) | |
| MSI Stealth GS77 12UHS-083US | |
| Durchschnittliche Intel Core i9-12900HK (79.9 - 109, n=15) | |
| Schenker Uniwill Technology GM7AG8P | |
| Razer Blade 17 RTX 3080 Ti | |
| Medion Erazer Beast X30 | |
* ... kleinere Werte sind besser
DPC-Latenzen
Der standardisierte Latency-Monitor-Test (Websurfen, 4k-Videowiedergabe, Prime95 High-Load) hat Auffälligkeiten bei den DPC-Latenzen offenbart. Das System scheint nicht für Video- und Audiobearbeitung in Echtzeit geeignet zu sein. Zukünftige Software-Updates könnten zu Verbesserungen oder auch Verschlechterungen führen.
| DPC Latencies / LatencyMon - interrupt to process latency (max), Web, Youtube, Prime95 | |
| MSI Stealth GS77 12UHS-083US | |
| Razer Blade 17 RTX 3080 Ti | |
| Medion Erazer Beast X30 | |
| Schenker Uniwill Technology GM7AG8P | |
* ... kleinere Werte sind besser
Massenspeicher
Die verbaute 1-TB-SSD (PCIe 4, M.2-2280) der Firma Samsung zählt zu den Top-Modellen unter den SSDs und liefert entsprechend hervorragende Transferraten. Das Notebook bietet Platz für eine zweite SSD (PCIe 4, M.2-2280).
Die SSD verfügt über zwei zugängliche Partitionen: Eine Betriebssystempartition (921 GB) und eine Recovery-Partition (29,9 GB). Letztere enthält neben dem Betriebssystemabbild auch die Treiber, sowie die mitgelieferten Anwendungen. Zur Wiederherstellung des Auslieferungszustandes dient die Anwendung "Cyberlink PowerRecover".
* ... kleinere Werte sind besser
Dauerleistung Lesen: DiskSpd Read Loop, Queue Depth 8
Grafikkarte
Die tatsächliche Leistung einer RTX-3000-GPU hängt von einigen Faktoren ab: Kühlung, Speicherbestückung und der maximalen TGP, die ein Notebookhersteller innerhalb der von Nvidia definierten Grenzen wählt. Medion gewährt der verbauten GeForce-RTX-3080-Ti-Laptop-GPU eine maximale TGP von 175 Watt (150 Watt + 25 Watt Dynamic Boost). Die GPU kann auf schnellen GDDR6-Grafikspeicher (16.384 MB) zurückgreifen.
Laut des Witcher-3-Tests reizt die GPU ihre TGP (150 Watt) aus. Der Dynamic Boost findet wenig bis gar keine Verwendung - Letzterer ist via Control Center auf maximal 5 Watt festgesetzt. Die Benchmark-Resultate bewegen sich oberhalb des bisher ermittelten RTX-3080-Ti-Durchschnitts. Eine manuelle Erhöhung des Dynamic Boost auf bis zu 25 Watt führt bestenfalls zu leichten Verbesserungen. Das mit der gleichen GPU bestückte Razer Blade 17 schneidet durch die Bank einen Tick besser ab.
Control Center und BIOS des X30 erlauben die Deaktivierung der hier zum Einsatz kommenden Umschaltgrafiklösung (Optimus). Es arbeitet dann nur die GeForce GPU. Dies bringt bestenfalls minimale Vorteile bezüglich der Grafikleistung.
| 3DMark 11 Performance | 33422 Punkte | |
| 3DMark Cloud Gate Standard Score | 54685 Punkte | |
| 3DMark Fire Strike Score | 26234 Punkte | |
| 3DMark Time Spy Score | 11995 Punkte | |
Hilfe | ||
| 3DMark Performance Rating - Percent | |
| Durchschnitt der Klasse Gaming | |
| Razer Blade 17 RTX 3080 Ti | |
| Medion Erazer Beast X30 | |
| Medion Erazer Beast X30 | |
| Medion Erazer Beast X30 | |
| Medion Erazer Beast X30 | |
| Schenker Uniwill Technology GM7AG8P | |
| Durchschnittliche NVIDIA GeForce RTX 3080 Ti Laptop GPU | |
| MSI Stealth GS77 12UHS-083US | |
| Medion Erazer Beast X30 | |
| 3DMark 11 - 1280x720 Performance GPU | |
| Durchschnitt der Klasse Gaming (21841 - 80022, n=121, der letzten 2 Jahre) | |
| Medion Erazer Beast X30 (Dyn. Boost 25W) | |
| Razer Blade 17 RTX 3080 Ti | |
| Medion Erazer Beast X30 (Turbo Mode) | |
| Medion Erazer Beast X30 | |
| Medion Erazer Beast X30 (dGPU only) | |
| Schenker Uniwill Technology GM7AG8P | |
| Durchschnittliche NVIDIA GeForce RTX 3080 Ti Laptop GPU (13920 - 45841, n=45) | |
| MSI Stealth GS77 12UHS-083US | |
| Medion Erazer Beast X30 (Office Mode) | |
Gaming Performance
Die verbaute Hardware bringt alle aktuellen Spiele bei nativer Bildschirmauflösung (2.560 x 1.440 Bildpunkte) samt maximalen Settings flüssig auf den Bildschirm. Höhere Auflösungen würden bei Anschluss eines entsprechenden Monitors ebenfalls bewältigt - bei teilweise reduzierten Qualitätseinstellungen. Die Bildwiederholraten bewegen sich oberhalb des RTX-3080-Ti-Durchschnitts. Die Deaktivierung von Optimus bewirkt in einigen Fällen einen leichten Anstieg der Bildwiederholraten.
Die niedrigen Bildwiederholraten bei aktivem Profil "Office Mode" verantwortet der "Whispermode 2.0" (Flüstermodus 2.0) der GeForce-GPU. Dieser soll ein möglichst niedriges Lärmniveau durch ein für ein Spiel ausreichendes Bildwiederholratenniveau (mind. 30 bis 60 fps) erreichen. Die GPU muss nicht mit voller Kraft arbeiten, produziert weniger Wärme und die Lüfter können es langsamer angehen lassen.
Der Whispermode kann innerhalb der GeForce-Experience-Software bzw. des X30-Control-Centers konfiguriert werden. Eine Aktivierung/Deaktivierung ist per GeForce-Experience-Software möglich.
| The Witcher 3 - 1920x1080 Ultra Graphics & Postprocessing (HBAO+) | |
| Durchschnitt der Klasse Gaming (83.7 - 240, n=25, der letzten 2 Jahre) | |
| Razer Blade 17 RTX 3080 Ti | |
| Medion Erazer Beast X30 (dGPU only) | |
| Medion Erazer Beast X30 | |
| Schenker Uniwill Technology GM7AG8P | |
| Medion Erazer Beast X30 (Turbo Mode) | |
| Medion Erazer Beast X30 (Dyn. Boost 25W) | |
| Durchschnittliche NVIDIA GeForce RTX 3080 Ti Laptop GPU (30 - 130.6, n=43) | |
| MSI Stealth GS77 12UHS-083US | |
| Medion Erazer Beast X30 (Office Mode) | |
| Dota 2 Reborn - 1920x1080 ultra (3/3) best looking | |
| Schenker Uniwill Technology GM7AG8P | |
| Razer Blade 17 RTX 3080 Ti | |
| MSI Stealth GS77 12UHS-083US | |
| Durchschnitt der Klasse Gaming (84.8 - 248, n=125, der letzten 2 Jahre) | |
| Medion Erazer Beast X30 (Turbo Mode) | |
| Medion Erazer Beast X30 (dGPU only) | |
| Medion Erazer Beast X30 (Dyn. Boost 25W) | |
| Medion Erazer Beast X30 | |
| Durchschnittliche NVIDIA GeForce RTX 3080 Ti Laptop GPU (29.9 - 170.5, n=45) | |
| Medion Erazer Beast X30 (Office Mode) | |
| X-Plane 11.11 - 1920x1080 high (fps_test=3) | |
| Razer Blade 17 RTX 3080 Ti | |
| Medion Erazer Beast X30 (dGPU only) | |
| Schenker Uniwill Technology GM7AG8P | |
| Medion Erazer Beast X30 (Dyn. Boost 25W) | |
| MSI Stealth GS77 12UHS-083US | |
| Durchschnittliche NVIDIA GeForce RTX 3080 Ti Laptop GPU (32.6 - 127, n=45) | |
| Durchschnitt der Klasse Gaming (52.1 - 144.5, n=128, der letzten 2 Jahre) | |
| Medion Erazer Beast X30 (Turbo Mode) | |
| Medion Erazer Beast X30 | |
| Medion Erazer Beast X30 (Office Mode) | |
| Final Fantasy XV Benchmark - 2560x1440 High Quality | |
| Durchschnitt der Klasse Gaming (32.5 - 184.3, n=98, der letzten 2 Jahre) | |
| Razer Blade 17 RTX 3080 Ti (1.3) | |
| Medion Erazer Beast X30 (1.3) | |
| Medion Erazer Beast X30 (1.3, dGPU only) | |
| Medion Erazer Beast X30 (1.3, Turbo Mode) | |
| Durchschnittliche NVIDIA GeForce RTX 3080 Ti Laptop GPU (30.8 - 105.8, n=34) | |
| Medion Erazer Beast X30 (1.3, Dyn. Boost 25W) | |
| MSI Stealth GS77 12UHS-083US (1.3) | |
| Medion Erazer Beast X30 (1.3, Office Mode) | |
| GTA V | |
| 2560x1440 Highest AA:4xMSAA + FX AF:16x | |
| Durchschnitt der Klasse Gaming (36.9 - 183.9, n=81, der letzten 2 Jahre) | |
| Schenker Uniwill Technology GM7AG8P | |
| Razer Blade 17 RTX 3080 Ti | |
| Medion Erazer Beast X30 (Turbo Mode) | |
| Medion Erazer Beast X30 (dGPU only) | |
| Durchschnittliche NVIDIA GeForce RTX 3080 Ti Laptop GPU (30 - 121.2, n=28) | |
| Medion Erazer Beast X30 | |
| Medion Erazer Beast X30 (Dyn. Boost 25W) | |
| MSI Stealth GS77 12UHS-083US | |
| Medion Erazer Beast X30 (Office Mode) | |
| 1920x1080 Highest AA:4xMSAA + FX AF:16x | |
| Durchschnitt der Klasse Gaming (48.3 - 186.9, n=113, der letzten 2 Jahre) | |
| Schenker Uniwill Technology GM7AG8P | |
| Medion Erazer Beast X30 (Turbo Mode) | |
| Razer Blade 17 RTX 3080 Ti | |
| MSI Stealth GS77 12UHS-083US | |
| Durchschnittliche NVIDIA GeForce RTX 3080 Ti Laptop GPU (30 - 139.2, n=42) | |
| Medion Erazer Beast X30 | |
| Medion Erazer Beast X30 (dGPU only) | |
| Medion Erazer Beast X30 (Dyn. Boost 25W) | |
| Medion Erazer Beast X30 (Office Mode) | |
| Strange Brigade | |
| 2560x1440 ultra AA:ultra AF:16 | |
| Durchschnitt der Klasse Gaming (52.8 - 350, n=87, der letzten 2 Jahre) | |
| Razer Blade 17 RTX 3080 Ti (1.47.22.14 D3D12) | |
| Medion Erazer Beast X30 (1.47.22.14 D3D12, dGPU only) | |
| Schenker Uniwill Technology GM7AG8P (1.47.22.14 D3D12) | |
| Medion Erazer Beast X30 (1.47.22.14 D3D12, Dyn. Boost 25W) | |
| Medion Erazer Beast X30 (1.47.22.14 D3D12) | |
| Medion Erazer Beast X30 (1.47.22.14 D3D12, Turbo Mode) | |
| Durchschnittliche NVIDIA GeForce RTX 3080 Ti Laptop GPU (34.8 - 166.8, n=28) | |
| MSI Stealth GS77 12UHS-083US (1.47.22.14 D3D12) | |
| Medion Erazer Beast X30 (1.47.22.14 D3D12, Office Mode) | |
| 1920x1080 ultra AA:ultra AF:16 | |
| Durchschnitt der Klasse Gaming (76.3 - 456, n=107, der letzten 2 Jahre) | |
| Razer Blade 17 RTX 3080 Ti (1.47.22.14 D3D12) | |
| Medion Erazer Beast X30 (1.47.22.14 D3D12, dGPU only) | |
| Schenker Uniwill Technology GM7AG8P (1.47.22.14 D3D12) | |
| Medion Erazer Beast X30 (1.47.22.14 D3D12, Dyn. Boost 25W) | |
| Medion Erazer Beast X30 (1.47.22.14 D3D12, Turbo Mode) | |
| Medion Erazer Beast X30 (1.47.22.14 D3D12) | |
| Durchschnittliche NVIDIA GeForce RTX 3080 Ti Laptop GPU (42.3 - 224, n=41) | |
| MSI Stealth GS77 12UHS-083US (1.47.22.14 D3D12) | |
| Medion Erazer Beast X30 (1.47.22.14 D3D12, Office Mode) | |
| F1 2021 | |
| 2560x1440 Ultra High Preset + Raytracing AA:T AF:16x | |
| Medion Erazer Beast X30 (874931, dGPU only) | |
| Medion Erazer Beast X30 (874931, Turbo Mode) | |
| Medion Erazer Beast X30 (874931, Dyn. Boost 25W) | |
| Medion Erazer Beast X30 (874931) | |
| Durchschnittliche NVIDIA GeForce RTX 3080 Ti Laptop GPU (30 - 120.1, n=19) | |
| Schenker Uniwill Technology GM7AG8P | |
| Medion Erazer Beast X30 (874931, Office Mode) | |
| 1920x1080 Ultra High Preset + Raytracing AA:T AF:16x | |
| Medion Erazer Beast X30 (874931, dGPU only) | |
| Medion Erazer Beast X30 (874931, Turbo Mode) | |
| Medion Erazer Beast X30 (874931) | |
| Durchschnittliche NVIDIA GeForce RTX 3080 Ti Laptop GPU (30.2 - 160.6, n=30) | |
| Medion Erazer Beast X30 (874931, Dyn. Boost 25W) | |
| Schenker Uniwill Technology GM7AG8P | |
| Medion Erazer Beast X30 (874931) | |
| Rainbow Six Extraction | |
| 1920x1080 Ultra Preset (with Fixed Resolution Quality) | |
| Medion Erazer Beast X30 | |
| Durchschnittliche NVIDIA GeForce RTX 3080 Ti Laptop GPU (128 - 169, n=3) | |
| 2560x1440 Ultra Preset (with Fixed Resolution Quality) | |
| Medion Erazer Beast X30 | |
| Durchschnittliche NVIDIA GeForce RTX 3080 Ti Laptop GPU (87 - 113, n=3) | |
| GRID Legends | |
| 1920x1080 Ultra Preset | |
| Medion Erazer Beast X30 | |
| Durchschnittliche NVIDIA GeForce RTX 3080 Ti Laptop GPU (100.4 - 102.6, n=2) | |
| 2560x1440 Ultra Preset | |
| Medion Erazer Beast X30 | |
| Durchschnittliche NVIDIA GeForce RTX 3080 Ti Laptop GPU (81 - 94.8, n=2) | |
| Ghostwire Tokyo | |
| 1920x1080 Highest Settings + Maximum Ray Tracing | |
| Medion Erazer Beast X30 | |
| Durchschnittliche NVIDIA GeForce RTX 3080 Ti Laptop GPU (66.1 - 68.3, n=2) | |
| 2560x1440 Highest Settings | |
| Durchschnittliche NVIDIA GeForce RTX 3080 Ti Laptop GPU (105.5 - 110.6, n=2) | |
| Medion Erazer Beast X30 | |
| 1920x1080 Highest Settings | |
| Durchschnittliche NVIDIA GeForce RTX 3080 Ti Laptop GPU (125 - 143.3, n=2) | |
| Medion Erazer Beast X30 | |
| Tiny Tina's Wonderlands | |
| 2560x1440 Badass Preset (DX12) | |
| Durchschnitt der Klasse Gaming (49.5 - 111.2, n=5, der letzten 2 Jahre) | |
| Durchschnittliche NVIDIA GeForce RTX 3080 Ti Laptop GPU (73.5 - 79.3, n=3) | |
| Medion Erazer Beast X30 | |
| 1920x1080 Badass Preset (DX12) | |
| Durchschnittliche NVIDIA GeForce RTX 3080 Ti Laptop GPU (100.7 - 110.5, n=4) | |
| Medion Erazer Beast X30 | |
| Durchschnitt der Klasse Gaming (55 - 159.4, n=7, der letzten 2 Jahre) | |
Um zu überprüfen, ob die Bildwiederholraten über einen längeren Zeitraum weitgehend konstant bleiben, lassen wir das Spiel "The Witcher 3" für etwa 60 Minuten mit Full-HD-Auflösung und maximalen Qualitätseinstellungen laufen. Die Spielfigur wird nicht bewegt. Ein Einbruch der Bildwiederholraten ist nicht festzustellen.
Witcher 3 FPS-Diagramm
| min. | mittel | hoch | max. | QHD | |
|---|---|---|---|---|---|
| GTA V (2015) | 185.9 | 182.7 | 172.2 | 110.9 | 98.1 |
| The Witcher 3 (2015) | 379 | 317 | 214 | 117.4 | |
| Dota 2 Reborn (2015) | 172.8 | 159.9 | 150.9 | 145.1 | |
| Final Fantasy XV Benchmark (2018) | 167.4 | 122.6 | 89.4 | 89.6 | |
| X-Plane 11.11 (2018) | 141 | 122.5 | 99.3 | ||
| Far Cry 5 (2018) | 170 | 143 | 139 | 130 | 110 |
| Strange Brigade (2018) | 415 | 268 | 222 | 196.3 | 148.9 |
| F1 2021 (2021) | 311 | 240 | 215 | 126.3 | 100.2 |
| Forza Horizon 5 (2021) | 148 | 129 | 116 | 82 | 68 |
| Rainbow Six Extraction (2022) | 212 | 185 | 180 | 159 | 113 |
| GRID Legends (2022) | 158.8 | 130.9 | 117.2 | 102.6 | 94.8 |
| Ghostwire Tokyo (2022) | 134.9 | 130.2 | 126.1 | 125 | 105.5 |
| Tiny Tina's Wonderlands (2022) | 184.2 | 152.52 | 123.5 | 103 | 75.6 |
Emissionen - Das Beast brüllt laut
Geräuschemissionen
Im Alltagsbetrieb (Office, Internet) produzieren die zwei Lüfter nur wenig Lärm. Gelegentlich stehen sie sogar still. Komplett lautlos arbeitet das Notebook dann aber nicht unbedingt: Aus dem Inneren ist manchmal ein elektronisches Spratzeln zu vernehmen. Unter Volllast wird es mit maximalen Schalldruckpegeln von 53 dB(A) (Stresstest) bzw. 51 dB(A) (Witcher-3-Test) laut. Die Lärmentwicklung unter Last kann durch Nutzung des Profils "Office Mode" verringert werden - auf Kosten der Rechenleistung.
Lautstärkediagramm
| Idle |
| 27 / 29 / 34 dB(A) |
| Last |
| 48 / 53 dB(A) |
![]() | ||
30 dB leise 40 dB(A) deutlich hörbar 50 dB(A) störend |
||
min: | ||
| Medion Erazer Beast X30 GeForce RTX 3080 Ti Laptop GPU, i9-12900HK, Samsung PM9A1 MZVL21T0HCLR | MSI Stealth GS77 12UHS-083US GeForce RTX 3080 Ti Laptop GPU, i7-12700H, Micron 3400 1TB MTFDKBA1T0TFH | Razer Blade 17 RTX 3080 Ti GeForce RTX 3080 Ti Laptop GPU, i7-12800H, Samsung PM9A1 MZVL21T0HCLR | Schenker Uniwill Technology GM7AG8P GeForce RTX 3080 Ti Laptop GPU, i9-12900H, Samsung PM9A1 MZVL2512HCJQ | |
|---|---|---|---|---|
| Geräuschentwicklung | 10% | 13% | 5% | |
| aus / Umgebung * (dB) | 26 | 24.5 6% | 23.3 10% | 23.1 11% |
| Idle min * (dB) | 27 | 24.5 9% | 23.3 14% | 28.1 -4% |
| Idle avg * (dB) | 29 | 24.5 16% | 23.3 20% | 28.1 3% |
| Idle max * (dB) | 34 | 30.8 9% | 26.3 23% | 30.8 9% |
| Last avg * (dB) | 48 | 34.6 28% | 38.2 20% | 39.1 19% |
| Witcher 3 ultra * (dB) | 51 | 46.2 9% | 50.9 -0% | 52.4 -3% |
| Last max * (dB) | 53 | 56.8 -7% | 49.1 7% | 52.5 1% |
* ... kleinere Werte sind besser
Temperatur
Im Alltagsbetrieb (Office, Internet) verbleiben die Gehäuse-Temperaturen im grünen Bereich. Unter Last (Stresstest, Witcher-3-Test) erwärmt sich das Notebook deutlich. An einigen Messpunkten sind Temperaturen knapp oberhalb von 60 Grad Celsius zu registrieren. Die CPU-Temperaturen bewegen sich teilweise im roten Bereich. Entsprechend wird der CPU-Takt im Verlauf des Tests deutlich gesenkt.
(-) Die maximale Temperatur auf der Oberseite ist 55 °C. Im Vergleich liegt der Klassendurchschnitt bei 40.4 °C (von 21.2 bis 68.8 °C für die Klasse Gaming).
(-) Auf der Unterseite messen wir eine maximalen Wert von 62 °C (im Vergleich zum Durchschnitt von 43.3 °C).
(+) Ohne Last messen wir eine durchschnittliche Temperatur von 30.3 °C auf der Oberseite. Der Klassendurchschnitt erreicht 33.9 °C.
(-) Beim längeren Spielen von The Witcher 3 erhitzt sich das Gerät durchschnittlich auf 45.4 °C. Der Durchschnitt der Klasse ist derzeit 33.9 °C.
(-) Die Handballen und der Touchpad-Bereich können sehr heiß werden mit maximal 43 °C.
(-) Die durchschnittliche Handballen-Temperatur anderer getesteter Geräte war 28.8 °C (-14.2 °C).
| Medion Erazer Beast X30 Intel Core i9-12900HK, NVIDIA GeForce RTX 3080 Ti Laptop GPU | MSI Stealth GS77 12UHS-083US Intel Core i7-12700H, NVIDIA GeForce RTX 3080 Ti Laptop GPU | Razer Blade 17 RTX 3080 Ti Intel Core i7-12800H, NVIDIA GeForce RTX 3080 Ti Laptop GPU | Schenker Uniwill Technology GM7AG8P Intel Core i9-12900H, NVIDIA GeForce RTX 3080 Ti Laptop GPU | |
|---|---|---|---|---|
| Hitze | 4% | 5% | -11% | |
| Last oben max * (°C) | 55 | 50.6 8% | 46 16% | 56.8 -3% |
| Last unten max * (°C) | 62 | 59.6 4% | 46.8 25% | 60.2 3% |
| Idle oben max * (°C) | 32 | 30 6% | 36.2 -13% | 40.2 -26% |
| Idle unten max * (°C) | 36 | 37.4 -4% | 38.6 -7% | 43 -19% |
* ... kleinere Werte sind besser
Stresstest
Die CPU arbeitet zu Beginn des Stresstests (Prime95 und Furmark laufen für mindestens eine Stunde) mit hohen Taktraten. Im weiteren Verlauf sinken die Werte auf 1 GHz (P-Kerne) bzw. 1,1 GHz (E-Kerne). Damit unterschreiten die CPU-Kerne ihre Basistakte deutlich. Die GPU arbeitet mit relativ konstanten Geschwindigkeiten auf hohem Niveau. Der Stresstest stellt ein Extremszenario dar. Wir überprüfen mit diesem Test, ob das System bei voller Auslastung stabil läuft.
CPU und GPU können mit konstant hohen Taktraten arbeiten, ein dauerhafter, gleichzeitiger Betrieb mit Maximaltakt ist aber nicht möglich - das zeigt der Stresstest. Hier stößt das Konzept von potenter Hardware in einem dünnen Gehäuse an seine Grenzen. Sorgen bereiten muss dies nicht, da es für den Gaming-Betrieb keine wirkliche Rolle spielt.
Lautsprecher
Die Stereolautsprecher produzieren einen mäßigen Klang, der kaum Bass vorweisen kann. Für ein besseres Klangerlebnis empfiehlt sich die Nutzung von Kopfhörern oder externen Lautsprechern.
Medion Erazer Beast X30 Audio Analyse
(±) | Mittelmäßig laut spielende Lautsprecher (77 dB)
Bass 100 - 315 Hz
(-) | kaum Bass - 26.8% niedriger als der Median
(±) | durchschnittlich lineare Bass-Wiedergabe (12.6% Delta zum Vorgänger)
Mitteltöne 400 - 2000 Hz
(+) | ausgeglichene Mitten, vom Median nur 3.8% abweichend
(+) | lineare Mitten (6.8% Delta zum Vorgänger)
Hochtöne 2 - 16 kHz
(+) | ausgeglichene Hochtöne, vom Median nur 3.9% abweichend
(+) | sehr lineare Hochtöne (4.4% Delta zum Vorgänger)
Gesamt im hörbaren Bereich 100 - 16.000 Hz
(±) | hörbarer Bereich ist durchschnittlich linear (22.1% Abstand zum Median)
Im Vergleich zu allen Geräten derselben Klasse
» 79% aller getesteten Geräte dieser Klasse waren besser, 6% vergleichbar, 15% schlechter
» Das beste Gerät hat einen Delta-Wert von 6%, durchschnittlich ist 18%, das schlechteste Gerät hat 132%
Im Vergleich zu allen Geräten im Test
» 64% aller getesteten Geräte waren besser, 6% vergleichbar, 30% schlechter
» Das beste Gerät hat einen Delta-Wert von 4%, durchschnittlich ist 24%, das schlechteste Gerät hat 134%
Razer Blade 17 RTX 3080 Ti Audio Analyse
(±) | Mittelmäßig laut spielende Lautsprecher (81.5 dB)
Bass 100 - 315 Hz
(±) | abgesenkter Bass - 6.7% geringer als der Median
(±) | durchschnittlich lineare Bass-Wiedergabe (8.3% Delta zum Vorgänger)
Mitteltöne 400 - 2000 Hz
(+) | ausgeglichene Mitten, vom Median nur 2.1% abweichend
(+) | lineare Mitten (4.3% Delta zum Vorgänger)
Hochtöne 2 - 16 kHz
(+) | ausgeglichene Hochtöne, vom Median nur 0.7% abweichend
(+) | sehr lineare Hochtöne (1.7% Delta zum Vorgänger)
Gesamt im hörbaren Bereich 100 - 16.000 Hz
(+) | hörbarer Bereich ist sehr linear (6.8% Abstand zum Median
Im Vergleich zu allen Geräten derselben Klasse
» 0% aller getesteten Geräte dieser Klasse waren besser, 0% vergleichbar, 99% schlechter
» Das beste Gerät hat einen Delta-Wert von 6%, durchschnittlich ist 18%, das schlechteste Gerät hat 132%
Im Vergleich zu allen Geräten im Test
» 1% aller getesteten Geräte waren besser, 0% vergleichbar, 99% schlechter
» Das beste Gerät hat einen Delta-Wert von 4%, durchschnittlich ist 24%, das schlechteste Gerät hat 134%
Energieverwaltung - Medion X30 liefert ordentliche Akkulaufzeiten
Energieaufnahme
Auffälligkeiten auf Seiten des Energiebedarfs zeigt das X30 nicht. Stresstest bzw. Witcher-3-Test lassen die Leistungsaufnahme auf bis zu 290 Watt bzw. durchschnittlich 223 Watt steigen. Der stark schwankende Energiebedarf während des Stresstests ist in erster Linie auf den Prozessor zurückzuführen. Das mitgelieferte Netzteil ist mit einer Nennleistung von 330 Watt ausreichend dimensioniert.
| Aus / Standby | |
| Idle | |
| Last |
|
Legende:
min: | |
| Medion Erazer Beast X30 i9-12900HK, GeForce RTX 3080 Ti Laptop GPU, Samsung PM9A1 MZVL21T0HCLR, IPS, 2560x1440, 17.3" | MSI Stealth GS77 12UHS-083US i7-12700H, GeForce RTX 3080 Ti Laptop GPU, Micron 3400 1TB MTFDKBA1T0TFH, IPS, 2560x1440, 17.3" | Razer Blade 17 RTX 3080 Ti i7-12800H, GeForce RTX 3080 Ti Laptop GPU, Samsung PM9A1 MZVL21T0HCLR, IPS, 2560x1440, 17.3" | Schenker Uniwill Technology GM7AG8P i9-12900H, GeForce RTX 3080 Ti Laptop GPU, Samsung PM9A1 MZVL2512HCJQ, IPS, 2560x1440, 17.3" | Durchschnitt der Klasse Gaming | |
|---|---|---|---|---|---|
| Stromverbrauch | -11% | -79% | -52% | -4% | |
| Idle min * (Watt) | 12 | 20 -67% | 29.8 -148% | 29.7 -148% | 13.4 ? -12% |
| Idle avg * (Watt) | 16 | 21.4 -34% | 37.1 -132% | 33.6 -110% | 19.1 ? -19% |
| Idle max * (Watt) | 22 | 27 -23% | 60.8 -176% | 35.5 -61% | 24.5 ? -11% |
| Last avg * (Watt) | 118 | 100.5 15% | 135.3 -15% | 113.8 4% | 108.3 ? 8% |
| Witcher 3 ultra * (Watt) | 223 | 165 26% | 243 -9% | 210 6% | |
| Last max * (Watt) | 290 | 247.1 15% | 273.1 6% | 292 -1% | 253 ? 13% |
* ... kleinere Werte sind besser
Energieaufnahme Witcher 3 / Stresstest
{
Akkulaufzeit
Der 17,3-Zöller erreicht im WLAN-Test (Aufruf von Webseiten mittels eines Skripts) bzw. Videotest (Kurzfilm Big Buck Bunny (H.264-Kodierung, FHD) in einer Schleife) Laufzeiten von 5:41 h bzw. 6:26 h. Während beider Tests sind die Energiesparfunktionen des Notebooks deaktiviert und die Displayhelligkeit wird auf etwa 150 cd/m² geregelt. Zur Durchführung des Videotests werden zudem die Funkmodule abgeschaltet.
Die Akkulaufzeiten reißen niemanden vom Hocker, gehen für ein leistungsstarkes QHD-Gaming aber vollkommen in Ordnung. Allerdings bleibt das X30 klar hinter den Werten seines Vorgängers zurück - bei gleichem Akku. Die hier zum Einsatz kommende Hardwareplattform ist deutlich energiehungriger.
| Medion Erazer Beast X30 i9-12900HK, GeForce RTX 3080 Ti Laptop GPU, 91.2 Wh | MSI Stealth GS77 12UHS-083US i7-12700H, GeForce RTX 3080 Ti Laptop GPU, 99 Wh | Razer Blade 17 RTX 3080 Ti i7-12800H, GeForce RTX 3080 Ti Laptop GPU, 82 Wh | Schenker Uniwill Technology GM7AG8P i9-12900H, GeForce RTX 3080 Ti Laptop GPU, 91 Wh | Medion Erazer Beast X20 i7-10870H, GeForce RTX 3070 Laptop GPU, 91 Wh | Durchschnitt der Klasse Gaming | |
|---|---|---|---|---|---|---|
| Akkulaufzeit | 2% | -18% | -13% | 26% | 7% | |
| Idle (h) | 7.7 | 10.8 40% | 8 4% | 12 56% | 9.1 ? 18% | |
| H.264 (h) | 6.4 | 9 41% | 8.02 ? 25% | |||
| WLAN (h) | 5.7 | 6.2 9% | 5.5 -4% | 6.4 12% | 6.2 9% | 6.82 ? 20% |
| Last (h) | 2.4 | 1.4 -42% | 1.1 -54% | 1.5 -37% | 2.3 -4% | 1.512 ? -37% |
Pro
Contra
Fazit - Potenter Gaming-Bolide mit gutem Ausstattungsniveau
Medion legt mit dem X30 ein schlankes, leichtes Gaming-Notebook vor, das mit potenter Hardware bestückt ist. Core-i9-12900HK-Prozessor und eine GeForce-RTX-3080-Ti-Laptop-GPU (maxTGP: 175 Watt) ermöglichen QHD-Gaming bei maximalen Settings. Dazu gesellen sich eine flotte PCIe-4-SSD und 32 GB Arbeitsspeicher.
Medion liefert mit dem Erazer Beast X30 viel Notebook, das allerdings auch entsprechend viel kostet.
CPU und GPU können mit konstant hohen Taktraten arbeiten. Allerdings: Die Single-Thread-Leistung bleibt unter den Möglichkeiten der CPU - eventuell kann Medion hier mit einem BIOS-Update nachbessern. Lärm- und Wärmeentwicklung bewegen sich auf klassenüblich hohem Niveau. Eine Verringerung bewirkt das Leistungsprofil "Office Mode" - auf Kosten der Rechenleistung.
Der matte, blickwinkelstabile 17,3-Zoll-Bildschirm (QHD-Auflösung) hat insgesamt einen guten Eindruck hinterlassen. Die Akkulaufzeiten gehen in Ordnung. Schade: Der Akku kann nicht über den USB-C-Steckplatz (Thunderbolt 4) geladen werden. Letzterer bietet aber andere Optionen wie das Anstecken einer externen GPU oder einer umfangreichen Dockinglösung.
Eine Alternative zum X30 wäre das Razer Blade 17 (2022). Es bietet etwas mehr Single-Thread- und GPU-Leistung. Darüber hinaus wird Advanced Optimus unterstützt.
Preis und Verfügbarkeit
Die getestete Variante des X30 ist zum Testzeitpunkt in keinem bekannten Onlineshop bzw. in keiner Preissuchmaschine auffindbar - der Preis dürfte schätzungsweise zwischen 3.700 und 3.900 Euro liegen. Eine etwas leistungsschwächere Variante (Core i7-12700H, GeForce RTX 3070 Ti, 32 GB RAM, 2 TB SSD) hält der Medion-Shop für rund 2.600 Euro bereit. Eine etwas bessere ausgestattete Variante (Core i9-12900HK, GeForce RTX 3080 Ti, 64 GB RAM, 2 TB SSD) ist für knapp 4000 Euro zu bekommen.
Medion Erazer Beast X30
- 09.05.2022 v7 (old)
Sascha Mölck











































































































