Das neue Huawei MateBook 14 im Test: Versuch als MacBook Air Alternative

Das neue Huawei MateBook 14 hat sich optisch im Vergleich zum Vorgänger kaum verändert. Der Hersteller setzt weiterhin auf ein tolles Display im 3:2-Format mit Touchscreen und 2K Auflösung. Im eignen Line-Up des Herstellers steht das Ultrabook zwischen dem MateBook X Pro und dem MateBook D14. Der reguläre Preis von 1.100 Euro wird regelmäßig um bis zu 270 Euro reduziert, sodass sich das wirklich hochwertig verarbeitete Modell schon für knapp 830 Euro sichern lässt. Etwas verwirrend ist die Modellbezeichnung. Da das aktualisierte MateBook 14 in China bereits 2022 auf den Markt kam, wird es von Huawei selbst als MateBook 14 2022 bezeichnet. In Europa kam das Modell jedoch erst im vierten Quartal 2023 auf den Markt, so dass es hierzulande als MateBook 14 2023 bekannt ist.
Im Vergleich zum Vorgänger bei dem noch sowohl eine Intel- als auch AMD-Variante verfügbar war, muss man sich dieses Jahr ausschließlich mit der Intel Version begnügen. Verbaut ist hierbei der Intel Core i5-1240P und unser Test-Modell kommt mit 16 GB Arbeitsspeicher und einer 512 GB großen SSD.
Da sich am Design nichts geändert hat und es sich bei der Farbgebung wieder um "Space Gray" handelt, ist der Vergleich zum Macbook Air M2 naheliegend. Zusätzlich lohnt sich der Vergleich zum Vorgängermodell und dem LG Gram 14Z90Q und Dell XPS 13 Plus 9320 welche beide ebenfalls auf den i5-1240P Prozessor setzen. Als Konkurrent mit AMD-Prozessor tritt das Lenovo ThinkPad E14 G5 an und für einen Vergleich mit aktuellen Intel Prozessoren ziehen wir den Acer Swift Go 14 Laptop zu Rate.
Mögliche Konkurrenten im Vergleich
Bew. | Datum | Modell | Gewicht | Dicke | Größe | Auflösung | Preis ab |
|---|---|---|---|---|---|---|---|
| 85.8 % v7 (old) | 01 / 2024 | Huawei MateBook 14 (2024) i5-1240P, Iris Xe G7 80EUs | 1.4 kg | 15.9 mm | 14.00" | 2160x1440 | |
| 92.3 % v7 (old) | 07 / 2022 | Apple MacBook Air M2 Entry M2, M2 8-Core GPU | 1.2 kg | 11.3 mm | 13.60" | 2560x1664 | |
| 88.3 % v7 (old) | 08 / 2023 | Lenovo ThinkPad E14 G5-21JSS05C00 R7 7730U, Vega 8 | 1.4 kg | 18 mm | 14.00" | 2240x1400 | |
| 86.6 % v7 (old) | 10 / 2022 | LG Gram 14Z90Q i5-1240P, Iris Xe G7 80EUs | 980 g | 16.8 mm | 14.00" | 1920x1200 | |
| 86.4 % v7 (old) | 04 / 2022 | Huawei MateBook 14 2021, i7-1165G7 i7-1165G7, Iris Xe G7 96EUs | 1.5 kg | 15.9 mm | 14.00" | 2160x1440 | |
| 86.1 % v7 (old) | 08 / 2022 | Dell XPS 13 Plus 9320 i5-1240p i5-1240P, Iris Xe G7 80EUs | 1.2 kg | 15.3 mm | 13.40" | 1920x1200 | |
v (old) | 12 / 2023 | Acer Swift Go 14 SFG14-72 Ultra 7 155H, Arc 8-Core | 1.3 kg | 14.9 mm | 14.00" | 2880x1800 |
Gehäuse: Space Gray und Aluminium
Beim Gehäuse hat sich verglichen mit dem Vorgängermodell fast nichts getan. Auch beim aktuellen Huawei MateBook 14 ist der Name Programm und das schlichte Aluminiumgehäuse erinnert stark an ein MacBook Air M2. Das Gehäuse wirkt äußerst stabil und die Basis und der Display-Deckel sind verwindungssteif. Allerdings ist kein einhändiges Öffnen des Laptops möglich und die Scharniere wackeln beim Verstellen stark nach.
Der maximale Öffnungswinkel ist mit 150 Grad zwar gut, aufgrund des Touchdisplays hätte ein Winkel von 180 Grad, sodass das Display flach auf dem Boden aufliegt, auch praktisch sein können. Wie schon beim Vorgänger gibt das Tastatur-Deck bei Druck trotz Aluminiumgehäuse etwas mehr nach als erwartet, einen wirklichen Nachteil sehen wir darin jedoch nicht.
Ausstattung: Identisch zum Vorgänger
Bei der Ausstattung gibt es im Vergleich zum Vorgänger keine Änderungen. Der Klinkenanschluss, einmal USB-C 3.2 Gen 1 und HDMI 1.4b (4K @30Hz) sind auf der linken Seite zu finden. Ebenfalls von Vorteil: Beide USB-A-Ports auf der rechten Seite bieten den 3.2-Gen-1-Standard.
Da der USB-C-Anschluss gleichzeitig auch die einzige Ladeoption darstellt, lässt sich dieser nur mittels eines Dongles wirklich effizient nutzen und obwohl im Inneren des MateBooks ein Intel-Prozessor werkelt, muss leider auf Thunderbolt verzichtet werden.
Für einen tieferen Einblick zum Wi-Fi-Chip und der im Keyboard integrierten Webcam verweisen wir auf unseren Test des Vorgängers, da sich hier beim Update nichts getan hat. Die Webcam bietet weiterhin eine Auflösung von 720P und sorgt aufgrund der tiefen Position für unvorteilhafte Blickwinkel. Die Qualität der Webcam ist brauchbar, stößt aber bei schlechten Lichtverhältnissen schnell an ihre Grenzen.

Wartung
Zum Entfernen der Bodenplatte müssen zehn gleich großen Schrauben entfernt werden. Im Anschluss reichten ein paar Saugheber zum Anheben der Platte. Die M.2-SSD ist austauschbar, das Wi-Fi-Modul jedoch nicht. Die Dual Lüfter lassen sich einfach herausnehmen und säubern. Die Batterie ist ebenfalls leicht auszutauschen.
Eingabegeräte: Großes Touchpad und solide Tastatur
Während wir bei der Tastatur des aktuellen Huawei MateBook 14 äußerlich keinen Unterschied zum Vorgängermodell feststellen können, ist das Tippgefühl zumindest subjektiv besser als beim Vorjahresmodell. Der Tastendruck ist knackig und im Gegensatz zum Vorgängermodell fühlt sich die Tastatur nicht schwammig an. Die Tastatur des direkten Konkurrenten MacBook Air M2 ist zwar noch etwas besser, aber wir konnten im Test schnell unsere gewohnte Tippgeschwindigkeit erreichen. Wie beim Vorgänger gibt das Tastaturdeck beim Schreiben unter Druck leicht nach, was im Test aber nicht wesentlich störte.
Es bleibt der Kritikpunkt, dass Funktionstasten wie "Pos1" und "Ende" wünschenswert wären, insgesamt ist die Tastatur aber präzise und auch bei längerem Schreiben angenehm, sodass sie auch für Vielschreiber gut geeignet ist. Der Fingerabdrucksensor ist nach wie vor direkt in den Einschaltknopf integriert, der erfreulicherweise nicht, wie bei vielen Modellen mittlerweile üblich, Teil der Tastatur ist.
Helleres Display mit schlechteren Kontrastwerten
Neben dem neueren Prozessor ist das hellere Display in unserem Huawei MateBook 14 wohl die größte Änderung im Vergleich zum Vorgängermodell. Auch wenn es sich laut der Geräteinformationen um das selbe Panel handelt, konnten wir hier deutlich bessere Werte messen, sodass davon auszugehen ist, das Huawei hier nochmal nachkalibriert hat.
Der Hersteller setzt weiter auf ein 14 Zoll großes Display im 3:2 Format mit einer hohen Auflösung von 2.160 x 1.440. Die Displayränder sind an allen vier Seiten angenehm dünn, ohne dafür auf eine Notch zu setzen wie das MacBook Air M2.
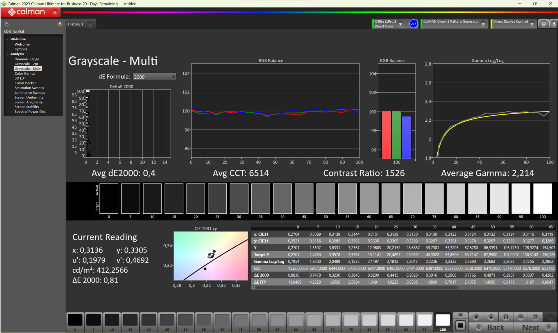
Die Messwerte des Displays fallen in mancher Hinsicht deutlich besser aus, als beim Vorgängermodell. So liegt die durchschnittliche Helligkeit mit 411 cd/m² gut 44 cd/m² höher und auch die Ausleuchtung ist knapp 10 % besser. Der wirklich sehr gute Kontrastwert vom Vorgänger konnte diesmal jedoch nicht erreicht werden und so bleibt das Display mit 1548:1 im Rahmen der beworbenen Werte. Bei der Farbraumabdeckung ist hingegen keine Verbesserung gegenüber dem Vorgänger zu erkennen. Stattdessen sind die Werte für AdobeRGB, sRGB und DCI-P3 um jeweils zwei Prozent schlechter.
Die hohe Pixeldichte von 185 Pixel pro Zoll, zusammen mit der Touchscreen-Funktionalität, vervollständigen das Gesamtbild. Obwohl bei unserem Testgerät leichte Screen Bleeding- und Clouding-Effekte vorhanden waren, fallen diese im täglichen Gebrauch nicht auf.
| |||||||||||||||||||||||||
Ausleuchtung: 91 %
Helligkeit Akku: 418 cd/m²
Kontrast: 1548:1 (Schwarzwert: 0.27 cd/m²)
ΔE ColorChecker Calman: 2.04 | ∀{0.5-29.43 Ø4.78}
calibrated: 0.85
ΔE Greyscale Calman: 2.5 | ∀{0.09-98 Ø5}
66.4% AdobeRGB 1998 (Argyll 3D)
95.3% sRGB (Argyll 3D)
64.4% Display P3 (Argyll 3D)
Gamma: 2.121
CCT: 7067 K
| Huawei MateBook 14 (2024) BOE XS TV140WTM-NHH0, IPS, 2160x1440, 14" | Apple MacBook Air M2 Entry IPS, 2560x1664, 13.6" | Huawei MateBook 14 2021, i7-1165G7 BOE XS TV140WTM-NHH0, IPS, 2160x1440, 14" | LG Gram 14Z90Q LG LP140WU1-SPF1, IPS, 1920x1200, 14" | Dell XPS 13 Plus 9320 i5-1240p Sharp SHP1548 LQ134N1, IPS, 1920x1200, 13.4" | Acer Swift Go 14 SFG14-72 ATNA40YK11-0, OLED, 2880x1800, 14" | Lenovo ThinkPad E14 G5-21JSS05C00 M140NWHE R1, IPS, 2240x1400, 14" | |
|---|---|---|---|---|---|---|---|
| Display | 30% | 2% | 29% | 6% | 36% | 5% | |
| Display P3 Coverage (%) | 64.4 | 98.4 53% | 65.6 2% | 98.4 53% | 69 7% | 99.75 55% | 69.3 8% |
| sRGB Coverage (%) | 95.3 | 99.9 5% | 97.4 2% | 99.9 5% | 99 4% | 99.99 5% | 97.6 2% |
| AdobeRGB 1998 Coverage (%) | 66.4 | 87.6 32% | 67.5 2% | 85.9 29% | 71 7% | 98.56 48% | 70.4 6% |
| Response Times | -14% | -6% | -40% | -28% | 68% | -9% | |
| Response Time Grey 50% / Grey 80% * (ms) | 27.5 ? | 32.9 ? -20% | 34 ? -24% | 47.5 ? -73% | 45 ? -64% | 2.2 ? 92% | 36.3 ? -32% |
| Response Time Black / White * (ms) | 23 ? | 24.9 ? -8% | 20 ? 13% | 24.5 ? -7% | 21 ? 9% | 12.8 ? 44% | 19.5 ? 15% |
| PWM Frequency (Hz) | 300 | ||||||
| Bildschirm | 8% | 4% | -45% | -62% | -32% | -9% | |
| Helligkeit Bildmitte (cd/m²) | 418 | 526 26% | 364 -13% | 341 -18% | 498 19% | 388 -7% | 362 -13% |
| Brightness (cd/m²) | 411 | 486 18% | 367 -11% | 305 -26% | 460 12% | 391 -5% | 354 -14% |
| Brightness Distribution (%) | 91 | 87 -4% | 82 -10% | 87 -4% | 85 -7% | 98 8% | 91 0% |
| Schwarzwert * (cd/m²) | 0.27 | 0.38 -41% | 0.145 46% | 0.26 4% | 0.53 -96% | 0.0411 85% | 0.18 33% |
| Kontrast (:1) | 1548 | 1384 -11% | 2510 62% | 1312 -15% | 940 -39% | 9440 510% | 2011 30% |
| Delta E Colorchecker * | 2.04 | 1.3 36% | 1.92 6% | 3.11 -52% | 3.65 -79% | 6.32 -210% | 2.6 -27% |
| Colorchecker dE 2000 max. * | 2.93 | 2.7 8% | 3.7 -26% | 8.29 -183% | 7.11 -143% | 8.82 -201% | 3.7 -26% |
| Colorchecker dE 2000 calibrated * | 0.85 | 0.7 18% | 0.95 -12% | 0.83 2% | 2.16 -154% | 4.79 -464% | 1.1 -29% |
| Delta E Graustufen * | 2.5 | 2 20% | 2.61 -4% | 5.3 -112% | 4.25 -70% | 2.61 -4% | 3.3 -32% |
| Gamma | 2.121 104% | 2.25 98% | 2.38 92% | 2.037 108% | 2.45 90% | 1.772 124% | 2.28 96% |
| CCT | 7067 92% | 6858 95% | 7063 92% | 7571 86% | 6690 97% | 6202 105% | 6761 96% |
| Durchschnitt gesamt (Programm / Settings) | 8% /
9% | 0% /
2% | -19% /
-28% | -28% /
-42% | 24% /
-3% | -4% /
-6% |
* ... kleinere Werte sind besser
Die durchschnittlichen DeltaE-Werte der Graustufen, Farben und Sättigung sind bereits vor der Kalibrierung mit Werten zwischen 2 und 2,5 gut, können aber durch die Kalibrierung noch deutlich verbessert werden. Die durchschnittlichen DeltaE-Werte der Graustufen liegen nach der Kalibrierung bei sehr guten 0,4, die der Farben bei 0,95 und die Messwerte der Sättigung können auf 0,85 verbessert werden. Es lohnt sich also, das Display kalibrieren zu lassen, auch wenn die Werte für ein IPS-Panel bereits überdurchschnittlich gut sind. Unser verwendetes Farbprofil für die Kalibrierung lässt sich im Abschnitt der Displayinformationen herunterladen.
Reaktionszeiten (Response Times) des Displays
| ↔ Reaktionszeiten Schwarz zu Weiß | ||
|---|---|---|
| 23 ms ... steigend ↗ und fallend ↘ kombiniert | ↗ 12.5 ms steigend | |
| ↘ 10.5 ms fallend | ||
| Die gemessenen Reaktionszeiten sind gut, für anspruchsvolle Spieler könnten der Bildschirm jedoch zu langsam sein. Im Vergleich rangierten die bei uns getesteten Geräte von 0.1 (Minimum) zu 240 (Maximum) ms. » 50 % aller Screens waren schneller als der getestete. Daher sind die gemessenen Reaktionszeiten schlechter als der Durchschnitt aller vermessenen Geräte (20.2 ms). | ||
| ↔ Reaktionszeiten 50% Grau zu 80% Grau | ||
| 27.5 ms ... steigend ↗ und fallend ↘ kombiniert | ↗ 13.5 ms steigend | |
| ↘ 14 ms fallend | ||
| Die gemessenen Reaktionszeiten sind mittelmäßig und dadurch für Spieler eventuell zu langsam. Im Vergleich rangierten die bei uns getesteten Geräte von 0.165 (Minimum) zu 636 (Maximum) ms. » 36 % aller Screens waren schneller als der getestete. Daher sind die gemessenen Reaktionszeiten besser als der Durchschnitt aller vermessenen Geräte (31.6 ms). | ||
Bildschirm-Flackern / PWM (Pulse-Width Modulation)
| Flackern / PWM nicht festgestellt | |||
Im Vergleich: 53 % aller getesteten Geräte nutzten kein PWM um die Helligkeit zu reduzieren. Wenn PWM eingesetzt wurde, dann bei einer Frequenz von durchschnittlich 8118 (Minimum 5, Maximum 343500) Hz. | |||
Durch die höhere durchschnittliche Helligkeit ist das aktuelle Huawei MateBook 14 besser für den Außeneinsatz geeignet als das Vorgängermodell. Bei direkter Sonneneinstrahlung stößt jedoch auch das aktuelle Modell an seine Grenzen. Für gelegentliches Arbeiten im Park oder in der Bahn ist die Helligkeit ausreichend, aber das spiegelnde Display hat natürlich Nachteile gegenüber den matten Varianten auf dem Markt.
Leistung: Intel Core i5-1240P zeigt sich von der besten Seite
Während das Vorgängermodell noch mit insgesamt vier Prozessor-Varianten angeboten wurde, stellt sich das aktuelle Huawei MateBook 14 mit nur einer Variante zum Kampf. Dass das kein Nachteil sein muss zeigen die wirklich sehr guten Ergebnisse in den Benchmarks.
Im Test muss sich der Prozessor nur dem AMD Ryzen 7 7730U aus dem Lenovo ThinkPad E14 G5 und dem deutlich neueren Intel Core Ultra 7 155H des Acer Swift Go 14 geschlagen geben. Das Vorgängermodell, das MacBook Air M2 als auch das Dell XPS 13 Plus 9320 und das LG Gram 14Z90Q mit dem identischen Prozessor kann das MateBook 14 in nahezu allen synthetischen Benchmarks übertreffen.
Größere Leistungseinbrüche nach längerer Laufzeit konnten wir ebenfalls nicht feststellen, auch wenn sich die CPU in unserem Cinebench-Loop erst nach 4 Minuten stabilisiert. Wie schon beim Vorgängermodell ist der Leistungsabfall im Akkubetrieb nur marginal.
Testbedingungen
Im Huawei PC Manager kann zwischen den Modi Leistung und Ausgeglichen gewählt werden. Im Leistungs-Modus sind die Lüfter deutlich lauter und die TDP kann etwas erhöht werden. Ein Vergleich zeigt jedoch, dass die durchschnittliche Leistung in diesem Modus nicht drastisch ansteigt. Wer also Wert auf eine geringe Lüfterlautstärke legt, kann somit ohne große Abstriche auch nur den Ausgeglichenen-Modus nutzen.
| Leistung | Ausgeglichen | |
|---|---|---|
| CPU PL1 (HWInfo) | 45 Watt | 35 Watt |
| CPU PL2 (HWInfo) | 66 Watt | 65,63 Watt |
Prozessor
Während der Vorgänger noch auf den Vierkerner Intel Core i7-1165G7 setzte, ist im neuen Huawei MateBook ein Core i5-1240P mit 12 Kernen verbaut, was in fast allen Benchmarks zu deutlich besseren Ergebnissen führt. In unserem Cinebench-R15-Loop startet der Prozessor mit knapp 3,5 GHz, fällt dann aber schnell auf etwa 2,6 GHz ab. Nach zwei Minuten sinkt die Leistung erneut auf ca. 2,4 GHz und nach ca. 4 Minuten pendelt sich der Prozessor bei 2,2 GHz mit periodischem Wechsel auf 3,2 bis 3,4 GHz ein. Nach einem Spitzenverbrauch von über 60 Watt zu Beginn des Loops liegt der Verbrauch während des Benchmarks im Mittel bei knapp 32 Watt. Die Kerntemperaturen liegen mit maximal 87°C und durchschnittlich 72°C deutlich unter denen des Vorgängers mit durchschnittlich 83°C.
Cinebench R15 Multi Dauertest
Cinebench R23: Multi Core | Single Core
Cinebench R20: CPU (Multi Core) | CPU (Single Core)
Cinebench R15: CPU Multi 64Bit | CPU Single 64Bit
Blender: v2.79 BMW27 CPU
7-Zip 18.03: 7z b 4 | 7z b 4 -mmt1
Geekbench 5.5: Multi-Core | Single-Core
HWBOT x265 Benchmark v2.2: 4k Preset
LibreOffice : 20 Documents To PDF
R Benchmark 2.5: Overall mean
| CPU Performance Rating | |
| Acer Swift Go 14 SFG14-72 | |
| Durchschnitt der Klasse Office | |
| Lenovo ThinkPad E14 G5-21JSS05C00 | |
| Huawei MateBook 14 (2024) | |
| Dell XPS 13 Plus 9320 i5-1240p | |
| Apple MacBook Air M2 Entry -5! | |
| Durchschnittliche Intel Core i5-1240P | |
| Huawei MateBook 14 2021, i7-1165G7 | |
| LG Gram 14Z90Q | |
| Cinebench R23 / Multi Core | |
| Acer Swift Go 14 SFG14-72 | |
| Durchschnitt der Klasse Office (1577 - 22808, n=80, der letzten 2 Jahre) | |
| Lenovo ThinkPad E14 G5-21JSS05C00 | |
| Huawei MateBook 14 (2024) | |
| Huawei MateBook 14 (2024) | |
| Huawei MateBook 14 (2024) | |
| Dell XPS 13 Plus 9320 i5-1240p | |
| Apple MacBook Air M2 Entry | |
| Durchschnittliche Intel Core i5-1240P (277 - 11556, n=20) | |
| Huawei MateBook 14 2021, i7-1165G7 | |
| LG Gram 14Z90Q | |
| Cinebench R23 / Single Core | |
| Acer Swift Go 14 SFG14-72 | |
| Dell XPS 13 Plus 9320 i5-1240p | |
| Durchschnitt der Klasse Office (708 - 2130, n=80, der letzten 2 Jahre) | |
| Huawei MateBook 14 (2024) | |
| Huawei MateBook 14 (2024) | |
| Huawei MateBook 14 (2024) | |
| Apple MacBook Air M2 Entry | |
| Lenovo ThinkPad E14 G5-21JSS05C00 | |
| Huawei MateBook 14 2021, i7-1165G7 | |
| Durchschnittliche Intel Core i5-1240P (640 - 1689, n=18) | |
| LG Gram 14Z90Q | |
| Cinebench R20 / CPU (Multi Core) | |
| Acer Swift Go 14 SFG14-72 | |
| Durchschnitt der Klasse Office (590 - 8840, n=78, der letzten 2 Jahre) | |
| Lenovo ThinkPad E14 G5-21JSS05C00 | |
| Huawei MateBook 14 (2024) | |
| Dell XPS 13 Plus 9320 i5-1240p | |
| Durchschnittliche Intel Core i5-1240P (763 - 4456, n=16) | |
| Apple MacBook Air M2 Entry | |
| Huawei MateBook 14 2021, i7-1165G7 | |
| LG Gram 14Z90Q | |
| Cinebench R20 / CPU (Single Core) | |
| Acer Swift Go 14 SFG14-72 | |
| Durchschnitt der Klasse Office (285 - 815, n=78, der letzten 2 Jahre) | |
| Dell XPS 13 Plus 9320 i5-1240p | |
| Huawei MateBook 14 (2024) | |
| Lenovo ThinkPad E14 G5-21JSS05C00 | |
| Huawei MateBook 14 2021, i7-1165G7 | |
| Durchschnittliche Intel Core i5-1240P (251 - 653, n=16) | |
| LG Gram 14Z90Q | |
| Apple MacBook Air M2 Entry | |
| Cinebench R15 / CPU Multi 64Bit | |
| Acer Swift Go 14 SFG14-72 | |
| Lenovo ThinkPad E14 G5-21JSS05C00 | |
| Durchschnitt der Klasse Office (246 - 3380, n=80, der letzten 2 Jahre) | |
| Dell XPS 13 Plus 9320 i5-1240p | |
| Huawei MateBook 14 (2024) | |
| Durchschnittliche Intel Core i5-1240P (407 - 2007, n=19) | |
| Apple MacBook Air M2 Entry | |
| LG Gram 14Z90Q | |
| Huawei MateBook 14 2021, i7-1165G7 | |
| Cinebench R15 / CPU Single 64Bit | |
| Acer Swift Go 14 SFG14-72 | |
| Durchschnitt der Klasse Office (99.5 - 312, n=80, der letzten 2 Jahre) | |
| Lenovo ThinkPad E14 G5-21JSS05C00 | |
| Huawei MateBook 14 (2024) | |
| Dell XPS 13 Plus 9320 i5-1240p | |
| Apple MacBook Air M2 Entry | |
| Huawei MateBook 14 2021, i7-1165G7 | |
| Durchschnittliche Intel Core i5-1240P (91.8 - 243, n=18) | |
| LG Gram 14Z90Q | |
| Blender / v2.79 BMW27 CPU | |
| Apple MacBook Air M2 Entry | |
| Huawei MateBook 14 2021, i7-1165G7 | |
| LG Gram 14Z90Q | |
| Durchschnittliche Intel Core i5-1240P (285 - 1926, n=16) | |
| Durchschnitt der Klasse Office (158 - 1956, n=80, der letzten 2 Jahre) | |
| Dell XPS 13 Plus 9320 i5-1240p | |
| Huawei MateBook 14 (2024) | |
| Lenovo ThinkPad E14 G5-21JSS05C00 | |
| Acer Swift Go 14 SFG14-72 | |
| 7-Zip 18.03 / 7z b 4 | |
| Acer Swift Go 14 SFG14-72 | |
| Lenovo ThinkPad E14 G5-21JSS05C00 | |
| Huawei MateBook 14 (2024) | |
| Durchschnitt der Klasse Office (7532 - 76886, n=81, der letzten 2 Jahre) | |
| Dell XPS 13 Plus 9320 i5-1240p | |
| Durchschnittliche Intel Core i5-1240P (7254 - 47002, n=16) | |
| LG Gram 14Z90Q | |
| Huawei MateBook 14 2021, i7-1165G7 | |
| 7-Zip 18.03 / 7z b 4 -mmt1 | |
| Lenovo ThinkPad E14 G5-21JSS05C00 | |
| Durchschnitt der Klasse Office (3046 - 6497, n=80, der letzten 2 Jahre) | |
| Acer Swift Go 14 SFG14-72 | |
| Huawei MateBook 14 2021, i7-1165G7 | |
| Huawei MateBook 14 (2024) | |
| Dell XPS 13 Plus 9320 i5-1240p | |
| LG Gram 14Z90Q | |
| Durchschnittliche Intel Core i5-1240P (2197 - 5320, n=16) | |
| Geekbench 5.5 / Multi-Core | |
| Acer Swift Go 14 SFG14-72 | |
| Huawei MateBook 14 (2024) | |
| Apple MacBook Air M2 Entry | |
| Durchschnitt der Klasse Office (1719 - 16999, n=78, der letzten 2 Jahre) | |
| LG Gram 14Z90Q | |
| Durchschnittliche Intel Core i5-1240P (1763 - 10112, n=15) | |
| Lenovo ThinkPad E14 G5-21JSS05C00 | |
| Huawei MateBook 14 2021, i7-1165G7 | |
| Dell XPS 13 Plus 9320 i5-1240p | |
| Geekbench 5.5 / Single-Core | |
| Apple MacBook Air M2 Entry | |
| Durchschnitt der Klasse Office (811 - 2128, n=78, der letzten 2 Jahre) | |
| Acer Swift Go 14 SFG14-72 | |
| LG Gram 14Z90Q | |
| Huawei MateBook 14 (2024) | |
| Dell XPS 13 Plus 9320 i5-1240p | |
| Durchschnittliche Intel Core i5-1240P (672 - 1658, n=15) | |
| Lenovo ThinkPad E14 G5-21JSS05C00 | |
| Huawei MateBook 14 2021, i7-1165G7 | |
| HWBOT x265 Benchmark v2.2 / 4k Preset | |
| Acer Swift Go 14 SFG14-72 | |
| Lenovo ThinkPad E14 G5-21JSS05C00 | |
| Durchschnitt der Klasse Office (1.72 - 26, n=78, der letzten 2 Jahre) | |
| Huawei MateBook 14 (2024) | |
| Dell XPS 13 Plus 9320 i5-1240p | |
| Durchschnittliche Intel Core i5-1240P (1.99 - 12.9, n=16) | |
| LG Gram 14Z90Q | |
| Huawei MateBook 14 2021, i7-1165G7 | |
| LibreOffice / 20 Documents To PDF | |
| Dell XPS 13 Plus 9320 i5-1240p | |
| Durchschnittliche Intel Core i5-1240P (46.4 - 120.5, n=16) | |
| Durchschnitt der Klasse Office (41.5 - 129.6, n=78, der letzten 2 Jahre) | |
| Acer Swift Go 14 SFG14-72 | |
| LG Gram 14Z90Q | |
| Huawei MateBook 14 (2024) | |
| Lenovo ThinkPad E14 G5-21JSS05C00 | |
| Huawei MateBook 14 2021, i7-1165G7 | |
| R Benchmark 2.5 / Overall mean | |
| Durchschnittliche Intel Core i5-1240P (0.4987 - 1.236, n=16) | |
| Huawei MateBook 14 2021, i7-1165G7 | |
| LG Gram 14Z90Q | |
| Durchschnitt der Klasse Office (0.4098 - 1.06, n=78, der letzten 2 Jahre) | |
| Huawei MateBook 14 (2024) | |
| Lenovo ThinkPad E14 G5-21JSS05C00 | |
| Dell XPS 13 Plus 9320 i5-1240p | |
| Acer Swift Go 14 SFG14-72 | |
* ... kleinere Werte sind besser
AIDA64: FP32 Ray-Trace | FPU Julia | CPU SHA3 | CPU Queen | FPU SinJulia | FPU Mandel | CPU AES | CPU ZLib | FP64 Ray-Trace | CPU PhotoWorxx
| Performance Rating | |
| Acer Swift Go 14 SFG14-72 | |
| Lenovo ThinkPad E14 G5-21JSS05C00 | |
| Durchschnitt der Klasse Office | |
| Huawei MateBook 14 (2024) | |
| Dell XPS 13 Plus 9320 i5-1240p | |
| Durchschnittliche Intel Core i5-1240P | |
| Huawei MateBook 14 2021, i7-1165G7 | |
| LG Gram 14Z90Q | |
| AIDA64 / FP32 Ray-Trace | |
| Acer Swift Go 14 SFG14-72 | |
| Durchschnitt der Klasse Office (1685 - 31245, n=80, der letzten 2 Jahre) | |
| Lenovo ThinkPad E14 G5-21JSS05C00 | |
| Huawei MateBook 14 (2024) | |
| Huawei MateBook 14 2021, i7-1165G7 | |
| Durchschnittliche Intel Core i5-1240P (2405 - 9694, n=16) | |
| LG Gram 14Z90Q | |
| Dell XPS 13 Plus 9320 i5-1240p | |
| AIDA64 / FPU Julia | |
| Lenovo ThinkPad E14 G5-21JSS05C00 | |
| Acer Swift Go 14 SFG14-72 | |
| Durchschnitt der Klasse Office (8977 - 125394, n=80, der letzten 2 Jahre) | |
| Huawei MateBook 14 (2024) | |
| Durchschnittliche Intel Core i5-1240P (7407 - 49934, n=16) | |
| Huawei MateBook 14 2021, i7-1165G7 | |
| Dell XPS 13 Plus 9320 i5-1240p | |
| LG Gram 14Z90Q | |
| AIDA64 / CPU SHA3 | |
| Acer Swift Go 14 SFG14-72 | |
| Durchschnitt der Klasse Office (590 - 5755, n=80, der letzten 2 Jahre) | |
| Lenovo ThinkPad E14 G5-21JSS05C00 | |
| Huawei MateBook 14 (2024) | |
| Huawei MateBook 14 2021, i7-1165G7 | |
| Dell XPS 13 Plus 9320 i5-1240p | |
| Durchschnittliche Intel Core i5-1240P (415 - 2462, n=16) | |
| LG Gram 14Z90Q | |
| AIDA64 / CPU Queen | |
| Lenovo ThinkPad E14 G5-21JSS05C00 | |
| Acer Swift Go 14 SFG14-72 | |
| Huawei MateBook 14 (2024) | |
| Dell XPS 13 Plus 9320 i5-1240p | |
| LG Gram 14Z90Q | |
| Durchschnittliche Intel Core i5-1240P (29405 - 76736, n=16) | |
| Durchschnitt der Klasse Office (20636 - 115197, n=79, der letzten 2 Jahre) | |
| Huawei MateBook 14 2021, i7-1165G7 | |
| AIDA64 / FPU SinJulia | |
| Lenovo ThinkPad E14 G5-21JSS05C00 | |
| Acer Swift Go 14 SFG14-72 | |
| Durchschnitt der Klasse Office (1064 - 18321, n=80, der letzten 2 Jahre) | |
| Huawei MateBook 14 (2024) | |
| Dell XPS 13 Plus 9320 i5-1240p | |
| Durchschnittliche Intel Core i5-1240P (2135 - 6540, n=16) | |
| Huawei MateBook 14 2021, i7-1165G7 | |
| LG Gram 14Z90Q | |
| AIDA64 / FPU Mandel | |
| Lenovo ThinkPad E14 G5-21JSS05C00 | |
| Acer Swift Go 14 SFG14-72 | |
| Durchschnitt der Klasse Office (4415 - 66922, n=80, der letzten 2 Jahre) | |
| Huawei MateBook 14 (2024) | |
| Huawei MateBook 14 2021, i7-1165G7 | |
| Durchschnittliche Intel Core i5-1240P (5113 - 23992, n=16) | |
| Dell XPS 13 Plus 9320 i5-1240p | |
| LG Gram 14Z90Q | |
| AIDA64 / CPU AES | |
| Huawei MateBook 14 (2024) | |
| Huawei MateBook 14 2021, i7-1165G7 | |
| Acer Swift Go 14 SFG14-72 | |
| Durchschnitt der Klasse Office (7254 - 155900, n=80, der letzten 2 Jahre) | |
| Lenovo ThinkPad E14 G5-21JSS05C00 | |
| Durchschnittliche Intel Core i5-1240P (8849 - 90370, n=16) | |
| Dell XPS 13 Plus 9320 i5-1240p | |
| LG Gram 14Z90Q | |
| AIDA64 / CPU ZLib | |
| Acer Swift Go 14 SFG14-72 | |
| Huawei MateBook 14 (2024) | |
| Durchschnitt der Klasse Office (138.6 - 1366, n=80, der letzten 2 Jahre) | |
| Lenovo ThinkPad E14 G5-21JSS05C00 | |
| Dell XPS 13 Plus 9320 i5-1240p | |
| Durchschnittliche Intel Core i5-1240P (101.6 - 812, n=16) | |
| Huawei MateBook 14 2021, i7-1165G7 | |
| LG Gram 14Z90Q | |
| AIDA64 / FP64 Ray-Trace | |
| Acer Swift Go 14 SFG14-72 | |
| Durchschnitt der Klasse Office (859 - 17834, n=80, der letzten 2 Jahre) | |
| Lenovo ThinkPad E14 G5-21JSS05C00 | |
| Huawei MateBook 14 (2024) | |
| Huawei MateBook 14 2021, i7-1165G7 | |
| Durchschnittliche Intel Core i5-1240P (1154 - 5258, n=16) | |
| LG Gram 14Z90Q | |
| Dell XPS 13 Plus 9320 i5-1240p | |
| AIDA64 / CPU PhotoWorxx | |
| Acer Swift Go 14 SFG14-72 | |
| Huawei MateBook 14 (2024) | |
| Dell XPS 13 Plus 9320 i5-1240p | |
| Durchschnitt der Klasse Office (11090 - 65229, n=80, der letzten 2 Jahre) | |
| Durchschnittliche Intel Core i5-1240P (11873 - 43661, n=16) | |
| LG Gram 14Z90Q | |
| Huawei MateBook 14 2021, i7-1165G7 | |
| Lenovo ThinkPad E14 G5-21JSS05C00 | |
System Performance
Die PCMark-10-Ergebnisse sind solide, zeigen aber die Schwächen der zwölften Intel-Chipgeneration im Vergleich zu AMD-Chips. Auch der Vergleich mit dem aktuellen Intel Ultra 7 155H zeigt, was mit neueren Prozessoren möglich ist. Im Vergleich zum Vorgänger fällt das Ergebnis jedoch um 7 % besser aus. Im Crossmark-Test schneidet das aktuelle Huawei MateBook 14 sogar fast so gut ab wie das Acer Swift Go 14 und übertrifft den Vorgänger mit einem Leistungsunterschied von 14 %.
Der subjektive Eindruck der Systemleistung zeigt keine Probleme und auch das Öffnen mehrerer Fenster ist dank der höheren Kernanzahl und der gesteigerten Multithreading-Leistung kein Problem mehr. Das System läuft flüssig und im täglichen Einsatz konnten wir hier keine Probleme feststellen.
CrossMark: Overall | Productivity | Creativity | Responsiveness
WebXPRT 3: Overall
WebXPRT 4: Overall
Mozilla Kraken 1.1: Total
| PCMark 10 / Score | |
| Acer Swift Go 14 SFG14-72 | |
| Durchschnitt der Klasse Office (2823 - 7735, n=66, der letzten 2 Jahre) | |
| Lenovo ThinkPad E14 G5-21JSS05C00 | |
| Huawei MateBook 14 (2024) | |
| Durchschnittliche Intel Core i5-1240P, Intel Iris Xe Graphics G7 80EUs (4881 - 5345, n=11) | |
| LG Gram 14Z90Q | |
| Huawei MateBook 14 2021, i7-1165G7 | |
| Dell XPS 13 Plus 9320 i5-1240p | |
| PCMark 10 / Essentials | |
| Lenovo ThinkPad E14 G5-21JSS05C00 | |
| Acer Swift Go 14 SFG14-72 | |
| Durchschnitt der Klasse Office (6567 - 11594, n=66, der letzten 2 Jahre) | |
| Huawei MateBook 14 (2024) | |
| Durchschnittliche Intel Core i5-1240P, Intel Iris Xe Graphics G7 80EUs (8890 - 10652, n=11) | |
| Huawei MateBook 14 2021, i7-1165G7 | |
| LG Gram 14Z90Q | |
| Dell XPS 13 Plus 9320 i5-1240p | |
| PCMark 10 / Productivity | |
| Lenovo ThinkPad E14 G5-21JSS05C00 | |
| Acer Swift Go 14 SFG14-72 | |
| Durchschnitt der Klasse Office (3041 - 10925, n=66, der letzten 2 Jahre) | |
| Huawei MateBook 14 (2024) | |
| Huawei MateBook 14 2021, i7-1165G7 | |
| Dell XPS 13 Plus 9320 i5-1240p | |
| Durchschnittliche Intel Core i5-1240P, Intel Iris Xe Graphics G7 80EUs (6118 - 7058, n=11) | |
| LG Gram 14Z90Q | |
| PCMark 10 / Digital Content Creation | |
| Acer Swift Go 14 SFG14-72 | |
| Durchschnitt der Klasse Office (2049 - 12660, n=66, der letzten 2 Jahre) | |
| Huawei MateBook 14 (2024) | |
| Lenovo ThinkPad E14 G5-21JSS05C00 | |
| LG Gram 14Z90Q | |
| Durchschnittliche Intel Core i5-1240P, Intel Iris Xe Graphics G7 80EUs (5169 - 6213, n=11) | |
| Dell XPS 13 Plus 9320 i5-1240p | |
| Huawei MateBook 14 2021, i7-1165G7 | |
| CrossMark / Overall | |
| Acer Swift Go 14 SFG14-72 | |
| Huawei MateBook 14 (2024) | |
| Apple MacBook Air M2 Entry | |
| Durchschnittliche Intel Core i5-1240P, Intel Iris Xe Graphics G7 80EUs (1392 - 1553, n=7) | |
| Dell XPS 13 Plus 9320 i5-1240p | |
| Durchschnitt der Klasse Office (348 - 2010, n=79, der letzten 2 Jahre) | |
| Huawei MateBook 14 2021, i7-1165G7 | |
| Lenovo ThinkPad E14 G5-21JSS05C00 | |
| CrossMark / Productivity | |
| Acer Swift Go 14 SFG14-72 | |
| Huawei MateBook 14 (2024) | |
| Durchschnittliche Intel Core i5-1240P, Intel Iris Xe Graphics G7 80EUs (1393 - 1524, n=7) | |
| Huawei MateBook 14 2021, i7-1165G7 | |
| Durchschnitt der Klasse Office (393 - 1880, n=79, der letzten 2 Jahre) | |
| Dell XPS 13 Plus 9320 i5-1240p | |
| Apple MacBook Air M2 Entry | |
| Lenovo ThinkPad E14 G5-21JSS05C00 | |
| CrossMark / Creativity | |
| Apple MacBook Air M2 Entry | |
| Acer Swift Go 14 SFG14-72 | |
| Huawei MateBook 14 (2024) | |
| Dell XPS 13 Plus 9320 i5-1240p | |
| Durchschnitt der Klasse Office (319 - 2361, n=79, der letzten 2 Jahre) | |
| Durchschnittliche Intel Core i5-1240P, Intel Iris Xe Graphics G7 80EUs (1426 - 1647, n=7) | |
| Lenovo ThinkPad E14 G5-21JSS05C00 | |
| Huawei MateBook 14 2021, i7-1165G7 | |
| CrossMark / Responsiveness | |
| Huawei MateBook 14 (2024) | |
| Acer Swift Go 14 SFG14-72 | |
| Durchschnittliche Intel Core i5-1240P, Intel Iris Xe Graphics G7 80EUs (1267 - 1545, n=7) | |
| Dell XPS 13 Plus 9320 i5-1240p | |
| Huawei MateBook 14 2021, i7-1165G7 | |
| Durchschnitt der Klasse Office (258 - 1781, n=79, der letzten 2 Jahre) | |
| Apple MacBook Air M2 Entry | |
| Lenovo ThinkPad E14 G5-21JSS05C00 | |
| WebXPRT 3 / Overall | |
| Apple MacBook Air M2 Entry | |
| Acer Swift Go 14 SFG14-72 | |
| Durchschnitt der Klasse Office (121 - 455, n=77, der letzten 2 Jahre) | |
| Dell XPS 13 Plus 9320 i5-1240p | |
| Dell XPS 13 Plus 9320 i5-1240p | |
| Huawei MateBook 14 (2024) | |
| LG Gram 14Z90Q | |
| Lenovo ThinkPad E14 G5-21JSS05C00 | |
| Huawei MateBook 14 2021, i7-1165G7 | |
| Durchschnittliche Intel Core i5-1240P, Intel Iris Xe Graphics G7 80EUs (119.2 - 268, n=11) | |
| WebXPRT 4 / Overall | |
| Durchschnitt der Klasse Office (80 - 328, n=82, der letzten 2 Jahre) | |
| LG Gram 14Z90Q | |
| Apple MacBook Air M2 Entry | |
| Durchschnittliche Intel Core i5-1240P, Intel Iris Xe Graphics G7 80EUs (217 - 231, n=6) | |
| Lenovo ThinkPad E14 G5-21JSS05C00 | |
| Mozilla Kraken 1.1 / Total | |
| Dell XPS 13 Plus 9320 i5-1240p | |
| Dell XPS 13 Plus 9320 i5-1240p | |
| Durchschnittliche Intel Core i5-1240P, Intel Iris Xe Graphics G7 80EUs (575 - 1422, n=12) | |
| Huawei MateBook 14 2021, i7-1165G7 | |
| Lenovo ThinkPad E14 G5-21JSS05C00 | |
| Durchschnitt der Klasse Office (391 - 1966, n=81, der letzten 2 Jahre) | |
| LG Gram 14Z90Q | |
| Huawei MateBook 14 (2024) | |
| Acer Swift Go 14 SFG14-72 | |
| Apple MacBook Air M2 Entry | |
* ... kleinere Werte sind besser
| PCMark 10 Score | 5345 Punkte | |
Hilfe | ||
| AIDA64 / Memory Copy | |
| Acer Swift Go 14 SFG14-72 | |
| Dell XPS 13 Plus 9320 i5-1240p | |
| Durchschnitt der Klasse Office (20075 - 109192, n=80, der letzten 2 Jahre) | |
| Huawei MateBook 14 (2024) | |
| Durchschnittliche Intel Core i5-1240P (23312 - 70537, n=16) | |
| LG Gram 14Z90Q | |
| Huawei MateBook 14 2021, i7-1165G7 | |
| Lenovo ThinkPad E14 G5-21JSS05C00 | |
| AIDA64 / Memory Read | |
| Acer Swift Go 14 SFG14-72 | |
| LG Gram 14Z90Q | |
| Dell XPS 13 Plus 9320 i5-1240p | |
| Durchschnitt der Klasse Office (10084 - 128030, n=80, der letzten 2 Jahre) | |
| Durchschnittliche Intel Core i5-1240P (18989 - 70553, n=16) | |
| Huawei MateBook 14 (2024) | |
| Huawei MateBook 14 2021, i7-1165G7 | |
| Lenovo ThinkPad E14 G5-21JSS05C00 | |
| AIDA64 / Memory Write | |
| Acer Swift Go 14 SFG14-72 | |
| Durchschnitt der Klasse Office (20073 - 117989, n=80, der letzten 2 Jahre) | |
| LG Gram 14Z90Q | |
| Dell XPS 13 Plus 9320 i5-1240p | |
| Huawei MateBook 14 (2024) | |
| Durchschnittliche Intel Core i5-1240P (23454 - 62496, n=16) | |
| Huawei MateBook 14 2021, i7-1165G7 | |
| Lenovo ThinkPad E14 G5-21JSS05C00 | |
| AIDA64 / Memory Latency | |
| Acer Swift Go 14 SFG14-72 | |
| LG Gram 14Z90Q | |
| Durchschnittliche Intel Core i5-1240P (85.1 - 188.3, n=11) | |
| Huawei MateBook 14 (2024) | |
| Durchschnitt der Klasse Office (7.6 - 162.9, n=76, der letzten 2 Jahre) | |
| Lenovo ThinkPad E14 G5-21JSS05C00 | |
| Huawei MateBook 14 2021, i7-1165G7 | |
* ... kleinere Werte sind besser
DPC-Latenzen
Deutliche Abstriche müssen beim aktuellen Huawei MateBook 14 allerdings bei den DPC-Latenzen gemacht werden.
Der Vorgänger konnte hier noch ein sehr gutes Ergebnis erzielen und war sogar für verlustfreie Audio- und Videobearbeitung in Echtzeit geeignet. Dies ist beim neuen Modell leider nicht der Fall. Das Abspielen von YouTube-Videos in 4K-Qualität funktioniert zwar problemlos, für Audio- und Videobearbeitung in Echtzeit ist das Gerät jedoch nicht geeignet.
| DPC Latencies / LatencyMon - interrupt to process latency (max), Web, Youtube, Prime95 | |
| Huawei MateBook 14 (2024) | |
| Dell XPS 13 Plus 9320 i5-1240p | |
| Lenovo ThinkPad E14 G5-21JSS05C00 | |
| LG Gram 14Z90Q | |
| Huawei MateBook 14 2021, i7-1165G7 | |
* ... kleinere Werte sind besser
Massenspeicher
An der verbauten Samsung-PM991-PCIe-3.0-NVMe-SSD im M.2-2280-Format mit 512 GB hat sich nichts geändert und so ist auch die Leistung im Vergleich zum Huawei MateBook 2021 sehr ähnlich. Die Geschwindigkeit bleibt damit in allen Szenarien unterdurchschnittlich und könnte angesichts der aktuell wirklich sehr niedrigen Preise für leistungsstarke Massenspeicher deutlich besser sein.
Wie beim Vorjahresmodell teilt Huawei den Speicher in Partition C und D auf, wobei Partition C wiederum nur knapp 70 GB Speicherplatz bietet.
* ... kleinere Werte sind besser
Dauerleistung Lesen: DiskSpd Read Loop, Queue Depth 8
Grafikkarte: Downgrade auf Iris Xe G7 80EUs?
Das neue Huawei MateBook 14 bietet keine Option mit dedizierter Grafik und setzt somit ausschließlich auf die integrierte Intel Xe G7 (80EUs). Das MateBook 14 2021 setzte noch auf die theoretisch leistungsstärkere 96EUs-Variante. Obwohl also die integrierte Grafik auf dem Papier schlechter ausfällt als im Vorjahr, ist die Leistung in den synthetischen Benchmarks besser oder nur marginal schlechter. Während das aktuelle MateBook 14 in 3DMark 11 nur 2 % hinter dem Vorgängermodell bleibt, schlägt das aktuelle Modell den Vorgänger in den Benchmarks Cloud Gate, Fire Strike und Time Spy.
Dieser Trend zeigt sich auch bei den getesteten Spielen.
Das aktuelle Huawei MateBook 14 erreicht mit Ausnahme von X-Plane 11.11 bei allen Spielen höhere Framerates als das Vorgängermodell. Bei X-Plane erzielen beide Modelle das gleiche Ergebnis. Dennoch zeigt sich erneut, dass die integrierte Intel Iris Grafik nicht wirklich für Spiele geeignet ist. Die Alternativen von AMD sind hier deutlich leistungsfähiger und auch die neue Intel Arc iGPU des Core Ultra 7 155H erreicht deutlich höhere Werte.
Die höhere Leistung im Vergleich zum Vorgänger könnte auf den effizienteren, neueren Prozessor und den schnelleren DDR4-3733-RAM zurückzuführen sein. Der Vorgänger verwendete noch DDR4-3200-RAM. Praktisch: Die Grafikleistung fällt im Akkubetrieb nicht ab.
| 3DMark 06 Standard Score | 26411 Punkte | |
| 3DMark 11 Performance | 6443 Punkte | |
| 3DMark Cloud Gate Standard Score | 22166 Punkte | |
| 3DMark Fire Strike Score | 4345 Punkte | |
| 3DMark Time Spy Score | 1561 Punkte | |
Hilfe | ||
| The Witcher 3 - 1920x1080 Ultra Graphics & Postprocessing (HBAO+) | |
| Acer Swift Go 14 SFG14-72 | |
| Durchschnitt der Klasse Office (3.8 - 32.5, n=18, der letzten 2 Jahre) | |
| Huawei MateBook 14 (2024) | |
| Lenovo ThinkPad E14 G5-21JSS05C00 | |
| Dell XPS 13 Plus 9320 i5-1240p | |
| LG Gram 14Z90Q | |
| GTA V - 1920x1080 Highest AA:4xMSAA + FX AF:16x | |
| Durchschnitt der Klasse Office (3.98 - 47.8, n=67, der letzten 2 Jahre) | |
| Acer Swift Go 14 SFG14-72 | |
| Lenovo ThinkPad E14 G5-21JSS05C00 | |
| Huawei MateBook 14 (2024) | |
| Huawei MateBook 14 2021, i7-1165G7 | |
| Final Fantasy XV Benchmark - 1920x1080 High Quality | |
| Durchschnitt der Klasse Office (6.45 - 36.5, n=73, der letzten 2 Jahre) | |
| Acer Swift Go 14 SFG14-72 | |
| LG Gram 14Z90Q | |
| Huawei MateBook 14 (2024) | |
| Lenovo ThinkPad E14 G5-21JSS05C00 | |
| Dell XPS 13 Plus 9320 i5-1240p | |
| Strange Brigade - 1920x1080 ultra AA:ultra AF:16 | |
| Acer Swift Go 14 SFG14-72 | |
| Durchschnitt der Klasse Office (12.9 - 62, n=52, der letzten 2 Jahre) | |
| Lenovo ThinkPad E14 G5-21JSS05C00 | |
| Huawei MateBook 14 (2024) | |
| Huawei MateBook 14 2021, i7-1165G7 | |
Witcher 3 FPS-Diagramm
| min. | mittel | hoch | max. | QHD | 4K | |
|---|---|---|---|---|---|---|
| GTA V (2015) | 117.8 | 105.8 | 21.8 | 9.5 | ||
| The Witcher 3 (2015) | 87.6 | 52.7 | 29.2 | 13.8 | ||
| Dota 2 Reborn (2015) | 114.4 | 87.3 | 50.7 | 46.5 | ||
| Final Fantasy XV Benchmark (2018) | 39 | 22 | 14 | 10 | 6 | |
| X-Plane 11.11 (2018) | 49.9 | 34.8 | 31 | |||
| Far Cry 5 (2018) | 52 | 27 | 25 | 23 | ||
| Strange Brigade (2018) | 74.4 | 32.2 | 25.9 | 20.6 |
Emissionen & Energie: Bessere Kühlung dank lauter Lüfter
Geräuschemissionen
Wie schon beim Vorgängermodell ist das aktuelle Huawei MateBook 14 bei einfachen Web- und Office-Tätigkeiten völlig geräuschlos.
Sobald jedoch etwas anspruchsvollere Tätigkeiten ausgeführt werden, machen sich die Lüfter bemerkbar. Im Performance-Modus und unter hoher Last drehen die Lüfter dann ordentlich auf und können störend wirken. Wie unsere Cinebench-Schleife zeigt, wird der Prozessor des aktuellen Modells deutlich besser gekühlt. Während wir beim Vorgänger unter Last nur 40 dB(A) messen konnten, dreht das aktuelle Modell auf fast 48 dB(A) auf und ist damit deutlich lauter.
Da das MateBook allem Anschein nach direkt mit dem MacBook Air konkurrieren will, ist dies wirklich kein guter Wert, da das MacBook Air keinen Lüfter besitzt und somit vollkommen leise bleibt.
Lautstärkediagramm
| Idle |
| 25.5 / 25.5 / 25.5 dB(A) |
| Last |
| 33.37 / 47.75 dB(A) |
![]() | ||
30 dB leise 40 dB(A) deutlich hörbar 50 dB(A) störend |
||
min: | ||
| Huawei MateBook 14 (2024) Iris Xe G7 80EUs, i5-1240P, Samsung PM991 MZVLQ512HALU | Huawei MateBook 14 2021, i7-1165G7 Iris Xe G7 96EUs, i7-1165G7, Samsung PM991 MZVLQ512HALU | LG Gram 14Z90Q Iris Xe G7 80EUs, i5-1240P, Samsung PM9A1 MZVL2512HCJQ | Dell XPS 13 Plus 9320 i5-1240p Iris Xe G7 80EUs, i5-1240P, Micron 3400 MTFDKBA512TFH 512GB | Acer Swift Go 14 SFG14-72 Arc 8-Core, Ultra 7 155H, SK hynix HFS001TEJ9X110NA | Lenovo ThinkPad E14 G5-21JSS05C00 Vega 8, R7 7730U, WD PC SN740 SDDPNQD-1T00 | |
|---|---|---|---|---|---|---|
| Geräuschentwicklung | 3% | 1% | -4% | 0% | 5% | |
| aus / Umgebung * (dB) | 25.5 | 25 2% | 25 2% | 26 -2% | 25 2% | 24.4 4% |
| Idle min * (dB) | 25.5 | 25 2% | 26 -2% | 26.2 -3% | 25 2% | 24.4 4% |
| Idle avg * (dB) | 25.5 | 25 2% | 27 -6% | 26.2 -3% | 25 2% | 24.4 4% |
| Idle max * (dB) | 25.5 | 25 2% | 28 -10% | 26.2 -3% | 26.2 -3% | 25.7 -1% |
| Last avg * (dB) | 33.37 | 35.4 -6% | 35 -5% | 38.4 -15% | 35.7 -7% | 31.8 5% |
| Last max * (dB) | 47.75 | 40.2 16% | 36 25% | 47.1 1% | 45.5 5% | 41.2 14% |
| Witcher 3 ultra * (dB) | 36 | 36.7 |
* ... kleinere Werte sind besser
Temperatur
Die bessere Kühlung der CPU durch die lauteren Lüfter wirkt sich natürlich auch auf die Temperaturen des Chassis aus.
Hier konnte die durchschnittliche Temperatur an der Oberseite von 34 °C auf 31,1 °C und an der Unterseite von 34,2 °C auf 28,6 °C gesenkt werden. Auch der besonders heiße Hotspot des Vorgängers auf der Unterseite konnte eliminiert werden, so dass das MateBook auch unter Last problemlos auf dem Schoß betrieben werden kann.
(±) Die maximale Temperatur auf der Oberseite ist 42.5 °C. Im Vergleich liegt der Klassendurchschnitt bei 34.3 °C (von 21.2 bis 62.5 °C für die Klasse Office).
(±) Auf der Unterseite messen wir eine maximalen Wert von 40.5 °C (im Vergleich zum Durchschnitt von 36.8 °C).
(+) Ohne Last messen wir eine durchschnittliche Temperatur von 25.8 °C auf der Oberseite. Der Klassendurchschnitt erreicht 29.5 °C.
(+) Die Handballen und der Touchpad-Bereich sind mit gemessenen 26.2 °C kühler als die typische Hauttemperatur und fühlen sich dadurch kühl an.
(±) Die durchschnittliche Handballen-Temperatur anderer getesteter Geräte war 27.6 °C (+1.4 °C).
| Huawei MateBook 14 (2024) Intel Core i5-1240P, Intel Iris Xe Graphics G7 80EUs | Apple MacBook Air M2 Entry Apple M2, Apple M2 8-Core GPU | Huawei MateBook 14 2021, i7-1165G7 Intel Core i7-1165G7, Intel Iris Xe Graphics G7 96EUs | LG Gram 14Z90Q Intel Core i5-1240P, Intel Iris Xe Graphics G7 80EUs | Dell XPS 13 Plus 9320 i5-1240p Intel Core i5-1240P, Intel Iris Xe Graphics G7 80EUs | Acer Swift Go 14 SFG14-72 Intel Core Ultra 7 155H, Intel Arc 8-Core iGPU | Lenovo ThinkPad E14 G5-21JSS05C00 AMD Ryzen 7 7730U, AMD Radeon RX Vega 8 (Ryzen 4000/5000) | |
|---|---|---|---|---|---|---|---|
| Hitze | 4% | -2% | -2% | -34% | -5% | -6% | |
| Last oben max * (°C) | 42.5 | 44.5 -5% | 40 6% | 43 -1% | 47.6 -12% | 36.5 14% | 42.6 -0% |
| Last unten max * (°C) | 40.5 | 44.4 -10% | 47.1 -16% | 45 -11% | 57 -41% | 49.5 -22% | 55.3 -37% |
| Idle oben max * (°C) | 28.2 | 23.9 15% | 27.7 2% | 27 4% | 38.8 -38% | 25.5 10% | 25.8 9% |
| Idle unten max * (°C) | 28.6 | 23.6 17% | 28.7 -0% | 28 2% | 41 -43% | 35 -22% | 27.4 4% |
* ... kleinere Werte sind besser
Lautsprecher
Bei den Lautsprechern scheint Huawei beim aktuellen MateBook 14 noch einmal nachkalibriert zu haben.
Die Lautsprecher können knapp 11 dB(A) lauter werden und auch die Bässe sind etwas kräftiger. Dafür sind die Mitten etwas zu hoch. Die Lautsprecher sind funktional, aber man darf keine Wunder erwarten. Der Klang ist immer noch blechern und trotz der Verbesserungen in diesem Jahr kann von einem richtigen Bass nicht die Rede sein. Für den alltäglichen Gebrauch reichen die Lautsprecher allerdings vollkommen aus. Im Bereich der unteren Tiefen als auch bei den extremen Höhen muss sich das MateBook jedoch dem MacBook geschlagen geben.
Huawei MateBook 14 (2024) Audio Analyse
(+) | Die Lautsprecher können relativ laut spielen (86.33 dB)
Bass 100 - 315 Hz
(-) | kaum Bass - 18% niedriger als der Median
(±) | durchschnittlich lineare Bass-Wiedergabe (7.9% Delta zum Vorgänger)
Mitteltöne 400 - 2000 Hz
(±) | zu hohe Mitten, vom Median 5.5% abweichend
(+) | lineare Mitten (5.2% Delta zum Vorgänger)
Hochtöne 2 - 16 kHz
(±) | zu hohe Hochtöne, vom Median nur 5.8% abweichend
(+) | sehr lineare Hochtöne (5.2% Delta zum Vorgänger)
Gesamt im hörbaren Bereich 100 - 16.000 Hz
(±) | hörbarer Bereich ist durchschnittlich linear (16.9% Abstand zum Median)
Im Vergleich zu allen Geräten derselben Klasse
» 22% aller getesteten Geräte dieser Klasse waren besser, 7% vergleichbar, 72% schlechter
» Das beste Gerät hat einen Delta-Wert von 7%, durchschnittlich ist 21%, das schlechteste Gerät hat 53%
Im Vergleich zu allen Geräten im Test
» 29% aller getesteten Geräte waren besser, 8% vergleichbar, 63% schlechter
» Das beste Gerät hat einen Delta-Wert von 4%, durchschnittlich ist 24%, das schlechteste Gerät hat 134%
Apple MacBook Air M2 Entry Audio Analyse
(+) | Die Lautsprecher können relativ laut spielen (82.7 dB)
Bass 100 - 315 Hz
(±) | abgesenkter Bass - 12.2% geringer als der Median
(±) | durchschnittlich lineare Bass-Wiedergabe (12.6% Delta zum Vorgänger)
Mitteltöne 400 - 2000 Hz
(+) | ausgeglichene Mitten, vom Median nur 1.1% abweichend
(+) | lineare Mitten (3.1% Delta zum Vorgänger)
Hochtöne 2 - 16 kHz
(+) | ausgeglichene Hochtöne, vom Median nur 2.4% abweichend
(+) | sehr lineare Hochtöne (1.9% Delta zum Vorgänger)
Gesamt im hörbaren Bereich 100 - 16.000 Hz
(+) | hörbarer Bereich ist sehr linear (9.5% Abstand zum Median
Im Vergleich zu allen Geräten derselben Klasse
» 5% aller getesteten Geräte dieser Klasse waren besser, 2% vergleichbar, 94% schlechter
» Das beste Gerät hat einen Delta-Wert von 5%, durchschnittlich ist 18%, das schlechteste Gerät hat 53%
Im Vergleich zu allen Geräten im Test
» 3% aller getesteten Geräte waren besser, 1% vergleichbar, 96% schlechter
» Das beste Gerät hat einen Delta-Wert von 4%, durchschnittlich ist 24%, das schlechteste Gerät hat 134%
Energieaufnahme
Der Stromverbrauch des Huawei MateBook 14 ist in den meisten Bereichen minimal gestiegen.
Während der Vorgänger im Standby noch einen Verbrauch von 0,4 Watt aufwies, verbraucht das neue Modell hier leider 0,85 Watt. Auch im Idle-Betrieb ist der Verbrauch mit durchschnittlich 9,5 Watt etwas höher. Unter maximaler Last steigt der Verbrauch von 66 Watt auf 67,5 Watt. In der Regel reicht das mitgelieferte 65 Watt Netzteil aus, auch wenn die kurzzeitigen Lastspitzen etwas über 65 Watt liegen.
| Aus / Standby | |
| Idle | |
| Last |
|
Legende:
min: | |
Energieaufnahme Witcher 3 / Stresstest
Energieaufnahme mit externem Monitor
Akkulaufzeit
Die Akkulaufzeit des MateBook 14 ist nach wie vor etwas enttäuschend und fällt aufgrund des gestiegenen Stromverbrauchs noch etwas schlechter aus als beim Vorgänger: Im WLAN-Test schafft der 14-Zöller 9:09 Stunden, mit einem AMD-Prozessor hätte hier mehr möglich sein können.
Im Vergleich zu den ausgewählten Konkurrenten schneidet nur das Dell XPS 13 Plus 9320 schlechter ab. Ansonsten liegen die verglichenen Windows-Modelle, mit Ausnahme des LG Gram 14, alle in ähnlichen Bereichen. Im Vergleich zum MacBook Air M2 verliert das MateBook jedoch deutlich, da dieses auf über 15 Stunden kommt. Immerhin bietet das MateBook einen Schnelllademodus, um das Akkudefizit etwas auszugleichen.
| Huawei MateBook 14 (2024) i5-1240P, Iris Xe G7 80EUs, 56 Wh | Apple MacBook Air M2 Entry M2, M2 8-Core GPU, 52.6 Wh | Huawei MateBook 14 2021, i7-1165G7 i7-1165G7, Iris Xe G7 96EUs, 56 Wh | LG Gram 14Z90Q i5-1240P, Iris Xe G7 80EUs, 72 Wh | Dell XPS 13 Plus 9320 i5-1240p i5-1240P, Iris Xe G7 80EUs, 55 Wh | Lenovo ThinkPad E14 G5-21JSS05C00 R7 7730U, Vega 8, 57 Wh | Durchschnitt der Klasse Office | |
|---|---|---|---|---|---|---|---|
| Akkulaufzeit | 58% | 11% | 52% | -7% | -9% | 27% | |
| WLAN (h) | 9.2 | 15.2 65% | 9.4 2% | 11.9 29% | 8 -13% | 9.9 8% | 12.6 ? 37% |
| Last (h) | 1.6 | 2.4 50% | 1.9 19% | 2.8 75% | 1.6 0% | 1.2 -25% | 1.849 ? 16% |
| H.264 (h) | 16.5 | 8.9 | 10.8 | 14.9 ? | |||
| Idle (h) | 28.9 | 22.3 ? |
Pro
Contra
Fazit: Kein MacBook aber auch kein Apple Preis
Das Huawei MateBook 14 zeichnet sich durch seine kompakte Größe als Ultrabook aus und verfügt über ein angemessen großes Display im benutzerfreundlichen 3:2-Format. Ein kleiner Nachteil ist die spiegelnde Displayoberfläche, auch wenn die Farben dadurch intensiver wirken. Trotz des hochwertigen Aluminiumgehäuses ist das Gewicht im Vergleich mit anderen 14-Zöllern etwas höher. Das Touchpad ist sehr gut gestaltet und die Tastatur erfüllt ihren Zweck zuverlässig. Die Akkulaufzeit könnte besser sein, reicht aber je nach Nutzungsverhalten immer noch für einen ganzen Arbeitstag und im Alltag bietet der verbaute Intel-Chip eine angenehm flüssige Bedienung. Im Vorjahr konnten wir keinen Vorteil gegenüber der AMD-Variante erkennen und daher die Intel-Variante nicht empfehlen. Das neue MateBook 14 ist jedoch ausschließlich in der Intel-Variante erhältlich, sodass diese Empfehlung in diesem Jahr nicht mehr gilt. Das Subnotebook liefert solide Ergebnisse, auch wenn es nicht auf Augenhöhe mit anderen Premium-Modellen ist. Aufgrund des deutlich niedrigeren Preises und der Möglichkeit, das Modell regelmäßig für knapp über 800 Euro zu finden, ist dies aber auch nicht notwendig.
Das Huawei MateBook 14 bietet ein hochwertiges und besonders preiswertes Ultrabook, das solide Leistung bringt und im Angebot eine echte Preis-Leistungs-Empfehlung ist.
Wie schon beim Vorgänger kommt die Wahl zwischen MacBook Air und MateBook 14 stark darauf an, ob man zwingend auf Software angewiesen ist, die ausschließlich für Windows verfügbar ist. Wenn dem nicht so ist, ist das MacBook Air für die meisten die bessere Wahl, da Display, Akku, Lautsprecher und Lautstärke schlicht deutlich besser sind. Allerdings kostet das MacBook Air M2 deutlich mehr. Eine gute Alternative kann somit das MacBook Air M1 sein, solange es noch zu kaufen ist.
Wer jedoch ein Windows-Gerät bevorzugt und ein wirklich gutes Touch-Display wünscht, findet in dieser Preisklasse wenig Konkurrenz, die zudem ein hochwertiges Aluminiumgehäuse und eine wirklich sehr gute Verarbeitung bietet. Das Dell XPS 13 9320 bietet beispielsweise ein ähnlich hochwertiges Gehäuse, kann aber nicht mit der Leistung des MateBook mithalten und kostet auch deutlich mehr. Das LG Gram 14Z90Q bietet eine deutlich bessere Akkulaufzeit und ein geringeres Gewicht, schneidet aber in den Benchmarks nicht so gut ab wie das MateBook und bietet ein deutlich weniger robustes Gehäuse. Außerdem ist es im Online-Handel schwer zu finden. Der stärkste Konkurrent in der gleichen Preisklasse ist definitiv das Lenovo ThinkPad E14 G5, da der Ryzen-Prozessor in fast allen Bereichen bessere Ergebnisse liefert. Während der Displaydeckel ebenfalls aus Aluminium besteht, ist die gesamte Basis aus Kunststoff, sodass das MateBook hier ein deutlich hochwertigeres Gehäuse bietet und noch einmal verdeutlicht, wie schwer es ist, ein ähnlich solides Gesamtpaket in dieser Preisklasse zu finden.
Preis und Verfügbarkeit
Das Huawei MateBook 14 mit Intel Core i5-1240P, 16 GB RAM und 512 GB SSD ist im Huawei-Store dank eines aktuellen Rabatts für 829 Euro erhältlich.
Weitere Varianten des Modells bietet der Hersteller derzeit nicht an.
Huawei MateBook 14 (2024)
- 16.01.2024 v7 (old)
Philip Macdonald
Transparenz
Die Auswahl der zu testenden Geräte erfolgt innerhalb der Redaktion. Das vorliegende Testmuster wurde dem Autor vom Hersteller oder einem Shop zu Testzwecken leihweise zur Verfügung gestellt. Eine Einflussnahme des Leihstellers auf den Testbericht gab es nicht, der Hersteller erhielt keine Version des Reviews vor der Veröffentlichung. Es bestand keine Verpflichtung zur Publikation. Als eigenständiges, unabhängiges Unternehmen unterliegt Notebookcheck keiner Diktion von Herstellern, Shops und Verlagen.
So testet Notebookcheck
Pro Jahr werden von Notebookcheck hunderte Laptops und Smartphones unabhängig in von uns standardisierten technischen Verfahren getestet, um eine Vergleichbarkeit aller Testergebnisse zu gewährleisten. Seit rund 20 Jahren entwickeln wir diese Testmethoden kontinuierlich weiter und setzen damit Branchenstandards. In unseren Testlaboren kommt ausschließlich hochwertiges Messequipment in die Hände erfahrener Techniker und Redakteure. Die Tests unterliegen einer mehrstufigen Kontrolle. Unsere komplexe Gesamtbewertung basiert auf hunderten fundierten Messergebnissen und Benchmarks, womit Ihnen Objektivität garantiert ist. Weitere Informationen zu unseren Testmethoden gibt es hier.









































































