OneXPlayer 2 Pro Gaming-Handheld, Tablet oder Detachable im Test: vielseitiges Gerät mit starkem Ryzen 7

Den OneXPlayer 2 hatten wir bereits im Test. Nun kommt eine Pro-Version mit dem deutlich stärkerem Ryzen 7 7840U als Nachfolger. Im Test zeigt das vielseitige Handheld nicht nur beim Gaming seine Stärken. Dank 32 GB Arbeitsspeicher und einer 1-TB-großen NVMe-SSD kann der OneXPlayer 2 Pro auch in anderen Bereichen punkten. Die abnehmbaren Controller und eine magnetisch haftende Tastatur machen das Gerät auch als Mini-Laptop oder Tablet-PC interessant.
Im Test zeigt sich aber vor allem, dass ein Ryzen 7840U dGPUs des Entry-Levels überflüssig macht. So überzeugt der OneXPlayer da, wo er soll, nämlich beim Gaming. Mobil oder daheim liefert er mehr als spielbare FPS in vielen aktuellen Titeln aus unsere Steam-Bibliothek in FullHD oder UHD.
Der OneXPlayer muss sich allerdings auch starken Konkurrenten stellen. Unter den Handhelds kommt man an Geräten wie dem Lenovo Legion Go, dem Asus Rog Ally Z1 Extreme oder dem Ayaneo Kun nicht vorbei.
Mögliche Konkurrenten im Vergleich
Bew. | Datum | Modell | Gewicht | Dicke | Größe | Auflösung | Preis ab |
|---|---|---|---|---|---|---|---|
| 84.9 % v7 (old) | 01 / 2024 | ONEXPLAYER 2 Pro AR18 R7 7840U, Radeon 780M | 876 g | 43 mm | 8.40" | 2560x1600 | |
| 85.2 % v7 (old) | 01 / 2024 | Ayaneo Kun R7 7840U, Radeon 780M | 942 g | 22 mm | 8.40" | 2560x1600 | |
| 66.3 % | 01 / 2024 | Lenovo Legion Go Z1 Extreme, Radeon 780M | 845 g | 41 mm | 8.80" | 2560x1600 | |
| 87.5 % v7 (old) | 05 / 2023 | Asus ROG Ally Z1 Extreme Z1 Extreme, Radeon 780M | 611 g | 21.22 mm | 7.00" | 1920x1080 | |
| 84 % v7 (old) | 07 / 2023 | One Netbook XPlayer 2 R7 6800U, Radeon 680M | 864 g | 23 mm | 8.40" | 2560x1600 | |
| 80.3 % v7 (old) | 03 / 2023 | GPD Win 4 R7 6800U, Radeon 680M | 607 g | 28 mm | 6.00" | 1920x1080 |
Gehäuse & Ausstattung
Von Außen betrachtet ändert sich nichts am OneXPlayer 2 Pro. Das Gerät ist entweder in Weiß oder Schwarz mit orangen Akzenten erhältlich. Generell ist das Gaming-Handheld ein solides Gerät, besteht aber größtenteils aus Kunststoff. Die Kritikpunkte, welche wir beim OneXPlayer 2 gefunden haben, gelten weiterhin für die Pro Variante. So ist die Verbindung der Controller nicht ganz spielfrei, aber dafür auch deutlich leichtgängiger als beim Lenovo Legion Go. Nimmt man die Controlller am OneXPlayer ab, verbinden diese sich nicht selbstständig mit dem Tablet. Für das kabellose Zocken ist ein Zubehörteil, der Controller Connector, notwendig. Wie bei vielen Handhelds muss man auch beim OneXPlayer 2 Pro auf eine Webcam verzichten. Unser Testgerät kam in einem Bundle, das auch eine Tastatur enthält. Diese wird magnetisch am Tablet befestigt, und verbindet sich über Pogopins. Allerdings wird dabei auch der USB-C-3.2-Anschluss an der Unterseite des OneXPlayers verdeckt. Insgesamt kann der OneXPlayer 2 Pro somit als Tablet, Gaming-Handheld oder Detachable-Laptop fungieren. Für ein wenig Licht sorgen die orangen Leuchtelement rund um die beiden Thumbsticks sowie unten an den Controller-Hälften.
Erstaunlich gut sind hier sowohl die WiFi-Verbindung im 5- und 6-GHz-Netzwerk, sowie der microSD-Kartenleser. Unsere Angelbird AV PRO microSD kann bis zu 280 MB/s übertragen. Im OneXPlayer 2 Pro werden bis zu 251 MB/s erreicht. Ein Spitzenwert, der nur von wenigen Laptops in unserer Datenbank geknackt wird.
Größenvergleich
Unten angegeben ist die Größe des OneXPlayer 2 Pro als Handheld. Ohne Controller ist das Tablet etwa 20 × 12,7 × 2 cm groß. Mit der angeschlossenen und eingeklappten Tastatur nimmt der OneXPlayer 2 als Detachable etwa 20 × 13,1 × 2,5 cm ein.
| SD Card Reader | |
| average JPG Copy Test (av. of 3 runs) | |
| ONEXPLAYER 2 Pro AR18 (Angelbird AV PRO microSD) | |
| Lenovo Legion Go | |
| Ayaneo Kun | |
| Asus ROG Ally Z1 Extreme (Angelbird AV Pro V60) | |
| One Netbook XPlayer 2 (Angelbird AV Pro V60) | |
| Durchschnitt der Klasse Handheld / UMPC (20.9 - 201, n=11, der letzten 2 Jahre) | |
| GPD Win 4 (AV Pro SD microSD 128 GB V60) | |
| maximum AS SSD Seq Read Test (1GB) | |
| Asus ROG Ally Z1 Extreme (Angelbird AV Pro V60) | |
| ONEXPLAYER 2 Pro AR18 (Angelbird AV PRO microSD) | |
| One Netbook XPlayer 2 (Angelbird AV Pro V60) | |
| Ayaneo Kun | |
| Durchschnitt der Klasse Handheld / UMPC (74.7 - 261, n=11, der letzten 2 Jahre) | |
| Lenovo Legion Go | |
| GPD Win 4 (AV Pro SD microSD 128 GB V60) | |
Wartung
Man kann den OneXPlayer 2 Pro aufschrauben, aber zu mehr als dem Abnehmen der Rückseite sahen wir uns im Test nicht in der Lage. Um überhaupt dahin zu kommen, die Rückseite abnehmen zu können, müssen etliche Schrauben entfernt werden. Diese befinden sich an allen vier Seiten des Geräts und an der Rückseite. So muss man die Controller abnehmen, darunter je eine Schraubenabdeckung entfernen und auch die Zierleisten oben und unten am Gerät. Im Inneren kamen wir allerdings nicht weiter, denn die Schrauben, welche den Headspreader über dem Mainboard halten, sind derartig gut gesichert, dass wir hier kein Weiterkommen sahen. So können wir hier nur einen Blick auf den großen Akku, den Lüfter, ein Verbindungs-Board zu den Tastatur- und Controller-Anschlüssen sowie auf Lautsprecher und WLAN-Antennen werfen. Beim Aufschrauben kamen uns auch immer wieder die Magneten zur Tastaturbefestigung in die Quere. Diese sind weitaus weniger gut gesichert als die Schrauben des Heatspreaders.
Eingabegeräte
Es gibt zwar so einige Gaming-Handhelds mit eingebauter Tastatur, aber diese sind nach unseren Erfahrungen meist nicht wirklich zum 10-Finger-Tippen geeignet. So ist die Tastatur am GPD Win 4 etwa deutlich kleiner als die des OneXPlayer 2 Pro und besitzt nahezu keinen Tastenhub. Die magnetische Tastatur hier ist die erste wirklich nutzbare Tastatur, wenn es um mehr als ein paar Sätze im Chat geht, welche uns bei einem Gaming-Handheld begegnet. Auch wenn die Tastengröße nicht ganz einer normalen Tastatur entspricht, sind wir von der Haptik und dem 2 mm hohen Tastenhub überzeugt. Auf einer ganz anderen Seite steht da leider das kleine wacklige Touchpad. Dieses ist zwar schon irgendwie nutzbar, aber nicht wirklich ergonomisch. Beim Klicken springt gerne mal der Mauszeiger hin und her, Drag-and-Drop ist kaum möglich. Da nutzt man besser gleich den Touchscreen. Auf Wunsch liefert OneNetbook auch einen Eingabestift zum OneXPlayer, womit das Gerät noch vielseitiger wird.
Wichtiger als Tastatur und Touchpad dürfte für ein Gaming-Handheld jedoch der eingebaute Controller sein. Wie bereits erwähnt haben die beiden Hälften keinen ganz perfekten Sitz, wenn sie mit der Tableteinheit verbunden sind, können sie minimal wackeln. Beim Spielen haben wir dies jedoch nicht als störend empfunden. Abgesehen davon haben alle Tasten und Trigger an den beiden Controller-Hälften etwa die gleiche Haptik wie ein Dualshock 4 Controller. Die Thumbsticks sind genau und leichtgängig, finden aber immer in die Nullstellung zurück. Bei den Schultertriggern könnte man sich eventuell etwas mehr Widerstand wünschen. Für den drahtlosen Betrieb des Controllers am Handheld benötigt man ein Zubehörteil, den Controller Connector. Unter einer kleinen Abdeckung bringt dieser einen USB-2,4-GHz-Empfänger mit, den man am OneXPlayer 2 oder anderen Geräten einstecken muss, damit sich der Controller verbindet. Im Hinblick auf die Funkreichweite stellen wir bis zu sieben Metern keinerlei Probleme fest. Alle Eingaben werden mit nicht wahrnehmbarer Latenz umgesetzt.
Software
Der OneXPlayer 2 Pro wird mit einem nahezu naktem Windows 11 geliefert. Einzig die Gamer Zone, ein Programm zur Leistungssteuerung des Notebooks, ist vorinstalliert. Im Test zum Vorgänger hagelte es noch deutliche Kritik zum Programm. Die Gamer Zone hat One Netbook mittlerweile überarbeitet. Optisch ist das Programm zur Leistungssteuerung zwar weiterhin keine Augenweide, aber mittlerweile bringt es die Möglichkeit mit, auch über Games angezeigt zu werden, ohne dass diese minimiert werden. Der Schieberegler "Keep fullscreen status" sorgt dafür. Eine Spielebibliothek hat das Gaming-Handheld mittlerweile auch. Diese ist jedoch optisch nicht wirklich ansprechend und zusätzlich wenig funktional. Letztlich ist das Gaming-Handheld mit dem 8,4-Zoll-Bildschirm kaum auf die Steuerung per Touchscreen angepasst.
Ein weiterer Kritikpunkt, der uns hier auffällt, ist die Zuweisung der X1- und X2-Taste oben am Tablet, wenn diese zur Lautstärkensteuerung genutzt werden sollen. Die Linke Taste stellt das Gerät lauter, die rechte leiser. Dies ist sehr kontraintuitiv, da alle Schieberegler unter Windows genau andersherum funktionieren.
Eine gut funktionierende Alternative zur vorinstallierten Software bietet das Handheld-Control-Panel, welches auf Github zum freien Download bereitsteht. Die Anwendung ist deutlich vielseitiger und ordentlicher aufgebaut als die Software von One Netbook.
Display
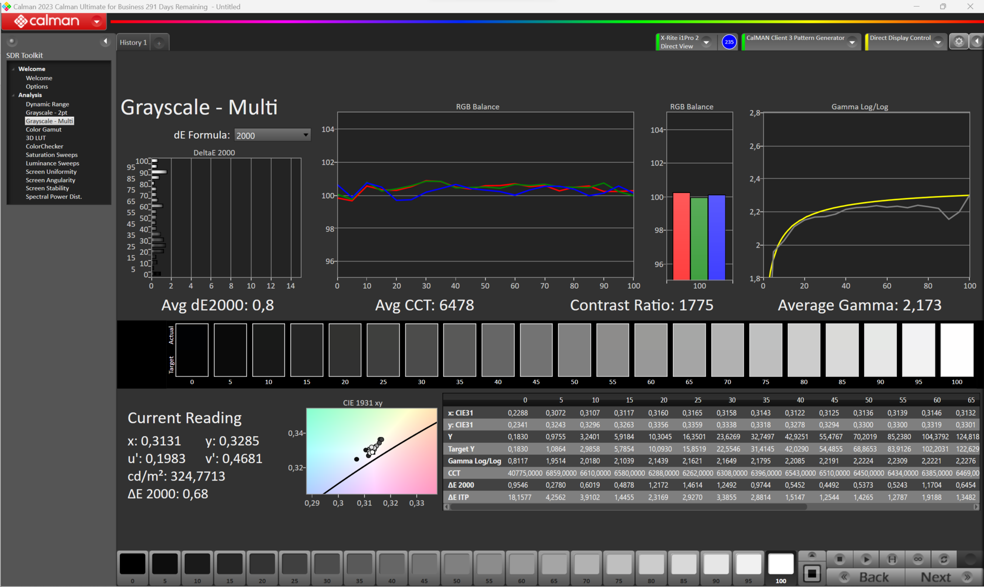
Mit 311 cd/m² ist das Display vom OneXPlayer 2 Pro etwas dunkler als im Vorgänger und deutlich weniger leuchtstark als die Konkurrenten von Lenovo, Ayaneo und Asus. Das verbaute Panel hat nun aber eine etwas bessere Farbraumabdeckung und deckt so den sRGB-Farbraum vollständig ab. Der hochauflösende Bildschirm im 16:10-Format bietet einen sehr hohen Kontrastwert und eignet sich somit für die Wiedergabe dunklerer Bildsequenzen. Wie bei allen bisher getesteten Handhelds kommt auch hier ein vertikales Tablet-Panel zum Einsatz, das im Querformat verbaut wird. Damit wird der Bildschirm von links nach rechts statt von oben nach unten aktualisiert. Dies kann teilweise Nachteile bei der Darstellung von Schrift haben.
| |||||||||||||||||||||||||
Ausleuchtung: 48 %
Helligkeit Akku: 318 cd/m²
Kontrast: 2844:1 (Schwarzwert: 0.1118 cd/m²)
ΔE ColorChecker Calman: 4.81 | ∀{0.5-29.43 Ø4.74}
calibrated: 1.53
ΔE Greyscale Calman: 6.12 | ∀{0.09-98 Ø4.98}
81.6% AdobeRGB 1998 (Argyll 3D)
99.3% sRGB (Argyll 3D)
91.9% Display P3 (Argyll 3D)
Gamma: 2.003
CCT: 7707 K
| ONEXPLAYER 2 Pro AR18 FLQ8423-24L0, IPS, 2560x1600, 8.4" | Ayaneo Kun Ayaneo 2K, IPS, 2560x1600, 8.4" | Lenovo Legion Go Legion Go Display, IPS, 2560x1600, 8.8" | Asus ROG Ally Z1 Extreme TL070FVSX01-0, IPS, 1920x1080, 7" | One Netbook XPlayer 2 FLQ8423, IPS, 2560x1600, 8.4" | GPD Win 4 G1618-04, IPS, 1920x1080, 6" | |
|---|---|---|---|---|---|---|
| Display | 5% | 3% | -18% | -11% | -20% | |
| Display P3 Coverage (%) | 91.9 | 93.52 2% | 92.1 0% | 65.6 -29% | 75.4 -18% | 63.1 -31% |
| sRGB Coverage (%) | 99.3 | 99.4 0% | 99.56 0% | 92.1 -7% | 97 -2% | 92 -7% |
| AdobeRGB 1998 Coverage (%) | 81.6 | 91.2 12% | 90.09 10% | 67.9 -17% | 71.1 -13% | 64.6 -21% |
| Response Times | 17% | 28% | 67% | -22% | 2% | |
| Response Time Grey 50% / Grey 80% * (ms) | 25.5 ? | 24.2 ? 5% | 20.8 ? 18% | 10.5 ? 59% | 36.8 ? -44% | 26.8 ? -5% |
| Response Time Black / White * (ms) | 22.73 ? | 16.2 ? 29% | 14.4 ? 37% | 6 ? 74% | 22.8 ? -0% | 20.9 ? 8% |
| PWM Frequency (Hz) | 20000 | 700 | ||||
| Bildschirm | -9% | -32% | -9% | -32% | -40% | |
| Helligkeit Bildmitte (cd/m²) | 318 | 680 114% | 411 29% | 513 61% | 369 16% | 413.1 30% |
| Brightness (cd/m²) | 287 | 678 136% | 413 44% | 474 65% | 363 26% | 407 42% |
| Brightness Distribution (%) | 48 | 91 90% | 80 67% | 84 75% | 89 85% | 81 69% |
| Schwarzwert * (cd/m²) | 0.1118 | 0.5 -347% | 0.42 -276% | 0.38 -240% | 0.28 -150% | 0.39 -249% |
| Kontrast (:1) | 2844 | 1360 -52% | 979 -66% | 1350 -53% | 1318 -54% | 1059 -63% |
| Delta E Colorchecker * | 4.81 | 4 17% | 5.94 -23% | 3.7 23% | 7.1 -48% | 6.97 -45% |
| Colorchecker dE 2000 max. * | 6.93 | 9 -30% | 10.56 -52% | 8.3 -20% | 10.9 -57% | 14.11 -104% |
| Colorchecker dE 2000 calibrated * | 1.53 | 1 35% | 2.95 -93% | 2.6 -70% | 1.24 19% | |
| Delta E Graustufen * | 6.12 | 9 -47% | 0.92 85% | 5.1 17% | 8.3 -36% | 9.9 -62% |
| Gamma | 2.003 110% | 2 110% | 1.93 114% | 2.14 103% | 2.01 109% | 2.04 108% |
| CCT | 7707 84% | 7188 90% | 8064 81% | 7732 84% | 8838 74% | 9571 68% |
| Durchschnitt gesamt (Programm / Settings) | 4% /
-3% | -0% /
-16% | 13% /
1% | -22% /
-26% | -19% /
-30% |
* ... kleinere Werte sind besser
Im Auslieferungszustand hat das Display vom OneXPlayer einen sehr deutlichen Blaustich. Unser ICC-Profil schafft hier eine deutliche Abhilfe und verbessert auch abseits davon die Farbdarstellung sichtbar. Auf einem fast schon professionellem Level von ΔΕ2000 1,53 befindet sich die durchschnittliche Farbabweichung nach dem Kalibrieren. Mit bloßem Auge dürften da keine Farbabweichungen mehr auffallen.
Reaktionszeiten (Response Times) des Displays
| ↔ Reaktionszeiten Schwarz zu Weiß | ||
|---|---|---|
| 22.73 ms ... steigend ↗ und fallend ↘ kombiniert | ↗ 11.05 ms steigend | |
| ↘ 11.67 ms fallend | ||
| Die gemessenen Reaktionszeiten sind gut, für anspruchsvolle Spieler könnten der Bildschirm jedoch zu langsam sein. Im Vergleich rangierten die bei uns getesteten Geräte von 0.1 (Minimum) zu 240 (Maximum) ms. » 51 % aller Screens waren schneller als der getestete. Daher sind die gemessenen Reaktionszeiten schlechter als der Durchschnitt aller vermessenen Geräte (19.9 ms). | ||
| ↔ Reaktionszeiten 50% Grau zu 80% Grau | ||
| 25.5 ms ... steigend ↗ und fallend ↘ kombiniert | ↗ 11.5 ms steigend | |
| ↘ 25 ms fallend | ||
| Die gemessenen Reaktionszeiten sind mittelmäßig und dadurch für Spieler eventuell zu langsam. Im Vergleich rangierten die bei uns getesteten Geräte von 0.165 (Minimum) zu 636 (Maximum) ms. » 35 % aller Screens waren schneller als der getestete. Daher sind die gemessenen Reaktionszeiten besser als der Durchschnitt aller vermessenen Geräte (31.2 ms). | ||
Bildschirm-Flackern / PWM (Pulse-Width Modulation)
| Flackern / PWM nicht festgestellt | |||
Im Vergleich: 52 % aller getesteten Geräte nutzten kein PWM um die Helligkeit zu reduzieren. Wenn PWM eingesetzt wurde, dann bei einer Frequenz von durchschnittlich 7873 (Minimum 5, Maximum 343500) Hz. | |||
Die Blickwinkelstabilität des Bildschirms im OneXPlayer ist gut, aber nicht so stark, wie wir es von IPS Panels gewohnt sind. Aus bestimmten Blickwinkeln betrachtet sinkt hier deutlich die Helligkeit oder der Kontrast. Wirklich Sorgen bereitet uns das nicht, denn wir stellen auch fest, dass dies im normalen Anwendungsfall kaum auffällt. Der Außeneinsatz mit dem Gaming-Handheld fällt deutlich schwer als mit den Vergleichsgeräten. Denn der spiegelnde Bildschirm kann mit seiner geringen Leuchtkraft auch bei bewölktem Himmel kaum mithalten.
Leistung
Wie die meisten aktuellen Gaming-Handhelds kommt auch der OneXPlayer 2 Pro mit einem AMD Ryzen 7 7840U. Dieser bring die starke Radeon 780M iGPU mit, und ist so bestens zum Spielen geeignet. Das Handheld kann entweder mit einem oder zwei TB Massenspeicher konfiguriert werden. 32 GB LPDDR5 RAM sind in beiden Ausstattungsvarianten verbaut. Wie wir auch beim Ayaneo Kun festgestellt haben, bietet die APU von AMD gepaart mit großem Arbeitsspeicher genügend Leistung, um es mit vielen Aufgaben aufzunehmen. So muss man sich hier nicht aufs Gaming beschränken.
Testbedingungen
Die Gamer Zone ermöglicht es dem Anwender, die TDP des Ryzen 7 im OneXPlayer 2 Pro zwischen 4 und 30 Watt einzustellen. Wir haben den Wert bei 30 Watt belassen und auch am Lüftermodus nichts verändert. Im Vergleich zum Vorgänger mit dem AMD Ryzen 7 6800U kann der Prozessor im aktuellen Gerät also mit zwei Watt mehr arbeiten.
Prozessor
Der AMD Ryzen 7 7840U ist eine High-End-APU mit 8 Kernen und 16 Threads. Die iGPU im Prozessor gehört zu den stärksten am Markt. So kann auch die Radeon 780M in unseren Tests mit starker Leistung überzeugen.
Fast identisch zum 7840U ist AMDs Z1 Extreme. Diese APU kommt im ROG Ally Z1 Extreme und im Lenovo Legion Go zum Einsatz. Mit 30 Watt kann der Ryzen 7 im OneXPlayer 2 Pro in etwa die gleiche Leistung abrufen wie der Z1 Extreme im Legion Go. In manchen Benchmarks wird dies durch fast identische oder sogar bessere Ergebnisse des OneXPlayers deutlich. Allerdings ist der 32 GB große Arbeitsspeicher im Testgerät deutlich langsamer als in allen Vergleichsgeräten. Dies nagt teils sehr deutlich an den Benchmark-Ergebnissen. So kann der starke Prozessor im OneXPlayer 2 Pro nicht seine volle Leistung ausspielen, liefert aber trotzdem gute Ergebnisse.
Cinebench R15 Multi Dauertest
Cinebench R23: Multi Core | Single Core
Cinebench R20: CPU (Multi Core) | CPU (Single Core)
Cinebench R15: CPU Multi 64Bit | CPU Single 64Bit
Blender: v2.79 BMW27 CPU
7-Zip 18.03: 7z b 4 | 7z b 4 -mmt1
Geekbench 6.6: Multi-Core | Single-Core
Geekbench 5.5: Multi-Core | Single-Core
HWBOT x265 Benchmark v2.2: 4k Preset
LibreOffice : 20 Documents To PDF
R Benchmark 2.5: Overall mean
| CPU Performance Rating | |
| Asus ROG Ally Z1 Extreme | |
| Lenovo Legion Go -2! | |
| Ayaneo Kun | |
| Durchschnittliche AMD Ryzen 7 7840U | |
| ONEXPLAYER 2 Pro AR18 | |
| Durchschnitt der Klasse Handheld / UMPC | |
| GPD Win 4 -2! | |
| One Netbook XPlayer 2 -3! | |
| Cinebench R23 / Multi Core | |
| Ayaneo Kun | |
| Asus ROG Ally Z1 Extreme | |
| ONEXPLAYER 2 Pro AR18 | |
| Lenovo Legion Go | |
| Durchschnittliche AMD Ryzen 7 7840U (11739 - 15074, n=10) | |
| Durchschnitt der Klasse Handheld / UMPC (4953 - 16841, n=15, der letzten 2 Jahre) | |
| GPD Win 4 | |
| One Netbook XPlayer 2 | |
| Cinebench R23 / Single Core | |
| Asus ROG Ally Z1 Extreme | |
| Lenovo Legion Go | |
| ONEXPLAYER 2 Pro AR18 | |
| Durchschnitt der Klasse Handheld / UMPC (1071 - 2006, n=15, der letzten 2 Jahre) | |
| Durchschnittliche AMD Ryzen 7 7840U (1373 - 1742, n=10) | |
| Ayaneo Kun | |
| GPD Win 4 | |
| One Netbook XPlayer 2 | |
| Cinebench R20 / CPU (Multi Core) | |
| Ayaneo Kun | |
| Asus ROG Ally Z1 Extreme | |
| ONEXPLAYER 2 Pro AR18 | |
| Lenovo Legion Go | |
| Durchschnittliche AMD Ryzen 7 7840U (4469 - 5917, n=10) | |
| Durchschnitt der Klasse Handheld / UMPC (1904 - 6577, n=13, der letzten 2 Jahre) | |
| GPD Win 4 | |
| One Netbook XPlayer 2 | |
| Cinebench R20 / CPU (Single Core) | |
| Asus ROG Ally Z1 Extreme | |
| ONEXPLAYER 2 Pro AR18 | |
| Lenovo Legion Go | |
| Durchschnitt der Klasse Handheld / UMPC (390 - 787, n=13, der letzten 2 Jahre) | |
| Durchschnittliche AMD Ryzen 7 7840U (533 - 678, n=10) | |
| Ayaneo Kun | |
| GPD Win 4 | |
| One Netbook XPlayer 2 | |
| Cinebench R15 / CPU Multi 64Bit | |
| Ayaneo Kun | |
| Asus ROG Ally Z1 Extreme | |
| ONEXPLAYER 2 Pro AR18 | |
| Lenovo Legion Go | |
| Durchschnittliche AMD Ryzen 7 7840U (1025 - 2439, n=12) | |
| Durchschnitt der Klasse Handheld / UMPC (855 - 2533, n=13, der letzten 2 Jahre) | |
| GPD Win 4 | |
| One Netbook XPlayer 2 | |
| Cinebench R15 / CPU Single 64Bit | |
| Asus ROG Ally Z1 Extreme | |
| Lenovo Legion Go | |
| ONEXPLAYER 2 Pro AR18 | |
| Durchschnittliche AMD Ryzen 7 7840U (217 - 272, n=10) | |
| GPD Win 4 | |
| Ayaneo Kun | |
| Durchschnitt der Klasse Handheld / UMPC (155.1 - 304, n=13, der letzten 2 Jahre) | |
| One Netbook XPlayer 2 | |
| Blender / v2.79 BMW27 CPU | |
| One Netbook XPlayer 2 | |
| Durchschnitt der Klasse Handheld / UMPC (189 - 588, n=13, der letzten 2 Jahre) | |
| GPD Win 4 | |
| Durchschnittliche AMD Ryzen 7 7840U (208 - 270, n=10) | |
| ONEXPLAYER 2 Pro AR18 | |
| Asus ROG Ally Z1 Extreme | |
| Ayaneo Kun | |
| 7-Zip 18.03 / 7z b 4 | |
| Asus ROG Ally Z1 Extreme | |
| Ayaneo Kun | |
| Lenovo Legion Go | |
| ONEXPLAYER 2 Pro AR18 | |
| Durchschnittliche AMD Ryzen 7 7840U (50087 - 62156, n=10) | |
| GPD Win 4 | |
| Durchschnitt der Klasse Handheld / UMPC (23417 - 66618, n=12, der letzten 2 Jahre) | |
| One Netbook XPlayer 2 | |
| 7-Zip 18.03 / 7z b 4 -mmt1 | |
| Asus ROG Ally Z1 Extreme | |
| Durchschnittliche AMD Ryzen 7 7840U (4657 - 6408, n=10) | |
| ONEXPLAYER 2 Pro AR18 | |
| Ayaneo Kun | |
| GPD Win 4 | |
| Durchschnitt der Klasse Handheld / UMPC (3675 - 6143, n=13, der letzten 2 Jahre) | |
| One Netbook XPlayer 2 | |
| Geekbench 6.6 / Multi-Core | |
| Asus ROG Ally Z1 Extreme | |
| Lenovo Legion Go | |
| Lenovo Legion Go | |
| Durchschnitt der Klasse Handheld / UMPC (3950 - 13426, n=14, der letzten 2 Jahre) | |
| Durchschnittliche AMD Ryzen 7 7840U (7310 - 11489, n=10) | |
| Ayaneo Kun | |
| ONEXPLAYER 2 Pro AR18 | |
| Geekbench 6.6 / Single-Core | |
| Lenovo Legion Go | |
| Lenovo Legion Go | |
| Asus ROG Ally Z1 Extreme | |
| Durchschnittliche AMD Ryzen 7 7840U (1982 - 2562, n=10) | |
| Durchschnitt der Klasse Handheld / UMPC (1333 - 2904, n=14, der letzten 2 Jahre) | |
| ONEXPLAYER 2 Pro AR18 | |
| Ayaneo Kun | |
| Geekbench 5.5 / Multi-Core | |
| Asus ROG Ally Z1 Extreme | |
| Lenovo Legion Go | |
| Lenovo Legion Go | |
| Durchschnittliche AMD Ryzen 7 7840U (7399 - 10558, n=10) | |
| Durchschnitt der Klasse Handheld / UMPC (3932 - 11975, n=14, der letzten 2 Jahre) | |
| Ayaneo Kun | |
| ONEXPLAYER 2 Pro AR18 | |
| GPD Win 4 | |
| One Netbook XPlayer 2 | |
| Geekbench 5.5 / Single-Core | |
| Asus ROG Ally Z1 Extreme | |
| Lenovo Legion Go | |
| Lenovo Legion Go | |
| Durchschnittliche AMD Ryzen 7 7840U (1355 - 1933, n=10) | |
| Durchschnitt der Klasse Handheld / UMPC (875 - 2134, n=14, der letzten 2 Jahre) | |
| ONEXPLAYER 2 Pro AR18 | |
| GPD Win 4 | |
| Ayaneo Kun | |
| One Netbook XPlayer 2 | |
| HWBOT x265 Benchmark v2.2 / 4k Preset | |
| Ayaneo Kun | |
| Asus ROG Ally Z1 Extreme | |
| Lenovo Legion Go | |
| ONEXPLAYER 2 Pro AR18 | |
| Durchschnittliche AMD Ryzen 7 7840U (14.4 - 18.6, n=10) | |
| Durchschnitt der Klasse Handheld / UMPC (6.21 - 20.8, n=13, der letzten 2 Jahre) | |
| GPD Win 4 | |
| One Netbook XPlayer 2 | |
| LibreOffice / 20 Documents To PDF | |
| One Netbook XPlayer 2 | |
| Durchschnitt der Klasse Handheld / UMPC (41.1 - 92.8, n=13, der letzten 2 Jahre) | |
| ONEXPLAYER 2 Pro AR18 | |
| Ayaneo Kun | |
| Lenovo Legion Go | |
| GPD Win 4 | |
| Durchschnittliche AMD Ryzen 7 7840U (43.4 - 67.1, n=10) | |
| Asus ROG Ally Z1 Extreme | |
| R Benchmark 2.5 / Overall mean | |
| GPD Win 4 | |
| Durchschnitt der Klasse Handheld / UMPC (0.4167 - 0.756, n=13, der letzten 2 Jahre) | |
| Ayaneo Kun | |
| Ayaneo Kun | |
| Durchschnittliche AMD Ryzen 7 7840U (0.4559 - 0.581, n=11) | |
| ONEXPLAYER 2 Pro AR18 | |
| Lenovo Legion Go | |
| Asus ROG Ally Z1 Extreme | |
* ... kleinere Werte sind besser
AIDA64: FP32 Ray-Trace | FPU Julia | CPU SHA3 | CPU Queen | FPU SinJulia | FPU Mandel | CPU AES | CPU ZLib | FP64 Ray-Trace | CPU PhotoWorxx
| Performance Rating | |
| Ayaneo Kun | |
| Asus ROG Ally Z1 Extreme | |
| ONEXPLAYER 2 Pro AR18 | |
| Durchschnittliche AMD Ryzen 7 7840U | |
| Lenovo Legion Go | |
| Durchschnitt der Klasse Handheld / UMPC | |
| GPD Win 4 | |
| One Netbook XPlayer 2 | |
| AIDA64 / FP32 Ray-Trace | |
| Ayaneo Kun | |
| Ayaneo Kun | |
| Asus ROG Ally Z1 Extreme | |
| ONEXPLAYER 2 Pro AR18 | |
| ONEXPLAYER 2 Pro AR18 | |
| Durchschnittliche AMD Ryzen 7 7840U (17924 - 25901, n=11) | |
| Lenovo Legion Go | |
| Durchschnitt der Klasse Handheld / UMPC (6544 - 26450, n=13, der letzten 2 Jahre) | |
| GPD Win 4 | |
| One Netbook XPlayer 2 | |
| AIDA64 / FPU Julia | |
| Ayaneo Kun | |
| Ayaneo Kun | |
| Asus ROG Ally Z1 Extreme | |
| ONEXPLAYER 2 Pro AR18 | |
| ONEXPLAYER 2 Pro AR18 | |
| Durchschnittliche AMD Ryzen 7 7840U (78360 - 109745, n=11) | |
| Lenovo Legion Go | |
| Durchschnitt der Klasse Handheld / UMPC (36464 - 103637, n=13, der letzten 2 Jahre) | |
| GPD Win 4 | |
| One Netbook XPlayer 2 | |
| AIDA64 / CPU SHA3 | |
| Ayaneo Kun | |
| Ayaneo Kun | |
| Asus ROG Ally Z1 Extreme | |
| ONEXPLAYER 2 Pro AR18 | |
| ONEXPLAYER 2 Pro AR18 | |
| Durchschnittliche AMD Ryzen 7 7840U (3519 - 4847, n=11) | |
| Lenovo Legion Go | |
| Durchschnitt der Klasse Handheld / UMPC (1157 - 4484, n=13, der letzten 2 Jahre) | |
| GPD Win 4 | |
| One Netbook XPlayer 2 | |
| AIDA64 / CPU Queen | |
| Ayaneo Kun | |
| Ayaneo Kun | |
| Asus ROG Ally Z1 Extreme | |
| ONEXPLAYER 2 Pro AR18 | |
| Durchschnittliche AMD Ryzen 7 7840U (83206 - 114294, n=10) | |
| Lenovo Legion Go | |
| GPD Win 4 | |
| Durchschnitt der Klasse Handheld / UMPC (41744 - 107867, n=13, der letzten 2 Jahre) | |
| One Netbook XPlayer 2 | |
| AIDA64 / FPU SinJulia | |
| Ayaneo Kun | |
| Ayaneo Kun | |
| Asus ROG Ally Z1 Extreme | |
| ONEXPLAYER 2 Pro AR18 | |
| ONEXPLAYER 2 Pro AR18 | |
| Durchschnittliche AMD Ryzen 7 7840U (11969 - 14822, n=11) | |
| Lenovo Legion Go | |
| GPD Win 4 | |
| Durchschnitt der Klasse Handheld / UMPC (4425 - 16980, n=13, der letzten 2 Jahre) | |
| One Netbook XPlayer 2 | |
| AIDA64 / FPU Mandel | |
| Ayaneo Kun | |
| Ayaneo Kun | |
| Asus ROG Ally Z1 Extreme | |
| ONEXPLAYER 2 Pro AR18 | |
| ONEXPLAYER 2 Pro AR18 | |
| Durchschnittliche AMD Ryzen 7 7840U (40720 - 58482, n=11) | |
| Lenovo Legion Go | |
| GPD Win 4 | |
| Durchschnitt der Klasse Handheld / UMPC (19153 - 55457, n=13, der letzten 2 Jahre) | |
| One Netbook XPlayer 2 | |
| AIDA64 / CPU AES | |
| Ayaneo Kun | |
| Ayaneo Kun | |
| ONEXPLAYER 2 Pro AR18 | |
| ONEXPLAYER 2 Pro AR18 | |
| GPD Win 4 | |
| Durchschnittliche AMD Ryzen 7 7840U (53018 - 166333, n=11) | |
| One Netbook XPlayer 2 | |
| Asus ROG Ally Z1 Extreme | |
| Durchschnitt der Klasse Handheld / UMPC (18552 - 119040, n=12, der letzten 2 Jahre) | |
| Lenovo Legion Go | |
| AIDA64 / CPU ZLib | |
| Ayaneo Kun | |
| Ayaneo Kun | |
| Asus ROG Ally Z1 Extreme | |
| ONEXPLAYER 2 Pro AR18 | |
| ONEXPLAYER 2 Pro AR18 | |
| Durchschnittliche AMD Ryzen 7 7840U (801 - 1047, n=11) | |
| Durchschnitt der Klasse Handheld / UMPC (356 - 1112, n=13, der letzten 2 Jahre) | |
| Lenovo Legion Go | |
| GPD Win 4 | |
| One Netbook XPlayer 2 | |
| AIDA64 / FP64 Ray-Trace | |
| Ayaneo Kun | |
| Ayaneo Kun | |
| Asus ROG Ally Z1 Extreme | |
| ONEXPLAYER 2 Pro AR18 | |
| ONEXPLAYER 2 Pro AR18 | |
| Durchschnittliche AMD Ryzen 7 7840U (9347 - 13846, n=11) | |
| Lenovo Legion Go | |
| Durchschnitt der Klasse Handheld / UMPC (3585 - 14181, n=13, der letzten 2 Jahre) | |
| GPD Win 4 | |
| One Netbook XPlayer 2 | |
| AIDA64 / CPU PhotoWorxx | |
| Durchschnitt der Klasse Handheld / UMPC (19472 - 54726, n=13, der letzten 2 Jahre) | |
| Asus ROG Ally Z1 Extreme | |
| Lenovo Legion Go | |
| Durchschnittliche AMD Ryzen 7 7840U (26206 - 38173, n=11) | |
| Ayaneo Kun | |
| Ayaneo Kun | |
| GPD Win 4 | |
| ONEXPLAYER 2 Pro AR18 | |
| ONEXPLAYER 2 Pro AR18 | |
| One Netbook XPlayer 2 | |
System Performance
Auch in den Benchmarks der Systemleistung zeigt sich der langsame Arbeitsspeicher. Einen ähnlichen Effekt haben wir erst kürzlich im Test vom Ayaneo Kun beleuchtet. Obwohl in diesem Gaming-Handheld der stärkste Ryzen 7 7840U in unserer Datenbank arbeitet, hat der vergleichsweise langsame Arbeitsspeicher die Benchmarks der Systemleistung auch dort etwas gedrückt.
Der OneXPlayer 2 Pro zeigt im Alltag eine gute Leistung, die zum Browsen, Streamen, für Office-Anwendungen und vieles Weitere geeignet ist. Die Kernaufgabe des Gaming-Handhelds dürfte meist beim Zocken liegen, und auch hier muss man keine Abstriche machen.
CrossMark: Overall | Productivity | Creativity | Responsiveness
WebXPRT 3: Overall
Mozilla Kraken 1.1: Total
| PCMark 10 / Score | |
| Asus ROG Ally Z1 Extreme | |
| Durchschnitt der Klasse Handheld / UMPC (3592 - 8082, n=13, der letzten 2 Jahre) | |
| Durchschnittliche AMD Ryzen 7 7840U, AMD Radeon 780M (5866 - 7157, n=10) | |
| Lenovo Legion Go | |
| GPD Win 4 | |
| Ayaneo Kun | |
| ONEXPLAYER 2 Pro AR18 | |
| One Netbook XPlayer 2 | |
| PCMark 10 / Essentials | |
| Asus ROG Ally Z1 Extreme | |
| GPD Win 4 | |
| Lenovo Legion Go | |
| Durchschnitt der Klasse Handheld / UMPC (7542 - 11262, n=13, der letzten 2 Jahre) | |
| Durchschnittliche AMD Ryzen 7 7840U, AMD Radeon 780M (9068 - 11081, n=10) | |
| Ayaneo Kun | |
| ONEXPLAYER 2 Pro AR18 | |
| One Netbook XPlayer 2 | |
| PCMark 10 / Productivity | |
| Asus ROG Ally Z1 Extreme | |
| Durchschnitt der Klasse Handheld / UMPC (5015 - 14802, n=13, der letzten 2 Jahre) | |
| GPD Win 4 | |
| Durchschnittliche AMD Ryzen 7 7840U, AMD Radeon 780M (7323 - 10099, n=10) | |
| Lenovo Legion Go | |
| Ayaneo Kun | |
| ONEXPLAYER 2 Pro AR18 | |
| One Netbook XPlayer 2 | |
| PCMark 10 / Digital Content Creation | |
| Ayaneo Kun | |
| Asus ROG Ally Z1 Extreme | |
| Durchschnitt der Klasse Handheld / UMPC (3326 - 10026, n=13, der letzten 2 Jahre) | |
| ONEXPLAYER 2 Pro AR18 | |
| Durchschnittliche AMD Ryzen 7 7840U, AMD Radeon 780M (7204 - 8987, n=10) | |
| Lenovo Legion Go | |
| GPD Win 4 | |
| One Netbook XPlayer 2 | |
| CrossMark / Overall | |
| Asus ROG Ally Z1 Extreme | |
| GPD Win 4 | |
| Durchschnitt der Klasse Handheld / UMPC (865 - 1847, n=12, der letzten 2 Jahre) | |
| Durchschnittliche AMD Ryzen 7 7840U, AMD Radeon 780M (1256 - 1804, n=10) | |
| Ayaneo Kun | |
| ONEXPLAYER 2 Pro AR18 | |
| One Netbook XPlayer 2 | |
| CrossMark / Productivity | |
| Asus ROG Ally Z1 Extreme | |
| GPD Win 4 | |
| Durchschnittliche AMD Ryzen 7 7840U, AMD Radeon 780M (1261 - 1798, n=10) | |
| Durchschnitt der Klasse Handheld / UMPC (878 - 1719, n=12, der letzten 2 Jahre) | |
| Ayaneo Kun | |
| ONEXPLAYER 2 Pro AR18 | |
| One Netbook XPlayer 2 | |
| CrossMark / Creativity | |
| Asus ROG Ally Z1 Extreme | |
| Durchschnitt der Klasse Handheld / UMPC (891 - 2077, n=12, der letzten 2 Jahre) | |
| GPD Win 4 | |
| Durchschnittliche AMD Ryzen 7 7840U, AMD Radeon 780M (1251 - 1835, n=10) | |
| ONEXPLAYER 2 Pro AR18 | |
| Ayaneo Kun | |
| One Netbook XPlayer 2 | |
| CrossMark / Responsiveness | |
| Ayaneo Kun | |
| GPD Win 4 | |
| Asus ROG Ally Z1 Extreme | |
| Durchschnittliche AMD Ryzen 7 7840U, AMD Radeon 780M (1082 - 1775, n=10) | |
| Durchschnitt der Klasse Handheld / UMPC (759 - 1610, n=12, der letzten 2 Jahre) | |
| ONEXPLAYER 2 Pro AR18 | |
| One Netbook XPlayer 2 | |
| WebXPRT 3 / Overall | |
| Asus ROG Ally Z1 Extreme | |
| Lenovo Legion Go | |
| GPD Win 4 | |
| Durchschnitt der Klasse Handheld / UMPC (170.3 - 325, n=14, der letzten 2 Jahre) | |
| Durchschnittliche AMD Ryzen 7 7840U, AMD Radeon 780M (188.4 - 322, n=11) | |
| ONEXPLAYER 2 Pro AR18 | |
| Ayaneo Kun | |
| Ayaneo Kun | |
| One Netbook XPlayer 2 | |
| Mozilla Kraken 1.1 / Total | |
| One Netbook XPlayer 2 | |
| Ayaneo Kun | |
| Ayaneo Kun | |
| Durchschnitt der Klasse Handheld / UMPC (428 - 931, n=13, der letzten 2 Jahre) | |
| GPD Win 4 | |
| Durchschnittliche AMD Ryzen 7 7840U, AMD Radeon 780M (509 - 746, n=11) | |
| Lenovo Legion Go | |
| ONEXPLAYER 2 Pro AR18 | |
* ... kleinere Werte sind besser
| PCMark 10 Score | 5900 Punkte | |
Hilfe | ||
| AIDA64 / Memory Copy | |
| Asus ROG Ally Z1 Extreme | |
| Durchschnitt der Klasse Handheld / UMPC (33517 - 107929, n=13, der letzten 2 Jahre) | |
| Lenovo Legion Go | |
| Durchschnittliche AMD Ryzen 7 7840U (43255 - 70532, n=12) | |
| GPD Win 4 | |
| One Netbook XPlayer 2 | |
| Ayaneo Kun | |
| Ayaneo Kun | |
| ONEXPLAYER 2 Pro AR18 | |
| ONEXPLAYER 2 Pro AR18 | |
| AIDA64 / Memory Read | |
| Durchschnitt der Klasse Handheld / UMPC (25476 - 103022, n=13, der letzten 2 Jahre) | |
| Lenovo Legion Go | |
| Asus ROG Ally Z1 Extreme | |
| Durchschnittliche AMD Ryzen 7 7840U (37399 - 61602, n=11) | |
| Ayaneo Kun | |
| GPD Win 4 | |
| One Netbook XPlayer 2 | |
| ONEXPLAYER 2 Pro AR18 | |
| ONEXPLAYER 2 Pro AR18 | |
| AIDA64 / Memory Write | |
| Lenovo Legion Go | |
| Asus ROG Ally Z1 Extreme | |
| Durchschnitt der Klasse Handheld / UMPC (25595 - 117883, n=13, der letzten 2 Jahre) | |
| Durchschnittliche AMD Ryzen 7 7840U (46797 - 92289, n=13) | |
| GPD Win 4 | |
| One Netbook XPlayer 2 | |
| Ayaneo Kun | |
| Ayaneo Kun | |
| Ayaneo Kun | |
| ONEXPLAYER 2 Pro AR18 | |
| ONEXPLAYER 2 Pro AR18 | |
| AIDA64 / Memory Latency | |
| Ayaneo Kun | |
| Ayaneo Kun | |
| ONEXPLAYER 2 Pro AR18 | |
| ONEXPLAYER 2 Pro AR18 | |
| One Netbook XPlayer 2 | |
| Durchschnittliche AMD Ryzen 7 7840U (90 - 137.2, n=12) | |
| Lenovo Legion Go | |
| Durchschnitt der Klasse Handheld / UMPC (99.8 - 147.6, n=13, der letzten 2 Jahre) | |
| Asus ROG Ally Z1 Extreme | |
| GPD Win 4 | |
* ... kleinere Werte sind besser
DPC-Latenzen
| DPC Latencies / LatencyMon - interrupt to process latency (max), Web, Youtube, Prime95 | |
| ONEXPLAYER 2 Pro AR18 | |
* ... kleinere Werte sind besser
Massenspeicher
Die SSD im OneXPlayer stellt sich als die potenziell schnellste im Vergleich heraus. Ihre hohe Leistung hält die SSD zudem auch langfristig. Leider können wir nicht bestimmen, welches Speichermodul hier verbaut ist. Im Gerätemanager wird die SSD einfach als NVMe SSD mit Phison Controller registriert. Dadurch, dass wir den OneXPlayer 2 Pro nicht weiter aufschrauben konnten, können wir auch keine Labels zurate ziehen.
| Drive Performance Rating - Percent | |
| ONEXPLAYER 2 Pro AR18 | |
| Lenovo Legion Go | |
| Durchschnitt der Klasse Handheld / UMPC | |
| GPD Win 4 | |
| Global Average -3 | |
| One Netbook XPlayer 2 | |
| Asus ROG Ally Z1 Extreme | |
| Ayaneo Kun | |
Dauerleistung Lesen: DiskSpd Read Loop, Queue Depth 8
Grafikkarte
Unter den iGPUs kann höchstens die Intel Arc iGPU der Radeon 780M im OneXPlayer 2 Pro das Wasser reichen. Beide iGPUs können auch die Leistungen von Nvidias Einsteiger-Grafik-Chips überbieten. Die GTX 1650 und die RTX 2050 sind je nach TDP so zum Teil langsamer als die modernen iGPUs. Somit wird deutlich, dass man zum Zocken nicht mehr unbedingt eine teure dedizierte GPU benötigt. Dies wirkt sich nicht nur auf den Anschaffungspreis aus, sondern auch auf den Energieverbrauch der Geräte.
Der OneXPlayer 2 Pro ist dabei nicht ganz so stark, wie das kürzlich getestete Ayaneo Kun, kann aber zumindest beim Lenovo Legion Go mithalten. Die Leistung der iGPU liegt damit exakt im erwartbaren Bereich, denn auch das Legion Go befeuert seinen Z1 Extreme mit 30 Watt. Beide Chips von AMD enthalten die gleiche GPU.
| 3DMark 11 Performance | 11820 Punkte | |
| 3DMark Ice Storm Standard Score | 187361 Punkte | |
| 3DMark Cloud Gate Standard Score | 34281 Punkte | |
| 3DMark Fire Strike Score | 7401 Punkte | |
| 3DMark Time Spy Score | 3183 Punkte | |
| 3DMark Steel Nomad Score | 494 Punkte | |
| 3DMark Steel Nomad Light Score | 2728 Punkte | |
Hilfe | ||
Gaming
So liegen hier auch die Bildraten in den getesteten Spielen im erwartbaren guten Bereich. Wie bei den anderen zuletzt getesteten Handhelds zeigt auch der OneXPlayer 2 Pro eine angemessene Leistung, wenn es um das Thema Gaming geht. Full-HD-Auflösung und hohe Qualitätseinstellungen bewältigt das Handheld in den meisten Games problemlos. Wer die volle Bildschirmauflösung nutzen will, muss wohl eher auf Upscaling mittels AMD FSR setzen.
| Performance Rating - Percent | |
| Lenovo Legion Go | |
| Durchschnitt der Klasse Handheld / UMPC | |
| Asus ROG Ally Z1 Extreme | |
| Ayaneo Kun | |
| ONEXPLAYER 2 Pro AR18 | |
| GPD Win 4 | |
| One Netbook XPlayer 2 | |
| The Witcher 3 - 1920x1080 Ultra Graphics & Postprocessing (HBAO+) | |
| Ayaneo Kun | |
| ONEXPLAYER 2 Pro AR18 | |
| Lenovo Legion Go | |
| Asus ROG Ally Z1 Extreme | |
| Durchschnitt der Klasse Handheld / UMPC (17.5 - 31.1, n=6, der letzten 2 Jahre) | |
| One Netbook XPlayer 2 | |
| GPD Win 4 | |
| GTA V - 1920x1080 Highest AA:4xMSAA + FX AF:16x | |
| Ayaneo Kun | |
| Ayaneo Kun | |
| Durchschnitt der Klasse Handheld / UMPC (14 - 32.8, n=13, der letzten 2 Jahre) | |
| Asus ROG Ally Z1 Extreme | |
| ONEXPLAYER 2 Pro AR18 | |
| Lenovo Legion Go | |
| GPD Win 4 | |
| One Netbook XPlayer 2 | |
| Final Fantasy XV Benchmark - 1920x1080 High Quality | |
| Ayaneo Kun | |
| ONEXPLAYER 2 Pro AR18 | |
| Durchschnitt der Klasse Handheld / UMPC (17.9 - 34.8, n=19, der letzten 2 Jahre) | |
| Asus ROG Ally Z1 Extreme | |
| Lenovo Legion Go | |
| GPD Win 4 | |
| One Netbook XPlayer 2 | |
| Strange Brigade - 1920x1080 ultra AA:ultra AF:16 | |
| Ayaneo Kun | |
| ONEXPLAYER 2 Pro AR18 | |
| Durchschnitt der Klasse Handheld / UMPC (32.8 - 58.8, n=20, der letzten 2 Jahre) | |
| Asus ROG Ally Z1 Extreme | |
| Lenovo Legion Go | |
| GPD Win 4 | |
| One Netbook XPlayer 2 | |
| Dota 2 Reborn - 1920x1080 ultra (3/3) best looking | |
| Lenovo Legion Go | |
| Asus ROG Ally Z1 Extreme | |
| Durchschnitt der Klasse Handheld / UMPC (30.8 - 85, n=19, der letzten 2 Jahre) | |
| GPD Win 4 | |
| One Netbook XPlayer 2 | |
| ONEXPLAYER 2 Pro AR18 | |
| Ayaneo Kun | |
| Ayaneo Kun | |
| X-Plane 11.11 - 1920x1080 high (fps_test=3) | |
| Durchschnitt der Klasse Handheld / UMPC (22.7 - 50.5, n=19, der letzten 2 Jahre) | |
| Lenovo Legion Go | |
| GPD Win 4 | |
| One Netbook XPlayer 2 | |
| Asus ROG Ally Z1 Extreme | |
| ONEXPLAYER 2 Pro AR18 | |
| Ayaneo Kun | |
| Ayaneo Kun | |
| Hogwarts Legacy | |
| 1920x1080 Medium Preset AA:High T | |
| Ayaneo Kun | |
| ONEXPLAYER 2 Pro AR18 | |
| Durchschnittliche AMD Radeon 780M (21.9 - 37.6, n=5) | |
| Ayaneo Air 1S Retro Power | |
| Asus ROG Ally Z1 Extreme | |
| 1920x1080 High Preset AA:High T | |
| Ayaneo Kun | |
| ONEXPLAYER 2 Pro AR18 | |
| Durchschnittliche AMD Radeon 780M (17.7 - 28, n=5) | |
| Asus ROG Ally Z1 Extreme | |
| Ayaneo Air 1S Retro Power | |
| 1920x1080 Ultra Preset AA:High T | |
| Ayaneo Kun | |
| ONEXPLAYER 2 Pro AR18 | |
| Durchschnittliche AMD Radeon 780M (13.7 - 22.4, n=5) | |
| Ayaneo Air 1S Retro Power | |
| Asus ROG Ally Z1 Extreme | |
| Horizon Zero Dawn | |
| 1920x1080 Favor Quality | |
| Ayaneo Kun | |
| ONEXPLAYER 2 Pro AR18 | |
| Durchschnittliche AMD Radeon 780M (36 - 44, n=4) | |
| Asus ROG Ally Z1 Extreme | |
| Lenovo Legion Go | |
| 1920x1080 Ultimate Quality | |
| Ayaneo Kun | |
| ONEXPLAYER 2 Pro AR18 | |
| Durchschnittliche AMD Radeon 780M (31 - 38, n=3) | |
| Lenovo Legion Go | |
| 2560x1440 Ultimate Quality | |
| Ayaneo Kun | |
| ONEXPLAYER 2 Pro AR18 | |
| Durchschnittliche AMD Radeon 780M (22 - 24, n=3) | |
| Lenovo Legion Go | |
| Ghostwire Tokyo | |
| 1920x1080 High Settings | |
| Ayaneo Kun | |
| Durchschnitt der Klasse Handheld / UMPC (n=1der letzten 2 Jahre) | |
| Durchschnittliche AMD Radeon 780M (31.3 - 45.5, n=3) | |
| ONEXPLAYER 2 Pro AR18 | |
| 1920x1080 Highest Settings | |
| Ayaneo Kun | |
| ONEXPLAYER 2 Pro AR18 | |
| Durchschnittliche AMD Radeon 780M (30.4 - 45, n=3) | |
| 2560x1440 Highest Settings | |
| Ayaneo Kun | |
| Durchschnittliche AMD Radeon 780M (22.2 - 26.3, n=2) | |
| ONEXPLAYER 2 Pro AR18 | |
Witcher 3 FPS-Diagramm
| min. | mittel | hoch | max. | QHD | 4K | |
|---|---|---|---|---|---|---|
| GTA V (2015) | 150.7 | 130.6 | 61.7 | 25.3 | ||
| The Witcher 3 (2015) | 29.5 | |||||
| Dota 2 Reborn (2015) | 114.4 | 95 | 65.4 | 60.4 | ||
| War Thunder (2016) | 165 | 98 | 74.2 | 15.8 | ||
| Final Fantasy XV Benchmark (2018) | 37.8 | 28.3 | 20.9 | |||
| Kingdom Come: Deliverance (2018) | 82.4 | 48.8 | 29.5 | 18.6 | ||
| X-Plane 11.11 (2018) | 48.9 | 31 | 27.6 | |||
| Far Cry 5 (2018) | 65 | 48 | 44 | 42 | ||
| Strange Brigade (2018) | 159.7 | 65.2 | 55.8 | 48.6 | ||
| Shadow of the Tomb Raider (2018) | 42 | 41 | 35 | |||
| Red Dead Redemption 2 (2019) | 72.8 | 33.9 | 26.2 | 16.7 | ||
| Doom Eternal (2020) | 135 | 68.1 | 60.4 | 57.2 | 42 | |
| Valorant (2020) | 135.4 | 115.8 | 103.3 | 78.6 | 43.1 | |
| Horizon Zero Dawn (2020) | 48 | 42 | 37 | 23 | ||
| Star Wars Squadrons (2020) | 167.8 | 68.5 | 57 | 52.2 | 33.9 | |
| Elden Ring (2022) | 44.8 | 40.2 | 35 | 25 | ||
| Ghostwire Tokyo (2022) | 43.2 | 38.2 | 41.2 | 22.2 | ||
| Hogwarts Legacy (2023) | 36 | 26.3 | 21.1 | 14.9 | ||
| F1 23 (2023) | 90.8 | 80.6 | 56.5 | 13 | ||
| Ratchet & Clank Rift Apart (2023) | 25 | 20.6 | 20.2 | |||
| Cyberpunk 2077 (2023) | 41.9 | 31.8 | 22.1 | |||
| Marvel Rivals (2024) | 29 | 24 | 22 | 13 | ||
| Battlefield 6 (2025) | 35 | 29.4 | 24 | 19.5 | ||
| Resident Evil Requiem (2026) | 39.3 | |||||
| Death Stranding 2 (2026) | 25.9 | 22.2 | ||||
| Crimson Desert (2026) | 29.9 | 18.4 |
Emissionen & Energie
Geräuschemissionen
Da das Lenovo Legion Go und der OneXPlayer 2 Pro bei der maximalen TDP gleich konfiguriert sind, ist es wohl auch fair beide Geräte in den direkten Vergleich zu stellen. Dabei stellen wir fest, dass die beiden Gaming-Handhelds sich nicht nur durch ihre abnehmbaren Controller ähneln. Auch in Sachen Lautstärke sind die Geräte ziemlich gleichauf, wobei das Legion Go und voller Last aber einen Tick leiser ist. Im alltäglichen Einsatz dürfte der Unterschied von 2 bis 3 dB(A) kaum auffallen.
Lautstärkediagramm
| Idle |
| 24.4 / 24.4 / 30.6 dB(A) |
| Last |
| 36 / 39.3 dB(A) |
![]() | ||
30 dB leise 40 dB(A) deutlich hörbar 50 dB(A) störend |
||
min: | ||
| ONEXPLAYER 2 Pro AR18 Radeon 780M, R7 7840U | Ayaneo Kun Radeon 780M, R7 7840U, Phison M.2 2280 E18 4000GB | Lenovo Legion Go Radeon 780M, Z1 Extreme, WD PC SN740 512GB SDDPMQD-512G-1101 | Asus ROG Ally Z1 Extreme Radeon 780M, Z1 Extreme, Micron 2400 MTFDKBK512QFM | One Netbook XPlayer 2 Radeon 680M, R7 6800U | GPD Win 4 Radeon 680M, R7 6800U, BiWin CE480Y2D100-1TB | |
|---|---|---|---|---|---|---|
| Geräuschentwicklung | -9% | 7% | 3% | -9% | -19% | |
| aus / Umgebung * (dB) | 24.4 | 23 6% | 23.3 5% | 26.1 -7% | 24 2% | |
| Idle min * (dB) | 24.4 | 25.31 -4% | 23 6% | 23.3 5% | 26.1 -7% | 31.2 -28% |
| Idle avg * (dB) | 24.4 | 25.31 -4% | 23 6% | 23.3 5% | 31.6 -30% | 31.2 -28% |
| Idle max * (dB) | 30.6 | 34.5 -13% | 25 18% | 27.3 11% | 31.6 -3% | 33.5 -9% |
| Last avg * (dB) | 36 | 34.9 3% | 37 -3% | 39.2 -9% | 35.7 1% | 45.5 -26% |
| Last max * (dB) | 39.3 | 50.78 -29% | 37 6% | 39.2 -0% | 43.3 -10% | 49 -25% |
| Witcher 3 ultra * (dB) | 46 | 39.2 | 43.3 | 48.6 |
* ... kleinere Werte sind besser
Temperatur
Wie beim Legion Go zeigt sich auch beim OneXPlayer 2 Pro ein deutlicher Vorteil in den abnehmbaren Controllern. Diese bleiben so im Test meist auf Raumtemperatur. Von selbst erhitzen sie sich jedenfalls nicht. Die Oberflächentemperaturen des kompletten Handhelds bleiben auch im Stresstest deutlich in einem erträglichen Bereich. Messen an den zuvor im Wärmebild ermittelten Hotspots 47 °C.
Lautsprecher
Die Lautsprecher des Handhelds wurden nach Angaben von OneNetbook mittels Harman AudioEFX abgestimmt. Unter den bisher getesteten Gaming-Handhelds hat der OneXPlayer 2 Pro tatsächlich den besten Sound. Die Lautsprecher sind kraftvoll und geben einen angemessenen Bass ab.
ONEXPLAYER 2 Pro AR18 Audio Analyse
(+) | Die Lautsprecher können relativ laut spielen (85.8 dB)
Bass 100 - 315 Hz
(±) | abgesenkter Bass - 13.7% geringer als der Median
(±) | durchschnittlich lineare Bass-Wiedergabe (8.7% Delta zum Vorgänger)
Mitteltöne 400 - 2000 Hz
(±) | zu hohe Mitten, vom Median 7.1% abweichend
(+) | lineare Mitten (4.9% Delta zum Vorgänger)
Hochtöne 2 - 16 kHz
(+) | ausgeglichene Hochtöne, vom Median nur 4.6% abweichend
(+) | sehr lineare Hochtöne (6.6% Delta zum Vorgänger)
Gesamt im hörbaren Bereich 100 - 16.000 Hz
(+) | hörbarer Bereich ist sehr linear (14.4% Abstand zum Median
Im Vergleich zu allen Geräten derselben Klasse
» 22% aller getesteten Geräte dieser Klasse waren besser, 9% vergleichbar, 70% schlechter
» Das beste Gerät hat einen Delta-Wert von 12%, durchschnittlich ist 17%, das schlechteste Gerät hat 23%
Im Vergleich zu allen Geräten im Test
» 18% aller getesteten Geräte waren besser, 4% vergleichbar, 78% schlechter
» Das beste Gerät hat einen Delta-Wert von 4%, durchschnittlich ist 24%, das schlechteste Gerät hat 134%
Lenovo Legion Go Audio Analyse
(±) | Mittelmäßig laut spielende Lautsprecher (73.1 dB)
Bass 100 - 315 Hz
(-) | kaum Bass - 16.4% niedriger als der Median
(±) | durchschnittlich lineare Bass-Wiedergabe (8.1% Delta zum Vorgänger)
Mitteltöne 400 - 2000 Hz
(±) | zu hohe Mitten, vom Median 5.2% abweichend
(+) | lineare Mitten (6% Delta zum Vorgänger)
Hochtöne 2 - 16 kHz
(±) | zu hohe Hochtöne, vom Median nur 5.7% abweichend
(±) | durchschnittlich lineare Hochtöne (9.7% Delta zum Vorgänger)
Gesamt im hörbaren Bereich 100 - 16.000 Hz
(±) | hörbarer Bereich ist durchschnittlich linear (22.7% Abstand zum Median)
Im Vergleich zu allen Geräten derselben Klasse
» 91% aller getesteten Geräte dieser Klasse waren besser, 4% vergleichbar, 4% schlechter
» Das beste Gerät hat einen Delta-Wert von 12%, durchschnittlich ist 17%, das schlechteste Gerät hat 23%
Im Vergleich zu allen Geräten im Test
» 67% aller getesteten Geräte waren besser, 6% vergleichbar, 28% schlechter
» Das beste Gerät hat einen Delta-Wert von 4%, durchschnittlich ist 24%, das schlechteste Gerät hat 134%
Energieaufnahme
Um 55 Watt liegt die Energieaufnahme des Handhelds in unserem Stresstest. Im Leerlauf sind es nur 7 bis 12 Watt. Das mitgelieferte 100-watt-USB-C-Netzteil ist damit kaum ausgelastet. Erst wenn der Akku des OneXPlayer 2 Pro geladen wird, erscheint das Netzteil sinnvoll. Dieser wird mit bis zu 30 Watt geladen. DBeim Laden steigt die Energieaufnahme des Testgeräts auf bis zu 87 Watt.
| Aus / Standby | |
| Idle | |
| Last |
|
Legende:
min: | |
Energieaufnahme Witcher 3 / Stresstest
Energieaufnahme mit externem Monitor
Akkulaufzeit
65 Wattstunden fasst der Akku des OneXPlayer 2 Pro. Damit ist die Kapazität des Akkus nur 10 Wattstunden kleiner als die des Akkus im Ayaneo Kun. Trotzdem sind die Akkulaufzeiten beider Geräte in den Tests auf den ersten Blick nahezu identisch. Der OneXPlayer bedient sich dazu aber eines Tricks. Während das Kun im Test seine Leistung durchgängig hält, beschränkt der OneXPlayer 2 Pro seine Leistung stark unter einer Restladung von etwa 20 %. Im Akkutest mit Witcher 3 schafft das Gaming Handheld so 1:41 h Akkulaufzeit. Der Punkt, an dem die Leistung begrenzt wird, erreicht das Testgerät allerdings schon nach 1:12 h. Bei der Entladerate von 44 Watt bricht die Akkuspannung zu diesem Zeitpunkt nahezu auf die Entladeschlussspannung ein. Das Handheld hätte höchstens noch einige Minuten im Akkubetrieb unter der hohen Last ausgehalten. Spielbare Bildraten werden ab diesem Zeitpunkt nicht mehr erreicht. Daher haben wir uns entschieden hier 1:12 als Akkulaufzeit für das Spielen von Witcher 3 anzugeben.
Auch im Wi-Fi-Websurfing Test wird die Leistung des Handhelds ab einer bestimmten Restladung begrenzt. Allerdings fällt der Leistungsunterschied beim Surfen nicht wirklich auf, aber das Gerät ist letztlich energiesparender und hält somit länger durch, als das Ayaneo Kun.
| ONEXPLAYER 2 Pro AR18 R7 7840U, Radeon 780M, 65 Wh | Ayaneo Kun R7 7840U, Radeon 780M, 75 Wh | Lenovo Legion Go Z1 Extreme, Radeon 780M, 49.2 Wh | Asus ROG Ally Z1 Extreme Z1 Extreme, Radeon 780M, 40 Wh | One Netbook XPlayer 2 R7 6800U, Radeon 680M, 65.5 Wh | GPD Win 4 R7 6800U, Radeon 680M, 46 Wh | Durchschnitt der Klasse Handheld / UMPC | |
|---|---|---|---|---|---|---|---|
| Akkulaufzeit | 18% | -44% | -23% | 15% | -31% | 8% | |
| WLAN (h) | 10.8 | 10 -7% | 6 -44% | 7.8 -28% | 10.5 -3% | 7.5 -31% | 11.7 ? 8% |
| Witcher 3 ultra (h) | 1.2 | 1.7 42% | 1 -17% | 1.6 33% | |||
| Spielen (h) | 2 | 1.6 | 1.683 ? | ||||
| Last (h) | 0.8 | 1.3 | 1.594 ? | ||||
| H.264 (h) | 9.5 | 19.6 ? | |||||
| Idle (h) | 9.7 | 14.4 ? |
Pro
Contra
Fazit
Der OneXPlayer 2 Pro ist ein extremst vielseitiges Gerät. Als Gaming-Handheld kann es locker mit der starken Konkurrenz mithalten. Im Hinblick auf die Akkulaufzeit, den Sound und die Anschlussvielfalt, stellt sich der OneXPlayer 2 Pro im Test besser dar als das Lenovo Legion Go. Allerdings ist der nicht wirklich helle Bildschirm am OneXPlayer 2 Pro ein kleiner Dealbreaker. Aber das Gerät hat Vorzüge, die in unseren Augen kein anderes Handheld bietet. Als Erstes möchten wir hier die Tastatur betonen, mit der es sich deutlich besser arbeiten lässt, als zunächst angenommen. Der zusätzlich erhältliche Eingabestift erweitert zudem die Produktivität des kleinen Geräts deutlich. Somit wird der OneXPlayer 2 Pro zu einem äußerst kompakten Laptop, Windows-Tablet oder Detachable. Wir finden, das Konzept vom OneXPlayer 2 Pro geht so gut auf. Leistungsmäßig ist er in etwa gleichauf mit dem Legion Go
Das Konzept des OneXPlayer 2 Pro geht auf. Ob als großes Gaming-Handheld oder Mini-Laptop ist das Gerät brauchbar. Das Gerät bietet, dank starker Hardware und brauchbarem Zubehöhr, umfangreiche Einsatzmöglichkeiten, die auch abseits vom Gaming liegen.
Wie auch beim Lenovo Legion Go wirkt die Tableteinheit des OneXPlayers recht wuchtig. Die abnehmbaren Controller erscheinen aufgrund der fehlenden eigenständigen Verbindung zum Tablet zudem weniger nützlich. Aber der Controller Connector funktioniert nicht nur mit dem OneXPlayer, sondern auch an jedem anderen PC. So kann man hier die gewohnte Haptik an mehreren Geräten nutzen. Auch die Game Zone ist als Anwendung zur Leistungssteuerung zwar ausreichend, aber freie Software wie das Handheld-Control-Panel bietet hier wesentlich mehr. Deutliche Negativpunkte sehen wir somit nicht am OneXPlayer 2 Pro, solange man ihn mit dem entsprechenden Zubehör erwirbt. In etlichen Online-Shops, wie auch beim Hersteller direkt lässt sich das Gerät mit einer Schutztasche, der magnetischen Tastatur und dem Controller Connector im Bündel erwerben. Der Aufpreis dafür liegt im Vergleich zum Gerät ohne das Zubehör bei rund 50 USD.
Letztlich dürfte der Kaufpreis hier das entscheidende Manko am Gerät sein. Für 1.017,00 US Dollar (rund 940 Euro) wird das Handheld mit Zubehör angeboten. Damit liegt es deutlich über dem Straßenpreis des Lenovo Legion Go, welcher derzeit bei rund 800 Euro liegt. Als Mehrwert erhält man dafür beim OneXPlayer 2 Pro eine größere SSD, die doppelte Menge an Arbeitsspeicher und eine Tastatur. Allerdings auch einen etwas kleineren, weniger leuchtstarken Bildschirm mit nur 60 Hz statt 144 Hz und keine RGB-Beleuchtung. Auch den FPS-Modus des Legion Go könnte man Vermissen. Allerdings mussten wir selbst im kürzlich erschienenen Testbericht feststellen, dass dieser auch nicht perfekt ist. Noch teurer, dafür auch wesentlich leistungsstärker ist das Ayaneo Kun, welches es mit bis zu 64 GB DDR5 RAM gibt. In diesem Handheld performt der Ryzen 7 7480U laut unserer Datenbank auf dem höchsten Leistungsniveau.
Preis und Verfügbarkeit
Im OneXPlayer Store werden 1.017 US-Dollar für das vielseitige Gerät in unserer Testausstattung verlangt. In Weiß ist das Gerät jedoch derzeit nicht erhältlich. Mit dem zum Erscheinen des Testberichts aktuellen Wechselkurs ergeben sich so rund 940 Euro zuzüglich eventuell anfallender Einfuhrumsatzsteuer in Höhe von rund 179 Euro. Auf Amazon liegt der derzeitige Kaufpreis bei rund 1.500 Euro.
ONEXPLAYER 2 Pro AR18
- 26.01.2024 v7 (old)
Marc Herter
Transparenz
Die Auswahl der zu testenden Geräte erfolgt innerhalb der Redaktion. Das vorliegende Testmuster wurde dem Autor vom Hersteller oder einem Shop zu Testzwecken leihweise zur Verfügung gestellt. Eine Einflussnahme des Leihstellers auf den Testbericht gab es nicht, der Hersteller erhielt keine Version des Reviews vor der Veröffentlichung. Es bestand keine Verpflichtung zur Publikation. Als eigenständiges, unabhängiges Unternehmen unterliegt Notebookcheck keiner Diktion von Herstellern, Shops und Verlagen.
So testet Notebookcheck
Pro Jahr werden von Notebookcheck hunderte Laptops und Smartphones unabhängig in von uns standardisierten technischen Verfahren getestet, um eine Vergleichbarkeit aller Testergebnisse zu gewährleisten. Seit rund 20 Jahren entwickeln wir diese Testmethoden kontinuierlich weiter und setzen damit Branchenstandards. In unseren Testlaboren kommt ausschließlich hochwertiges Messequipment in die Hände erfahrener Techniker und Redakteure. Die Tests unterliegen einer mehrstufigen Kontrolle. Unsere komplexe Gesamtbewertung basiert auf hunderten fundierten Messergebnissen und Benchmarks, womit Ihnen Objektivität garantiert ist. Weitere Informationen zu unseren Testmethoden gibt es hier.




















































