Lenovo Legion Go Gaming-Handheld im Test: Gut gedacht, nicht ganz perfekt gemacht

Mit dem AMD Z1 Extreme und dem AMD Ryzen 7 7840U kommt ordentlich Wind in die Entwicklung von Gaming-Handhelds. Was Valve mit dem Steam Deck begonnen hat, läuft mittlerweile zu Hochtouren auf. So kommt das Legion Go in einen Markt, der starke Konkurrenz beherbergt. Aber Lenovo bietet interessante Features, womit das Gaming-Handheld aus der breiten Masse hervorsticht. Dank abnehmbarer Controller kann das Legion Go auch als Tablet funktionieren. Ein integrierter Kickstand sorgt dabei für einen sicheren Stand. Der FPS-Modus der beiden Controller-Hälften ist hier aber das wirklich neue Feature. FPS steht dabei für First-Person-Shooter. Damit wird der rechte Controller zur Maus. Auf dem linken Kontroller werden die Tasten einer Windows-Tastatur gespiegelt. Damit kommt beim Zocken Desktop-Feeling auf. Wer sich in manchen Spielen nicht mit der Controller-Steuerung anfreunden mag, kann einfach zu einer Eingabe wie mit Maus und Tastatur umschalten. Mit einem hochauflösendem 144 Hz Bildschirm will das Legion Go zudem begeistern.
Aber nicht alles, was sich der Hersteller vorgenommen hat, funktioniert so, wie erwartet. Viele kleine Schwachstellen könnten dafür sorgen, dass eines der Konkurrenzgeräte letztlich attraktiver erscheint. Zuletzt hatten wir mit dem Ayaneo Air 1S, dem Asus ROG Ally Z1 Extreme und dem OneXPlayer 2 ebenfalls starke Handhelds im Test. Letzteres bietet ebenso wie das Legion Go drahtlose Controller.
Preisvergleich
Mögliche Konkurrenten im Vergleich
Bew. | Datum | Modell | Gewicht | Dicke | Größe | Auflösung | Preis ab |
|---|---|---|---|---|---|---|---|
| 66.3 % | 01 / 2024 | Lenovo Legion Go Z1 Extreme, Radeon 780M | 845 g | 41 mm | 8.80" | 2560x1600 | |
| 88.2 % v7 (old) | 10 / 2023 | Ayaneo Air 1S Retro Power R7 7840U, Radeon 780M | 443.8 g | 21 mm | 5.50" | 1920x1080 | |
| 87.5 % v7 (old) | 05 / 2023 | Asus ROG Ally Z1 Extreme Z1 Extreme, Radeon 780M | 611 g | 21.22 mm | 7.00" | 1920x1080 | |
| 84 % v7 (old) | 07 / 2023 | One Netbook XPlayer 2 R7 6800U, Radeon 680M | 864 g | 23 mm | 8.40" | 2560x1600 | |
v (old) | 05 / 2023 | Asus ROG Zephyrus G14 GA402XY R9 7940HS, Radeon 780M | 14.00" | 2560x1600 | |||
| 80.1 % v7 (old) | 09 / 2023 | Aokzoe A1 R7 6800U, Radeon 680M | 735 g | 21 mm | 8.00" | 1920x1200 |
Gehäuse - Legion Go im schwarzen Kunststoff
Mit seinem 8,8-Zoll-Display (ca. 22 cm) ist das Lenovo Legion Go eines der größten Gaming-Handhelds am Markt. Links und rechts lassen sich die beiden Controller-Hälften abnehmen. Beide liegen einzeln und mit dem verbundenen Tablet gut in der Hand. Das Ganze wiegt jedoch auch entsprechend viel. Mit 855 Gewicht wird das Zocken auf dem Handheld mitunter zum Muskeltraining. Wenn man einen Tisch vor sich hat, kann man glücklicherweise die beiden leichten Controller-Hälften in die Hand nehmen und so deutlich befreiter spielen.
Ein wenig RGB-Beleuchtung bringt Lenovo im Ein-/Aus-Schalter unter, sowie um die Thumbsticks der Controller. Die Beleuchtung kann vom Anwender per Legion Space angepasst werden, sie gibt auch Wunsch auch Aufschluss über den Ladezustand des Geräts oder andere Statusupdates.
Sämtliche Gehäusebauteile bestehen aus schwarzem Kunststoff. Nur der Bildschirm wird von einer Glasscheibe abgedeckt. Sind die beiden Controller richtig angeschossen, wackelt nichts, alles fühlt sich an wie aus einem Guss. Die Tablet-Einheit selbst ist ebenfalls stabil. Mit dem eingebauten Standfuß steht sie auch sicher in verschiedensten Winkeln. Allerdings stellen wir fest, dass der Kickstand nur aus dünnem Kunststoff besteht und sich leicht verbiegen lässt. Man sollte diesen somit unbedingt beim Aufklappen in der Mitte anfassen.
Etwa 855 Gramm wiegt das Legion Go und ist so deutlich schwerer als das Asus ROG Ally oder das kleine Ayaneo Air 1S. Das Tablet selbst wiegt dabei 641 g, der linke Controller 99 g, der rechte wiegt ohne FPS-Ring 115 g, mit 146 g. Im Lieferumfang befindet sich ebenfalls ein Softshell Case. Wird das Handheld darin transportiert, kommen nochmals rund 400 g dazu, sodass man ohne Netzteil rund 1,3 kg mitschleppt.
Klar sollte aber auch sein: Das Legion Go hat den größten Bildschirm im Vergleichsfeld. Auch die abnehmbaren Controller sorgen für ein gewisses Mehrgewicht.
Ausstattung - Zwei mal USB-C in Vollausstattung
Zwei USB-C-Ports mit Vollausstattung und ein schneller microSD-Kartenleser sind Standard für die meisten Gaming-Handhelds und auch hier verbaut. Eine Webcam sucht man am Legion Go aber vergebens. Ob die Positionierung der einzelnen Anschlüsse sinnvoll ist, kann nur die Praxis zeigen. Wir hätten uns jedenfalls gewünscht, dass zumindest der Kartenleser besser geschützt wird. Unter dem Kickstand oder einer extra Abdeckung wären microSD-Karten besser aufgehoben.
SD Card Reader
Übertragungsgeschwindigkeiten von bis zu 280 MB/s bietet unsere AV Pro V60 microSD. Das Legion Go liest unsere Speicherkarte mit bis zu 146 MB/s und steht damit im Vergleich herausragend da.
| SD Card Reader | |
| average JPG Copy Test (av. of 3 runs) | |
| Lenovo Legion Go | |
| Asus ROG Ally Z1 Extreme (Angelbird AV Pro V60) | |
| One Netbook XPlayer 2 (Angelbird AV Pro V60) | |
| Durchschnitt der Klasse Handheld / UMPC (20.9 - 201, n=12, der letzten 2 Jahre) | |
| Ayaneo Air 1S Retro Power | |
| Aokzoe A1 (Angelbird AV Pro V60) | |
| Valve Steam Deck 512 GB LCD (Angelbird AV Pro V60) | |
| maximum AS SSD Seq Read Test (1GB) | |
| Asus ROG Ally Z1 Extreme (Angelbird AV Pro V60) | |
| One Netbook XPlayer 2 (Angelbird AV Pro V60) | |
| Aokzoe A1 (Angelbird AV Pro V60) | |
| Durchschnitt der Klasse Handheld / UMPC (74.7 - 261, n=11, der letzten 2 Jahre) | |
| Lenovo Legion Go | |
| Ayaneo Air 1S Retro Power | |
Kommunikation
In unseren Wi-Fi-Tests schlägt sich das Gaming-Handheld von Lenovo sehr gut. Größere Einbrüche der hohen Übertragungsgeschwindigkeiten stellen wir nicht fest.
Zubehör
Das Legion Go wird in einer Soft-Shell Tasche geliefert, in der auch der FPS-Ring für den rechten Controller Platz findet. Allerdings passt das mitgelieferte 65-Watt-Netzteil nicht in die große Tasche. Dafür lässt sich das Ladekabel durch eine Öse an das Handheld in der geschlossenen Tasche anstecken. Ob man das Legion Go in seiner Tasche laden sollte, ist jedoch aufgrund der möglichen Wärmeentwicklung des Akkus beim Laden fraglich.
Wartung
Die Rückabdeckung des Tablets lässt sich nur mit großem Aufwand entfernen, obwohl diese nur von sechs Schrauben gesichert wird. Aber unzählige Plastik-Clips halten das Kunststoffteil in Position, sodass man mit einigen Plektren arbeiten muss, um diese auszuhebeln. Den Kickstand muss man zum Abnehmen der hinteren Abdeckung übrigens nicht abschrauben, aber es erleichtert die Arbeit. Dabei lohnt sich die Mühe kaum, denn im Inneren ließe sich höchstens die M.2-2242 NVMe-SSD tauschen, wenn man denn die vielen Klebefolien vorher abziehen kann. Alle anderen Bauteile sind hier verlötet oder verklebt.
Eingabegeräte - FPS-Modus ist ein Alleinstellungsmerkmal
Die Controller des Gaming-Handhelds liegen gut in der Hand. Auch mit kleineren Händen lassen sich alle Tasten gut erreichen. Die Schultertasten, sowie A-, B-, X- und Y-Taste und das Steuerkreuz bieten einen leichten Widerstand und einen deutlichen Druckpunkt. Links und rechts oben hat Lenovo jeweils eine Funktionstaste untergebracht. Auf der Unterseite liegen pro Seite jeweils zwei weitere Tasten, die per Legion Space mit Funktionen belegt werden können. Die Controller des Lenovo Legion Go haben Hall-Effekt-Joysticks. Somit sind hier keine Verschleißerscheinungen zu erwarten. Stickdrift ist damit nahezu ausgeschlossen. Beim Gaming stellen wir fest, dass die Deadzones aus der Nullstellung recht groß angelegt sind. Gerade in Spielen, die selbst eine Deadzone-Einstellung bieten, wird somit die Steuerung schnell unpräzise, sofern man hier nicht nachregelt.
An beiden Controller-Hälften hat Lenovo auch eine Funktionstaste untergebracht. Diese können den Legion Space oder schnelleinstellungen öffnen. Zudem gibt es eine große Menge an Tastenkombinationen, welche mit den beiden Tasten ermöglicht werden. Damit lassen sich unter anderem Screenshots machen, der Taskmanager aufrufen, Anwendungen schließen und im Funkbetrieb auch die Controller ein- und ausschalten.
Touchpad und Touchscreen
Der rechte Controller bietet ein kleines Touchpad, mit dem man den Coursor auf dem Desktop steuern kann, oder auch in Games einige Steuerelemente benutzen kann. Nach unseren Erfahrungen bietet das kleine Touchpad keinen Rechtsklick. Letztlich ist es eher im Weg, als dass es die Kontrolle des Mauszeigers erleichtert. Dafür eignet sich eher der FPS-Modus.
Kaum ein Windows-Game unterstützt die Eingabe mittels Touchscreen, anders sieht es bei den vielen Android-Games aus, die mittlerweile über den Amazon Appstore auch auf Windows-Rechnern verfügbar sind. Hier zeigt der Touchscreen vom Legion Go seine Stärke. Denn dieser bietet schnelle und präzise Eingaben.
Wireless-Controller und FPS-Modus
Die beiden Controller-Hälften am Legion Go verbinden sich automatisch mit dem Tablet, nachdem man sie abgenommen hat. Dabei gibt es keinen merklichen Latenzzuwachs. Zudem sind die beiden Controller angenhem leicht. Einzeln sind die beiden Geräte aber nicht mehr ganz so ergonomisch wie in Verbindung mit dem Tablet. Das liegt vorwiegend daran, dass man mit den beiden Geräten in den Händen zum Überkreuzen der Arme neigt. Mit einem 3D-gedrucktem Adapter von Prusa-Printables wurde die Haptik hier deutlich verbessert.
Im Vergleich zu anderen Gaming-Handhelds bietet das Legion Go einen deutlichen Vorteil beim Spielen von First-Person-Shootern. Denn mit dem FPS-Modus wird der linke Controller zur Funkmaus. Der rechte Controller wird zum Tastaturersatz. So seltsam die Haptik auf den ersten Blick auch anmuten mag, der FPS-Modus ist überraschend angenehm. Das größte Problem, welches wir hier feststellen, liegt weder in der Haptik noch in der Genauigkeit des Zeigegeräts. Am linken Controller gibt es genau elf Eingabetasten. Da die meisten Spiele im FPS-Modus von einer Maus- und Tastatursteuerung ausgehen, wird es beim Konfigurieren der Tastenbelegung hier mitunter schnell recht eng. So wollen zum Beispiel in Cyberpunk 2077 etwa 20 Funktionen auf die 11 Tasten gelegt werden, unter CS:Go etwa 16 und selbst im beliebten PUBG sind es 12 Funktionen, welche eine einzelne Taste verlangen. So muss man oft einige Tasten auf den rechten Controller umleiten, worunter allerdings die Ergonomie beim Zocken leidet. Über den Legion Space lässt sich hier vier vorkonfigurierte Profile auswählen. Genauere Anpassungen der Tastenbelegung müssen dann im Spiel erfolgen. Auch das geht nicht in jedem Spiel.
Ein ernsthaftes Problem ist auch die Art, wie der FPS-Ring am Controller befestigt wird. Dieser hält magnetisch an der Front des Controllers. In unserem Test kam es hier zu unschönen Kratzern am Controller, weil sich zwischen den beiden Teilen feinste Metallpartikel festgesetzt hatten. So können wir nur empfehlen, auf die Sauberkeit der beiden Teile und der Unterlage zu achten, da sich Staubpartikel schnell zwischen den beiden Teilen ablagern und so für Kratzer sorgen können.
Display - 144 Hz QHD+ Display
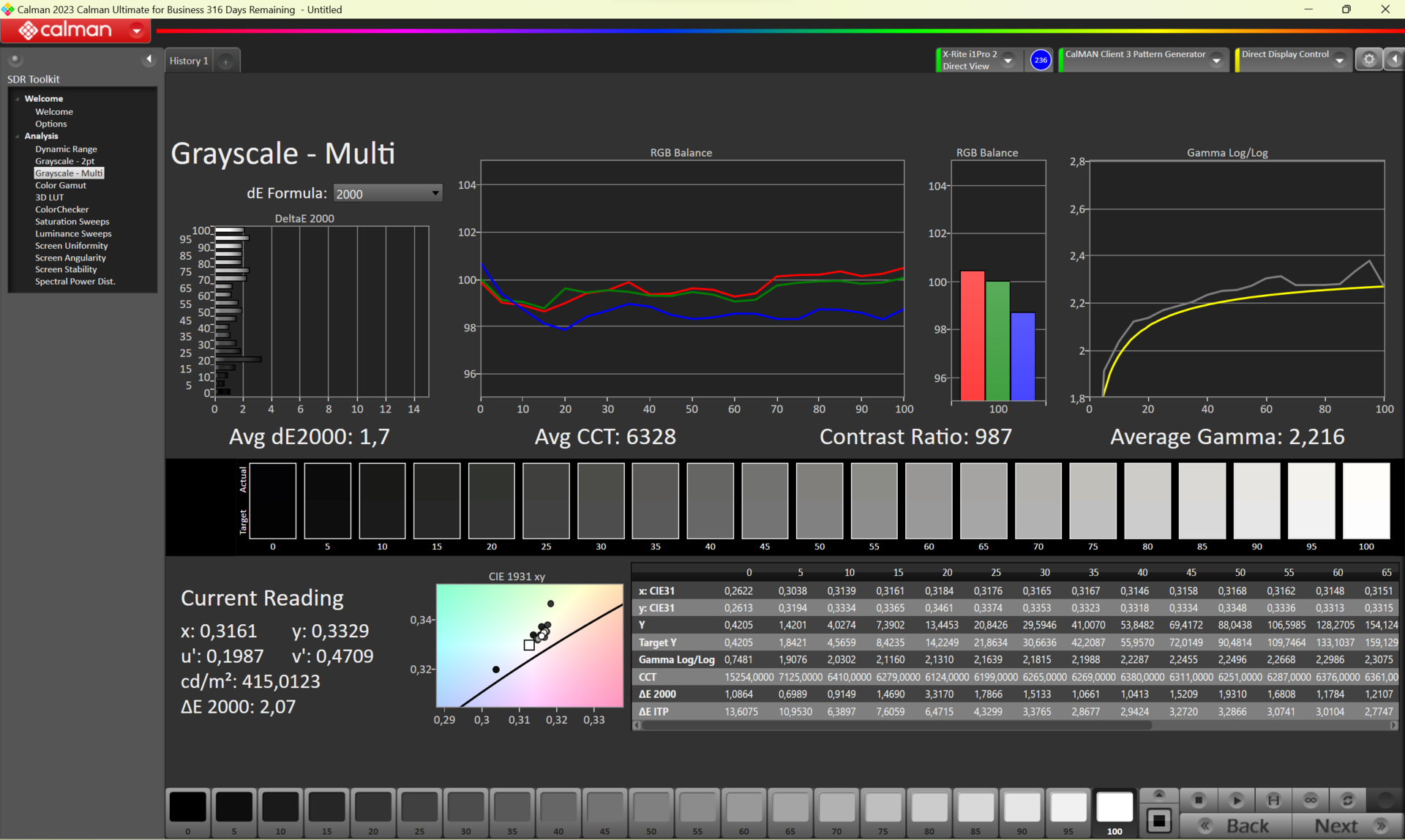
144 Hz, bis zu 1600p und 10 Touchpunkte bietet das 8,8-Zoll-große Display am Legion Go. Lenovo wirbt mit maximal 500 cd/m² Helligkeit, wir ermitteln maximal 460 cd/m² bei einer recht ungleichmäßigen Verteilung. Wie bei vielen Handhelds handelt es sich auch beim Bildschirm des Legion-Go um einen vertikalen Tablet-Bildschirm, der von links nach rechts aktualisiert wird, statt von oben nach unten. Dies kann unter Umständen in einigen Games bei ausgeschaltetem V-Sync oder Frame Buffer deutlich merklicher sein als bei horizontalen Displays.
Über den Legion Space oder Windows lässt sich das Display in seiner Auflösung auch auf 1200p oder 800p einstellen. Damit laufen aufwändige Spiele deutlich flüssiger. Gerade die FullHD+-Auflösung bietet dabei eine gute Alternative. Denn auf dem verhältnismäßig kleinen Display lassen sich auch bei der geringeren Auflösung einzelne Bildpunkte kaum ausmachen.
Eine Sache, die uns sehr negativ auffällt ist, dass die Bildrate im Akkubetrieb gesperrt ist. Sobald man den Netzstecker zieht, wird nicht etwa automatisch auf 60 Hz umgeschaltet, um Strom zu sparen, sondern ein Umschalten wird einfach blockiert.
| |||||||||||||||||||||||||
Ausleuchtung: 80 %
Helligkeit Akku: 444 cd/m²
Kontrast: 979:1 (Schwarzwert: 0.42 cd/m²)
ΔE ColorChecker Calman: 5.94 | ∀{0.5-29.43 Ø4.78}
calibrated: 2.95
ΔE Greyscale Calman: 0.92 | ∀{0.09-98 Ø5}
90.09% AdobeRGB 1998 (Argyll 3D)
99.56% sRGB (Argyll 3D)
92.1% Display P3 (Argyll 3D)
Gamma: 1.93
CCT: 8064 K
| Lenovo Legion Go Legion Go Display, IPS, 2560x1600, 8.8" | Ayaneo Air 1S Retro Power Ayaneo-OLED, OLED, 1920x1080, 5.5" | Asus ROG Ally Z1 Extreme TL070FVSX01-0, IPS, 1920x1080, 7" | One Netbook XPlayer 2 FLQ8423, IPS, 2560x1600, 8.4" | Aokzoe A1 BOE0207, IPS, 1920x1200, 8" | Ayaneo Kun Ayaneo 2K, IPS, 2560x1600, 8.4" | |
|---|---|---|---|---|---|---|
| Display | 6% | -20% | -14% | -16% | 1% | |
| Display P3 Coverage (%) | 92.1 | 99.85 8% | 65.6 -29% | 75.4 -18% | 72.3 -21% | 93.52 2% |
| sRGB Coverage (%) | 99.56 | 100 0% | 92.1 -7% | 97 -3% | 92.6 -7% | 99.4 0% |
| AdobeRGB 1998 Coverage (%) | 90.09 | 99.71 11% | 67.9 -25% | 71.1 -21% | 73.4 -19% | 91.2 1% |
| Response Times | 72% | 54% | -68% | -43% | -15% | |
| Response Time Grey 50% / Grey 80% * (ms) | 20.8 ? | 4.4 ? 79% | 10.5 ? 50% | 36.8 ? -77% | 28.9 ? -39% | 24.2 ? -16% |
| Response Time Black / White * (ms) | 14.4 ? | 5 ? 65% | 6 ? 58% | 22.8 ? -58% | 21.1 ? -47% | 16.2 ? -13% |
| PWM Frequency (Hz) | 700 | 240 ? | 9970.7 | 20000 | ||
| Bildschirm | -50% | -38% | -84% | -155% | -67% | |
| Helligkeit Bildmitte (cd/m²) | 411 | 331 -19% | 513 25% | 369 -10% | 328.4 -20% | 680 65% |
| Brightness (cd/m²) | 413 | 339 -18% | 474 15% | 363 -12% | 323 -22% | 678 64% |
| Brightness Distribution (%) | 80 | 90 13% | 84 5% | 89 11% | 92 15% | 91 14% |
| Schwarzwert * (cd/m²) | 0.42 | 0.07 83% | 0.38 10% | 0.28 33% | 0.39 7% | 0.5 -19% |
| Kontrast (:1) | 979 | 4729 383% | 1350 38% | 1318 35% | 842 -14% | 1360 39% |
| Delta E Colorchecker * | 5.94 | 4.76 20% | 3.7 38% | 7.1 -20% | 10.17 -71% | 4 33% |
| Colorchecker dE 2000 max. * | 10.56 | 9.2 13% | 8.3 21% | 10.9 -3% | 18.14 -72% | 9 15% |
| Colorchecker dE 2000 calibrated * | 2.95 | 5.04 -71% | 2.6 12% | 1.07 64% | 1 66% | |
| Delta E Graustufen * | 0.92 | 8.79 -855% | 5.1 -454% | 8.3 -802% | 12.7 -1280% | 9 -878% |
| Gamma | 1.93 114% | 2.155 102% | 2.14 103% | 2.01 109% | 2.7 81% | 2 110% |
| CCT | 8064 81% | 7571 86% | 7732 84% | 8838 74% | 12502 52% | 7188 90% |
| Durchschnitt gesamt (Programm / Settings) | 9% /
-21% | -1% /
-20% | -55% /
-67% | -71% /
-109% | -27% /
-45% |
* ... kleinere Werte sind besser
Wir müssen feststellen, dass der Bildschrim des Gaming-Handhelds von Lenovo ab Werk zu einem leichten Blaustich neigt. Nach dem unser ICC-Profil angewendet wurde sinkt der Blaustich deutlich und zudem wird die Farbdarstellung auf einen guten Wert mit einem ΔΕ2000 unter 3 verbessert.
Reaktionszeiten (Response Times) des Displays
| ↔ Reaktionszeiten Schwarz zu Weiß | ||
|---|---|---|
| 14.4 ms ... steigend ↗ und fallend ↘ kombiniert | ↗ 7 ms steigend | |
| ↘ 7.4 ms fallend | ||
| Die gemessenen Reaktionszeiten sind gut, für anspruchsvolle Spieler könnten der Bildschirm jedoch zu langsam sein. Im Vergleich rangierten die bei uns getesteten Geräte von 0.1 (Minimum) zu 240 (Maximum) ms. » 34 % aller Screens waren schneller als der getestete. Daher sind die gemessenen Reaktionszeiten besser als der Durchschnitt aller vermessenen Geräte (20.2 ms). | ||
| ↔ Reaktionszeiten 50% Grau zu 80% Grau | ||
| 20.8 ms ... steigend ↗ und fallend ↘ kombiniert | ↗ 9.4 ms steigend | |
| ↘ 11.4 ms fallend | ||
| Die gemessenen Reaktionszeiten sind gut, für anspruchsvolle Spieler könnten der Bildschirm jedoch zu langsam sein. Im Vergleich rangierten die bei uns getesteten Geräte von 0.165 (Minimum) zu 636 (Maximum) ms. » 32 % aller Screens waren schneller als der getestete. Daher sind die gemessenen Reaktionszeiten besser als der Durchschnitt aller vermessenen Geräte (31.6 ms). | ||
Bildschirm-Flackern / PWM (Pulse-Width Modulation)
| Flackern / PWM festgestellt | 700 Hz | ||
Das Display flackert mit 700 Hz (im schlimmsten Fall, eventuell durch Pulsweitenmodulation PWM) . Die Frequenz von 700 Hz ist sehr hoch und sollte daher auch bei empfindlichen Personen zu keinen Problemen führen. Im Vergleich: 53 % aller getesteten Geräte nutzten kein PWM um die Helligkeit zu reduzieren. Wenn PWM eingesetzt wurde, dann bei einer Frequenz von durchschnittlich 8125 (Minimum 5, Maximum 343500) Hz. | |||
Die Reaktionszeiten des Bildschirmes haben wir im 144 Hz Betrieb und im 60 Hz Betrieb vermessen. Beide Modi zeigten hier die gleichen Werte. Das ist insofern schade, als dass bei 144 Hz ein Einzelbild ungefähr 7 Millisekunden lang angezeigt wird. Somit reichen die Reaktionszeiten vom Display im Legion Go nicht ganz an die Erwartungen heran, dürften aber dennoch für die meisten Gamer ausreichen.
Etwas schwierig stellt sich die Bewertung des Flackerns der Hintergrundbeleuchtung dar. Über sämtliche Helligkeitsstufen hinweg messen wir beim Legion Go ein sehr leichtes Flackern. Ob dieses bei empfindlichen Personen für Probleme sorgen kann, können wir nicht vorhersagen. Die Helligkeitsschwankungen liegen im einstelligen Prozentbereich.
Leistung - Starke Grafik
Der AMD Ryzen Z1 Extreme und 16 GB Arbeitsspeicher treiben das Gaming-Handheld an. Im Z1 steckt auch die RX 780M. Eine vergleichsweise starke iGPU, die so manche dGPU in unseren Benchmarks übertrumpfen kann. So lassen sich viele aktuelle Titel auch in hohen Detailstufen auf Full-HD-Auflösung bei etwa 60 FPS spielen.
Testbedingungen
Die TDP des Lenovo Legion Go lässt sich vom Anwender konfigurieren, ebenso wie der Lüfter. Wir haben uns dazu entschieden, dem Gaming-Handheld hier aber freie Hand beim Lüfter zu lassen und den automatischen hohen Kühlmodus laufen zu lassen, sowie die TDP beim Maximum von 30 Watt zu belassen. Im Legion Space und im Control-Center lassen sich einige Einstellungen setzen. Uns fällt auf, dass vorwiegend der Legion Space noch Verbesserungsbedarf hat. Die Steuerung der Anwendung per Maus und Tastatur oder im FPS-Modus wird durch kleine Bugs erschwert.
Prozessor
Der AMD Ryzen Z1 Extreme aus der Phoenix-Serie ist einer von AMDs stärksten Laptop-Prozessoren. Dieser Prozessor wurde aufs Gaming optimiert und verrichtet auch im Asus ROG Ally seinen Dienst. Im Vergleich zum technisch ähnlichem AMD Ryzen 7 7840U fehlt dem Z1 Extreme der KI-Kern Ryzen AI. Damit sollte der Z1 Extreme beim Gaming jedoch etwas effizienter sein.
Im Lenovo Legion Go wird der Prozessor mit etwas weniger elektrischer Leistung versorgt, als im ROG Ally Z1 Extreme. Damit hat das Gaming-Handheld von Lenovo einen Leistungsnachteil von ungefähr 10 % gegenüber dem ROG Ally. Langfristig kann das Legion Go seine Leistung bei 30 Watt nicht halten, wie der Cinebench-Loop verrät. Nach einigen Durchläufen fällt die Leistung hier auf das Niveau des Ayaneo Air 1S mit dem Ryzen 7 7840U ab. Dieses Handheld arbeitete in unserem Test mit 20 Watt. Zum Gaming reicht die hohe Prozessorleistung des Handhelds mehr als aus, wie unsere weiteren Benchmarks zeigen.
Cinebench R15 Multi Dauertest
Cinebench R23: Multi Core | Single Core
Cinebench R20: CPU (Multi Core) | CPU (Single Core)
Cinebench R15: CPU Multi 64Bit | CPU Single 64Bit
Blender: v3.3 Classroom CPU
7-Zip 18.03: 7z b 4
Geekbench 5.5: Multi-Core | Single-Core
HWBOT x265 Benchmark v2.2: 4k Preset
LibreOffice : 20 Documents To PDF
R Benchmark 2.5: Overall mean
| CPU Performance Rating | |
| Asus ROG Zephyrus G14 GA402XY -1! | |
| Asus ROG Ally Z1 Extreme | |
| Durchschnittliche AMD Ryzen Z1 Extreme | |
| Ayaneo Kun | |
| Lenovo Legion Go | |
| Ayaneo Air 1S Retro Power | |
| Aokzoe A1 | |
| Durchschnitt der Klasse Handheld / UMPC | |
| One Netbook XPlayer 2 -1! | |
| Cinebench R23 / Multi Core | |
| Asus ROG Zephyrus G14 GA402XY | |
| Ayaneo Kun | |
| Asus ROG Ally Z1 Extreme | |
| Durchschnittliche AMD Ryzen Z1 Extreme (13004 - 15120, n=3) | |
| Lenovo Legion Go | |
| Ayaneo Air 1S Retro Power | |
| Durchschnitt der Klasse Handheld / UMPC (3984 - 16841, n=16, der letzten 2 Jahre) | |
| Aokzoe A1 | |
| One Netbook XPlayer 2 | |
| Cinebench R23 / Single Core | |
| Asus ROG Zephyrus G14 GA402XY | |
| Asus ROG Ally Z1 Extreme | |
| Durchschnittliche AMD Ryzen Z1 Extreme (1733 - 1779, n=3) | |
| Lenovo Legion Go | |
| Ayaneo Air 1S Retro Power | |
| Durchschnitt der Klasse Handheld / UMPC (1071 - 2006, n=15, der letzten 2 Jahre) | |
| Ayaneo Kun | |
| Aokzoe A1 | |
| One Netbook XPlayer 2 | |
| Cinebench R20 / CPU (Multi Core) | |
| Asus ROG Zephyrus G14 GA402XY | |
| Ayaneo Kun | |
| Asus ROG Ally Z1 Extreme | |
| Durchschnittliche AMD Ryzen Z1 Extreme (5109 - 5825, n=3) | |
| Lenovo Legion Go | |
| Ayaneo Air 1S Retro Power | |
| Aokzoe A1 | |
| Durchschnitt der Klasse Handheld / UMPC (1521 - 6577, n=14, der letzten 2 Jahre) | |
| One Netbook XPlayer 2 | |
| Cinebench R20 / CPU (Single Core) | |
| Asus ROG Zephyrus G14 GA402XY | |
| Asus ROG Ally Z1 Extreme | |
| Durchschnittliche AMD Ryzen Z1 Extreme (672 - 692, n=3) | |
| Lenovo Legion Go | |
| Ayaneo Air 1S Retro Power | |
| Ayaneo Kun | |
| Durchschnitt der Klasse Handheld / UMPC (357 - 787, n=14, der letzten 2 Jahre) | |
| Aokzoe A1 | |
| One Netbook XPlayer 2 | |
| Cinebench R15 / CPU Multi 64Bit | |
| Asus ROG Zephyrus G14 GA402XY | |
| Ayaneo Kun | |
| Asus ROG Ally Z1 Extreme | |
| Durchschnittliche AMD Ryzen Z1 Extreme (2050 - 2397, n=3) | |
| Lenovo Legion Go | |
| Ayaneo Air 1S Retro Power | |
| Aokzoe A1 | |
| Durchschnitt der Klasse Handheld / UMPC (689 - 2533, n=14, der letzten 2 Jahre) | |
| One Netbook XPlayer 2 | |
| Cinebench R15 / CPU Single 64Bit | |
| Asus ROG Zephyrus G14 GA402XY | |
| Asus ROG Ally Z1 Extreme | |
| Durchschnittliche AMD Ryzen Z1 Extreme (262 - 280, n=3) | |
| Lenovo Legion Go | |
| Ayaneo Air 1S Retro Power | |
| Durchschnitt der Klasse Handheld / UMPC (155.1 - 304, n=13, der letzten 2 Jahre) | |
| Ayaneo Kun | |
| Aokzoe A1 | |
| One Netbook XPlayer 2 | |
| Blender / v3.3 Classroom CPU | |
| One Netbook XPlayer 2 | |
| Durchschnitt der Klasse Handheld / UMPC (290 - 1026, n=13, der letzten 2 Jahre) | |
| Aokzoe A1 | |
| Lenovo Legion Go | |
| Ayaneo Air 1S Retro Power | |
| Ayaneo Kun | |
| Ayaneo Kun | |
| Durchschnittliche AMD Ryzen Z1 Extreme (365 - 446, n=3) | |
| Asus ROG Ally Z1 Extreme | |
| Asus ROG Zephyrus G14 GA402XY | |
| 7-Zip 18.03 / 7z b 4 | |
| Asus ROG Zephyrus G14 GA402XY | |
| Asus ROG Ally Z1 Extreme | |
| Ayaneo Kun | |
| Durchschnittliche AMD Ryzen Z1 Extreme (56966 - 64454, n=3) | |
| Lenovo Legion Go | |
| Ayaneo Air 1S Retro Power | |
| Aokzoe A1 | |
| Durchschnitt der Klasse Handheld / UMPC (19684 - 66618, n=13, der letzten 2 Jahre) | |
| One Netbook XPlayer 2 | |
| Geekbench 5.5 / Multi-Core | |
| Asus ROG Zephyrus G14 GA402XY | |
| Asus ROG Ally Z1 Extreme | |
| Durchschnittliche AMD Ryzen Z1 Extreme (9589 - 10917, n=4) | |
| Lenovo Legion Go | |
| Lenovo Legion Go | |
| Durchschnitt der Klasse Handheld / UMPC (3932 - 11975, n=15, der letzten 2 Jahre) | |
| Ayaneo Kun | |
| Aokzoe A1 | |
| Ayaneo Air 1S Retro Power | |
| One Netbook XPlayer 2 | |
| Geekbench 5.5 / Single-Core | |
| Asus ROG Zephyrus G14 GA402XY | |
| Asus ROG Ally Z1 Extreme | |
| Durchschnittliche AMD Ryzen Z1 Extreme (1896 - 1956, n=4) | |
| Lenovo Legion Go | |
| Lenovo Legion Go | |
| Durchschnitt der Klasse Handheld / UMPC (875 - 2134, n=15, der letzten 2 Jahre) | |
| Ayaneo Air 1S Retro Power | |
| Aokzoe A1 | |
| Ayaneo Kun | |
| One Netbook XPlayer 2 | |
| HWBOT x265 Benchmark v2.2 / 4k Preset | |
| Ayaneo Kun | |
| Asus ROG Ally Z1 Extreme | |
| Durchschnittliche AMD Ryzen Z1 Extreme (16.3 - 18.7, n=3) | |
| Lenovo Legion Go | |
| Ayaneo Air 1S Retro Power | |
| Durchschnitt der Klasse Handheld / UMPC (6.21 - 20.8, n=13, der letzten 2 Jahre) | |
| Aokzoe A1 | |
| One Netbook XPlayer 2 | |
| LibreOffice / 20 Documents To PDF | |
| One Netbook XPlayer 2 | |
| Durchschnitt der Klasse Handheld / UMPC (41.1 - 92.8, n=13, der letzten 2 Jahre) | |
| Ayaneo Kun | |
| Lenovo Legion Go | |
| Aokzoe A1 | |
| Durchschnittliche AMD Ryzen Z1 Extreme (43 - 52.3, n=3) | |
| Ayaneo Air 1S Retro Power | |
| Asus ROG Ally Z1 Extreme | |
| Asus ROG Zephyrus G14 GA402XY | |
| R Benchmark 2.5 / Overall mean | |
| Durchschnitt der Klasse Handheld / UMPC (0.4167 - 0.756, n=13, der letzten 2 Jahre) | |
| Aokzoe A1 | |
| Ayaneo Kun | |
| Ayaneo Kun | |
| Lenovo Legion Go | |
| Ayaneo Air 1S Retro Power | |
| Durchschnittliche AMD Ryzen Z1 Extreme (0.4447 - 0.4662, n=3) | |
| Asus ROG Ally Z1 Extreme | |
| Asus ROG Zephyrus G14 GA402XY | |
* ... kleinere Werte sind besser
AIDA64: FP32 Ray-Trace | FPU Julia | CPU SHA3 | CPU Queen | FPU SinJulia | FPU Mandel | CPU AES | CPU ZLib | FP64 Ray-Trace | CPU PhotoWorxx
| Performance Rating | |
| Ayaneo Kun | |
| Asus ROG Ally Z1 Extreme | |
| Durchschnittliche AMD Ryzen Z1 Extreme | |
| Lenovo Legion Go | |
| Ayaneo Air 1S Retro Power | |
| Durchschnitt der Klasse Handheld / UMPC | |
| Aokzoe A1 | |
| One Netbook XPlayer 2 | |
| AIDA64 / FP32 Ray-Trace | |
| Ayaneo Kun | |
| Ayaneo Kun | |
| Asus ROG Ally Z1 Extreme | |
| Durchschnittliche AMD Ryzen Z1 Extreme (20714 - 24519, n=3) | |
| Lenovo Legion Go | |
| Ayaneo Air 1S Retro Power | |
| Durchschnitt der Klasse Handheld / UMPC (6544 - 26450, n=13, der letzten 2 Jahre) | |
| Aokzoe A1 | |
| One Netbook XPlayer 2 | |
| AIDA64 / FPU Julia | |
| Ayaneo Kun | |
| Ayaneo Kun | |
| Asus ROG Ally Z1 Extreme | |
| Durchschnittliche AMD Ryzen Z1 Extreme (86738 - 103637, n=3) | |
| Lenovo Legion Go | |
| Aokzoe A1 | |
| Ayaneo Air 1S Retro Power | |
| Durchschnitt der Klasse Handheld / UMPC (36464 - 103637, n=13, der letzten 2 Jahre) | |
| One Netbook XPlayer 2 | |
| AIDA64 / CPU SHA3 | |
| Ayaneo Kun | |
| Ayaneo Kun | |
| Asus ROG Ally Z1 Extreme | |
| Durchschnittliche AMD Ryzen Z1 Extreme (3854 - 4465, n=3) | |
| Lenovo Legion Go | |
| Ayaneo Air 1S Retro Power | |
| Durchschnitt der Klasse Handheld / UMPC (1157 - 4484, n=13, der letzten 2 Jahre) | |
| Aokzoe A1 | |
| One Netbook XPlayer 2 | |
| AIDA64 / CPU Queen | |
| Ayaneo Kun | |
| Ayaneo Kun | |
| Asus ROG Ally Z1 Extreme | |
| Durchschnittliche AMD Ryzen Z1 Extreme (95153 - 107867, n=3) | |
| Lenovo Legion Go | |
| Aokzoe A1 | |
| Ayaneo Air 1S Retro Power | |
| Durchschnitt der Klasse Handheld / UMPC (41744 - 107867, n=13, der letzten 2 Jahre) | |
| One Netbook XPlayer 2 | |
| AIDA64 / FPU SinJulia | |
| Ayaneo Kun | |
| Ayaneo Kun | |
| Asus ROG Ally Z1 Extreme | |
| Durchschnittliche AMD Ryzen Z1 Extreme (12936 - 14281, n=3) | |
| Lenovo Legion Go | |
| Ayaneo Air 1S Retro Power | |
| Aokzoe A1 | |
| Durchschnitt der Klasse Handheld / UMPC (4425 - 16980, n=13, der letzten 2 Jahre) | |
| One Netbook XPlayer 2 | |
| AIDA64 / FPU Mandel | |
| Ayaneo Kun | |
| Ayaneo Kun | |
| Asus ROG Ally Z1 Extreme | |
| Durchschnittliche AMD Ryzen Z1 Extreme (46180 - 55457, n=3) | |
| Lenovo Legion Go | |
| Aokzoe A1 | |
| Ayaneo Air 1S Retro Power | |
| Durchschnitt der Klasse Handheld / UMPC (19153 - 55457, n=13, der letzten 2 Jahre) | |
| One Netbook XPlayer 2 | |
| AIDA64 / CPU AES | |
| Ayaneo Kun | |
| Ayaneo Kun | |
| Aokzoe A1 | |
| One Netbook XPlayer 2 | |
| Asus ROG Ally Z1 Extreme | |
| Durchschnitt der Klasse Handheld / UMPC (18552 - 149047, n=13, der letzten 2 Jahre) | |
| Durchschnittliche AMD Ryzen Z1 Extreme (57678 - 80158, n=3) | |
| Ayaneo Air 1S Retro Power | |
| Lenovo Legion Go | |
| AIDA64 / CPU ZLib | |
| Ayaneo Kun | |
| Ayaneo Kun | |
| Asus ROG Ally Z1 Extreme | |
| Durchschnittliche AMD Ryzen Z1 Extreme (687 - 987, n=3) | |
| Ayaneo Air 1S Retro Power | |
| Durchschnitt der Klasse Handheld / UMPC (356 - 1112, n=13, der letzten 2 Jahre) | |
| Aokzoe A1 | |
| Lenovo Legion Go | |
| One Netbook XPlayer 2 | |
| AIDA64 / FP64 Ray-Trace | |
| Ayaneo Kun | |
| Ayaneo Kun | |
| Asus ROG Ally Z1 Extreme | |
| Durchschnittliche AMD Ryzen Z1 Extreme (10740 - 13049, n=3) | |
| Lenovo Legion Go | |
| Ayaneo Air 1S Retro Power | |
| Durchschnitt der Klasse Handheld / UMPC (3585 - 14181, n=13, der letzten 2 Jahre) | |
| Aokzoe A1 | |
| One Netbook XPlayer 2 | |
| AIDA64 / CPU PhotoWorxx | |
| Durchschnitt der Klasse Handheld / UMPC (19472 - 54726, n=13, der letzten 2 Jahre) | |
| Asus ROG Ally Z1 Extreme | |
| Durchschnittliche AMD Ryzen Z1 Extreme (34764 - 39932, n=3) | |
| Lenovo Legion Go | |
| Ayaneo Kun | |
| Ayaneo Kun | |
| Ayaneo Air 1S Retro Power | |
| One Netbook XPlayer 2 | |
| Aokzoe A1 | |
System Performance
Die größtenteils auf Office- und Kreativ-Anwendungen abgestimmten Benchmarks von PCMark 10 dürften für die wenigsten Anwender des Gaming-Handhelds wirklich interessant sein, verraten hier aber doch einiges über das Legion Go. Denn PCMark testet auch Arbeits- und Massenspeicher. Hier zeigt sich schnell, dass das Legion Go deutliche Vorteile gegenüber dem Ayaneo Kun hat, obwohl dieses seinen AMD Ryzen 7 7840U mit bis zu 54 Watt versorgt. Damit sollte das Handheld von Ayaneo eigentlich deutlich mehr Punkte in diesem Benchmark erreichen. Aber die SSD im Kun wird schnell heiß und langsam. Nur im Bereich der Digital Content Creation, wo vornehmlich die Grafikleistung zählt, kann das Kun mehr Punkte im Benchmark erzielen. In den weiteren PCMark 10 Ergebnissen wird deutlich, dass die Speicher und Prozessoren in Legion Go und Asus ROG Ally ähnlich schnell sind. So liegen die Punktzahlen nahe beieinander.
| PCMark 10 / Score | |
| Asus ROG Ally Z1 Extreme | |
| Durchschnittliche AMD Ryzen Z1 Extreme, AMD Radeon 780M (6439 - 7149, n=3) | |
| Aokzoe A1 | |
| Lenovo Legion Go | |
| Durchschnitt der Klasse Handheld / UMPC (3592 - 7471, n=13, der letzten 2 Jahre) | |
| Ayaneo Kun | |
| Ayaneo Air 1S Retro Power | |
| One Netbook XPlayer 2 | |
| PCMark 10 / Essentials | |
| Aokzoe A1 | |
| Durchschnittliche AMD Ryzen Z1 Extreme, AMD Radeon 780M (10081 - 10633, n=3) | |
| Asus ROG Ally Z1 Extreme | |
| Lenovo Legion Go | |
| Durchschnitt der Klasse Handheld / UMPC (7542 - 11262, n=13, der letzten 2 Jahre) | |
| Ayaneo Kun | |
| Ayaneo Air 1S Retro Power | |
| One Netbook XPlayer 2 | |
| PCMark 10 / Productivity | |
| Asus ROG Ally Z1 Extreme | |
| Durchschnittliche AMD Ryzen Z1 Extreme, AMD Radeon 780M (8996 - 10074, n=3) | |
| Aokzoe A1 | |
| Lenovo Legion Go | |
| Durchschnitt der Klasse Handheld / UMPC (5015 - 10031, n=13, der letzten 2 Jahre) | |
| Ayaneo Air 1S Retro Power | |
| Ayaneo Kun | |
| One Netbook XPlayer 2 | |
| PCMark 10 / Digital Content Creation | |
| Ayaneo Kun | |
| Durchschnittliche AMD Ryzen Z1 Extreme, AMD Radeon 780M (7990 - 9408, n=3) | |
| Asus ROG Ally Z1 Extreme | |
| Durchschnitt der Klasse Handheld / UMPC (3326 - 10026, n=13, der letzten 2 Jahre) | |
| Aokzoe A1 | |
| Lenovo Legion Go | |
| Ayaneo Air 1S Retro Power | |
| One Netbook XPlayer 2 | |
| PCMark 10 Score | 6439 Punkte | |
Hilfe | ||
| AIDA64 / Memory Copy | |
| Asus ROG Ally Z1 Extreme | |
| Durchschnittliche AMD Ryzen Z1 Extreme (74414 - 92447, n=3) | |
| Lenovo Legion Go | |
| Durchschnitt der Klasse Handheld / UMPC (32617 - 107929, n=14, der letzten 2 Jahre) | |
| One Netbook XPlayer 2 | |
| Aokzoe A1 | |
| Ayaneo Kun | |
| Ayaneo Kun | |
| Ayaneo Air 1S Retro Power | |
| AIDA64 / Memory Read | |
| Durchschnitt der Klasse Handheld / UMPC (25380 - 100379, n=14, der letzten 2 Jahre) | |
| Lenovo Legion Go | |
| Durchschnittliche AMD Ryzen Z1 Extreme (50337 - 58713, n=3) | |
| Asus ROG Ally Z1 Extreme | |
| Ayaneo Kun | |
| One Netbook XPlayer 2 | |
| Aokzoe A1 | |
| Ayaneo Air 1S Retro Power | |
| AIDA64 / Memory Write | |
| Lenovo Legion Go | |
| Durchschnittliche AMD Ryzen Z1 Extreme (92869 - 108872, n=3) | |
| Asus ROG Ally Z1 Extreme | |
| Durchschnitt der Klasse Handheld / UMPC (25595 - 117883, n=14, der letzten 2 Jahre) | |
| One Netbook XPlayer 2 | |
| Ayaneo Kun | |
| Ayaneo Kun | |
| Ayaneo Kun | |
| Ayaneo Air 1S Retro Power | |
| Aokzoe A1 | |
| AIDA64 / Memory Latency | |
| Ayaneo Kun | |
| Ayaneo Kun | |
| Ayaneo Air 1S Retro Power | |
| One Netbook XPlayer 2 | |
| Durchschnitt der Klasse Handheld / UMPC (99.8 - 147.6, n=14, der letzten 2 Jahre) | |
| Lenovo Legion Go | |
| Durchschnittliche AMD Ryzen Z1 Extreme (113.7 - 122.1, n=3) | |
| Asus ROG Ally Z1 Extreme | |
| Aokzoe A1 | |
* ... kleinere Werte sind besser
Massenspeicher
Die kleine NVMe-SSD von Western Digital, welche im Legion Go verbaut ist, neigt in unserem DiskSPD-Read-Loop recht schnell zum Überhitzen. Schon nach kurzer Zeit fällt die Lesegeschwindigkeit des Massenspeichers deutlich ab und liegt damit nur noch auf einem mittelmäßigen Wert. Während kurzer Belastungen kann der Speicher aber schnelle Datenzugriffe liefern. Damit steht das Legion Go aber nicht allein da. Auch die NVMe-SSD im Ayaneo Kun neigt zum schnellen Überhitzen.
* ... kleinere Werte sind besser
Dauerleistung Lesen: DiskSpd Read Loop, Queue Depth 8
Grafikkarte
Die AMD Radeon 780M gehört zu den stärksten iGPUs, aber mittlerweile können auch die Intel Arc iGPUs der 14. Generation bei AMDs Grafikeinheiten mithalten. Dies zeigten unsere kürzlichen Tests vom Acer Swift Go 14 und dem MSI Prestige 16. Im Legion Go sind 3 GB des 16 GB großen RAMs für die Grafik reserviert. Im Asus ROG Ally werden 4 GB für die RX 780M reserviert. Das Ayaneo Kun und Air S1 reservieren standardmäßig 6 GB RAM für die iGPU. Je nach Anwendungsfall sorgt dies im Zusammenspiel mit den höheren TDP-Werten mal für etwas mehr oder weniger Leistung in den einzelnen Grafik-Benchmarks. Wirklich bemerkbar macht sich der klein bemessene Grafikspeicher eher in einigen Games, die nur den dedizierten VRAM nutzen wollen. Beim Legion Go lässt sich die Zuweisung über die UEFI-Settings ändern.
| 3DMark Performance Rating - Percent | |
| Durchschnitt der Klasse Handheld / UMPC | |
| Durchschnittliche AMD Radeon 780M | |
| Ayaneo Kun | |
| Lenovo Legion Go | |
| Asus ROG Ally Z1 Extreme -1! | |
| Asus ROG Zephyrus G14 GA402XY -2! | |
| Ayaneo Air 1S Retro Power | |
| One Netbook XPlayer 2 -1! | |
| 3DMark 11 Performance | 11738 Punkte | |
| 3DMark Cloud Gate Standard Score | 34005 Punkte | |
| 3DMark Fire Strike Score | 7285 Punkte | |
| 3DMark Time Spy Score | 2897 Punkte | |
Hilfe | ||
Gaming Performance
Zunächst einmal können wir feststellen, dass alle getesteten Spiele auf dem Legion Go spielbar sind. Aber man sollte sich wohl doch bei der Auflösung auf Full HD beschränken, wenn man ein ruckelfreies Spielerlebnis haben möchte. Im Vergleich zu den anderen Handhelds fallen deutliche Ausreißer nach unten nur in einzelnen Settings bei einigen Spielen auf. Unter anderem sind dies Shadow of the Tomb Raider, GTA V und Far Cry 5 jeweils in den höchsten Einstellungen. Wir vermuten hier einen Zusammenhang mit der Menge des der iGPU zugewiesenen RAM. Denn bei einem Vergleich mit dem Ayaneo Air 1S kommen ähnliche Ausreißer zustande, sobald man dort den VRAM ebenfalls auf 3 GB absenkt. So ist es wohl empfehlenswert, beim Legion Go im BIOS/UEFI nachzuregeln.
Trotzdem, die meisten FPS, welche das Legion Go in den einzelnen Benchmarks erzielt, sind bei Full HD angemessen und vor allem deutlich spielbar. Zudem hält das Handheld auch seine Leistung, wie die Witcher 3 FPS-Grafik zeigt. Die volle QHD-Auflösung des Bildschirmes kann man beim Zocken aktueller Titel aber kaum ausnutzen. Tatsächlich fällt zumindest auf dem 8,8-Zoll-großen Display der Auflösungsunterschied zu Full HD kaum auf. Das Legion-Go neigt dank seines 144-Hz-Displays auch nicht ganz so stark zum Screen-Tearing wie andere Handhelds, aber auch hier ist V-Sync für so gut wie alle Spiele empfehlenswert.
| The Witcher 3 - 1920x1080 Ultra Graphics & Postprocessing (HBAO+) | |
| Ayaneo Kun | |
| Lenovo Legion Go | |
| Asus ROG Ally Z1 Extreme | |
| Asus ROG Zephyrus G14 GA402XY | |
| Ayaneo Air 1S Retro Power | |
| Durchschnitt der Klasse Handheld / UMPC (17.5 - 31.1, n=8, der letzten 2 Jahre) | |
| Aokzoe A1 | |
| One Netbook XPlayer 2 | |
| Final Fantasy XV Benchmark - 1920x1080 High Quality | |
| Ayaneo Kun | |
| Asus ROG Ally Z1 Extreme | |
| Lenovo Legion Go | |
| Durchschnitt der Klasse Handheld / UMPC (17.9 - 34.8, n=20, der letzten 2 Jahre) | |
| Asus ROG Zephyrus G14 GA402XY | |
| Ayaneo Air 1S Retro Power | |
| Aokzoe A1 | |
| One Netbook XPlayer 2 | |
| Strange Brigade - 1920x1080 ultra AA:ultra AF:16 | |
| Ayaneo Kun | |
| Durchschnitt der Klasse Handheld / UMPC (30 - 58.8, n=21, der letzten 2 Jahre) | |
| Asus ROG Ally Z1 Extreme | |
| Ayaneo Air 1S Retro Power | |
| Aokzoe A1 | |
| Lenovo Legion Go | |
| Asus ROG Zephyrus G14 GA402XY | |
| One Netbook XPlayer 2 | |
| The Witcher 3 | |
| 1920x1080 High Graphics & Postprocessing (Nvidia HairWorks Off) | |
| Asus ROG Ally Z1 Extreme | |
| Lenovo Legion Go | |
| Durchschnittliche AMD Radeon 780M (21.3 - 52.2, n=55) | |
| Ayaneo Kun | |
| Durchschnitt der Klasse Handheld / UMPC (27.5 - 51, n=7, der letzten 2 Jahre) | |
| Aokzoe A1 | |
| One Netbook XPlayer 2 | |
| Ayaneo Air 1S Retro Power | |
| 1920x1080 Ultra Graphics & Postprocessing (HBAO+) | |
| Ayaneo Kun | |
| Lenovo Legion Go | |
| Durchschnittliche AMD Radeon 780M (14.3 - 36, n=57) | |
| Asus ROG Ally Z1 Extreme | |
| Ayaneo Air 1S Retro Power | |
| Durchschnitt der Klasse Handheld / UMPC (17.5 - 31.1, n=8, der letzten 2 Jahre) | |
| Aokzoe A1 | |
| One Netbook XPlayer 2 | |
| Horizon Zero Dawn | |
| 1920x1080 Favor Quality | |
| Ayaneo Kun | |
| Durchschnittliche AMD Radeon 780M (36 - 44, n=4) | |
| Durchschnitt der Klasse Handheld / UMPC (33 - 42, n=2, der letzten 2 Jahre) | |
| Asus ROG Ally Z1 Extreme | |
| Lenovo Legion Go | |
| 1920x1080 Ultimate Quality | |
| Ayaneo Kun | |
| Durchschnitt der Klasse Handheld / UMPC (n=1der letzten 2 Jahre) | |
| Durchschnittliche AMD Radeon 780M (31 - 38, n=3) | |
| Lenovo Legion Go | |
| Cyberpunk 2077 - 1920x1080 High Preset (FSR off) | |
| Lenovo Legion Go | |
| Ayaneo Kun | |
| Ayaneo Kun | |
| Durchschnittliche AMD Radeon 780M (13.8 - 29.6, n=56) | |
| Ayaneo Air 1S Retro Power | |
| Asus ROG Ally Z1 Extreme | |
| Durchschnitt der Klasse Handheld / UMPC (13.8 - 31.9, n=21, der letzten 2 Jahre) | |
Witcher 3 FPS-Diagramm
| min. | mittel | hoch | max. | QHD | 4K | |
|---|---|---|---|---|---|---|
| GTA V (2015) | 132.3 | 106.7 | 43.3 | 25.1 | ||
| The Witcher 3 (2015) | 46.4 | 29.4 | ||||
| Dota 2 Reborn (2015) | 133.2 | 109.2 | 86.1 | 78.7 | ||
| Final Fantasy XV Benchmark (2018) | 72.7 | 35.7 | 27.3 | 18.8 | ||
| X-Plane 11.11 (2018) | 47.3 | 40.9 | 33.8 | 33.7 | ||
| Far Cry 5 (2018) | 39 | 36 | 33 | 23 | ||
| Strange Brigade (2018) | 151.1 | 63.4 | 51.3 | 42.6 | ||
| Shadow of the Tomb Raider (2018) | 40 | 32 | 12 | |||
| Horizon Zero Dawn (2020) | 41 | 36 | 31 | 22 | ||
| F1 23 (2023) | 57.2 | |||||
| Cyberpunk 2077 (2023) | 52.1 | 29 |
Emissionen - Lüfter und Lautsprecher strahlen in die selbe Richtung
Geräuschemissionen
Das Legion Go verfügt über verschiedene Lüftereinstellungen. In unserem Test haben wir den hohen Kühlmodus ausgewählt, in diesem erreichten die Lüfter aber unter keinen Umständen die volle Drehzahl und damit nicht die volle Lautstärke. Trotzdem blieben die Temperaturen des Gerätes in einem erträglichen Bereich. Maximal konnten wir eine Lüfterlautstärke von 37.5 dB(A) im Abstand von 15 cm feststellen, solange die automatische Regelung der Lüfter aktiv war. Allerdings kann man den Lüfter auch manuell steuern. Bei 100 % Leistung ermittelten wir hier 46 dB(A) beim Spielen von Witcher 3 Ultra. Das Lenovo Legion Go erzeugt dabei keine störenden hochfrequenten Töne, sondern eher ein erträgliches Rauschen.
Lautstärkediagramm
| Idle |
| 23 / 23 / 25 dB(A) |
| Last |
| 37 / 37 dB(A) |
![]() | ||
30 dB leise 40 dB(A) deutlich hörbar 50 dB(A) störend |
||
min: | ||
| Lenovo Legion Go Radeon 780M, Z1 Extreme, WD PC SN740 512GB SDDPMQD-512G-1101 | Ayaneo Air 1S Retro Power Radeon 780M, R7 7840U, Ayaneo CyberThunder-2TB | Asus ROG Ally Z1 Extreme Radeon 780M, Z1 Extreme, Micron 2400 MTFDKBK512QFM | One Netbook XPlayer 2 Radeon 680M, R7 6800U | Aokzoe A1 Radeon 680M, R7 6800U | Ayaneo Kun Radeon 780M, R7 7840U, Phison M.2 2280 E18 4000GB | |
|---|---|---|---|---|---|---|
| Geräuschentwicklung | -5% | -1% | -14% | -12% | -18% | |
| aus / Umgebung * (dB) | 23 | 23 -0% | 23.3 -1% | 26.1 -13% | 23 -0% | |
| Idle min * (dB) | 23 | 24.7 -7% | 23.3 -1% | 26.1 -13% | 23.3 -1% | 25.31 -10% |
| Idle avg * (dB) | 23 | 25.2 -10% | 23.3 -1% | 31.6 -37% | 27.1 -18% | 25.31 -10% |
| Idle max * (dB) | 25 | 25.2 -1% | 27.3 -9% | 31.6 -26% | 37.3 -49% | 34.5 -38% |
| Last avg * (dB) | 37 | 32.1 13% | 39.2 -6% | 35.7 4% | 37.4 -1% | 34.9 6% |
| Witcher 3 ultra * (dB) | 46 | 39.2 15% | 43.3 6% | 41.2 10% | ||
| Last max * (dB) | 37 | 47.1 -27% | 39.2 -6% | 43.3 -17% | 46.2 -25% | 50.78 -37% |
* ... kleinere Werte sind besser
Temperatur
Wie viele Tablets und Handhelds gibt auch das Legion Go viel Wärme über den Bildschirm ab. Die abnehmbaren Controller bleiben in allen Testsituationen kühl. Aber bereits im Leerlauf erwärmt sich der Bildschirm des Legion Go deutlich. Tatsächlich sind hier zwischen Leerlauf und Lastszenario auf der Front kaum Unterschiede im Wärmebild zu erkennen.
Im Stresstest können wir nur im Bereich der Lüftungsgitter über dem Prozessor und dem Kühlkörper eine deutliche Erhitzung im Vergleich zum Leerlauf feststellen. Im Wärmebild scheint der ca. 60 °C warme Prozessor deutlich durch das Lüftngsgitter. Die Oberflächen auf der Rückseite erwärmen sich maximal auf erträgliche 40 °C. Mit den Händen kommt man beim Gaming kaum in die Nähe der Hotspots am Gerät.
Stresstest
Nach einer kurzen Boost-Phase pendelt sich die Leistungsaufnahme des Prozessors am Legion Go recht schnell auf 25 bis 28 Watt ein. Diese Leistung wird sehr langfristig gehalten. So zeigt auch der Stresstest mit dem Time Spy Benchmark von 3DMark kaum Veränderungen zwischen den einzelnen Läufen.
Lautsprecher
Besonders laut werden die Lautsprecher vom Legion Go nicht gerade und auch im Hinblick auf die Sound-Qualität lassen sie einiges zu wünschen übrig. Hohe Töne und Bässe werden deutlich reduziert wiedergegeben. Aber beides wäre verkraftbar, wenn da nicht noch zusätzlich der Fakt wäre, dass sich die Lautsprecher des Gaming-Handhelds an der Oberseite des Geräts befinden. So strahlen sie mehr in den Raum als zum Anwender und müssen mit den Geräuschen aus dem Luftauslass wetteifern.
Lenovo Legion Go Audio Analyse
(±) | Mittelmäßig laut spielende Lautsprecher (73.1 dB)
Bass 100 - 315 Hz
(-) | kaum Bass - 16.4% niedriger als der Median
(±) | durchschnittlich lineare Bass-Wiedergabe (8.1% Delta zum Vorgänger)
Mitteltöne 400 - 2000 Hz
(±) | zu hohe Mitten, vom Median 5.2% abweichend
(+) | lineare Mitten (6% Delta zum Vorgänger)
Hochtöne 2 - 16 kHz
(±) | zu hohe Hochtöne, vom Median nur 5.7% abweichend
(±) | durchschnittlich lineare Hochtöne (9.7% Delta zum Vorgänger)
Gesamt im hörbaren Bereich 100 - 16.000 Hz
(±) | hörbarer Bereich ist durchschnittlich linear (22.7% Abstand zum Median)
Im Vergleich zu allen Geräten derselben Klasse
» 90% aller getesteten Geräte dieser Klasse waren besser, 5% vergleichbar, 5% schlechter
» Das beste Gerät hat einen Delta-Wert von 12%, durchschnittlich ist 18%, das schlechteste Gerät hat 23%
Im Vergleich zu allen Geräten im Test
» 66% aller getesteten Geräte waren besser, 6% vergleichbar, 28% schlechter
» Das beste Gerät hat einen Delta-Wert von 4%, durchschnittlich ist 24%, das schlechteste Gerät hat 134%
Ayaneo Air 1S Retro Power Audio Analyse
(+) | Die Lautsprecher können relativ laut spielen (91.7 dB)
Bass 100 - 315 Hz
(-) | kaum Bass - 16% niedriger als der Median
(±) | durchschnittlich lineare Bass-Wiedergabe (10.5% Delta zum Vorgänger)
Mitteltöne 400 - 2000 Hz
(±) | zu hohe Mitten, vom Median 7.4% abweichend
(+) | lineare Mitten (6.7% Delta zum Vorgänger)
Hochtöne 2 - 16 kHz
(+) | ausgeglichene Hochtöne, vom Median nur 4.2% abweichend
(+) | sehr lineare Hochtöne (6.4% Delta zum Vorgänger)
Gesamt im hörbaren Bereich 100 - 16.000 Hz
(±) | hörbarer Bereich ist durchschnittlich linear (18.1% Abstand zum Median)
Im Vergleich zu allen Geräten derselben Klasse
» 43% aller getesteten Geräte dieser Klasse waren besser, 14% vergleichbar, 43% schlechter
» Das beste Gerät hat einen Delta-Wert von 12%, durchschnittlich ist 18%, das schlechteste Gerät hat 23%
Im Vergleich zu allen Geräten im Test
» 37% aller getesteten Geräte waren besser, 8% vergleichbar, 55% schlechter
» Das beste Gerät hat einen Delta-Wert von 4%, durchschnittlich ist 24%, das schlechteste Gerät hat 134%
Asus ROG Ally Z1 Extreme Audio Analyse
(+) | Die Lautsprecher können relativ laut spielen (82.1 dB)
Bass 100 - 315 Hz
(-) | kaum Bass - 15.5% niedriger als der Median
(±) | durchschnittlich lineare Bass-Wiedergabe (8.4% Delta zum Vorgänger)
Mitteltöne 400 - 2000 Hz
(+) | ausgeglichene Mitten, vom Median nur 3.1% abweichend
(+) | lineare Mitten (3% Delta zum Vorgänger)
Hochtöne 2 - 16 kHz
(+) | ausgeglichene Hochtöne, vom Median nur 1.9% abweichend
(+) | sehr lineare Hochtöne (2.3% Delta zum Vorgänger)
Gesamt im hörbaren Bereich 100 - 16.000 Hz
(+) | hörbarer Bereich ist sehr linear (13.5% Abstand zum Median
Im Vergleich zu allen Geräten derselben Klasse
» 26% aller getesteten Geräte dieser Klasse waren besser, 5% vergleichbar, 70% schlechter
» Das beste Gerät hat einen Delta-Wert von 5%, durchschnittlich ist 17%, das schlechteste Gerät hat 45%
Im Vergleich zu allen Geräten im Test
» 14% aller getesteten Geräte waren besser, 4% vergleichbar, 83% schlechter
» Das beste Gerät hat einen Delta-Wert von 4%, durchschnittlich ist 24%, das schlechteste Gerät hat 134%
Energieverwaltung - Kleiner Akku, kurze Laufzeit
Energieaufnahme
Ein USB-C-Netzteil mit 65 Watt ist im Lieferumfang des Legion Go enthalten. Dieses ist ausreichend leistungsstark. Die maximale Leistungsaufnahme des Legion Go ermitteln wir bei rund 55 Watt. Als etwas problematisch bestimmen wir die hohe Stromaufnahme das Gaming-Handhelds im Leerlauf. Diese liegt minimal bei etwas mehr als 11 Watt. Die meisten Laptops und Handhelds kommen hier auf deutlich geringere Werte. Einen Grund für die hohe Leistungsaufnahme verorten wir beim Legion Space. Das Programm arbeitet kontinuierlich im Hintergrund, wird jedoch auch für die Leistungssteuerung des Geräts verantwortlich und für die Übersetzung der Funktionstasten und Tastenkombinationen am Controller. Mit der deaktivierten Anwendung benötigt das Legion Go 3 bis 6 Watt weniger Leistung, aber der Funktionsumfang des Handhelds wird damit auch eingeschränkt.
| Aus / Standby | |
| Idle | |
| Last |
|
Legende:
min: | |
| Lenovo Legion Go Z1 Extreme, Radeon 780M, WD PC SN740 512GB SDDPMQD-512G-1101, IPS, 2560x1600, 8.8" | Ayaneo Air 1S Retro Power R7 7840U, Radeon 780M, Ayaneo CyberThunder-2TB, OLED, 1920x1080, 5.5" | Asus ROG Ally Z1 Extreme Z1 Extreme, Radeon 780M, Micron 2400 MTFDKBK512QFM, IPS, 1920x1080, 7" | One Netbook XPlayer 2 R7 6800U, Radeon 680M, , IPS, 2560x1600, 8.4" | Aokzoe A1 R7 6800U, Radeon 680M, , IPS, 1920x1200, 8" | Ayaneo Kun R7 7840U, Radeon 780M, Phison M.2 2280 E18 4000GB, IPS, 2560x1600, 8.4" | Durchschnittliche AMD Radeon 780M | Durchschnitt der Klasse Handheld / UMPC | |
|---|---|---|---|---|---|---|---|---|
| Stromverbrauch | 29% | 13% | 20% | 6% | -49% | 10% | 25% | |
| Idle min * (Watt) | 11.5 | 7.01 39% | 4.2 63% | 7.2 37% | 8.8 23% | 14 -22% | 6.04 ? 47% | 6.06 ? 47% |
| Idle avg * (Watt) | 12 | 7.91 34% | 6.1 49% | 9.3 22% | 11.3 6% | 17.56 -46% | 8.16 ? 32% | 8.23 ? 31% |
| Idle max * (Watt) | 17.4 | 12.3 29% | 6.3 64% | 9.7 44% | 11.5 34% | 27 -55% | 10.4 ? 40% | 10.3 ? 41% |
| Last avg * (Watt) | 45 | 19.66 56% | 56.6 -26% | 33.1 26% | 32.1 29% | 38.1 15% | 57.6 ? -28% | 41.7 ? 7% |
| Witcher 3 ultra * (Watt) | 42.6 | 38.2 10% | 64.1 -50% | 49.6 -16% | 58.3 -37% | 83.5 -96% | ||
| Last max * (Watt) | 54 | 50 7% | 67.2 -24% | 50.7 6% | 64.5 -19% | 101 -87% | 76.9 ? -42% | 54 ? -0% |
* ... kleinere Werte sind besser
Energieaufnahme Witcher 3 / Stresstest
Energieaufnahme mit externem Monitor
Akkulaufzeit
Nur rund 50 Wattstunden fasst der kleine Akku vom Legion Go. Das größte Gerät unter den Handhelds hat damit einen der kleinsten Akkus. Besonders kräftig sind die Akkus von Ayaneo Kun und OneXPlayer 2.
Das Lenovo Legion enttäuscht damit bei seiner Akkuausdauer. Etwas mehr als 5 Stunden Surfen oder 1,5 Stunden Witcher 3 hält der Akku des Handhelds. Hier wäre etwas mehr Ausdauer wünschenswert, vorwiegend im Hinblick auf den Mobilitätsanspruch, den man an ein Gaming-Handheld stellt. Weit entfernt von der Steckdose fühlt man sich beim Zocken nicht wohl.
| Lenovo Legion Go Z1 Extreme, Radeon 780M, 49.2 Wh | Ayaneo Air 1S Retro Power R7 7840U, Radeon 780M, 37.5 Wh | Asus ROG Ally Z1 Extreme Z1 Extreme, Radeon 780M, 40 Wh | One Netbook XPlayer 2 R7 6800U, Radeon 680M, 65.5 Wh | Aokzoe A1 R7 6800U, Radeon 680M, 65 Wh | Ayaneo Kun R7 7840U, Radeon 780M, 75 Wh | Durchschnitt der Klasse Handheld / UMPC | |
|---|---|---|---|---|---|---|---|
| Akkulaufzeit | -14% | 30% | 75% | 7% | 46% | 82% | |
| WLAN (h) | 6 | 5.9 -2% | 7.8 30% | 10.5 75% | 6.4 7% | 10 67% | 10.8 ? 80% |
| Spielen (h) | 1.6 | 1.2 -25% | 2 25% | 2.94 ? 84% | |||
| H.264 (h) | 3.1 | 9.5 | 14.2 ? | ||||
| Last (h) | 1.1 | 1.3 | 0.8 | 1.513 ? | |||
| Witcher 3 ultra (h) | 1 | 1.6 | 1.7 | 1.2 ? | |||
| Idle (h) | 7.2 | 14.4 ? |
Pro
Contra
Fazit - Kleine Macken verderben den Gesamteindruck
Das Lenovo Legion Go überzeugt bei Ergonomie und Design ohne Wenn und Aber. Mit seinem starken AMD Ryzen Z1 Extreme und der dazugehörigen iGPU ist das Handheld deutlich dazu in der Lage aktuellste Spiele flüssig und in guter Qualität auf den Bildschirm zu bringen. Der FPS-Modus und das 144-Hz-Display sind angenehme Pluspunkte für das Gerät. Aber leider müssen wir feststellen, dass Lenovo nicht den vollen Weg gegangen ist, um ein perfektes Gerät abzuliefern. Der derbste Kritikpunkt ist dabei die geringe Akkuausdauer. Gleich große Geräte wie das ROG Ally, das Ayaneo Kun und der OneXPlayer haben teils deutlich längere Akkulaufzeiten. Aber viele Kleinigkeiten stören eben auch an diesem Gaming Handheld. Das sind unter anderem der wacklige Standfuß, die Kratzerfalle am FPS-Ring, die vom Anwender weg gerichteten Lautsprecher und der Legion Space, welcher hin und wieder ewig benötigt um zu starten und damit das System blockiert oder einfach von kleinen Bugs gestört wird.
An sich zeigt das Gaming-Handheld praktisch keine überragende Leistung, Ausdauer oder Funktion. Denn der FPS-Modus, welcher das einzige Alleinstellungsmerkmal am Gerät ist, ließe sich auch mit einer Bluetooth-Funkmaus und einer entsprechenden Tastatur bewerkstelligen, wäre dabei wohl aber ergonomischer. Viele Spiele benötigen für die vollständige Steuerung mit Maus und Tastatur mehr Tasten, als sie das Legion Go bietet.
Zu 95 % ist das Lenovo Legion Go ein starkes Gaming-Handheld. Die vielen kleinen Schwachstellen trüben den Gesamteindruck deutlich stärker als dies notwendig wäre.
Der Handheld-Markt ist mittlerweile alles andere als überschaubar. Ein Nachteil für Lenovo ist dabei, dass der Hersteller erst verspätet in das Geschäft mit den mobilen Konsolen eingestiegen ist. Was mit dem Steam Deck, welches es mittlerweile als erneuerte Version mit OLED-Display gibt, begonnen hat, hat auch andere Hersteller angelockt. Ayaneo, OneXPlayer und Aokzoe sind mittlerweile zumindest im asiatischen Raum äußerst bekannt und haben etliche Jahre Erfahrung bei der Entwicklung und Herstellung von Handhelds sammeln können. Als Newcomer im Bereich der Handhelds hat es Lenovo schwer da mitzuhalten.
In Sachen reiner Rechenleistung sind Ayaneo Kun und Asus ROG Ally Z1 Extreme deutlich stärker. Wer es möglichst klein und leicht haben möchte, könnte auch das Ayaneo Air 1S bevorzugen. Dank Zubehör wie einer passenden Tastatur, Eingabestift und Funksendern für die abnehmbaren Controller ist der OneXPlayer 2 oder OneXPlayer 2 Pro deutlich vielseitiger als die anderen Handhelds. Für all jene, die entweder eine große Steam-Bibliothek haben oder sich einigermaßen mit Linux auskennen, bleibt auch das Steam Deck.
Update 19.01.2024: In einer vorhergehenden Version des Fazits hieß es, dass das Asus ROG Ally einen größeren Akku als das Legion Go hätte.
Preis und Verfügbarkeit
Ab 799 Euro gibt es das Lenovo Legion Go direkt beim Hersteller. Lenovo bietet das Gaming Handheld regelmäßig um 10 % bis 20 % rabattiert an.
Lenovo Legion Go
- 14.02.2025 v8
Marc Herter
Transparenz
Die Auswahl der zu testenden Geräte erfolgt innerhalb der Redaktion. Das vorliegende Testmuster wurde dem Autor vom Hersteller oder einem Shop zu Testzwecken leihweise zur Verfügung gestellt. Eine Einflussnahme des Leihstellers auf den Testbericht gab es nicht, der Hersteller erhielt keine Version des Reviews vor der Veröffentlichung. Es bestand keine Verpflichtung zur Publikation. Als eigenständiges, unabhängiges Unternehmen unterliegt Notebookcheck keiner Diktion von Herstellern, Shops und Verlagen.
So testet Notebookcheck
Pro Jahr werden von Notebookcheck hunderte Laptops und Smartphones unabhängig in von uns standardisierten technischen Verfahren getestet, um eine Vergleichbarkeit aller Testergebnisse zu gewährleisten. Seit rund 20 Jahren entwickeln wir diese Testmethoden kontinuierlich weiter und setzen damit Branchenstandards. In unseren Testlaboren kommt ausschließlich hochwertiges Messequipment in die Hände erfahrener Techniker und Redakteure. Die Tests unterliegen einer mehrstufigen Kontrolle. Unsere komplexe Gesamtbewertung basiert auf hunderten fundierten Messergebnissen und Benchmarks, womit Ihnen Objektivität garantiert ist. Weitere Informationen zu unseren Testmethoden gibt es hier.




















































