Test Asus ROG Strix G16 G614JZ Laptop: Bühne frei für die RTX 4080

ROG, die Republic of Gamers, das ist die High-End Gaming-Marke von Asus. Darunter tummeln sich mit Flow, Zephyrus und Strix drei Produktlinien, von denen nur die Strix-Laptops klassische Gaming-Laptops sind. Doch auch hier Teilt Asus auf in die ROG Strix und ROG Strix Scar Linie. Prinzipiell sind alle ROG Strix in ähnlichen Ausstattungen wie die ROG Strix Scar Modelle zu bekommen, haben aber ein etwas schlichteres Design. Wobei auch dies relativ ist, denn alle Gaming-Laptops vom taiwanischen Hersteller sind auffällig. Mittlerweile sind die Geräte der ROG Strix G und der Scar Serie etwas zusammen gerückt. Während die 2022er Scar-Modelle noch mit einer Vapor-Chamber gekühlt wurden, sind die Kühlsysteme beider Serien mittlerweile nahezu identisch. Unser Testgerät mit Intel Core i9-13980HX und Nvidia GeForce RTX 4080 gehört dabei zu den bestausgestatteten Geräten. Um die starke Hardware auf erträglichen Betriebstemperaturen zu halten, hat Asus ein massives Kühlsystem mit gleich drei Lüftern verbaut. Flüssigmetall sorgt hier zusätzlich für eine gute Wärmeabfuhr und lange Boosts.
16-Zoll-Gaming-Laptops liegen voll im Trend, so gibt unsere Datenbank eine Vielzahl von Gamern der aktuellen Generation mit ähnlicher Ausstattung her. Auch aus der ROG Strix Serie haben wir bereits einige Laptops der neusten Generation getestet. Darunter das Asus ROG Strix G18 und das Asus ROG Strix Scar 18. Beide Laptops weisen mit RTX 4070 und RTX 4090 andere Grafikchips vor, besitzen aber ein ähnliches Kühlsystem, nahezu idente Motherboards und daher auch ähnliche Werte bei den Powerlimits. Damit ergeben sich interessante Vergleichsmöglichkeiten zwischen den unterschiedlichen Nvidia-Grafikeinheiten.
Das Lenovo Legion Pro 7 und das Razer Blade 16 sind 16-Zoll-Laptops in der gleichen Leistungsklasse wie das ROG Strix G16. Beide Laptops dürften jedoch teurer sein.
Mögliche Konkurrenten im Vergleich
Bew. | Datum | Modell | Gewicht | Dicke | Größe | Auflösung | Preis ab |
|---|---|---|---|---|---|---|---|
| 88.4 % v7 (old) | 03 / 2023 | Asus ROG Strix G16 G614JZ i9-13980HX, GeForce RTX 4080 Laptop GPU | 2.4 kg | 30.4 mm | 16.00" | 2560x1600 | |
| 88 % v7 (old) | 04 / 2023 | Asus Zephyrus Duo 16 GX650PY-NM006W R9 7945HX, GeForce RTX 4090 Laptop GPU | 2.7 kg | 29.7 mm | 16.00" | 2560x1600 | |
| 89.4 % v7 (old) | 02 / 2023 | Lenovo Legion Pro 7 16IRX8H i9-13900HX, GeForce RTX 4080 Laptop GPU | 2.7 kg | 26 mm | 16.00" | 2560x1600 | |
| 86.2 % v7 (old) | 03 / 2023 | Gigabyte AERO 16 OLED BSF i9-13900H, GeForce RTX 4070 Laptop GPU | 2.1 kg | 18 mm | 16.00" | 3840x2400 | |
| 86.2 % v7 (old) | 02 / 2023 | Asus TUF Gaming A16 FA617 R7 7735HS, Radeon RX 7600S | 2.2 kg | 27 mm | 16.00" | 1920x1200 | |
| 91.2 % v7 (old) | 02 / 2023 | Razer Blade 16 Early 2023 i9-13950HX, GeForce RTX 4080 Laptop GPU | 2.4 kg | 21.99 mm | 16.00" | 2560x1600 | |
| 88.4 % v7 (old) | 04 / 2023 | Asus ROG Strix G17 G713PI R9 7945HX, GeForce RTX 4070 Laptop GPU | 2.8 kg | 30.7 mm | 17.30" | 2560x1440 | |
| 87.4 % v7 (old) | 03 / 2023 | Asus ROG Strix G18 G814JI i7-13650HX, GeForce RTX 4070 Laptop GPU | 3 kg | 31 mm | 18.00" | 2560x1600 | |
| 86.6 % v7 (old) | 02 / 2023 | Asus ROG Strix Scar 18 2023 G834JY-N6005W i9-13980HX, GeForce RTX 4090 Laptop GPU | 3.1 kg | 30.8 mm | 18.00" | 2560x1600 | |
| 86.9 % v7 (old) | 11 / 2022 | Asus ROG Strix Scar 17 SE G733CX-LL014W i9-12950HX, GeForce RTX 3080 Ti Laptop GPU | 2.9 kg | 28.3 mm | 17.30" | 2560x1440 | |
| 85 % v7 (old) | 02 / 2021 | Asus ROG Strix G15 G513QR R9 5900HX, GeForce RTX 3070 Laptop GPU | 2.3 kg | 27.2 mm | 15.60" | 1920x1080 |
Gehäuse - Top Design aber die Umsetzung ist verbesserungswürdig
Beim Asus ROG Strix G16 haben sich die Designer mächtig ausgetobt. Kein Bauteil des Laptops kommt ohne Designelemente und verschiedenste Schriftzüge aus. Jedes Bauteil ist zudem auf die eine oder andere Weise 3D-geformt. So ist zum Beispiel die Oberseite der Basis zum Rand hin leicht konkav. Alle Kanten des Laptops sind mit einer Phase versehen. Die Front und Teile der Seiten sind mit einem RGB-Leuchtband ausgestattet. Auch die Tastatur ist RGB-beleuchtet und hebt mit transluzenten Tasten die für das Spielen wichtigsten Bereiche deutlich hervor. Verschiedene Grautöne bestimmen das schicke Gehäuse. Selbst die bei den meisten Notebooks uninteressante Unterseite hat Asus hier mit verschiedenen Designelementen versehen, die teilweise auch zur Kühlung beitragen sollen. Im Vergleich zu den Vorgängermodellen mussten für die Kühlung auch Teile der Anschlüsse von der Rückseite des Laptops verlegt werden. Denn der Kühlkörper verläuft nun entlang der gesamten Rückseite des Laptops. Dadurch kommt der Kühlkörper auf eine Gesamtfläche von über 174 mm². Das Gaming-Notebook wirkt so sehr aggressiv. Der Bildschirm im 16:10-Format lässt sich mit einer Hand um 130° aufklappen. Dabei sind die Scharniere recht schwergängig, halten das 16 Zoll (ca. 41 cm) große Display aber in jeder erdenklichen Position.
Statt viel Design könnte man sich hier eine bessere Qualität und Verarbeitung des Gehäuses wünschen. Bis auf den Displaydeckel sind alle Teile aus Kunststoff. Viele Elemente wirken einfach aufgesetzt und weisen unschöne Spaltmaße auf. So etwa die Leiste über den Scharnieren. Am schlimmsten trifft es jedoch das Webcam-Modul. Neben größeren Spalten ragt dieses im geschlossenen Zustand weit heraus. Dadurch wirkt die Webcam ein wenig wie nachträglich angebracht. Aus der Ferne wirkt das Gaming-Notebook hochwertig, während es im Detail Schwächen vorweist. Immerhin ist der 16-Zöller stabiler als sein 18-Zöller-Pendant. Beim ROG Strix G18 mussten wir die Stabilität der Baseunit deutlich bemängeln.
Bei Größe und Gewicht liegen die aktuellen 16-Zoll-Gaming-Laptops dicht beieinander. Fast alle Modelle wiegen ohne Netzteil zwischen zwei und drei Kilogramm. Bei unserem Testgerät kommt im Rucksack noch knapp ein Kilogramm Netzteil hinzu, sodass man rund 3,3 Kilogramm Laptop mit sich herumschleppen muss. Allerdings ist einzig das Gigabyte AERO 16 ist deutlich schlanker als die anderen 16-Zöller aus unserer Datenbank.
Ausstattung - Thunderbolt 4 und schnelles Wi-Fi 6E
Das Gros der Anschlüsse vom ROG Strix G16 konzentriert sich auf der linken Seite des Notebooks. Rechts finden sich dagegen nur zwei USB-Anschlüsse. Die beiden USB-Typ-C-Buchsen auf der linken Seite teilen sich ihre Aufgaben. Während die hintere Thunderbolt 4 und DisplayPort unterstützt, bietet die fordere PowerDelivery und DisplayPort. Die Spannungsversorgung per USB-C ist recht eingeschränkt. Der Laptop verlangt 20 Volt Spannungsausgabe und zieht dort maximal 100 Watt. So ist die volle Leistung des Laptops per USB-C-PowerDelivery nicht abrufbar.
Kommunikation
Intels Wi-Fi 6E AX211 Modul sorgt im Asus-Gaming-Laptop für eine schnelle Verbindung mit dem lokalen Netzwerk und ist damit auf dem aktuellen Stand der Technik. Die Verbindungsgeschwindigkeiten im Up- und Download sind dabei leicht überdurchschnittlich, aber wir haben bereits noch stärkere Ergebnisse mit Intels WLAN-ax-Modul gesehen.
Webcam
Mit der Bildqualität einer Lochkamera kann die 720p-Webcam dieses Laptops nicht überzeugen. Nur bei guter Beleuchtung sind die Bilder einigermaßen brauchbar. Ansonsten verschluckt die Rauschunterdrückung alle Details. Zum Rand hin wird die Kamera des ROG Strix G16 zudem sehr unscharf. Immerhin liefern die drei Mikrofone neben der Webcam einen recht guten Ton.

Sicherheit
Einen Fingerabdruckscanner oder andere Sicherheitsfeatures sucht man hier vergebens. Einzig die Schutzmaßnahmen des Intel Core i9 wie etwa TPM 2.0 stehen bereit.
Zubehör
Viel mehr als das 330-Watt-Netzteil und etwas Papierkram zum Gaminglaptop finden wir nicht im Karton. Bei der Verpackung verzichtet Asus weitestgehend auf Plastik und hüllt nur den Laptop in eine Schutzfolie.
Wartung
Elf PH1-Schrauben fixieren die Basisabdeckung des Gaming-Notebooks. Hier sollte man sich von der Rückseite des Notebooks zur Vorderseite vorarbeiten und die Schraube vorne rechts zuletzt lösen. Diese ist nämlich mit einem Sicherungsring versehen, der dafür sorgt, dass ein Teil der Abdeckung angehoben wird. Dadurch wird ein leichter Zugang für ein Kunststofföffnungswerkzeug geschaffen. Mehrere Klammern halten den Deckel in Position. Mit dem Werkzeug wird der Boden rundum geöffnet. Genauere Informationen wie der Laptop zu öffnen ist, und welche Bauteile getauscht werden können, liefert das Wartungsmanual von Asus.
Im Inneren des Laptops treffen wir auf ein recht wartungsfreundliches Gerät. Zwei RAM-Steckplätze (beide belegt), zwei M.2-Steckplätze (einer belegt) und das austauschbare WLAN-Modul finden wir vor. Auch der 90Wh Akku ließe sich leicht austauschen. Er ist nicht verklebt.
Garantie
Asus bietet das ROG Strix G16 in Europa mit einer zweijährigen Herstellergarantie an.
Eingabegeräte - Gute Tastatur, aber nicht mechanisch
Tastatur
Das ROG Strix G16 ist mit einer Chiclet-Tastatur ausgestattet, die jedoch durch einen 1,9 mm großen Tastenhub und ordentliches haptisches Feedback ein angenehmes Tippgefühl vermittelt. Das Design der Tastatur ist typisch für Gaming Laptops. So sind die Tasten mit einer RBG-Beleuchtung in Szene gesetzt. Zusätzlich sind die für das Gaming wichtigsten Tasten hervorgehoben. Alle Schaltflächen sind als Fullsize-Tasten ausgeführt, was allerdings dazu führt, dass es um die Pfeiltasten auf der rechten Seite recht eng wird. Im Eifer des Gefechts könnte man hier schnell auf der falschen Taste landen. An sich würde der Laptop genügend Platz bieten, um die Pfeiltasten etwas nach unten zu verlegen. Beim Tippen von Texten muss man sich jedoch auch an die verkürzte Umschalttaste gewöhnen.
Über den Funktionstasten befinden sich noch fünf Tasten, die mit verschiedenen Makros belegt werden können. Allerdings sind die Makro-Tasten sehr weit von der Handballenauflage entfernt. Je nach Handgröße sind sie so nur recht schwer erreichbar, ohne die Handposition zu verändern.
Touchpad
Das Clickpad des Gaming-Notebooks ist mit 13 × 8,5 cm erfreulich groß und so positioniert, dass es bei der Bedienung der Tastatur nicht stört. Durch die Glasoberfläche dürfte es lange seine seidenmatte Struktur behalten. Diese hat eine angenehme Haptik und Gleitfähigkeit. Das Clickpad selbst reagiert bis in die Ecken schnell und präzise auf alle Eingaben.
Display - reaktionsschnelles QHD+ im 16:10-Format
QHD+ Auflösung im 16:10 Format bietet das IPS Display. Seine Bildwiederholrate liegt bei 240 Hz. Die beworbene Reaktionszeit von 3 ms erreicht der Bildschirm hier nicht, teilweise verdoppelt sich der Wert sogar. Auch bei der Helligkeit kommen wir nicht ganz an die 500 cd/m² heran, die Asus im Datenblatt verspricht. Alles in allem haben wir hier aber immer noch ein solides Display mit matter Oberfläche und hoher DisplayP3 Farbraumabdeckung vor uns. Sichtbare Ausleuchtungsfehler finden wir hier nicht.
Allerdings gibt es eine Sache, die beim Spielen stören könnte. Die Status-LEDs des Asus ROG Strix G16 befinden sich direkt unter dem Bildschirm. Vor allem die Speicherzugriffs-LED blinkt beim Spielen häufiger und lenkt so gerade bei actionreichen Spielen ab. Wir ertappen uns immer wieder dabei, wie das Blinken die Aufmerksamkeit vom Spielgeschehen ablenkt. Für ein immersives Spielerlebnis hilft hier wohl nur ein Streifen schwarzes Klebeband.
| |||||||||||||||||||||||||
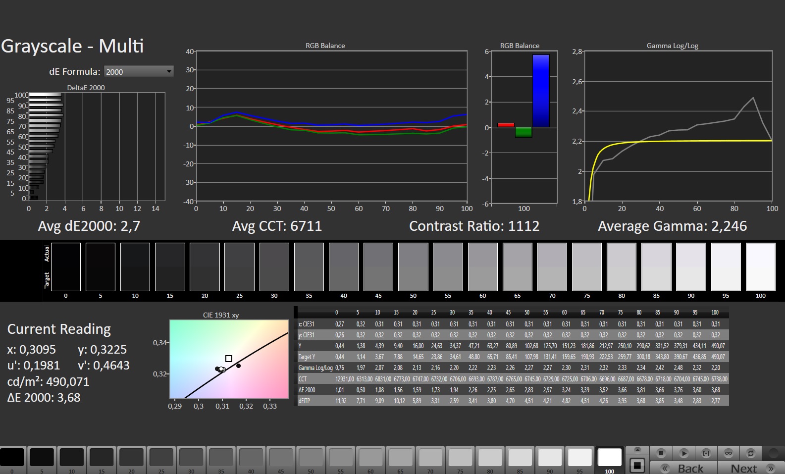
Ausleuchtung: 93 %
Helligkeit Akku: 470 cd/m²
Kontrast: 1119:1 (Schwarzwert: 0.42 cd/m²)
ΔE ColorChecker Calman: 1.86 | ∀{0.5-29.43 Ø4.74}
calibrated: 0.93
ΔE Greyscale Calman: 2.7 | ∀{0.09-98 Ø4.99}
84.9% AdobeRGB 1998 (Argyll 3D)
99.9% sRGB (Argyll 3D)
97% Display P3 (Argyll 3D)
Gamma: 2.246
CCT: 6711 K
| Asus ROG Strix G16 G614JZ TL160ADMP03-0, IPS, 2560x1600, 16" | Asus Zephyrus Duo 16 GX650PY-NM006W NE160QDM-NM4, MiniLED, 2560x1600, 16" | Lenovo Legion Pro 7 16IRX8H MNG007DA2-3 (CSO1628), IPS, 2560x1600, 16" | Gigabyte AERO 16 OLED BSF Samsung SDC4191 (ATNA60YV09-0, OLED, 3840x2400, 16" | Asus TUF Gaming A16 FA617 NE160WUM-NX2 (BOE0B33), IPS-Level, 1920x1200, 16" | Razer Blade 16 Early 2023 CSOT T3 MNG007DA4-1, IPS, 2560x1600, 16" | |
|---|---|---|---|---|---|---|
| Display | 3% | -15% | 6% | -15% | 3% | |
| Display P3 Coverage (%) | 97 | 99.4 2% | 69.1 -29% | 99.9 3% | 69.4 -28% | 98.5 2% |
| sRGB Coverage (%) | 99.9 | 100 0% | 99.7 0% | 100 0% | 97.8 -2% | 100 0% |
| AdobeRGB 1998 Coverage (%) | 84.9 | 90.8 7% | 71.2 -16% | 96.4 14% | 70.9 -16% | 89.7 6% |
| Response Times | -193% | -65% | 66% | -143% | -56% | |
| Response Time Grey 50% / Grey 80% * (ms) | 5.1 ? | 15.2 ? -198% | 12.3 ? -141% | 2 ? 61% | 17 ? -233% | 6.6 ? -29% |
| Response Time Black / White * (ms) | 6.6 ? | 19 ? -188% | 5.9 ? 11% | 1.98 ? 70% | 10.1 ? -53% | 12 ? -82% |
| PWM Frequency (Hz) | 12000 ? | 60 | ||||
| Bildschirm | 108% | 22% | 117% | 5% | -13% | |
| Helligkeit Bildmitte (cd/m²) | 470 | 712 51% | 511 9% | 389.97 -17% | 308 -34% | 456.8 -3% |
| Brightness (cd/m²) | 459 | 703 53% | 469 2% | 395 -14% | 293 -36% | 437 -5% |
| Brightness Distribution (%) | 93 | 95 2% | 86 -8% | 97 4% | 90 -3% | 83 -11% |
| Schwarzwert * (cd/m²) | 0.42 | 0.07 83% | 0.4 5% | 0.03 93% | 0.23 45% | 0.35 17% |
| Kontrast (:1) | 1119 | 10171 809% | 1278 14% | 12999 1062% | 1339 20% | 1305 17% |
| Delta E Colorchecker * | 1.86 | 1.7 9% | 0.95 49% | 2 -8% | 1.47 21% | 3.7 -99% |
| Colorchecker dE 2000 max. * | 3.87 | 4 -3% | 2.07 47% | 4.1 -6% | 2.98 23% | 6.42 -66% |
| Colorchecker dE 2000 calibrated * | 0.93 | 1.2 -29% | 0.91 2% | 1.68 -81% | 1.02 -10% | 0.66 29% |
| Delta E Graustufen * | 2.7 | 2.8 -4% | 0.6 78% | 2.23 17% | 2.2 19% | 2.6 4% |
| Gamma | 2.246 98% | 2.21 100% | 2.176 101% | 2.41 91% | 2.228 99% | 2.3 96% |
| CCT | 6711 97% | 6978 93% | 6545 99% | 6323 103% | 6228 104% | 6108 106% |
| Durchschnitt gesamt (Programm / Settings) | -27% /
42% | -19% /
2% | 63% /
86% | -51% /
-21% | -22% /
-16% |
* ... kleinere Werte sind besser
Das Asus ROG Strix G16 wird ab Werk mit einem gut kalibrierten Display ausgeliefert. Keine der mittleren Farbabweichungen liegt über einem ΔΕ2000 von 2. Mit unserem ICC-Profil aus der Infobox sinken die Farbabweichungen deutlich unter einen ΔΕ2000 von 1, die Maximalwerte bleiben aber fast unverändert knapp über einem ΔΕ2000 von 3.
Für Cineasten dürfte auch der zu 97 % abgedeckte DisplayP3-Farbraum erfreulich sein. Für das Zocken reicht aber meist der zu fast 100 % abgedeckte sRGB-Farbraum aus. Nur wenige Spiele bieten die Auswahl eines größeren Farbraumes an. Einzig bei AdobeRGB schwächelt der Bildschirm etwas. Der für Fotografen so wichtige Farbraum wird nur zu etwa 85 % korrekt dargestellt.
Reaktionszeiten (Response Times) des Displays
| ↔ Reaktionszeiten Schwarz zu Weiß | ||
|---|---|---|
| 6.6 ms ... steigend ↗ und fallend ↘ kombiniert | ↗ 2.2 ms steigend | |
| ↘ 4.2 ms fallend | ||
| Die gemessenen Reaktionszeiten sind sehr kurz, wodurch sich der Bildschirm auch für schnelle 3D Spiele eignen sollte. Im Vergleich rangierten die bei uns getesteten Geräte von 0.1 (Minimum) zu 240 (Maximum) ms. » 20 % aller Screens waren schneller als der getestete. Daher sind die gemessenen Reaktionszeiten besser als der Durchschnitt aller vermessenen Geräte (20 ms). | ||
| ↔ Reaktionszeiten 50% Grau zu 80% Grau | ||
| 5.1 ms ... steigend ↗ und fallend ↘ kombiniert | ↗ 2.3 ms steigend | |
| ↘ 2.8 ms fallend | ||
| Die gemessenen Reaktionszeiten sind sehr kurz, wodurch sich der Bildschirm auch für schnelle 3D Spiele eignen sollte. Im Vergleich rangierten die bei uns getesteten Geräte von 0.165 (Minimum) zu 636 (Maximum) ms. » 17 % aller Screens waren schneller als der getestete. Daher sind die gemessenen Reaktionszeiten besser als der Durchschnitt aller vermessenen Geräte (31.3 ms). | ||
Bildschirm-Flackern / PWM (Pulse-Width Modulation)
| Flackern / PWM nicht festgestellt | |||
Im Vergleich: 53 % aller getesteten Geräte nutzten kein PWM um die Helligkeit zu reduzieren. Wenn PWM eingesetzt wurde, dann bei einer Frequenz von durchschnittlich 7917 (Minimum 5, Maximum 343500) Hz. | |||
470 cd/m² bei einem Kontrastverhältnis von 1119:1 reichen nicht ganz aus, um sich im Freien uneingeschränkt auf den matten Bildschirm des Gaming-Notebooks verlassen zu können. Ein blauer Himmel kann sich im Bildschirm spiegeln und das Ablesen erschweren, wenn man nicht aus dem richtigen Blickwinkel schaut. Glücklicherweise ist der Bildschirm des Asus ROG Strix G16 sehr blickwinkelstabil. Von allen Seiten betrachtet liefert es ein Bild mit kaum wahrnehmbaren Helligkeits- und Farbabweichungen.
Leistung - Bis zu 175 Watt für die GeForce RTX 4080
Das Asus ROG Strix G16 ist in verschiedenen Konfigurationen erhältlich. Die Topausstattung besteht hier aus einem Intel Core i9-13980HX mit 32 GB Arbeitsspeicher und einer Nvidia GeForce RTX 4080. Unser Testgerät kommt mit 16 GByte DDR5-Arbeitsspeicher und setzt sonst auf die bestmögliche Ausstattung. Dank hoher TDP- und TGP-Werte sind dem Gaming kaum Grenzen gesetzt. Auf höchsten Qualitätseinstellungen werden viele aktuelle Titel im ROG Strix auf der nativen QHD+ Auflösung des Displays mit deutlich über 60 FPS dargestellt.
Leistungssteuerung und Testbedingungen
Die Leistung des ROG Strix G16 kann über die umfangreiche Armoury Crate App gesteuert werden. Neben der Leistung werden auch die RGB-Beleuchtung, das Display und weitere Funktionen gesteuert. In der App stehen drei vordefinierte Leistungsprofile zur Auswahl. Leise, Leistung und Turbo nennt Asus die Einstellungen. Dazu kommen noch Einstellungen für die RTX 4080. Je nach GPU Modus gibt es einen Mischbetrieb oder es wird nur die iGPU des i9 oder nur die Nvidia Grafik als GPU verwendet. Umgeschaltet wird per MUX, so ist das Display immer direkt mit der aktiven Grafikeinheit verbunden. Wer möchte, kann im manuellen Modus noch das letzte Gaming-Potential aus dem Notebook herauskitzeln und verschiedenste Einstellungen vornehmen. So lassen sich Lüfterkurven, TGP, Dynamic Boost, PL1 und PL2 sowie Temperaturlimits einstellen. Overclocker kommen hier etwas auf ihre Kosten, auch wenn Asus mit harten Limits dem Ganzen einen deutlichen Riegel vorschiebt. Immerhin lässt sich so die Leistung des Laptops an die Anforderungen mancher Spiele anpassen. GPU oder CPU werden so nicht so schnell zum Flaschenhals für die Performance. Allerdings ist die App noch nicht zu 100 % auf die deutsche Sprache angepasst. An einigen Stellen werden Hinweise mitten im Satz abgeschnitten.
Die verschiedenen Einstellungen von Armoury Crate verändern die TGP- und TDP-Werte relativ stark. So kann der Prozessor im Turbo-Modus langfristig mit rund 130 Watt arbeiten, im Leise-Modus nur mit rund 70 Watt. Im Stresstest mit Prime95 und Furmark arbeiten Intel Core i9 und Nvidia GeForce RTX 4080 mit einer kombinierten Leistung von rund 210 Watt im Turbo- und 95 Watt im Silent-Modus. Genauere Werte lassen sich aus den Logs unten ablesen. Bei genauerer Betrachtung fällt auf: Während die Leistungswerte der Hardware in Watt je nach Betriebsmodus zum Teil sehr weit auseinander liegen, sind die effektiven Taktraten von Prozessor und Grafikchip gar nicht so weit auseinander.
Deutliche Unterschiede stellen wir hingegen bei der Lautstärke des Notebooks fest. Im leisen Modus verursachen die drei Lüfter ca. 40 dB(A). Der Turbomodus liegt bei ca. 51 dB(A). Da die dB-Skala logarithmisch ist, verdoppelt sich somit die wahrgenommene Lautstärke des ROG Strix G16. Unsere Messungen und Benchmarks wurden hauptsächlich im GPU-Modus Standard und im Performance-Modus durchgeführt.
Prozessor
Raptor-Lake ist der Name von Intels 13. Prozessorgeneration, die den Intel Core i9-13980HX hervorgebracht hat. Die High-End-CPU ist für größere Notebooks mit starker Kühlung konzipiert. Dank acht P-Kernen und 16 E-Kernen kommt der i9 auf 32 Threads. Im Asus-Gaming-Notebook arbeitet die CPU laut HWinfo deutlich über den von Intel empfohlenen TDP-Werten. Im Turbo-Modus sind bis zu 130 Watt Dauerleistung möglich.
Im Performance-Modus fällt auf, dass die Lüfter im Cinebench R15 Loop wiederholt recht spät anspringen. Dies erklärt den starken Leistungsabfall nach den ersten drei Durchläufen. Kurz darauf stabilisiert sich die Kühlung jedoch wieder und der Prozessor kann auf hohem Niveau weiterarbeiten. Der starke Leistungseinbruch tritt bei uns nur in diesem speziellen Benchmark auf. Nach jedem Lauf wird der Cinebench neu gestartet, so dass der Prozessor zwischen den Läufen ein bis drei Sekunden Zeit hat, sich zu erholen. Dies kann aber auch dazu führen, dass die Leistungssteuerung erst verzögert auf das Lastszenario reagiert. Im Loop mit Cinebench R23 konnten wir keinen so starken Leistungseinbruch provozieren. Hier sind die Zeiten zwischen den einzelnen Durchläufen etwas kürzer. Nach zwei starken Läufen mit über 30.000 Punkten hält sich das ROG Strix G16 im CB R23 Loop über 10 Minuten bei Werten um die 29.000 Punkte. Im Akkubetrieb fällt die Multicore-Performance um rund 30% auf etwa 20.000 Punkte.
Insgesamt zeigt sich der Intel Core i9 im ROG Strix G16 ziemlich stark. Durchgängig sind hier die Benchmarkergebnisse auf Spitzenniveau. Gegen den Ryzen 9 im Asus Zephyrus Duo 16 kommt der i9 aber oft nicht an.
Cinebench R15 Multi Dauertest
Cinebench R23: Multi Core | Single Core
Cinebench R20: CPU (Multi Core) | CPU (Single Core)
Cinebench R15: CPU Multi 64Bit | CPU Single 64Bit
Blender: v2.79 BMW27 CPU
7-Zip 18.03: 7z b 4 | 7z b 4 -mmt1
Geekbench 5.5: Multi-Core | Single-Core
HWBOT x265 Benchmark v2.2: 4k Preset
LibreOffice : 20 Documents To PDF
R Benchmark 2.5: Overall mean
| CPU Performance Rating | |
| Asus Zephyrus Duo 16 GX650PY-NM006W | |
| Lenovo Legion Pro 7 16IRX8H | |
| Durchschnittliche Intel Core i9-13980HX | |
| Asus ROG Strix G16 G614JZ | |
| Razer Blade 16 Early 2023 | |
| Durchschnitt der Klasse Gaming | |
| Gigabyte AERO 16 OLED BSF | |
| Asus TUF Gaming A16 FA617 | |
| Cinebench R23 / Multi Core | |
| Asus Zephyrus Duo 16 GX650PY-NM006W | |
| Durchschnittliche Intel Core i9-13980HX (28301 - 33052, n=11) | |
| Lenovo Legion Pro 7 16IRX8H | |
| Asus ROG Strix G16 G614JZ | |
| Razer Blade 16 Early 2023 | |
| Durchschnitt der Klasse Gaming (10488 - 40970, n=125, der letzten 2 Jahre) | |
| Gigabyte AERO 16 OLED BSF | |
| Asus TUF Gaming A16 FA617 | |
| Cinebench R23 / Single Core | |
| Asus ROG Strix G16 G614JZ | |
| Durchschnittliche Intel Core i9-13980HX (1825 - 2169, n=9) | |
| Lenovo Legion Pro 7 16IRX8H | |
| Razer Blade 16 Early 2023 | |
| Durchschnitt der Klasse Gaming (1166 - 2267, n=125, der letzten 2 Jahre) | |
| Asus Zephyrus Duo 16 GX650PY-NM006W | |
| Gigabyte AERO 16 OLED BSF | |
| Asus TUF Gaming A16 FA617 | |
| Cinebench R20 / CPU (Multi Core) | |
| Asus Zephyrus Duo 16 GX650PY-NM006W | |
| Durchschnittliche Intel Core i9-13980HX (10353 - 12437, n=10) | |
| Asus ROG Strix G16 G614JZ | |
| Lenovo Legion Pro 7 16IRX8H | |
| Durchschnitt der Klasse Gaming (4029 - 16108, n=124, der letzten 2 Jahre) | |
| Razer Blade 16 Early 2023 | |
| Gigabyte AERO 16 OLED BSF | |
| Asus TUF Gaming A16 FA617 | |
| Cinebench R20 / CPU (Single Core) | |
| Asus ROG Strix G16 G614JZ | |
| Durchschnittliche Intel Core i9-13980HX (717 - 825, n=10) | |
| Lenovo Legion Pro 7 16IRX8H | |
| Durchschnitt der Klasse Gaming (442 - 870, n=124, der letzten 2 Jahre) | |
| Asus Zephyrus Duo 16 GX650PY-NM006W | |
| Razer Blade 16 Early 2023 | |
| Gigabyte AERO 16 OLED BSF | |
| Asus TUF Gaming A16 FA617 | |
| Cinebench R15 / CPU Multi 64Bit | |
| Asus Zephyrus Duo 16 GX650PY-NM006W | |
| Lenovo Legion Pro 7 16IRX8H | |
| Asus ROG Strix G16 G614JZ | |
| Asus ROG Strix G16 G614JZ | |
| Durchschnittliche Intel Core i9-13980HX (4358 - 5172, n=11) | |
| Razer Blade 16 Early 2023 | |
| Durchschnitt der Klasse Gaming (1578 - 6271, n=125, der letzten 2 Jahre) | |
| Gigabyte AERO 16 OLED BSF | |
| Asus TUF Gaming A16 FA617 | |
| Cinebench R15 / CPU Single 64Bit | |
| Asus Zephyrus Duo 16 GX650PY-NM006W | |
| Asus ROG Strix G16 G614JZ | |
| Asus ROG Strix G16 G614JZ | |
| Durchschnittliche Intel Core i9-13980HX (289 - 312, n=11) | |
| Lenovo Legion Pro 7 16IRX8H | |
| Durchschnitt der Klasse Gaming (188.8 - 343, n=124, der letzten 2 Jahre) | |
| Razer Blade 16 Early 2023 | |
| Asus TUF Gaming A16 FA617 | |
| Gigabyte AERO 16 OLED BSF | |
| Blender / v2.79 BMW27 CPU | |
| Asus TUF Gaming A16 FA617 | |
| Gigabyte AERO 16 OLED BSF | |
| Durchschnitt der Klasse Gaming (80 - 330, n=121, der letzten 2 Jahre) | |
| Razer Blade 16 Early 2023 | |
| Durchschnittliche Intel Core i9-13980HX (97 - 136, n=10) | |
| Asus ROG Strix G16 G614JZ | |
| Lenovo Legion Pro 7 16IRX8H | |
| Asus Zephyrus Duo 16 GX650PY-NM006W | |
| 7-Zip 18.03 / 7z b 4 | |
| Asus Zephyrus Duo 16 GX650PY-NM006W | |
| Lenovo Legion Pro 7 16IRX8H | |
| Durchschnittliche Intel Core i9-13980HX (104616 - 129804, n=10) | |
| Asus ROG Strix G16 G614JZ | |
| Razer Blade 16 Early 2023 | |
| Durchschnitt der Klasse Gaming (33491 - 148086, n=122, der letzten 2 Jahre) | |
| Gigabyte AERO 16 OLED BSF | |
| Asus TUF Gaming A16 FA617 | |
| 7-Zip 18.03 / 7z b 4 -mmt1 | |
| Asus Zephyrus Duo 16 GX650PY-NM006W | |
| Lenovo Legion Pro 7 16IRX8H | |
| Durchschnittliche Intel Core i9-13980HX (6230 - 7163, n=10) | |
| Asus ROG Strix G16 G614JZ | |
| Razer Blade 16 Early 2023 | |
| Durchschnitt der Klasse Gaming (4199 - 7508, n=122, der letzten 2 Jahre) | |
| Asus TUF Gaming A16 FA617 | |
| Gigabyte AERO 16 OLED BSF | |
| Geekbench 5.5 / Multi-Core | |
| Lenovo Legion Pro 7 16IRX8H | |
| Durchschnittliche Intel Core i9-13980HX (18475 - 22200, n=10) | |
| Asus Zephyrus Duo 16 GX650PY-NM006W | |
| Asus ROG Strix G16 G614JZ | |
| Razer Blade 16 Early 2023 | |
| Durchschnitt der Klasse Gaming (6460 - 27010, n=122, der letzten 2 Jahre) | |
| Gigabyte AERO 16 OLED BSF | |
| Asus TUF Gaming A16 FA617 | |
| Geekbench 5.5 / Single-Core | |
| Asus Zephyrus Duo 16 GX650PY-NM006W | |
| Durchschnittliche Intel Core i9-13980HX (1796 - 2139, n=10) | |
| Asus ROG Strix G16 G614JZ | |
| Lenovo Legion Pro 7 16IRX8H | |
| Durchschnitt der Klasse Gaming (986 - 2474, n=122, der letzten 2 Jahre) | |
| Razer Blade 16 Early 2023 | |
| Gigabyte AERO 16 OLED BSF | |
| Asus TUF Gaming A16 FA617 | |
| HWBOT x265 Benchmark v2.2 / 4k Preset | |
| Asus Zephyrus Duo 16 GX650PY-NM006W | |
| Lenovo Legion Pro 7 16IRX8H | |
| Durchschnittliche Intel Core i9-13980HX (27 - 33.4, n=9) | |
| Asus ROG Strix G16 G614JZ | |
| Razer Blade 16 Early 2023 | |
| Durchschnitt der Klasse Gaming (11.5 - 44.3, n=122, der letzten 2 Jahre) | |
| Gigabyte AERO 16 OLED BSF | |
| Asus TUF Gaming A16 FA617 | |
| LibreOffice / 20 Documents To PDF | |
| Asus Zephyrus Duo 16 GX650PY-NM006W | |
| Asus TUF Gaming A16 FA617 | |
| Gigabyte AERO 16 OLED BSF | |
| Durchschnitt der Klasse Gaming (19 - 88.8, n=122, der letzten 2 Jahre) | |
| Asus ROG Strix G16 G614JZ | |
| Razer Blade 16 Early 2023 | |
| Lenovo Legion Pro 7 16IRX8H | |
| Durchschnittliche Intel Core i9-13980HX (35 - 51.4, n=10) | |
| R Benchmark 2.5 / Overall mean | |
| Asus TUF Gaming A16 FA617 | |
| Gigabyte AERO 16 OLED BSF | |
| Durchschnitt der Klasse Gaming (0.3439 - 0.759, n=123, der letzten 2 Jahre) | |
| Razer Blade 16 Early 2023 | |
| Asus Zephyrus Duo 16 GX650PY-NM006W | |
| Lenovo Legion Pro 7 16IRX8H | |
| Durchschnittliche Intel Core i9-13980HX (0.3793 - 0.4462, n=10) | |
| Asus ROG Strix G16 G614JZ | |
* ... kleinere Werte sind besser
AIDA64: FP32 Ray-Trace | FPU Julia | CPU SHA3 | CPU Queen | FPU SinJulia | FPU Mandel | CPU AES | CPU ZLib | FP64 Ray-Trace | CPU PhotoWorxx
| Performance Rating | |
| Lenovo Legion Pro 7 16IRX8H | |
| Durchschnittliche Intel Core i9-13980HX | |
| Asus ROG Strix G16 G614JZ | |
| Durchschnitt der Klasse Gaming | |
| Razer Blade 16 Early 2023 | |
| Gigabyte AERO 16 OLED BSF | |
| Asus TUF Gaming A16 FA617 | |
| AIDA64 / FP32 Ray-Trace | |
| Durchschnitt der Klasse Gaming (10227 - 85542, n=122, der letzten 2 Jahre) | |
| Asus ROG Strix G16 G614JZ | |
| Lenovo Legion Pro 7 16IRX8H | |
| Durchschnittliche Intel Core i9-13980HX (21332 - 29553, n=9) | |
| Razer Blade 16 Early 2023 | |
| Razer Blade 16 Early 2023 | |
| Razer Blade 16 Early 2023 | |
| Gigabyte AERO 16 OLED BSF | |
| Asus TUF Gaming A16 FA617 | |
| AIDA64 / FPU Julia | |
| Lenovo Legion Pro 7 16IRX8H | |
| Durchschnittliche Intel Core i9-13980HX (108001 - 148168, n=9) | |
| Durchschnitt der Klasse Gaming (51376 - 238426, n=122, der letzten 2 Jahre) | |
| Asus ROG Strix G16 G614JZ | |
| Razer Blade 16 Early 2023 | |
| Razer Blade 16 Early 2023 | |
| Razer Blade 16 Early 2023 | |
| Asus TUF Gaming A16 FA617 | |
| Gigabyte AERO 16 OLED BSF | |
| AIDA64 / CPU SHA3 | |
| Lenovo Legion Pro 7 16IRX8H | |
| Asus ROG Strix G16 G614JZ | |
| Durchschnittliche Intel Core i9-13980HX (5264 - 7142, n=9) | |
| Razer Blade 16 Early 2023 | |
| Razer Blade 16 Early 2023 | |
| Razer Blade 16 Early 2023 | |
| Durchschnitt der Klasse Gaming (2180 - 9817, n=122, der letzten 2 Jahre) | |
| Gigabyte AERO 16 OLED BSF | |
| Asus TUF Gaming A16 FA617 | |
| AIDA64 / CPU Queen | |
| Asus ROG Strix G16 G614JZ | |
| Durchschnittliche Intel Core i9-13980HX (126758 - 143409, n=9) | |
| Razer Blade 16 Early 2023 | |
| Razer Blade 16 Early 2023 | |
| Lenovo Legion Pro 7 16IRX8H | |
| Durchschnitt der Klasse Gaming (49785 - 173351, n=119, der letzten 2 Jahre) | |
| Asus TUF Gaming A16 FA617 | |
| Gigabyte AERO 16 OLED BSF | |
| AIDA64 / FPU SinJulia | |
| Asus ROG Strix G16 G614JZ | |
| Durchschnittliche Intel Core i9-13980HX (13785 - 17117, n=9) | |
| Razer Blade 16 Early 2023 | |
| Razer Blade 16 Early 2023 | |
| Razer Blade 16 Early 2023 | |
| Lenovo Legion Pro 7 16IRX8H | |
| Durchschnitt der Klasse Gaming (4424 - 33636, n=122, der letzten 2 Jahre) | |
| Asus TUF Gaming A16 FA617 | |
| Gigabyte AERO 16 OLED BSF | |
| AIDA64 / FPU Mandel | |
| Durchschnitt der Klasse Gaming (25115 - 128721, n=122, der letzten 2 Jahre) | |
| Lenovo Legion Pro 7 16IRX8H | |
| Durchschnittliche Intel Core i9-13980HX (53398 - 73758, n=9) | |
| Asus ROG Strix G16 G614JZ | |
| Razer Blade 16 Early 2023 | |
| Razer Blade 16 Early 2023 | |
| Razer Blade 16 Early 2023 | |
| Asus TUF Gaming A16 FA617 | |
| Gigabyte AERO 16 OLED BSF | |
| AIDA64 / CPU AES | |
| Razer Blade 16 Early 2023 | |
| Razer Blade 16 Early 2023 | |
| Razer Blade 16 Early 2023 | |
| Gigabyte AERO 16 OLED BSF | |
| Asus ROG Strix G16 G614JZ | |
| Lenovo Legion Pro 7 16IRX8H | |
| Durchschnittliche Intel Core i9-13980HX (105169 - 136520, n=9) | |
| Durchschnitt der Klasse Gaming (39258 - 247074, n=122, der letzten 2 Jahre) | |
| Asus TUF Gaming A16 FA617 | |
| AIDA64 / CPU ZLib | |
| Lenovo Legion Pro 7 16IRX8H | |
| Asus ROG Strix G16 G614JZ | |
| Durchschnittliche Intel Core i9-13980HX (1513 - 2039, n=9) | |
| Razer Blade 16 Early 2023 | |
| Razer Blade 16 Early 2023 | |
| Razer Blade 16 Early 2023 | |
| Durchschnitt der Klasse Gaming (574 - 2531, n=122, der letzten 2 Jahre) | |
| Gigabyte AERO 16 OLED BSF | |
| Asus TUF Gaming A16 FA617 | |
| AIDA64 / FP64 Ray-Trace | |
| Durchschnitt der Klasse Gaming (5509 - 45446, n=122, der letzten 2 Jahre) | |
| Lenovo Legion Pro 7 16IRX8H | |
| Asus ROG Strix G16 G614JZ | |
| Durchschnittliche Intel Core i9-13980HX (11431 - 16325, n=9) | |
| Razer Blade 16 Early 2023 | |
| Razer Blade 16 Early 2023 | |
| Razer Blade 16 Early 2023 | |
| Gigabyte AERO 16 OLED BSF | |
| Asus TUF Gaming A16 FA617 | |
| AIDA64 / CPU PhotoWorxx | |
| Razer Blade 16 Early 2023 | |
| Razer Blade 16 Early 2023 | |
| Razer Blade 16 Early 2023 | |
| Lenovo Legion Pro 7 16IRX8H | |
| Durchschnittliche Intel Core i9-13980HX (37069 - 52949, n=9) | |
| Gigabyte AERO 16 OLED BSF | |
| Durchschnitt der Klasse Gaming (12271 - 62916, n=122, der letzten 2 Jahre) | |
| Asus ROG Strix G16 G614JZ | |
| Asus TUF Gaming A16 FA617 | |
System Performance
Im Test mit PCMark 10 liegt das Asus ROG Strix G16 etwas hinter vielen Konkurrenten mit ähnlicher Hardware. Der Leistungseinbruch kommt im Teilbereich Productivity zustande, der insbesondere die Leistung des Arbeitsspeichers und des Festspeichers berücksichtigt. Beide sind beim ROX Strix G16 im Vergleich zu anderen aktuellen Gaming-Laptops suboptimal. Dennoch kann man hier nicht von niedrigen Werten sprechen. Das Asus ROG Stix liegt deutlich über dem Durchschnitt der Spiele-Notebooks.
Dass der Laptop sehr leistungsstark ist, wird auch deutlich, wenn man sich die Ergebnisse von Crossmark sowie PCMark 10 Essentials und Content Creation ansieht. Hier ermitteln die Benchmarks Wertungen im oberen Bereich. Damit ist das Asus ROG Strix G16 für alle Eventualitäten gerüstet. Auch abseits seiner Kernkompetenz, dem Gaming, muss es sich im Alltag nicht verstecken. Die starke Rechenhardware sorgt für kurze Ladezeiten und ein sehr reaktionsschnelles System.
CrossMark: Overall | Productivity | Creativity | Responsiveness
| PCMark 10 / Score | |
| Asus Zephyrus Duo 16 GX650PY-NM006W | |
| Asus ROG Strix Scar 18 2023 G834JY-N6005W | |
| Durchschnitt der Klasse Gaming (5828 - 10060, n=104, der letzten 2 Jahre) | |
| Gigabyte AERO 16 OLED BSF | |
| Razer Blade 16 Early 2023 | |
| Lenovo Legion Pro 7 16IRX8H | |
| Asus TUF Gaming A16 FA617 | |
| Asus ROG Strix G16 G614JZ | |
| Durchschnittliche Intel Core i9-13980HX, NVIDIA GeForce RTX 4080 Laptop GPU (n=1) | |
| Asus ROG Strix G18 G814JI | |
| PCMark 10 / Essentials | |
| Asus Zephyrus Duo 16 GX650PY-NM006W | |
| Asus ROG Strix G16 G614JZ | |
| Durchschnittliche Intel Core i9-13980HX, NVIDIA GeForce RTX 4080 Laptop GPU (n=1) | |
| Lenovo Legion Pro 7 16IRX8H | |
| Gigabyte AERO 16 OLED BSF | |
| Razer Blade 16 Early 2023 | |
| Durchschnitt der Klasse Gaming (8810 - 12600, n=108, der letzten 2 Jahre) | |
| Asus TUF Gaming A16 FA617 | |
| Asus ROG Strix G18 G814JI | |
| PCMark 10 / Productivity | |
| Asus Zephyrus Duo 16 GX650PY-NM006W | |
| Lenovo Legion Pro 7 16IRX8H | |
| Durchschnitt der Klasse Gaming (6662 - 16716, n=106, der letzten 2 Jahre) | |
| Asus TUF Gaming A16 FA617 | |
| Gigabyte AERO 16 OLED BSF | |
| Asus ROG Strix G18 G814JI | |
| Razer Blade 16 Early 2023 | |
| Asus ROG Strix G16 G614JZ | |
| Durchschnittliche Intel Core i9-13980HX, NVIDIA GeForce RTX 4080 Laptop GPU (n=1) | |
| PCMark 10 / Digital Content Creation | |
| Razer Blade 16 Early 2023 | |
| Asus Zephyrus Duo 16 GX650PY-NM006W | |
| Durchschnitt der Klasse Gaming (7602 - 19351, n=106, der letzten 2 Jahre) | |
| Gigabyte AERO 16 OLED BSF | |
| Asus ROG Strix G16 G614JZ | |
| Durchschnittliche Intel Core i9-13980HX, NVIDIA GeForce RTX 4080 Laptop GPU (n=1) | |
| Asus TUF Gaming A16 FA617 | |
| Lenovo Legion Pro 7 16IRX8H | |
| Asus ROG Strix G18 G814JI | |
| CrossMark / Overall | |
| Asus ROG Strix G16 G614JZ | |
| Durchschnittliche Intel Core i9-13980HX, NVIDIA GeForce RTX 4080 Laptop GPU (n=1) | |
| Asus ROG Strix Scar 18 2023 G834JY-N6005W | |
| Asus Zephyrus Duo 16 GX650PY-NM006W | |
| Durchschnitt der Klasse Gaming (1366 - 2344, n=106, der letzten 2 Jahre) | |
| Gigabyte AERO 16 OLED BSF | |
| Razer Blade 16 Early 2023 | |
| CrossMark / Productivity | |
| Asus ROG Strix G16 G614JZ | |
| Durchschnittliche Intel Core i9-13980HX, NVIDIA GeForce RTX 4080 Laptop GPU (n=1) | |
| Asus Zephyrus Duo 16 GX650PY-NM006W | |
| Asus ROG Strix Scar 18 2023 G834JY-N6005W | |
| Durchschnitt der Klasse Gaming (1386 - 2211, n=106, der letzten 2 Jahre) | |
| Gigabyte AERO 16 OLED BSF | |
| Razer Blade 16 Early 2023 | |
| CrossMark / Creativity | |
| Asus ROG Strix Scar 18 2023 G834JY-N6005W | |
| Asus ROG Strix G16 G614JZ | |
| Durchschnittliche Intel Core i9-13980HX, NVIDIA GeForce RTX 4080 Laptop GPU (n=1) | |
| Asus Zephyrus Duo 16 GX650PY-NM006W | |
| Durchschnitt der Klasse Gaming (1343 - 2729, n=106, der letzten 2 Jahre) | |
| Gigabyte AERO 16 OLED BSF | |
| Razer Blade 16 Early 2023 | |
| CrossMark / Responsiveness | |
| Asus ROG Strix G16 G614JZ | |
| Durchschnittliche Intel Core i9-13980HX, NVIDIA GeForce RTX 4080 Laptop GPU (n=1) | |
| Gigabyte AERO 16 OLED BSF | |
| Durchschnitt der Klasse Gaming (1226 - 2330, n=106, der letzten 2 Jahre) | |
| Asus Zephyrus Duo 16 GX650PY-NM006W | |
| Asus ROG Strix Scar 18 2023 G834JY-N6005W | |
| Razer Blade 16 Early 2023 | |
| PCMark 10 Score | 7223 Punkte | |
Hilfe | ||
| AIDA64 / Memory Copy | |
| Razer Blade 16 Early 2023 | |
| Razer Blade 16 Early 2023 | |
| Razer Blade 16 Early 2023 | |
| Lenovo Legion Pro 7 16IRX8H | |
| Durchschnittliche Intel Core i9-13980HX (62189 - 80776, n=9) | |
| Durchschnitt der Klasse Gaming (21750 - 108104, n=122, der letzten 2 Jahre) | |
| Asus ROG Strix Scar 18 2023 G834JY-N6005W | |
| Gigabyte AERO 16 OLED BSF | |
| Asus ROG Strix G18 G814JI | |
| Asus ROG Strix G16 G614JZ | |
| Asus TUF Gaming A16 FA617 | |
| AIDA64 / Memory Read | |
| Razer Blade 16 Early 2023 | |
| Razer Blade 16 Early 2023 | |
| Razer Blade 16 Early 2023 | |
| Lenovo Legion Pro 7 16IRX8H | |
| Durchschnittliche Intel Core i9-13980HX (62624 - 89096, n=9) | |
| Asus ROG Strix Scar 18 2023 G834JY-N6005W | |
| Durchschnitt der Klasse Gaming (22956 - 104349, n=122, der letzten 2 Jahre) | |
| Asus ROG Strix G16 G614JZ | |
| Asus ROG Strix G18 G814JI | |
| Gigabyte AERO 16 OLED BSF | |
| Asus TUF Gaming A16 FA617 | |
| AIDA64 / Memory Write | |
| Razer Blade 16 Early 2023 | |
| Razer Blade 16 Early 2023 | |
| Razer Blade 16 Early 2023 | |
| Durchschnitt der Klasse Gaming (22297 - 133486, n=122, der letzten 2 Jahre) | |
| Lenovo Legion Pro 7 16IRX8H | |
| Durchschnittliche Intel Core i9-13980HX (59912 - 79917, n=9) | |
| Gigabyte AERO 16 OLED BSF | |
| Asus ROG Strix Scar 18 2023 G834JY-N6005W | |
| Asus ROG Strix G18 G814JI | |
| Asus ROG Strix G16 G614JZ | |
| Asus TUF Gaming A16 FA617 | |
| AIDA64 / Memory Latency | |
| Durchschnitt der Klasse Gaming (75.3 - 259, n=122, der letzten 2 Jahre) | |
| Razer Blade 16 Early 2023 | |
| Razer Blade 16 Early 2023 | |
| Razer Blade 16 Early 2023 | |
| Gigabyte AERO 16 OLED BSF | |
| Asus ROG Strix Scar 18 2023 G834JY-N6005W | |
| Asus ROG Strix G16 G614JZ | |
| Durchschnittliche Intel Core i9-13980HX (79.4 - 93.2, n=9) | |
| Asus TUF Gaming A16 FA617 | |
| Asus ROG Strix G18 G814JI | |
| Lenovo Legion Pro 7 16IRX8H | |
* ... kleinere Werte sind besser
DPC-Latenzen
| DPC Latencies / LatencyMon - interrupt to process latency (max), Web, Youtube, Prime95 | |
| Asus Zephyrus Duo 16 GX650PY-NM006W | |
| Asus ROG Strix G16 G614JZ | |
| Razer Blade 16 Early 2023 | |
| Gigabyte AERO 16 OLED BSF | |
| Lenovo Legion Pro 7 16IRX8H | |
| Asus TUF Gaming A16 FA617 | |
* ... kleinere Werte sind besser
Massenspeicher
Die Western Digital PC SN560 NVMe SSD ist zwar nicht wirklich langsam, kommt aber auch nicht ganz an die extrem schnellen Festspeicher von einigen anderen Gaming-Notebooks im Vergleichsfeld heran. So muss sich die SSD mit einem Platz im Mittelfeld begnügen. Für die Performance des Asus ROG Strix G16 bedeutet dies aber nur geringe Leistungseinbußen und eventuell geringfügig längere Ladezeiten in manchen Spielen.
* ... kleinere Werte sind besser
Dauerleistung Lesen: DiskSpd Read Loop, Queue Depth 8
Grafikkarte
Die RTX 4080 nimmt den zweiten Platz in der neuesten Generation der Grafikkarten von Nvidia ein. Der leistungsstarke AD104-Chip wird von 12 GB GDDR6X-Speicher unterstützt und bietet maximal 7.680 Shader sowie 232 Tensorkerne. Auch beim Grafikchip setzt Asus auf hohe Leistungswerte. Im Leistungsmodus Turbo kann die RTX 4080 hier mit rund 170 Watt dauerhaft arbeiten. Damit liegt die Grafikleistung des Strix G16 in Schlagdistanz zum Asus ROG Strix Scar 18. Dieses Notebook verfügt jedoch über die RTX 4090, bei ansonsten gleichwertiger Kühlung. Die RTX 4080 befindet sich damit wohl im Sweetspot, wenn es um die Balance zwischen Kühlmöglichkeiten und Grafikleistung geht.
Interessant ist auch die hohe Grafikleistung des ROG Strix G16 im leisen Modus. Hier können wir wieder einen direkten Vergleich zu einem anderen Asus ROG Gerät ziehen. Das ROG Strix G18 mit RTX 4070 erreicht im Time Spy Benchmark mit aktiviertem Leistungs-Modus 12.111 Punkte. Die RTX 4080 im G16 erreicht im leisen Modus 11.817 Punkte. Man könnte also sagen, dass das Gaming-Notebook auch leise sein kann, ohne auf eine gute Grafikleistung zu verzichten.
| 3DMark 11 Performance | 44528 Punkte | |
| 3DMark Ice Storm Standard Score | 288532 Punkte | |
| 3DMark Cloud Gate Standard Score | 72794 Punkte | |
| 3DMark Fire Strike Score | 34456 Punkte | |
| 3DMark Time Spy Score | 18495 Punkte | |
Hilfe | ||
* ... kleinere Werte sind besser
Gaming Performance
Mit der üppigen Grafikleistung der RTX 4080 lassen sich bei vielen aktuellen Titeln auch in den höchsten Qualitätseinstellungen und in QHD-Auflösung hohe Bildraten (FPS) erzielen. Auch Raytracing kann der Grafikchip gut verarbeiten. In der nativen Auflösung von 2.560 × 1.600 Bildpunkten können die 240 Hz des Displays jedoch oft nur bei anspruchslosen Spielen oder reduzierten Qualitätseinstellungen ausgeschöpft werden.
Nach den guten Ergebnissen im leisen Modus haben wir es uns nicht nehmen lassen, die Spieleleistung des ROG Strix G16 auch in diesem Modus zu testen. Das Ergebnis: Der Silent Modus eignet sich zum Spielen. Wer nicht auf die höchsten FPS aus ist, sollte sich nicht scheuen, den Modus zu verwenden. Im Benchmark mit F1 22 liegen teilweise nur 30 FPS zwischen Leise und Leistung. Selbst Raytracing schluckt die Grafikeinheit mit 72 FPS im Benchmark. Keines der getesteten Spiele ruckelte trotz der geringeren Kühlung.
| The Witcher 3 - 1920x1080 Ultra Graphics & Postprocessing (HBAO+) | |
| Asus Zephyrus Duo 16 GX650PY-NM006W | |
| Lenovo Legion Pro 7 16IRX8H | |
| Razer Blade 16 Early 2023 | |
| Asus ROG Strix G16 G614JZ | |
| Durchschnitt der Klasse Gaming (83.7 - 240, n=25, der letzten 2 Jahre) | |
| Asus ROG Strix G18 G814JI | |
| Gigabyte AERO 16 OLED BSF | |
| Asus TUF Gaming A16 FA617 | |
| Hogwarts Legacy | |
| 1920x1080 Ultra Preset + Full Ray Tracing AA:High T | |
| Durchschnittliche NVIDIA GeForce RTX 4080 Laptop GPU (53 - 66, n=2) | |
| Asus ROG Strix G16 G614JZ | |
| Asus ROG Strix G18 G814JI | |
| 2560x1440 Ultra Preset AA:High T | |
| Asus ROG Strix G16 G614JZ | |
| Durchschnittliche NVIDIA GeForce RTX 4080 Laptop GPU (76 - 102, n=3) | |
| Asus ROG Strix G18 G814JI | |
| Durchschnitt der Klasse Gaming (29.8 - 96.8, n=3, der letzten 2 Jahre) | |
| 1920x1080 Ultra Preset AA:High T | |
| Asus ROG Strix G16 G614JZ | |
| Durchschnittliche NVIDIA GeForce RTX 4080 Laptop GPU (108 - 131, n=3) | |
| Asus ROG Strix G18 G814JI | |
| Durchschnitt der Klasse Gaming (46.9 - 108.3, n=3, der letzten 2 Jahre) | |
| 1920x1080 High Preset AA:High T | |
| Asus ROG Strix G16 G614JZ | |
| Durchschnittliche NVIDIA GeForce RTX 4080 Laptop GPU (134 - 161.6, n=3) | |
| Asus ROG Strix G18 G814JI | |
| Durchschnitt der Klasse Gaming (58.4 - 87, n=2, der letzten 2 Jahre) | |
| GRID Legends | |
| 2560x1440 Ultra Preset | |
| Asus ROG Strix G16 G614JZ | |
| Durchschnittliche NVIDIA GeForce RTX 4080 Laptop GPU (n=1) | |
| 1920x1080 Ultra Preset | |
| Asus ROG Strix G16 G614JZ | |
| Durchschnittliche NVIDIA GeForce RTX 4080 Laptop GPU (n=1) | |
| 1920x1080 High Preset | |
| Asus ROG Strix G16 G614JZ | |
| Durchschnittliche NVIDIA GeForce RTX 4080 Laptop GPU (n=1) | |
Der Langzeittest mit Witcher 3 zeigt, dass das G16 seine Leistung auch langfristig halten kann. Die leichten Schwankungen der FPS sind hier auf den Tag-Nacht-Zyklus zurückzuführen. So wird im Spiel damit unter anderem die Sichtweite verändert.
Witcher 3 FPS-Diagramm
| min. | mittel | hoch | max. | QHD | 4K | |
|---|---|---|---|---|---|---|
| GTA V (2015) | 186.9 | 186.4 | 183 | 146.1 | 131.4 | |
| The Witcher 3 (2015) | 175 | |||||
| Dota 2 Reborn (2015) | 233 | 205 | 193.9 | 180.7 | 182.6 | |
| Final Fantasy XV Benchmark (2018) | 224 | 201 | 168.1 | 128.3 | 74.2 | |
| X-Plane 11.11 (2018) | 192.2 | 181 | 138.8 | |||
| Strange Brigade (2018) | 497 | 399 | 369 | 338 | 241 | |
| GRID Legends (2022) | 241 | 220 | 199 | 187 | 158 | |
| Cyberpunk 2077 1.6 (2022) | 123.48 | 121.41 | 81.98 | |||
| F1 22 (2022) | 312 | 294 | 263 | 117 | ||
| FIFA 23 (2022) | 165 | 158 | 160 | 155 | ||
| Call of Duty Modern Warfare 2 2022 (2022) | 154 | 145 | 108 | |||
| Hogwarts Legacy (2023) | 207 | 178.5 | 161.6 | 131 | 102 |
Emissionen - Das ROG Strix kann auch leise
Geräuschemissionen
Die drei Lüfter des ROG Strix G16 sorgen für ordentlich Wind, aber je nach eingestellter Leistung auch für eine beträchtliche Lautstärke. Mit 52 dB(A) übertönen die Lüfter vieles in der Umgebung und auch einige Geräusche des Notebooks, die sonst auffallen würden. Auf Wunsch kann das Gaming-Notebook auch leise sein. So ist man nicht unbedingt auf Kopfhörer angewiesen. Denn im Leise-Modus bleibt das Notebook mit maximal 40 dB(A) im erträglichen Bereich und hat trotzdem ausreichend Leistung zum Zocken. Allerdings ist dann ein Spulenfiepen deutlich hörbar. Immer dann, wenn CPU und GPU im Boost-Modus laufen, hört man die VRMs oder andere Komponenten des Notebooks quietschen. Beim Spielen mit eingeschalteten Lautsprechern ist das Spulenfiepen aber nicht mehr so deutlich wahrnehmbar.
Lautstärkediagramm
| Idle |
| 26 / 28 / 30 dB(A) |
| Last |
| 48 / 52 dB(A) |
![]() | ||
30 dB leise 40 dB(A) deutlich hörbar 50 dB(A) störend |
||
min: | ||
| Asus ROG Strix G16 G614JZ i9-13980HX, GeForce RTX 4080 Laptop GPU | Asus Zephyrus Duo 16 GX650PY-NM006W R9 7945HX, GeForce RTX 4090 Laptop GPU | Lenovo Legion Pro 7 16IRX8H i9-13900HX, GeForce RTX 4080 Laptop GPU | Gigabyte AERO 16 OLED BSF i9-13900H, GeForce RTX 4070 Laptop GPU | Asus TUF Gaming A16 FA617 R7 7735HS, Radeon RX 7600S | Razer Blade 16 Early 2023 i9-13950HX, GeForce RTX 4080 Laptop GPU | |
|---|---|---|---|---|---|---|
| Geräuschentwicklung | -4% | -4% | 0% | 6% | 11% | |
| aus / Umgebung * (dB) | 25 | 23.9 4% | 24 4% | 23 8% | 24 4% | 23 8% |
| Idle min * (dB) | 26 | 23.9 8% | 26 -0% | 23 12% | 24 8% | 23 12% |
| Idle avg * (dB) | 28 | 32.9 -18% | 28 -0% | 23 18% | 25 11% | 23 18% |
| Idle max * (dB) | 30 | 36.5 -22% | 34 -13% | 33.64 -12% | 28 7% | 23.6 21% |
| Last avg * (dB) | 48 | 42.9 11% | 47 2% | 51.49 -7% | 42 12% | 39 19% |
| Witcher 3 ultra * (dB) | 49 | 51.2 -4% | 55 -12% | 55.27 -13% | 50 -2% | 51.6 -5% |
| Last max * (dB) | 52 | 56 -8% | 56 -8% | 55.24 -6% | 50 4% | 51.3 1% |
* ... kleinere Werte sind besser
Temperatur
Die leistungsstarke Hardware heizt das Gehäuse des ROG Strix G16 ordentlich auf. Während des Spielens steigen die Temperaturen an der Oberseite des Notebooks auf bis zu 54°C. Glücklicherweise befinden sich die Lüfter des Gaming-Notebooks direkt unter den WASD-Tasten. Hier stellen wir eine deutliche Temperatursenke fest. So verbrennt man sich beim Spielen nicht die Finger. Die Handballenauflagen bleiben immer kühl. Beim Spielen sollte man das Notebook also auf eine feste Unterlage stellen.
Anders sieht es bei geringerer Belastung aus. Ob im Leerlauf, beim Bearbeiten von Fotos und Videos oder auch beim CAD-Zeichnen, das ROG Strix G16 wird nicht wirklich warm. Mit knapp 30°C an der Unterseite ist die Betriebswärme dann deutlich erträglicher als im Last-Szenario.
(-) Die maximale Temperatur auf der Oberseite ist 54 °C. Im Vergleich liegt der Klassendurchschnitt bei 40.4 °C (von 21.2 bis 68.8 °C für die Klasse Gaming).
(-) Auf der Unterseite messen wir eine maximalen Wert von 55 °C (im Vergleich zum Durchschnitt von 43.3 °C).
(+) Ohne Last messen wir eine durchschnittliche Temperatur von 27.6 °C auf der Oberseite. Der Klassendurchschnitt erreicht 33.9 °C.
(-) Beim längeren Spielen von The Witcher 3 erhitzt sich das Gerät durchschnittlich auf 40.1 °C. Der Durchschnitt der Klasse ist derzeit 33.9 °C.
(±) Die Handballen und der Touchpad-Bereich können sehr heiß werden mit maximal 38 °C.
(-) Die durchschnittliche Handballen-Temperatur anderer getesteter Geräte war 28.8 °C (-9.2 °C).
| Asus ROG Strix G16 G614JZ Intel Core i9-13980HX, NVIDIA GeForce RTX 4080 Laptop GPU | Asus Zephyrus Duo 16 GX650PY-NM006W AMD Ryzen 9 7945HX, NVIDIA GeForce RTX 4090 Laptop GPU | Lenovo Legion Pro 7 16IRX8H Intel Core i9-13900HX, NVIDIA GeForce RTX 4080 Laptop GPU | Gigabyte AERO 16 OLED BSF Intel Core i9-13900H, NVIDIA GeForce RTX 4070 Laptop GPU | Asus TUF Gaming A16 FA617 AMD Ryzen 7 7735HS, AMD Radeon RX 7600S | Razer Blade 16 Early 2023 Intel Core i9-13950HX, NVIDIA GeForce RTX 4080 Laptop GPU | |
|---|---|---|---|---|---|---|
| Hitze | 10% | -4% | 23% | -11% | 13% | |
| Last oben max * (°C) | 54 | 44.2 18% | 48 11% | 41 24% | 54 -0% | 40 26% |
| Last unten max * (°C) | 55 | 46.8 15% | 49 11% | 47 15% | 47 15% | 37.6 32% |
| Idle oben max * (°C) | 29 | 29.2 -1% | 40 -38% | 23 21% | 40 -38% | 32.4 -12% |
| Idle unten max * (°C) | 33 | 30.2 8% | 33 -0% | 23 30% | 40 -21% | 31.4 5% |
* ... kleinere Werte sind besser
Stresstest
Flüssigmetall und gleich drei Lüfter sollen in Kombination mit den massiven Kühlkörpern für stabile Temperaturen sorgen. Im Stresstest stellt sich so nach etwa acht bis zehn Minuten ein Gleichgewicht ein. Ab dann liegen die Temperaturen von CPU und GPU bei 83 bis 88 °C. Der i9 arbeitet dabei konstant mit rund 55 Watt, die RTX 4080 mit rund 140 Watt. Auffällig sind die Hotspots der GeForce RTX 4080, die mit knapp 93°C deutlich über dem Durchschnitt liegen. Mit einer guten Flüssigmetallkühlung sollten derart hohe Hotspots nicht auftreten.
Lautsprecher
Im ROG Strix G16 sind vier Lautsprechermodule verbaut. Zwei nach unten gerichtete Breitbänder im vorderen Teil der Basis werden durch zwei Hochtöner zwischen den Scharnieren ergänzt. So kann der Laptop ein gutes Klangbild erzeugen, auch wenn die Bässe etwas schwächeln. Die Mitten und Höhen sind sehr ausgewogen. Mit 83 dB(A) Maximallautstärke übertönen die Lautsprecher auch die Lüfter des Gaming-Notebooks deutlich. Auf Kopfhörer kann hier verzichtet werden, auch wenn mit dem 3,5 mm Kopfhöreranschluss und Bluetooth 5.2 auch die Möglichkeit besteht, externe Lautsprecher und Headsets anzuschließen.
Asus ROG Strix G16 G614JZ Audio Analyse
(+) | Die Lautsprecher können relativ laut spielen (87 dB)
Bass 100 - 315 Hz
(-) | kaum Bass - 16.6% niedriger als der Median
(±) | durchschnittlich lineare Bass-Wiedergabe (8.7% Delta zum Vorgänger)
Mitteltöne 400 - 2000 Hz
(+) | ausgeglichene Mitten, vom Median nur 1.9% abweichend
(+) | lineare Mitten (4.1% Delta zum Vorgänger)
Hochtöne 2 - 16 kHz
(+) | ausgeglichene Hochtöne, vom Median nur 3.8% abweichend
(+) | sehr lineare Hochtöne (6.2% Delta zum Vorgänger)
Gesamt im hörbaren Bereich 100 - 16.000 Hz
(+) | hörbarer Bereich ist sehr linear (12.2% Abstand zum Median
Im Vergleich zu allen Geräten derselben Klasse
» 13% aller getesteten Geräte dieser Klasse waren besser, 4% vergleichbar, 84% schlechter
» Das beste Gerät hat einen Delta-Wert von 6%, durchschnittlich ist 18%, das schlechteste Gerät hat 132%
Im Vergleich zu allen Geräten im Test
» 10% aller getesteten Geräte waren besser, 2% vergleichbar, 88% schlechter
» Das beste Gerät hat einen Delta-Wert von 4%, durchschnittlich ist 24%, das schlechteste Gerät hat 134%
Lenovo Legion Pro 7 16IRX8H Audio Analyse
(+) | Die Lautsprecher können relativ laut spielen (82 dB)
Bass 100 - 315 Hz
(±) | abgesenkter Bass - 8.9% geringer als der Median
(+) | lineare Bass-Wiedergabe (6.4% Delta zum Vorgänger)
Mitteltöne 400 - 2000 Hz
(+) | ausgeglichene Mitten, vom Median nur 2.8% abweichend
(+) | lineare Mitten (4.2% Delta zum Vorgänger)
Hochtöne 2 - 16 kHz
(+) | ausgeglichene Hochtöne, vom Median nur 2.5% abweichend
(+) | sehr lineare Hochtöne (6% Delta zum Vorgänger)
Gesamt im hörbaren Bereich 100 - 16.000 Hz
(+) | hörbarer Bereich ist sehr linear (9.4% Abstand zum Median
Im Vergleich zu allen Geräten derselben Klasse
» 3% aller getesteten Geräte dieser Klasse waren besser, 2% vergleichbar, 95% schlechter
» Das beste Gerät hat einen Delta-Wert von 6%, durchschnittlich ist 18%, das schlechteste Gerät hat 132%
Im Vergleich zu allen Geräten im Test
» 3% aller getesteten Geräte waren besser, 1% vergleichbar, 96% schlechter
» Das beste Gerät hat einen Delta-Wert von 4%, durchschnittlich ist 24%, das schlechteste Gerät hat 134%
Energieverwaltung - 90 Wh Akku und Optimus sorgen für hohe Akkulaufzeiten
Energieaufnahme
Mit 10 bis 20 Watt Leistungsaufnahme im Idle-Betrieb liegt das Gaming-Notebook im tolerierbaren Bereich. Diese relativ niedrigen Werte werden allerdings nur bei aktiver Grafikumschaltung erreicht. Unter Last steigt die Leistungsaufnahme auf bis zu 342 Watt an, wobei es sich um einen kurzen Peak während des Boost handelt. Das mitgelieferte 330 Watt Netzteil sollte dies verkraften. Langfristig bleibt die Stromaufnahme auch unter Last mit 260 Watt recht stabil.
| Aus / Standby | |
| Idle | |
| Last |
|
Legende:
min: | |
| Asus ROG Strix G16 G614JZ i9-13980HX, GeForce RTX 4080 Laptop GPU | Asus Zephyrus Duo 16 GX650PY-NM006W R9 7945HX, GeForce RTX 4090 Laptop GPU | Lenovo Legion Pro 7 16IRX8H i9-13900HX, GeForce RTX 4080 Laptop GPU | Gigabyte AERO 16 OLED BSF i9-13900H, GeForce RTX 4070 Laptop GPU | Asus TUF Gaming A16 FA617 R7 7735HS, Radeon RX 7600S | Razer Blade 16 Early 2023 i9-13950HX, GeForce RTX 4080 Laptop GPU | Durchschnittliche NVIDIA GeForce RTX 4080 Laptop GPU | Durchschnitt der Klasse Gaming | |
|---|---|---|---|---|---|---|---|---|
| Stromverbrauch | -32% | -25% | 20% | 34% | -25% | -22% | -1% | |
| Idle min * (Watt) | 10 | 19.2 -92% | 18 -80% | 11.8 -18% | 8 20% | 15.2 -52% | 16.9 ? -69% | 13.5 ? -35% |
| Idle avg * (Watt) | 16 | 29.7 -86% | 24 -50% | 16.1 -1% | 11 31% | 22.8 -43% | 22 ? -38% | 19.2 ? -20% |
| Idle max * (Watt) | 27 | 30.8 -14% | 32 -19% | 17 37% | 16 41% | 49.8 -84% | 34.1 ? -26% | 24.6 ? 9% |
| Last avg * (Watt) | 129 | 126 2% | 130 -1% | 100.6 22% | 97 25% | 121.2 6% | 117.9 ? 9% | 108.4 ? 16% |
| Witcher 3 ultra * (Watt) | 247 | 258 -4% | 260 -5% | 158 36% | 161.5 35% | 242 2% | ||
| Last max * (Watt) | 342 | 330 4% | 320 6% | 192 44% | 168 51% | 273.7 20% | 297 ? 13% | 254 ? 26% |
* ... kleinere Werte sind besser
Energieaufnahme Witcher 3 / Stresstest
Energieaufnahme mit externem Monitor
Akkulaufzeit
Mit einer Kapazität von 90 Wattstunden kann der Akku des Asus ROG Strix G16 für gute Laufzeiten abseits der Steckdose sorgen. Mehr als neun Stunden erreicht das Notebook im WiFi-Websurfing-Test allerdings nur mit aktiver Grafikumschaltung. Sobald die GeForce RTX 4080 aktiv ist, sinken die Laufzeiten deutlich. Unter hoher Last hält der Akku teilweise nur eine Stunde durch. Für ein Gaming-Notebook sind die Akkulaufzeiten aber auch 2023 noch außergewöhnlich gut.
| Asus ROG Strix G16 G614JZ i9-13980HX, GeForce RTX 4080 Laptop GPU, 90 Wh | Asus Zephyrus Duo 16 GX650PY-NM006W R9 7945HX, GeForce RTX 4090 Laptop GPU, 90 Wh | Lenovo Legion Pro 7 16IRX8H i9-13900HX, GeForce RTX 4080 Laptop GPU, 99.9 Wh | Gigabyte AERO 16 OLED BSF i9-13900H, GeForce RTX 4070 Laptop GPU, 88 Wh | Asus TUF Gaming A16 FA617 R7 7735HS, Radeon RX 7600S, 90 Wh | Razer Blade 16 Early 2023 i9-13950HX, GeForce RTX 4080 Laptop GPU, 95.2 Wh | Durchschnitt der Klasse Gaming | |
|---|---|---|---|---|---|---|---|
| Akkulaufzeit | -34% | 22% | 34% | 31% | -5% | 4% | |
| WLAN (h) | 9.7 | 4 -59% | 5.1 -47% | 7.5 -23% | 12.1 25% | 6.1 -37% | 6.83 ? -30% |
| Last (h) | 1.1 | 1 -9% | 2.1 91% | 2.1 91% | 1.5 36% | 1.4 27% | 1.512 ? 37% |
| H.264 (h) | 3.8 | 7.4 | 8.02 ? | ||||
| Idle (h) | 6.4 | 20.2 | 8.9 | 9.1 ? |
Pro
Contra
Fazit - Die 4080 ist eine gute Wahl
Mit der mobilen Nvidia GeForce RTX 4080 trifft das Asus ROG Stix G16 wohl den Sweetspot zwischen Leistung und Kühlung. Vor allem im direkten Vergleich mit dem vermeintlich stärkeren Familienmitglied, dem ROG Strix Scar 18 mit RTX 4090, muss sich das G16 nicht verstecken. Die meisten Benchmarks liegen hier sehr nah beieinander. Dennoch dürfte das G16 deutlich günstiger sein. Je nach Bezugsquelle könnte der Preisunterschied hier bei knapp 2.000 Euro liegen. In der 2023er Modellreihe ebnet Asus die Unterschiede zwischen den beiden High-End-Linien deutlich ein. Durch den Wegfall der Vapor Chamber bei den Strix Scar Geräten sind die Unterschiede zwischen Scar und G fast nur noch kosmetischer Natur. Wer unbedingt einen Laptop mit transluzentem Gehäuse haben möchte, muss allerdings deutlich tiefer in die Tasche greifen. Zuletzt hatten wir auch ein Strix G18 mit RTX 4070 getestet. Ebenso wie im G16 kommen hier ein guter Bildschirm und starke Hardware mit guter Wärmeabfuhr zum Einsatz. Abgesehen davon könnte der 16-Zöller aber wegen einer etwas stabileren Bauweise die bessere Wahl sein.
Starke Leistung in einem auffälligen Paket. Das Asus ROG Strix G16 bringt Spaß dank guter Leistung.
Interessanterweise bietet das ROG Strix G16 eine echte Möglichkeit, ohne Lärmbelästigung zu zocken. Der vorkonfigurierte Leise Modus überzeugt hier mit mehr als spielbaren FPS und geringer Lüfterlautstärke. Leider tritt dadurch aber auch das Spulenfiepen des G16 in den Vordergrund. Das penetrante Geräusch wird vor allem bei Boosts deutlich hörbar und wird vermutlich von den Spannungswandlern erzeugt. Das ROG Strix G16 liegt leistungsmäßig etwa auf dem Niveau des Lenovo Legion Pro 7 und des Razer Blade 16, ist aber vermutlich günstiger. Die beiden Konkurrenten haben jedoch Vorteile bei der Gehäusequalität und der Anschlussvielfalt. Diese beiden Punkte sind auch die größten Schwachstellen des ROG Strix G16.
Preis und Verfügbarkeit
Das Asus ROG Strix G16 mit Nvidia GeForce RTX 4080 wird derzeit noch nicht in Deutschland angeboten. Ähnliche Geräte mit RTX 4070 und demselben Prozessor gibt es derzeit bei Amazon für rund 2.300 Euro. Mit Nvidia GeForce RTX 4080 und Intel Core i9-13980HX dürfte das Gaming-Notebook in Zukunft für 2800 bis 3300 Euro erhältlich sein.
Asus ROG Strix G16 G614JZ
- 16.03.2023 v7 (old)
Marc Herter
Transparenz
Die Auswahl der zu testenden Geräte erfolgt innerhalb der Redaktion. Das vorliegende Testmuster wurde dem Autor vom Hersteller oder einem Shop zu Testzwecken leihweise zur Verfügung gestellt. Eine Einflussnahme des Leihstellers auf den Testbericht gab es nicht, der Hersteller erhielt keine Version des Reviews vor der Veröffentlichung. Es bestand keine Verpflichtung zur Publikation. Als eigenständiges, unabhängiges Unternehmen unterliegt Notebookcheck keiner Diktion von Herstellern, Shops und Verlagen.
So testet Notebookcheck
Pro Jahr werden von Notebookcheck hunderte Laptops und Smartphones unabhängig in von uns standardisierten technischen Verfahren getestet, um eine Vergleichbarkeit aller Testergebnisse zu gewährleisten. Seit rund 20 Jahren entwickeln wir diese Testmethoden kontinuierlich weiter und setzen damit Branchenstandards. In unseren Testlaboren kommt ausschließlich hochwertiges Messequipment in die Hände erfahrener Techniker und Redakteure. Die Tests unterliegen einer mehrstufigen Kontrolle. Unsere komplexe Gesamtbewertung basiert auf hunderten fundierten Messergebnissen und Benchmarks, womit Ihnen Objektivität garantiert ist. Weitere Informationen zu unseren Testmethoden gibt es hier.



















































































